Topology, Control, and Applications of MMC with Embedded Energy Storage: A Brief Review
Abstract
1. Introduction
2. Electrical Topology of ES-MMC
2.1. MMC with Centralized ES
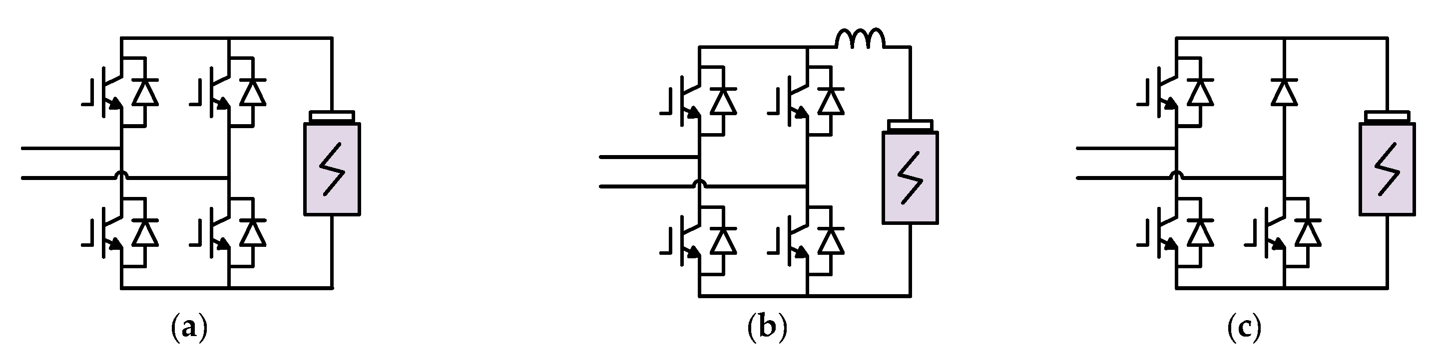
2.1.1. ES Integrated on the AC-Side of Converter
2.1.2. ES Integrated on the DC-Side of Converter
2.2. MMC with Distributed ES
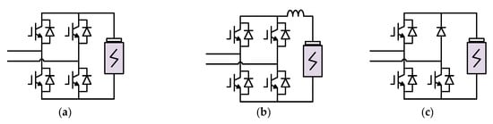
2.2.1. Topologies of ES-SMs
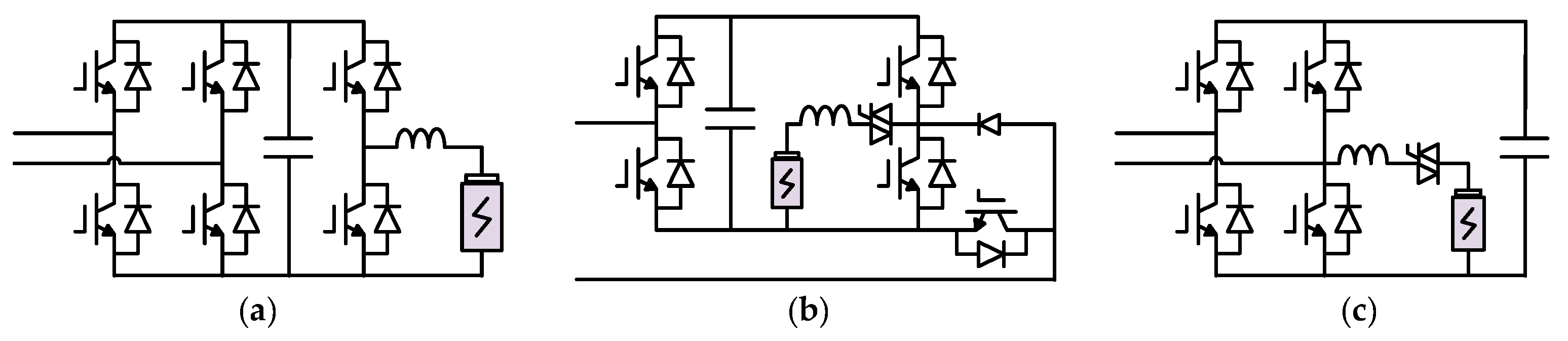
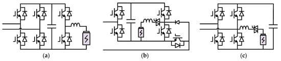
2.2.2. Distributed ES Interface
3. Control Strategy for ES-MMC
3.1. Control Strategy for Single-Stage SMs-Based ES-MMC
3.2. Control Strategy for Two-Stage SMs-Based ES-MMC
3.2.1. SM Capacitor Voltage Stability Achieved by SM Duty Cycle Controller
3.2.2. SM Capacitor Voltage Stability Achieved by DC–DC Converter Controller
3.3. AC Current Controller
3.4. Modulation Methods
3.5. DC–DC Converter Controller
3.6. State-of-Charge Balancing Control for ESUs
4. Applications of ES-MMC
4.1. Converter with Active Power Margin for VSC-HVDC Transmission
- LCC-HVDC’s dense integration can reduce the SCR of local grids, increasing the risk of system collapse, while ES-HVDC does not have this issue.
- The ES-MMC can actively provide additional power support, offering ancillary services to the grid.
- The ES-MMC can smooth out renewable energy fluctuations through its energy storage system.
- The ES-MMC provides GFM for weak systems, enhancing their stability.
- By controlling the charging and discharging of the ES system, the ES-MMC can create a “firewall” between the sending and receiving ends of the HVDC system, improving system security.
4.2. STATCOM with Energy Storage for Power System Ancillary Services
4.3. Grid-Forming Equipment for Extremely Weak Power Grids
5. Research Prospect
5.1. Topology Optimization
5.2. Efficient Control with Fewer Sensing Inputs
5.3. Establishment of Mathematical Models for Steady-State and Transient Analysis
5.4. Operation Mechanism of ES-MMC Under Asymmetric Conditions
5.5. The Impact of Advancements in Materials Science on the Development of ES-MMC
6. Conclusions
Author Contributions
Funding
Conflicts of Interest
References
- IEA. Electricity Market Report 2023; IEA: Paris, France, 2023; Available online: https://www.iea.org/reports/electricity-market-report-2023 (accessed on 28 December 2024).
- Challa, R.V.K.; Mikkili, S.; Bonthagorla, P.K. Modeling, Controlling Approaches, Modulation Schemes, and Applications of Modular Multilevel Converter: Review. J. Control Autom. Electr. Syst. 2023, 34, 189–215. [Google Scholar] [CrossRef]
- Tian, X.; Chi, Y.; Li, L.; Liu, H. Review of the Configuration and Transient Stability of Large-scale Renewable Energy Generation through Hybrid DC Transmission. CES Trans. Electr. Mach. Syst. 2024, 8, 115–126. [Google Scholar] [CrossRef]
- Gu, Z.; Pan, G.; Gu, W.; Qiu, H.; Lu, S. Robust Optimization of Scale and Revenue for Integrated Power-to-Hydrogen Systems Within Energy, Ancillary Services, and Hydrogen Markets. IEEE Trans. Power Syst. 2024, 39, 5008–5023. [Google Scholar] [CrossRef]
- Sun, K.; Xiao, H.; Pan, J.; Liu, Y. VSC-HVDC Interties for Urban Power Grid Enhancement. IEEE Trans. Power Syst. 2021, 36, 4745–4753. [Google Scholar] [CrossRef]
- Wang, X.; Taul, M.G.; Wu, H.; Liao, Y.; Blaabjerg, F.; Harnefors, L. Grid-Synchronization Stability of Converter-Based Resources—An Overview. IEEE Open J. Ind. Appl. 2020, 1, 115–134. [Google Scholar] [CrossRef]
- Huang, L.; Xin, H.; Wang, Z.; Zhang, L.; Wu, K.; Hu, J. Transient Stability Analysis and Control Design of Droop-Controlled Voltage Source Converters Considering Current Limitation. IEEE Trans. Smart Grid 2019, 10, 578–591. [Google Scholar] [CrossRef]
- Trintis, I.; Munk-Nielsen, S.; Teodorescu, R. A new modular multilevel converter with integrated energy storage. In Proceedings of the 37th Annual Conference of the IEEE Industrial Electronics Society, IECON 2011, Melbourne, VIC, Australia, 7–10 November 2011; IEEE Computer Society: Melbourne, VIC, Australia, 2011; pp. 1075–1080. [Google Scholar]
- Meloni, P.; Serpi, A. Integration of Energy Storage Systems within Modular Multilevel Converters for Medium-Voltage Distribution Networks. In Proceedings of the 48th Annual Conference of the IEEE Industrial Electronics Society, IECON 2022, Brussels, Belgium, 17–20 October 2022; IEEE Computer Society: Brussels, Belgium, 2022. [Google Scholar]
- Wanjari, N.V.; Kumar Chattopadhyay, S. Battery Integrated MMC for Grid Connected Solar PV Application. In Proceedings of the 10th IEEE Power India International Conference, PIICON 2022, New Delhi, India, 25–27 November 2022; Institute of Electrical and Electronics Engineers Inc.: New Delhi, India, 2022. [Google Scholar]
- Barton, J.P.; Infield, D.G. Energy storage and its use with intermittent renewable energy. IEEE Trans. Energy Convers. 2004, 19, 441–448. [Google Scholar] [CrossRef]
- Neira, S.; Blatsi, Z.; Judge, P.; Merlin, M.; Pereda, J. Modular Multilevel Converter with Inductor Parallel Branch Providing Integrated Partially Rated Energy Storage. In Proceedings of the 12th IEEE Energy Conversion Congress and Exposition-Asia, ECCE Asia 2021, Singapore, 24–27 May 2021; Institute of Electrical and Electronics Engineers Inc.: Singapore, 2021; pp. 676–681. [Google Scholar]
- Neira, S.; Blatsi, Z.; Judge, P.D.; Merlin, M.M.C.; Pereda, J. Modular Multilevel Converter with Parallel Branch Providing Integrated Partially Rated Energy Storage. IEEE Trans. Power Deliv. 2023, 38, 1958–1967. [Google Scholar] [CrossRef]
- Yu, Z.; Zhang, Z.; Xu, Z. Electromechanical transient modelling and application of modular multilevel converter with embedded energy storage. IET Gener. Transm. Distrib. 2022, 16, 123–136. [Google Scholar] [CrossRef]
- Alvarez, R.; Pieschel, M.; Gambach, H.; Spahic, E. Modular multilevel converter with short-time power intensive electrical energy storage capability. In Proceedings of the IEEE Electrical Power and Energy Conference, EPEC 2015, London, ON, Canada, 26–28 October 2015; Institute of Electrical and Electronics Engineers Inc.: London, ON, Canada, 2015; pp. 131–137. [Google Scholar]
- Frey, K.; Garg, M.; Morgenstern, R.; Platt, N.; Spahic, E. Provision of fast frequency response by SVC plus frequency stabilizer. In Proceedings of the 15th IET International Conference on AC and DC Power Transmission, ACDC 2019, Coventry, UK, 5–7 February 2019; Institution of Engineering and Technology: Coventry, UK, 2019. [Google Scholar]
- Liu, C.; Wu, S.; Wu, X.; Jiang, X.; Li, R.; Cai, X. High-voltage Large-capacity Battery Energy Storage System Connecting to 35 kV Grid Without Transformer. Gaodianya Jishu High Volt. Eng. 2024, 50, 881–892. [Google Scholar]
- Cai, X.; Li, R.; Liu, C.; Chen, Q.; Li, X.; Lei, B.; Chen, M.; Li, Y.; Guo, H.; Li, J.; et al. Transformerless High-voltage Power Conversion System for Battery Energy Storage System and the First Demonstration Application in World. Zhongguo Dianji Gongcheng Xuebao Proc. Chin. Soc. Electr. Eng. 2020, 40, 200–211. [Google Scholar]
- Mukherjee, N.; Strickland, D. Analysis and Comparative Study of Different Converter Modes in Modular Second-Life Hybrid Battery Energy Storage Systems. IEEE J. Emerg. Sel. Top. Power Electron. 2016, 4, 547–563. [Google Scholar] [CrossRef]
- Anil Bharadwaj, C.; Maiti, S.; Dhal, N. Modular Multilevel Converter Based STATCOM with Battery and Ultracapacitor for AC Grid Applications. In Proceedings of the 5th IEEE International Conference for Convergence in Technolog, I2CT 2019, Bombay, India, 29–31 March 2019; Institute of Electrical and Electronics Engineers Inc.: Bombay, India, 2019. [Google Scholar]
- Zhang, F.; Shen, H.; Yang, F. Topological structure and control strategy of superconducting magnetic energy storage system with large energy storage capacity. Dianli Zidonghua Shebei Electr. Power Autom. Equip. 2021, 41, 146–155. [Google Scholar]
- Fang, J.; Blaabjerg, F.; Liu, S.; Goetz, S. A Review of Multilevel Converters with Parallel Connectivity. IEEE Trans. Power Electron. 2021, 36, 12468–12489. [Google Scholar] [CrossRef]
- Xiao, H.; Sun, K.; Pan, J.; Li, Y.; Liu, Y. Review of hybrid HVDC systems combining line communicated converter and voltage source converter. Int. J. Electr. Power Energy Syst. 2021, 129, 106713. [Google Scholar] [CrossRef]
- Gao, F.; Gu, X.; Ma, Z.; Zhang, C. Redistributed Pulsewidth Modulation of MMC Battery Energy Storage System under Submodule Fault Condition. IEEE Trans. Power Electron. 2020, 35, 2284–2294. [Google Scholar] [CrossRef]
- Stynski, S.; Luo, W.; Chub, A.; Franquelo, L.G.; Malinowski, M.; Vinnikov, D. Utility-Scale Energy Storage Systems: Converters and Control. IEEE Ind. Electron. Mag. 2020, 14, 32–52. [Google Scholar] [CrossRef]
- Richter, M.; Klein, K.; Luther, M. Validation of a modular multilevel converter with additionally integrated energy storage for grid-supportive operation. In Proceedings of the 6th IEEE International Energy Conference, ENERGYCon 2020, Tunis, Tunisia, 28 September–1 October 2020; Institute of Electrical and Electronics Engineers Inc.: Tunis, Tunisia, 2020; pp. 824–829. [Google Scholar]
- Xiao, J.; Hua, L.; Ma, Y.; Ting, H. A novel configuration for integration of battery energy storage system into MMC. In Proceedings of the 9th IEEE International Power Electronics and Motion Control Conference, IPEMC 2020 ECCE Asia, Nanjing, China, 29 November–2 December 2020; Institute of Electrical and Electronics Engineers Inc.: Nanjing, China, 2020; pp. 2374–2379. [Google Scholar]
- Herath, N.; Filizadeh, S. Improved Average-Value and Detailed Equivalent Models for Modular Multilevel Converters with Embedded Storage. IEEE Trans. Energy Convers. 2022, 37, 1998–2008. [Google Scholar] [CrossRef]
- Liang, G.; Tafti, H.D.; Farivar, G.G.; Pou, J.; Townsend, C.D.; Konstantinou, G.; Ceballos, S. Analytical Derivation of Intersubmodule Active Power Disparity Limits in Modular Multilevel Converter-Based Battery Energy Storage Systems. IEEE Trans. Power Electron. 2021, 36, 2864–2874. [Google Scholar] [CrossRef]
- Gan, C.; Sun, Q.; Wu, J.; Kong, W.; Shi, C.; Hu, Y. MMC-Based SRM Drives with Decentralized Battery Energy Storage System for Hybrid Electric Vehicles. IEEE Trans. Power Electron. 2019, 34, 2608–2621. [Google Scholar] [CrossRef]
- Wang, X.; Lin, W.; An, T.; Wen, J.; Wu, Y. Equivalent Electromagnetic Transient Simulation Model and Fast Recovery Control of Overhead VSC-HVDC Based on SB-MMC. IEEE Trans. Power Deliv. 2017, 32, 778–788. [Google Scholar]
- Judge, P.D.; Green, T.C. Modular Multilevel Converter with Partially Rated Integrated Energy Storage Suitable for Frequency Support and Ancillary Service Provision. IEEE Trans. Power Deliv. 2019, 34, 208–219. [Google Scholar] [CrossRef]
- Xu, Y.; Zhang, Z.; Wang, G.; Xu, Z. Modular Multilevel Converter with Embedded Energy Storage for Bidirectional Fault Isolation. IEEE Trans. Power Deliv. 2022, 37, 105–115. [Google Scholar] [CrossRef]
- Vasiladiotis, M.; Rufer, A. Analysis and control of modular multilevel converters with integrated battery energy storage. IEEE Trans. Power Electron. 2015, 30, 163–175. [Google Scholar] [CrossRef]
- Blatsi, Z.; Judge, P.D.; Finney, S.J.; Merlin, M.M.C. Blackstart Capability of Modular Multilevel Converters from Partially-Rated Integrated Energy Storage. IEEE Trans. Power Deliv. 2023, 38, 268–276. [Google Scholar] [CrossRef]
- Chen, Q.; Li, R.; Cai, X. Analysis and Fault Control of Hybrid Modular Multilevel Converter with Integrated Battery Energy Storage System; Institute of Electrical and Electronics Engineers Inc.: Piscataway, NJ, USA, 2017; pp. 64–78. [Google Scholar]
- Bayat, H.; Yazdani, A. A Hybrid mmc-based photovoltaic and battery energy storage system. IEEE Power Energy Technol. Syst. J. 2019, 6, 32–40. [Google Scholar] [CrossRef]
- Zhang, L.; Zhang, Z.; Qin, J.; Shit, D.; Wang, Z. Design and Performance Evaluation of the Modular Multilevel Converter (MMC)-based Grid-tied PV-Battery Conversion System. In Proceedings of the 10th Annual IEEE Energy Conversion Congress and Exposition, ECCE 2018, Portland, OR, USA, 23–27 September 2018; Institute of Electrical and Electronics Engineers Inc.: Portland, OR, USA, 2018; pp. 2649–2654. [Google Scholar]
- Ali, S.; Bogarra, S.; Khan, M.M.; Taha, A.; Phyo, P.P.; Byun, Y.-C. Prospective Submodule Topologies for MMC-BESS and Its Control Analysis with HBSM. Electronics 2023, 12, 20. [Google Scholar] [CrossRef]
- Lencwe, M.J.; Olwal, T.O.; Chowdhury, S.P.D.; Sibanyoni, M. Nonsolitary two-way DC-to-DC converters for hybrid battery and supercapacitor energy storage systems: A comprehensive survey. Energy Rep. 2024, 11, 2737–2767. [Google Scholar] [CrossRef]
- Li, N.; Xiao, Z.; Jiang, P.; An, Z.; Li, Z.; Wang, Y. A centralized local energy storage modular multilevel converter. Front. Energy Res. 2022, 10, 1018721. [Google Scholar] [CrossRef]
- Marzo, I.; Sanchez-Ruiz, A.; Barrena, J.A.; Abad, G.; Muguruza, I. Power balancing in cascaded H-Bridge and modular multilevel converters under unbalanced operation: A review. IEEE Access 2021, 9, 110525–110543. [Google Scholar] [CrossRef]
- Errigo, F.; Chedot, L.; Venet, P.; Sari, A.; Dworakowski, P.; Morel, F. Assessment of the Impact of Split Storage within Modular Multilevel Converter. In Proceedings of the 45th Annual Conference of the IEEE Industrial Electronics Society, IECON 2019, Lisbon, Portugal, 14–17 October 2019; IEEE Computer Society: Lisbon, Portugal, 2019; pp. 4785–4792. [Google Scholar]
- Yin, S.; Li, G.; Liu, Z.; Tao, Y. Constraint Satisfied Model Predictive Control Strategy for MMC Energy Storage System Based on Super Capacitor. In Proceedings of the 2020 International Conference on Energy, Environment and Bioengineering, ICEEB 2020, Xi’an, China, 7–9 August 2020; EDP Sciences: Xi an, China, 2020. [Google Scholar]
- Dan, Y.; Wang, C.; Lou, K.; Huang, J.; Wang, G.; Xu, Z.; Huang, Y. A Coordinated Frequency Regulation Strategy Integrating Power Generation, Energy Storage, and DC Transmission for Offshore Wind Power MMC-HVDC Transmission Systems. Energies 2025, 18, 531. [Google Scholar] [CrossRef]
- Cui, S.; Kim, S.; Jung, J.-J.; Sul, S.-K. A comprehensive cell capacitor energy control strategy of a modular multilevel converter (MMC) without a stiff DC bus voltage source. In Proceedings of the 29th Annual IEEE Applied Power Electronics Conference and Exposition, APEC 2014, Fort Worth, TX, USA, 16–20 March 2014; Institute of Electrical and Electronics Engineers Inc.: Fort Worth, TX, USA, 2014; pp. 602–609. [Google Scholar]
- Samimi, S.; Gruson, F.; Delarue, P.; Colas, F.; Belhaouane, M.M.; Guillaud, X. MMC Stored Energy Participation to the DC Bus Voltage Control in an HVDC Link. IEEE Trans. Power Deliv. 2016, 31, 1710–1718. [Google Scholar] [CrossRef]
- Saad, H.; Guillaud, X.; Mahseredjian, J.; Dennetiere, S.; Nguefeu, S. MMC Capacitor Voltage Decoupling and Balancing Controls. IEEE Trans. Power Deliv. 2015, 30, 704–712. [Google Scholar] [CrossRef]
- Wang, Z.; Lin, H.; Ma, Y. Improved capacitor voltage balancing control for multimode operation of modular multilevel converter with integrated battery energy storage system. IET Power Electron. 2019, 12, 2751–2760. [Google Scholar] [CrossRef]
- Zhang, L.; Tang, Y.; Yang, S.; Gao, F. Decoupled Power Control for a Modular-Multilevel-Converter-Based Hybrid AC-DC Grid Integrated with Hybrid Energy Storage. IEEE Trans. Ind. Electron. 2019, 66, 2926–2934. [Google Scholar] [CrossRef]
- Liang, G.; Farivar, G.G.; Ceballos, S.; Tafti, H.D.; Pou, J.; Townsend, C.D.; Konstantinou, G. Unbalanced Active Power Distribution of Cascaded Multilevel Converter-Based Battery Energy Storage Systems Gobble. IEEE Trans. Ind. Electron. 2022, 69, 13022–13032. [Google Scholar] [CrossRef]
- Freytes, J.; Bergna, G.; Are Suul, J.; D’Arco, S.; Saad, H.; Guillaud, X. State-space modelling with steady-state time invariant representation of energy based controllers for modular multilevel converters. In Proceedings of the 2017 IEEE Manchester PowerTech, Powertech 2017, Manchester, UK, 18–22 June 2017; Institute of Electrical and Electronics Engineers Inc.: Manchester, UK, 2017. [Google Scholar]
- Tang, Y.; Zhang, Z.; Xu, Z. Design and control of modular multilevel matrix converter with symmetrically integrated energy storage for low frequency AC system. IET Renew. Power Gener. 2024, 18, 60–77. [Google Scholar] [CrossRef]
- Li, X.; Xu, Z.; Zhang, Z. Application of MMC with Embedded Energy Storage for Overvoltage Suppression and Fault Ride-through Improvement in Series LCC-MMC Hybrid HVDC System. J. Mod. Power Syst. Clean Energy 2023, 11, 1001–1013. [Google Scholar] [CrossRef]
- Errigo, F.; Morel, F.; Mathieu De Vienne, C.; Chedot, L.; Sari, A.; Venet, P. A Submodule with Integrated Supercapacitors for HVDC-MMC Providing Fast Frequency Response. IEEE Trans. Power Deliv. 2022, 37, 1423–1432. [Google Scholar] [CrossRef]
- Jinan, W.; Jianzhong, X.; Jinan, W. Mathematical Model and Steady State Characteristic Analysis of Energy Storage Mmc. In Proceedings of the 2021 Annual Meeting of CSEE Study Committee of HVDC and Power Electronics, HVDC 2021, Beijing, China, 28–30 December 2021; Institution of Engineering and Technology: Beijing, China, 2021; pp. 267–274. [Google Scholar]
- Ma, Y.; Lin, H.; Wang, Z.; Ze, Z. Modified state-of-charge balancing control of modular multilevel converter with integrated battery energy storage system. Energies 2019, 12, 96. [Google Scholar] [CrossRef]
- Tu, Q.; Xu, Z.; Zheng, X.; Zhang, J. An optimized voltage balancing method for modular multilevel converter. Diangong Jishu Xuebao Trans. China Electrotech. Soc. 2011, 26, 15–20. [Google Scholar]
- Saeedifard, M.; Iravani, R. Dynamic performance of a modular multilevel back-to-back HVDC system. IEEE Trans. Power Deliv. 2010, 25, 2903–2912. [Google Scholar] [CrossRef]
- Hagiwara, M.; Maeda, R.; Akagi, H. Control and analysis of the modular multilevel cascade converter based on double-star chopper-cells (MMCC-DSCC). IEEE Trans. Power Electron. 2011, 26, 1649–1658. [Google Scholar] [CrossRef]
- Xiao, H.; Gan, H.; Ping, Y.; Li, L.; Li, D.; Hao, Q.; Huang, Y.; Dai, L.; Liu, Y. Robust Submodule Fault Management in Modular Multilevel Converters with Nearest Level Modulation for Uninterrupted Power Transmission. IEEE Trans. Power Deliv. 2024, 39, 931–946. [Google Scholar] [CrossRef]
- Xu, Z. Physical mechanism and research approach of generalized synchronous stability for power systems. Dianli Zidonghua Shebei Electr. Power Autom. Equip. 2020, 40, 3–9. [Google Scholar]
- He, X.; Geng, H.; Li, R.; Pal, B.C. Transient Stability Analysis and Enhancement of Renewable Energy Conversion System during LVRT. IEEE Trans. Sustain. Energy 2020, 11, 1612–1623. [Google Scholar] [CrossRef]
- Pan, D.; Wang, X.; Liu, F.; Shi, R. Transient Stability Impact of Reactive Power Control on Grid-Connected Converters. In Proceedings of the 11th Annual IEEE Energy Conversion Congress and Exposition, ECCE 2019, Baltimore, MD, USA, 29 September–3 October 2019; Institute of Electrical and Electronics Engineers Inc.: Baltimore, MD, USA, 2019; pp. 4311–4316. [Google Scholar]
- Harnefors, L.; Kukkola, J.; Routimo, M.; Hinkkanen, M.; Wang, X. A universal controller for grid-connected voltage-source converters. IEEE J. Emerg. Sel. Top. Power Electron. 2021, 9, 5761–5770. [Google Scholar] [CrossRef]
- Liu, T.; Wang, X. Physical Insight into Hybrid-Synchronization-Controlled Grid-Forming Inverters under Large Disturbances. IEEE Trans. Power Electron. 2022, 37, 11475–11480. [Google Scholar] [CrossRef]
- Wang, Y.; Chen, Z.; Chen, Y.; Liu, Y.; Ding, F.; Shi, N. An adaptive inertial matching strategy with accurately balancing energy storage system state of charge in distributed DC microgrid. J. Energy Storage 2024, 98, 113094. [Google Scholar] [CrossRef]
- Xiao, H.; He, H.; Zhang, L.; Liu, T. Adaptive Grid-Synchronization Based Grid-Forming Control for Voltage Source Converters. IEEE Trans. Power Syst. 2024, 39, 4763–4766. [Google Scholar] [CrossRef]
- Debnath, S.; Qin, J.; Bahrani, B.; Saeedifard, M.; Barbosa, P. Operation, control, and applications of the modular multilevel converter: A review. IEEE Trans. Power Electron. 2015, 30, 37–53. [Google Scholar] [CrossRef]
- Quraan, M.; Abu-Khaizaran, M.; Sa’ed, J.; Hashlamoun, W.; Tricoli, P. Design and control of battery charger for electric vehicles using modular multilevel converters. IET Power Electron. 2021, 14, 140–157. [Google Scholar] [CrossRef]
- Mukherjee, N.; Tricoli, P. A state-of-charge equalisation technique of super-capacitor energy storage systems using sub-module DC-DC converter control within modular multilevel converter (MMC) for high speed traction drive applications. In Proceedings of the 50th International Universities Power Engineering Conference, UPEC 2015, Stoke-on-Trent, UK, 1–4 September 2015; IEEE Computer Society: Stoke-on-Trent, UK, 2015. [Google Scholar]
- Kawakami, N.; Ota, S.; Kon, H.; Konno, S.; Akagi, H.; Kobayashi, H.; Okada, N. Development of a 500-kW modular multilevel cascade converter for battery energy storage systems. IEEE Trans. Ind. Appl. 2014, 50, 3902–3910. [Google Scholar] [CrossRef]
- Lachichi, A. Modular multilevel converters with integrated batteries energy storage. In Proceedings of the 3rd International Conference on Renewable Energy Research and Applications, ICRERA 2014, Milwaukee, WI, USA, 19–22 October 2014; Institute of Electrical and Electronics Engineers Inc.: Milwaukee, WI, USA, 2014; pp. 828–832. [Google Scholar]
- Liang, H.; Guo, L.; Song, J.; Yang, Y.; Zhang, W.; Qi, H. State-of-charge balancing control of a modular multilevel converter with an integrated battery energy storage. Energies 2018, 11, 873. [Google Scholar] [CrossRef]
- Bai, S.; Tong, X.; Ma, X.; Zhou, J. SOC Equalization Control Method Considering SOH in DC–DC Converter Cascaded Energy Storage Systems. Energies 2024, 17, 6385. [Google Scholar] [CrossRef]
- Yan, S.; Shen, Q.; Li, X. Optimized SOC Balancing Control for High Power Modular Energy Storage System. Dianwang Jishu Power Syst. Technol. 2021, 45, 49–56. [Google Scholar]
- Cupertino, A.F.; Amorim, W.C.S.; Pereira, H.A.; Seleme Junior, S.I.; Chaudhary, S.K.; Teodorescu, R. High Performance Simulation Models for ES-STATCOM Based on Modular Multilevel Converters. IEEE Trans. Energy Convers. 2020, 35, 474–483. [Google Scholar] [CrossRef]
- Nath, H.; Isik, S.; Burugula, V.; Bhattacharya, S. Novel Control for Active Power Compensation using DSCC-MMC based ES-STATCOM. In Proceedings of the 38th Annual IEEE Applied Power Electronics Conference and Exposition, APEC 2023, Orlando, FL, USA, 19–23 March 2023; Institute of Electrical and Electronics Engineers Inc.: Orlando, FL, USA, 2023; pp. 1102–1108. [Google Scholar]
- Stepanov, A.; Saad, H.; Mahseredjian, J. Modeling of MMC-based STATCOM with embedded energy storage for the simulation of electromagnetic transients. Electr. Power Syst. Res. 2023, 220, 109316. [Google Scholar] [CrossRef]
- He, H.; Xiao, H.; Yang, P. Analysis and quantitative evaluation of wind turbine frequency support capabilities in power systems. Front. Energy Res. 2024, 12, 1363198. [Google Scholar] [CrossRef]
- Xiao, H.; Huang, X.; Huang, Y.; Liu, Y. Self-Synchronizing Control and Frequency Response of Offshore Wind Farms Connected to Diode Rectifier Based HVDC System. IEEE Trans. Sustain. Energy 2022, 13, 1681–1692. [Google Scholar] [CrossRef]
- Wu, C.; Liu, Y.; Zhou, T.; Cao, S. A Multistage Current Charging Method for Energy Storage Device of Microgrid Considering Energy Consumption and Capacity of Lithium Battery. Energies 2022, 15, 4526. [Google Scholar] [CrossRef]
- Bashir, S.B.; Ismail, A.A.A.; Elnady, A.; Farag, M.M.; Hamid, A.-K.; Bansal, R.C.; Abo-Khalil, A.G. Modular Multilevel Converter-Based Microgrid: A Critical Review. IEEE Access 2023, 11, 65569–65589. [Google Scholar] [CrossRef]
- Yan, S.; Liu, H.; Lu, Y.; Feng, Q.; Zhou, H.; Wu, Y.; Hou, W.; Xia, Y.; Zhou, H.; Zhou, P.; et al. Selectively fluorinated aromatic lithium salts regulate the solvation structure and interfacial chemistry for all-solid-state batteries. Sci. Adv. 2025, 11, eads4014. [Google Scholar] [CrossRef] [PubMed]
- Gan, Z.; Yin, J.; Xu, X.; Cheng, Y.; Yu, T. Nanostructure and Advanced Energy Storage: Elaborate Material Designs Lead to High-Rate Pseudocapacitive Ion Storage. ACS Nano 2022, 16, 5131–5152. [Google Scholar] [CrossRef] [PubMed]
- Taherzadeh, E.; Radmanesh, H.; Javadi, S.; Gharehpetian, G.B. Circuit breakers in HVDC systems: State-of-the-art review and future trends. Prot. Control Mod. Power Syst. 2023, 8, 1–16. [Google Scholar] [CrossRef]
- Wang, Z.; Li, H.; Chu, Z.; Zhang, C.; Yang, Z.; Shao, T.; Hu, Y. A Review of EMI Research in Modular Multilevel Converter for HVDC Applications. IEEE Trans. Power Electron. 2022, 37, 14482–14498. [Google Scholar] [CrossRef]

















| Types | NS | NCS | AD | DC-FHC | DCpx | CCpx | HD |
|---|---|---|---|---|---|---|---|
| HBSSM #1 | 2 | 1 | none | No | Low | Low | High |
| HBSSM #2 | 2 | 1 | LC Filter | No | Low | Moderate | Moderate |
| HBSSM #3 | 2 | 1 | Resonant Filter | No | Low | Moderate | Moderate |
| FBSSM #1 | 4 | 2 | none | Yes | Low | Low | High |
| FBSSM #2 | 4 | 2 | Inductor | Yes | Low | Low | Moderate |
| FBSSM #3 | 3 | 2 | Diode | Yes | Low | Low | High |
| HBTSM #1 | 4 | 2 | Inductor | No | Moderate | Low | Low |
| HBTSM #2 | 2 | 2 | Inductors, low power devices | No | High | High | Low |
| HBTSM #3 | 6 | 3 | Inductors | No | Moderate | Moderate | Low |
| HBTSM #4 | 10 | 5 | Transformer | No | High | High | Low |
| FBTSM #1 | 6 | 3 | Inductors | Yes | Moderate | Moderate | Low |
| FBTSM #2 | 5 | 3 | Inductors, diode, thyristors | Yes | Moderate | High | Low |
| FBTSM #3 | 4 | 2 | Inductors, diode, thyristors | Yes | Moderate | High | High |
| Types | Advantage | Disadvantage | Scenarios |
|---|---|---|---|
| ES integrated on the AC-side of the converter |
|
|
|
| ES integrated on the DC-side of the converter |
|
|
|
| ESUs integrated in all SMs |
|
|
|
| ESUs integrated in specific arms |
|
|
|
| ESUs integrated in partial SMs of each arm |
|
|
|
| Modulation Method | Advantages | Disadvantages |
|---|---|---|
| CPS-SPWM | High equivalent switching frequency, low harmonics content | Too many modulated waves, hard to balance SM capacitor voltage |
| PD-SPWM | Simple to design controller, applicable to all cascade topologies | Hard to balance SM capacitor voltage |
| NLM | Intuitive principle | Larger error at small number of levels |
Disclaimer/Publisher’s Note: The statements, opinions and data contained in all publications are solely those of the individual author(s) and contributor(s) and not of MDPI and/or the editor(s). MDPI and/or the editor(s) disclaim responsibility for any injury to people or property resulting from any ideas, methods, instructions or products referred to in the content. |
© 2025 by the authors. Licensee MDPI, Basel, Switzerland. This article is an open access article distributed under the terms and conditions of the Creative Commons Attribution (CC BY) license (https://creativecommons.org/licenses/by/4.0/).
Share and Cite
Zhang, L.; Zhu, Q.; Xiao, H. Topology, Control, and Applications of MMC with Embedded Energy Storage: A Brief Review. Electronics 2025, 14, 949. https://doi.org/10.3390/electronics14050949
Zhang L, Zhu Q, Xiao H. Topology, Control, and Applications of MMC with Embedded Energy Storage: A Brief Review. Electronics. 2025; 14(5):949. https://doi.org/10.3390/electronics14050949
Chicago/Turabian StyleZhang, Lidong, Qionghai Zhu, and Huangqing Xiao. 2025. "Topology, Control, and Applications of MMC with Embedded Energy Storage: A Brief Review" Electronics 14, no. 5: 949. https://doi.org/10.3390/electronics14050949
APA StyleZhang, L., Zhu, Q., & Xiao, H. (2025). Topology, Control, and Applications of MMC with Embedded Energy Storage: A Brief Review. Electronics, 14(5), 949. https://doi.org/10.3390/electronics14050949

