Modular DC-DC Converter with Adaptable Fast Controller for Supercapacitor Energy Storage Integration into DC Microgrid
Abstract
1. Introduction
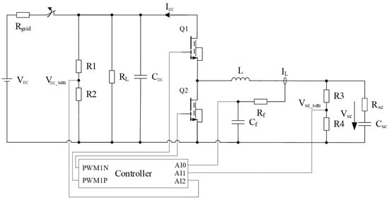
2. Theoretical Analysis of Transfer Functions and Impact of Different Parameters
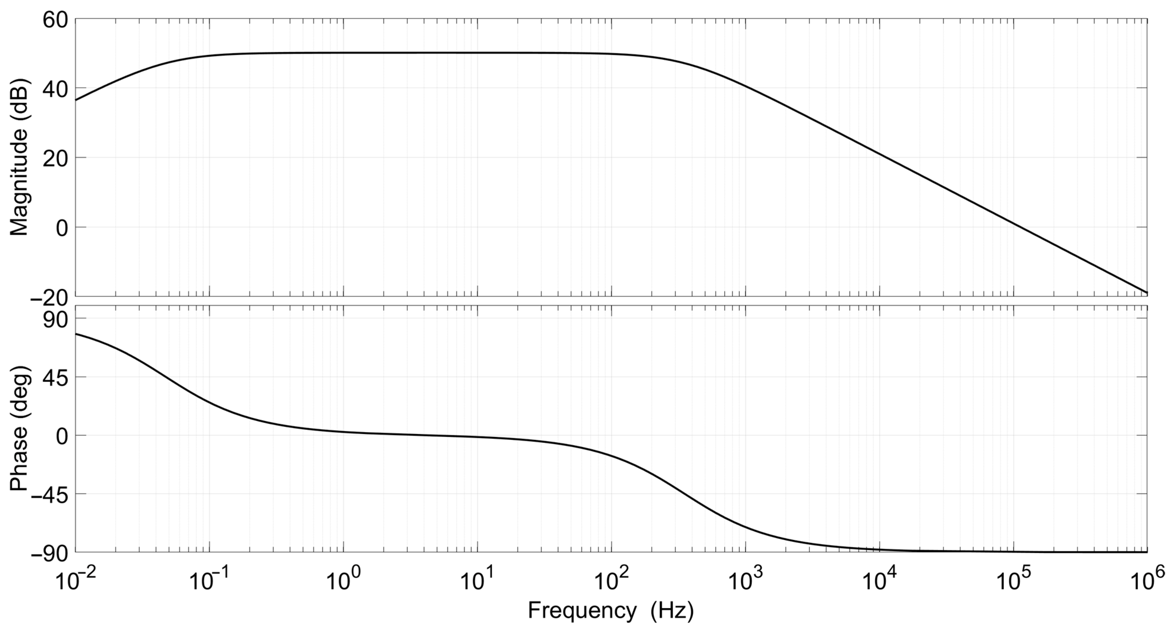
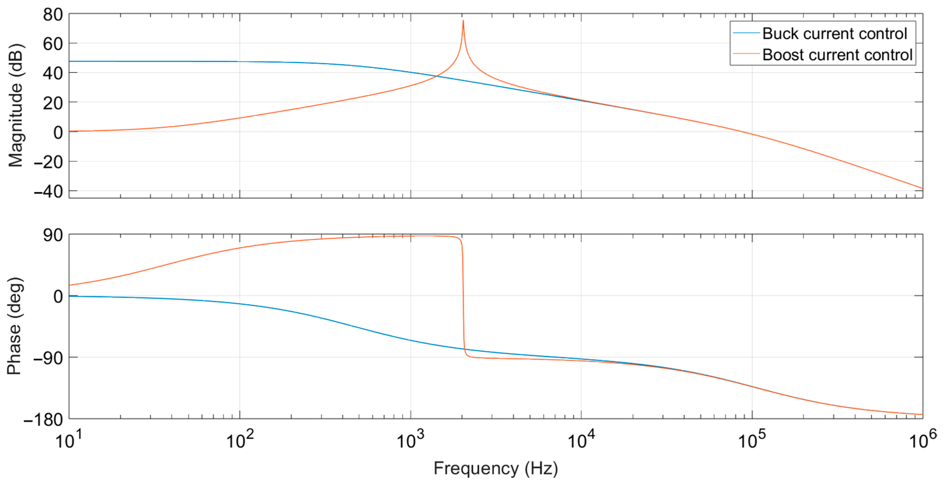
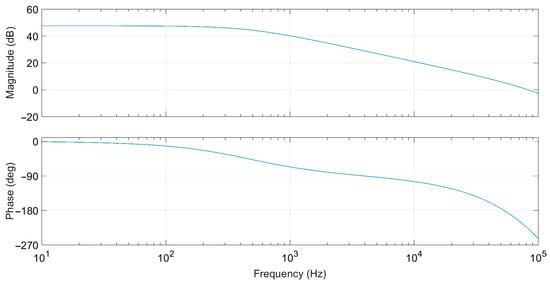
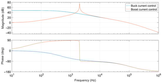
2.1. Theoretical Analysis of Average Current Transfer Function and RC Filter Influence
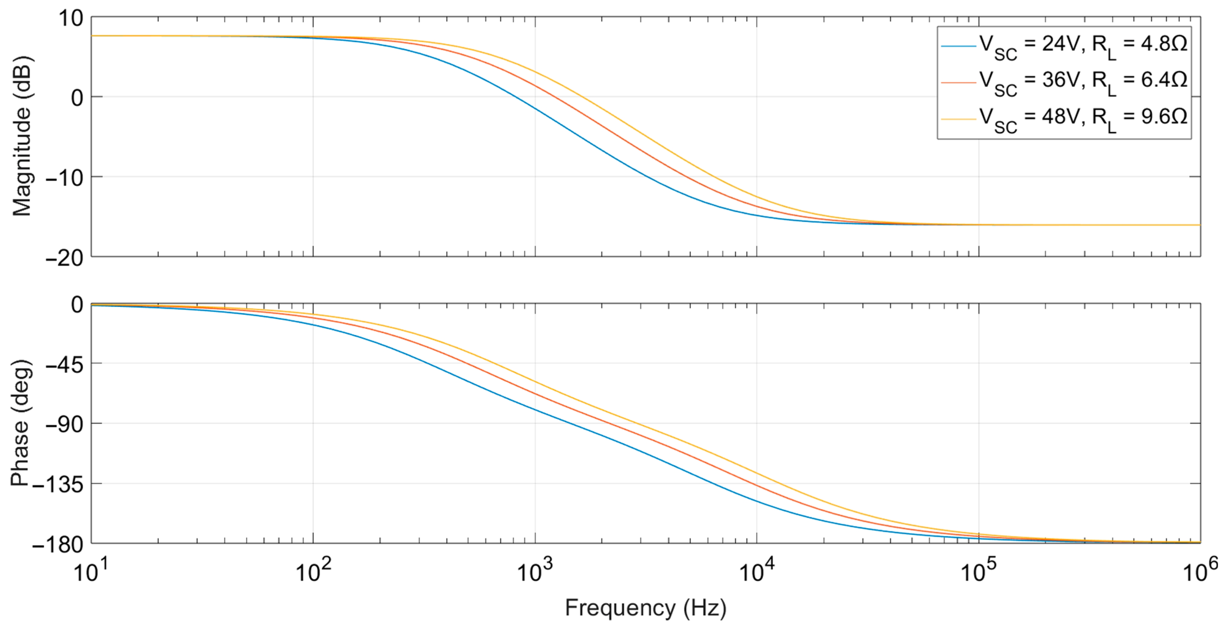
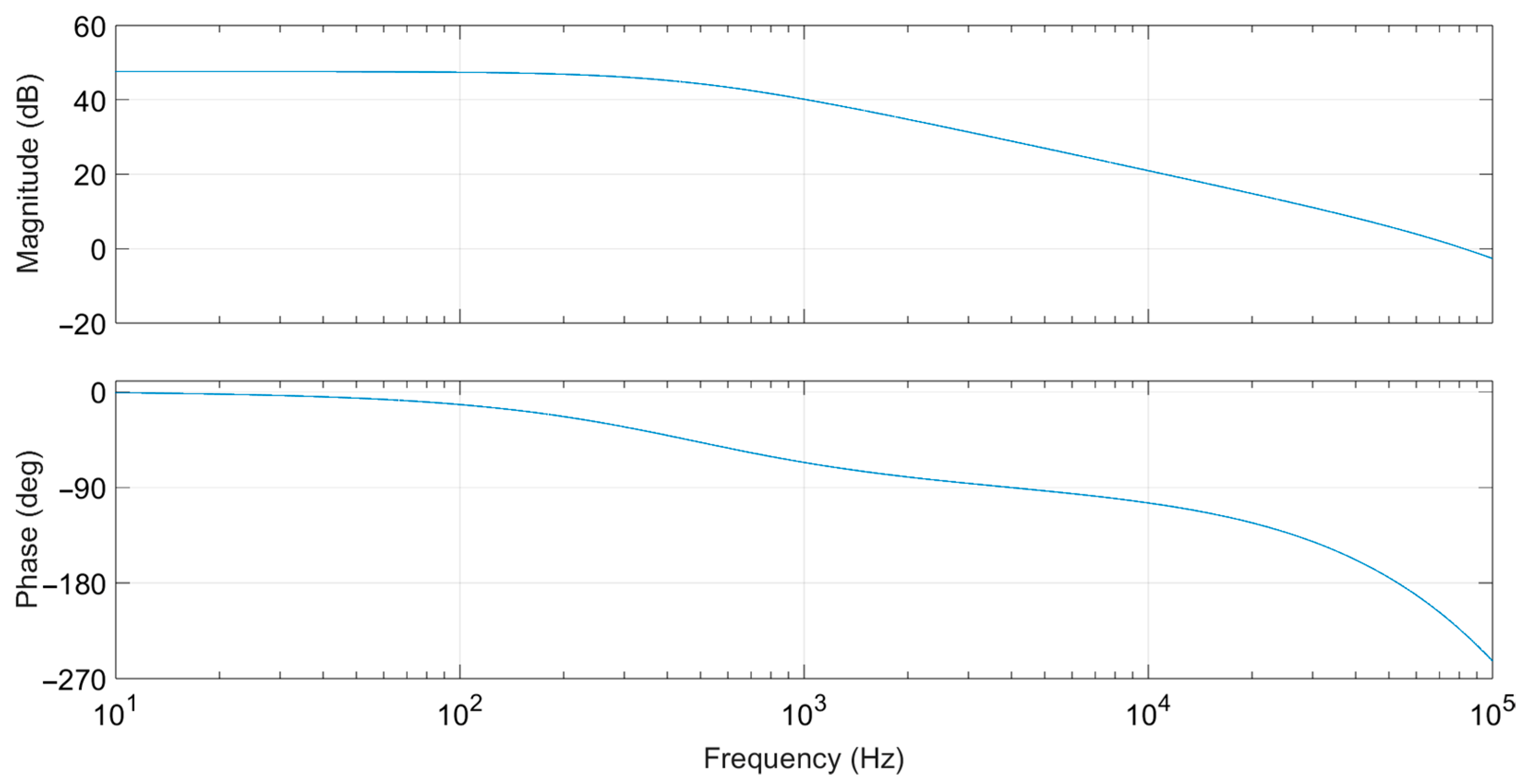
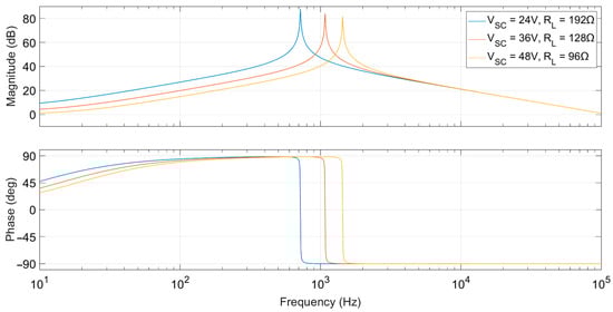
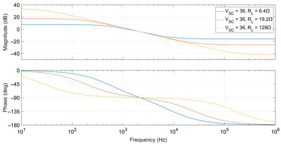
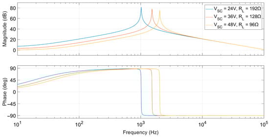
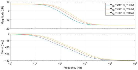
2.2. Load Influence on the Transfer Functions
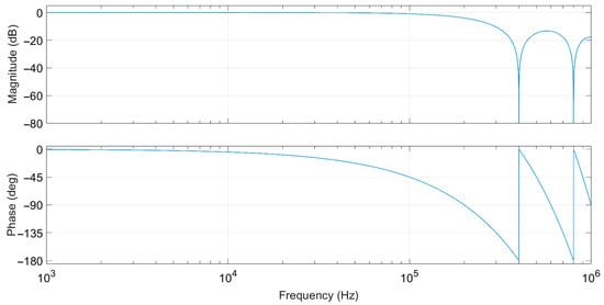
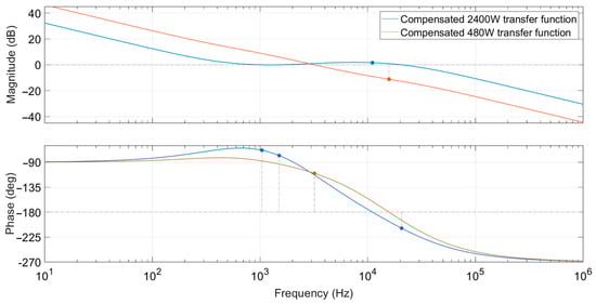
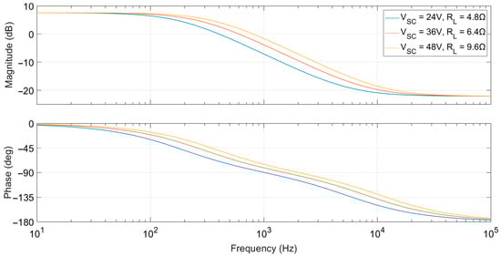
2.3. DC Side Capacitor Influence on Transfer Functions
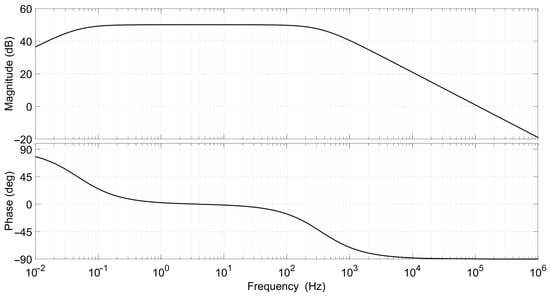
2.4. Theoretical Analysis of Voltage Control Transfer Function
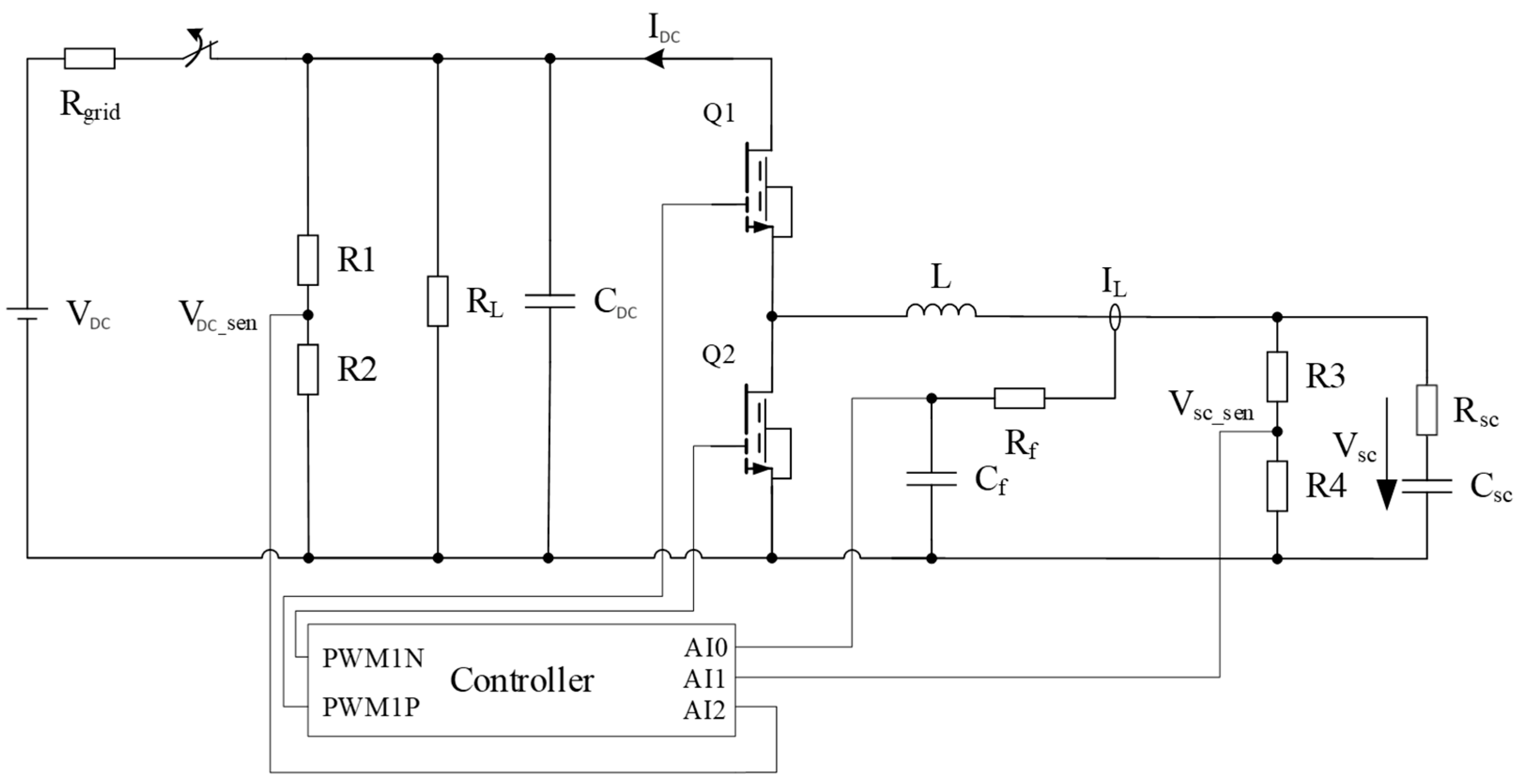
3. Inner Loop Current Controller Design
3.1. Digital Delay Analysis
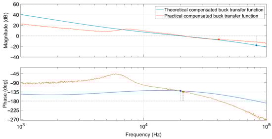
3.2. Average Current Control Digital Controller Design
3.3. Average Current Control Practical Implementation
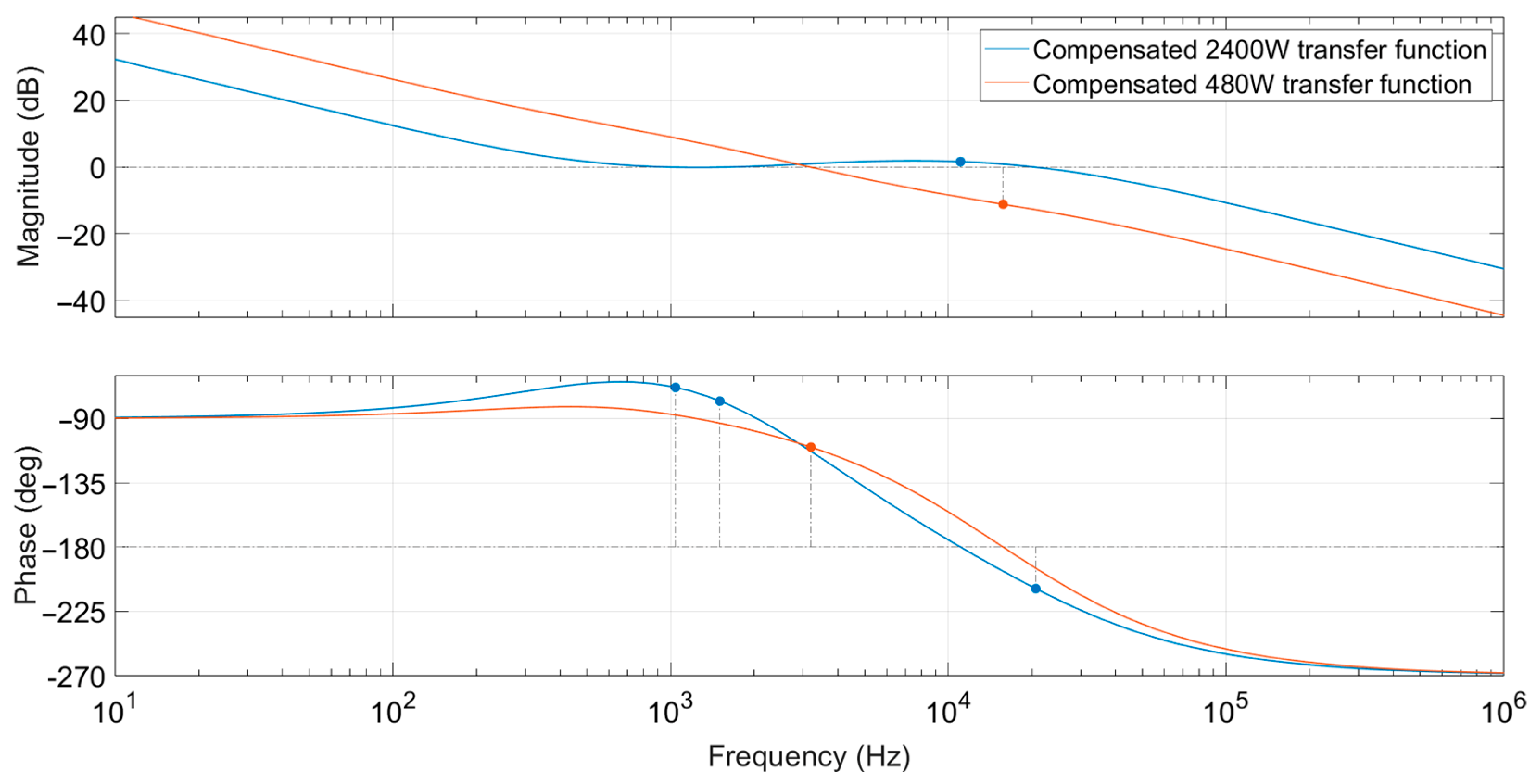
4. Outer Loop Voltage Controller Design
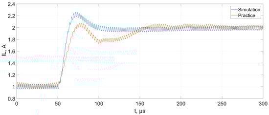
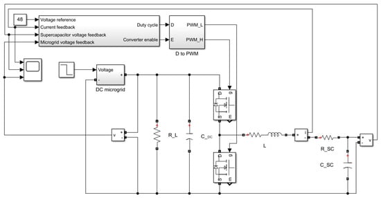
5. Experimental Results of Cascaded Voltage Control Loop
6. Conclusions
Author Contributions
Funding
Data Availability Statement
Conflicts of Interest
References
- Lai, L.; Zhang, R.; Cheng, K.; Xia, Z.; Wei, C.; Wei, K.; Luo, W.; Liu, X. Monolithic Integrated High Frequency GaN DC-DC Buck Converters with High Power Density Controlled by Current Mode Logic Level Signal. Electronics 2020, 9, 1540. [Google Scholar] [CrossRef]
- Parvez, M.; Pereira, A.T.; Ertugrul, N.; Weste, N.H.E.; Abbott, D.; Al-Sarawi, S.F. Wide Bandgap DC–DC Converter Topologies for Power Applications. Proc. IEEE 2021, 109, 1253–1275. [Google Scholar] [CrossRef]
- Kapat, S.; Krein, P.T. A Tutorial and Review Discussion of Modulation, Control and Tuning of High-Performance DC-DC Converters Based on Small-Signal and Large-Signal Approaches. IEEE Open J. Power Electron. 2020, 1, 339–371. [Google Scholar] [CrossRef]
- Gorji, S.A.; Sahebi, H.G.; Ektesabi, M.; Rad, A.B. Topologies and Control Schemes of Bidirectional DC–DC Power Converters: An Overview. IEEE Access 2019, 7, 117997–118019. [Google Scholar] [CrossRef]
- Xu, Q.; Vafamand, N.; Chen, L.; Dragičević, T.; Xie, L.; Blaabjerg, F. Review on Advanced Control Technologies for Bidirectional DC/DC Converters in DC Microgrids. IEEE J. Emerg. Sel. Top. Power Electron. 2021, 9, 1205–1221. [Google Scholar] [CrossRef]
- Chen, C.-J.; Zeng, Z.-Y.; Cheng, C.-H.; Lin, F.-T. Comprehensive Analysis and Design of Current-Balance Loop in Constant On-Time Controlled Multi-Phase Buck Converter. IEEE Access 2020, 8, 184752–184764. [Google Scholar] [CrossRef]
- Liu, G.; Wang, M.; Zhou, W.; Wu, Q.; Fu, Y. A Sensorless Current Balance Control Method for Interleaved Boost Converters Based on Output Voltage Ripple. IEEE Trans. Power Electron. 2021, 36, 7138–7149. [Google Scholar] [CrossRef]
- Tsai, C.-J.; Chen, H.-H.; Chen, C.-J. A Phase Interpolated Dual-Phase Adaptive On-Time Controlled Buck Converter. IEEE Trans. Circuits Syst. I Regul. Pap. 2024, 71, 5155–5165. [Google Scholar] [CrossRef]
- Liu, J.; Liu, Z.; Chen, W.; Su, H. Passivity-Based Control for Interleaved Double Dual Boost Converters in DC Microgrids Supplying Constant Power Loads. IEEE Trans. Transp. Electrif. 2022, 8, 1642–1655. [Google Scholar] [CrossRef]
- Yang, F.; Zhang, J.; Liu, Y.; Yao, K. Predictive Current Control and Current Balance Method for Interleaved Buck EDM Pulse Generator. IEEE Trans. Ind. Electron. 2024, 71, 15587–15598. [Google Scholar] [CrossRef]
- Abu-Qahouq, J.A. Analysis and Design of N-Phase Current-Sharing Autotuning Controller. IEEE Trans. Power Electron. 2010, 25, 1641–1651. [Google Scholar] [CrossRef]
- Yao, Z.; Lu, S. A Simple Approach to Enhance the Effectiveness of Passive Currents Balancing in an Interleaved Multiphase Bidirectional DC–DC Converter. IEEE Trans. Power Electron. 2019, 34, 7242–7255. [Google Scholar] [CrossRef]
- Grbović, P.J. Closed form analysis of N-cell interleaved two-level DC-DC converters: The DC bus capacitor current stress. In Proceedings of the 2013 IEEE ECCE Asia Downunder, Melbourne, Australia, 3–6 June 2013; pp. 122–129. [Google Scholar] [CrossRef]
- Zumel, P.; Fernández, C.; Granda, M.A.; Lázaro, A.; Barrado, A. Computer-Aided Design of Digital Compensators for DC/DC Power Converters. Energies 2018, 11, 3251. [Google Scholar] [CrossRef]
- Saichand, K.; John, V. PWM Block Method for Control of an Ultracapacitor-Based Bidirectional DC–DC Backup System. IEEE Trans. Ind. Appl. 2016, 52, 4126–4134. [Google Scholar] [CrossRef]
- Tan, S.-C.; Lai, Y.M.; Tse, C.K.; Martinez-Salamero, L.; Wu, C.-K. A Fast-Response Sliding-Mode Controller for Boost-Type Converters With a Wide Range of Operating Conditions. IEEE Trans. Ind. Electron. 2007, 54, 3276–3286. [Google Scholar] [CrossRef]
- Shi, Z.; Peng, J.; Li, H.; Peng, H.; Liu, W.; Gao, Z.; Huang, Z. A fast adaptive bus voltage regulation strategy for supercapacitor energy storage systems. IET Power Electron. 2022, 15, 1189–1200. [Google Scholar] [CrossRef]
- Saichand, K.; John, V. Adaptive control strategy for ultracapacitor basec bidirectional dc-dc converters. In Proceedings of the 2017 IEEE Applied Power Electronics Conference and Exposition (APEC), Tampa, FL, USA, 26–30 March 2017; pp. 1167–1174. [Google Scholar] [CrossRef]
- Balaji, B.; Ganesan, S.; Pugazhendiran, P.; Subramanian, S. Sliding mode controlled DC microgrid system with enhanced response. J. Control. Decis. 2024, 11, 331–344. [Google Scholar] [CrossRef]
- Hernández-Méndez, A.; Linares-Flores, J.; Sira-Ramírez, H.; Guerrero-Castellanos, J.F.; Mino-Aguilar, G. A Backstepping Approach to Decentralized Active Disturbance Rejection Control of Interacting Boost Converters. IEEE Trans. Ind. Appl. 2017, 53, 4063–4072. [Google Scholar] [CrossRef]
- Kroičs, K.; Būmanis, A. BLDC Motor Speed Control with Digital Adaptive PID-Fuzzy Controller and Reduced Harmonic Content. Energies 2024, 17, 1311. [Google Scholar] [CrossRef]
- Gangula, S.D.; Nizami, T.K.; Udumula, R.R.; Chakravarty, A.; Singh, P. Adaptive neural network control of DC–DC power converter. Expert Syst. Appl. 2023, 229, 120362. [Google Scholar] [CrossRef]
- Dissanayake, K.; Kularatna-Abeywardana, D. A review of supercapacitors: Materials, technology, challenges, and renewable energy applications. J. Energy Storage 2024, 96, 112563. [Google Scholar] [CrossRef]
- Zhang, J.; Gu, M.; Chen, X. Supercapacitors for renewable energy applications: A review. Micro Nano Eng. 2023, 21, 100229. [Google Scholar] [CrossRef]
- Chen, J.; Yang, K.; Lin, H.; Wang, K.; Cai, C.; Zhang, P. Star-Connection Supercapacitor-Embedded CHMC-Based STATCOM for Electrified Railways. IEEE Trans. Power Electron. 2024, 39, 13733–13743. [Google Scholar] [CrossRef]
- DC Microgrids—Part I: A Review of Control Strategies and Stabilization Techniques|IEEE Journals & Magazine|IEEE Xplore. Available online: https://ieeexplore-ieee-org.resursi.rtu.lv/document/7268934 (accessed on 2 January 2025).
- Şahin, M.E.; Blaabjerg, F.; Sangwongwanich, A. A Comprehensive Review on Supercapacitor Applications and Developments. Energies 2022, 15, 674. [Google Scholar] [CrossRef]
- Xavier, L.S.; Amorim, W.C.S.; Cupertino, A.F.; Mendes, V.F.; Boaventura, W.C.D.; Pereira, H.A. Power converters for battery energy storage systems connected to medium voltage systems: A comprehensive review. BMC Energy 2019, 1, 7. [Google Scholar] [CrossRef]
- Kazimierczuk, M.K.; Saini, D.K.; Ayachit, A. Average Current-Mode Control of DC-DC Power Converters; Wiley: Hoboken, NJ, USA, 2022. [Google Scholar]
- Zheng, W.; Ma, K.; Wang, X. Hybrid Energy Storage with Supercapacitor for Cost-Efficient Data Center Power Shaving and Capping. IEEE Trans. Parallel Distrib. Syst. 2017, 28, 1105–1118. [Google Scholar] [CrossRef]
- Al-Atrash, H.; Batarseh, I. Digital controller design for a practicing power electronics engineer. In Proceedings of the APEC 07—Twenty-Second Annual IEEE Applied Power Electronics Conference and Exposition, Anaheim, CA, USA, 25 February–1 March 2007; pp. 34–41. [Google Scholar] [CrossRef]
- Shirsavar, D.A. Designing Stable Digital Power Supplies; Biricha Digital Power Ltd.: Richmond Hill, ON, Canada, 2011; Volume 3, Available online: https://e2e.ti.com/cfs-file/__key/communityserver-discussions-components-files/171/Presentation_5F002D005F00_Mr._5F00_Ali_5F00_Shirsavar.pdf (accessed on 16 November 2023).
- Ghosh, A.; Banerjee, S.; Sarkar, M.K.; Dutta, P. Design and implementation of type-II and type-III controller for DC–DC switched-mode boost converter by using k-factor approach and optimisation techniques. IET Power Electron. 2016, 9, 938–950. [Google Scholar] [CrossRef]
- Naresh, P.; Sai Vinay Kishore, N.; Seshadri Sravan Kumar, V. Mathematical modeling and stability analysis of an ultracapacitor based energy storage system considering non-idealities. J. Energy Storage 2021, 33, 102112. [Google Scholar] [CrossRef]




























| IL(RL=4.8Ω) | IL(RL=6.4Ω) | IL(RL=9.6Ω) | IL(RL=19Ω) | IL(RL=38Ω) | IL(RL=96Ω) | IL(RL=128Ω) | IL(RL=192Ω) | |
| Vsc, V | IL(PL=480W) | IL(PL=360W) | IL(PL=240W) | IL(PL=120W) | IL(PL=60W) | IL(PL=24W) | IL(PL=18W) | IL(PL=12W) |
| 24.00 | 20.00 A | 15.00 A | 10.00 A | 5.00 A | 2.50 A | 1.00 A | 0.75 A | 0.50 A |
| 30.00 | 16.00 A | 12.00 A | 8.00 A | 4.00 A | 2.00 A | 0.80 A | 0.60 A | 0.40 A |
| 36.00 | 13.33 A | 10.00 A | 6.67 A | 3.33 A | 1.67 A | 0.67 A | 0.50 A | 0.33 A |
| 42.00 | 11.43 A | 8.57 A | 5.71 A | 2.86 A | 1.43 A | 0.57 A | 0.43 A | 0.29 A |
| 48.00 | 10.00 A | 7.50 A | 5.00 A | 2.50 A | 1.25 A | 0.50 A | 0.38 A | 0.25 A |
| VSC | 24 V | 36 V | 48 V |
| Hc VDC(z) |
Disclaimer/Publisher’s Note: The statements, opinions and data contained in all publications are solely those of the individual author(s) and contributor(s) and not of MDPI and/or the editor(s). MDPI and/or the editor(s) disclaim responsibility for any injury to people or property resulting from any ideas, methods, instructions or products referred to in the content. |
© 2025 by the authors. Licensee MDPI, Basel, Switzerland. This article is an open access article distributed under the terms and conditions of the Creative Commons Attribution (CC BY) license (https://creativecommons.org/licenses/by/4.0/).
Share and Cite
Kroičs, K.; Gaspersons, K.; Zdanowski, M. Modular DC-DC Converter with Adaptable Fast Controller for Supercapacitor Energy Storage Integration into DC Microgrid. Electronics 2025, 14, 700. https://doi.org/10.3390/electronics14040700
Kroičs K, Gaspersons K, Zdanowski M. Modular DC-DC Converter with Adaptable Fast Controller for Supercapacitor Energy Storage Integration into DC Microgrid. Electronics. 2025; 14(4):700. https://doi.org/10.3390/electronics14040700
Chicago/Turabian StyleKroičs, Kaspars, Kristiāns Gaspersons, and Mariusz Zdanowski. 2025. "Modular DC-DC Converter with Adaptable Fast Controller for Supercapacitor Energy Storage Integration into DC Microgrid" Electronics 14, no. 4: 700. https://doi.org/10.3390/electronics14040700
APA StyleKroičs, K., Gaspersons, K., & Zdanowski, M. (2025). Modular DC-DC Converter with Adaptable Fast Controller for Supercapacitor Energy Storage Integration into DC Microgrid. Electronics, 14(4), 700. https://doi.org/10.3390/electronics14040700

