Rectifier Fault Diagnosis Based on Euclidean Norm Fusion Multi-Frequency Bands and Multi-Scale Permutation Entropy
Abstract
1. Introduction
- (1)
- The fault signal is decomposed in multi-resolution by the wavelet packet, and low-frequency and high-frequency fault information is obtained. We selected the optimal multi-frequency bands corresponding to the optimal wavelet function, according to the energy–information entropy ratio. The problem of different fault signal decomposition effects caused by different wavelet function is overcome.
- (2)
- Multi-scale entropy can mine system information from different scales and reflect the complexity and uncertainty of the system at different time or spatial scales. Euclidean norm fusion has a certain smoothing and averaging effect, which can weaken the entropy fluctuations caused by various abnormal factors such as interference on each scale. After the fusion of multi-scale permutation entropy through the Euclidean norm, the entropy information of different scales is no longer an isolated individual, but can be organically combined to form a more comprehensive feature description.
- (3)
- The results of the evaluation indicators such as the accuracy, precision, recall, F1 score, False Alarm Rate (FAR), and Missing Alarm Rate (MAR) proved robust and stable.
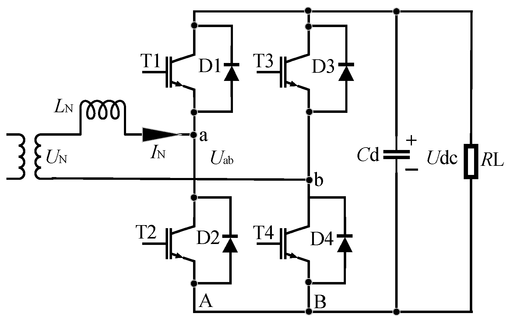
2. System Description and Fault Analysis
3. The Fault Diagnosis Method
3.1. The Mentioned Fault Diagnosis Method
- (1)
- Fault signal collection. We collected input voltage Uab signals of 15 fault modes of the rectifier under different working conditions by a voltage sensor to form the original fault sample set.
- (2)
- Data processing includes signal decomposition and optimal frequency band selection. Signal decomposition. We selected the db series wavelet functions suitable for signal decomposition and reconstruction, such as dbN (N = 2, 3, … 10). Using 9 wavelet functions, respectively, the fault signal was decomposed by wavelet packet multi-resolution, and 9 groups of multi-frequency bands were obtained. We calculated the energy–information entropy ratio of 9 groups of frequency bands, respectively, and selected a group of multi-frequency bands corresponding to the maximum ratio as the optimal multi-frequency band information of the fault signal. At this point, the optimal multi-frequency band information of each fault signal after wavelet packet decomposition reached a total of 2n frequency bands (n is the decomposition layers number of the wavelet packet), including the high-frequency and low-frequency information of fault signals.
- (3)
- Feature extraction. We calculated the multi-scale permutation entropy of each frequency band to form a multi-scale feature vector :where represents the multi-scale permutation entropy feature of the i-th frequency band, m represents the scale factor, and PF stands for permutation entropy.
- (4)
- Feature fusion. The Euclidean norm is used to fuse multi-scale feature vectors of each frequency band, which can combine multiple entropies into a single entropy that characterizes the fault feature. The feature vector after the fusion of the i-th frequency band is expressed as . The final fault feature vector of each fault signal is as follows:where indicates the number of frequency bands.
- (5)
- Pattern recognition. The SVM classifier was used for the fault identification mode. The feature was divided into a training set and a test set, and the mapping relationship between the fault mode, feature and fault was completed by training the model several times. The trained model will diagnose real-time or new test data, and output results such as whether fault, fault type and severity.
3.2. Signal Decomposition and Optimal Multi-Frequency Band Selection
- (1)
- Assuming the fault signal, 9 Daubechies (dbN, N = 2, 3, … 10) wavelet functions, the fault signal is decomposed by the wavelet packet. After m layer decomposition, W frequency bands are obtained, and the coefficient of the r-th frequency band is and .
- (2)
- After the fault signal is decomposed by the wavelet packet, 9 groups of frequency band information are obtained.where represents the frequency band information corresponding to different wavelet functions.
- (3)
- Energy and information entropy for each group of frequency bands are calculated as follows:where represents the energy probability distribution.
- (4)
- Calculate the energy–entropy ratio of the frequency band coefficient.
3.3. Multi-Scale Permutation Entropy and the Euclidean Norm
- (1)
- Obtain the subsequence of the phase space by reconstructing the frequency band signal phase space, expressed as:where d and , respectively, represent the embedding dimension and time delay.
- (2)
- Sort the subsequences in the phase space from smallest to largest.where is the element position index in after reordering, and is called a permutation. In this way, each is mapped to a matching sequence with a total of permutations.
- (3)
- The occurrence probability of each permutation is , and is defined as:where represents the number of occurrences of the symbol sequence.
- (4)
- According to information entropy, the permutation entropy of time series is obtained.
- (5)
- When calculating the permutation entropy, only the numerical arrangement relationship of elements in the phase point is considered, and the key factor of numerical size is ignored. Therefore, the coarse process can be introduced to obtain the multi-scale permutation entropy. The coarse-graining process is:where expresses the coarse-graining factor, expresses the coarse-graining signal when the coarse-graining factor is , and is the k-th value of the time series.
- (6)
- The Euclidean norm, also known as the L2 norm, has a certain smoothing and equalizing effect, which can weaken the entropy fluctuations caused by various disturbance and other abnormal factors on individual scales. After the fusion of multi-scale permutation entropy through the Euclidean norm, the entropy information of different scales is no longer an isolated individual, but can be organically combined to form a more comprehensive feature description. Euclidean norm fusion multi-scale permutation entropy:
4. Simulation Results and Analysis
4.1. Construct the Fault Sample
4.2. Decomposition of Fault Signals and Selection of Optimal Multi-Frequency Bands
4.3. Feature Extraction for Permutation Entropy
4.4. Feature Extraction and Fusion for Multi-Scale Permutation Entropy
4.5. Evaluation of Analysis Using Different Indexes
5. Discussion
6. Conclusions
Author Contributions
Funding
Data Availability Statement
Conflicts of Interest
References
- Chen, H.; Jiang, B.; Ding, S.X.; Huang, B. Data-driven fault diagnosis for traction systems in high-speed trains: A survey, challenges, and perspectives. IEEE Trans. Intell. Transp. Syst. 2020, 23, 1700–1716. [Google Scholar] [CrossRef]
- Hu, K.; Liu, Z.; Iannuzzo, F.; Blaabjerg, F. Simple and effective open switch fault diagnosis of single-phase PWM rectifier. Microelectron. Reliab. 2018, 88, 423–427. [Google Scholar] [CrossRef]
- Yu, Y.; Song, Y.; Tao, H. Fault location and type identification method for current and voltage sensors in traction rectifiers. J. Power Electron. 2024, 1–9. [Google Scholar] [CrossRef]
- Egone, N.; Ma, L.; Qin, N. Disturbance De-coupling for Faults Detection and Identification Based on Right Eigenvectors Assignment for a Single-phase PWM Rectifier. In Proceedings of the 2020 39th Chinese Control Conference (CCC), Shenyang, China, 27–29 July 2020. [Google Scholar]
- Arehpanahi, M.; Entekhabi, A.M. A New Technique for Online Open Switch Fault Detection and Location in Single-phase Pulse Width Modulation Rectifier. Int. J. Eng. 2022, 35, 1759–1764. [Google Scholar] [CrossRef]
- Shi, T.; He, Y.; Wang, T.; Li, B. Open switch fault diagnosis method for PWM voltage source rectifier based on deep learning approach. IEEE Access 2019, 7, 66595–66608. [Google Scholar] [CrossRef]
- Kou, L.; Liu, C.; Cai, G.; Zhang, Z.; Zhou, J.; Wang, X. Fault diagnosis for three-phase PWM rectifier based on deep feedforward network with transient synthetic features. ISA Trans. 2020, 101, 399–407. [Google Scholar] [CrossRef]
- Wang, R. Open-Circuit Fault Diagnosis of Power Rectifier Using Deep Convolutional Neural Network. J. Phys. Conf. Series. IOP Publ. 2020, 1642, 012009. [Google Scholar] [CrossRef]
- Lu, F.; Tong, Q.; Xu, J.; Feng, Z.; Wang, X.; Huo, J.; Wan, Q. Towards multi-scene learning: A novel cross-domain adaptation model based on sparse filter for traction motor bearing fault diagnosis in high-speed EMU. Adv. Eng. Inform. 2024, 60, 102536. [Google Scholar] [CrossRef]
- He, C.; Shi, H.; Li, R.; Li, J.; Yu, Z.J. Interpretable modulated differentiable STFT and physics-informed balanced spectrum metric for freight train wheelset bearing cross-machine transfer fault diagnosis under speed fluctuations. arXiv 2024, arXiv:2406.11917. [Google Scholar] [CrossRef]
- Huang, K.; Li, W.; Fang, H.; Wu, X.; Wang, L.; Peng, H. IPORF: A Combined Improved Parrot Optimizer Algorithm and Random Forest for Fault Diagnosis in AUV. Ocean Eng. 2024, 313, 119665. [Google Scholar] [CrossRef]
- Sandoval, D.; Leturiondo, U.; Pozo, F.; Vidal, Y. Low-Speed Bearing Fault Diagnosis Based on Permutation and Spectral Entropy Measures. Appl. Sci. 2020, 10, 4666. [Google Scholar] [CrossRef]
- Bai, X.; Li, M.; Di, Z.; Dong, W.; Liang, J.; Zhang, J.; Sun, H. Open circuit fault diagnosis of wind power converter based on VMD energy entropy and time domain feature analysis. Energy Sci. Eng. 2024, 12, 577–595. [Google Scholar] [CrossRef]
- Jiang, T.; Wang, Y.; Li, Z. Fault diagnosis of three-phase inverter based on CEEMDAN and GWO-SVM. In Proceedings of the 2020 Chinese Automation Congress (CAC), Shanghai, China, 6–8 November 2020. [Google Scholar]
- Liang, J.; Zhang, K. A new hybrid fault diagnosis method for wind energy converters. Electronics 2023, 12, 1263. [Google Scholar] [CrossRef]
- Han, Y.; Qi, W.; Ding, N.; Geng, Z. Short-time wavelet entropy integrating improved LSTM for fault diagnosis of modular multilevel converter. IEEE Trans. Cybern. 2021, 52, 7504–7512. [Google Scholar] [CrossRef] [PubMed]
- Mao, X.; Dong, H. Feature Fusion Based on Locally Linear Embedding in Fault Diagnosis of A Single-Phase PWM Rectifier. In Proceedings of the 2023 7th International Conference on Smart Grid and Smart Cities (ICSGSC), Lanzhou, China, 22–24 September 2023. [Google Scholar]
- Gonzalez-Jimenez, D.; Del-Olmo, J.; Poza, J.; Garramiola, F.; Madina, P. Data-driven fault diagnosis for electric drives: A review. Sensors 2021, 21, 4024. [Google Scholar] [CrossRef]
- Tian, Z.; Ge, X. An online fault diagnostic method based on frequency-domain analysis for IGBTs in traction PWM rectifiers. In Proceedings of the 2016 IEEE 8th International Power Electronics and Motion Control Conference (IPEMC-ECCE Asia), Hefei, China, 22–26 May 2016; pp. 3403–3407. [Google Scholar]
- Shaoyong, Y.; Bryant, A.; Mawby, P.; Xiang, D.; Ran, L.; Tavner, P. An industry-based survey of reliability in power electronic converters. IEEE Trans. Ind. Appl. 2011, 47, 1441–1451. [Google Scholar] [CrossRef]
- Liang, J.; Zhang, K.; Al-Durra, A.; Zhou, D. A novel fault diagnostic method in power converters for wind power generation system. Appl. Energy 2020, 266, 114851. [Google Scholar] [CrossRef]
- Liang, J.; Zhang, K.; Al-Durra, A.; Zhou, D. A multi-information fusion algorithm to fault diagnosis of power converter in wind power generation systems. IEEE Trans. Ind. Inform. 2023, 20, 1167–1179. [Google Scholar] [CrossRef]
- Kuai, Z.; Huang, G. Fault diagnosis of diesel engine valve clearance based on wavelet packet decomposition and neural networks. Electronics 2023, 12, 353. [Google Scholar] [CrossRef]
- He, H.; Tan, Y.; Wang, Y. Optimal base wavelet selection for ECG noise reduction using a comprehensive entropy criterion. Entropy 2015, 17, 6093–6109. [Google Scholar] [CrossRef]
- Liang, J.; Zhang, K. A robust fault diagnosis scheme for converter in wind turbine systems. Electronics 2023, 12, 1597. [Google Scholar] [CrossRef]
- Minhas, A.S.; Singh, S. A new bearing fault diagnosis approach combining sensitive statistical features with improved multiscale permutation entropy method. Knowl.-Based Syst. 2021, 218, 106883. [Google Scholar] [CrossRef]
- Benmahamed, Y.; Kherif, O.; Teguar, M.; Boubakeur, A.; Ghoneim, S.S.M. Accuracy improvement of transformer faults diagnostic based on DGA data using SVM-BA classifier. Energies 2021, 14, 2970. [Google Scholar] [CrossRef]
- Yang, C.; Zhang, F.; Cheng, L.; Zhang, Z. A General Diode Open-Circuit Fault Diagnosis Method for Autotransformer Rectifier Unit Considering Grid Voltage Disturbance. IEEE J. Emerg. Sel. Top. Power Electron. 2022, 11, 2214–2226. [Google Scholar] [CrossRef]
- Li, H.; Huang, J.; Yang, X.; Luo, J.; Zhang, L.; Pang, Y. Fault Diagnosis for Rotating Machinery Using Multiscale Permutation Entropy and Convolutional Neural Networks. Entropy 2020, 22, 851. [Google Scholar] [CrossRef] [PubMed]
- Fan, Q.; Liu, Y.; Yang, J.; Zhang, D. Graph Multi-Scale Permutation Entropy for Bearing Fault Diagnosis. Sensors 2024, 24, 56. [Google Scholar] [CrossRef] [PubMed]









| Type | Mode | Label | Type | Mode | Label |
|---|---|---|---|---|---|
| Normal state | Normal | 1 | Two IGBTs on the same half bridge | T1T3 | 8 |
| A single IGBT | T1 | 2 | T2T4 | 9 | |
| T2 | 3 | Two IGBTs on the different half bridge | T1T4 | 10 | |
| T3 | 4 | T2T3 | 11 | ||
| T4 | 5 | Power diode | D1 | 12 | |
| Both IGBTs in the same bridge arm | T1T2 | 6 | D2 | 13 | |
| T3T4 | 7 | D3 | 14 | ||
| --- | --- | D4 | 15 |
| Parameter Name | Value |
|---|---|
| Traction transformer secondary voltage UN | 1450 V |
| Traction transformer leakage inductance LN | 2.3 mH |
| Traction rectifier output voltage Udc | 2800 V |
| Middle supporting capacitor Cd | 8 mF |
| Fault Mode | dbN | Energy Entropy Ratio | Fault Mode | dbN | Energy Entropy Ratio |
|---|---|---|---|---|---|
| Normal | db9 | 1.6779 | T1T3 | db9 | 1.3555 |
| T1 | db4 | 1.6515 | T2T4 | db9 | 1.3543 |
| T2 | db8 | 1.6463 | T1T4 | db8 | 1.4519 |
| T3 | db8 | 1.6713 | T2T3 | db7 | 1.4599 |
| T4 | db9 | 1.6562 | D1 | db3 | 13.753 |
| T1T2 | db10 | 1.3267 | D2 | db2 | 11.618 |
| T3T4 | db6 | 1.3429 | D3 | db3 | 13.5 |
| --- | --- | D4 | db3 | 11.991 |
| SNR | Feature | Accuracy | Recall | Precision | FAR | MAR | F1 Score |
|---|---|---|---|---|---|---|---|
| 5 dB | AE | 0.3901 | 0.3805 | 0.4050 | 0.0436 | 0.6099 | 0.3924 |
| SE | 0.4426 | 0.4357 | 0.4482 | 0.0398 | 0.5574 | 0.4419 | |
| PE | 0.6145 | 0.6085 | 0.6178 | 0.0275 | 0.3855 | 0.6131 | |
| 10 dB | AE | 0.6163 | 0.6079 | 0.6246 | 0.0274 | 0.3837 | 0.6161 |
| SE | 0.6908 | 0.6840 | 0.6951 | 0.0221 | 0.3092 | 0.6895 | |
| PE | 0.8617 | 0.8575 | 0.8652 | 0.0099 | 0.1383 | 0.8613 | |
| 15 dB | AE | 0.8515 | 0.8470 | 0.8554 | 0.0106 | 0.1485 | 0.8512 |
| SE | 0.8553 | 0.8502 | 0.8595 | 0.0103 | 0.1447 | 0.8548 | |
| PE | 0.9774 | 0.9762 | 0.9785 | 0.0016 | 0.0226 | 0.9774 |
| SNR | Feature | Accuracy | Recall | Precision | FAR | MAR | F1 Score |
|---|---|---|---|---|---|---|---|
| 5 dB | PE | 0.6145 | 0.6085 | 0.6178 | 0.0275 | 0.3855 | 0.6131 |
| MPE-L2 | 0.7846 | 0.7791 | 0.7892 | 0.0154 | 0.2154 | 0.7841 | |
| 10 dB | PE | 0.8617 | 0.8575 | 0.8652 | 0.0099 | 0.1383 | 0.8613 |
| MPE-L2 | 0.9707 | 0.9694 | 0.9718 | 0.0021 | 0.0293 | 0.9706 | |
| 15 dB | PE | 0.9774 | 0.9762 | 0.9785 | 0.0016 | 0.0226 | 0.9774 |
| MPE-L2 | 0.9945 | 0.9942 | 0.9948 | 0.000392 | 0.0055 | 0.9945 |
Disclaimer/Publisher’s Note: The statements, opinions and data contained in all publications are solely those of the individual author(s) and contributor(s) and not of MDPI and/or the editor(s). MDPI and/or the editor(s) disclaim responsibility for any injury to people or property resulting from any ideas, methods, instructions or products referred to in the content. |
© 2025 by the authors. Licensee MDPI, Basel, Switzerland. This article is an open access article distributed under the terms and conditions of the Creative Commons Attribution (CC BY) license (https://creativecommons.org/licenses/by/4.0/).
Share and Cite
Liang, J.; Mao, X. Rectifier Fault Diagnosis Based on Euclidean Norm Fusion Multi-Frequency Bands and Multi-Scale Permutation Entropy. Electronics 2025, 14, 612. https://doi.org/10.3390/electronics14030612
Liang J, Mao X. Rectifier Fault Diagnosis Based on Euclidean Norm Fusion Multi-Frequency Bands and Multi-Scale Permutation Entropy. Electronics. 2025; 14(3):612. https://doi.org/10.3390/electronics14030612
Chicago/Turabian StyleLiang, Jinping, and Xiangde Mao. 2025. "Rectifier Fault Diagnosis Based on Euclidean Norm Fusion Multi-Frequency Bands and Multi-Scale Permutation Entropy" Electronics 14, no. 3: 612. https://doi.org/10.3390/electronics14030612
APA StyleLiang, J., & Mao, X. (2025). Rectifier Fault Diagnosis Based on Euclidean Norm Fusion Multi-Frequency Bands and Multi-Scale Permutation Entropy. Electronics, 14(3), 612. https://doi.org/10.3390/electronics14030612

