Research on the Coordinated Control of Mining Multi-PMSM Systems Based on an Improved Active Disturbance Rejection Controller
Abstract
1. Introduction
2. Establishment of the Belt Conveyor Drive System Model
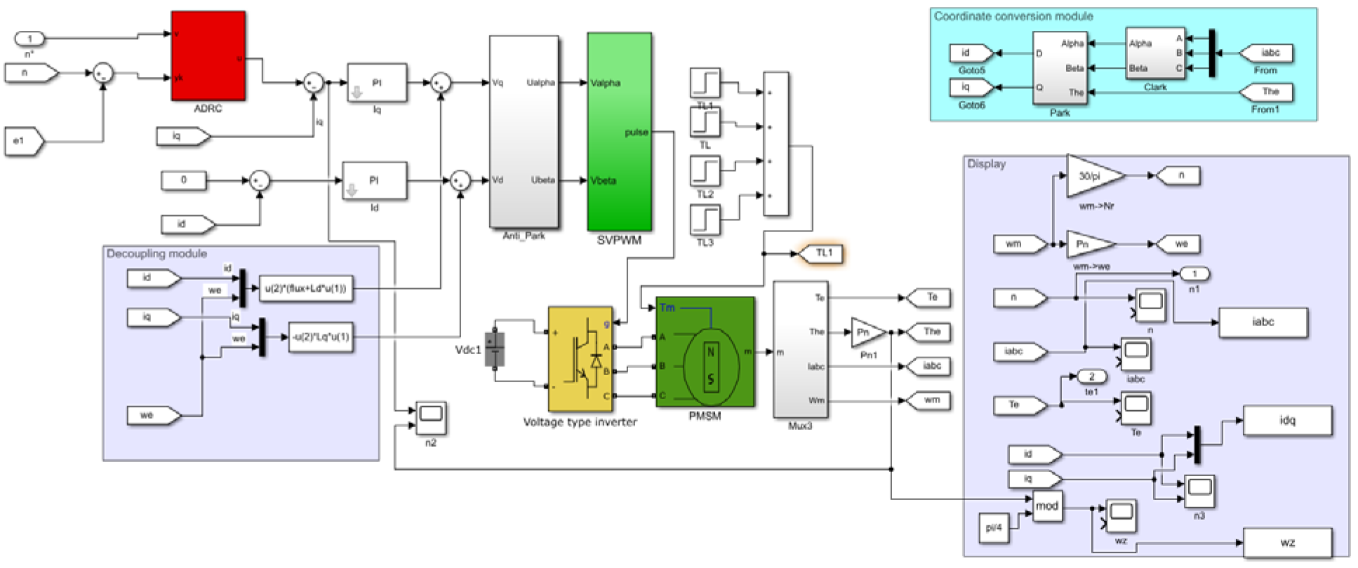
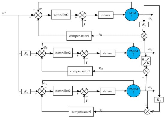
2.1. A Multi-Permanent Magnet Synchronous Motor Drive System Solution
2.2. Mathematical Model of PMSM
- (1)
- The core material is an ideal material, and there is no saturation;
- (2)
- The stator three-phase winding structure is symmetrical, and the current in the motor is a three-phase symmetric sine wave;
- (3)
- The above applies regardless of hysteresis loss and eddy current loss in the motor.
3. Design of the First-Order Active Disturbance Rejection Controller
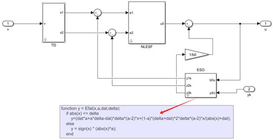
3.1. Principle of the ADRC
3.2. Optimization of Nonlinear Functions
3.3. Design of the First-Order Active Disturbance Rejection Controller for Speed Loop
- (1)
- The second-order state observer ESO [28]:
- (2)
- First-order nonlinear error feedback control law NLSEF:
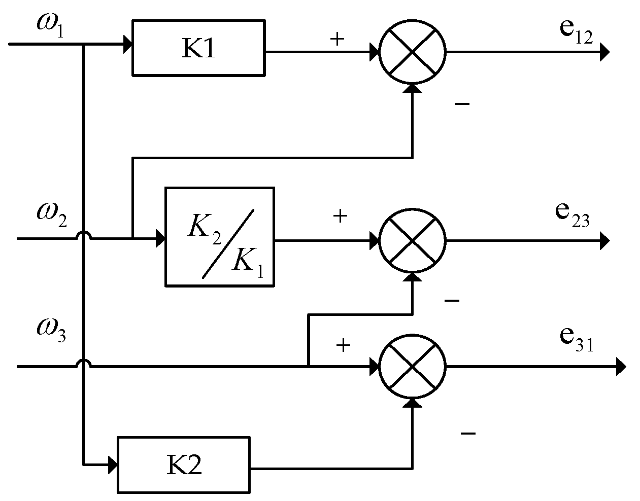
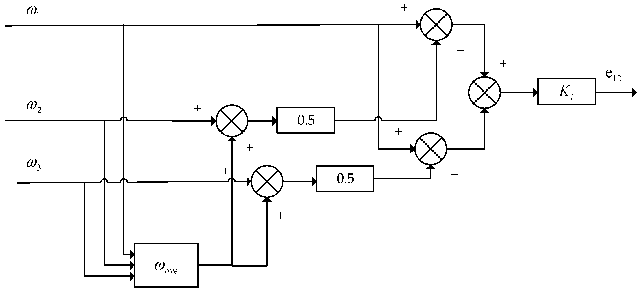
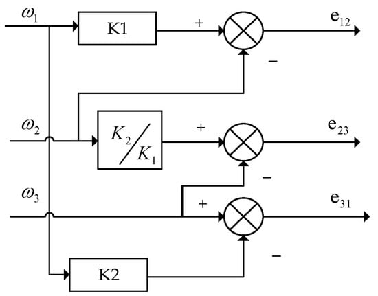
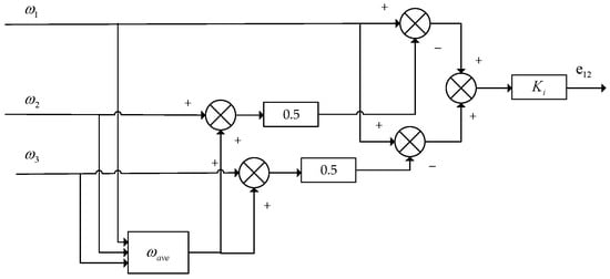
4. Design of the New Compensator Based on Ring Coupling
4.1. Ring Coupling Control Principle
4.2. Optimization of Compensator
5. Simulation Experiments and Result Analysis
5.1. Single Motor Speed Loop Control Simulation
5.2. Analysis of No-Load Operating Conditions
5.3. Analysis of Full-Load Operating Conditions
5.4. Analysis of Variable Load Operating Conditions
6. Conclusions
- (1)
- Based on the high-power PMSM ring coupling control strategy under improved Efal_ADRC control, smooth operation at low speed and high torque is achieved, and the motor has faster response speed, smaller overshoot, stronger anti-disturbance ability, and dynamic responsiveness. The motor’s ability to follow the reference speed is improved.
- (2)
- The new synchronous speed compensator exhibits superior synchronization performance in comparison to the traditional speed compensator, thereby reducing the synchronization error between motors, which in turn reduces motor losses and extends the operational lifespan.
Author Contributions
Funding
Data Availability Statement
Conflicts of Interest
References
- Gao, R. Research on Multi-Point Drive Cooperative Control of Long-Distance Belt Conveyor. Master’s Thesis, Taiyuan University of Technology, Taiyuan, China, 2019. [Google Scholar]
- Deng, Y.; Zhu, J.; Liu, H. The Improved Particle Swarm Optimization Method: An Efficient Parameter Tuning Method with the Tuning Parameters of a Dual-Motor Active Disturbance Rejection Controller. Sensors 2023, 23, 8605. [Google Scholar] [CrossRef] [PubMed]
- Shi, Y.; Liu, W.; Lei, Z.; Liu, D.; Sun, D. Research on Parameter Tuning Method of ADRC Based on Hybrid Optimization Approach. Control Eng. China 2013, 20, 748–752. [Google Scholar]
- Zhou, S.; Liu, K.; Hu, W.; Chen, Y.; Zhang, D.; Huang, Q.; Tong, Q.; Zhang, Q. Harmonic-Separation-Based Direct Extraction and Compensation of Inverter Nonlinearity for State Observation Control of PMSM. IEEE Access 2021, 9, 142028–142045. [Google Scholar] [CrossRef]
- Liu, T.; Liu, Z.; Zhu, F. A Nonlinear Robust Speed Controller for Dual Nonidentical Parallel PMSM System. IEEE Trans. Power Electron. 2022, 37, 10190–10199. [Google Scholar] [CrossRef]
- Liu, Y.; Wu, Y.; Cao, Y. Active disturbance rejection adaptive control of multi-motor synchronized driving system. In Proceedings of the 2020 12th International Conference on Intelligent Human-Machine Systems and Cybernetics (IHMSC), Hangzhou, China, 22–23 August 2020; pp. 221–227. [Google Scholar] [CrossRef]
- Yu, T.; Zhang, Z.; Li, Y.; Zhao, W.; Zhang, J. Improved active disturbance rejection controller for rotor system of magnetic levitation turbomachinery. Electron. Res. Arch. 2023, 31, 1570–1586. [Google Scholar] [CrossRef]
- Gao, Z. From linear to nonlinear control means: A practical progression. ISA Trans. 2002, 41, 177–189. [Google Scholar] [CrossRef]
- Li, J.; Xia, Y.Q.; Qi, X.H.; Gao, Z.Q. On the necessity, scheme and basis of the linear-nonlinear switching in active disturbance rejection control. IEEE Trans. Ind. Electron. 2016, 64, 1425–1435. [Google Scholar] [CrossRef]
- Li, D.Z.; Ding, P.; Gao, Z.Q. Fractional active disturbance rejection control. ISA Trans. 2016, 62, 109–119. [Google Scholar] [CrossRef]
- Hu, S.; Ren, X.; Zheng, D. Integral predictor based prescribed performance control for multi-motor driving servo systems. J. Frankl. Inst. 2022, 359, 8910–8932. [Google Scholar] [CrossRef]
- Zhang, X.; Shi, T.; Wang, Z.; Geng, Q.; Xia, C. Generalized Predictive Contour Control of Biaxial Motion System. IEEE Trans. Ind. Electron. 2018, 65, 8488–8497. [Google Scholar] [CrossRef]
- Ye, Y.; Peng, F.; Huang, Y. A Review of Multi-Motor Synchronous Motion Control Technology. Trans. China Electrotech. Soc. 2021, 36, 2922–2935. [Google Scholar] [CrossRef]
- Lan, Y.; Li, J.; Zhang, F.; Zong, M. Fuzzy Sliding Mode Control of Magnetic Levitation System of Controllable Excitation Linear Synchronous Motor. IEEE Trans. Ind. Appl. 2020, 56, 5585–5592. [Google Scholar] [CrossRef]
- Zhao, M.; Wang, Q.; Wang, Y.; Dong, Q. Multi-Motor Cooperative Control Strategy for Speed Synchronous Control of Construction Platform. Electronics 2022, 11, 4162. [Google Scholar] [CrossRef]
- Chang, W.; Tong, S. Adaptive fuzzy tracking control design for permanent magnet synchronous motors with output constraint. Nonlinear Dyn. 2016, 87, 291–302. [Google Scholar] [CrossRef]
- Niu, F.; Sun, K.; Huang, S.; Hu, Y.; Liang, D.; Fang, Y. A Review on Multimotor Synchronous Control Methods. IEEE Trans. Transp. Electrif. 2022, 9, 22–33. [Google Scholar] [CrossRef]
- Liu, J.; He, F.; Wang, Q. Fuzzy Active Disturbance Rejection Control for Multi-Motor Networked Control System. In Proceedings of the 2021 33rd Chinese Control and Decision Conference (CCDC), Kunming, China, 22–24 May 2021; pp. 5560–5565. [Google Scholar] [CrossRef]
- Liu, Z.; Yang, Q.; Wang, Q.; Liu, J. Multi-motor Speed Synchronization Control System Based on Deviation Coupling Structure. Mach. Des. Manuf. 2023, 4, 34–39. [Google Scholar] [CrossRef]
- Chen, W.; Liang, J.; Shi, T. Speed Synchronous Control of Multiple Permanent Magnet Synchronous Motors Based on an Improved Cross-Coupling Structure. Energies 2018, 11, 282. [Google Scholar] [CrossRef]
- Zhang, B.; Tao, L.; Zhou, X. Adaptive Linear Active Disturbance Rejection Control with Deviation Differential in DC Bus Voltage of Wind Power System. IEEE Access 2021, 9, 57808–57818. [Google Scholar] [CrossRef]
- Jin, K.; Li, W.; Zhang, B. Active Disturbance Rejection Variable Speed Energy-saving Control Strategy for Long-distance Belt Conveyor Motors. Electr. Mach. Control Appl. 2022, 49, 21–27. [Google Scholar]
- Ji, J.; Miao, C.; Li, X. Research on the energy-saving control strategy of a belt conveyor with variable belt speed based on the material flow rate. PLoS ONE 2020, 15, e0227992. [Google Scholar] [CrossRef]
- Cheng, G.; Wu, W. Multi-motor Synchronization Control Technology for Mine Belt Conveyor. Ind. Mine Autom. 2021, 47, 81–86+127. [Google Scholar] [CrossRef]
- Benevieri, A.; Carbone, L.; Cosso, S.; Kumar, K.; Marchesoni, M.; Passalacqua, M.; Vaccaro, L. Surface Permanent Magnet Synchronous Motors’ Passive Sensorless Control: A Review. Energies 2022, 15, 7747. [Google Scholar] [CrossRef]
- Han, J.Q. Active Disturbance Rejection Controller and Its Applications. Control Decis. 1998, 1, 19–23. [Google Scholar]
- Pu, C.; Wang, Z.; Wang, S. Two-stage Active Disturbance Rejection Control for Coupled Permanent Magnet Synchronous Motors System With Mismatched Disturbance. Int. J. Control Autom. Syst. 2024, 22, 1883–1892. [Google Scholar] [CrossRef]
- Zhao, Y.; Wei, C.; Zhang, Z.; Qiao, W. A Review on Position/Speed Sensorless Control for Permanent-Magnet Synchronous Machine-Based Wind Energy Conversion Systems. IEEE J. Emerg. Sel. Top. Power Electron. 2013, 1, 203–216. [Google Scholar] [CrossRef]
- Zhang, X.; Chen, Y.; Sun, X. Overview of Active Disturbance Rejection Control for Permanent Magnet Synchronous Motors. J. Electr. Eng. Technol. 2024, 19, 1237–1255. [Google Scholar] [CrossRef]
- Wang, M.; Ren, X.; Chen, Q. Robust tracking and distributed synchronization control of a multi-motor servomechanism with H-infinity performance. ISA Trans. 2018, 72, 147–160. [Google Scholar] [CrossRef]
- Dong, F. Research on Coupling Synchronization Control of Multi-Motor Servo System. Master’s Thesis, Zhejiang University of Technology, Hangzhou, China, 2018. [Google Scholar]























| Physical Quantity | Parameter Size | Unit |
|---|---|---|
| Volume of traffic | 2500 | t/h |
| Transport distance | 3000 | m |
| Conveyor belt unit mass | 67.2 | kg/m |
| Unit mass of material | 173.6 | kg/m |
| Belt speed | 4 | m/s |
| Conveyor belt width | 1400 | mm |
| Rated power of motor | 400 | Kw |
| Physical Quantity | Parameter Size | Unit |
|---|---|---|
| Number of pole-pairs Pn | 16 | |
| Stator resistance R | 0.0755 | Ω |
| Stator d-, q-axis inductance Ld, Lq | 6.53 | mH |
| Rotor moment of inertia J | 474 | kg∙m2 |
| Permanent magnet flux linkage φf | 6.08 | Wb |
| Damping coefficient B | 0.002 | N∙m∙s |
| Rated load torque TL | 5 × 104 | N∙m |
| Sampling time Ts | 10−5 | s |
| Dc voltage Vdc | 1140 | V |
| Rated power | 400 | Kw |
| r | h | |||||
|---|---|---|---|---|---|---|
| 5000 | 0.001 | 20,000 | 1000 |
| Time | Operating Condition | Load Torque TL |
|---|---|---|
| 0–1.3 s | no load | |
| 1.3–2 s | heavy load | |
| 2–2.5 s | light load | |
| 2.5–3 s | light load |
Disclaimer/Publisher’s Note: The statements, opinions and data contained in all publications are solely those of the individual author(s) and contributor(s) and not of MDPI and/or the editor(s). MDPI and/or the editor(s) disclaim responsibility for any injury to people or property resulting from any ideas, methods, instructions or products referred to in the content. |
© 2025 by the authors. Licensee MDPI, Basel, Switzerland. This article is an open access article distributed under the terms and conditions of the Creative Commons Attribution (CC BY) license (https://creativecommons.org/licenses/by/4.0/).
Share and Cite
Liu, L.; Liu, C.; Che, C.; Wu, Y.; Zhao, Q. Research on the Coordinated Control of Mining Multi-PMSM Systems Based on an Improved Active Disturbance Rejection Controller. Electronics 2025, 14, 477. https://doi.org/10.3390/electronics14030477
Liu L, Liu C, Che C, Wu Y, Zhao Q. Research on the Coordinated Control of Mining Multi-PMSM Systems Based on an Improved Active Disturbance Rejection Controller. Electronics. 2025; 14(3):477. https://doi.org/10.3390/electronics14030477
Chicago/Turabian StyleLiu, Lixin, Cheng Liu, Changjin Che, Yunbo Wu, and Qing Zhao. 2025. "Research on the Coordinated Control of Mining Multi-PMSM Systems Based on an Improved Active Disturbance Rejection Controller" Electronics 14, no. 3: 477. https://doi.org/10.3390/electronics14030477
APA StyleLiu, L., Liu, C., Che, C., Wu, Y., & Zhao, Q. (2025). Research on the Coordinated Control of Mining Multi-PMSM Systems Based on an Improved Active Disturbance Rejection Controller. Electronics, 14(3), 477. https://doi.org/10.3390/electronics14030477

