Additive Manufacturing as a Cost-Effective Solution for Stepped-Septum Polarizers
Abstract
1. Introduction
2. Polarizer Design and Manufacture
2.1. Electroforming
2.2. Stereolithography and Electroless Plating
2.3. Bound Metal Deposition
2.4. Selective Laser Melting
3. Simulated and Measured Performance
3.1. S-Parameters
3.2. Axial Ratio
4. Analysis of Printed Properties
4.1. Dimensional Measurements
4.2. Conductivity Measurements and Skin Depth Calculations
4.3. Microscopy
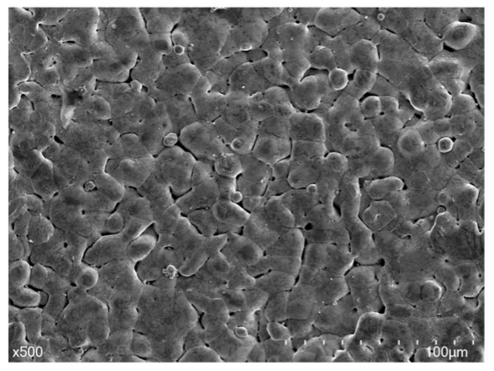
4.4. Scanning Electron Microscopy
5. Conclusions
Author Contributions
Funding
Data Availability Statement
Acknowledgments
Conflicts of Interest
Abbreviations
| AM | Additive Manufacturing |
| PBF | Powder Bed Fusion |
| DED | Directed Energy Deposition |
| EM | Electromagnetic |
| DMLS | Direct Metal Laser Sintering |
| SLA | Stereolithography |
| BMD | Bound Metal Deposition |
| UniSA | University of South Australia |
| NW | Northern Waves |
| AM EF 100 mm | Electroformed 100 mm Polarizer |
| UV | Ultraviolet |
| AM Polymer 100 mm | Swissto12 Polymer 100 mm Polarizer |
| AM Polymer 60 mm | Swissto12 Polymer 60 mm Polarizer |
| AM Cu 60 mm | University of South Australia Copper 60 mm Polarizer |
| AM Al 60 mm | Northern Waves Aluminum 60 mm Polarizer |
| PEC | Perfect Electrical Conductor |
| PNA | Precision Network Analyzer |
| AR | Axial Ratio |
| SEM | Scanning Electron Microscopy |
| SLM | Selective Laser Melting |
| MBJ | Metal Binder Jetting |
References
- Tofail, S.A.M.; Koumoulos, E.P.; Bandyopadhyay, A.; Bose, S.; O’Donoghue, L.; Charitidis, C. Additive manufacturing: Scientific and technological challenges, market uptake and opportunities. Mater. Today 2018, 21, 22–37. [Google Scholar] [CrossRef]
- Szymkiewicz, M.; Konkel, Y.; Hartwanger, C.; Schneider, M. Ku-band sidearm orthomode transducer manufactured by additive layer manufacturing. In Proceedings of the 2016 10th European Conference on Antennas and Propagation (EuCAP), Davos, Switzerland, 10–15 April 2016; pp. 1–4. [Google Scholar] [CrossRef]
- Passi, D.; Leggieri, A.; Citroni, R.; Di Paolo, F. Broadband TE10 to TE20 Mode Transformer for X Band. Adv. Electromagn. 2016, 5, 69–72. [Google Scholar] [CrossRef]
- Jiang, S.; Deng, W.; Wang, Z.; Cheng, X.; Tsai, D.P.; Shi, Y.; Zhu, W. Ka-Band metalens antenna empowered by physics-assisted particle swarm optimization (PA-PSO) algorithm. Opto-Electronic Sci. 2024, 3, 240014. [Google Scholar] [CrossRef]
- Grammer, S.S.W. ngVLA Front End Conceptual Design Description; NRAO: Charlottesville, VA, USA, 2022. [Google Scholar]
- Martín-Iglesias, P.; Marechal, M.; Calves, P.; Hazard, M.; Pambaguian, L.; Brandao, A.; Castillo, S.R.; Martin, T.; Percaz, J.; Iza, V.; et al. Metal 3D printing for RF/microwave high-frequency parts. CEAS Space J. 2022, 15, 7–25. [Google Scholar] [CrossRef]
- Ngo, T.D.; Kashani, A.; Imbalzano, G.; Nguyen, K.T.Q.; Hui, D. Additive manufacturing (3D printing): A review of materials, methods, applications and challenges. Compos. Part B Eng. 2018, 143, 172–196. [Google Scholar] [CrossRef]
- Sharma, A. 3D Metal Printed Broadband X-Band Septum Polarizer. In Proceedings of the 2021 IEEE International Symposium on Antennas and Propagation and USNC-URSI Radio Science Meeting (APS/URSI), Singapore, 4–10 December 2021; pp. 1429–1430. [Google Scholar] [CrossRef]
- Addamo, G.; Peverini, O.A.; Manfredi, D.; Calignano, F.; Paonessa, F.; Virone, G.; Tascone, R.; Dassano, G. Additive Manufacturing of Ka-Band Dual-Polarization Waveguide Components. IEEE Trans. Microw. Theory Tech. 2018, 66, 3589–3596. [Google Scholar] [CrossRef]
- Dimitriadis, A.I.; Favre, M.; Billod, M.; Ansermet, J.-P.; de Rijk, E. Design and fabrication of a lightweight additive-manufactured Ka-band horn antenna array. In Proceedings of the 2016 10th European Conference on Antennas and Propagation (EuCAP), Davos, Switzerland, 10–15 April 2016; pp. 1–4. [Google Scholar] [CrossRef]
- Wang, J.; Xu, Z.; Wang, Z.; Zheng, X.; Rahmat-Samii, Y. Development of a Low-Cost Lightweight Advanced K-Band Horn Antenna With Charge-Programmed Deposition 3-D Printing. IEEE Antennas Wirel. Propag. Lett. 2023, 22, 1917–1921. [Google Scholar] [CrossRef]
- Chio, T.H.; Huang, G.L.; Zhou, S.G.; Lim, W.Y. A 3D-printed compact dual-circularly polarized corrugated horn with integrated septum polarizer. In Proceedings of the 2016 International Symposium on Antennas and Propagation (ISAP), Okinawa, Japan, 24–28 October 2016; pp. 272–273. [Google Scholar]
- Veljovic, M.J.; Skrivervik, A.K. Circularly Polarized Axially Corrugated Feed Horn for CubeSat Reflectarray Applications. In Proceedings of the 2020 14th European Conference on Antennas and Propagation (EuCAP), Copenhagen, Denmark, 15–20 March 2020; pp. 1–4. [Google Scholar] [CrossRef]
- Wu, P.; Wang, J.; Wang, X. A critical review of the use of 3-D printing in the construction industry. Autom. Constr. 2016, 68, 21–31. [Google Scholar] [CrossRef]
- Stansbury, J.W.; Idacavage, M.J. 3D printing with polymers: Challenges among expanding options and opportunities. Dent. Mater. 2016, 32, 54–64. [Google Scholar] [CrossRef] [PubMed]
- Berman, B. 3-D printing: The new industrial revolution. Bus. Horiz. 2012, 55, 155–162. [Google Scholar] [CrossRef]
- Lumia, M.; Addamo, G.; Peverini, O.A.; Calignano, F.; Virone, G.; Manfredi, D. Additive Manufacturing of RF Waveguide Components. In Recent Microwave Technologies; Ahmed, K., Ho, Y.K., Eds.; IntechOpen: Rijeka, Croatia, 2022; p. 13. [Google Scholar]
- Talom, F.T.; Turpault, S. Additive manufacturing for RF microwave devices: Design, performances and treatments improvement evaluations. In Proceedings of the 2017 International Conference on Electromagnetics in Advanced Applications (ICEAA), Verona, Italy, 11–15 September 2017; pp. 1473–1476. [Google Scholar] [CrossRef]
- Gomez-Torrent, A.; Teberio, F.; Martinez, A.; Percaz, J.M.; Arnedo, I.; Maestrojuan, I.; Arregui, I.; Crespo, G.; Lopetegi, T.; Laso, M.A.G.; et al. A study of the additive manufacturing technology for RF/microwave components. In Proceedings of the 2017 11th European Conference on Antennas and Propagation (EUCAP), Paris, France, 19–24 March 2017; pp. 567–571. [Google Scholar] [CrossRef]
- Nikolic, N.; Weily, A.; Kekic, I.; Smith, S.L.; Smart, K.W. A Septum Polarizer with Integrated Square to Circular Tapered Waveguide Transition. In Proceedings of the 2018 IEEE International Symposium on Antennas and Propagation & USNC/URSI National Radio Science Meeting, Boston, MA, USA, 8–13 July 2018; pp. 725–726. [Google Scholar] [CrossRef]
- Dassault Systemes. CST Studio Suite. Available online: https://www.3ds.com/products/simulia/cst-studio-suite (accessed on 1 May 2024).
- Terahertz. Available online: https://www.terahertz.co.uk/ (accessed on 1 June 2025).
- SWISSto12. Available online: https://swissto12.com/ (accessed on 1 June 2025).
- ANFF-SA. Australian National Fabrication Facility—South Australia. Available online: https://www.anff-sa.com/ (accessed on 1 June 2025).
- Northern Waves. Available online: https://northern-waves.com/ (accessed on 1 June 2025).
- Dimitriadis, A.I.; Debogovic, T.; Favre, M.; Billod, M.; Barloggio, L.; Ansermet, J.-P.; de Rijk, E. Polymer-Based Additive Manufacturing of High-Performance Waveguide and Antenna Components. Proc. IEEE 2016, 105, 668–676. [Google Scholar] [CrossRef]
- Dahms, T.S.; Smith, S.L.; Smart, K.W.; Brodie, G.; Jacob, M. Additively Manufactured K-Band Septum Polarizers: A Comparative Study. In Proceedings of the 2023 IEEE International Symposium on Antennas and Propagation and USNC-URSI Radio Science Meeting (USNC-URSI), Portland, OR, USA, 23–28 July 2023; pp. 1793–1794. [Google Scholar]
- Leong, K.T.M. Precise Measurements of Surface Resistance of High Temperature Superconducting Thin Films Using a Novel Method of Q-Factor Computations for Sapphire Dielectric Resonators in the Transmission Mode, School of Engineering, James Cook University. 2000. Available online: https://researchonline.jcu.edu.au/41458/ (accessed on 27 February 2024).



























| (dB) | |||||||||||
|---|---|---|---|---|---|---|---|---|---|---|---|
| Polarizers | S11 | S22 | S33 | S44 | S13, S31 | S24, S42 | S12, S21 | S34, S43 | S14, S41 | S23, S32 | Axial Ratio (Boresight) |
| −50 | −50 | −50 | −50 | −15 | −15 | −0.5 | −0.5 | −65 | −60 | 0.25 | |
| −50 | −50 | −50 | −50 | −15 | −15 | −0.25 | −0.25 | −65 | −60 | 0.25 | |
| AM EF 100 mm | −25 | −25 | −30 | −30 | −15 | −15 | −0.5 | −0.5 | −30 | −30 | 0.5 |
| AM Polymer 60 mm | −30 | −25 | −35 | −30 | −15 | −15 | −0.5 | −0.4 | −30 | −30 | 0.5 |
| AM Polymer 100 mm | −30 | −30 | −35 | −30 | −15 | −15 | −0.5 | −0.4 | −45 | −45 | 1 |
| AM Cu 60 mm | −25 | −25 | −35 | −30 | −20 | −20 | −0.75 | −0.5 | −15 | −15 | 2 |
| AM Al 60 mm | −35 | −35 | −40 | −35 | −15 | −15 | −0.5 | −0.4 | −30 | −30 | 0.5 |
| Polarizers | Circular Waveguide Diameter (mm) | Circular Waveguide Roundness (mm) | Rectangular Waveguide Width (mm) | Rectangular Waveguide Height (mm) | Septum Thickness (mm) | Septum Step 1 Length (mm) | Septum Step 2 Length (mm) | Septum Step 3 Length (mm) |
|---|---|---|---|---|---|---|---|---|
| 10.00 | 0.000 | 10.668 | 4.318 | 2.032 | 4.64 | 4.30 | 4.74 | |
| AM EF 100 mm | 9.99 (−0.01) | 0.006 | 10.638 (−0.030) | 4.317 (−0.001) | 1.991 (−0.041) | 4.64 | 4.30 | 4.74 |
| AM Polymer 60 mm | 9.99 (−0.01) | 0.060 | 10.704 (+0.036) | 4.334 (+0.016) | 2.032 | 4.60 (−0.04) | 4.32 (+0.02) | 4.72 (−0.02) |
| AM Cu 60 mm | 9.70 (−0.30) | 0.130 | 10.466 (−0.202) | 4.216 (−0.102) | 2.183 (+0.151) | 4.66 (+0.02) | 4.24 (−0.06) | 4.82 (+0.08) |
| AM Al 60 mm | 10.08 (+0.08) | 0.060 | 10.739 (+0.071) | 4.382 (+0.064) | 1.981 (−0.051) | 4.61 (−0.03) | −4.32 (+0.02) | 4.71 (−0.03) |
| Material | Conductivity (MS/m) | Skin Depth (μm) | Probe Position |
|---|---|---|---|
| Machined Copper | 34.75 | 0.79 | At Walls |
| 35.49 | 0.78 | Half Turn Out | |
| 35.50 | 0.78 | Full Turn Out | |
| BMD Copper | 17.88 | 1.13 | At Walls |
| 18.18 | 1.10 | Half Turn Out | |
| 17.01 | 1.17 | Full Turn Out | |
| Machined Aluminum | 21.09 | 1.01 | At Walls |
| 21.06 | 1.01 | Half Turn Out | |
| 20.34 | 1.03 | Full Turn Out | |
| SLM Aluminum | 9.43 | 1.53 | At Walls |
| 9.40 | 1.53 | Half Turn Out | |
| 9.41 | 1.53 | Full Turn Out |
| Material | Conductivity (MS/m) | Skin Depth (μm) | Probe Position |
|---|---|---|---|
| Machined Copper | 8.43 | 1.24 | At Walls |
| 8.72 | 1.21 | Half Turn Out | |
| 8.58 | 1.22 | Full Turn Out | |
| BMD Copper | 1.18 | 3.08 | At Walls |
| 1.11 | 3.18 | Half Turn Out | |
| 1.14 | 3.14 | Full Turn Out | |
| Machined Aluminum | 7.33 | 1.24 | At Walls |
| 7.95 | 1.19 | Half Turn Out | |
| 7.93 | 1.19 | Full Turn Out | |
| SLM Aluminum | 3.48 | 1.89 | At Walls |
| 3.60 | 1.85 | Half Turn Out | |
| 3.53 | 1.87 | Full Turn Out |
Disclaimer/Publisher’s Note: The statements, opinions and data contained in all publications are solely those of the individual author(s) and contributor(s) and not of MDPI and/or the editor(s). MDPI and/or the editor(s) disclaim responsibility for any injury to people or property resulting from any ideas, methods, instructions or products referred to in the content. |
© 2025 by the authors. Licensee MDPI, Basel, Switzerland. This article is an open access article distributed under the terms and conditions of the Creative Commons Attribution (CC BY) license (https://creativecommons.org/licenses/by/4.0/).
Share and Cite
Dahms, T.; Mohamadzade, B.; Smart, K.W.; Smith, S.L. Additive Manufacturing as a Cost-Effective Solution for Stepped-Septum Polarizers. Electronics 2025, 14, 4535. https://doi.org/10.3390/electronics14224535
Dahms T, Mohamadzade B, Smart KW, Smith SL. Additive Manufacturing as a Cost-Effective Solution for Stepped-Septum Polarizers. Electronics. 2025; 14(22):4535. https://doi.org/10.3390/electronics14224535
Chicago/Turabian StyleDahms, Tayla, Bahare Mohamadzade, Ken W. Smart, and Stephanie L. Smith. 2025. "Additive Manufacturing as a Cost-Effective Solution for Stepped-Septum Polarizers" Electronics 14, no. 22: 4535. https://doi.org/10.3390/electronics14224535
APA StyleDahms, T., Mohamadzade, B., Smart, K. W., & Smith, S. L. (2025). Additive Manufacturing as a Cost-Effective Solution for Stepped-Septum Polarizers. Electronics, 14(22), 4535. https://doi.org/10.3390/electronics14224535

