Risk Assessment of New Distribution Network Dispatching Operations Considering Multiple Uncertain Factors
Abstract
1. Introduction
2. Uncertainty Modeling of New Distribution Components
2.1. Probability Model of Photovoltaic Output
2.2. Probability Model of Wind Power Output
2.3. Probabilistic Model of Load Demand Uncertainty
3. A New Distribution Network Dispatching Operation Risk Assessment Index System
3.1. Node Voltage Overrun Risk Indicators
3.2. Slip Flow Overrun Risk Indicator
4. Risk Assessment of Distribution Network Scheduling Operation Based on Improved Latin Hypercube Sampling
4.1. The Principle of Latin Hypercube Sampling
4.2. The Principle of the Important Sampling Method
4.3. Risk Assessment Scenario Generation Based on Improved Latin Hypercube Sampling
4.3.1. Comparison of Sampling Effects Based on LHS+ Important Sampling Method
4.3.2. Scenario Reduction Based on K-Medoids Algorithm
4.4. Analysis of the Risk Assessment Process of Distribution Network Scheduling Operation
5. Case Analysis
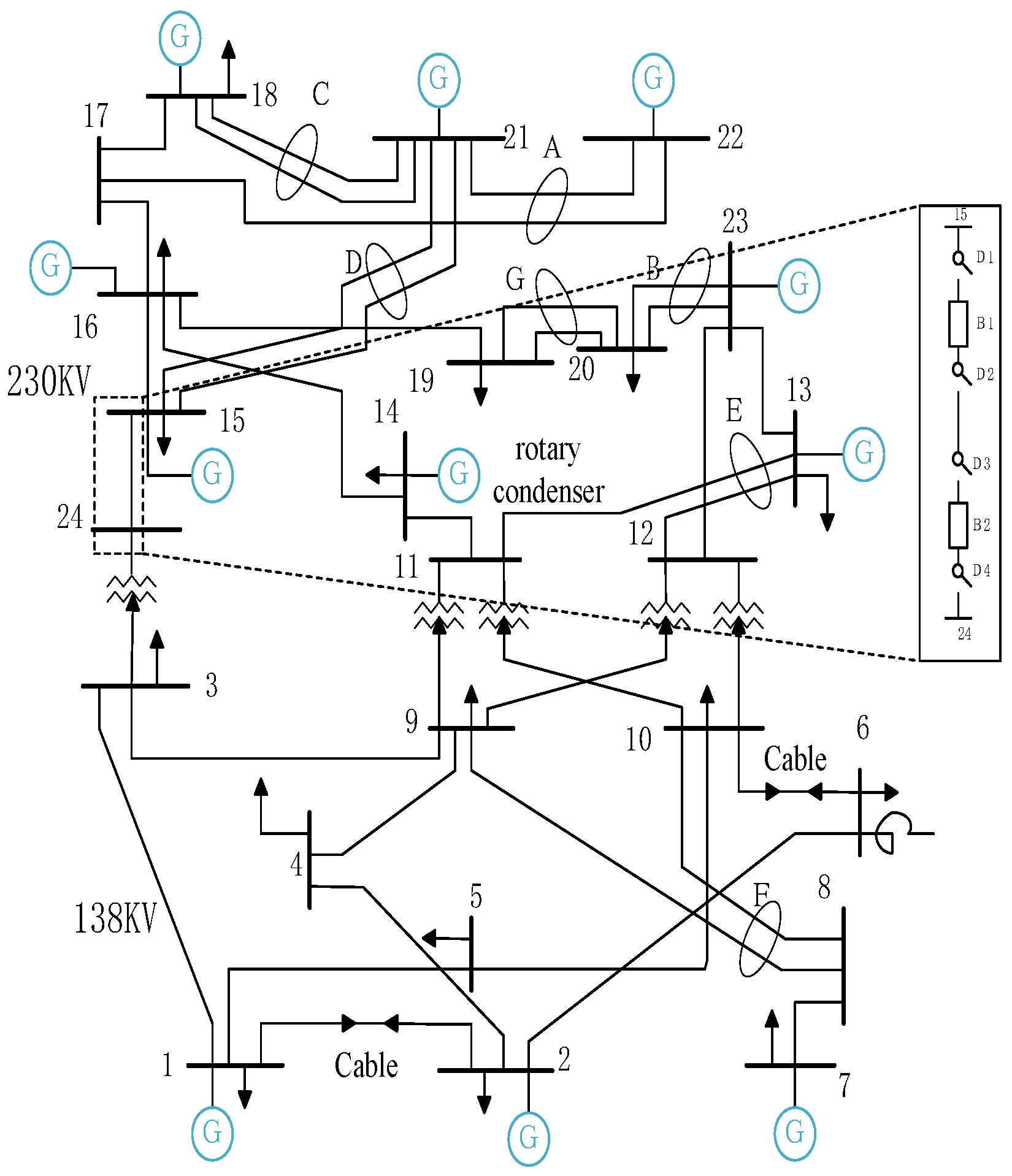
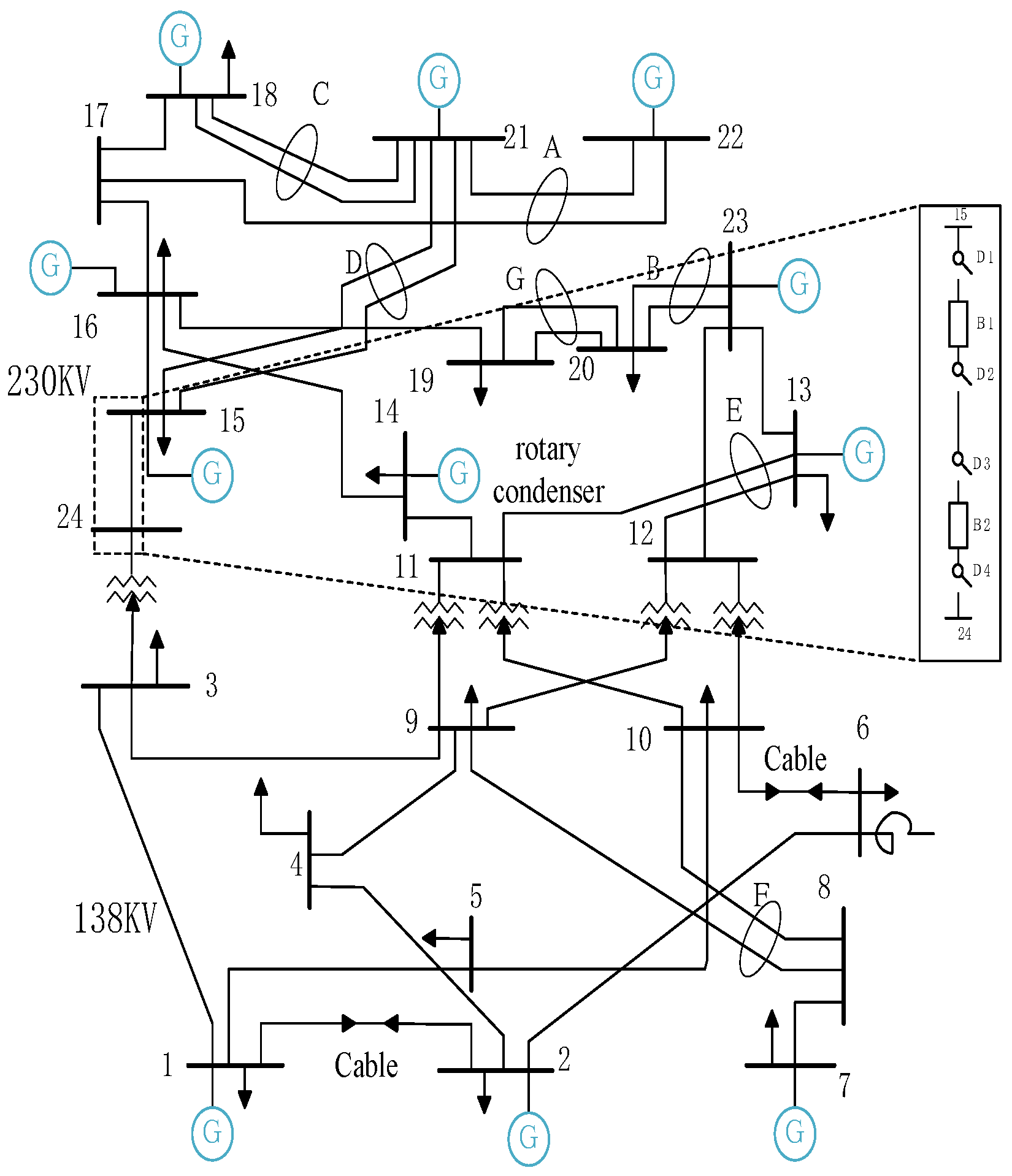
5.1. An Introduction to the Example
5.2. Scenario Analysis
5.3. Scenario Comparison Analysis
6. Conclusions
Author Contributions
Funding
Data Availability Statement
Conflicts of Interest
References
- Li, W. Risk Assessment of Electric Power Systems: Models, Methods, and Applications; Wiley-IEEE Press: Piscataway, NJ, USA, 2005; pp. 1–325. [Google Scholar]
- Kirschen, D.S.; Jayaweera, D. Comparison of risk-based and deterministic security assessments. IET Gener. Transm. Distrib. 2007, 1, 527–533. [Google Scholar] [CrossRef]
- Ciapessoni, E.; Cirio, D.; Kjølle, G.; Massucco, S.; Pitto, A.; Sforna, M. Probabilistic Risk-Based Security Assessment of Power Systems Considering Incumbent Threats and Uncertainties. IEEE Trans. Smart Grid 2016, 7, 2890–2903. [Google Scholar] [CrossRef]
- Miao, F.; Vittal, V.; Raja, A. Probabilistic Power Flow Studies for Transmission Systems with Photovoltaic Generation Using Cumulants. IEEE Trans. Power Syst. 2012, 27, 2251–2261. [Google Scholar] [CrossRef]
- He, X.; Lin, Z.; Xu, X.; Chen, R.; Ma, W.; Shi, J.; Xu, X. A dispatch risk assessment method based on fuzzification accident rating index. Power Syst. Prot. Control. 2021, 49, 98–104. [Google Scholar]
- Xu, X.; Pan, B.; Yang, Y. Large-group risk dynamic emergency decision method based on the dual influence of preference transfer and risk preference. Soft Comput. 2018, 22, 7479–7490. [Google Scholar] [CrossRef]
- Liu, X.; Tian, Q.; Jiao, H.; Guo, C.; Lin, X.; Li, J.; He, L. Power grid risk assessment of dispatching operation considering multi-risk elements. J. Electr. Power Sci. Technol. 2016, 31, 109–115. [Google Scholar]
- Ren, J.; Hu, C.-H.; Yu, S.-Q.; Cheng, P.-F. An extended EDAS method under four-branch fuzzy environments and its application in credit evaluation for micro and small entrepreneurs. Soft Comput. 2021, 25, 2777–2792. [Google Scholar] [CrossRef]
- Wang, Y.; Dong, K.; Li, J.; Yang, M.; Cai, X. Research on day-ahead quantitative evaluation system for Guangdong power griddispatching. Electr. Eng. 2021, 12, 128–129+160. [Google Scholar]
- Liang, W.; Jin, Q.; Lu, Z.; Wu, M.; Hu, C. Analyzing of research patterns based on a temporal tracking and assessing model. Pers. Ubiquitous Comput. 2016, 20, 933–946. [Google Scholar] [CrossRef]
- Shi, D.; Zheng, H. A mortality risk assessment approach on ICU patients clinical medication events using deep learning. Comput. Model. Eng. Sci. 2021, 128, 161–181. [Google Scholar] [CrossRef]
- Hu, S.; Liu, J.; Chen, D.; Li, Y.; Lu, D.; Zeng, Y. Fast risk assessment technique for dispatching operations. Proc. CSU-EPSA 2016, 28, 83–88. [Google Scholar]
- Qi, L.; Dou, W.; Hu, C.; Zhou, Y.; Yu, J. A context-aware service evaluation approach over big data for cloud applications. IEEE Trans. Cloud Comput. 2015, 8, 338–348. [Google Scholar] [CrossRef]
- Huang, J.; Chen, Y.; Ma, X.; Dong, S.; Tang, K. Risk assessment method for power grid dispatching operation based on markov chain and two-point estimation method. Power Capacit. React. Power Compens. 2022, 43, 127–133. [Google Scholar]
- Wang, M.; Xie, M.; Lan, Q.; Wu, L.; Jia, Y. Risk assessment of scheduling operation based on improved utility theory. Electr. Autom. 2019, 41, 44–46+63. [Google Scholar]
- Li, W. Power System Risk Assessment Models, Methods and Applications; Science Press: Beijing, China, 2006; pp. 115–159. [Google Scholar]
- Jiang, F.; Dong, L.; Wang, K.; Yang, K.; Pan, C. Distributed resource scheduling for large-scale MEC systems: A multiagent ensemble deep reinforcement learning with imitation acceleration. IEEE Internet Things J. 2021, 9, 6597–6610. [Google Scholar] [CrossRef]
- Mashal, I. Smart grid reliability evaluation and assessment. Kybernetes 2022, 52, 3261–3291. [Google Scholar] [CrossRef]
- Dou, W.; Xu, X.; Meng, S.; Zhang, X.; Hu, C.; Yu, S.; Yang, J. An energy-aware virtual machine scheduling method for service QoS enhancementin clouds over big data. Concurr. Comput. Pract. Exp. 2017, 29, e3909. [Google Scholar] [CrossRef]
- Zou, Q.; Tang, J.; Zhang, Y.; He, J. Design of dispatching operation risk assessment and auxiliary decision-making system based on multi-source data fusion. Power Syst. Clean Energy 2018, 34, 38–45. [Google Scholar]
- Ren, Y.; Liu, A.; Mao, X.; Li, F. An intelligent charging scheme maximizing the utility for rechargeable network in smart city. Pervasive Mob. Comput. 2021, 77, 101457. [Google Scholar] [CrossRef]
- Ma, Y.; Luo, Z.; Zhao, S.; Wang, Z.; Xie, J.; Zeng, S. Risk assessment of a power system containing wind power and photovoltaic based on improved Monte Carlo mixed sampling. Power Syst. Prot. Control. 2022, 50, 75–83. [Google Scholar]
- Liang, W.; Hu, C.; Wu, M.; Jin, Q. A data intensive heuristic approach to the two-stage streaming scheduling problem. J. Comput. Syst. Sci. 2017, 89, 64–79. [Google Scholar] [CrossRef]
- Kaduru, R.; Mercy, P.; Srinivas, G.N. Power distribution system reliability evaluation using weight-optimised ANN approach. Multimed. Tools Appl. 2024, 83, 13905–13927. [Google Scholar] [CrossRef]
- Chen, Z.-S.; Yang, Y.; Wang, X.-J.; Chin, K.-S.; Tsui, K.-L. Fostering linguistic decision-making under uncertainty: A proportional interval type-2 hesitant fuzzy TOPSIS approach based on Hamacher aggregation operators and andness optimization models. Inf. Sci. 2019, 500, 229–258. [Google Scholar] [CrossRef]
- Tan, C.; Chen, X. Generalized archimedean intuitionistic fuzzy averaging aggregation operators and their application to multicriteria decision-making. Int. J. Inf. Technol. Decis. Mak. 2016, 15, 311–352. [Google Scholar] [CrossRef]
- Wang, C.; Zhao, Y.; Wu, H.; Chen, X.; Yang, M. Reliability evaluation of distribution network considering multi-state reliability model of new distribution components. Distrib. Util. 2023, 40, 74–82. [Google Scholar]
- Jiang, F.; Wang, K.; Li, D.; Pan, C.; Yang, K. Stacked autoencoder-based deep reinforcement learning for online resource scheduling in large-scale MEC networks. IEEE Internet Things J. 2020, 7, 9278–9290. [Google Scholar]
- Zhang, C.; Ni, Z.; Xu, Y.; Luo, E.; Chen, L.; Zhang, Y. A trustworthy industrial data management scheme based on redactable blockchain. J. Parallel Distrib. Comput. 2021, 152, 167–176. [Google Scholar] [CrossRef]
- Luo, J.; Li, H.; Wang, S. A quantitative reliability assessment and risk quantification method for microgrids considering supply and demand uncertainties. Appl. Energy 2022, 328, 120130. [Google Scholar] [CrossRef]
- Chen, T.; Zhu, L.; Wei, K. Risk assessmentand application for dispatching operation considering human reliability. Sci. Technol. Eng. 2018, 18, 240–245. [Google Scholar]
- Wei, W.; Wang, E.; Liu, Z. Real-time probabilistic model based risk assessment of dispatching operations process. Power Syst. Technol. 2013, 37, 3509–3514. [Google Scholar]
- Lu, D.X.; Xu, D.; Liao, H.; Guo, J.; Guo, X. Risk assessment and control strategy on dispatching operation of power grid. Energy Eng. 2020, 1, 1–5. [Google Scholar]
- Hou, K.; Zeng, Y.; Jia, H.; Lu, E.; Liu, J.; Hu, S. Risk assessment and optimization method for markov chain-based scheduling operations. Autom. Electr. Power Syst. 2015, 39, 142–148. [Google Scholar]
- Lin, Z.; Hu, Z.; Xu, X.; He, X.; Zou, Z.; Liu, X. Dynamic N-1 risk assessment technology considering the entire process of scheduling operations. Autom. Electr. Power Syst. 2019, 43, 192–198. [Google Scholar] [CrossRef]
- Zou, Q.; Tang, J.; Liu, Y.; He, J. A risk quantitative evaluation method of the dispatching operation considering the complete risk. Power Syst. Clean Energy 2017, 33, 32–40+45. [Google Scholar]
- Li, Z.; Li, Z. Topology analysis of anti-misoperation in smart grid dispatching based on fault tree. Electr. Power Equip. Manag. 2024, 24, 57–59. [Google Scholar]
- Schilling, M.T.; Leite da Silva, A.M.; Billington, R.; El-Kady, M.A. Bibliography on power system probabilistic analysis (1962–1988). IEEE Trans. Power Syst. 1990, 5, 1–11. [Google Scholar]
- Shuyong, C.; Huizhu, D.; Xiaomin, B.; Zhou, X. Evaluation of grid connected wind power plants. In Proceedings of the POWERCON’98. 1998 International Conference on Power System Technology, Beijing, China, 18–21 August 1998; pp. 1208–1212. [Google Scholar]
- McKay, M.D.; Beckman, R.J.; Conover, W.J. A comparison of three methods for selecting values of input variables in the analysis of output from a computer code. Technometrics 2000, 42, 55–61. [Google Scholar] [CrossRef]
- Yin, Q. Design and application of smart city internet of things service platform based on fuzzy clustering algorithm. Mob. Inf. Syst. 2022, 2022, 8405306. [Google Scholar] [CrossRef]
- Subcommittee, P.M. IEEE reliability test system. IEEE Trans. Power Appar. Syst. 1979, 6, 2047–2054. [Google Scholar] [CrossRef]










| Serial Number | Operation Content |
|---|---|
| 1 | Disconnect switch B1 |
| 2 | Disconnect switch B2 |
| 3 | Open the knife brake switch D2 |
| 4 | Open the knife brake switch D1 |
| 5 | Open the knife brake switch D3 |
| 6 | Open the knife brake switch D4 |
| Access Status | |||
|---|---|---|---|
| 1 | 0.0343 | 0.1895 | 0.2238 |
| 2 | 0.0307 | 0.1775 | 0.2082 |
| 3 | 0.0272 | 0.1625 | 0.1897 |
| Access Status | |||
|---|---|---|---|
| 1 | 0.0426 | 0.3195 | 0.3621 |
| 2 | 0.0426 | 0.3945 | 0.4371 |
| 3 | 0.0413 | 0.5555 | 0.5968 |
| Access Status | |||
|---|---|---|---|
| 1 | 0.0578 | 0.3963 | 0.4541 |
| 2 | 0.0583 | 0.4864 | 0.5447 |
| 3 | 0.0596 | 0.6254 | 0.6850 |
Disclaimer/Publisher’s Note: The statements, opinions and data contained in all publications are solely those of the individual author(s) and contributor(s) and not of MDPI and/or the editor(s). MDPI and/or the editor(s) disclaim responsibility for any injury to people or property resulting from any ideas, methods, instructions or products referred to in the content. |
© 2025 by the authors. Licensee MDPI, Basel, Switzerland. This article is an open access article distributed under the terms and conditions of the Creative Commons Attribution (CC BY) license (https://creativecommons.org/licenses/by/4.0/).
Share and Cite
Pan, L.; Yang, X.; Yuan, S.; Li, J.; Xue, H. Risk Assessment of New Distribution Network Dispatching Operations Considering Multiple Uncertain Factors. Electronics 2025, 14, 4012. https://doi.org/10.3390/electronics14204012
Pan L, Yang X, Yuan S, Li J, Xue H. Risk Assessment of New Distribution Network Dispatching Operations Considering Multiple Uncertain Factors. Electronics. 2025; 14(20):4012. https://doi.org/10.3390/electronics14204012
Chicago/Turabian StylePan, Lianrong, Xiao Yang, Shangbing Yuan, Jiaan Li, and Haowen Xue. 2025. "Risk Assessment of New Distribution Network Dispatching Operations Considering Multiple Uncertain Factors" Electronics 14, no. 20: 4012. https://doi.org/10.3390/electronics14204012
APA StylePan, L., Yang, X., Yuan, S., Li, J., & Xue, H. (2025). Risk Assessment of New Distribution Network Dispatching Operations Considering Multiple Uncertain Factors. Electronics, 14(20), 4012. https://doi.org/10.3390/electronics14204012
