Research on Non-Contact Low-Voltage Transmission Line Voltage Measurement Method Based on Switched Capacitor Calibration
Abstract
1. Introduction
2. Sensor Principle and Calibration Method
2.1. Fundamental Principles of Capacitive Coupling Measurement
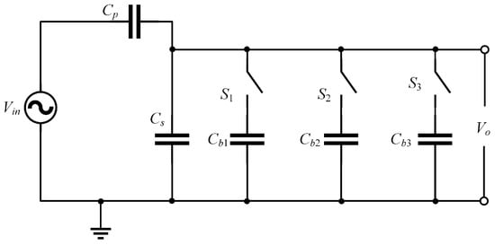
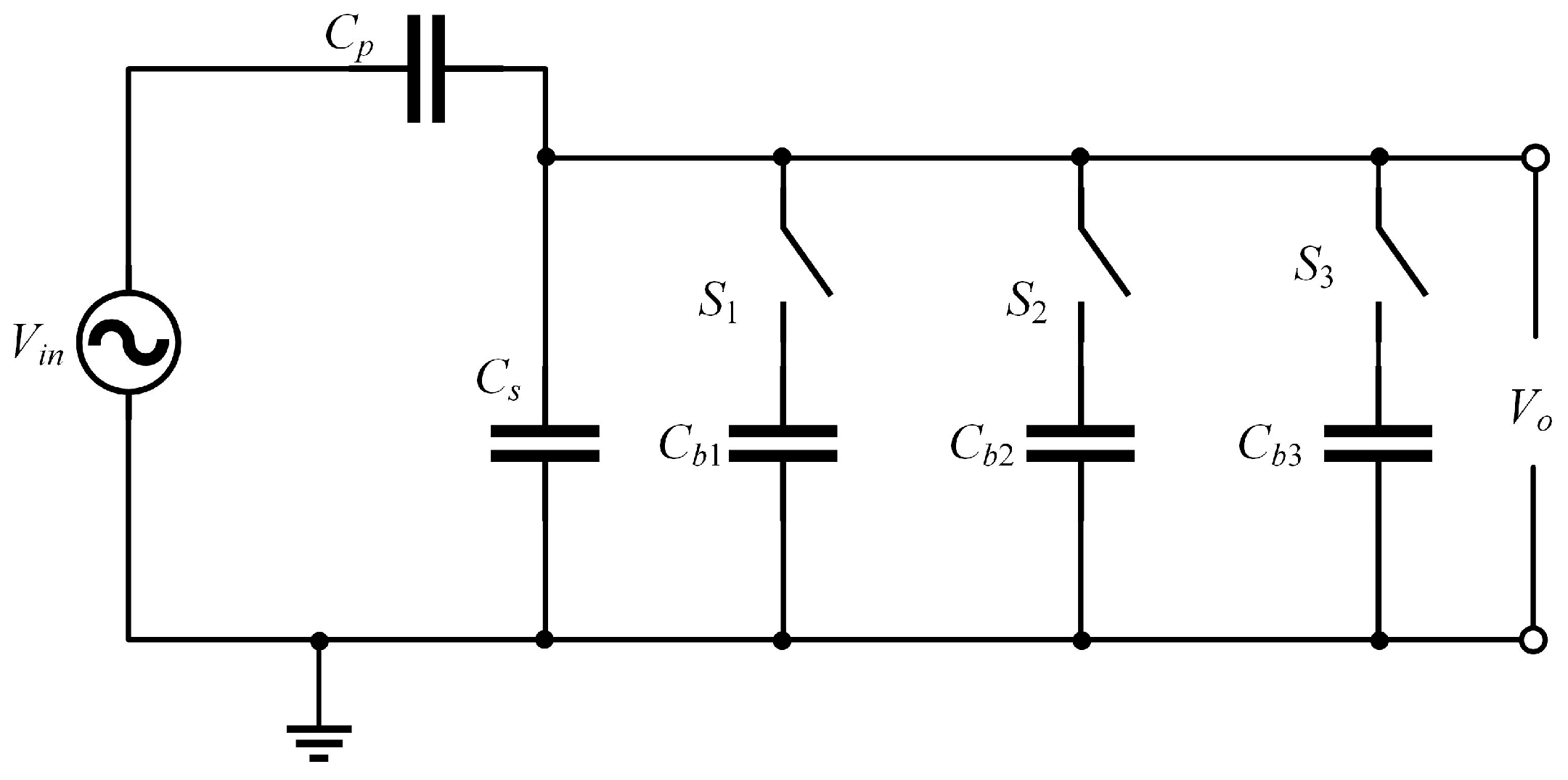
2.2. Principle of Calibration
2.3. Feasibility Analysis of the Calibration Method
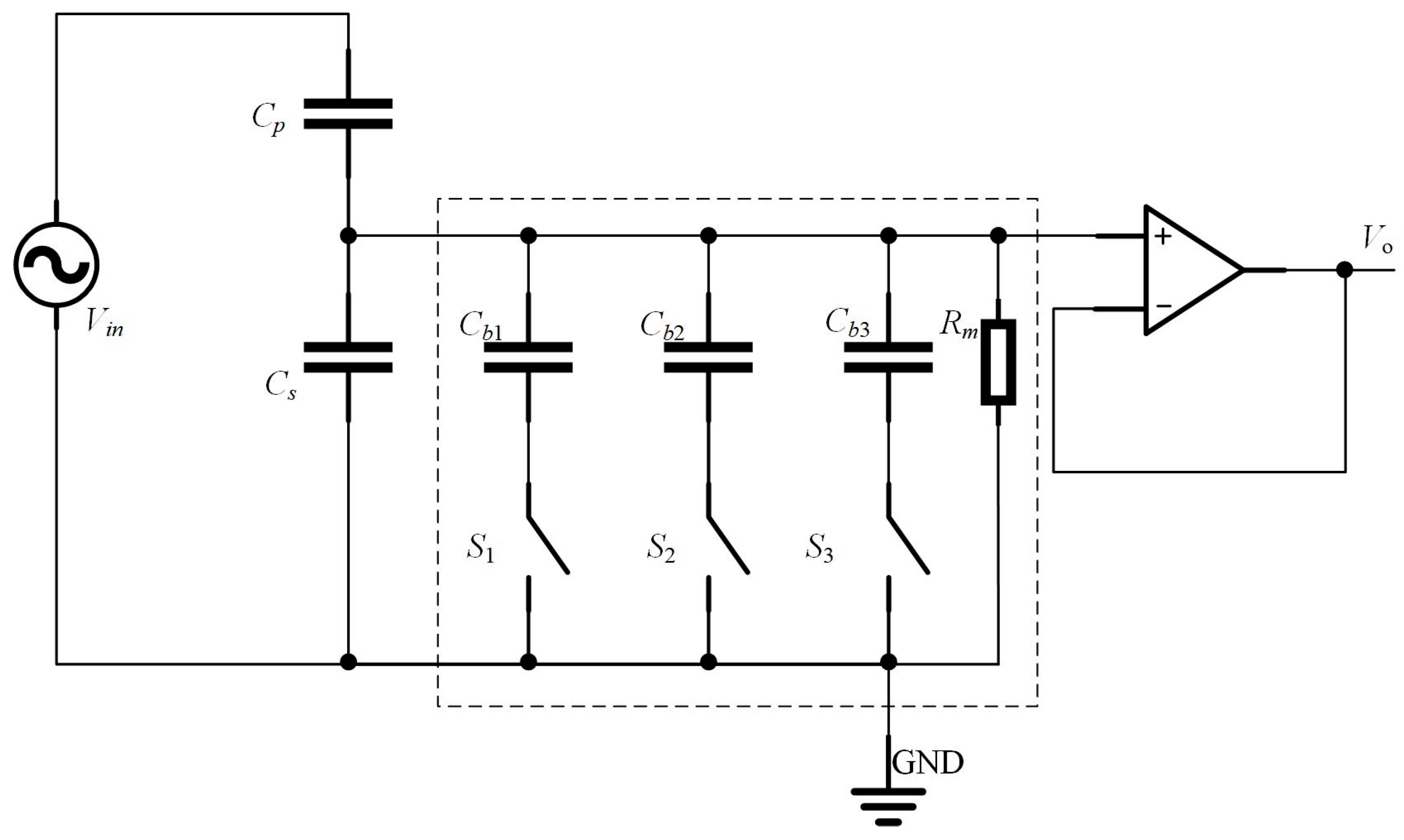
3. Sensor Circuit and Structural Design
3.1. Design of the Probe Structure
3.2. Circuit Design
4. Experimental Testing and Result Analysis
4.1. Experimental Platform Setup
4.2. Capacitor Calibration
4.3. Amplitude Accuracy Test
4.4. Phase Accuracy Test and Bandwidth Measurement
4.5. Anti-Interference and Shielding Performance Test
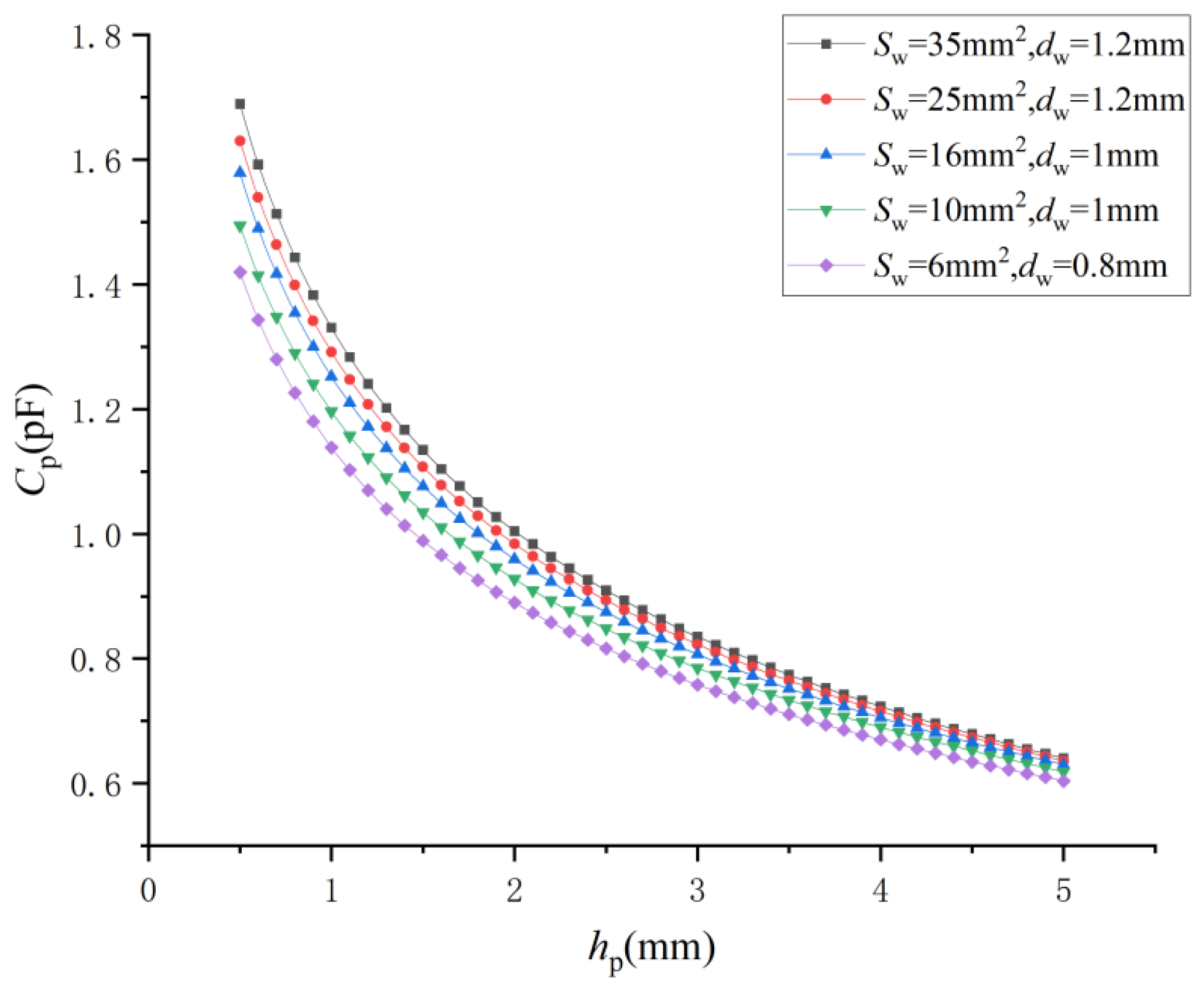
4.6. Wire Diameter Adaptability Test
5. Conclusions
Author Contributions
Funding
Data Availability Statement
Conflicts of Interest
References
- Yang, Q.; Sun, S.; Sima, W.; He, Y.; Luo, M. Progress of advanced voltage/current sensing techniques for smart grid. High Volt. Eng. 2019, 45, 349–367. [Google Scholar] [CrossRef]
- Chen, W.; Zhang, Z.; Li, J.; Wei, C.; Chen, Q. Intelligent sensing technology for power equipment state parameters. Proc. CSEE 2020, 40, 323–342. [Google Scholar] [CrossRef]
- Sun, C. Current Status and Prospects of Online Condition Monitoring and Diagnostic Technologies for Power Transmission and Transformation Equipment. Electr. Power 2005, 1–7. Available online: https://www.zhangqiaokeyan.com/academic-journal-cn_electric-power_thesis/0201232429256.html (accessed on 8 September 2025).
- Chen, J.; Liao, F.; Wang, S.; Lu, Y. Research on the renovation of urban distribution grids based on the development of smart grids. Earthq. Resist. Eng. Retrofit. 2023, 45, 169. [Google Scholar]
- Lu, J. Research on Smart Grid Substation Operation. Light Source Light. 2023, 207–209. Available online: https://d.wanfangdata.com.cn/periodical/gyyzm202305068 (accessed on 8 September 2025).
- Ke, K.; Yang, Q.; Qiu, Z.; Liao, W.; Zhou, J. Review on non-contact voltage/electric field sensors. Hunan Electr. Power 2023, 43, 71–78. [Google Scholar]
- Lu, W.; You, R.; Zhou, Y.; Yuan, H.; You, Z. Non-invasive current monitoring microsystem based on a single TMR sensor. Chin. J. Sci. Instrum. 2020, 41, 1–9. [Google Scholar] [CrossRef]
- Zhou, X.; Wu, X.; Zhou, T.; Luo, Y.; Tian, T.; Li, X.; Ji, S. New topological study of current measurement by TMR sensor array. High Volt. Appar. 2022, 58, 228–236. [Google Scholar] [CrossRef]
- Comprobador Eléctrico T6-1000. Available online: https://www.fluke.com/es-ar/producto/comprobacion-electrica/comprobadores-basicos/fluke-t6-1000 (accessed on 3 August 2025).
- Lawrence, D.; Donnal, J.S.; Leeb, S.; He, Y. Non-Contact Measurement of Line Voltage. IEEE Sens. J. 2016, 16, 8990–8997. [Google Scholar] [CrossRef]
- Liu, F.; Zheng, X. Simulation analysis of induction electrode for non-contact voltage sensor. Electr. Energy Manag. Technol. 2019, 30–33, 44. [Google Scholar] [CrossRef]
- Xing, Y.; Liu, J.; Li, F.; Zhang, G.; Li, J. Advanced Dual-Probes Noncontact Voltage Measurement Approach for AC/DC Power Transmission Wire Based on the Electric Field Radiation Principle. IEEE Trans. Instrum. Meas. 2023, 72, 1–11. [Google Scholar] [CrossRef]
- Zhang, Y.; Ye, Y.; Li, H.; Ziong, S. Differential non-contact voltage measurement based on harmonic injection. Sci. Technol. Eng. 2024, 24, 245–251. [Google Scholar] [CrossRef]
- Haberman, M.A.; Spinelli, E.M. A Noncontact Voltage Measurement System for Power-Line Voltage Waveforms. IEEE Trans. Instrum. Meas. 2020, 69, 2790–2797. [Google Scholar] [CrossRef]
- Shenil, P.S.; George, B. Nonintrusive AC Voltage Measurement Unit Utilizing the Capacitive Coupling to the Power System Ground. IEEE Trans. Instrum. Meas. 2021, 70, 1–8. [Google Scholar] [CrossRef]
- Tsang, K.M.; Chan, W.L. Dual Capacitive Sensors for Non-Contact AC Voltage Measurement. Sens. Actuators A Phys. 2011, 167, 261–266. [Google Scholar] [CrossRef]
- Huang, R.; Zhang, W.; Suo, C. Non-Contact Voltage Measurement of Residential Cables Based on Internal Parameter Conversion and Centering Probe Assistance. Meas. Sci. Technol. 2024, 35, 015024. [Google Scholar] [CrossRef]
- Zhu, K.; Lee, W.K.; Pong, P.W.T. Non-Contact Voltage Monitoring of HVDC Transmission Lines Based on Electromagnetic Fields. IEEE Sens. J. 2019, 19, 3121–3129. [Google Scholar] [CrossRef]
- Zhu, K.; Lee, W.K.; Pong, P.W.T. Non-Contact Capacitive-Coupling-Based and Magnetic-Field-Sensing-Assisted Technique for Monitoring Voltage of Overhead Power Transmission Lines. IEEE Sens. J. 2017, 17, 1069–1083. [Google Scholar] [CrossRef]
- IEC 61000-4-30; Electromagnetic Compatibility (EMC)—Part 4–30: Testing and Measurement Techniques—Power Quality Measurement Methods. International Electrotechnical Commission: Geneva, Switzerland, 2021.
- IEC 60227-4; Polyvinyl Chloride Insulated Cables with Rated Voltages up to and Including 450/750 V—Part 4: Sheathed Cables for Fixed Wiring. International Electrotechnical Commission: Geneva, Switzerland, 2024.



















| Vin (V) | Vo1 (mV) | Vo2 (mV) | Vo3 (mV) | Cp (pF) | Cs (pF) |
|---|---|---|---|---|---|
| 100 | 652 | 330 | 221 | 6.69 | 20.68 |
| 120 | 783 | 397 | 266 | 6.71 | 20.18 |
| 140 | 913 | 463 | 310 | 6.71 | 20.64 |
| 160 | 1040 | 529 | 354 | 6.71 | 20.77 |
| 180 | 1170 | 595 | 398 | 6.71 | 20.21 |
| 200 | 1300 | 661 | 443 | 6.72 | 20.15 |
| 220 | 1430 | 727 | 487 | 6.72 | 20.84 |
| 240 | 1570 | 793 | 531 | 6.68 | 20.10 |
| 260 | 1700 | 859 | 575 | 6.68 | 20.35 |
| 280 | 1830 | 925 | 620 | 6.69 | 20.49 |
| 300 | 1960 | 991 | 664 | 6.69 | 20.55 |
| Parameter | Value (cm) | Parameter | Value (cm) |
|---|---|---|---|
| l1 | 8 | l2 | 6 |
| r1 | 2.5 | r2 | 1.2 |
| a | 8 | b | 5 |
| c | 6 | / | / |
| Parameter | Value | Parameter | Value |
|---|---|---|---|
| Cb1 | 0.94 (nF) | Cb2 | 1.05 (nF) |
| Cb3 | 0.97 (nF) | Rm | 10 MΩ |
Disclaimer/Publisher’s Note: The statements, opinions and data contained in all publications are solely those of the individual author(s) and contributor(s) and not of MDPI and/or the editor(s). MDPI and/or the editor(s) disclaim responsibility for any injury to people or property resulting from any ideas, methods, instructions or products referred to in the content. |
© 2025 by the authors. Licensee MDPI, Basel, Switzerland. This article is an open access article distributed under the terms and conditions of the Creative Commons Attribution (CC BY) license (https://creativecommons.org/licenses/by/4.0/).
Share and Cite
Yang, Y.; Yang, Q.; Shi, H.; You, H.; Jiang, C.; Hu, X.; Li, Y.; Zhang, W. Research on Non-Contact Low-Voltage Transmission Line Voltage Measurement Method Based on Switched Capacitor Calibration. Electronics 2025, 14, 3603. https://doi.org/10.3390/electronics14183603
Yang Y, Yang Q, Shi H, You H, Jiang C, Hu X, Li Y, Zhang W. Research on Non-Contact Low-Voltage Transmission Line Voltage Measurement Method Based on Switched Capacitor Calibration. Electronics. 2025; 14(18):3603. https://doi.org/10.3390/electronics14183603
Chicago/Turabian StyleYang, Yuanhang, Qiaowei Yang, Hengchu Shi, Hao You, Chengen Jiang, Xiao Hu, Yinyin Li, and Wenbin Zhang. 2025. "Research on Non-Contact Low-Voltage Transmission Line Voltage Measurement Method Based on Switched Capacitor Calibration" Electronics 14, no. 18: 3603. https://doi.org/10.3390/electronics14183603
APA StyleYang, Y., Yang, Q., Shi, H., You, H., Jiang, C., Hu, X., Li, Y., & Zhang, W. (2025). Research on Non-Contact Low-Voltage Transmission Line Voltage Measurement Method Based on Switched Capacitor Calibration. Electronics, 14(18), 3603. https://doi.org/10.3390/electronics14183603

