Design and Implementation of Novel DC-DC Converter with Step-Up Ratio and Soft-Switching Technology
Abstract
1. Introduction
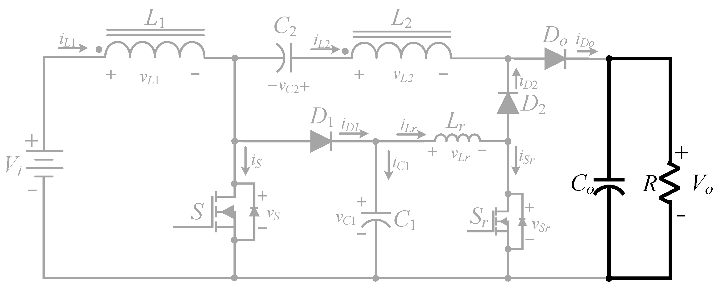
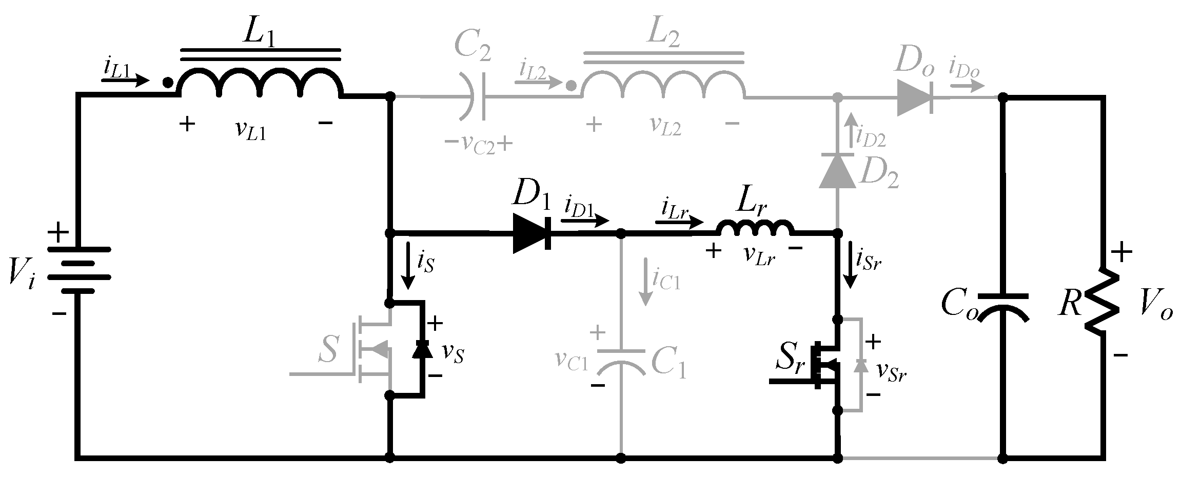
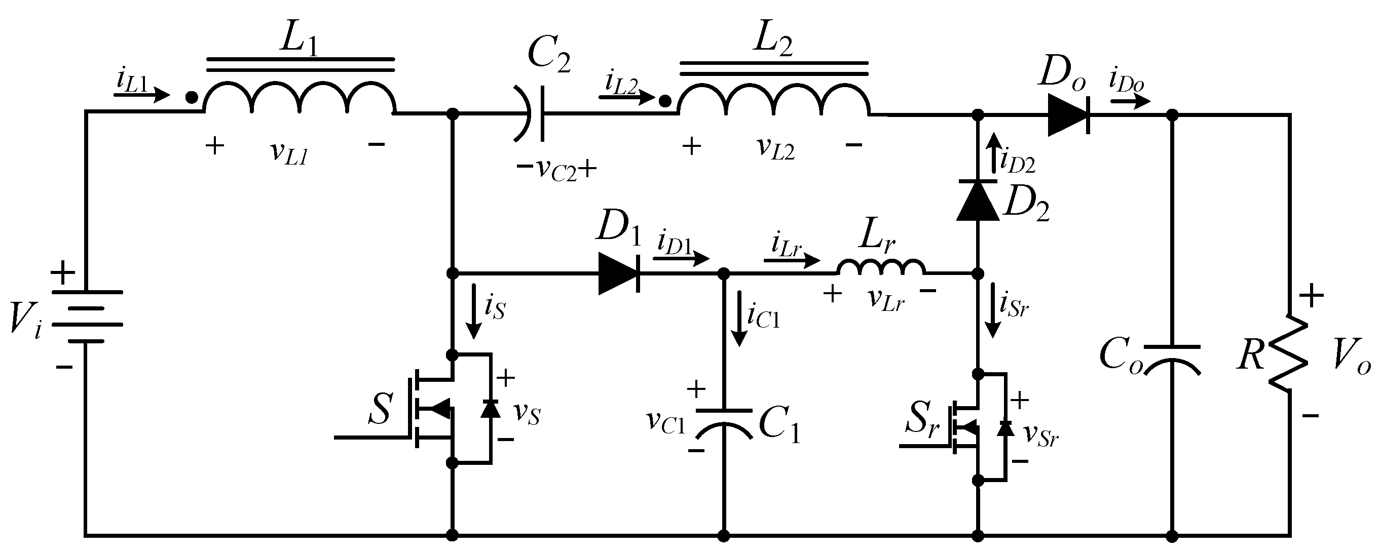
2. The Proposed High-Voltage Boost Ratio Converter
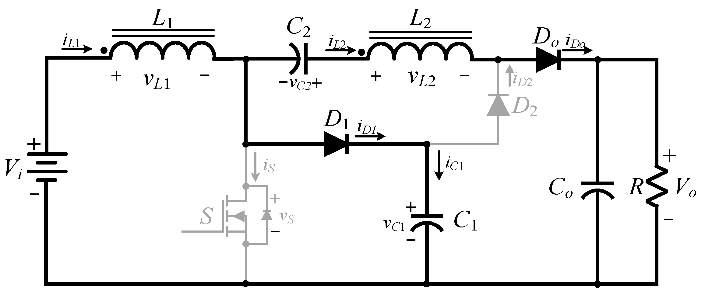
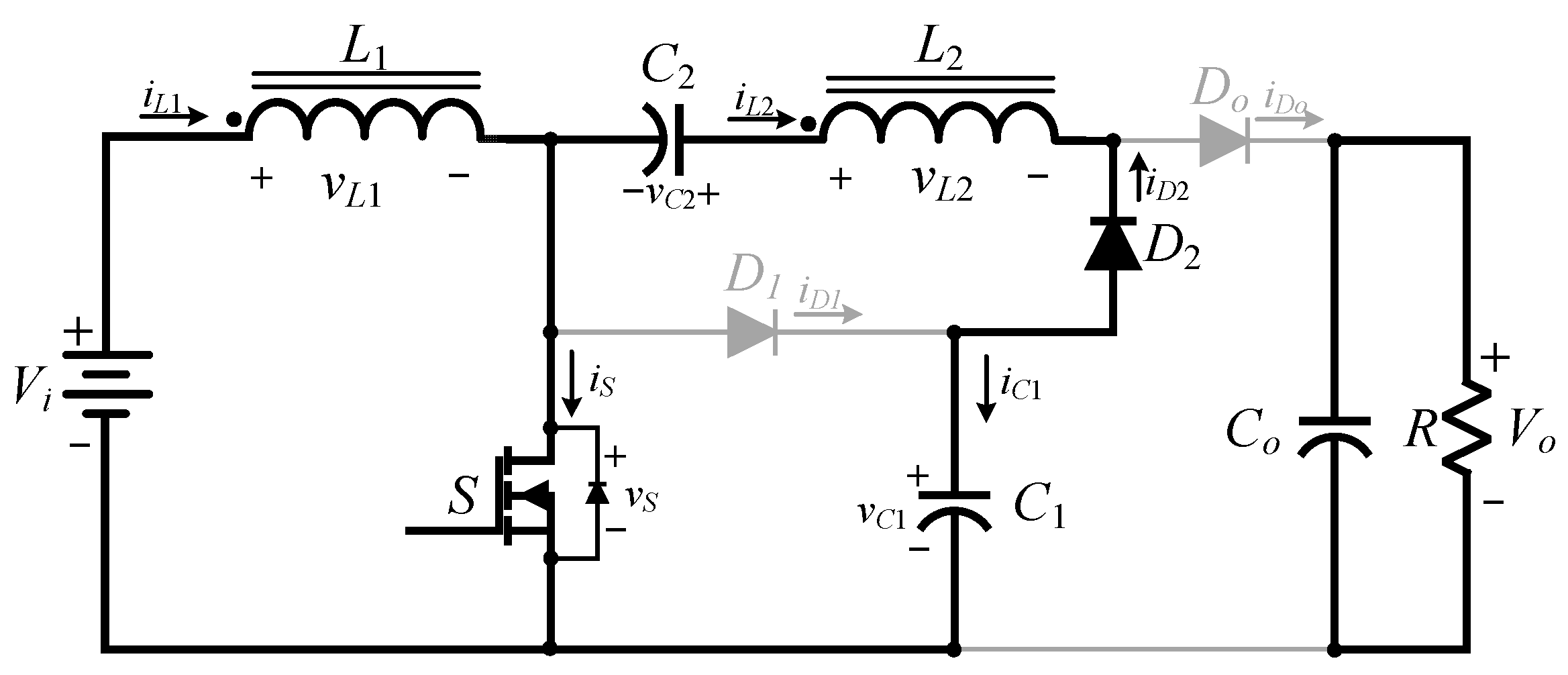
2.1. Operating Principle of the High-Voltage Boost Ratio Hard-Switching Converter
- (1)
- Switch on ()
- (2)
- Switch off ()
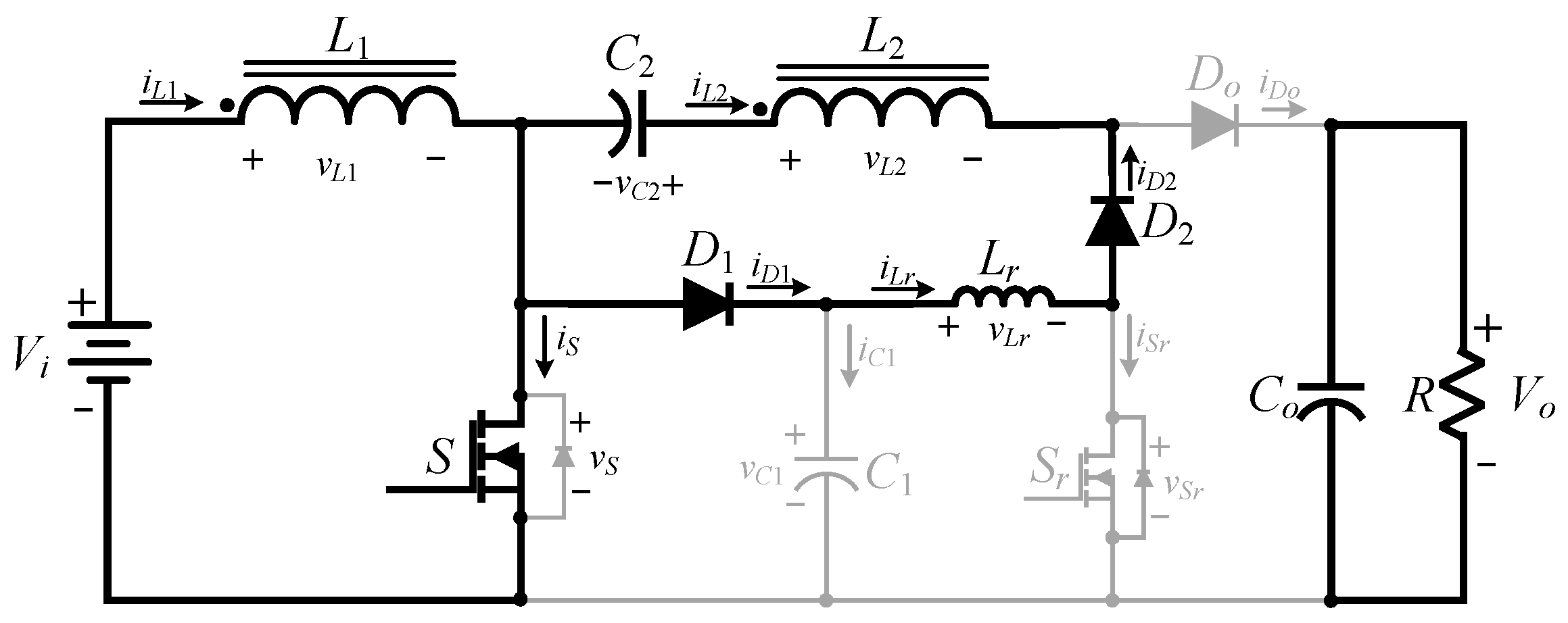
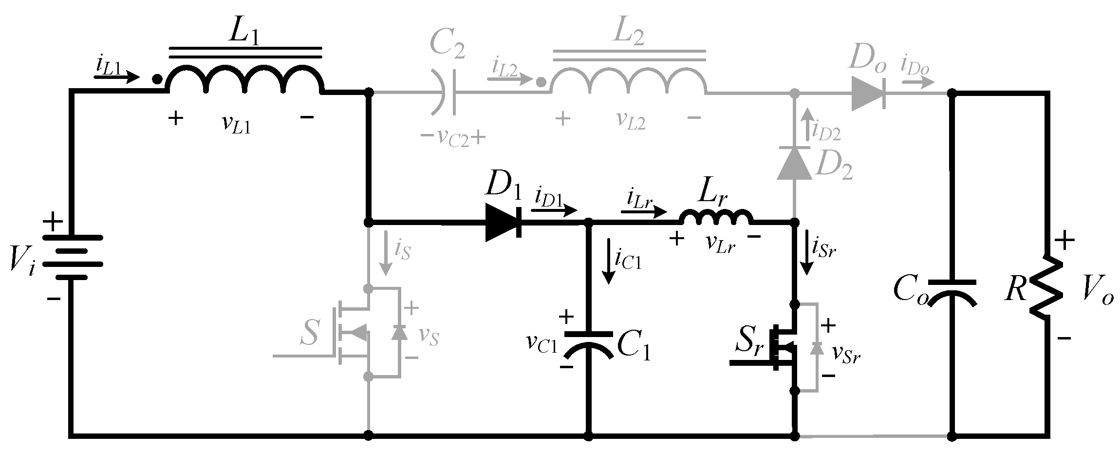
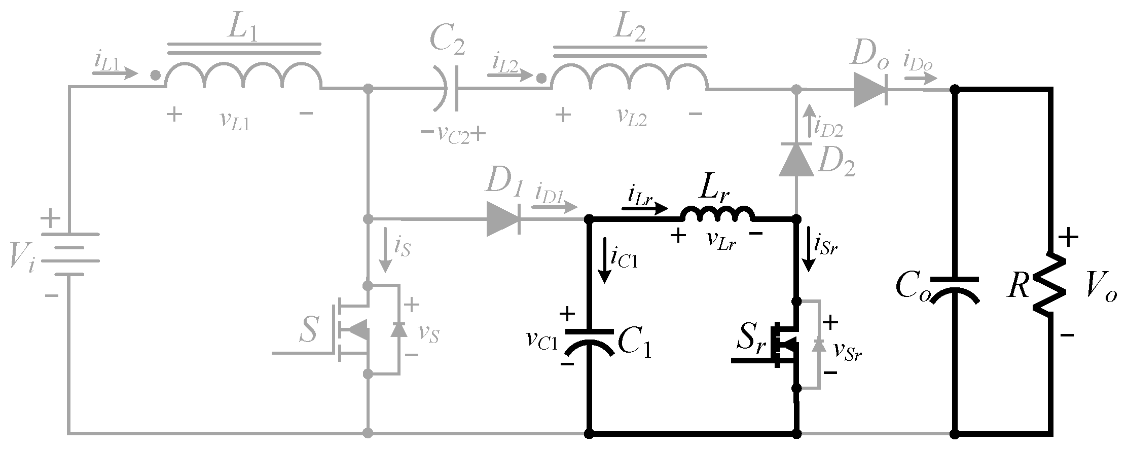
2.2. Operating Principle of High-Voltage Boost Ratio Soft-Switching Converter
- (1)
- The converter operates in continuous conduction mode (CCM), with the circuit assumed to be in a steady-state condition.
- (2)
- All components are assumed to be ideal, meaning that during conduction, they are treated as short circuits, and during cutoff, as open circuits. Consequently, the voltage drop across the switching devices during conduction is considered zero.
- (3)
- The input and output voltages are maintained at constant values.
- (4)
- The currents of energy storage inductors and are considered constant (i.e., and ).
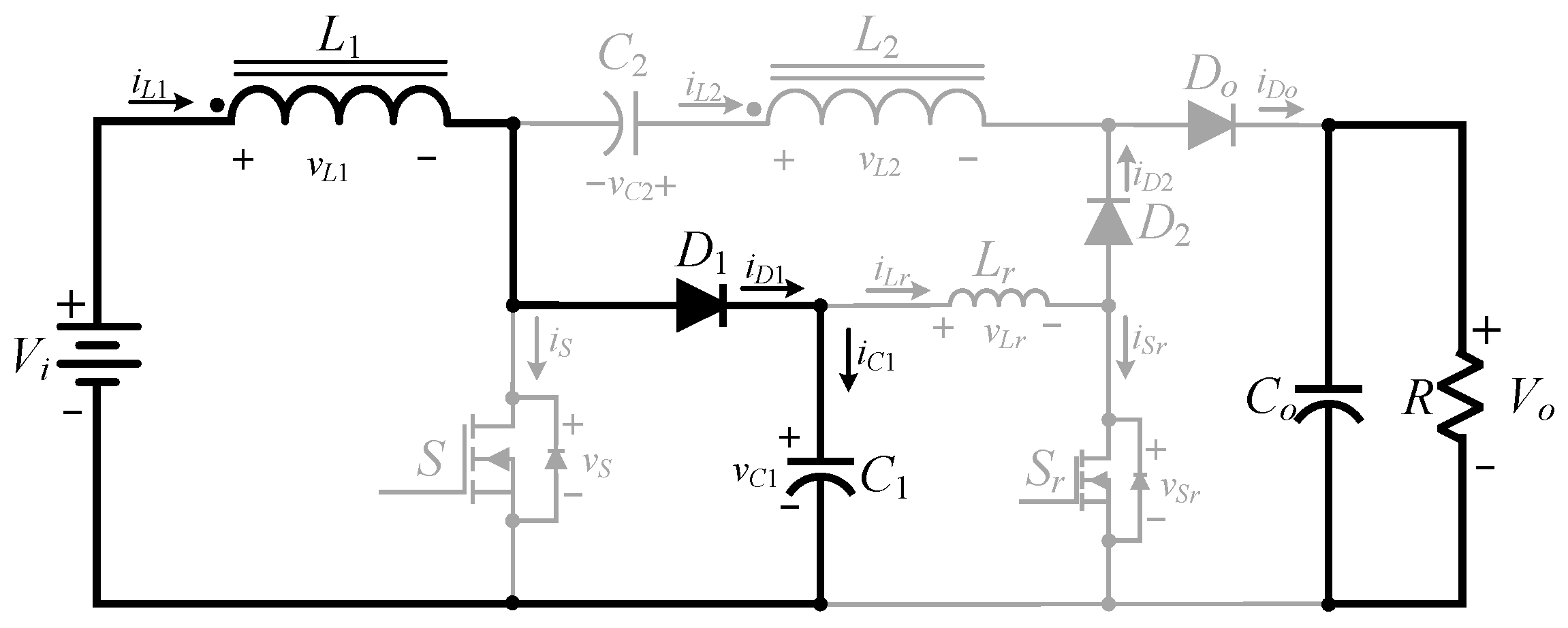
- (1)
- Mode 1 ()
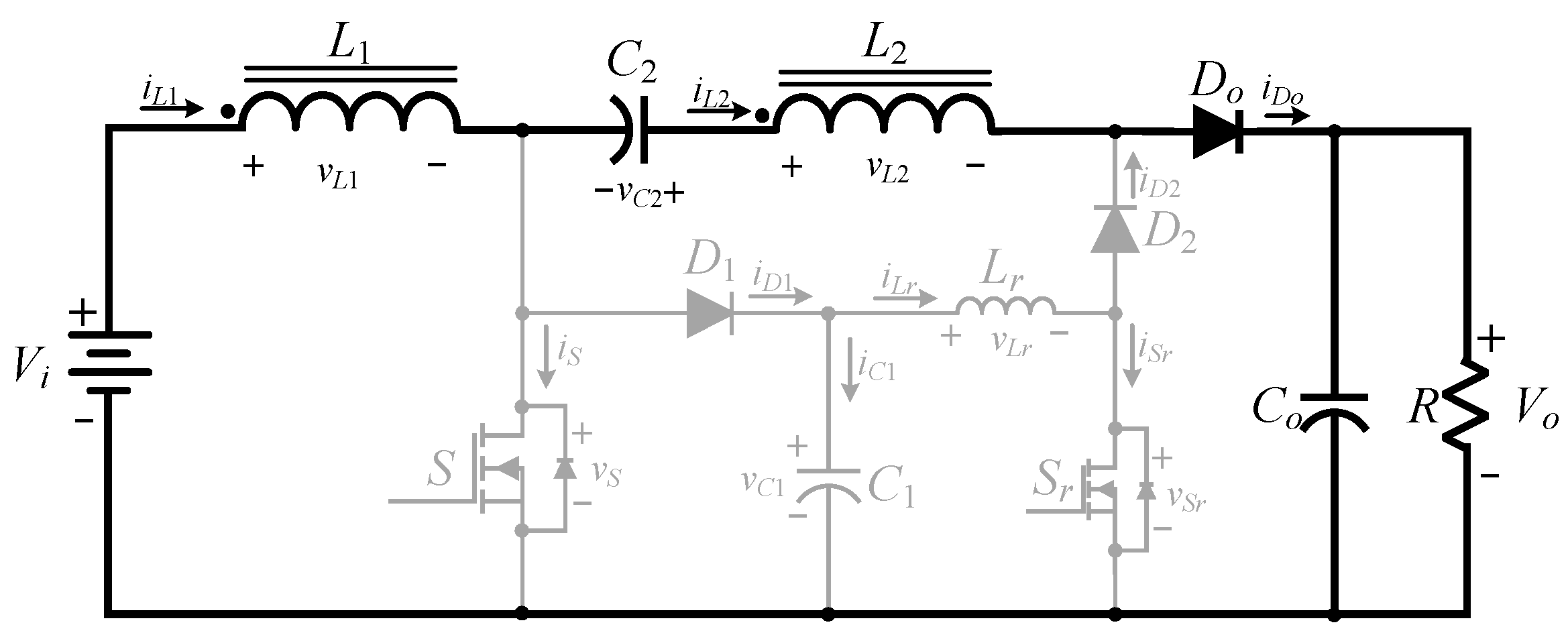
- (2)
- Mode 2 ()
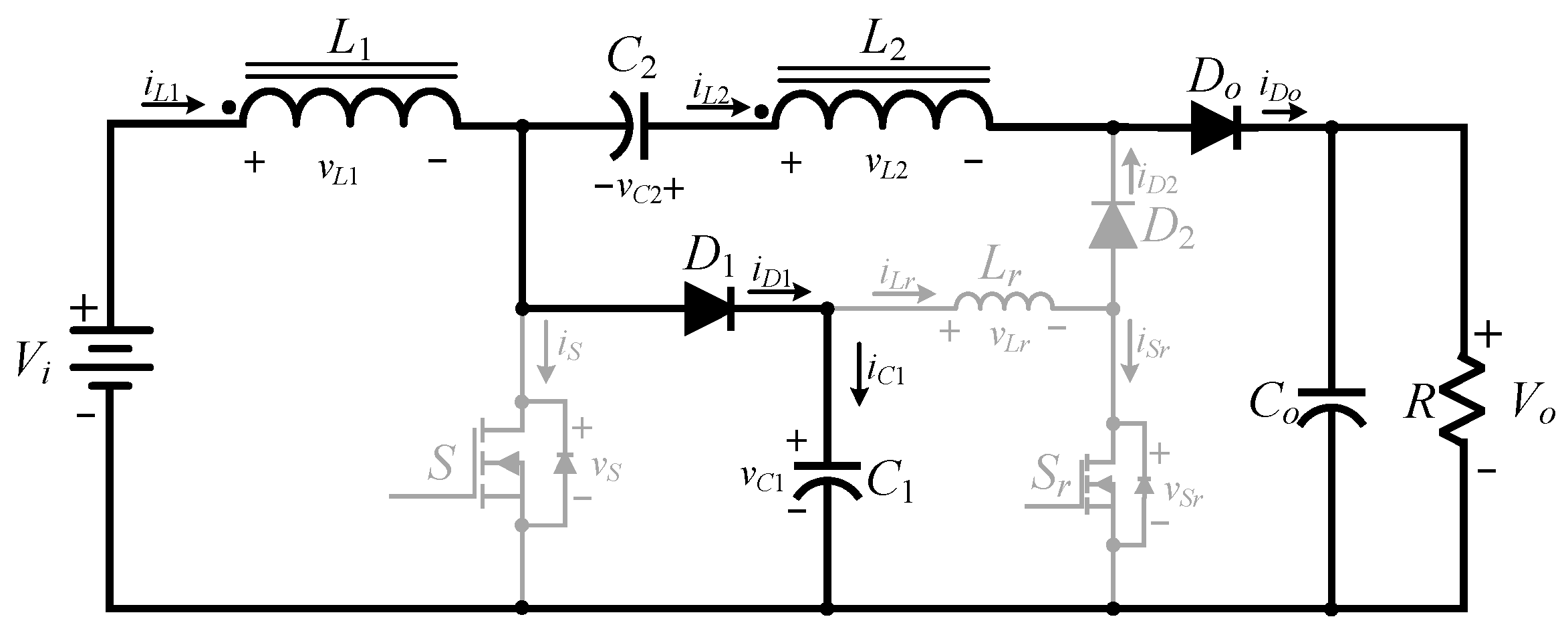
- (3)
- Mode 3 ()
- (4)
- Mode 4 ()
- (5)
- Mode 5 ()
- (6)
- Mode 6 ()
- (7)
- Mode 7 ()
- (8)
- Mode 8 ()
- (9)
- Mode 9 ()
3. The Component Design of the Proposed High-Voltage Boost Ratio Converter
3.1. Design of Coupled Inductors
3.2. Design of Capacitors and
3.3. Design of Resonant Inductor
3.4. The Selection of Main Switch S Auxiliary Switch Sr
4. Simulation Results
5. Experimental Results
6. Conclusions
Author Contributions
Funding
Institutional Review Board Statement
Informed Consent Statement
Data Availability Statement
Conflicts of Interest
Nomenclature
| Acronyms | |
| ZVS | zero-voltage switching |
| DC | direct current |
| AC | alternating current |
| CCM | continuous conduction mode |
| EMI | electromagnetic interference |
| Symbols | |
| input voltage | |
| output voltage | |
| input power | |
| output power | |
| duty cycle between [0;1] | |
| switching period of converter | |
| switch conduction time within one cycle | |
| switch off time within one cycle | |
| delay time | |
| additional time delay | |
| operating time of auxiliary switch | |
| turns ratio of coupling inductor | |
| , | number of turns in first and second coils |
| conversion ratio of high-voltage ratio soft-switching converter | |
| switching frequency | |
| main switch | |
| current through main switch S | |
| voltage across main switch S | |
| auxiliary switch | |
| current through auxiliary switch Sr | |
| voltage across auxiliary switch Sr | |
| , | primary side and secondary side of coupled inductor |
| , | current through primary and secondary sides of coupled inductor |
| , | constant current through primary and secondary sides of coupled inductor |
| , | voltage across primary and secondary sides of coupled inductor |
| resonant inductor | |
| current through resonant inductor Lr | |
| voltage across resonant inductor Lr | |
| ,, | fast diodes |
| ,, | current through fast diodes , and |
| filter capacitor | |
| resonant capacitor | |
| current through resonant capacitor | |
| voltage across resonant capacitor | |
| energy storage capacitor | |
| current through energy storage capacitor | |
| voltage across energy storage capacitor | |
| output load | |
| resonance impedance | |
| resonance frequency |
References
- Hart, D.W. Introduction to Power Electronics, 2nd ed.; Pearson Educ. Taiwan Ltd.: Taipei, Taiwan, 2002; pp. 211–220. [Google Scholar]
- Kumar, M.; Panda, G.; Rao K, D.V.S.K. Analysis of Conventional and Interleaved Boost Converter with Solar Photovoltaic System. In Proceedings of the International Conference on Intelligent Controller and Computing for Smart Power (ICICCSP), Hyderabad, India, 21–23 July 2022; pp. 1–6. [Google Scholar]
- Masum, S.M.; Louiza, K. Study on the Effects of Dynamic Partial Shading on PV DC-DC Boost and Super-lift Luo Converter. In Proceedings of the Conference on Renewable Energy Technologies and Modern Communications Systems: Future and Challenges, Shaqra, Saudi Arabia, 11–12 December 2024; pp. 1–6. [Google Scholar]
- Sathyan, S.; Suryawanshi, H.M.; Ballal, M.S.; Shitole, A.B. Soft-switching DC–DC Converter for Distributed Energy Sources with High Step-up Voltage Capability. IEEE Trans. Ind. Electron. 2015, 62, 7039–7050. [Google Scholar] [CrossRef]
- Hassan, W.; Soon, J.L.; Lu, D.D.; Xiao, W. A High Conversion Ratio and High-efficiency Bidirectional DC–DC Converter with Reduced Voltage Stress. IEEE Trans. Power Electron. 2020, 35, 11827–11842. [Google Scholar] [CrossRef]
- Zheng, Y.; Brown, B.; Xie, W.; Li, S.; Smedley, K. High Step-up DC–DC Converter with Zero Voltage Switching and Low Input Current Ripple. IEEE Trans. Power Electron. 2020, 35, 9426–9429. [Google Scholar] [CrossRef]
- Panchal, S.; Kulkarni, R.D.; Raja, M.K.; Nataraj, J. Design, Simulation and Hardware Implementation of Soft Switching based Induction Heating System. In Proceedings of the 6th International Conference for Convergence in Technology (I2CT), Maharashtra, India, 2–4 April 2021; pp. 1–7. [Google Scholar]
- Luo, P.; Liang, T.J.; Chen, K.H.; Chen, S.M. High Step-up DC–DC Converter with Active Switched Inductor and Voltage Doubler Based on Three-winding Coupled Inductor. In Proceedings of the IEEE Applied Power Electronics Conference and Exposition (APEC), Houston, TX, USA, 20–24 March 2022; pp. 731–736. [Google Scholar]
- Zaoskoufis, K.; Tatakis, E.C. An Improved Boost-based DC/DC Converter with High-voltage Step-up Ratio for DC Microgrids. IEEE J. Emerg. Sel. Topics Power Electron. 2021, 9, 1837–1853. [Google Scholar] [CrossRef]
- Santra, S.B.; Chatterjee, D.; Siwakoti, Y. Coupled Inductor Based Soft Switched High Gain Bidirectional DC–DC Converter with Reduced Input Current Ripple. IEEE Trans. Ind. Electron. 2023, 70, 1431–1443. [Google Scholar] [CrossRef]
- Yang, F.; Li, C.; Cao, Y.; Yao, K. Two-phase Interleaved Boost PFC Converter with Coupled Inductor under Single-phase Operation. IEEE Trans. Power Electron. 2020, 35, 169–184. [Google Scholar] [CrossRef]
- He, L.; Zheng, Z.; Guo, D. High Step-up DC–DC Converter with Active Soft-switching and Voltage-clamping for Renewable Energy Systems. IEEE Trans. Power Electron. 2018, 33, 9496–9505. [Google Scholar] [CrossRef]
- Powersim. PSIM User Manual, January 2023. Available online: https://www.slideshare.net/wildersamocastillo/manual-psim#27 (accessed on 30 April 2025).
- Texas Instruments. TMS320F2809 Datasheet, September 2022. Available online: https://www.ti.com/lit/ds/symlink/tms320f2809.pdf (accessed on 30 April 2025).
- Chao, K.H.; Huang, B.Z.; Jian, J.J. An Energy Storage System Composed of Photovoltaic Arrays and Batteries with Uniform Charge/Discharge. Energies 2022, 15, 2883. [Google Scholar] [CrossRef]
- Narasimharaju, B.L.; Dubey, S.P.; Singh, S.P. Coupled Inductor Bidirectional DC–DC Converter for Improved Performance. In Proceedings of the International Conference on Industrial Electronics, Control and Robotics, Kakinada, India, 27–29 December 2010; pp. 1–5. [Google Scholar]
- Waradzyn, Z.; Stala, R.; Mondzik, A.; Skała, A.; Penczek, A. GaN-based DC-DC Resonant Boost Converter with Very High Efficiency and Voltage Gain Control. Energies 2020, 13, 6403. [Google Scholar] [CrossRef]
- Mishima, T.; Shimizu, S.; Lai, C.M. MHz-driving Current-fed Snubber-less ZCS Multi-resonant DC-DC Converter with High Step-up Voltage Ratio. In Proceedings of the IEEE Applied Power Electronics Conference and Exposition (APEC), Orlando, FL, USA, 19–23 March 2023; pp. 476–483. [Google Scholar]






























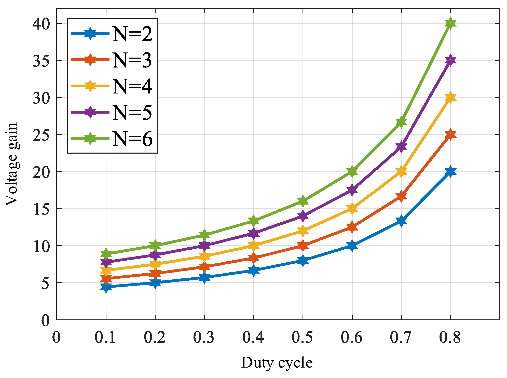
| Turns Ratio | N = 2 | N = 3 | N = 4 | N = 5 | N = 6 | |
|---|---|---|---|---|---|---|
| Duty Cycle | ||||||
| D = 0.1 | G = 4.4 | G = 5.6 | G = 6.7 | G = 7.8 | G = 8.9 | |
| D = 0.2 | G = 5 | G = 6.3 | G = 7.5 | G = 8.8 | G = 10 | |
| D = 0.3 | G = 5.7 | G = 7.1 | G = 8.6 | G = 10 | G = 11.4 | |
| D = 0.4 | G = 6.7 | G = 8.3 | G = 10 | G = 11.7 | G = 13.3 | |
| D = 0.5 | G = 8 | G = 10 | G = 12 | G = 14 | G = 16 | |
| D = 0.6 | G = 10 | G = 12.5 | G = 15 | G = 17.5 | G = 20 | |
| D = 0.7 | G = 13.3 | G = 16.7 | G = 20 | G = 23.3 | G = 26.7 | |
| D = 0.8 | G = 20 | G = 25 | G = 30 | G = 35 | G = 40 | |
| Converter Topology | Converter in [4] | Converter in [5] | Converter in [6] | Converter in [12] | Proposed Converter |
|---|---|---|---|---|---|
| Voltage Gain | |||||
| Voltage Stress on MOSFETs | |||||
| MOSFETs | 2 | 4 | 2 | 2 | 2 |
| Diodes | 3 | 0 | 2 | 3 | 3 |
| Inductors | 1 | 1 | 2 | 2 | 2 |
| Capacitors | 4 | 4 | 4 | 3 | 3 |
| Parameter | Value |
|---|---|
| Input Voltage Vi | 72 V 10% |
| Output Voltage Vo | 430 V |
| Output Power Po | 340 W |
| Switching Frequency f | 25 kHz |
| Turns Ratio of Coupling Inductor N | 2 |
| Component | Specifications |
|---|---|
| Coupled Inductor L1 | 127 μH |
| Resonant Inductor Lr | 18 μH |
| Main Switch S | MOSFET-TK49N65W (650 V/49 A) |
| Auxiliary Switch Sr | MOSFET-TK49N65W (650 V/49 A) |
| Fast Diodes (Do, D1, D2) | IQBD30E60A1 (600 V/30 A) |
| Filtering Capacitor Co | 340 μF/900 V |
| Resonant Capacitor C1 | 0.33 μF/400 V |
| Energy Storage Capacitor C2 | 0.33 μF/600 V |
Disclaimer/Publisher’s Note: The statements, opinions and data contained in all publications are solely those of the individual author(s) and contributor(s) and not of MDPI and/or the editor(s). MDPI and/or the editor(s) disclaim responsibility for any injury to people or property resulting from any ideas, methods, instructions or products referred to in the content. |
© 2025 by the authors. Licensee MDPI, Basel, Switzerland. This article is an open access article distributed under the terms and conditions of the Creative Commons Attribution (CC BY) license (https://creativecommons.org/licenses/by/4.0/).
Share and Cite
Chao, K.-H.; Bau, T.-T.-T. Design and Implementation of Novel DC-DC Converter with Step-Up Ratio and Soft-Switching Technology. Electronics 2025, 14, 3335. https://doi.org/10.3390/electronics14163335
Chao K-H, Bau T-T-T. Design and Implementation of Novel DC-DC Converter with Step-Up Ratio and Soft-Switching Technology. Electronics. 2025; 14(16):3335. https://doi.org/10.3390/electronics14163335
Chicago/Turabian StyleChao, Kuei-Hsiang, and Thi-Thanh-Truc Bau. 2025. "Design and Implementation of Novel DC-DC Converter with Step-Up Ratio and Soft-Switching Technology" Electronics 14, no. 16: 3335. https://doi.org/10.3390/electronics14163335
APA StyleChao, K.-H., & Bau, T.-T.-T. (2025). Design and Implementation of Novel DC-DC Converter with Step-Up Ratio and Soft-Switching Technology. Electronics, 14(16), 3335. https://doi.org/10.3390/electronics14163335

