Abstract
A grid-connected converter is the interface between renewable energy power generation systems, such as solar power generation, wind power, hydropower, etc., and the power grid, responsible for the stable and efficient transmission of electric energy generated by renewable energy power generation systems to the grid. In order to realize local access for distributed photovoltaic power generation devices and energy storage devices, a composite three-port converter has the advantages of small size, low cost and high power density compared with a combined three-port converter. In view of the current problems of the existing compound three-port (AC/DC/DC) converters, such as DC and AC circulating current in current composite three-port converters and the harmonic control problem, the proposed compound three-port topology consists of a full-bridge inverter with six switching tubes, a zigzag transformer, two sets of filter inductors and two filter capacitors. Among them, the power frequency transformer adopts the zigzag connection method, which can effectively restrain the AC circulation and eliminate the DC magnetic flux of the iron core while introducing the third port. Firstly, the principle of AC/DC and DC/DC power conversion in the composite three-port topology is analyzed, which has higher efficiency than other topologies. Secondly, the topology control strategy is analyzed, and a two-loop hybrid current control method with improved current loop is proposed. When the DC-side voltage fluctuates, the DC offset of the battery can effectively improve the stability of the network side. Through the MATLAB/Simulink simulation experiment platform, the high efficiency of energy conversion and stable grid-connected operation characteristics are verified. Finally, the experiment of integrating into the power grid was carried out. Experiments were used to verify the effectiveness and feasibility of the proposed topology and strategy. The experimental results show that Total Harmonic Distortion (THD) can be controlled below 3%.
1. Introduction
Centralized renewable energy power generation systems mainly include hydraulic power plants, wind power plants and photovoltaic power generation, which have the characteristics of intermittency and randomness of output. In order to cope with the resulting grid voltage fluctuations and power quality reduction [1] and improve the flexibility of the photovoltaic power generation system [2], the power regulation role of the energy storage system has become more prominent [3]. Large-scale photovoltaic grid-connected systems use the multi-port characteristics of photovoltaic grid-connected inverters to disperse centralized energy storage components nearby, which can greatly reduce the amount of power electronic components use and improve the reliability of the energy storage system [4]. Three-port converters are divided into topological combined three-port converters and topological compound three-port converters according to topology generation methods [5]. The former is formed by adding corresponding topology and switching tubes, and has the advantages of independent control of each port [6,7]. The latter is formed based on device multiplexing and topology fusion, and has the advantages of fewer devices and higher efficiency compared with the combined topology [8]. In the existing research on the composite three-port topology, an AC/DC1/DC2 three-port topology is formed by drawing AC ports from the midpoints of the two arms of an interlocking Buck/Boost full-bridge converter, which can realize the high-efficiency grid-connection of two kinds of DC sources. Compared to the combined three-port converter, it can efficiently utilize the DC-side energy storage device for grid-connected power support [9]. Therefore, this topology can be used as the topology of photovoltaic grid-connected composite energy storage converter. In the literature, photovoltaic grid-connection is realized using this topology, but there is an AC circulation loop in it, which increases the loss of the switching tube. To suppress the circulation, the Boost inductor needs to be replaced by a larger common mode inductor [10,11]. For the three-phase power grid, the Boost inductor is replaced by a three-phase transformer, and the neutral point is used as the third port, so that the electrical isolation between the low-voltage port and the AC power grid can be realized, and the high resistance generated by the closure of the magnetic circuit can be suppressed in the internal circulation of the winding [12]. However, the DC current output of the third port will produce DC flux in the transformer, which can easily cause a saturation phenomenon of the magnetic core in the AC current half-cycle wave, and then produce larger harmonics [13]. In the literature, a three-winding transformer is introduced to realize the functions of DC flux elimination in the transformer core and DC power output in a wide range, but this topology requires two symmetrical full-bridge inverters. The literature [14,15] proposed the use of a zigzag transformer to suppress the DC flux component in the iron core and harmonics in the power grid for the combined multi-port topology [16]. Based on the above ideas, aiming at the circulation problem, this paper starts from the full-bridge converter topology, combines the Boost inductor with the three-phase isolation transformer by introducing a zigzag transformer and further connects the DC port from the neutral point of the zigzag winding on the secondary side to the photovoltaic array, forming an AC/DC/DC composite three-port optical storage grid-connected converter. The topology uses a zigzag transformer to suppress the circulation and the direct current magnetization of the core, and the usage of the topology device is equal to that of the three-phase full-bridge converter. To address the instability effects in energy storage systems, the introduction of a DC offset based on hybrid current dual-loop control can effectively mitigate the impact of DC-side oscillations compared to traditional control strategies.
This paper focuses on the proposed topology, first analyzing the principles of AC/DC and DC/DC conversion. Subsequently, the topology control strategy is examined, and a dual-loop hybrid voltage control method incorporating an improved DC voltage loop is proposed. Finally, the effectiveness and feasibility of the proposed topology and control strategy are validated through MATLAB (version number 2022b)/Simulink simulation software(version number 2202b) and grid-connected experiments.
2. Topology and Principle of Composite Three-Port Optical Storage Grid-Connected Converter
2.1. Converter Topology
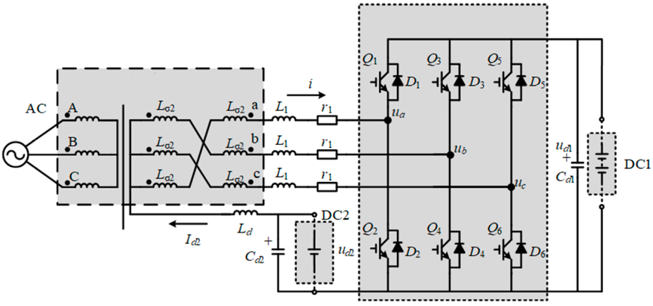
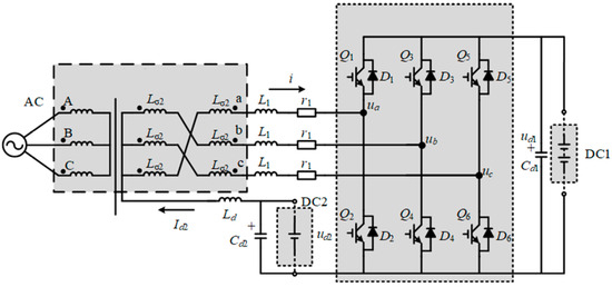
With the rapid development of renewable energy technology, in the converter technology of new energy grid-connected systems, the topology of an optical storage grid-connected converter has better power interaction than that of a traditional grid-connected converter. By integrating energy management units, the composite three-port photovoltaic energy storage converter can simultaneously complete the power regulation among the AC power grid, photovoltaic cells and energy storage devices, thereby realizing multiple power coordination control among these three. Compared with the traditional dual-port grid-connected device, the distributed energy can complete the grid-connected operation more efficiently, and this measure can effectively reduce the impact of grid-connected inverters on the AC power grid. The composite three-port optical storage converter topology is shown in Figure 1, which is composed of photovoltaic cells, grid-connected converters and battery energy storage devices. The topology transformer adopts a multi-winding transformer with zigzagging connection method, and extends a third port from the secondary winding to connect the photovoltaic cell energy storage module. The second port is connected to the battery energy storage device through the inverter. Thus, the composite three-port photovoltaic energy storage converter topology as shown in Figure 1 is formed.
Figure 1.
Composite three-port structure block diagram.
In Figure 1, L1 is the equivalent inductance on the grid side of the three-phase inverter, and r1 is the equivalent resistance. The three-phase full-bridge inverter part contains six IGBTs; C1 and C2 are DC port filter capacitors; upv is photovoltaic DC voltage; ud is DC voltage; L2 is the neutral DC filter inductor. The AC end is the three-phase power grid port, and the DC end is the inverter DC port.
2.2. Zigzag Transformer
Compared with the traditional transformer connection, the zigzag-type transformer has the following advantages: (1). The zigzag-type winding makes the current on both sides of the phase different by 30° through the phase dislocation design, which can effectively offset the zero sequence harmonics such as the 3rd and 9th order, and reduce the total harmonic distortion rate (THD) of the system. In the photovoltaic grid-connected system, the pollution of the grid caused by the high-frequency harmonics introduced by the inverter switch can be reduced. (2). Zigzag-type transformers can improve the AC power grid three-phase imbalance problem; given the transformer zero sequence current compensation in the distribution network, a zigzag-type transformer can be used as a ground transformer, providing low impedance to absorb zero sequence current, so as to balance the three-phase voltage, alleviating the voltage asymmetry caused by single-phase load. (3). The zigzag transformer has flexible multi-port integration simplified topology. In the composite three-port converter, only one zigzag transformer can achieve AC/DC/DC multi-energy interface coupling; compared with the traditional combined scheme, the volume is reduced by 30% to 40%, which can effectively improve the power density. (4). Compared with the traditional transformer connection method, the use of a zigzagging transformer in the combined multi-port converter topology can effectively suppress the DC magnetic flux component in the winding core and the harmonics of the power grid. Through the symmetrical design of magnetic circuit, the zigzagging transformer can offset the DC component in the winding when the DC bias fault occurs, so as to avoid the magnetic flux deviation of the core, and achieve the purpose of enhancing the reliability of the hybrid system with battery units.
The topology structure of the zigzagging transformer is shown in Figure 2, which is composed of one primary-side winding and two secondary-side windings with the same number of turns. The secondary winding uses the zigzag connection method, so that the current on both sides has a 30° phase difference, and the quantitative relationship between the primary-side voltage phasor E1 and the secondary-side voltage phasor E2 can be expressed as follows:
Figure 2.
Zigzag transformer winding structure block diagram.
2.3. Working Principle
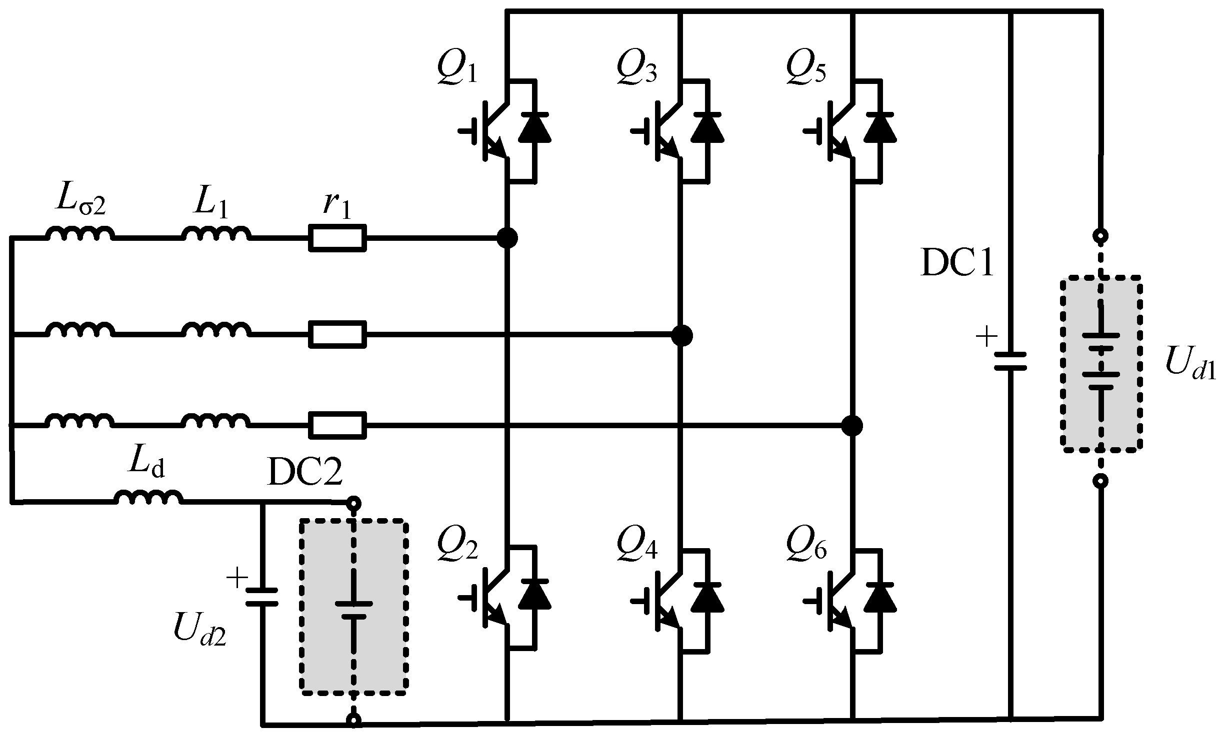
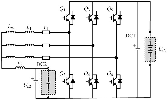
The compound three-port energy storage converter adopts a dual power loop topology, and its energy interaction system consists of two power loops, which comprise an AC/DC power loop and DC/DC power loop. The AC/DC power loop realizes the energy interaction between the AC power grid and the DC side through the three-phase bridge inverter in the topology structure. The AC port is connected to the DC port, as shown in Figure 3; meanwhile, the DC/DC power loop forms the DC/DC power loop of the Boost topology through the AC port and the negative electrode on the DC side, as shown in Figure 4. Based on the connection between the two power loops and the zigzag transformer of the compound three-port energy storage converter proposed in this paper, the principle analysis and modeling are carried out. According to the IEC62751 standard, the switching loss generated by the voltage type converter is proposed to use the IGBT module of model FF200R17KE3, with rated voltage and current of 1700 V/200 A and operating frequency of 5 kHz.
Figure 3.
AC/DC circuit structure diagram.
Figure 4.
DC/DC circuit structure diagram.
2.4. AC/DC Power Loop
The simplified schematic diagram of the AC/DC power loop is shown in Figure 3, where e is the AC voltage converted from the grid to the secondary side, i is the AC component of the current flowing to the inverter and u is the AC component of the voltage at the AC port of the inverter. The AC loop equation in the rotating coordinate system can be expressed as Equation (1):
In the above equation, e~d and e~q are the voltage components of the secondary-side ports of the transformer in the dq coordinate system; u~d and u~d are the voltage components of the inverter port in dq coordinate system; i~d and i~q are the components of AC current flowing into the inverter in dq coordinate system; rσ is the total resistance of the transformer converted to the secondary side; Lσ is the total leakage inductance of the transformer converted to the secondary side; ω is the electrical angular velocity. Ignoring the resistance, the power flow of the AC/DC transformation can be expressed as Equation (2).
2.5. DC/DC Power Loop
The circuit is composed of three Boost inductors and the inverter H bridge, and the circuit diagram is shown in Figure 4. u- indicates the average DC component of the output voltage of the inverter and uPV indicates the DC voltage of the photovoltaic power generation. As shown in Figure 4, the P-power flow expression of DC/DC transformation is shown in Equation (3).
The state equation of the DC loop can be expressed as Equation (4).
In Equation (4), R2 is the total resistance of the DC circuit; L2 is the total inductance of the DC circuit; R2 is the resistance of the secondary winding of the transformer. In steady state conditions, M is assumed to be the proportion of the opening time of the upper tube of the bridge arm under one AC power frequency cycle. The voltage relationship shown in Figure 4 can be expressed as Equation (5):
As shown in Equation (5), the ratio of uPV to ud1 affects the DC power regulation range, and the maximum power regulation range is achieved when the photovoltaic port voltage is equal to 1/2 of the energy storage device voltage. The AC end exchanges AC power P~ with the DC1 end through the inverter, and the DC2 end exchanges DC power P- with the DC1 end through a set of Boost circuits. Excluding the loss, P~ is equal to the power injected by the grid PAC, and P- is equal to the output power of the photovoltaic cell PPV. The change in DC1 terminal voltage ud will affect the charging and discharging power Pd1 of the DC1 terminal battery.
3. Based on Hybrid Current Control Strategy
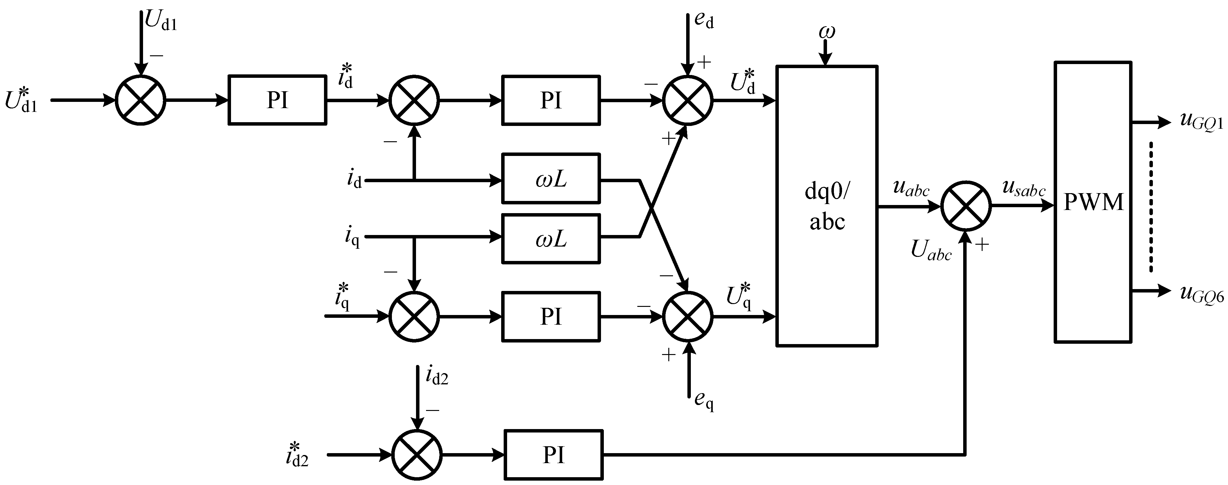
In the inverter control loop, PCC point voltage is Uabc, Iabc is grid-connected current, L is filter inductance, Zg is line impedance, θ is the PLL output angle, Vdcref is the DC voltage rating, Iref is the grid-side current loop rating and Eref is the reference value of the converter output voltage on the grid side. Eβ is the result of Eref after coordinate conversion operation and Vdc and Cdc are DC bus voltage and DC capacitance voltage.
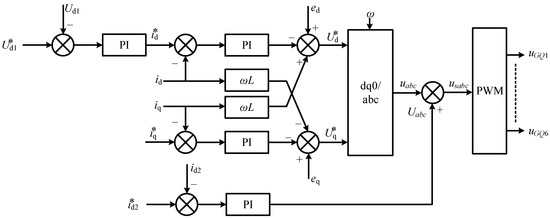
The output three-phase voltage and three-phase current are transformed by PARK, and voltage values ed and eq and current values id and iq are obtained in the two-phase synchronous rotating coordinate system. Set the reference value of the voltage at the DC high-voltage port to Ud1* and the voltage at the DC-side port to Ud1. Subtract the difference between the two and obtain the difference. The output value of the input voltage loop PI controller is the reference value of the D-axis current component id*. The reference value of D-axis current id* is subtracted from the D-axis current id, and the difference is input to the PI proportional integral controller in the inner current loop. After the output integral value is subtracted from the product of voltage ed, angular velocity ω and Q-axis current iq, the output value is the reference value of D-axis voltage Ud*. Set Q-axis current reference value iq* as 0, subtract Q-axis current reference value iq* from Q-axis current iq and input the difference into the PI controller. The negative output after adding the product of eq, angular velocity ω and d-axis current id is the Q-axis voltage reference value Uq*.
The obtained voltage reference values of the d axis and q axis Ud* and Uq* are transformed by real-time inverse PARK, so as to obtain the three-phase voltage reference values ua*, ub* and uc* in the three-phase static coordinate system. At the same time, the specified value of the output current is set as i*d2 for the low-voltage port on the DC side, the difference between the set value and the output voltage of the low-voltage port on the DC side is calculated, the DC current loop PI controller is input and the unit value of DC bias voltage Uabc is output through the integral calculation of the controller. Finally, the duty cycle calculation formula N = (Uabc + 1)/2 is used to control the converter switch tube.
The three-phase voltage reference values ua*, ub* and uc* in the three-phase static coordinate system are added with the per unit value of DC bias voltage Uabc, respectively, to generate the modulated voltage wave signal usabc and input PWM generator to generate the switching signals of six IGBTs driving the converter, so that the six IGBTs can be controlled. The control block diagram is shown in Figure 5.
Figure 5.
The control block diagram.
The direct-pressure loop output’s d-axis current contains both DC components and AC harmonics. Given the difficulty in regulating AC components in dq-axis currents, the control strategy should avoid Park transformation operations on the DC portion of the line current. To achieve independent control of each current component, the system employs a dual-loop regulation architecture. By integrating AC component current control and DC component current control within the controller, a comprehensive current control strategy is realized.
Using the setpoint provided by the outer loop, the AC component controller generates corresponding AC voltage modulation signals, while the setpoint is processed by the DC component regulator to produce a DC voltage output. These two voltage signals are then linearly superimposed to form a composite voltage modulation wave, which serves as the voltage reference input to the sinusoidal pulse width modulation (SPWM) signal generator in the converter.
Finally, the duty cycle calculation formula N = (Uabc + 1)/2 is applied to control the switching devices of the converter.
This paper is based on a hybrid current dual-loop control strategy, introducing the control variable of the DC voltage offset of the battery, as shown in Figure 6. When voltage fluctuations occur on the DC side, the DC offset of the battery will exhibit jitter, thereby affecting the AC side through power interaction. Consequently, a new control strategy is proposed, which incorporates a PI controller to handle the battery component on top of the current loop. When DC-side voltage fluctuations occur, the DC offset of the battery can effectively enhance the stability of the grid side and directly control the current of the AD/DC converter.
Figure 6.
Improved control strategy block diagram.
3.1. AC Power Control
According to the control requirements, this paper presents an improved direct-pressure ring control method. The proposed method is based on the introduction of a proportional resonance (PR) controller, whose transfer function GPR(S) consists of a proportional term and a second-order undamped oscillation term. The given value of the voltage at the DC1 terminal is maintained at about two times the voltage at the DC2 terminal to ensure the maximum range of photovoltaic power output. The charge and discharge of the battery are scheduled by the output voltage deviation Δu of the power loop. The feedforward loop is introduced to filter out the equivalent current of id2 in the D-axis reference current, improve the output speed of the reference current in the direct voltage ring and realize the DC component of the transformer’s secondary side current. The given value of DC1 terminal DC voltage is shown in Equation (6). u* d1lower and u* d1upper are the upper and lower limits of the DC voltage at the DC1 end. The former ensures the voltage modulation margin at the inverter side, and the latter prevents the voltage at the DC1 end from being too high. Based on the voltage and current drooping characteristic of the battery, the reference power of the battery P* d1 is introduced, and the expression of Δu (7) is given, which is used to coordinate the charging and discharging power formula of the battery (8).
3.2. DC Power Control
The photovoltaic control of the topology introduces current loop control, which can realize the control of photovoltaic output voltage and current, but also achieve the rapid change in output current. In the process of voltage change, the output current will change in a non-linear reverse until u* PV stabilizes as the voltage value of the maximum power point of the photovoltaic power generation, as shown in Formula (9). To output a three-phase sinusoidal voltage waveform, the three-port converter usually adopts the SPWM modulation method. The carrier voltage is modulated by bipolar SPWM to make the inverter AC port output a two-level PWM voltage waveform with DC offset.
4. Simulation Verification
The scheme of the invention was verified by using a MATLAB/Simulink simulation experiment platform. In a grid-connected operation, the experimental platform consists of a main control board model TMS320F28335, a zigzag transformer and an oscilloscope, as shown in Figure 7. The simulation results are shown in Figure 8 and Figure 9.
Figure 7.
Experimental simulation platform.
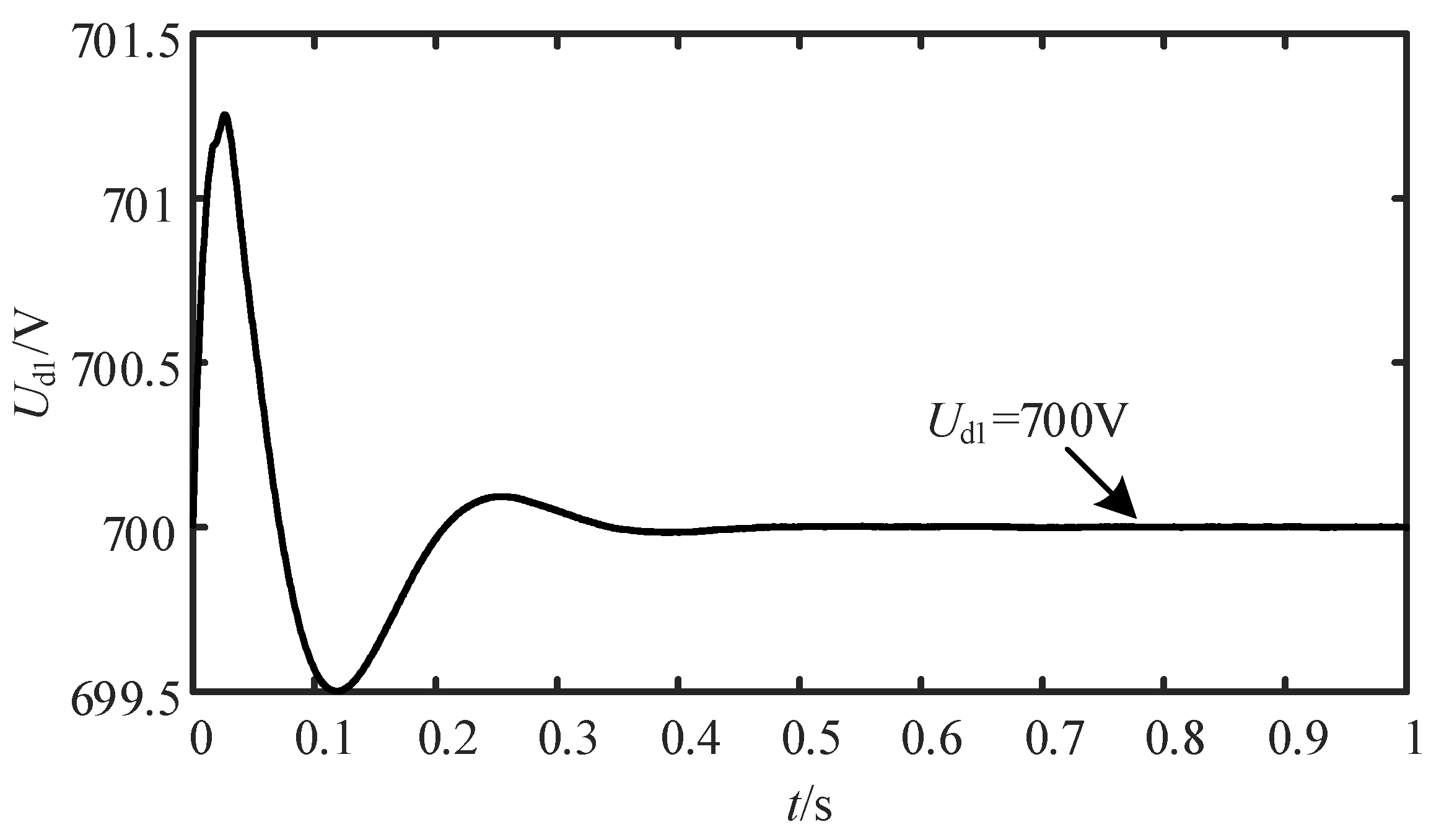
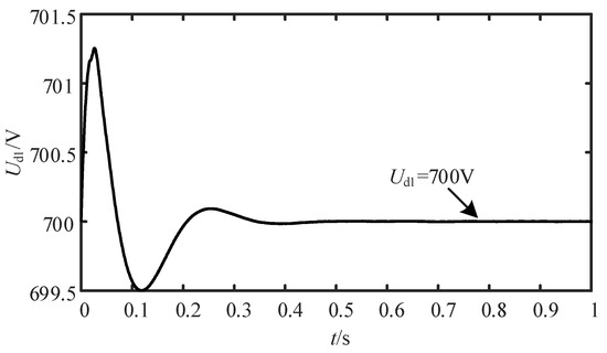
Figure 8.
Voltage waveform of the high voltage port on the DC side of the converter.
Figure 9.
Voltage waveform when the voltage of the high-voltage port on the DC side suddenly increases.
For comparison with commercial IC protection solutions, this paper adopts the built-in chip intelligent overtemperature protection circuit, which can integrate high-precision overvoltage protection and overcurrent protection. The diode used in this circuit has a lower clamping voltage, faster response time, lower cost and better scalability compared with TPD4E05U06. The comparison table is as follows:
| Model | Manufacturer | Features |
| TPD6E05U06 | Texas Instruments (Dallas, TX, USA) | 6 channels, 0.5 pF capacitance, ±15 kV ESD, response time 0.3 ns |
| ESD7004 | STMicroelectronics (Geneva, Switzerland) | 8 channels, 0.3 pF capacitance, ±20 kV ESD, ultra-low clamp voltage (7 V~8 A) |
The AC port is connected to the 220 V AC power grid, the DC high-voltage port is connected to the 700 V battery and the low-voltage port is connected to the 350 V DC power supply. The output 20 A current power of the DC low-voltage port is set to be 32 kW. L1 is 0.5 mH; Lf is 2 μH; Lg is 0.02 mH; Cf is 32 μF; Cdc is 3 mF; The switching frequency fsw is 5 kHz.
Conduction loss can be expressed as Formula (10):
In the formula, Ploss represents the conduction loss; uT is the voltage between the collector and emitter of IGBT; uD is two tube voltage. Ic is the effective value of the current flowing through the device. At the maximum transmission power range, the IGBT module is in normal operating temperature.
The voltage waveform of the high-voltage port on the DC side is shown in Figure 8, and the current waveform of the primary- and secondary-side winding is shown in Figure 10.
Figure 10.
Current waveform diagram of primary and secondary winding.
Under the overall operation of the converter, as shown in Figure 8, the voltage of the current on the DC side is stabilized at 700 V after a transient process for a certain time. In Figure 9, when the system responds to sudden voltage surge, it can quickly stabilize to the reference value after 0.1 S. It can be seen that the DC voltage of the topology is stable, and the function of stable three-port power flow can be realized. As shown in Figure 10, under the overall operation, the primary current and secondary current stabilize after a certain period of time; the primary current stabilizes at 10.4 A, the effective value of the secondary current stabilizes at 38 A and there is obvious DC bias current ILa (value 7 A), which is mainly DC current in the same direction, indicating that the winding can pass the DC current input from the DC auxiliary port. Moreover, the positive sequence three-phase current of the AC circuit is suppressed, and the effect of the iron core winding on the AC current component in the AC circuit is verified. There are no harmonics and bias in the primary-side current, which indicates that there is no DC magnetic flux in the core and verifies the effect of the zigzag connection method on inhibiting the DC magnetic flux in the core.
4.1. The Phased Results of the Output Current of the Converter Connected to the Grid Are Obtained
Result of reactive current output
According to the optimized control strategy, when the output reactive current is about 23 A, the current waveform is shown in Figure 11, and the THD is reduced to 2.16%. “频率” means Frequency, ”有效值” means Effective value ”相位” means phase.
Figure 11.
Effect of reactive current.
4.2. Output Effect of Active Current
According to the optimized control strategy, when the output active power is about 10 kW, the current waveform is shown in Figure 12. At this time, THD can be as low as 2.93%. “频率” means Frequency, ”有效值” means Effective value ”相位” means phase.
Figure 12.
Effect of active current.
4.3. Current Output Conclusion
The three-phase current is controlled by the fundamental current and harmonic current, and the compensation voltage parameters are designed for specific subharmonics to achieve a total harmonic distortion rate (THD) below 3%. Thus, it is proved that the current control strategy can avoid the influence of the coupling between the fundamental current and the harmonic control loop.
5. Conclusions
Based on the topology model of the composite three-port converter, a new control strategy is proposed in this paper, which has the advantages of simple control and high efficiency. The stable operation of the composite three-port AC/DC/DC optical storage grid-connected converter is realized through SIMULINK simulation experiments, and the following conclusions are obtained:
- (1)
- The converter uses a zigzagging transformer to effectively suppress the effect of the core DC magnetic flux, and can offset the DC component in the winding when the DC bias fault occurs, so as to avoid the core magnetic flux offset and achieve the purpose of enhancing the reliability of the hybrid system containing battery units.
- (2)
- The topology adopts a two-ring hybrid current control strategy including an improved direct voltage ring and current ring in the coordinated control of photovoltaic energy storage power, and can modulate signals through PWM.
- (3)
- The converter has stable DC voltage during steady operation, and can realize the function of stable three-port power flow, effectively maintaining THD below 3%.
- (4)
- Therefore, the control strategy of the composite three-port optical storage grid-connected converter proposed in this paper is suitable for low-cost and high-efficiency optical storage grid-connected systems.
Author Contributions
Conceptualization, C.S.; methodology, C.S.; software, C.S.; validation, C.S.; formal analysis, C.S.; investigation, C.S.; resources, C.S.; data curation, C.S.; writing—original draft preparation, C.S.; writing—review and editing, C.S.; visualization, C.S.; supervision, S.W.; project administration, S.W.; funding acquisition, S.W. All authors have read and agreed to the published version of the manuscript.
Funding
This research received no external funding.
Data Availability Statement
Our data is unavailable due to privacy or ethical restrictions.
Conflicts of Interest
The authors declare no conflict of interest.
References
- Eftekharnejad, S.; Vittal, V.; Keel, B.; Loehr, J.; Heydt, G.T. Impact of Increased Penetration of Photovoltaic Generation on Power Systems. IEEE Trans. Power Syst. 2013, 28, 893–901. [Google Scholar] [CrossRef]
- Omran, W.A.; Kazerani, M.; Salama, M. Investigation of Methods for Reduction of Power Fluctuations Generated from Large Grid-Connected Photovoltaic Systems. IEEE Trans. Energy Convers. 2011, 26, 318–327. [Google Scholar] [CrossRef]
- Tian, Q.; Zhou, G.; Liu, R.; Zhang, X.; Leng, M. Topology Synthesis of a Family of Integrated Three-Port Converters for Renewable Energy System Applications. IEEE Trans. Ind. Electron. 2021, 68, 5833–5846. [Google Scholar] [CrossRef]
- Liu, H.; Xie, X.; He, J.; Xu, T.; Yu, Z.; Wang, C.; Zhang, C. Subsynchronous Interaction Between Direct-Drive PMSG Based Wind Farms and Weak AC Networks. IEEE Trans. Power Syst. 2017, 32, 4708–4720. [Google Scholar] [CrossRef]
- Meneses, D.; Blaabjerg, F.; García, O.; Cobos, J.A. Review and Comparison of Step-Up Transformerless Topologies for Photovoltaic AC-Module Application. IEEE Trans. Power Electron. 2013, 28, 2649–2663. [Google Scholar] [CrossRef]
- Wu, H.; Zhang, J.; Qin, X.; Mu, T.; Xing, Y. Secondary-Side-Regulated Soft-Switching Full-Bridge Three-Port Converter Based on Bridgeless Boost Rectifier and Bidirectional Converter for Multiple Energy Interface. IEEE Trans. Power Electron. 2016, 31, 4847–4860. [Google Scholar] [CrossRef]
- LaBella, T.; Yu, W.; Lai, J.-S.; Senesky, M.; Anderson, D. A Bidirectional-Switch-Based Wide-Input Range High-Efficiency Isolated Resonant Converter for Photo-voltaic Applications. IEEE Trans. Power Electron. 2014, 29, 3473–3484. [Google Scholar] [CrossRef]
- Zhang, Q.; Qian, J.; Zhai, Z.; Liu, X.; Liu, S.; Fang, W.; Liu, H.; Abusara, M. Control stability of inverters with series-compensated transmission lines: Analysis and improvement. J. Power Electron. 2022, 22, 1746–1757. [Google Scholar] [CrossRef]
- Neira, S.; Pereda, J.; Rojas, F. Three-Port Full-Bridge Bidirectional Converter for Hybrid DC/DC/AC Systems. IEEE Trans. Power Electron. 2020, 35, 13077–13084. [Google Scholar] [CrossRef]
- Sun, X.; Shen, Y.; Li, W.; Wu, H. A PWM and PFM Hybrid Modulated Three-Port Converter for a Standalone PV/Battery Power System. IEEE J. Emerg. Sel. Top. Power Electron. 2015, 3, 984–1000. [Google Scholar] [CrossRef]
- Yang, R.; Shi, G.; Cai, X.; Zhang, C.; Li, G.; Liang, J. Autonomous Synchronizing and Frequency Response Control of Multi-terminal DC Systems With Wind Farm Integration. IEEE Trans. Sustain. Energy 2020, 11, 2504–2514. [Google Scholar] [CrossRef]
- Wang, Z.; Yi, H.; Jiang, Y.; Bai, Y.; Zhang, X.; Zhuo, F.; Wang, F.; Liu, X. Voltage Control and Power-Shortage Mode Switch of PV Inverter in the Islanded Microgrid Without Other Energy Sources. IEEE Trans. Energy Convers. 2022, 37, 2826–2836. [Google Scholar] [CrossRef]
- Zhong, C.; Zhou, Y.; Chen, J.; Liu, Z. DC-side synchronous active power control of two-stage photovoltaic generation for frequency support in Islanded microgrids. Energy Rep. 2022, 8, 8361–8371. [Google Scholar] [CrossRef]
- Shetty, A.; Fernandes, B.G.; Ojo, O.; Ferreira, J.A. Low-voltage PV power integration for variable frequency drives application. In Proceedings of the 2017 19th European Conference on Power Electronics and Applications (EPE’17 ECCE Europe), Warsaw, Poland, 11–14 September 2017; IEEE: New York, NY, USA, 2017; pp. 1–10. [Google Scholar]
- Young, C.M.; Wu, S.; Liao, P.C. A new multilevel inverter based on single DC input source and zig-zag connected transformers. In Proceedings of the 2011 6th IEEE Conference on Industrial Electronics and Applications, Beijing, China, 21–23 June 2011; IEEE: New York, NY, USA, 2011; pp. 692–697. [Google Scholar]
- Peng, M.; Sun, J.; Liu, Y.; Zha, X.; Huang, M. Self-Excited Three-Port Converter for Photovoltaic Application with Stability Enhancement. IEEE Trans. Ind. Electron. 2024, 71, 8862–8871. [Google Scholar] [CrossRef]
Disclaimer/Publisher’s Note: The statements, opinions and data contained in all publications are solely those of the individual author(s) and contributor(s) and not of MDPI and/or the editor(s). MDPI and/or the editor(s) disclaim responsibility for any injury to people or property resulting from any ideas, methods, instructions or products referred to in the content. |
© 2025 by the authors. Licensee MDPI, Basel, Switzerland. This article is an open access article distributed under the terms and conditions of the Creative Commons Attribution (CC BY) license (https://creativecommons.org/licenses/by/4.0/).











