Abstract
Separate DC-DC converters for each energy source are typically configured in fuel-cell hybrid vehicles. This results in a complex control structure of the powertrain system, low energy density of the converter, and high cost due to the large number of components. Conducting research on DC-DC converters with good energy flow management and high integration is a trend to solve such problems. Based on the analysis of the basic functional structure of the converter, this paper designs a buffering unit circuit with energy collection and distribution functions and appropriately connects it with the pulse unit circuit of the converter. Through device optimization reuse and power transmission path integration, a class of non-isolated four-port DC-DC converters is constructed, which consists of an auxiliary energy charging module, input energy source control module, braking energy feedback module and forward bootstrap boost circuit. This converter has two bi-directional ports, a uni-directional input and a bi-directional output, for separate connection to the power batteries, supercapacitors, fuel cells and DC bus. It can adapt to the fluctuation of the vehicle’s driving condition while achieving dynamic and flexible regulation of power flow and can flexibly allocate power according to the load current and voltage level of energy. It can realize a total of 14 operation modes, including six output power supply operation modes, five auxiliary power charging operation modes, and three braking energy regeneration operation modes. Furthermore, the mathematical model of this converter is constructed using the state-average method and the small-signal modeling method in order to achieve the responsiveness and stability of switching multiple operating modalities. The PI control parameters are optimized using the particle swarm optimization algorithm to achieve optimized control of the converter. The simulation system is set up using MATLAB R2024a to verify that the proposed converter topology and algorithm can dynamically allocate appropriate current paths to manipulate the power flow under various operating conditions, effectively improving the utilization rate and efficiency of energy. The converter has the characteristics of high gain and high power density, which is suitable for three-energy fuel cell hybrid electric vehicles.
1. Introduction
Single-energy electric vehicles have inherent shortcomings, such as limited endurance, insufficient power, and short battery lifetime [1]. While the introduction of fuel cell vehicles has addressed issues related to endurance, mechanical structure limitations still result in challenges such as inadequate torque at start-up and slow control response speed. Therefore, a combination of multiple energy sources for new energy vehicles, including fuel cells, supercapacitors, power batteries, and other multi-energy coordination, is necessary [2]. As a relatively stable electric energy generator, the fuel cell has relatively stable fuel input and power generation [3,4]. The phenomenon of sudden power change often occurs during the operation of the vehicle, which will cause a great impact on the battery and seriously affect its lifetime [5]. When the system adds auxiliary power supply such as batteries and supercapacitors, batteries can help vehicles adapt to more complex working conditions and effectively increase the endurance of vehicles, and supercapacitors can extend the battery lifetime by mitigating the high current caused by sudden load changes [6]. The traditional transmission structure of three power source vehicles is shown in Figure 1. The fuel cell is connected to the direct current (DC) bus by a uni-directional DC-DC converter, the power battery and the supercapacitor are connected to the DC bus by a bidirectional DC-DC converter, and the DC bus is connected to the motor by a bidirectional DC-AC converter to achieve bidirectional energy transmission. However, employing individual DC-DC converters for each energy source may result in complex systems and increased expenses. Therefore, enhancing the automotive energy router and optimizing the control algorithm is of paramount importance in investigating a converter with high efficiency, robust stability, and suitability for various operating conditions [7,8]. At present, converters applied to hybrid energy storage systems include isolated bidirectional DC-DC converters and non-isolated bidirectional DC-DC converters [9]. Their typologies can be divided into three categories: passive topology, semi-active topology and fully active topology [10].
Figure 1.
Traditional Transmission Structure of Three Power Source Vehicles.
The isolated bidirectional DC-DC converter (IBDC) is commonly employed in applications with stringent security requirements, a single input and output, and a substantial input-output voltage differential. Due to the need for bidirectional storage and transmission of electric energy, traditional single-end converters and push-pull DC converters are not suitable for vehicle energy storage systems. The improved double flyback, double push-pull, double half-bridge converter topology realizes the bidirectional transmission of electric energy, but it is usually used in low-power situations such as auxiliary power supply. The dual-active bridge converter (DAB) is the main high-power isolated converter that has been applied in engineering today [11]. The topology is mainly composed of two full Bridges, two capacitors, an inductor and a high-frequency transformer, which has the advantages of simple structure and good robustness. However, because the resonance is not used, the switching loss and the electromagnetic interference are relatively large. In view of the shortcomings of the typical DAB and IBDC, researchers have proposed different resonance networks, including LC resonance [12], asymmetric CLLC resonance [13], symmetric LLC resonance [14], current feedback resonance [15] to reduce the switching loss and the electromagnetic interference of the above topology. Compared with the IBDC, a non-isolated bidirectional DC-DC converter (NBDC) does not need a high-frequency transformer and has the advantages of a small number of devices, small size, simple structure and high efficiency. Ideal for situations where isolation of input and output is not specifically required [16]. The synchronous bidirectional buck converter is the most typical NBDC for hybrid energy storage systems, such as in [17]. The topology is composed of two power switches, and the converter from the input port to the output port is equivalent to the basic buck converter, which works in synchronous buck mode. In contrast, the output-to-input converter is equivalent to the base boost converter. In order to mitigate the output ripple of the synchronous bidirectional buck converter and enhance its fault-tolerant performance, the multiphase staggered synchronous buck converter proposed in the literature [11] reduces inductance volume and output voltage ripple by introducing a certain phase delay for each switching element.
With the development of the new energy vehicle industry, people have increasing requirements for the endurance, power, comfort and economy of new energy vehicles [18]. This makes the performance requirements of new energy vehicles on the energy converter topology higher and higher; in some scenarios, they need to have three or more interfaces. Therefore, some scholars have proposed a multiport DC-DC converter represented by three ports. The single input-multiple output transformer proposed in the literature [19] has one boost output port and one buck output port. In reference [20], a dual input- dual output converter is proposed, which can adjust the output power, but it is not dominant in the vehicle converter because its energy cannot flow in both directions. In order to meet the problem of bidirectional energy flow, scholars have proposed some new converter structures on the basis of the above, such as the non-isolated three-port transformer with high gain proposed in the literature [18]. The converter consists of two input ports and one output port, and voltage regulation and power flow can be realized between any two ports of the converter, which can achieve a continuous and stable power supply to the load. In addition, in order to enable the converter to have high voltage output capability when needed, a switched capacitor circuit was introduced. In [21], an improved structure with two input ports was proposed: one for a power battery and the other for a supercapacitor. This allows for a simultaneous power supply to the load and feedback energy collection from the load. In reference [22], a three-port converter with bidirectional energy flow and power flow control is proposed by parallel combination and multiplexing devices, which has high gain and excellent power flow control.
Based on the above literature and considering the power characteristics of dynamic loads in electric vehicles, this paper proposes a flexible, non-isolated bidirectional four-port converter for integrating fuel cells, batteries, and supercapacitors in a new energy hybrid electric vehicle to achieve more effective utilization of energy storage, enhanced regenerative braking energy recovery, and flexible power flow management, thereby reducing overall size and cost. Compared with existing multi-energy converters, this topology is simpler, more compact and has a higher energy density. In this topology, the voltage doubling unit is used to achieve a higher output gain, which has a higher voltage gain than conventional DC converters at the same duty cycle. The circuit that suppresses capacitive inrush current is also used to improve the circuit’s reliability. In addition, the proposed topology structure can be applied to more complex working conditions, effectively improving the efficiency and energy utilization of the system.
2. Circuit Topology and Working Modes
2.1. Circuit Topology
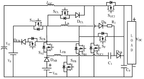
The proposed four-port bidirectional converter topology is shown in Figure 2. It has three input ports for battery VB, supercapacitor VUC, fuel cell VFB, and one output port for DC loads VDC. The desired voltage level during converter operation is VUC < VFB < VB < VDC.
Figure 2.
Circuit topology.
This topology is divided into four main parts:
- Input control circuit: Whether the fuel cell and power battery are connected to the circuit is mainly done by SA1 and SA2, while the connection of the supercapacitor is controlled separately by SUC1. The control results are shown in Table 1;
Table 1. Switch combination of input energy control. - Auxiliary energy charging circuit: The auxiliary energy charging module mainly includes the charging of supercapacitors by the power battery and fuel cell through the multiplexed inductors LUC and SUC1 and the charging of the power battery by the fuel cell multiplexed LB and SB1 through the SCB and DCB circuits;
- Forward bootstrap circuit: The forward bootstrap boost circuit for fuel cells and power batteries mainly consists of two equivalent BOOST pulse current sources cascaded through capacitor C1, inductors LB and LFB, where LB and LFB are mainly used for energy storage and current ripple reduction of the input energy source. The forward boost circuit of the supercapacitor consists of a BOOST converter consisting of a LUC and SUC1. The resistor R1 is a Negative Temperature Coefficient (NTC) thermistor used to suppress the inrush current of the capacitor during the switch-on transient. Filter capacitor C0 is used to reduce the load voltage ripple, and switches SFB and SB1 can be used to control the input power level of the two energy sources;
- Brake feedback circuit: When the vehicle brakes, the braking energy is recovered by the supercapacitor and the power battery. Mainly through SUC2 and multiplexed inductor LUC to form a Buck circuit to charge the supercapacitor and through SF and multiplexed LB to form a Buck circuit to supply power to the power battery.
2.2. Converter Operating Modes
The operating modes of the proposed multiport converter can meet the demands of complex working conditions in vehicles, which are divided into three main types: power supply to loads, charging to auxiliary energy sources, and braking feedback. The various types include a variety of modes, totaling 14, as shown in Table 2.
Table 2.
Possible operating modes.
The energy flow diagram and topology of each operating mode are shown in Figure 3. The analysis of each operating mode is given below. The nomenclature section for the variables table is shown in Table 3.

Figure 3.
The energy flow diagram and topology of each mode. (a) Mode 1: Fuel cells feed the load alone. (b) Mode 2: The power battery feeds the load alone. (c) Mode 3: Fuel cells and power batteries work together to power loads. (d) Mode 4: Fuel cells and supercapacitors work together to power loads. (e) Mode 5: Power batteries and supercapacitors work together to power loads. (f) Mode 6: Three sources of energy work together to power the load. (g) Mode 7: Fuel Cells Charge Supercapacitors. (h) Mode 8: Fuel Cells Charge Power Batteries. (i) Mode 9: Fuel cells to charge supercapacitors and power batteries. (j) Mode 10: Power Battery Charging Supercapacitor. (k) Mode 11: Fuel cells and power batteries work together to power supercapacitors and loads. (l) Mode 12: Braking energy feedback to supercapacitor alone. (m) Mode 13: Braking energy feedback to supercapacitor and power batteries. (n) Mode 14: Braking energy feedback to power batteries alone.
Table 3.
The nomenclature section for the variables table.
Mode 1: When the required power of the vehicle is low, and the fuel cell power is sufficient, SA1, SA2 and SUC1 and their anti-parallel diodes are all switched off. Meanwhile, the anti-parallel diode of SA2 is turned on by configuring the Input control circuit. At this time, the energy is supplied by the fuel cell alone, and the topology is shown in Figure 3a. This operating mode has three sub-modes:
- Sub-mode1-1: Switch SFB is on, SB1 is off, and inductor LFB is charged while inductor LB is discharged to capacitor C1 while C0 supplies energy to the load. At this time:
- Where ULB, UFB, UC1, and ULFB denote the voltage of LB, the voltage of the fuel cell, the voltage of C1, and the voltage of LFB, respectively. R1 is a thermistor, and iR1 denotes the current flowing through the R1.
- Sub-mode1-2: Both switches SFB and SB1 conduct, LFB and LB are charged, and load R0 is fed by C0. At this time:
- Sub-mode1-3: The switch SFB is closed, SB1 conducts, the LFB supplies power to C1, LB is charged, and the load R0 is fed by the capacitor C0 and capacitor C1. At this time:
- Where U0 denotes the output voltage, and ULFB denotes the voltage of the LFB.
- Mode 2: The topology is shown in Figure 3b; when the required power of the vehicle is low, and the fuel cells and power batteries do not have enough energy storage when the power batteries have enough electrical energy, SA1 and SA2 are all switched on by the configuration of the Input energy control circuit, and the DFB are switched off by the reversed voltage so that the power batteries supply energy alone. This operating mode has three operating sub-modes:
- Sub-mode2-1: Switch SFB is on, but SB1 is off, and inductor LFB is charged while inductor LB is discharged to C1 while C0 supplies energy to the load. At this time:
- Where UB denotes the power battery voltage.
- Sub-mode2-2: The switches SFB and SB1 both conduct, LFB and LB are charged, and the load R0 is still fed by C0. At this time:
- Sub-mode2-3:The switch SFB is closed, SB1 conducts, the LFB supplies power to C1, the LB is charged, and the load R0 is fed by the C0 together with the C1. At this time:
Mode 3: Its topology is shown in Figure 3c; when the required power of the car is high, and the fuel cells and power battery are sufficient, the energy is supplied by both of them at the same time, and by configuring the Input control circuit to turn SA1 on and SA2 off, the energy is supplied by the fuel cells and power battery at the same time. This model has four working Sub-modes:
- Sub-mode3-1: SFB conducts, and SB1 turns off. LFB are charged, LB discharges to C1, and C0 supplies power to R0, At this time:
- Sub-mode3-2: SFB, SB1 are conductive, LFB, LB are charged, C0 supplies power to R0, At this time:
- Sub-mode3-3: SFB and SB1 are off, LFB and C1 are connected in parallel to the load power supply, and LB to capacitor C1 discharge. At this time:
- Sub-mode3-4: SFB turns off, SB1 conducts, LFB is connected in parallel with C1 to supply power to the load, and LB is charged. At this time:
Mode 4: Its topology is shown in Figure 3d; when the required power of the car is high, and the fuel cell and supercapacitor have enough power, both of them supply energy at the same time, and by configuring the Input control circuit, SA1 and SA2 will be turned off, and the fuel cell will be supplied alone. At the same time, SUC1 is controlled so that the supercapacitor and the fuel cell are connected in parallel to supply energy. LB and LFB work in the same way as in mode 1 in this mode and will not be repeated here. LUC has two working Sub-modes in this mode, which are:
- Sub-mode4-1: SUC1 turns on, and UUC charges the LUC. At this time:
- Where ULUC denotes the voltage across the LUC, and UUC denotes the voltage across the supercapacitor.
- Sub-mode4-2: SUC1 is switched off, and UC is connected in series with LUC to supply power to the load. At this time:
Mode 5: Its topology is shown in Figure 3e; when the power required by the car is high, and the power battery and supercapacitor power is sufficient, the power is supplied by both of them at the same time through the configuration of the Input control circuit will be turned on SA1 and SA2, the power battery alone to supply energy. At the same time, SUC1 is controlled to make the supercapacitor supply energy. LB and LFB work in the same way as mode 2 in this mode; LUC in this mode has two kinds of work Sub-modes, which are also similar to mode 4, so we will not repeat this here.
Mode 6: Its topology is shown in Figure 3f. When the car accelerates, and the fuel cells, power battery and supercapacitor have sufficient energy storage, the fuel cells and power battery are supplied with energy at the same time by configuring the Input control circuit to turn SA1 on and SA2 off. At the same time, SUC1 is controlled to make the supercapacitor supply energy. LB and LFB work in this mode in the same way as mode 3; LUC in this mode is also similar to mode 4, so we will not repeat it here.
Mode 7: Its topology is shown in Figure 3g; when the car is in standby mode, and the fuel cell energy storage is sufficient when the supercapacitor power is low, through the configuration of the Input control circuit will be turned off SA1 and SA2, by the fuel cell alone to supply energy, and at the same time open the SCL circuit, LUC and SUC1 constitute a Buck circuit to the supercapacitor charging. There are two Sub-modes in this operating mode:
- Sub-mode7-1: SCL1 is turned on, and the fuel cell charges the LUC and VUC. At this time:
- Sub-mode7-2: SCL1 turns off, and LUC renews the current through SUC1 while charging the supercapacitor. At this time:
Mode 8: Its topology is shown in Figure 3h; when the car is in standby mode, and the fuel cell energy storage is sufficient power battery energy storage is low, through the configuration of the Input control circuit will be SA1 and SA2 all off, individually powered by fuel cells, and at the same time open the SCB circuit, inductance LB and SB1 constitute a BOOST circuit to the power battery charging. This working mode has the following two working Sub-modes.
- Sub-mode8-1: SUC1 conducts, and the power battery charges LB. At this time:
- Sub-mode8-2: SUC1 is switched off, and the power battery is connected in series with the LB while charging the power battery. At this time:
Mode 9: Its topology is shown in Figure 3i; when the car is in standby mode, and the fuel cell energy storage is sufficient for the power battery and supercapacitor energy storage is low, the Input control circuit will be configured to turn off all SA1 and SA2, and the fuel cell will be supplied by the fuel cell alone, and the SCB circuit and the SCL power supply circuit will be opened, and LUC will be charged by the supercapacitor through the SUC1 constituting a Buck circuit, and the C1 will be charged by the SB1 and the LB constituting a Boost circuit. LB constitutes a Boost circuit that charges the power battery. The Sub-mode of LUC is the same as that in Mode 7, and the Sub-mode of LB is the same as the working Sub-mode of Mode 8, so it is not repeated here.
Mode 10: Its topology is shown in Figure 3j; when the car is in the standby state, the fuel cells and supercapacitors are insufficiently stored, and the power battery is energized, the Input control circuit is configured to turn on all of SA1 and SA2, and the power battery is supplied with energy alone. At the same time, the SCL circuit is opened, and LUC constitutes a Buck circuit through SUC1 to charge the supercapacitor. The working Sub-mode is similar to that in Mode 7; only the input source is different, so it is not repeated here.
Mode 11: Its topology is shown in Figure 3k; when the car is in an idling state, the fuel cells and power battery have sufficient energy storage, and the supercapacitor has insufficient energy storage, the Input control circuit will be configured to turn on SA1 and turn off SA2 so that the power battery and fuel cell will supply energy together. At the same time, the SCL circuit is opened, and LUC and SUC1 form a Buck circuit to charge the supercapacitor. This operating mode has the following four Sub-modes.
- Sub-mode11-1: SFB conducts, and SCL conducts while SB1 is off. LFB charges and LB discharges to C1, the power battery supplies power to LUC and supercapacitor at the same time, and C0 supplies power to load R0. At this time:
- Sub-mode11-2: SFB and SB1 are on, and SCL is off. The LFB and LB are charged, the LUC is renewed through the diode of SUC1, and the C0 supplies power to the load R0. At this time:
- Sub-mode11-3: SFB and SB1 are off, SCL conducts, LFB and C1 are connected in parallel to supply power to the load, LB discharges to the switching capacitor, and the power battery supplies power to LUC and supercapacitor. At this time:
- Sub-mode11-4: SFB turns off, SB1 conducts, SCL turns off, LFB is connected in parallel with C1 to supply power to the load, LB is charged, and LUC is renewed through the diode of SUC1. At this time:
Mode 12: Its topology is shown in Figure 3l. Due to the fast charging and discharging characteristics of the supercapacitor, when the supercapacitor’s energy storage is not enough, it is preferentially fed back to the supercapacitor. Through SUC2, SUC1 and LUC constitute a Buck circuit to supply power to the supercapacitor. This mode of operation has two operating Sub-modes.
- Sub-mode12-1: SUC2 conducts, and the braking feedback energy feeds both the LUC and the supercapacitor. At this time:
- Sub-mode12-2: SUC2 turns off, and LUC is renewed through the anti-parallel diode of SUC1. At this time:
- Mode 13: Its topology is shown in Figure 3m; when the supercapacitor is not full of power, the load supplies energy to the supercapacitor and the power battery at the same time. The supercapacitor is powered by a Buck circuit composed of SUC2, SUC1 and LUC. The Buck circuit is formed by SF and inductor LB to charge the power battery. This operating mode has two operating Sub-modes.
- Sub-mode13-1: SUC2 is conducted, SF is turned off, the braking feedback energy is charged through LUC to the supercapacitor, and the LB is renewed through the anti-parallel diode of SB1. At this time:
- Sub-mode13-2: SUC2 turns off, SF conducts the brake feedback energy through LB to charge the power battery, and the LUC is renewed by the anti-parallel diode of SCL1. At this time:
- Mode 14: When the supercapacitor storage is full, the load supplies energy to the power battery alone. A Buck circuit is formed to charge the power battery through SF and LB. This operating mode has two operating Sub-mode.
- Sub-mode14-1: SF turns off, and LB is renewed through the anti-parallel diode of SB1. At this time:
- Sub-mode14-2: SF conducts, and the brake feedback energy force powers the LB and power battery. At this time:
3. Gain and Device Stress Analysis
Among them, Mode 1 is used as an example to verify the feasibility of the topology single-energy working mode, Mode 6 to verify the feasibility of the topology multiple-energy supplying power to the load at the same time, Mode 9 to verify the feasibility of the topology supplying power to the auxiliary energy, Mode 11 to verify the feasibility of the topology supplying power to the load and charging the auxiliary energy at the same time, and Mode 13 to verify the feasibility of topology braking energy recovery. Therefore, Mode 1, Mode 6, Mode 9, Mode 11 and Mode 13 are selected for analysis.
3.1. Gain Analysis
3.1.1. Mode 1
The input voltage in this state is VFB, and the duty cycle of both SFB and SB1 is d. By analyzing the volt-second balance for LB and LFB, we get the following:
Through the above equation, we get:
3.1.2. Mode 6
In this mode, VFB, VB and VUC are the input voltages to the converter, and dFB, dB1 and dUC1 are the duty cycles of SFB, SB1 and SUC1, respectively. The supply to VUC is in parallel with the other two, and the control is not correlated, so the volt-seconds balance of the LUC is:
Through the above equation, we get:
The volt-second equilibrium analysis of the inductance of LB and LFB is divided into two conditions: dFB + dB1 ≥ 1; dFB + dB1 < 1.
When dFB + dB1 ≥ 1:
The gain equation is:
When dFB + dB1 < 1:
The gain equation is:
3.1.3. Mode 9
In this mode, VFB is the input of the converter VB, and VUC is the output of the converter. dB1 and dCL are the duty cycles of SB1 and SCL, respectively. Analyze the volt-second balance of LB and LUC:
The gain equation is:
3.1.4. Mode 11
In this mode, VFB, VB and are the input voltages of the converter, VUC is used as the load output, and dFB, dB1, and dCL are the duty cycles of the switches SFB, SB1, and SCL, respectively. SCL is controlled by a voltage-current double closed loop. At this mode, the power battery load is high, so the output power of the power battery is reduced and set for this mode of operation dFB + dB1 < 1. Analyze the volt-second balance of LB, LFB and LUC
The gain equation is:
3.1.5. Mode 13
In this mode, VDC is used as the input for the converter, VUC and VB are used as the load outputs, and dUC2 and dF are the duty cycles of the switches SUC2 and SF, respectively. The volt-second balance of LB and LUC is analyzed to obtain:
The gain equation is:
3.2. Device Stress Analysis
By analyzing the multiple modes of operation, the maximum voltage stress on the switching tubes and diodes in the topology can be introduced as:
When in operating mode 3, LB and LFB flow the maximum current, and when in operating mode 4 and operating mode 5, the LUC current is maximum, which can be deduced from the input-output voltage relationship and power conservation theorem in Section 2.1.
In mode 3, the inductor current is affected by the duty cycle of SB1 and SFB. Its inductor current stress is:
In mode 5, when the supercapacitor reaches the set maximum output power. The inductor current is maximum:
4. Control Strategy
The control strategy of the converter should be able to meet the energy distribution control and voltage level requirements of the FCHPV under complex operating conditions; on the one hand, it is able to control the output power of each energy source to reach its demand power determined by the energy management strategy, and on the other hand, the output voltage of the converter is up to the voltage level of the DC bus of the vehicle. Since the proposed converter has multiple operating modes, in order to meet the control requirements of each operating mode, a respective control strategy is configured for each mode. The control algorithm for each strategy mainly uses double closed-loop PI control, and its control parameters are optimized offline by the particle swarm algorithm in order to achieve good control results. In addition, according to the power switching tubes used in each mode, the control method adopts PWM control or PWM control + phase shift control. The control strategy is analyzed below.
4.1. Operating Mode Determination
Working mode judgment is mainly carried out by real-time detection of the vehicle DC bus power size and direction, the specific flow chart shown in Figure 4. Wherein PL denotes the power of the DC bus, Pth is the cut-off value of whether the bus power is low-power or high power, VUC, VB denotes the real-time voltage of the supercapacitor and the power battery, VUC-th, VB-th denotes the minimum threshold voltage level of the supercapacitor and the battery, and VUC-max, VB-max denotes the voltage level of the full power of the energy storage element to ensure its power delivery capability and regenerative energy recovery capability. Figure 4a shows the flow when the bus power is negative, the motor outputs braking power; Figure 4b shows the flow when the bus power is 0, the motor does not receive or return power; Figure 4c shows the flow when the bus power is positive, the motor receives power.
Figure 4.
Work mode judgment flowchart: (a) Negative bus power; (b) Zero bus power; (c) Positive bus power.
Judgment mode 4 is used as an example for illustration. When PL > 0, at this time PL > Pth, that is, at this time the car is in a high power operation state, and VFB > VFB-th, indicating that the fuel cell can carry out the energy supply work; and then judge the voltage level of the supercapacitor, if VUC > VUC-th, then it means that the supercapacitor can carry out the energy supply work and subsequently judge whether VB > VB-th, the judgment of no indicates that the power battery can be charging operation, the Select mode 4, that is, the fuel cells and power battery jointly supply energy to the load.
4.2. Control Strategy for Various Modes
Modes 1 and 2 do not involve power distribution among energy sources. Its control block diagram is shown in Figure 5. The closed-loop control method is analyzed by the small-signal models in the different operating modes and then deriving the system transfer function. In designing the controller, a proportional-integral controller is used to eliminate the system’s steady state error and improve its dynamic tracking performance. The error transfer function is obtained by subtracting the output from the reference value, and then the PWM waveform is obtained through PI control and comparison with the triangular waveform to control the switching tubes SFB and SB1, in which the PWM pulse is shifted by 0.5 TS to control SB1.
Figure 5.
Mode 1 and Mode 2 control block diagrams.
When the system is in mode 3, the output power ratio of fuel cells and power battery is:
The Block Diagrams are shown in Figure 6, and the design process of its control block diagram is the same as the above, which controls the switching tube SB1 by adjusting the reference voltage UC1_ref of C1 to complete the power distribution of power batteries and fuel batteries. Working mode 6, on the other hand, adds control of the supercapacitor output on the basis of mode 3, and its control block diagram is shown in Figure 7. By changing the reference current value of LUC, the switching tube SUC1 is controlled to complete the power output control of the supercapacitor, thus completing the energy distribution of the three energy sources at the same time.
Figure 6.
Control block diagram for mode 3.
Figure 7.
Control block diagram of supercapacitor.
There are only two input sources for operating modes 4 and 5, and the control block diagram of the fuel cell or power battery is shown in Figure 5, which controls the switching tubes SFB and SB1, in which the PWM pulse is controlled after a phase shift of 0.5 TS to control SB1; and the control block diagram of the supercapacitor is shown in Figure 7, which controls the switching tubes SUC1 for the adjustment of the output power.
Mode 7, Mode 8, Mode 10, Mode 12, and Mode 14 are single-input, single-output systems that do not involve power distribution, and their control block diagrams are similar to Figure 7. Modes 9 and 13 can be viewed as two separate single-input, single-output systems with control block diagrams similar to Figure 7. Mode 11 can be regarded as a combination of a single-input single-output and a dual-input single-output system, wherein the control block diagram of the single-input single-output system is similar to that of Figure 7, and the control block diagram of the dual-input single-output is shown in Figure 6.
The particle swarm optimized PI control mentioned in the above control strategy means that the parameters of the PI control are optimized offline by the particle swarm algorithm. The optimization process is as follows: generate an initial particle swarm, assign the particles in this swarm to the parameters Kp and Ki of the PI controller in turn, and then run the Simulink model of the controller system to calculate the corresponding performance indexes and use them as the adaptation value of the PSO, and quit the calculation when the adaptation value is small enough to the set value to achieve the optimized PI control parameters. In the optimization process, the absolute value integral of error (ITAE) index is chosen as the performance index, as in Equation (45):
Figure 8 shows the optimized parameters obtained after 50 iterations as an example of the particle swarm optimization process for mode 1.
Figure 8.
(a) Particle swarm search optimization Kp (b) Particle swarm search optimization Ki (c) Optimal individual adaptation value.
5. Comparative Analysis of Related Converter Topologies
To illustrate the features and superiority of the integrated converter proposed in this paper, it is compared with some of the existing research results, as shown in Table 4. This paper shows a four-port topology that can combine the respective advantages of fuel cells, power batteries and supercapacitors to achieve multiple input and output ports, which can meet the bidirectional flow between multiple energy sources. The converters of [21,22,23,24,25] are all three-port topologies and can only realize a two-energy structure approach. Although the converter of [26] is a four-port network, its topology is designed with two inputs and two outputs, and the energy cannot flow in both directions. The control of power flow can greatly improve the lifetime and energy utilization of the battery; only this paper and [21,22] discuss and control the power flow direction and magnitude of the study. This paper and [18,21,22,23,24] are able to realize bi-directional flow control of energy, which can be used for effective recovery of braking energy and enhancement of energy utilization. Although the converter proposed in this paper uses more power switching tubes than other results in the literature, it achieves as many as 14 operating modes, which is much more than other results, and is more adaptable to the complex operating conditions of the actual operation of hybrid vehicles.
Table 4.
Comparison of the Integrated Converter with Existing Integrated Converters.
6. Simulation Experiments and Results Analysis
6.1. Simulation Parameter Design
The simulation parameters are designed based on the test standard working conditions (WLTC) based on the Global Light Vehicle Test Specification (GLVTS), and it is known from the WLTC that the power demand of the whole vehicle is shown in Figure 9, and the simulated maximum output power is determined to be 85 kW, taking into account factors such as the energy loss. Combining the average fuel cell power demand and the power demand at maximum speed determines that the output power of the fuel cell is 20 kW–50 kW and that an auxiliary energy source is required to power the FCHPS vehicle during start-up. Fuel cells can be classified into different types based on their reaction principles and the fuels used. The common types of fuel cells are shown in Table 5. From the table, proton exchange membrane fuel cells (PEMFCs) have been identified as the research object of this paper.
Figure 9.
Power diagram of the whole vehicle demand under WLTC operating conditions.
Table 5.
Common fuel cell parameters table.
An auxiliary energy source provides energy supplementation when the vehicle’s demand power is insufficient. The auxiliary energy source lithium battery should be capable of supplying power to the vehicle alone when the fuel cell battery is switched off. The rated output power of the power battery under the above requirements is 15 kW, 90 Li-ion batteries are selected to be connected in series, and the rated output power of the supercapacitor is 22 kW [27]. Therefore, the output power of the converter designed by the simulation is 50 kW–85 kW.
The design parameters of the integrated converter in this paper are shown in Table 6. Taking the design of LFB as an example, setting the ripple rate of the inductor to 0.2, we have:
where ΔiFB is the inductor ripple current, PFB→U0 indicates the maximum power output from the fuel cell to the load, UFB indicates the terminal voltage of the fuel cell, L indicates the inductor to be designed, ƒs is the operating frequency of 100 K at this time, dmax indicates the maximum duty cycle, and Uin_max indicates the maximum voltage.
Table 6.
Design parameters of the four-port integrated converter.
Taking 1.5 times the margin, the inductance LFB is calculated to be 18.36 uH.
6.2. Results Analysis
Simulation modeling and simulation verification are carried out using Simulink R2024a of MATLAB. Figure 10 shows the output power and its output voltage curve in mode 1. The load is switched from light load to heavy load at 0.1 s. Figure 10a shows the output power curve when the load is switched, and Figure 10b shows the output voltage variation curve when the load is switched.
Figure 10.
Mode 1: (a) Output power curve for power switching; (b) Output voltage curve for power switching.
When the topology is operated in mode 6, it is then powered by three energy sources simultaneously. Figure 11 shows the power curves and output voltage curves when the load is powered by the three energy sources simultaneously. At around 0.1 s, the reference current of the LUC is changed to reduce its output power from 22 kW to 18 kW; at 0.2 s, the output power ratio of the fuel cells and power battery is adjusted by changing (U0-UC1):UC1.
Figure 11.
(a) Output power curve for power switching; (b) Output voltage curve for power switching.
When the topology is operated in mode 9, when the car is in an idling state, and the fuel cells have sufficient electrical energy and the supercapacitor and power battery, have insufficient energy storage, at this time the fuel cells supply energy to the power cells and supercapacitor. Figure 12a shows The capacitor terminal voltage curve in this operating mode, and Figure 12b shows the power battery voltage curve. Its charging power is shown in Figure 13.
Figure 12.
(a) Capacitor voltage profile in mode 9; (b) Power battery voltage profile in mode 9.
Figure 13.
Charging power battery and supercapacitor in operating mode 9.
When the topology is operated in mode 11, when the car is at low speed, and the fuel cells and power battery have sufficient electrical energy and the supercapacitor has insufficient energy, the fuel cells and power battery are used as inputs, and the supercapacitor and load are used as outputs. Figure 14a shows the capacitor terminal voltage curve in this operating mode, and Figure 14b shows the output voltage curve at this time. The charging power of the supercapacitor and the output power of the power battery fuel cells are shown in Figure 15.
Figure 14.
(a) Capacitor voltage profile in mode 11 (b) Output voltage profile in mode 11.
Figure 15.
Three-energy power output curve in mode 11.
When the topology operates in mode 13, the car is under braking at this time, at which time the load is used as an input, and the power battery cell and supercapacitor are used as outputs. Figure 16a shows the capacitor terminal voltage profile in this operating mode, and Figure 16b shows the power battery terminal voltage profile at this time. The feedback voltage is switched from 800 V to 500 V at 0.1 s, and its charging power is shown in Figure 17.
Figure 16.
(a) Supercapacitor terminal voltage curve in mode 13 (b) Power battery terminal voltage curve in mode 13.
Figure 17.
Three-energy power output curve in mode 13.
7. Conclusions
In this paper, an integrated converter for hybrid vehicles is proposed, offering significant advancements over existing solutions in the industry. By upgrading the topology of the non-isolated three-port converter, we introduce a highly integrated isolated four-port converter that stands out due to its enhanced functionality and efficiency. Firstly, the proposed converter can seamlessly integrate the benefits of supercapacitors, fuel cells, and power batteries, allowing it to select the most appropriate energy source for output under varying conditions and facilitating bidirectional energy flow between any two ports—a feature that surpasses many current converters limited to single-directional or fewer port options. Compared to existing converters, our design not only increases functional versatility but also addresses efficiency concerns. The adoption of a non-isolated topology minimizes magnetic losses, a common issue in many industrial converters, while the bootstrap boost structure significantly boosts the topology’s performance. Furthermore, the integration of control algorithms, primarily employing double closed-loop PI control with PI parameters optimized offline using the particle swarm algorithm, ensures precise energy distribution and voltage regulation under complex operational scenarios, outperforming traditional control methods in adaptability and responsiveness. Looking ahead, the trend in automotive and industrial applications is towards higher integration, efficiency, and sustainability. Our proposed converter aligns perfectly with these future directions, paving the way for broader adoption in hybrid and electric vehicles, as well as in industrial energy management systems. As the industry moves towards more complex and demanding energy systems, the ability to manage multiple energy sources efficiently and flexibly will become increasingly crucial. Our converter’s advanced topology and control strategies position it as a forerunner in meeting these future challenges, offering a robust and reliable solution for the evolving needs of the automotive and industrial sectors. In future work, we will complete the prototype construction further.
Although the proposed topology can meet a variety of working modes and can combine the three energy sources together, there are still some limitations, such as the topological working mode is similar to the BUCK circuit, which will have a certain impact on the life of fuel cell or power battery. In future work, we will further complete the prototype construction, perfect the control algorithm, analyze its loss and efficiency, and further verify the feasibility of the proposed topology.
Author Contributions
Conceptualization, W.L. and Y.M.; methodology, W.L. and Y.M.; software, Y.M.; validation, Y.M.; formal analysis, all authors; investigation, all authors; writing —original draft preparation, Y.M.; writing—review and editing, W.L.; visualization, Y.M.; project administration, W.L.; funding acquisition, W.L. All authors have read and agreed to the published version of the manuscript.
Funding
This research was funded by the National Natural Science Foundation of China, grant numbers 62263001 and 61563006.
Data Availability Statement
The original contributions presented in this study are included in the article. Further inquiries can be directed to the corresponding author.
Acknowledgments
The authors would like to thank all the anonymous reviewers for their insightful comments and constructive suggestions.
Conflicts of Interest
The authors declare no conflict of interest.
References
- Li, Q. Technological Evolution of Lithium Batteries for New Energy Vehicles. In Proceedings of the 2022 International Conference on Industrial IoT, Big Data and Supply Chain (IIoTBDSC), Beijing, China, 23–25 September 2022; pp. 19–23. [Google Scholar] [CrossRef]
- Chen, Y. Research on collaborative innovation of key common technologies in new energy vehicle industry based on digital twin technology. Energy Rep. 2022, 8, 15399–15407. [Google Scholar] [CrossRef]
- Yamaguchi, M.; Lee, K.-H.; Sato, D.; Araki, K.; Kojima, N.; Takamoto, T.; Masuda, T.; Satou, A. Overview of Si Tandem Solar Cells and Approaches to PV-Powered Vehicle Applications. MRS Adv. 2020, 5, 441–450. [Google Scholar] [CrossRef]
- Xie, W.; Luo, W.; Qin, Y. Integrated DC/DC Converter Topology Study for Fuel Cell Hybrid Vehicles with Two Energy Sources. World Electr. Veh. J. 2022, 14, 9. [Google Scholar] [CrossRef]
- Han, X.; Lu, L.; Zheng, Y.; Feng, X.; Li, Z.; Li, J.; Ouyang, M. A review on the key issues of the lithium ion battery degradation among the whole life cycle. ETransportation 2019, 1, 100005. [Google Scholar] [CrossRef]
- Kouchachvili, L.; Yaïci, W.; Entchev, E. Hybrid battery/supercapacitor energy storage system for the electric vehicles. J. Power Sources 2018, 374, 237–248. [Google Scholar] [CrossRef]
- Khasim, S.R.; Dhanamjayulu, C.; Muyeen, S.M. A Single Inductor Multi-Port Power Converter for Electric Vehicle Applications. IEEE Access 2023, 11, 3367–3385. [Google Scholar] [CrossRef]
- Annamalai, M.; Prabha, N.A. A comprehensive review on isolated and non-isolated converter configuration and fast charging technology: For battery and plug in hybrid electric vehicle. Heliyon 2023, 9, e18808. [Google Scholar] [CrossRef] [PubMed]
- Ding, S.; Wu, H.; Xing, Y.; Fang, Y.; Ma, X. Topology and control of a family of non-isolated three-port DC-DC converters with a bidirectional cel1. In Proceedings of the 28th Annual IEEE Applied Power Electronics Conference and Exposition, Long Beach, CA, USA, 17–21 March 2013; pp. 1089–1094. [Google Scholar]
- Sisakat, S.T.; Barakati, S.M. Fuzzy energy management in electrical vehicles with different hybrid energy storage topologies. In Proceedings of the 4th Iranian Joint Congress on Fuzzy and Intelligent Systems, Zahedan, Iran, 9–11 September 2015; pp. 1–6. [Google Scholar]
- Zhao, B.; Song, Q.; Liu, W.; Sun, Y. Overview of dual-active-bridge isolated bidirectional DC-DC converter for high-frequency-link power-conversion system. IEEE Trans. Power Electron. 2013, 29, 4091–4106. [Google Scholar] [CrossRef]
- Li, X.; Bhat, A.K. Analysis and design of high-frequency isolated dual bridge series resonant DC/DC converter. IEEE Trans. Power Electron. 2010, 25, 850–862. [Google Scholar]
- Chen, W.; Rong, P.; Lu, Z. Snubberless bidirectional DC-DC converter with new cllc resonant tank featuring minimized switching loss. IEEE Trans. Ind. Electron. 2010, 57, 3075–3086. [Google Scholar] [CrossRef]
- Jung, J.H.; Kim, H.S.; Ryu, M.H.; Baek, J.W. Design methodology of bidirectional cllc resonant converter for high-frequency isolation of DC distribution systems. IEEE Trans. Power Electron. 2013, 28, 1741–1755. [Google Scholar] [CrossRef]
- Jalbrzykowski, S.; Bogdan, A.; Citko, T. A dual full-bridge resonant class-E bidirectional DC-DC converter. IEEE Trans. Ind. Electron. 2011, 58, 3879–3883. [Google Scholar] [CrossRef]
- Rodríguez-Lorente, A.; Barrado, A.; Calderón, C.; Fernández, C.; Lázaro, A. Non-inverting and non-isolated magnetically coupled Buck–boost bidirectional DC–DC converter. IEEE Trans. Power Electron. 2020, 35, 11942–11954. [Google Scholar] [CrossRef]
- Li, Y.; Wang, Y.; Song, H.; Xu, D. Analysis and design of a nonisolated bidirectional DC-DC converter based on CLC network. IEEE J. Emerg. Sel. Top. Ind. Electron. 2021, 2, 481–490. [Google Scholar] [CrossRef]
- Liu, J.; Hu, R.; Zeng, J. A non-isolated three-port converter with high-voltage gain. Trans. China Electrotech. Soc. 2019, 34, 529–538. [Google Scholar]
- Bansal, R.; Tokas, V.; Bansal, R.; Kumar, M. Characterization and Steady State Analysis of Multiport Switched Boost Converter. In Proceedings of the 2023 IEEE 3rd International Conference on Sustainable Energy and Future Electric Transportation, SeFet, Odisha, India, 9–12 August 2023. [Google Scholar]
- Nguyen, B.L.-H.; Cha, H.; Vu, T.; Nguyen, T.-T. Integrated Multiport Bidirectional DC-DC Converter for HEV/FCV Applications. arXiv 2022, arXiv:2209.05969. [Google Scholar]
- Bhattacharyya, P.; Ghorai, S.; Sen, S.; Giri, S.K. A Flexible Non-Isolated Multiport Converter to Integrate Battery and Ultracapacitor for Electric Vehicle Applications. IEEE Trans. Circuits Syst. II Express Briefs 2022, 70, 1044–1048. [Google Scholar] [CrossRef]
- Uno, M.; Sato, M.; Tada, Y.; Iyasu, S.; Kobayashi, N.; Hayashi, Y. Partially Isolated Multiport Converter with Automatic Current Balancing Interleaved PWM Converter and Improved Transformer Utilization for EV Batteries. IEEE Trans. Transp. Electrif. 2022, 9, 1273–1288. [Google Scholar] [CrossRef]
- Shayeghi, H.; Pourjafar, S.; Hashemzadeh, S.M. A switching capacitor based multi-port bidirectional DC–DC converter. IET Power Electron. 2021, 14, 1622–1636. [Google Scholar] [CrossRef]
- Taheri, S.M.; Baghramian, A.; Pourseyedi, S.A. A novel high-step-up sepic-based nonisolated three-port DC-DC converter proper for renewable energy applications. IEEE Trans. Ind. Electron. 2023, 70, 10114–10122. [Google Scholar] [CrossRef]
- Banaei, M.R.; Ardi, H.; Alizadeh, R.; Farakhor, A. A four port non-isolated multi input single output DC-DC converter fed induction motor. In Proceedings of the 2017 IEEE 6th International Conference on Renewable Energy Research and Applications (ICRERA), San Diego, CA, USA, 5–8 November 2017. [Google Scholar]
- Wang, S.; Cheng, Y. Status and Development Trend of New Energy Vehicles in Europe. J. Automot. Saf. Energy Conserv. 2021, 12, 135–149. [Google Scholar]
- Lei, J. Research on Energy Fuzzy Control of Fuel Cell Hybrid Power System Incorporating Multi-Objective Optimization; Guangxi University of Science and Technology: Liuzhou, China, 2024. [Google Scholar] [CrossRef]
Disclaimer/Publisher’s Note: The statements, opinions and data contained in all publications are solely those of the individual author(s) and contributor(s) and not of MDPI and/or the editor(s). MDPI and/or the editor(s) disclaim responsibility for any injury to people or property resulting from any ideas, methods, instructions or products referred to in the content. |
© 2024 by the authors. Licensee MDPI, Basel, Switzerland. This article is an open access article distributed under the terms and conditions of the Creative Commons Attribution (CC BY) license (https://creativecommons.org/licenses/by/4.0/).