Text-Guided Object Detection Accuracy Enhancement Method Based on Improved YOLO-World
Abstract
1. Introduction
- Improved visual processing module: To enhance the processing capabilities for low-resolution images and strengthen the feature representation of small and medium-sized objects, we introduce the space-to-depth layer followed by a non-strided convolution layer (SPD-Conv) module [18]. This module effectively improves the model’s performance on small- and medium-sized target objects by combining spatial transformation and a non-strided convolution layer.
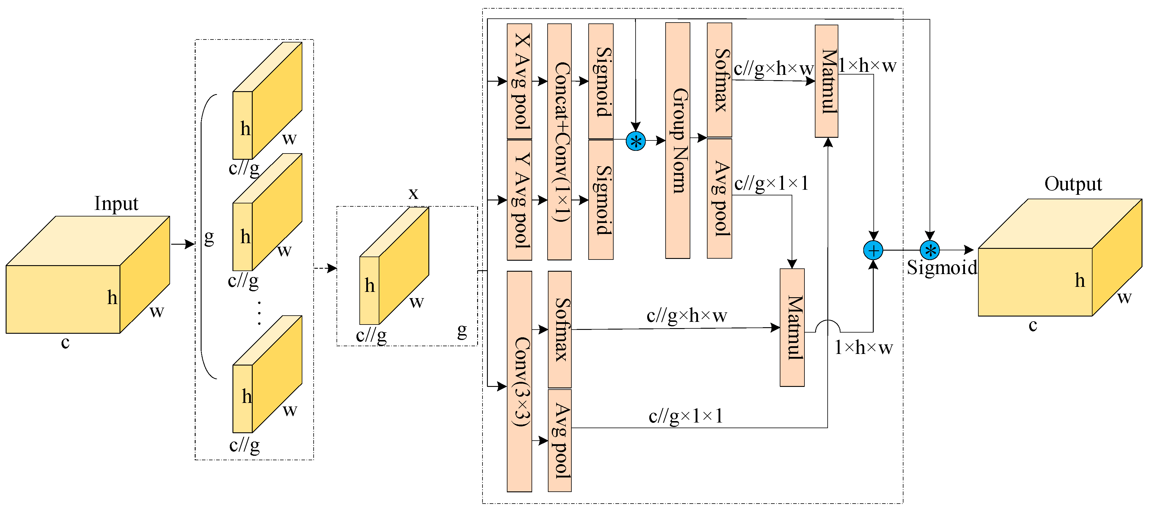
- Efficient multi-scale attention mechanism: This paper is the first to apply the efficient multi-scale attention (EMA) mechanism [19] to text-guided visual feature representation, significantly enhancing the model’s ability to accurately detect objects based on text descriptions. Additionally, we introduce the spatial attention (SA) module [20], which focuses on specific regions mentioned in the text, thereby achieving more precise target localization and recognition.
- Extensive experimental validation: We conducted extensive ablation studies to systematically verify the effectiveness of each introduced module. The experimental results show that the proposed method significantly outperforms four advanced methods on the custom tool dataset, especially in the knife detection task, achieving an accuracy of 93.3%, which is a 4.4% improvement over the baseline model. Additionally, we tested the proposed method on the public COCO dataset, demonstrating its good adaptability and cross-dataset generalization capability, with an accuracy of 34.7% for detecting new categories.
2. Related Work
3. System
4. Methods
4.1. Text Branch
4.2. Visual Branch with SPD-Conv
4.3. Text-Visual Fusion Module with SA and EMA
4.4. Prediction Head
5. Experiments
5.1. Datasets
5.2. Experimental Setup
5.3. Evaluation Indicators
5.4. Experimental Results
5.4.1. Ablation Experiment
5.4.2. Comparison Experiments Based on Custom Dataset
5.4.3. Comparison Experiments Based on COCO Dataset
5.4.4. Comparison Experiment of Object Detection Application
6. Conclusions
Author Contributions
Funding
Data Availability Statement
Conflicts of Interest
References
- Sharkawy, A.-N. Human-robot interaction: Applications. arXiv 2021, arXiv:2102.00928. [Google Scholar]
- Hamilton, A. Artificial Intelligence and Healthcare Simulation: The Shifting Landscape of Medical Education. Cureus 2024, 16, e59747. [Google Scholar] [CrossRef] [PubMed]
- Li, Y.; Li, Q.; Pan, J.; Zhou, Y.; Zhu, H.; Wei, H.; Liu, C. Sod-yolo: Small-object-detection algorithm based on improved yolov8 for uav images. Remote Sens. 2024, 16, 3057. [Google Scholar] [CrossRef]
- Wei, G.; Yuan, X.; Liu, Y.; Shang, Z.; Yao, K.; Li, C.; Yan, Q.; Zhao, C.; Zhang, H.; Xiao, R. OVA-DETR: Open vocabulary aerial object detection using image-text alignment and fusion. arXiv 2024, arXiv:2408.12246. [Google Scholar]
- Solanes, J.E.; Gracia, L.; Miro, J.V. Advances in Human–Machine Interaction, Artificial Intelligence, and Robotics. Electronics 2024, 13, 3856. [Google Scholar] [CrossRef]
- Zhang, X.; Shen, J.; Wang, Y.; Xiao, J.; Li, J. Zero-Shot Image Caption Inference System Based on Pretrained Models. Electronics 2024, 13, 3854. [Google Scholar] [CrossRef]
- Jung, D.-Y.; Oh, Y.-J.; Kim, N.-H. A Study on GAN-Based Car Body Part Defect Detection Process and Comparative Analysis of YOLO v7 and YOLO v8 Object Detection Performance. Electronics 2024, 13, 2598. [Google Scholar] [CrossRef]
- Chen, W.; Huang, H.; Peng, S.; Zhou, C.; Zhang, C. YOLO-face: A real-time face detector. Vis. Comput. 2021, 37, 805–813. [Google Scholar] [CrossRef]
- Liu, L.; Wang, G.; Miao, Q. ADYOLOv5-Face: An Enhanced YOLO-Based Face Detector for Small Target Faces. Electronics 2024, 13, 4184. [Google Scholar] [CrossRef]
- Ren, S.; He, K.; Girshick, R.; Sun, J. Faster R-CNN: Towards real-time object detection with region proposal networks. Pattern Anal. Mach. Intell. 2016, 39, 1137–1149. [Google Scholar] [CrossRef] [PubMed]
- Hussain, M. YOLO-v1 to YOLO-v8, the rise of YOLO and its complementary nature toward digital manufacturing and industrial defect detection. Machines 2023, 11, 677. [Google Scholar] [CrossRef]
- Jocher, G.; Chaurasia, A.; Qiu, J. YOLO by Ultralytics. 2023. Available online: https://github.com/ultralytics/ultralytics (accessed on 1 November 2024).
- Ding, X.; Chen, X.; Wang, J.; Zhang, J. Lightweight Underwater Target Detection Using YOLOv8 with Multi-Scale Cross-Channel Attention. Comput. Mater. Contin. 2024, 1–10. [Google Scholar] [CrossRef]
- Li, J.; Wang, Y.; Liang, W.; Xiong, C.; Cai, W.; Li, L.; Liu, Y. Visual Anomaly Detection via CNN-BiLSTM Network with Knit Feature Sequence for Floating-Yarn Stacking during the High-Speed Sweater Knitting Process. Electronics 2024, 13, 3968. [Google Scholar] [CrossRef]
- Feng, Q.; Ablavsky, V.; Bai, Q.; Li, G.; Sclaroff, S. Real-time visual object tracking with natural language description. In Proceedings of the IEEE/CVF Winter Conference on Applications of Computer Vision, Snowmass Village, CO, USA, 1–5 March 2020; pp. 700–709. [Google Scholar]
- Li, X.; Chen, X.; Qu, C.; Yu, B.; Liu, F.; Hu, X.; Zhu, D.; Lu, F.; Chen, R.; Yu, G. Open Set Object Detection in Complex Petrochemical Scenes. In Proceedings of the 2024 7th International Symposium on Autonomous Systems (ISAS), Chongqing, China, 7–9 May 2024; pp. 1–7. [Google Scholar]
- Zhang, P.; Li, Y.; Wang, S. RoICLIP: Text-Enhanced UAV-Based Video Object Detection. In Proceedings of the International Conference on Image and Graphics, Nanjing, China, 22–24 September 2023; pp. 151–163. [Google Scholar]
- Sunkara, R.; Luo, T. No more strided convolutions or pooling: A new CNN building block for low-resolution images and small objects. In Proceedings of the Joint European Conference on Machine Learning and Knowledge Discovery in Databases, Grenoble, France, 19–23 September 2022; pp. 443–459. [Google Scholar]
- Ouyang, D.; He, S.; Zhang, G.; Luo, M.; Guo, H.; Zhan, J.; Huang, Z. Efficient multi-scale attention module with cross-spatial learning. In Proceedings of the ICASSP 2023—2023 IEEE International Conference on Acoustics, Speech and Signal Processing (ICASSP), Rhodes Island, Greece, 4–10 June 2023; pp. 1–5. [Google Scholar]
- Xu, L.; Huang, J.; Nitanda, A.; Asaoka, R.; Yamanishi, K. A novel global spatial attention mechanism in convolutional neural network for medical image classification. arXiv 2020, arXiv:2007.15897. [Google Scholar]
- Anderson, P.; He, X.; Buehler, C.; Teney, D.; Johnson, M.; Gould, S.; Zhang, L. Bottom-up and top-down attention for image captioning and visual question answering. In Proceedings of the IEEE Conference on Computer Vision and Pattern Recognition, Salt Lake City, UT, USA, 18–23 June 2018; pp. 6077–6086. [Google Scholar]
- Carion, N.; Massa, F.; Synnaeve, G.; Usunier, N.; Kirillov, A.; Zagoruyko, S. End-to-end object detection with transformers. In Proceedings of the European Conference on Computer Vision, Glasgow, UK, 23–28 August 2020; pp. 213–229. [Google Scholar]
- Zhu, X.; Su, W.; Lu, L.; Li, B.; Wang, X.; Dai, J. Deformable detr: Deformable transformers for end-to-end object detection. arXiv 2020, arXiv:2010.04159. [Google Scholar]
- Zareian, A.; Rosa, K.D.; Hu, D.H.; Chang, S.-F. Open-vocabulary object detection using captions. In Proceedings of the IEEE/CVF Conference on Computer Vision and Pattern Recognition, Nashville, TN, USA, 20–25 June 2021; pp. 14393–14402. [Google Scholar]
- Zhong, Y.; Yang, J.; Zhang, P.; Li, C.; Codella, N.; Li, L.H.; Zhou, L.; Dai, X.; Yuan, L.; Li, Y. Regionclip: Region-based language-image pretraining. In Proceedings of the IEEE/CVF Conference on Computer Vision and Pattern Recognition, New Orleans, LA, USA, 18–24 June 2022; pp. 16793–16803. [Google Scholar]
- Zhou, X.; Girdhar, R.; Joulin, A.; Krähenbühl, P.; Misra, I. Detecting twenty-thousand classes using image-level supervision. In Proceedings of the European Conference on Computer Vision, Tel Aviv, Israel, 23–27 October 2022; pp. 350–368. [Google Scholar]
- Cheng, T.; Song, L.; Ge, Y.; Liu, W.; Wang, X.; Shan, Y. Yolo-world: Real-time open-vocabulary object detection. In Proceedings of the IEEE/CVF Conference on Computer Vision and Pattern Recognition, Seattle, WA, USA, 16–22 June 2024; pp. 16901–16911. [Google Scholar]
- Radford, A.; Kim, J.W.; Hallacy, C.; Ramesh, A.; Goh, G.; Agarwal, S.; Sastry, G.; Askell, A.; Mishkin, P.; Clark, J. Learning transferable visual models from natural language supervision. In Proceedings of the International Conference on Machine Learning, Vienna, Austria, 18–24 July 2021; pp. 8748–8763. [Google Scholar]
- Redmon, J.; Divvala, S.; Girshick, R.; Farhadi, A. You Only Look Once: Unified, Real-Time Object Detection. In Proceedings of the 2016 IEEE Conference on Computer Vision and Pattern Recognition (CVPR), Las Vegas, NV, USA, 27–30 June 2016; pp. 779–788. [Google Scholar] [CrossRef]
- Kenton, J.D.M.W.C.; Toutanova, L.K. Bert: Pre-training of deep bidirectional transformers for language understanding. In Proceedings of the NAACL-HLT, Minneapolis, MN, USA, 2–7 June 2019; p. 2. [Google Scholar]
- Lin, T.-Y.; Maire, M.; Belongie, S.; Hays, J.; Perona, P.; Ramanan, D.; Dollár, P.; Zitnick, C.L. Microsoft coco: Common objects in context. In Proceedings of the Computer Vision–ECCV 2014: 13th European Conference, Zurich, Switzerland, 6–12 September 2014; Proceedings, Part V. Volume 13, pp. 740–755. [Google Scholar]
- Shao, S.; Li, Z.; Zhang, T.; Peng, C.; Yu, G.; Zhang, X.; Li, J.; Sun, J. Objects365: A large-scale, high-quality dataset for object detection. In Proceedings of the Proceedings of the IEEE/CVF International Conference on Computer Vision, Seoul, Republic of Korea, 27 October–2 November 2019; pp. 8430–8439. [Google Scholar]
- Kamath, A.; Singh, M.; LeCun, Y.; Synnaeve, G.; Misra, I.; Carion, N. Mdetr-modulated detection for end-to-end multi-modal understanding. In Proceedings of the IEEE/CVF International Conference on Computer Vision, Montreal, BC, Canada, 11–17 October 2021; pp. 1780–1790. [Google Scholar]







| Sample Category | Number of Training Set | Number of Validation Set | Number of Test Set | Total |
|---|---|---|---|---|
| Phillips screwdriver | 2843 | 355 | 360 | 3558 |
| Slotted screwdriver | 2671 | 334 | 341 | 3346 |
| Knife | 2782 | 348 | 352 | 3482 |
| Tape measure | 2703 | 338 | 349 | 3390 |
| Scissors | 2775 | 347 | 362 | 3484 |
| Pliers | 2820 | 353 | 370 | 3543 |
| Wire strippers | 2654 | 332 | 328 | 3314 |
| Name | Specific Information |
|---|---|
| Operating system | Linux (Ubuntu 20.04) |
| GPU | RTX3080Ti |
| Cuda | 11.3 |
| pytorch | 1.10.1 |
| python | 3.8.19 |
| YOLO-World-S | SPD-Conv | EMA | SA | AP | AP0.5 | AP0.75 | Inference Time/ms | Params/M |
|---|---|---|---|---|---|---|---|---|
| √ | 0.770 | 0.992 | 0.929 | 8.6 | 13.0 | |||
| √ | √ | 0.789 | 0.992 | 0.945 | 9.1 | 13.3 | ||
| √ | √ | 0.786 | 0.993 | 0.948 | 8.2 | 13.0 | ||
| √ | √ | 0.783 | 0.993 | 0.936 | 8.6 | 13.0 | ||
| √ | √ | √ | 0.793 | 0.994 | 0.951 | 8.8 | 13.3 | |
| √ | √ | √ | 0.791 | 0.993 | 0.946 | 9.1 | 13.3 | |
| √ | √ | √ | 0.786 | 0.993 | 0.949 | 7.9 | 13.0 | |
| √ | √ | √ | √ | 0.795 | 0.996 | 0.952 | 8.8 | 13.3 |
| Methods | Metrics | G01 | G02 | G03 | G04 | G05 | G06 | G07 |
|---|---|---|---|---|---|---|---|---|
| RegionCLIP [25] | AP0.5 | 0.923 | 0.933 | 0.932 | 0.955 | 0.957 | 0.931 | 0.932 |
| AP0.75 | 0.901 | 0.929 | 0.885 | 0.766 | 0.952 | 0.905 | 0.915 | |
| Detic [26] | AP0.5 | 0.942 | 0.927 | 0.912 | 0.962 | 0.933 | 0.925 | 0.933 |
| AP0.75 | 0.890 | 0.925 | 0.856 | 0.775 | 0.925 | 0.912 | 0.920 | |
| OVR-CNN [24] | AP0.5 | 0.894 | 0.880 | 0.873 | 0.901 | 0.910 | 0.895 | 0.901 |
| AP0.75 | 0.860 | 0.874 | 0.805 | 0.695 | 0.890 | 0.873 | 0.897 | |
| YOLO-World-S [27] | AP0.5 | 0.969 | 0.963 | 0.950 | 0.979 | 0.967 | 0.978 | 0.975 |
| AP0.75 | 0.944 | 0.963 | 0.890 | 0.769 | 0.967 | 0.948 | 0.954 | |
| Proposed | AP0.5 | 0.971 | 0.969 | 0.971 | 0.980 | 0.970 | 0.989 | 0.989 |
| AP0.75 | 0.950 | 0.965 | 0.933 | 0.803 | 0.970 | 0.960 | 0.965 |
| Methods | Vision Backbone | Text Model | APnovel | APbase | APall |
|---|---|---|---|---|---|
| RegionCLIP [25] | RN50-C4 | CLIP RN50 | 26.8 | 54.8 | 47.5 |
| Detic [26] | RN50-FPN | CLIP | 27.8 | 47.1 | 45.0 |
| OVR-CNN [24] | RN50-C4 | BERT | 22.8 | 46.0 | 39.9 |
| YOLO-World-S [27] | YOLOV8-S | CLIP | 32.5 | 53.4 | 48.0 |
| Proposed | YOLOV8SC-S | CLIP | 34.7 | 57.1 | 50.4 |
Disclaimer/Publisher’s Note: The statements, opinions and data contained in all publications are solely those of the individual author(s) and contributor(s) and not of MDPI and/or the editor(s). MDPI and/or the editor(s) disclaim responsibility for any injury to people or property resulting from any ideas, methods, instructions or products referred to in the content. |
© 2024 by the authors. Licensee MDPI, Basel, Switzerland. This article is an open access article distributed under the terms and conditions of the Creative Commons Attribution (CC BY) license (https://creativecommons.org/licenses/by/4.0/).
Share and Cite
Ding, Q.; Zhang, E.; Liu, Z.; Yao, X.; Pan, G. Text-Guided Object Detection Accuracy Enhancement Method Based on Improved YOLO-World. Electronics 2025, 14, 133. https://doi.org/10.3390/electronics14010133
Ding Q, Zhang E, Liu Z, Yao X, Pan G. Text-Guided Object Detection Accuracy Enhancement Method Based on Improved YOLO-World. Electronics. 2025; 14(1):133. https://doi.org/10.3390/electronics14010133
Chicago/Turabian StyleDing, Qian, Enzheng Zhang, Zhiguo Liu, Xinhai Yao, and Gaofeng Pan. 2025. "Text-Guided Object Detection Accuracy Enhancement Method Based on Improved YOLO-World" Electronics 14, no. 1: 133. https://doi.org/10.3390/electronics14010133
APA StyleDing, Q., Zhang, E., Liu, Z., Yao, X., & Pan, G. (2025). Text-Guided Object Detection Accuracy Enhancement Method Based on Improved YOLO-World. Electronics, 14(1), 133. https://doi.org/10.3390/electronics14010133




















