Abstract
Commutation failure is still one of the most common faults in LCC-UHVDC (line commutated converter-based, ultra-high voltage direct current) systems, and if the inverter side, extinction angle, and rectification value remain constant during the fault, it may lead to commutation failure or even continuous commutation failure. Therefore, this paper first analyzes the structure of the LCC-UHVDC system and the mechanism of commutation failure and, on this basis, proposes a commutation failure suppression method based on dynamic tracking of the extinction angle rectification value. The desired DC voltage of the system under fault conditions is calculated based on key state quantities such as the AC voltage RMS value, the extinction angle, and the leading angle during the fault process. The compensation amount is obtained by comparing the desired DC voltage with the actual DC voltage and superimposition on the extinction angle rectification value in the inverter extinction angle control. When there is a risk of commutation failure, dynamically adjusting the extinction angle setting value according to the compensation value is beneficial for the rapid and stable recovery of the extinction angle, reducing the probability of commutation failure. A bipolar neutral ground LCC-UHVDC testing model system is established in PSCAD/EMTDC for simulation verification to show that the proposed improved control strategy effectively reduces the probability of commutation failure and significantly improves the stable operation characteristics of the LCC-UHVDC system.
1. Introduction
Due to the imbalanced distribution of energy resources and power load in China, the West−East power transmission project has emerged as a crucial technical solution for alleviating power shortages in the eastern region and enhancing the utilization of new energy delivery in the western region. LCC-UHVDC technology offers significant advantages such as high transmission efficiency, low transmission loss, and stable operation. It finds vital applications in long-distance, large-capacity power transmission, smart grid systems, and other related fields [1,2]. At present, the LCC-UHVDC system adopts constant current control on the rectifier side, constant current control, and constant turn-off of the angle control on the inverter side. Since the LCC-UHVDC system uses thyristor devices to realize commutating, it can only control the on-off switch but cannot realize active turn-off and relies on the AC power grid to provide commutating voltage [3,4], which easily leads to commutating failure. At present, commutation failure is still one of the most common faults in the converter station. Once continuous commutation failure occurs, the DC current in the system will increase sharply, resulting in shortening the life of the converter valve and other serious consequences [5,6]. Therefore, the study of commutation failure is helpful in improving the stability and reliability of the UHVDC transmission system.
Over the years, many scholars have conducted research on reducing the probability of commutation failure and achieved certain results. The research shows that commutation failure is related to DC current, lead angle, converter bus voltage, converter transformer ratio, and commutation reactance [7]. In Refs. [8,9], from the perspective of reactive power balance, the static reactive power support capability of the adjusting camera is reasonably configured through the combination of the adjusting the camera and UHVDC transmission control system to achieve the purpose of suppressing commutating failure. However, the capacity of the adjusting camera is limited in actual working conditions. Based on the traditional commutation failure prediction device, Ref. [10] proposes an enhanced commutation failure prevention control. This paper proposes a virtual commutation process and designs a virtual trigger angle prediction module, which aims to adjust the trigger angle better when the detection system does not detect the fault after the fault occurs. Ref. [11] modified line commutated converter-based high voltage direct current (LCC-HVDC) network topology to reduce the probability of commutation failure. However, the capacity of the introduced IGBT is limited in actual working conditions. Ref. [12] proposes that the deviation of trigger angle is an important reason for the failure of continuous commutation, analyzes the cause of the deviation of trigger angle, and proposes to suppress the failure of continuous commutation based on dynamic compensation trigger angle. Ref. [13] proposes a novel machine learning (ML) based commutation failure prediction methodology that is capable of learning the relations between the field measurements and the commutation failure results directly. Ref. [14] uses the zero-sequence maximum voltage algorithm in the three-point method of voltage waveform fitting to improve the existing commutation failure prediction and modify the initial value of the predictive control device after failure, but the coefficient in the initial value is not clearly given in the paper. Ref. [15] proposes a prediction method of commutation failure based on the accumulated energy characteristics of inverters. Firstly, the accumulated energy inside the inverters is calculated, then the signals are decomposed into different frequency bands and their energy characteristics extracted, and finally, the vector machine algorithm is used for classification prediction. However, the frequency band extraction method of this method may fail to capture key features, leading to information omission. Some scholars proposed quickly identifying the commutation failure risk area of multifeed HVDC systems by analyzing and calculating multi-infeed interaction factors (MIIF) [16]. Some scholars have proposed CFREV coordination control strategies for each LCC-HVDC interaction [17].
Some scholars modify the control mode of the inverter side of the HVDC transmission system to reduce the probability of commutation failure [18]. There are also some scholars who propose an algorithm for mitigating commutation failure in an HVDC system and implement the proposed algorithm using the CIGRE benchmark HVDC system [19]. Ref. [20] proposes a CF mitigation method based on the imaginary commutation process. Ref. [21] proposes a prediction method based on the true turn-off angle to prevent commutation failure with minimum time delay, but this strategy depends on the time of fault occurrence. Some scholars modify and optimize the setting value of the turn-off angle controlled by the fixed turn-off angle to reduce the probability of commutation failure [22], but different systems need to rely on experience to determine the setting value of the turn-off angle. Ref. [23] gives the root cause of continuous commutation failure, and proposes an adaptive turn-off angle recovery control strategy to maintain a constant turn-off angle mode on the inverter side after the first commutation failure. Ref. [24] analyzed and classified the causes of continuous commutation failure and concluded that in the action sequence of the controller, the continuous reduction of the turn-off angle is the root cause of commutation failure when the current deviation control link is operated, but it did not prove that commutation failure will not occur in the VDCOL action stage during the fault process. On the basis of Refs. [24,25] analyzed the mechanism of the fault recovery process and concluded that if the slope of the current deviation control curve was improperly selected, when a small disturbance was received in the recovery process, commutation failure might be caused. Meanwhile, it was proven by a theoretical derivation that commutation failure would not occur in the system during the VDCOL action stage on the inverter side. Therefore, different inverter side control modes have different influences and advantages and disadvantages on the regulation characteristics of UHVDC transmission systems, which should be selected and optimized according to specific systems and application scenarios.
Therefore, aiming at the problem of commutation failure in a UHVDC transmission system, this paper proposes a commutation failure suppression method for the LCC-UHVDC system based on the dynamic tracking of the turn-off angle setting, according to the influence of DC voltage and DC current on the turn-off angle, and carries out simulation verification in a PSCAD/EMTDC conventional UHVDC transmission system. The superiority of the proposed method is verified by comparison with the conventional control. The comparison and summary with relevant literature are shown in Table 1. Overall, the main contributions of this paper are:
- Unlike the conventional method with a constant DC turn-off angle setting value, the proposed commutation failure suppression method based on dynamic tracking of the turn-off angle setting value compares the compensation amount of expected DC voltage and actual DC voltage and the superimposition on the turn-off angle setting value in the fixed turn-off angle control of the inverter. When there is a risk of commutation failure, the turn-off angle setting value is dynamically adjusted according to the compensation value, which is conducive to the rapid and stable recovery of the turn-off angle, reduces the probability of commutation failure, and effectively improves the stable operation characteristics of LCC-UHVDC.
- The method proposed in this paper considers the dynamic compensation of DC voltage, so that the voltage can recover to the stable value more quickly after the fault. At the same time, the transient voltage peak value in the fault process is effectively reduced. The closed-loop adjustment circuit of the turn-off angle is formed by PI control so that the change of the turn-off angle can be tracked during the fault process to reduce the number of commutation failures, and the turn-off angle overshoot after the fault can be reduced.
Table 1.
The content of this article is compared with relevant literature.
Table 1.
The content of this article is compared with relevant literature.
| Purpose | Dynamic Compensation Trigger Angle | Improved Commutation Failure Prediction Module | Constant Voltage and Constant Turn-Off Angle Coordinate Control | Coordinate Control of Reactive Power and Turn-Off Angle | Turn-Off Angle Setting Changes | |||||
|---|---|---|---|---|---|---|---|---|---|---|
| References | [12] | [13] | [14] | [19] | [20] | [8] | [9] | [24] | [25] | This Text |
| Whether to consider voltage dynamic compensation | × | × | × | √ | × | × | × | × | × | √ |
| Whether the turn-off Angle setting is dynamically adjusted | × | × | × | × | × | × | √ | √ | √ | √ |
| Ability to track changes in turn-off angle | √ | √ | √ | × | × | × | × | × | × | √ |
| Whether to reflect DC voltage change | × | × | × | √ | √ | √ | × | × | × | √ |
Here “√” indicates that the literature involves the corresponding purpose while “×” indicates that the literature does not involve.
2. LCC-UHVDC System Structure and Commutation Failure Mechanism Analysis
2.1. LCC-UHVDC System Structure
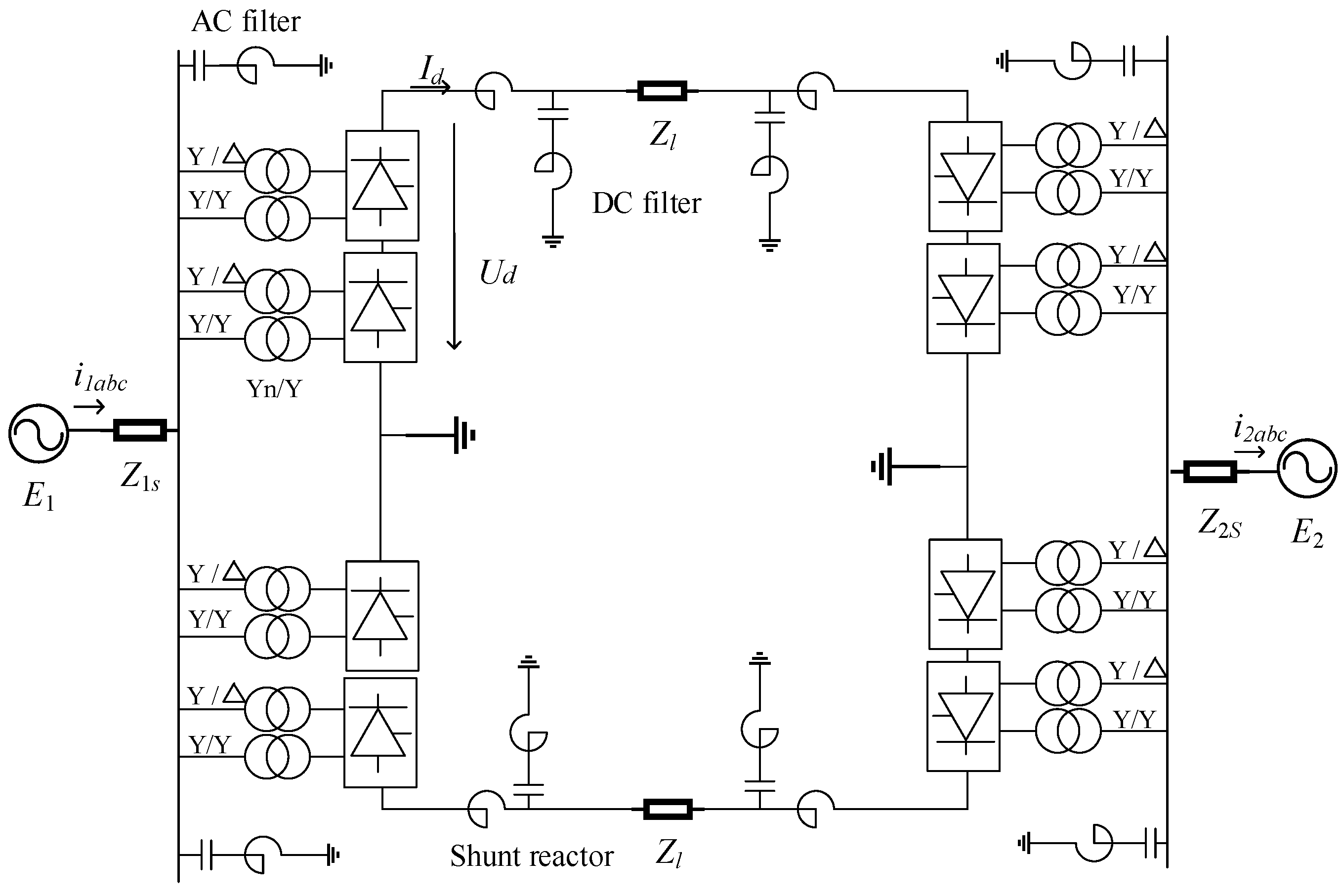
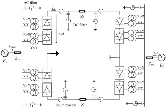
The LCC-UHVDC system structure adopted in this paper is shown in Figure 1, and the UHVDC transmission system discussed is a bipolar 24-pulse UHVDC transmission system structure. In Figure 1, represents the AC voltage of the sending end, represents the AC voltage of the receiving end, represents the AC measured impedance of the sending end, represents the AC measured impedance of the receiving end, and represents the DC impedance. Both the rectifier side and the inverter side adopt double 12-pulse converters, which are composed of two 6-pulse converters, respectively, and each is powered by a converter transformer. The wiring is a Y-Y and Y-∆ connection, respectively. Constant current control is used on the rectifier side, and constant current control and constant turn-off angle control are used on the inverter side. LCC-UHVDC usually adopts a hierarchical way to achieve different levels of control, mainly divided into total control, station control, pole control, and valve control. The master control provides instructions to all the converter stations of the UHVDC transmission system to ensure that the LCC-UHVDC system runs according to the scheduling requirements. The station control provides instructions to each pole in the converter station and is responsible for the switching, running, and other functions of AC and DC equipment. The pole control makes each converter bridge of each pole in the converter station coordinate with each other so that the converter station produces the minimum harmonic quantity. For the valve control, the trigger control system is used to control each valve.
Figure 1.
LCC-UHVDC system topology.
2.2. LCC-UHVDC System Structure
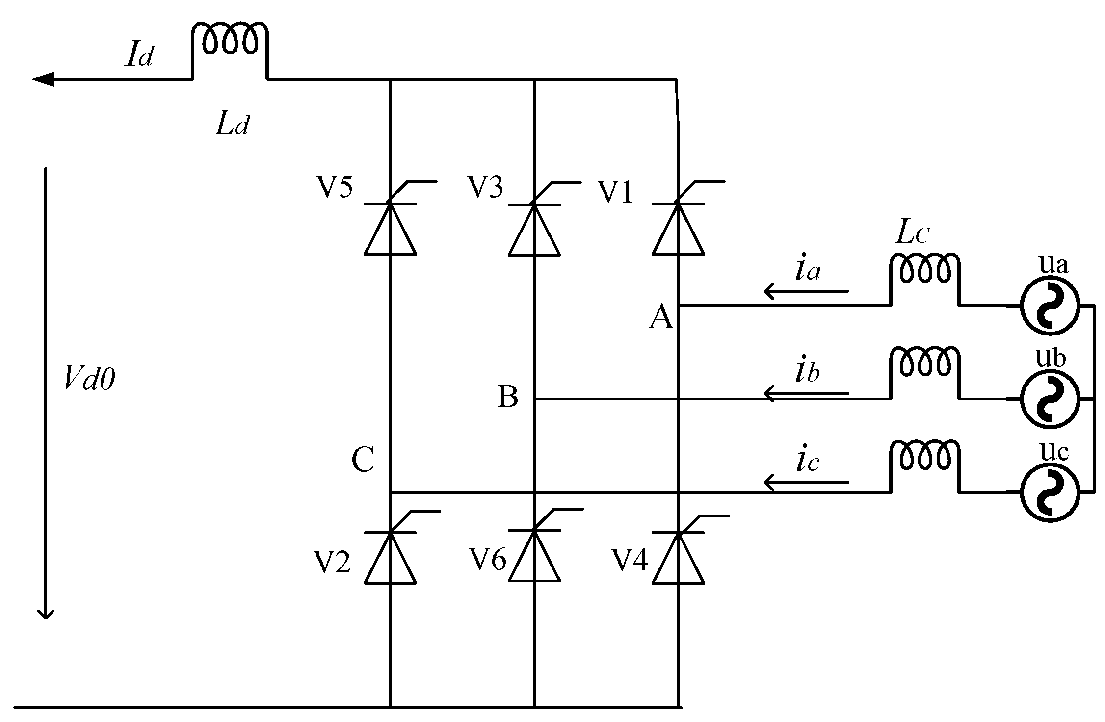
The 6-pulse converter used in the LCC-UHVDC system is shown in Figure 2, where , and are the equivalent AC voltage of the system; , , are the ideal no-load DC voltage, DC current, and flat wave reactor, respectively, of the 6-pulse converter; converter valve composed of nearly 100 thyristors.
Figure 2.
LCC-UHVDC system six-pulse converter.
When the system is in normal operation, the 6-pulse converter has a total of six normal working states, and each working state is operated by a converter valve on the upper and lower sides. When the status changes, the already switched converter valve will be closed in order, and the already closed converter valve will be switched on in order. However, due to the existence of inductance in the system, the converter transformer also has leakage reactance, so the current in the loop will not suddenly change. Taking the process of V1 commutation to V3 as an example, the current in the converter valve V1 will not immediately reduce to 0, the current in V3 will not immediately rise to the rated value, and there is a time between V1 and V3. If after the two converter valves are commutated, the converter valve that has just exited the conduction fails to recover the blocking ability in time, or the commutation process has not been completed during the reverse voltage, in both cases, when the converter valve voltage changes to positive, the commutation valve will reverse to the originally scheduled converter valve that has just launched the conduction, and the commutation fails. Suppose that the current flowing through V1 in the commutation process is, the current flowing through V3 is , and according to Kirchhoff’s voltage equation is
The relationship between commutation branch current and DC current is as follows:
If there is a larger value of the flat wave reactor on the DC side, it is considered that the DC current remains unchanged during the commutation process, then it can be obtained.
By integrating both sides of the above formula, the relationship between the commutation voltage-time area and commutation line voltage of the thyristor is obtained as:
For Equation (4), both sides are multiplied by the same angular frequency ω:
The relation between the thyristor turn-off angle γ, trigger angle α, and commutation overlap angle μ is
The expression of the turn-off angle γ is simplified as follows [26]:
where indicates the equivalent commutation inductance of the system; X represents equivalent commutation reactance; represents the trigger lead Angle; expressed as the effective value of commutation voltage; indicates DC current. Considering that the thyristor needs a certain amount of time to complete the carrier recombination and restore the blocking ability, its deion recovery time is about 400 μs (about a 7° electrical angle); considering the error, when the turn-off angle is less than 10°, it is considered that the commutation fails.
where indicates the equivalent impedance of the inverter; represents the transformer ratio on the inverter side; is the receiving AC voltage.
When the constant turn-off angle control is adopted on the inverter side, it can be seen from formula (8) that if the trigger lead angle remains constant and decreases or increases, γ will increase; otherwise, γ will decrease. If the AC system has a short circuit fault, will decrease significantly, resulting in a sharp decrease in γ, but the commutation failure will occur when the transmission minimum limit is set. Taking the conventional UHVDC transmission system as an example, as shown in Figure 3, the turn-off angle and the setting value of the turn-off angle are constant under normal circumstances. Once it occurs, the turn-off angle is not kept constant, but the turn-off angle setting is still constant, and it cannot adapt to the transient change of the turn-off angle, which will further induce commutation failure. It can be seen that keeping the turn-off angle setting constant on the inverter side during the fault process may lead to commutation failure or even continuous commutation failure. Measures should be taken to avoid keeping the turn-off angle setting constant during the fault process.
Figure 3.
The extinction angle of conventional UHVDC transmission system and its setting value.
3. LCC-UHVDC Commutation Failure Suppression Strategy Based on Dynamic Tracking of Turn-Off Angle Setting Value
In the conventional control scheme of a UHVDC transmission system (such as the control scheme adopted by the CIGRE HVDC benchmark model), the constant current controller and the constant turn-off angle controller are combined on the inverter side, and the minimum trigger angle output of the two is selected as the trigger angle of the inverter. Based on the negative feedback control principle, the measured gamma angle is compared with the setting value, and the error is amplified and sent to the phase control circuit so that the trigger circuit is changed to reduce or eliminate the error. The inverter side is equipped with current deviation control. When the actual current is less than the current setting value of the rectifier side, the setting value of the turn-off angle can be corrected to improve system stability. At the same time, the output value of the low voltage current limiting device is compared with the predetermined value as the current setting value of the rectifier side. When the fixed current control works at both ends simultaneously, in order to avoid the conflict between the two sides of the current fixing value, the fixing value of the fixed current control on the inverter side is generally smaller than that on the rectifier side by 0.1 pu, which is the current margin. Under normal operating conditions, the turn-off controller on the inverter side works.
From the previous analysis, it can be seen that keeping the turn-off angle setting constant on the inverter side during the fault process may lead to commutation failure or even continuous commutation failure. Therefore, this paper proposes an LCC-UHVDC commutation failure suppression strategy based on dynamic tracking of the turn-off angle setting value. The expected DC voltage of the system under fault conditions can be calculated according to the real-time AC voltage, turn-off angle, and lead angle of the system, and compared with the actual DC voltage value at that time, and the difference is superimposed to the turn-off angle setting value in the fixed turn-off angle control of the inverter through the PI controller. By comparing the calculated expected DC voltage with the actual DC voltage, when there is a risk of commutation failure, the turn-off angle setting value is dynamically adjusted according to the compensated value, which is conducive to the rapid and stable recovery of the turn-off angle and the probability of commutation failure.
For the 12-pulse inverter, assuming that the turn-off angle is constant, the expression of the average rectifier voltage of the 12-pulse inverter is
where, is the ideal no-load DC voltage of a 6-pulse inverter, and its expression is
The commutation overlap angle μ of the 6-pulse inverter will change with the change of DC current , AC side voltage E2, turn-off Angle γ and the equivalent inductance of the AC system, and the correlation relationship is as follows:
Organizing the above equation gives the DC side voltage as [27].
where, represents the expected DC voltage calculated according to key state variables such as real-time AC voltage, turn-off angle and lead angle of the system; N indicates the number of 12-pulse transmitters. KT indicates the transformer ratio.
The proposed LCC-UHVDC commutation failure suppression scheme, based on dynamic tracking of the turn-off angle setting, is illustrated in Figure 4. The scheme follows the traditional approach of fixed turn-off angle control on the inverter side. The specific implementation method is as follows: Firstly, measuring key state variables such as AC voltage effective value, turn-off angle, and trigger lead angle during the fault process. Secondly, formula (12) in the paper is used to calculate the expected DC voltage under the current state. By subtracting this from the actual DC voltage and applying a PI controller, any difference is compensated for by adjusting the turn-off angle setting value. During the normal operation of the LCC-UHVDC system, the proposed control scheme did not work, and there was no compensation value. Thus, it will not affect the turn-off angle setting value and the switched angles. In case of a fault where the turn-off angle is less than 15°, which indicates a high risk of commutation failure, an increased compensation value needs to be added to reduce such occurrences. The increased compensation value depends on the measured DC voltage signal. The proposed PI controller in Figure 5 of the revised paper can eliminate the possible noise effect of the DC voltage measurement signal. Besides, the proposed control method is superimposed on the conventional controller of the inverter and can dynamically adjust the setting value of the turn-off angle to help the rapid and stable recovery of the turn-off angle to reduce the probability of commutation failure, but it will not change the rate of switching of the thyristor. The limitation of the proposed control is that the parameters of the PI controller need to be properly designed and adjusted to obtain the best control performance.
Figure 4.
Commutation failure suppression strategy based on dynamic tracking of extinction angle setting value.
Figure 5.
The inverter side determines the shutdown angle to control the transfer function.
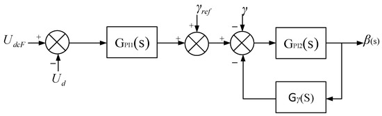
The transfer function of the turn-off angle control on the inverter side is shown in Figure 5.
In Figure 5, the proportional integral control function in the proposed dynamic tracking strategy for setting off the angle is expressed as follows:
where, is the proportion coefficient; is the integral coefficient. In order to calculate the transfer function of the turn-off angle of the contravariant side, the relation between the turn-off angle and trigger advance angle can be obtained. Since the transient response process of the UHVDC transmission system is very rapid, the small deviation method [28] is used to calculate the approximate linearization formula (12) near the steady-state operating point to obtain the expression:
where, is the steady state value of the trigger lead angle of the inverter, so the output of the transfer function shown in Figure 6 is:
Then, the turn-off angle γ can be calculated:
where, is the input of the transfer function, the output is brought into the negative feedback link of the transfer function, and the expression of the turn-off angle is finally obtained. As can be seen from Equation (15), the turn-off angle setting tracking strategy proposed in this paper can enable the system to dynamically adjust the turn-off Angle in the transient fault response process, which is conducive to the rapid and stable recovery of the turn-off angle and reduce the probability of commutation failure.
Figure 6.
Analysis of extinction angle under the proposed control strategy.
Figure 6.
Analysis of extinction angle under the proposed control strategy.

According to the established turn-off angle γ transfer function expression, Figure 6 shows its approximate analytical response results in MATLAB/R2020a. The actual DC voltage used for analysis is initially 800 kV, which decreases by 30 kV every 0.01 s for a duration of 0.1 s. The difference between this voltage and the calculated expected DC voltage is taken as the input value of the transfer function. Analytical results demonstrate that the turn-off angle stabilizes within 0.1 s after the disturbance process, ultimately settling at approximately 11°. This effectively reduces the likelihood of commutation failure and enhances the system’s stability.
4. Simulation Result
In order to verify the effectiveness and superiority of the commutation failure suppression method proposed in this paper based on the dynamic tracking of the turn-off angle setting, a bipolar LCC-UHVDC system simulation model was established on the PSCAD/EMTDC platform [29], as shown in Figure 1. In this model, the line voltage of the sending and receiving AC systems is 530 kV, the rated voltage of the DC transmission system is ±800 kV, the rated current of the DC monopole is 1.875 kA, the rated transmission capacity of the DC bipolar is 3000 MW, and the rated turn-off angle is 20°. The rectifier station adopts constant current control, and the inverter side adopts constant turn-off angle control and constant current control. The reactive power compensation of the rectifier station is 1638 Mvar, the reactive power compensation of the inverter station is 1755 Mvar, and the short-circuit ratio of the equivalent AC system connected to the receiver converter station is greater than three, which is a strong system. The simulation examples in this paper mainly set a short circuit fault at the AC bus on the inverter side to verify the superiority of the proposed control. The traditional inverter side control and the improved strategy proposed in this paper are applied to the bipolar LCC-UHVDC system, respectively, and the dynamic performance of the system is compared. The specific parameters of the dynamic tracking strategy of the inverter side turn-off angle setting in this paper are shown in Table 2 below.
Table 2.
The inverter side extinction angle setting value dynamically tracks the policy parameters.
The AC system short-circuit grounding fault is a common type of fault in actual systems, and it is easy to cause LCC-HVDC commutation failure. Therefore, in this paper, the inductance Lf grounding fault is set at the converter bus on the inverter side to simulate the single-phase or three-phase short circuit fault in the actual project. According to the simulation model, two control schemes of the UHVDC transmission system are designed in this paper to compare the dynamic characteristics of the AC system under different degrees of short circuit fault. The conventional control adopts an uncompensated conventional control mode, while the improved control adopts the commutation failure suppression method based on dynamic tracking of the turn-off angle setting value proposed in this paper.
4.1. Example 1: Single-Phase Ground Fault
In this example, a single-phase grounding fault occurs in the LCC-UHVDC system, and the grounding impedance is 0.05 H. The time when a ground fault occurs is 1 s, and the fault duration is 100 ms. Figure 7 shows the simulation results under different control strategies. The red waveform represents the improved strategy proposed in this paper, and the blue waveform represents the system under conventional control.

Figure 7.
Comparison results of different control schemes in single-phase ground faults. (a) DC voltage waveform; (b) DC current waveform; (c) DC bipolar power waveform; (d) turn-off angle waveform; (e) Receiving bus voltage waveform; (f) Reactive power compensation at the receiving end waveform.
As can be seen from Figure 7, when the control mode of the conventional UHVDC transmission system is adopted, continuous commutation failure occurs during the fault duration, and the turn-off angle is all lower than 10°. Correspondingly, the DC voltage, DC current and DC power of the system all fluctuate greatly many times, which is not conducive to the recovery and stability of the UHVDC transmission system after the fault. When the dynamic tracking method of turn-off angle setting proposed in this paper is adopted, the transient fluctuations of DC voltage, DC current, and DC power of the system during the fault period are much lower than those of the conventional control scheme. It can be seen from Figure 7d that the improved control strategy proposed in this paper can effectively suppress the occurrence of continuous commutation failure during the fault time. Therefore, the proposed control strategy calculates the expected DC voltage of the system under the fault condition based on the key state variables such as the effective value of AC voltage, the turn-off angle, and the trigger advance angle, and compares the expected DC voltage with the actual DC voltage to get the compensation value. When there is a risk of commutation failure, the switching angle setting value can be dynamically adjusted according to the compensation value, which is conducive to the rapid and stable recovery of the switching angle and reduces the probability of commutation failure.
4.2. Example 2: Three-Phase Ground Fault
In this example, a three-phase grounding fault occurred in the setup system. The ground impedance is (1 + j0.01)Ω, the fault occurs for 1 s, and the fault lasts for 100 ms. The simulation results under different control strategies are shown in Figure 8, where the red waveform represents the improved strategy proposed in this paper, and the blue is the system waveform under the conventional control strategy.

Figure 8.
Comparison results of different control schemes in three-phase faults. (a) DC voltage waveform; (b) DC current waveform; (c) DC power waveform; (d) turn-off angle waveform; (e) Setting of the turn-off angle under the proposed control.
As can be seen from Figure 8, when the three-phase ground fault occurs at 1 s, the system has a continuous commutation failure under conventional control. However, when the control strategy proposed in this paper is adopted, only one commutation failure occurs after the fault. It can be seen from Figure 8d that the proposed control strategy effectively avoids multiple commutation failures. At the same time, the peak value of the DC current after the fault is more than 5 kA when the conventional control scheme is adopted, while the peak value is only 3.2 kA when the proposed control scheme is adopted. At the same time, the transient fluctuation of DC voltage and DC power after a fault is smaller than that of the conventional scheme, which improves the resistance of the UHV DC transmission system to fault disturbance.
4.3. Example 3: Example of Extended AC System
In order to further validate the effectiveness of the proposed method, a new AC line is established between the inverter station and the receiving AC system in the original simulation model for this example. The improved short-circuit ratio of the system is set to 2.8, which aims to evaluate the efficacy of the proposed control strategy under weak power grid conditions. Simultaneously, at one end of the line, both single-phase permanent impedance grounding faults and three-phase impedance grounding faults are introduced. For a single-phase permanent impedance grounding fault scenario, when a fault occurs at 1 s, it persists until 1.3 s when the faulty line gets disconnected; an attempt to reclose is made at 2.3 s but fails due to a permanent fault, resulting in disconnection again at 2.6 s. As for the three-phase impedance grounding fault case, with a grounding impedance of 0.12 H, it lasts for 100 ms. Simulation results under different control strategies are depicted in Figure 9 and Figure 10, where the red waveform represents our proposed improved strategy mentioned in this paper, while the blue waveform corresponds to the system response under a conventional control strategy.
Figure 9.
Comparison of different schemes in the case of single-phase permanent failure. (a) DC current waveform; (b) turn-off angle waveform.
Figure 10.
Comparison of different control schemes in the case of a three-phase ground fault. (a) DC voltage waveform; (b) turn-off angle waveform.
As can be seen from Figure 9, when a single-phase permanent ground fault occurs in the system at 1 s, the system under conventional control has two commutation failures after the fault, while the control strategy proposed in this paper reduces the failure to one. At the same time, when the control proposed in this paper is adopted, the fluctuation of DC current in the recovery process after the fault is obviously small, which effectively reduces the impact on the system. As shown in Figure 10, in the three-phase grounding fault, the conventional control has two consecutive commutation failures, the commutation failure time is too long, and the control proposed in this paper only has one commutation failure. Moreover, the DC voltage fluctuation is small, which is more conducive to the stable recovery of the UHV DC transmission system and verifies the effectiveness and superiority of the control method proposed in this paper in the weakly received system.
Through three simulation examples, it can be seen that when the fault occurs, the control proposed in this paper can reduce the occurrence of continuous commutation failure. During fault recovery, the dynamic tracking strategy of the turn-off angle setting can reduce the fluctuation amplitude of DC transmission power, DC current, and DC voltage during fault recovery, which is beneficial to fault recovery.
5. Conclusions
Aiming at the problem of commutation failure in the LCC-UHVDC system, this paper proposes a method to suppress commutation failure in the LCC-UHVDC system based on dynamic tracking of the turn-off angle setting. The control scheme proposed in this paper can be mainly applied to DC engineering and AC/DC interconnection networks and improves system stability by reducing the probability of commutation failure. The proposed commutation failure suppression method based on the dynamic tracking of the turn-off angle setting compares the expected DC voltage with the actual DC voltage and its superimposition on the turn-off angle setting in the fixed turn-off angle control of the inverter. When there is a risk of commutation failure, the turn-off angle setting value is dynamically adjusted according to the compensation value, which is conducive to the rapid and stable recovery of the turn-off angle, reduces the probability of commutation failure and effectively improves the stable operation characteristics of LCC-UHVDC. The conclusions are as follows:
- Commutation failure is related to DC voltage, lead angle, commutation bus voltage, etc. The proposed method of commutation failure suppression of the LCC-UHVDC system based on dynamic tracking of the turn-off angle setting can realize dynamic voltage compensation and reflect DC voltage changes.
- When the AC system has a short circuit fault, the AC test bus voltage will decrease significantly, resulting in a sharp decrease in γ, but the commutation failure will occur when it is lower than the minimum limit. The commutation failure suppression method proposed in this paper can dynamically track the turn-off angle and the turn-off angle setting value so that the number of commutation failures can be reduced and the peak value of the turn-off angle after the fault can be reduced to reduce reactive power consumption.
- The commutation failure suppression method of the LCC-UHVDC system based on dynamic tracking of the turn-off angle setting proposed in this paper can also be applied to multifeed UHVDC transmission systems, but the collaboration between different UHVDC transmission systems needs to be considered, which is also an important direction for future research.
Author Contributions
Conceptualization, H.W., W.L. and X.P.; Methodology, H.W., A.Z., Z.L., X.P. and C.T.; Validation, H.W., A.Z., W.L. and C.T.; Investigation, A.Z. and C.T.; Writing—original draft, A.Z.; Writing—review & editing, A.Z., Z.L., W.L. and X.P. All authors have read and agreed to the published version of the manuscript.
Funding
This research received no external funding.
Data Availability Statement
The data presented in this study are available in this article.
Conflicts of Interest
The authors (H.W., W.L., X.P. and C.T.) affiliated with a company State Grid Henan Electric Power Research Institute declare no conflict of interest. The authors declare that the research was conducted in the absence of any commercial or financial relationships that could be construed as a potential conflict of interest.
References
- Ouyang, J.; Ye, J.; Yu, J.; Zhang, Z.; Wang, J. Commutation failure suppression method considering chain reaction in multi-infeed LCC-HVDC systems. Int. J. Electr. Power Energy Syst. 2023, 146, 108792. [Google Scholar] [CrossRef]
- Huang, H.-J.; Chen, Y.L.; Bian, T.; Tang, K.; Gu, J.-B.; Yang, M.-L. Analysis and Research on Vehicle-ground Communication Failure of CBTC System. In Proceedings of the 2019 IEEE 11th International Conference on Communication Software and Networks (ICCSN), Chongqing, China, 12–15 June 2019. [Google Scholar]
- Yang, W.; Miao, S.; Zhang, S.; Li, Y.; Han, J.; Xu, H.; Zhang, D. A commutation failure risk analysis method considering the interaction of inverter stations. Int. J. Electr. Power Energy Syst. 2020, 120, 106009. [Google Scholar] [CrossRef]
- Xue, Y.; Ni, M.; Yu, J.; Hu, J.; Yu, W. Study of the impact of communication failures on power system. In Proceedings of the 2015 IEEE Power & Energy Society General Meeting, Denver, CO, USA, 26–30 July 2015; pp. 1–5. [Google Scholar]
- Jing, W.; Jun, L.; Zengli, Y.; Hao, Z.; Xinpeng, C.; Yuzhou, H. A Novel Control Strategy for Suppression of HVDC Subsequent Commutation Failure. In Proceedings of the 2020 IEEE 3rd Student Conference on Electrical Machines and Systems (SCEMS), Jinan, China, 4–6 December 2020; p. 513. [Google Scholar]
- Chen, W.J.; Cui, X. Foreword for the special section on AC and DC ultra high voltage technologies. CSEE J. Power Energy Syst. 2015, 1, 1–2. [Google Scholar] [CrossRef]
- Zhou, H.; Yao, W.; Ai, X.; Li, D.; Wen, J.; Li, C. Comprehensive review of commutation failure in HVDC transmission systems. Electr. Power Syst. Res. 2022, 205, 107768. [Google Scholar] [CrossRef]
- Aamir, A.; Qiao, L.; Guo, C.; Rehman, A.U.; Yang, Z. Impact of synchronous condenser on the dynamic behavior of LCC-based UHVDC system hierarchically connected to AC System. CSEE J. Power Energy Syst. 2019, 5, 190–198. [Google Scholar] [CrossRef]
- Qu, S.; Zhaohui, Q.; Zhaowei, L.; Yuchen, H.; Jingbo, Z.; Zhen, L. Reactive Power and Voltage Coordinated Optimal Control with Energy Storage and Synchronous Condenser to Suppress DC Subsequent Commutation Failure. In Proceedings of the 2022 7th Asia Conference on Power and Electrical Engineering (ACPEE), Hangzhou, China, 15–17 April 2022; pp. 1169–1173. [Google Scholar]
- Liu, L.; Li, X.; Teng, Y.; Zhang, C.; Lin, S. An enhanced commutation failure prevention control in LCC based HVDC systems. Int. J. Electr. Power Energy Syst. 2023, 145, 108584. [Google Scholar] [CrossRef]
- Li, Y.; Liu, F.; Luo, L.; Rehtanz, C.; Cao, Y. Enhancement of commutation reliability of an HVDC inverter by means of an inductive filtering method. IEEE Trans. Power Electron. 2013, 28, 4917–4929. [Google Scholar] [CrossRef]
- Wang, Y.; Li, X.; Cai, Z.; Zhao, J.; Guo, Y.; Wang, J. Continuous commutation failure suppression method based on dynamic compensation of firing angle deviation. Int. J. Electr. Power Energy Syst. 2023, 147, 108818. [Google Scholar] [CrossRef]
- Wu, J.; Zheng, L.; Cheng, W.; Li, X.; Ye, X. A Novel Machine Learning Based Commutation Failure Prediction Method. In Proceedings of the 2022 4th International Conference on Power and Energy Technology (ICPET), Beijing, China, 28–31 July 2022; pp. 426–431. [Google Scholar]
- Li, C.; Li, K.; Jiang, F.; Tai, W.; Wu, X.; Tang, Y. Improvement Method of Commutation Failure Predictive Control Based on Voltage Waveform Fitting. In Proceedings of the 2021 IEEE Sustainable Power and Energy Conference (iSPEC), Nanjing, China, 23–25 December 2021; p. 4244. [Google Scholar]
- Zhao, Y.; Ma, J.; Jiang, T.; Phadke, A.G.; Cheng, P. Commutation failure prediction method based on characteristic of accumulated energy in inverter. Int. J. Electr. Power Energy Syst. 2021, 133, 107311. [Google Scholar] [CrossRef]
- Xiao, H.; Li, Y.; Gole, A.M.; Duan, X. Computationally Efficient and Accurate Approach for Commutation Failure Risk Areas Identification in Multi-Infeed LCC-HVdc Systems. IEEE Trans. Power Electron. 2020, 35, 5238–5253. [Google Scholar] [CrossRef]
- Li, C.; Tan, Y.; Xiong, Y.; Zhan, J.; Yao, W.; Ai, X.M. Coor inated control of commutation failure preventionin UHVDC multi-feed system. Power Syst. Technol. 2019, 43, 3532–3542. [Google Scholar]
- Liu, Z.; Yu, J.; Guo, X.; Sun, T.; Zhang, J. Survey of technologies of line commutated converter based high voltage direct current transmission in China. CSEE J. Power Energy Syst. 2015, 1, 1–8. [Google Scholar] [CrossRef]
- Son, H.I.; Kim, H.M. An algorithm for effective mitigation of commutation failure in high-voltage direct-current systems. IEEE Trans. Power Del. 2016, 31, 1437–1446. [Google Scholar] [CrossRef]
- Zhu, R. Commutation Failure Mitigation Method Based on Imaginary Commutation Process. J. Mod. Power Syst. Clean Energy 2022, 10, 1413–1422. [Google Scholar] [CrossRef]
- Liu, L.; Lin, S.; Sun, P.; Liao, K.; Li, X.; Deng, Y.; He, Z. A calculation Method of Pseudo Extinction Angle for Commutation Failure Mitigation in HVDC. IEEE Trans. Power Syst. 2019, 34, 777–779. [Google Scholar] [CrossRef]
- Zhang, G.; Jing, L.; Liu, M.; Wang, B.; Dong, X. An Improved Continuous Commutation Failure Mitigation Method in High Voltage Direct Current Transmission System. In Proceedings of the 2018 China International Conference on Electricity Distribution (CICED), Tianjin, China, 17–19 September 2018; pp. 1132–1136. [Google Scholar]
- Liu, L.; Lin, S.; Liu, J.; Sun, P.; Liao, K.; Li, X.; He, Z. Analysis and Prevention of Subsequent Commutation Failures Caused by Improper Inverter Control Interactions in HVDC Systems. IEEE Trans. Power Deliv. 2020, 35, 2841–2852. [Google Scholar] [CrossRef]
- Xia, H.; Zhou, X.; Hong, L.; Liu, Y.; Luo, A.; Wang, X.; Meng, Q. An Adaptive Current Deviation Control Method for Suppressing Following Commutation Failures. Proc. CSEE 2019, 39, 4345–4356. [Google Scholar]
- Zhu, L.; Niu, C.; Wang, Z. An Extinction Angle Dynamic Compensation Control Method for Suppressing Continuous Commutation Failure. Proc. CSEE 2021, 41, 7621–7631. [Google Scholar]
- Zhang, Y.; Chen, B. Principle and Application of HVDC Transmission, 2nd ed.; Tsinghua University Press: Beijing, China, 2022; pp. 37–41. [Google Scholar]
- Zheng, X.U. Analysis of Dynamic Behavior of AC and DC Power System; China Machine Press: Beijing, China, 2004; pp. 31–35. [Google Scholar]
- Shousong, H.U. Principles of Automatic Control, 5th ed.; Science Press: Beijing, China, 2007; pp. 24–25. [Google Scholar]
- Shaping the Future of EMT Simulations. Available online: https://www.pscad.com (accessed on 3 January 2023).
Disclaimer/Publisher’s Note: The statements, opinions and data contained in all publications are solely those of the individual author(s) and contributor(s) and not of MDPI and/or the editor(s). MDPI and/or the editor(s) disclaim responsibility for any injury to people or property resulting from any ideas, methods, instructions or products referred to in the content. |
© 2024 by the authors. Licensee MDPI, Basel, Switzerland. This article is an open access article distributed under the terms and conditions of the Creative Commons Attribution (CC BY) license (https://creativecommons.org/licenses/by/4.0/).










