Next Article in Journal
A Generation of Enhanced Data by Variational Autoencoders and Diffusion Modeling
Next Article in Special Issue
Research on Wireless Power Transfer Method for Intelligent Sensing Device of Non-Directly Buried Distribution Cables
Previous Article in Journal
Predicting Cybersickness Using Machine Learning and Demographic Data in Virtual Reality
Previous Article in Special Issue
Optimal Design of Relay Coil Inductance to Improve Transmission Efficiency of Four-Coil Magnetic Resonance Wireless Power Transmission Systems
 
 
Due to scheduled maintenance work on our servers, there may be short service disruptions on this website between 11:00 and 12:00 CEST on March 28th.
Font Type:
Arial Georgia Verdana
Font Size:
Aa Aa Aa
Line Spacing:
Column Width:
Background:
Article

Frequency Stability Analysis and Charging Area Expanding Optimal Design for Matrix Coupling Mechanism in Wireless Power Transfer System

College of Automation, Chongqing University of Posts and Telecommunications, Chongqing 400065, China
*
Author to whom correspondence should be addressed.
Electronics 2024, 13(7), 1312; https://doi.org/10.3390/electronics13071312
Submission received: 5 January 2024 / Revised: 29 March 2024 / Accepted: 29 March 2024 / Published: 31 March 2024
(This article belongs to the Special Issue Wireless Power Transfer Technology and Its Applications)

Abstract

The matrix coupling mechanism brings flexibility and reliability to energy supply in the form of multiple transmitting coils and is now favored in most wireless energy transmission applications, such as wireless charging boards for mobile phones, inspection robots, and so on. However, the process of considering the layout of the matrix coupling mechanism and the output performance based on the target in space is very complex, while also taking into account the need to avoid impedance changes caused by cross-interference between each unit, which can lead to frequency inconsistency. This paper proposes a design method based on space charging area expansion for matrix coupling mechanisms, and on this basis, it focuses on analyzing the impedance mismatch phenomenon caused by cross mutual inductance and inconsistent mutual inductance between coil units, in order to obtain the optimal topology to avoid frequency drift as much as possible. Finally, the effectiveness of the method is validated through simulation and experiments.

1. Introduction

Wireless power transfer (WPT) technology based on magnetic field coupling has been widely used in fields such as electric vehicles, household appliances, underwater equipment, medical implants, and consumer electronics due to its relatively mature mechanism understanding, comprehensive practical technology system, simple and easy system topology, stable energy transfer process, and good robustness [1,2]. At present, there are a large number of wireless charging products for consumer electronic devices such as smartphones, tablets, Bluetooth earphones, smartwatches, etc. on the market, which greatly facilitates user experience [3,4].
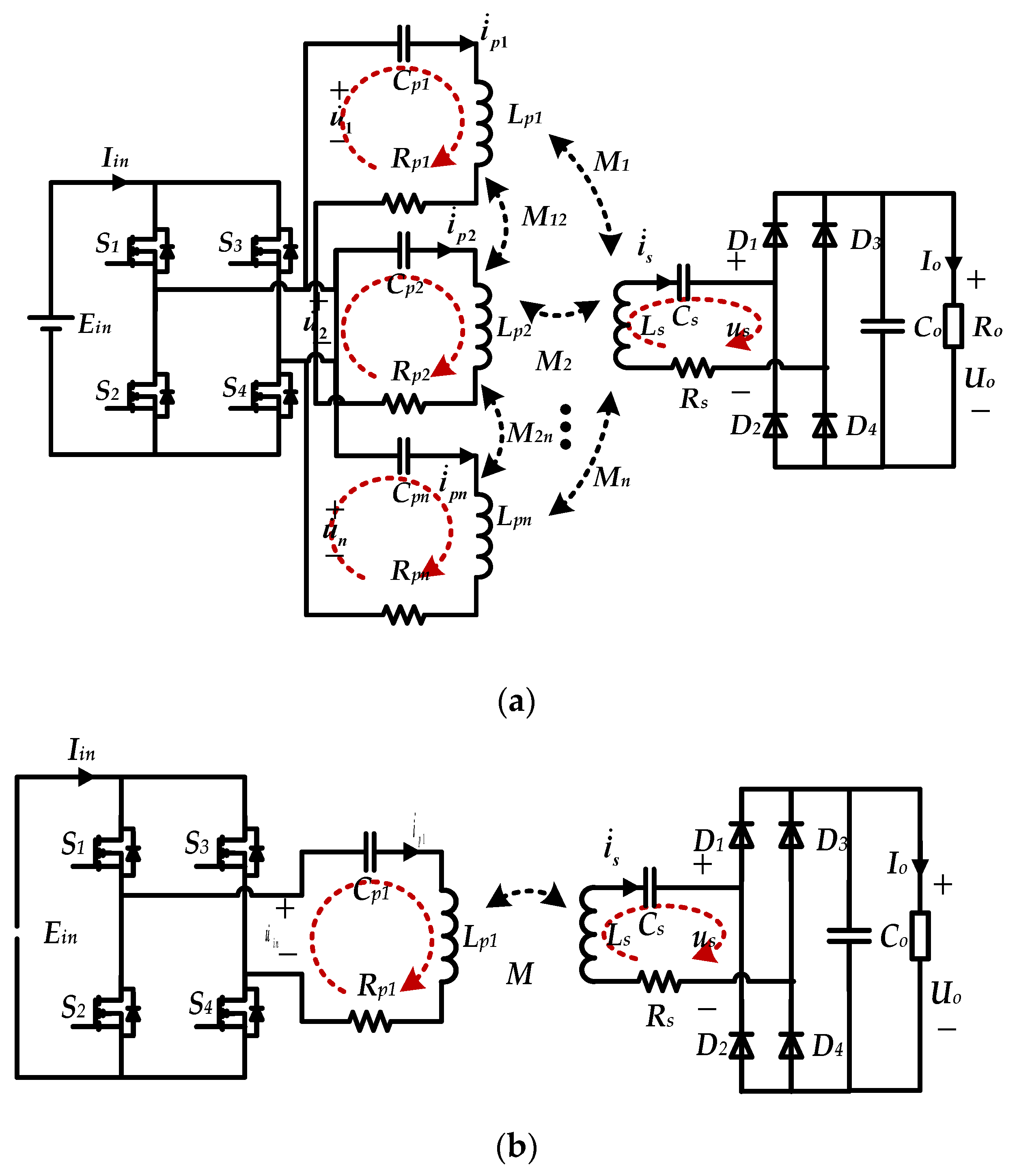
However, there are difficulties in the application and promotion of wireless power supply technology, and the core reason is that traditional wireless charging forms have not brought users a breakthrough experience. Traditional magnetic coupling wireless power transfer technology usually only has one primary coil and one secondary coil. Basic figures to illustrate the difference between one and multiple coils are shown in Figure 1. Actually, for some high-power application scenarios, the power level of the one-to-one mode is limited and needs to withstand greater voltage and current stress, and there is not enough flexibility in some application places [5,6]. The limitations of the one-to-one WPT system in the charging area have led people to adopt the coil array method to expand the charging range, and the method of connecting multiple transmitting coils in parallel with a single input source or one primary coil with one excitation source has been utilized. The matrix coupling mechanism or multi-excitation unit wireless power transfer system (MEU-WPT) is favored by many applications, such as distributed-track wireless charging cars, inspection robots, drones, wireless charging platforms for mobile phones, and so on, due to its high power capacity, flexibility, and low current and voltage stress [7,8,9].
To date, research based on multiple transmitting or receiving coils mainly focuses on the following aspects: (1) modeling and solving of complex nonlinear systems [10,11,12]. The most commonly used modeling and analysis methods currently include coupled-mode theory [10], mutual inductance coupling theory [11], and two-port theory [12]; (2) coupling mechanisms and parameter design [13,14]. Based on the mapping relationship of model functions, to configure the modal parameters of the system, combined with various corresponding constraint conditions, designing the actual modal parameters of the WPT system is a crucial step; (3) power distribution and control [15,16]. In the wireless charging process of various application scenarios, the change of the coupling coefficient during dynamic charging and the interference of environmental factors must be considered. Although the above research has to some extent improved the performance of MEU-WPT systems through parameter optimization and control circuits, there has been no reasonable planning and utilization of the layout of coil units. Most coupling mechanisms are based on the most common pattern printing or an equal amount of winding. However, in the above research, there was no clear determination of the charging area boundary for the MEU-WPT system. Further in-depth research is needed on how to define an effective charging area, how to design a reasonable layout and expand the area based on the characteristics of the coil matrix, and how to avoid interference between matrix elements during the working phase.
To achieve the best system performance, many design objectives must be included. The power level, efficiency, and misalignment tolerance should be considered in total. In addition, because all shape parameters of these multiple excitation coils must be considered, the design work will become more complex. Among the previous works on coupling mechanism design for MEU-WPT systems, paper [17] proposed a novel multi-coil WPT system to enhance power transfer efficiency. It can overcome the misalignment problem and maintain high power transfer efficiency. In paper [18], based on the lumped element circuit model, the efficiency, current gain, and voltage gain calculations of multi-coil magnetic resonance wireless power transfer systems are given. And paper [19] proposed a scalable printed circuit board (PCB)-based coil design for electric vehicle (EV) wireless power transfer. Paper [20] proposed a multi-layer coil (MLC) for wireless charging for small electronic devices (SED), such as implantable medical devices (IMD) and wearable devices. And paper [21] presents a design method for a multi-transmitter wireless power transfer (WPT) system that aims to achieve stable and high power transfer efficiency (PTE) across a wide range. However, previous studies did not provide a specific definition of the actual charging area, and the question of how to maximize the charging area of the matrix coil is an urgent problem that needs to be solved. At the same time, the optimization design and adaptability of matrix coils under different layouts still need to be reconsidered. Moreover, further in-depth research is needed to design a reasonable layout and expand the area based on the characteristics of the coil matrix with interference considered between matrix elements during the working state, such as the impact on the frequency characteristics and output characteristics of the system.
This paper proposes an optimization design method for expanding the charging area of matrix coils and evaluates the frequency characteristics and interference between each coil unit while considering multi-objective parameters. It provides a reasonable approach for the topology selection of matrix coil coupling mechanisms with frequency drifting analysis. The second section constructs the system model, the third section calculates and derives the mutual inductance of the matrix coil layout, and the fourth section analyzes the interference characteristics of the coil unit data and provides a comprehensive design idea based on the previous calculation formulas. Finally, the method is validated and explained.

2. Modeling of Proposed System

According to the system structure shown in Figure 1a, S1–S4 are the switching transistors of the inverter circuit. On the primary side, Cpi is the compensated capacitor, Lpi is the inductance of the primary coil, and Rpi is the internal resistance of coils. On the secondary side, similarly, Cs is the compensated capacitor, Ls is the inductance of the pick-up coil, and Rs is its internal resistance. D1–D4 are the diodes of the rectifier. And Co is the filter capacitor of the load Ro. Ein is the input voltage, u ˙ i is output voltage of the inverter, and Iin is the input current of the inverter. i ˙ p i is the resonant current of each primary coil. is is the pick-up current. us is the input voltage of the rectifier, and Io, Uo are the current or voltage of the load. In order to balance magnetic field distribution, each primary coil has the same parameter in the multi-excitation coil matrix. The system parameters are set as Cp1 = Cp2 = … = Cpn, Lp1 = Lp2 = … = Lpn, Rp1 = Rp2 = … = Rpn. Take the series-series-type topology as an example, and the primary side and pick-up side operate at an identical angular frequency ω, which can be defined by
ω = 1 L s C s = 1 L p n C p n
According to KVL’s law, the relationship between the currents and voltages can be derived as
{ u ˙ 1 = j ω ( L p 1 + C p 1 + R p 1 ) i ˙ p 1 + j ω M 12 i ˙ p 2 + j ω M 1 i i ˙ p i + + j ω M 1 i ˙ s u ˙ 2 = j ω ( L p 2 + C p 2 + R p 2 ) + j ω M 12 i ˙ p 1 + j ω M 2 i i ˙ p i + + j ω M 2 i ˙ s u ˙ n = j ω ( L p n + C p n + R p n ) + j ω M 1 n i ˙ p 1 + j ω M n i i ˙ p i + + j ω M n i ˙ s 0 = j ω M 1 i ˙ p 1 + j ω M 2 i ˙ p 2 + + j ω M n i ˙ p n + ( 8 π 2 R o + R s + L s + C s ) i ˙ s
Using Formula (1) as the principle of resonant matching and ignoring cross-coupling, the circuit equation of the system can be simplified in an ideal situation.
[ u ˙ 1 u ˙ 2 u ˙ n 0 ] = [ R p 1 0 0 j ω M 1 0 R p 2 0 j ω M 2 0 0 R p n j ω M n j ω M 1 j ω M 2 j ω M n R o + R s ] [ i ˙ p 1 i ˙ p 2 i ˙ p n i ˙ s ]
Therefore, the equivalent impedance of the primary side could be expressed as
{ Z p 1 = u p 1 R p 2 ( R o + R s ) + u p 1 ω 2 R p i = 1 n M i 2 R p ( R o + R s ) u 1 + ω 2 ( u 1 i = 1 n M i 2 M 1 i = 1 n M i u i ) Z p 2 = u p 2 R p 2 ( R o + R s ) + u p 2 ω 2 R p i = 1 n M i 2 R p ( R o + R s ) u 2 + ω 2 ( u 2 i = 1 n M i 2 M 2 i = 1 n M i u i ) Z p n = u p 3 R p 2 ( R o + R s ) + u p 3 ω 2 R p i = 1 n M i 2 R p ( R o + R s ) u n + ω 2 ( u n i = 1 n M i 2 M n i = 1 n M i u i )
And the output power of multi-excitation coils could be obtained by
P o u t = ( ω i = 1 n M i u i R p ( R o + R s ) + ω 2 i = 1 n M i 2 ) 2 R o

3. Matrix Coil Optimal Design Method

Before the design, the final target is determined to improve the output characteristics; efficiency is especially considered first. To design the coupling mechanism based on a multi-excitation coil matrix, the size of the receiver coil and transmission distance should be determined. At the same time, the size of every single excitation and the number of coils will determine the output characteristics of the system. Figure 2 shows a wireless power transfer system with three primary coils and four primary coils.
With a different layout, only the projection area of the secondary coil containing the largest number of excitation coils is considered as the effective position to analyze. In Figure 2, R is the radius of the secondary coil, and r is the radius of every single primary coil. To reduce the complexity of parameter design, overlapping primary coils are not considered. Because of the arrangement in the same plane, the cross-coupling is small enough to ignore.
Spatial modeling of the coupling mechanism is built for the multi-excitation coil matrix in Figure 2. Take Figure 2a as an example. The multi-excitation coils are built by a regular triangle ΔABC if the centers of excitation coils are connected. Similarly, there is a square ABCD in Figure 2b. Drawing the circles at vertices of the regular polygon with n edges, all the circles are regarded as the primary coils. At the same time, all the outmost primary coils are within the region of the pick-up coil. The relationship between the radius r of the primary coil and the radius of the secondary coil R could be derived as
R = r / n   ( n = 1 , 2 ) R = r ( 1 + 1 sin ( π / n ) ) ( n = 3 , 4 )
To calculate M, the tracks of the planar in ductors are assumed as constant current-carrying filaments, as shown in Figure 3.
During the charging process, the output characteristics of the system are evaluated by analyzing the changes in the coupling coefficient. From the sources in [22,23], Neumann’s equation is employed to calculate mutual inductance:
M i j = μ 0 4 π c 1 c 2 1 R d l 1 d l 2
where
R = a 2 + b 2 + Z d 2 + X d 2 2 a b cos ( φ 1 φ 2 ) + 2 X d b cos φ 2 2 X d a cos φ 1
In the above equation, μ0 is the vacuum magnetic permeability, Mij is the mutual inductance between single-turn current-carrying wires c1 and c2, R is the center distance, a and b are the radii of the two current-carrying wires, Zd is the vertical distance, and Xd is the lateral center offset distance. φ1, φ2 is the horizontal offset angle, introduced by these three equations:
ξ = 2 a b a 2 + b 2 + Z d 2 λ = 2 x a a 2 + b 2 + Z d 2 + X d 2 ϕ = 2 x b a 2 + b 2 + Z d 2 + X d 2
Equation (9) can be expressed as
M i j = μ 0 a b 4 π a 2 + b 2 + X d 2 + Z d 2 φ 2 = 0 φ 2 = 2 π φ 1 = 0 φ 1 = 2 π cos ( φ 1 φ 2 ) × [ 1 ( γ cos ( φ 1 φ 2 ) + λ cos φ 1 ϕ cos φ 2 ) ] 1 / 2 d φ 1 d φ 2
where γ = X d 2 / ( a 2 + b 2 + Z d 2 + X d 2 ) . According to the paper in [24], the self-inductance of a single primary coil could be derived as
d a v g = 0.5 ( D max + D min ) β = D max D min D max + D min L = μ 0 N 2 d a v g m 1 2 ( ln m 2 β + m 3 β + m 4 β 2 )
where Dmax is the maximum diameter of the coil, and Dmin is the minimum diameter of the coil. μ0 is the permeability of free space, and m1~m4 are fitting parameters, which are determined by the shape of a coil. Paper [24] notes that for a circular coil, m1 = 1.0, m2 = 2.46, m3 = 0, and m4 = 0.2. Moreover, according to paper [25], the DC resistance of a solid-round wire winding and the skin depth of the conducting wire δw are described by
R d c = 4 ρ w N l T π d 2 δ w = ρ w π μ 0 f
where ρw is the winding conductor resistivity, N is the total number of turns in the inductor, and lT is the mean turn length. d is the diameter of a bare solid-round wire. From paper [25], the AC-to-DC winding resistance ratio FR as a function for a solid-round wire winding with η = 0.9 and several numbers of layers Nl could be described by
F R = 1 + η 2 ( 5 N l 2 1 ) 45 ( π 4 ) 3 ( d δ w ) 4 R a c = R d c F R
Consider the receiving power from multi-excitation coils as an approximate linear superposition. When the phase of the resonant current on the primary coil is the same, the magnitude of a magnetic field can be expressed by the sum of the coupling coefficient of every single excitation coil. For traditional one-to-one WPT systems, the expression for the induced voltage of the pickup coil is j ω M i ˙ p . Therefore, for a WPT system with multiple transmitting coils, the voltage of the secondary side pickup coil is a linear superposition of the voltage sensed from each transmitting coil. When n excitation units are working simultaneously, the value of the picked-up voltage on the secondary side can be expressed as i = 1 n j ω M i i ˙ p i . Moreover, the definition of the coupling coefficient for the WPT system is known to be k = M / ( L p L s ) . It is also known that the coupling coefficient for WPT systems is defined as
| u ˙ s | = | i = 1 n ω M i i ˙ p n | = | n ω k n L p n L s i = 1 n i ˙ p n |
For a WPT system with a coil matrix, according to Figure 1, the loss of its coupling mechanism can be expressed as
P l o s s = i = 1 n | i ˙ p i | 2 R p i + | i = 1 n j ω M i i ˙ p i | 2 ( R o + R s ) 2 R s P o u t = | i = 1 n j ω M i i ˙ p i | 2 ( R o + R s ) 2 R o
According to (12) and (13),
R p i = R d c _ i + R a c _ i R s = R d c _ s + R a c _ s R o = 8 π 2 R L
The formula above only considered the outmost coils that are on the vertex of the regular polygon. In this case, due to the central symmetry, the coupling coefficients kn are the same. When all the input currents are the same, nkn is used to evaluate the power transmission capability. Once the coils of the outmost layer have enough coupling ability, the whole multi-excitation coil matrix is proven to be effectively used. Furthermore, the loss on the multi-excitation coils must be analyzed at the same time. When the coil parameters are consistent with the coupling coefficient of each coil, the internal resistance of the coil is equal, and i = 1 n k i = n k n . The losses Ploss on the coupling mechanism are calculated under the condition of the same power output to evaluate the power-saving capability. Set Ptarget as the target value of the power. When Pout = Ptarget, the above equation can be written as
P l o s s = 8 P t arg e t R s π 2 R L + 8 P t arg e t R p ( R s + π 2 8 R L ) 2 n ω M n π 2 R L η = P o u t P l o s s + P o u t
To design the multi-excitation coil matrix, only the following equations need to be satisfied, that is, the minimum coupling coefficients of the secondary coil and transmitting coil that is farthest from the center of the charging area need to be greater than the target value at first. Secondly, the efficiency of the whole coupling mechanism should be greater than the target value.
k n k t arg e t P x P t arg e t P x 0 = P t arg e t η η t arg e t
According to the data analysis in the previous section, the maximum charging area is defined as the maximum shadow area projected on the plane XOY by the output power surface greater than or equal to the rated power when all excitation units output the same maximum current. Based on the parameter design in the previous text, the known conditions are determined as the size of the primary coil a, the size of the secondary coil b, the transmission distance z, etc. The coordinates of the primary coil are defined as (xi, yi, 0), the spatial coordinates of the secondary coil as (xs, ys, zs), and the constraints on the coordinates of the primary coil as
( y j y i ) 2 + ( x j x i ) 2 a , ( i j )
According to the mutual inductance Equation (10) and Figure 3, it can be inferred that the mutual inductance function is related to the variable Xd (the plane distance between the center of the primary and secondary coils, X d = ( x s x i ) 2 + ( y s y i ) 2 ). Under a given transmission height condition Zd, define function M((xsxi),(ysyi)) as the mutual inductance equation at a certain height. And the power distribution surface function P(xs, ys) at any position can be obtained by using the picked-up voltage Equation (14):
P ( x s , y s ) = [ | ω i ˙ p _ max i = 1 n M i s ( ( x s x i ) , ( y s y i ) ) | ] 2 R o ( R o + R s ) 2 , ( i = 1 , 2 , , n )
For matrix coils, when the coil currents ip are in phase, the secondary coil picks up the maximum energy. According to the load power demand, assuming that all coil unit currents are in phase, at the specified transmission height Zd, the projection of the surface Equation (20) in space on the XOY plane z = Ptarget can be expressed as
{ f ( x s , y s ) = [ ω i p _ max i = 1 n M i s ( ( x s x i ) , ( y s y i ) ) ] 2 R o ( R o + R s ) 2 z = P t arg e t
It can be seen that Formula (20) is the power surface function at a given transmission height, whose variables are xs and ys in the spatial plane. In Formula (21), the difference between the actual output power at a determined position in space and the target power is defined. When the judgment condition f(xs, xy) is greater than or equal to 0, the effective charging area of the power surface can be determined. Furthermore, the Cartesian coordinate system could be converted to a polar coordinate system, and the projection area of the surface (20) on the XOY plane z = Ptarget can be calculated.
The Cartesian coordinate system is converted to a polar coordinate system, and the projected area S of the power distribution surface on the XOY plane can be expressed as
S ( r , θ ) = 0 2 π 0 φ ( θ ) f ( r cos θ , r sin θ ) r d r d θ
Among φ(θ), in Equation (22), r is the expression of the dependent variable. And the maximum area of this charging area is only related to the distribution of coordinates (xi, yi) of each excitation unit when the coupling mechanism parameters and transmission distance are determined.
Therefore, the mathematical expression for expanding the effective charging area can be transformed into
max S ( r , θ ) s . t . k n k t arg e t P x P t arg e t P x 0 = P t arg e t η η t arg e t
Based on the previous analysis, the coil parameters of multiple excitation units are calculated in sequence according to the given coupling mechanism’s constraint relationship and system output indicators, and the optimal design method is determined based on the judgment conditions. This section proposes a flowchart for optimizing the design of incentive units, as shown in Figure 4.
The optimization idea of the flowchart is as follows:
① Determine the size and transmission distance of the primary and secondary coils based on the application background and device appearance, and set the system output characteristic indicators, including the minimum coupling coefficient kn, rated power Ptarget, and efficiency η target;
② Determine the coupling coefficient of the system in a centrally symmetrical layout using the spatial mutual inductance distribution establishment method (9) analyzed earlier and the coordinate derivation method of the original excitation unit (10). Simultaneously, perform the first step of optimization judgment. If the coupling coefficient of each excitation unit is greater than or equal to kn, proceed to the next step; otherwise, the number of excitation units will decrease;
③ Based on the coupling mechanism of the current size, refer to Formulas (17) and (20) to further derive the output characteristics of the multiple excitation units. If the output power reaches the rated power target, proceed to the next step;
④ During the loop process, efficiency or comparison is performed on the front and back elements of the data array, and the number of excitation units with higher efficiency is selected;
⑤ By determining the condition P(xs,ys) = Ptarget, increase the spacing dr between the excitation units, calculate the effective charging area, and compare the size of the charging area. If the requirements are not met, re-plan the coil size and repeat the steps to expand the charging range. Finally, use the above method to obtain the final optimized design parameters.

4. Frequency Stability Analysis for Matrix Coils

In section III, the analysis is mainly focused on the output characteristics. In order to more intuitively reflect the relationship between the excitation coil and the load, the system equation has been simplified according to the ideal resonant matching situation. As analyzed earlier, the matrix coupling mechanism system is a high-order coupled system, and during the charging process, changes in mutual inductance, load, and even input source can affect the zero-phase operating frequency of each excitation unit (Equation (2)). However, it is not possible to improve the output characteristics of the system by satisfying the zero-phase operating frequency of each excitation unit, because for a pickup end device with a unique resonant frequency, the energy superposition of multiple frequency bands will increase the circuit loss. Taking two adjacent array units as an example, this section mainly discusses the dynamic characteristic of the system based on the topology types of different input sources and analyzes the design principles of matrix coils with frequency stability as the goal. The design parameters of the system in this section are shown in Table 1.
Taking the topology types of voltage (series-series type) and current sources (PS type) as examples, considering the symmetry of matrix coils, the frequency drift phenomenon between the two coils is analyzed with emphasis.
According to Equation (2), the expression for the input impedance of a voltage-type system with series-series topology is as follows, where u1 and u2 are the effective values of the primary voltage, respectively:
[ i ˙ p 1 i ˙ p 2 ] = ( a v s + b v s j ) 1 [ f 1 _ v s ( u 1 , u 2 ) + g 1 _ v s ( u 1 , u 2 ) j f 2 _ v s ( u 1 , u 2 ) + g 2 _ v s ( u 1 , u 2 ) j ]
where
a v s = ω 2 C p 2 [ ω 2 Z s L p 2 + ω 2 Z s M 12 2 + ω 2 R p ( M 1 2 + M 2 2 ) + Z s R p 2 ] + 2 ω 2 L p C p Z s b v s = ω 2 C p 2 [ ω 3 L p ( M 1 2 + M 2 2 ) 2 ω 3 M 1 M 12 M 2 + 2 ω Z s L p R p ] ω C p [ ω 2 ( M 1 2 + M 2 2 ) + 2 Z s R p ] f 1 _ v s ( u 1 , u 2 ) = ω 2 C p 2 ( ω 2 M 1 M 2 u 2 + ω 2 M 2 2 u 1 + Z s R p u 1 ) g 1 _ v s ( u 1 , u 2 ) = ω Z s C p ( ω 2 C p L p u 1 + ω 2 C p M 12 u 2 u 1 ) f 2 _ v s ( u 1 , u 2 ) = ω 2 C p 2 ( ω 2 M 1 M 2 u 1 + ω 2 M 1 2 u 2 + Z s R p u 2 ) g 2 _ v s ( u 1 , u 2 ) = ω Z s C p ( ω 2 C p L p u 2 + ω 2 C p M 12 u 1 u 2 )
Therefore,
[ Z p 1 Z p 2 ] = ( a v s + b v s j ) [ u 1 0 0 u 2 ] [ [ f 1 _ v s ( u 1 , u 2 ) + g 1 _ v s ( u 1 , u 2 ) j ] 1 [ f 2 _ v s ( u 1 , u 2 ) + g 2 _ v s ( u 1 , u 2 ) j ] 1 ]
Similarly, a current-type system with parallel-series (PS) topology can be expressed as
[ i ˙ p 1 i ˙ p 2 ] = ( a c s + b c s j ) 1 [ f 1 _ c s ( u 1 , u 2 ) + g 1 _ c s ( u 1 , u 2 ) j f 2 _ c s ( u 1 , u 2 ) + g 2 _ c s ( u 1 , u 2 ) j ]
where
a c s = ω 2 [ R p ( M 1 2 + M 2 2 ) + Z s ( M 12 2 L p 2 ) ] + Z s R p 2 b c s = ω 3 ( L p M 1 2 + L p M 2 2 2 M 1 M 12 M 2 ) + 2 ω Z s L p R p f 1 _ c s ( u 1 , u 2 ) = ω 2 ( M 2 2 u 1 M 1 M 2 u 2 ) + Z s R p u 1 g 1 _ c s ( u 1 , u 2 ) = ω Z s ( L p u 1 M 12 u 2 ) f 2 _ c s ( u 1 , u 2 ) = ω 2 ( M 1 2 u 2 M 1 M 2 u 1 ) + Z s R p u 2 g 2 _ c s ( u 1 , u 2 ) = ω Z s ( L p u 2 M 12 u 1 )
As shown in Figure 5, the frequency drift phenomenon is observed from the perspective of each excitation unit. For different input source types of MEU-WPT systems with different input voltages and coupling coefficients, the frequency characteristic curves of each excitation unit are as follows. Among them, Figure 5a–c shows the current source-type MEU-WPT system, and Figure 5d–f shows the voltage source-type MEU-WPT system. The horizontal frequency range is 20 kHz~200 kHz, and the vertical axis represents the impedance angle of the resonant network of each excitation unit. The system harmonic frequency is 80 kHz.
From Figure 5a–c, it can be seen that the coil current phase of the current source-type MEU-WPT system itself has a 90-degree difference relationship with the voltage. Due to the large equivalent impedance, it can be seen that the impedance angle of the system in the entire frequency band is almost maintained at 72 degrees or above. Under the influence of different voltage configurations and mutual inductance changes, the impedance angles of each excitation unit vary to some extent, but the difference between the resonant currents of the excitation units is relatively small, maintained within 10 degrees. Moreover, when the input voltage of the current source-type MEU-WPT is the same, the influence between the excitation units is very small, but there is still a slight phase bias.
From Figure 5d–f, it can be seen that the input voltage and resonant current phases of a typical voltage source-type MEU-WPT system should be consistent (with an impedance angle of 0). One of the excitation units in the system has a zero-phase angle at the operating frequency point of 80 kHz, but under the influence of input voltage and mutual inductance, the impedance angle even exceeds 180 degrees, and a reverse situation occurs (as shown in Figure 5f in the high-frequency band, negative values occur when the phase exceeds 180), making it impossible for both excitation units to work at a zero-phase angle frequency simultaneously, unless the voltage ratio satisfies a certain mutual inductance relationship equation (as shown in Figure 5d). As shown in the figure, the voltage source-type MEU-WPT cannot use the frequency tracking method of each excitation unit to achieve the maximum power point of the system, because the excitation units do not have a common zero-phase angle frequency. To maximize the output power of the voltage source-type MEU-WPT, the allocation method of the primary power will be discussed in the next section. In contrast, the current MEU-WPT prototype system has better robustness, especially when the input voltage amplitude is consistent, but there are still some phase biases that need to be compensated.
Figure 6 shows the maximum power frequency characteristics of MEU-WPT systems with different input sources observed from the perspective of system operating frequency. Among them, Figure 6a–c shows the current source-type MEU-WPT system, and Figure 6d–f shows the voltage source-type MEU-WPT system.
From Figure 6a–c, it can be seen that the current source-type MEU-WPT system has a unique maximum power operating frequency point of 80 kHz, which is consistent with the design harmonic frequency. However, under the influence of input voltage and mutual inductance changes, there will be some slight frequency drift. For the voltage source-type MEU-WPT system, as shown in Figure 6d–f, there is a significant drift at the frequency point of the maximum power of the entire system when the input voltage and coupling coefficient of the system change. As shown in Figure 6d, when the input voltage is u1 = 60, u2 = 30, and the coupling coefficients k1 = 0.15 and k2 = 0.1, the optimal operating frequency of the system is about 600 kHz. When the coupling coefficients k1 = 0.15 and k2 = 0.15, the optimal power frequency of the system is about 50 kHz, and when the coupling coefficients k1 = 0.2 and k2 = 0.15, the optimal power frequency of the system is about 46 kHz. Similarly, under other input conditions, the optimal power frequency of the system also changes accordingly. For voltage source-type MEU-WPT systems, the maximum power frequency of the system is inconsistent with the operating frequency and the zero-phase frequency of each excitation unit. Although this frequency can achieve maximum power output, impedance changes may bring greater reactive power to the system.
In summary, when selecting a coil matrix, it is best to choose a current source compensation network or a resonant tank with strong impedance robustness as the topology structure to ensure the frequency stability of multiple coils under working conditions, which means it is better to use LCC or parallel resonance topology or to use a current controller to ensure consistent excitation currents.

5. Experimental Results

The prototype is built. The photo of the MEU-WPT experimental device is shown in Figure 7. Set the system operating frequency f = 100 kHz. The inner diameter of the transmitting coil is 2.15 cm, and the outer diameter is 5.65 cm. The inner diameter of the receiving coil is 5.15 cm, and the outer diameter is 8.4 cm. The DC power supply is 42 V. According to Table 1, the other parameters are given in Table 2.
When dr = 0 cm, that is, the distance between the four transmitting coils is zero, the output voltage of the system changes as follows with x.
When x = 0 cm, the load voltage is 45.6 V. The waveform before optimization of the drive signal U1, inverter output voltage U2, and transmitting coil current, as well as the secondary coil current and load voltage, are shown in Figure 8.
The misalignment testing is shown in Figure 9. When x = 1 cm, the load voltage is 43.3 V, and the secondary coil current and load voltage are shown in Figure 9a. When x = 2 cm, the load voltage is 39.8 V, and the secondary coil current and load voltage are shown in Figure 8b. When x = 3 cm, the load voltage is 35.9 V. The secondary coil current and load voltage are shown in Figure 9c. When x = 4 cm, the load voltage is 30.3 V. The secondary coil current and load voltage are shown in Figure 9d. When x = 5 cm, the load voltage is 28 V. The secondary coil current and load voltage are shown in Figure 9e. When x = 6 cm, the load voltage is 26 V. The secondary coil current and load voltage are shown in Figure 9f. When x = 7 cm, the load voltage is 24.6 V. The secondary coil current and load voltage are shown in Figure 9g.
After the optimal design, when the coil spacing is 1.3 cm, the output voltage of the system varies with X as follows. When x = 0 cm, the load voltage is 41.7 V, and the secondary coil current and load voltage are shown in Figure 10a. When x = 1 cm, the load voltage is 40.6 V. The secondary coil current and load voltage are shown in Figure 10b. When x = 2 cm, the load voltage is 38.6 V. The secondary coil current and load voltage are shown in Figure 10c. When x = 3 cm, the load voltage is 36 V. The secondary coil current and load voltage are shown in Figure 10d. When x = 4 cm, the load voltage is 32.7 V. The secondary coil current and load voltage are shown in Figure 10e. When x = 5 cm, the load voltage is 30.9 V. The secondary coil current and load voltage are shown in Figure 10f. When x = 6 cm, the load voltage is 29.9 V. The secondary coil current and load voltage are shown in Figure 10g. When x = 7 cm, the load voltage is 26.8 V. The secondary coil current and load voltage are shown in Figure 10h. When x = 7.5 cm, the load voltage is 26 V. The secondary coil current and load voltage are shown in Figure 10i.
It can be seen from Figure 11 that when the load resistance is 26 Ω, with the increase in the offset distance, the mutual inductance of the coil will be affected, and the output voltage will finally be affected. When x = 0 cm, the load voltage when the coil spacing is 0 cm is higher than the load voltage when the coil spacing is 1 cm. However, when the output voltage is 26 V, the corresponding receiving coil moving range is from −6 cm to 6 cm. When the coil spacing is 1 cm, the moving range of the receiving coil with the output voltage of 26 V is from −7.5 cm to 7.5 cm, and the offset range is extended by 3 cm. In both cases, there is little fluctuation in the overall efficiency of the system. It can be seen that when the output voltage is stable above 26 V, the offset range of the receiving coil corresponding to the coil spacing of 1 cm is larger, and the misalignment tolerance characteristic of the system is improved to a certain extent.
The comparison is shown in Figure 11.

6. Conclusions

This paper analyzes the charging area division and optimization of the MEU-WPT system using matrix coils. Firstly, the circuit architecture of the MEU-WPT system is analyzed. Moreover, based on electromagnetic theory and the Neumann equation, the mutual inductance changes in the system under a given coupling mechanism are studied. On the basis of establishing a spatial coordinate system, combined with the output characteristic formula derived from the circuit model, the distribution of output power in space is described. At the same time, indicators are provided for the charging area of the system, and they are used to divide the effective charging area of the MEU-WPT system, which can help to calculate the charging area. Then, the projection area of the charging area is extended as the optimization objective, and the expression and constraint conditions for the charging area are obtained. Furthermore, in order to reduce the interference of adjacent coils in the working mode of the matrix coupling mechanism, a comparative analysis was conducted on the frequency stability of each unit with different resonant topologies, and recommendations for circuit selection are provided. Finally, experimental verification was conducted using the analysis method of the previous charging area, and the design method proposed in this paper improved the effective charging area by 15% compared to traditional design methods.

Author Contributions

Conceptualization, J.J. and Z.M.; methodology, J.J.; software, J.J.; validation, Z.M.; formal analysis, J.J.; investigation, J.J.; resources, J.J.; data curation, Z.M.; writing—original draft preparation, J.J.; writing—review and editing, J.J.; visualization, Z.M.; supervision, Z.M.; project administration, J.J.; funding acquisition, J.J. All authors have read and agreed to the published version of the manuscript.

Funding

The research is supported by the National Key R&D Program of China under grant 2022YFF0604200 and the Natural Science Foundation Postdoctoral Science Foundation Project of Chongqing under grant cstc2021jcyj-bshX0245 and cstc2021jcyj-bshX0159.

Data Availability Statement

Data are contained within the article.

Conflicts of Interest

The authors declare no conflict of interest.

References

  1. Luo, Z.C.; Zhao, Y.Y.; Xiong, M.; Wei, X.Z.; Dai, H.F. A Self-Tuning LCC/LCC System Based on Switch-Controlled Capacitors for Constant-Power Wireless Electric Vehicle Charging. IEEE Trans. Ind. Electron. 2022, 70, 709–720. [Google Scholar] [CrossRef]
  2. Zhang, Z.; Pang, H.; Georgiadis, A.; Cecati, C. Wireless power transfer—An overview. IEEE Trans. Ind. Electron. 2018, 66, 1044–1058. [Google Scholar] [CrossRef]
  3. Zhang, Y.; Chen, S.; Li, X.; Tang, Y. Design of high-power static wireless power transfer via magnetic induction: An overview. CPSS Trans. Power Electron. Appl. 2023, 6, 281–297. [Google Scholar] [CrossRef]
  4. Van Mulders, J.; Delabie, D.; Lecluyse, C.; Buyle, C.; Callebaut, G.; Van der Perre, L.; De Strycker, L. Wireless Power Transfer: Systems, Circuits, Standards, and Use Cases. Sensors 2022, 22, 5573. [Google Scholar] [CrossRef] [PubMed]
  5. Ahmed, K.T.; Ali, Y.; Heath, R.W. Optimization of Power Transfer Efficiency and Energy Efficiency for Wireless-Powered Systems with Massive MIMO. IEEE Trans. Wirel. Commun. 2018, 17, 7159–7172. [Google Scholar]
  6. Liu, J.; Liu, Z.; Chen, W.; Sun, Z.; Su, H. An Optimized Coil Array and Passivity-Based Control for Receiving Side Multilevel Connected DC-DC Converter of Dynamic Wireless Charging. IEEE Trans. Veh. Technol. 2022, 71, 3715–3726. [Google Scholar] [CrossRef]
  7. Dai, X.; Jiang, J.C.; Wu, J.Q. Charging Area Determining and Power Enhancement Method for Multi-Excitation Unit Configuration of Wirelessly Dynamic Charging EV System. IEEE Trans. Ind. Electron. 2018, 5, 4086–4096. [Google Scholar]
  8. Hou, X.; Hu, H.; Su, Y.; Liu, Z.; Deng, Z.; Deng, R. A Multirelay Wireless Power Transfer System with Double-Sided LCC Compensation Network for Online Monitoring Equipment. IEEE J. Emerg. Sel. Top. Power Electron. 2022, 11, 1262–1271. [Google Scholar] [CrossRef]
  9. Li, J.; Wang, C.; Wang, L.; Ding, Y.; Yu, T.; Cheng, Y. A Comparative Study on Transmission Performance of Multistage Wireless Power Transfer Systems Using SPS Compensation and LCC Compensation. Int. J. Circuit Theory Appl. 2022, 51, 1625–1641. [Google Scholar] [CrossRef]
  10. Li, H.; Wang, K.; Huang, L.; Chen, W.J.; Yang, X. Dynamic Modeling Based on Coupled Modes for Wireless Power Transfer Systems. IEEE Trans. Power Electron. 2015, 30, 6245–6253. [Google Scholar] [CrossRef]
  11. Cao, Y.; Qahouq, J.A.A. Analysis and evaluation of input power splitting method between multiple transmitters for maximum wireless power transfer. In Proceedings of the 2018 IEEE Applied Power Electronics Conference and Exposition (APEC), San Antonio, TX, USA, 4–8 March 2018; pp. 959–962. [Google Scholar]
  12. Zargham, M.; Gulak, P.G. Maximum Achievable Efficiency in Near-Field Coupled Power-Transfer Systems. IEEE Trans. Biomed. Circuits Syst. 2012, 6, 228–245. [Google Scholar] [CrossRef] [PubMed]
  13. Kim, S.; Kwon, N.; Ahn, S.; Lee, W. Three-Dimensional Wireless Power Transfer System Using Multiple Orthogonal Resonators for Spatial Freedom. IEEE Trans. Antennas Propag. 2023, 71, 4036–4044. [Google Scholar] [CrossRef]
  14. Li, X.; Wang, C.; Wang, H.; Dai, X.; Sun, Y.; Hu, A.P. A Robust Wireless Power Transfer System with Self-Alignment Capability and Controllable Output Current for Automatic-Guided Vehicles. IEEE Trans. Power Electron. 2023, 38, 11898–11906. [Google Scholar] [CrossRef]
  15. Li, S.; Li, W.; Deng, J.; Nguyen, T.D.; Mi, C. A Double-Sided LCC Compensation Network and Its Tuning Method for Wireless Power Transfer. IEEE Trans. Veh. Technol. 2015, 64, 2261–2273. [Google Scholar] [CrossRef]
  16. Zhou, S.; Mi, C. Multi-Paralleled LCC Reactive Power Compensation Networks and Their Tuning Method for Electric Vehicle Dynamic Wireless Charging. IEEE Trans. Ind. Electron. 2016, 63, 6546–6556. [Google Scholar] [CrossRef]
  17. Xu, C.; Zhuang, Y.; Han, H.; Song, C.; Huang, Y.; Zhou, J. Multi-coil high efficiency wireless power transfer system against misalignment. In Proceedings of the 2018 IEEE MTT-S International Wireless Symposium (IWS), Chengdu, China, 6–10 May 2018; pp. 1–3. [Google Scholar]
  18. Qiao, T.; Yang, X.; Lai, X.; Tang, H. Modeling and Analysis of Multi-Coil Magnetic Resonance Wireless Power Transfer Systems. In Proceedings of the 2018 IEEE PELS Workshop on Emerging Technologies: Wireless Power Transfer (Wow), Montreal, QC, Canada, 3–7 June 2018; pp. 1–6. [Google Scholar]
  19. Liu, Y.; Kamineni, A.; Ukegawa, H.; Dede, E.M.; Lee, J.S. Multi-layer Design and Power Transfer Test of PCB-Based Coil for Electric Vehicle Wireless Charging. In Proceedings of the 2023 IEEE Wireless Power Technology Conference and Expo (WPTCE), San Diego, CA, USA, 4–8 June 2023; pp. 1–5. [Google Scholar]
  20. Kim, J.; Kang, W.; Ku, H. A Study on Wireless Power Transfer of Small Device using Multi-Layer Coil. In Proceedings of the 2018 International Symposium on Antennas and Propagation (ISAP), Busan, Republic of Korea, 23–26 October 2018; pp. 1–2. [Google Scholar]
  21. Liao, S.; Xu, Z.; Zhu, J.; Chen, Z. Multi-Transmitter Coils Optimization for Range-Adaptive Wireless Power Transfer by Using Genetic Algorithm. In Proceedings of the 2023 IEEE MTT-S International Wireless Symposium (IWS), Qingdao, China, 14–17 May 2023; pp. 1–3. [Google Scholar]
  22. Raju, S.; Wu, R.; Chan, M.; Yue, C.P. Modeling of Mutual Coupling Between Planar Inductors in Wireless Power Applications. IEEE Trans. Power Electron. 2013, 29, 481–490. [Google Scholar] [CrossRef]
  23. Grover, F.W. Inductance Calculation: Working Formulas and Tables; Dover: New York, NY, USA, 1946. [Google Scholar]
  24. Tan, L.; Huang, X.L.; Zhao, J.F.; Zhao, J.M.; Wang, W.; Zhou, Y. Optimization Design for Disc Resonators of a Wireless Power Transmission System. Trans. China Electrotech. Soc. 2013, 28, 1–6. [Google Scholar]
  25. Wojda, R.P.; Kazimierczuk, M.K. Winding resistance of litz-wire and multi-strand inductors. IET Power Electron. 2012, 5, 257–268. [Google Scholar] [CrossRef]
Figure 1. Structure of traditional WPT and proposed system. (a) Proposed system with matrix coil. (b) Traditional system.
Figure 1. Structure of traditional WPT and proposed system. (a) Proposed system with matrix coil. (b) Traditional system.
Electronics 13 01312 g001
Figure 2. Different layouts of multi-excitation coil matrix: (a) with 3 primary coils; (b) with 4 primary coils.
Figure 2. Different layouts of multi-excitation coil matrix: (a) with 3 primary coils; (b) with 4 primary coils.
Electronics 13 01312 g002
Figure 3. Coordinate establishment of carrying filament.
Figure 3. Coordinate establishment of carrying filament.
Electronics 13 01312 g003
Figure 4. Flow chart of the design method.
Figure 4. Flow chart of the design method.
Electronics 13 01312 g004
Figure 5. Frequency drifting analysis of single excitation unit. (a) The impedance angle results with the current source type when u1 = 45, u2 = 45, k1 = 0.15, k2 = 0.15. (b) The impedance angle results with the current source type when u1 = 60, u2 = 30, k1 = 0.15, k2 = 0.15. (c) The impedance angle results with the current source type when u1 = 45, u2 = 45, k1 = 0.2, k2 = 0.15. (d) The impedance angle results with the voltage source type when u1 = 45, u2 = 45, k1 = 0.15, k2 = 0.15. (e) The impedance angle results with the voltage source type when u1 = 60, u2 = 30, k1 = 0.15, k2 = 0.15. (f) The impedance angle results with the voltage source type when u1 = 45, u2 = 45, k1 = 0.2, k2 = 0.15.
Figure 5. Frequency drifting analysis of single excitation unit. (a) The impedance angle results with the current source type when u1 = 45, u2 = 45, k1 = 0.15, k2 = 0.15. (b) The impedance angle results with the current source type when u1 = 60, u2 = 30, k1 = 0.15, k2 = 0.15. (c) The impedance angle results with the current source type when u1 = 45, u2 = 45, k1 = 0.2, k2 = 0.15. (d) The impedance angle results with the voltage source type when u1 = 45, u2 = 45, k1 = 0.15, k2 = 0.15. (e) The impedance angle results with the voltage source type when u1 = 60, u2 = 30, k1 = 0.15, k2 = 0.15. (f) The impedance angle results with the voltage source type when u1 = 45, u2 = 45, k1 = 0.2, k2 = 0.15.
Electronics 13 01312 g005
Figure 6. Maximum power frequency analysis of the whole MEU-WPT system. (a) The output power results with the current source type when u1 = 60, u2 = 30. (b) The output power results with the current source type when u1 = 45, u2 = 45. (c) The output power results with the current source type when u1 = 30, u2 = 60. (d) The output power results with the voltage source type when u1 = 60, u2 = 30. (e) The output power results with the voltage source type when u1 = 45, u2 = 45. (f) The output power results with the voltage source type when u1 = 30, u2 = 60.
Figure 6. Maximum power frequency analysis of the whole MEU-WPT system. (a) The output power results with the current source type when u1 = 60, u2 = 30. (b) The output power results with the current source type when u1 = 45, u2 = 45. (c) The output power results with the current source type when u1 = 30, u2 = 60. (d) The output power results with the voltage source type when u1 = 60, u2 = 30. (e) The output power results with the voltage source type when u1 = 45, u2 = 45. (f) The output power results with the voltage source type when u1 = 30, u2 = 60.
Electronics 13 01312 g006
Figure 7. Experimental set-up.
Figure 7. Experimental set-up.
Electronics 13 01312 g007
Figure 8. Experimental waveform of four-excitation-coil WPT system before optimization: (a) waveform of the primary side; (b) waveform of the secondary side.
Figure 8. Experimental waveform of four-excitation-coil WPT system before optimization: (a) waveform of the primary side; (b) waveform of the secondary side.
Electronics 13 01312 g008
Figure 9. Experimental waveform of misalignment testing before optimal design: (a) x = 1 cm; (b) x = 2 cm; (c) x = 3 cm; (d) x = 4 cm; (e) x = 5 cm; (f) x = 6 cm; (g) x = 7 cm.
Figure 9. Experimental waveform of misalignment testing before optimal design: (a) x = 1 cm; (b) x = 2 cm; (c) x = 3 cm; (d) x = 4 cm; (e) x = 5 cm; (f) x = 6 cm; (g) x = 7 cm.
Electronics 13 01312 g009aElectronics 13 01312 g009b
Figure 10. Experimental waveform of misalignment testing after optimal design: (a) x = 0 cm; (b) x = 1 cm; (c) x = 2 cm; (d) x = 3 cm; (e) x = 4 cm; (f) x = 5 cm; (g) x = 6 cm; (h) x = 7 cm; (i) x = 7.5 cm.
Figure 10. Experimental waveform of misalignment testing after optimal design: (a) x = 0 cm; (b) x = 1 cm; (c) x = 2 cm; (d) x = 3 cm; (e) x = 4 cm; (f) x = 5 cm; (g) x = 6 cm; (h) x = 7 cm; (i) x = 7.5 cm.
Electronics 13 01312 g010aElectronics 13 01312 g010b
Figure 11. Charging area comparison: (a) comparison of output voltage; (b) comparison of efficiency.
Figure 11. Charging area comparison: (a) comparison of output voltage; (b) comparison of efficiency.
Electronics 13 01312 g011
Table 1. Parameters of the system for stability.
Table 1. Parameters of the system for stability.
ParametersValuesParametersValues
Lp1Lp2110 μHLs210 μH
Rp1/Rp20.1 ΩRs0.2 Ω
Cp1/Cp20.52 μFCs0.3 μF
Ldc (in parallel-series topology case)1 mHRL30 Ω
M121 μH
Table 2. Main parameters of the system.
Table 2. Main parameters of the system.
CaseParametersValuesParametersValues
Four excitation coils-WPT systemLp1/Lp2/Lp3/Lp420 μHLs120 μH
Rp0.05 ΩRs0.12 Ω
Cp1/Cp20.126 μFCs0.021 μF
RL26 Ωz7 cm
Disclaimer/Publisher’s Note: The statements, opinions and data contained in all publications are solely those of the individual author(s) and contributor(s) and not of MDPI and/or the editor(s). MDPI and/or the editor(s) disclaim responsibility for any injury to people or property resulting from any ideas, methods, instructions or products referred to in the content.

Share and Cite

MDPI and ACS Style

Jiang, J.; Meng, Z. Frequency Stability Analysis and Charging Area Expanding Optimal Design for Matrix Coupling Mechanism in Wireless Power Transfer System. Electronics 2024, 13, 1312. https://doi.org/10.3390/electronics13071312

AMA Style

Jiang J, Meng Z. Frequency Stability Analysis and Charging Area Expanding Optimal Design for Matrix Coupling Mechanism in Wireless Power Transfer System. Electronics. 2024; 13(7):1312. https://doi.org/10.3390/electronics13071312

Chicago/Turabian Style

Jiang, Jincheng, and Zhenya Meng. 2024. "Frequency Stability Analysis and Charging Area Expanding Optimal Design for Matrix Coupling Mechanism in Wireless Power Transfer System" Electronics 13, no. 7: 1312. https://doi.org/10.3390/electronics13071312

APA Style

Jiang, J., & Meng, Z. (2024). Frequency Stability Analysis and Charging Area Expanding Optimal Design for Matrix Coupling Mechanism in Wireless Power Transfer System. Electronics, 13(7), 1312. https://doi.org/10.3390/electronics13071312

Note that from the first issue of 2016, this journal uses article numbers instead of page numbers. See further details here.

Article Metrics

Back to TopTop