Next Article in Journal
Blasthole Location Detection Using Support Vector Machine and Convolutional Neural Networks on UAV Images and Photogrammetry Models
Previous Article in Journal
Architectural Framework and Feasibility of Internet of Things-Driven Mars Exploration via Satellite Constellations
Previous Article in Special Issue
Design and Analysis of an H-Type Pickup for Multi-Segment Wireless Power Transfer Systems
 
 
Font Type:
Arial Georgia Verdana
Font Size:
Aa Aa Aa
Line Spacing:
Column Width:
Background:
Article

Research on MLD Modeling and Predictive Control of Magnetically Coupled Resonant Bidirectional WPT System

1
School of New Energy and Power Engineering, Lanzhou Jiaotong University, Lanzhou 730070, China
2
State Grid Gansu Liujiaxia Hydropower Station, Linxia 731600, China
*
Author to whom correspondence should be addressed.
Electronics 2024, 13(7), 1290; https://doi.org/10.3390/electronics13071290
Submission received: 4 March 2024 / Revised: 26 March 2024 / Accepted: 27 March 2024 / Published: 30 March 2024
(This article belongs to the Special Issue Recent Research on Wireless Power Transfer Systems)

Abstract

The recent studies on magnetically coupled resonant bidirectional wireless power transfer (MCR-BWPT) systems disregard the challenges posed by nonlinearity, discrete switching action, and hybrid properties within the system. This research focuses on the D-LCL resonant compensation topology MCR-BWPT system. The switch tube’s switching state dictates the division of various working modes and the determination of the switching conditions between them. The coupling relationship between the continuous dynamic characteristics of the system and discrete events and the constrained conditions of the system are derived. The Hybrid System Description Language (HYSDEL) is used to build the Mixed Logic Dynamic (MLD) model of the system. The MLD model is employed as the prediction model, and the hybrid model predictive controller of the MCR-BWPT system is constructed according to the quadratic performance index. Finally, to verify the accuracy of the MLD model and the feasibility of the control strategy, the simulation model of the MLD model is established in MATLAB/Simulink. The study’s findings show that, in terms of response time at system startup and power fluctuation suppression, the approach put forward in this research performs better than both the conventional bilateral dual-phase-shift control strategy and the PQ-based bilateral power control strategy. The MCR-BWPT system can operate more steadily now that PQ’s bidirectional power control technique is in place. The system’s forward and reverse transmission efficiency is increased by 0.29% and 0.32% compared to the conventional bilateral dual-phase-shift control approach; the increases are 0.28% and 0.09%, each compared to the bilateral power control strategy based on PQ.

1. Introduction

Following the introduction of the Peak Carbon Neutral Targets, China has strongly advocated the implementation of electric cars. Wireless charging of electric vehicles not only enhances the flexibility of electric vehicle charging but also greatly reflects the flexibility of future smart grid power delivery. Electric vehicles can be linked to the power grid as a portable distributed energy storage unit, serving the purpose of peak shaving and valley filling [1]. Wireless charging systems are more practical than traditional wired ones, and the user can play an active role in the grid’s regulation of electric energy. Magnetically coupled resonant wireless power transfer (MCR-WPT) stands out from other power transmission methods due to its extended transmission distance, superior transmission efficiency, and greater transmission power [2]. The importance of this realization is particularly pronounced in the wireless charging of electric vehicles [3].
EV charging technology based on the magnetically coupled resonant bidirectional wireless power transfer (MCR-BWPT) method enables energy to flow more flexibly between EVs and the grid while being utilized more efficiently. As a result, the interaction between EVs and the grid is enhanced.
The MCR-BWPT system can be broken down into various operating modes based on the circuit’s functioning, and the switching state of the switching tube dictates its functioning. Different operating modes correspond to distinct state variables, and the combination of the modifications in the system’s continuous state variables can illustrate the system’s continuous dynamic characteristics in each operating mode. Therefore, the MCR-BWPT system is a switching system with a strong coupling relationship composed of discrete and continuous state variables. To effectively model the MCR-BWPT system, it is essential to accurately depict the strong correlation between discrete and continuous state variables and unify their models [4].
Currently, the MCR-BWPT system’s modeling approach remains the same as that of a unidimensional WPT system. Researchers have proposed various methods to address the modeling problem of the WPT system, including the generalized state-space averaging (GSSA) method [5], the discrete iterative model [6], the coupled-mode theory [7], and an S-type activation function-based modeling method [8]. The method of generalized state-space averaging is extensively employed and well established in the field of modeling wireless power transfer (WPT) systems. The fundamental concept represents the periodic signal in the time domain as a Fourier series. Conjugate low-order harmonic components approximate the original signal, resulting in a linear time-invariant continuous approximation of nonlinear time-varying discontinuous portions. Signal reconstruction is used to recover the envelope of the original signal and an estimated solution in the time domain. Despite adequately addressing the nonlinear difficulty of the system, the generalized state-space averaging method results in an amplification of its order. Modifications to the equivalent circuit of the WPT system occur as a consequence of alterations in the switching state of the switching tubes during a switching cycle. The formulation of state-space equations in the discrete iterative model is based on the operating modes. This model incorporates the mathematical relationships between system parameters and the coefficient matrix and output matrix of the state-space equations in each operating mode. The model iterates repeatedly within a single switching cycle to establish a precise discrete iterative model. The technique of digital iterative modeling is intricate due to its utilization of several matrix and exponential function operations [9]. Coupled mode theory is a distinctive method for analyzing perturbations, enabling a direct investigation of the energy relationship between objects without the need for complex physical analysis. The utilization of coupled mode theory presents distinct advantages in evaluating energy transfer and transformation within complex systems while requiring a reduced number of system parameters. However, determining the mode components and coupling coefficients of coils poses a significant challenge [7]. The S-type activation function is frequently employed as a nonlinear mapping layer in convolutional neural networks [10]. The function demonstrates continuity, smoothness, and differentiability, and it achieves saturation when the function value reaches a specified value. In their study, Reference [8] employed the S-type activation function to estimate the switching process between operating modes of a WPT system. They combined the distinct switching characteristics of the WPT system with the continuous characteristics of each operating mode. Then, they utilized this model to examine the impact of controller parameters and system parameters on the switching action behaviors and system stability. Nevertheless, in the closed-loop control of the WPT system, it is necessary to build a mapping relationship between inputs and outputs in the digital control system to address the system’s lack of a time lag link. Including a time delay in the WPT system can introduce instability, as it introduces a time delay inside the digital control system [11]. The current research on modeling WPT systems lacks sufficient representation of the complex dynamics associated with nonlinear, discrete switching events inside the system. On the other hand, hybrid systems are highly effective in explaining the interaction between individual switching events and the ongoing dynamic characteristics in power electronic circuit systems [12].
The mixed logic dynamical (MLD) model, which takes into account the limitations of the system, the interactions between the state quantities, and the mathematical equations of the system when it functions [13], has great potential for use in the power electronics sector and has been employed in inverter fault diagnosis [14,15,16,17], Maximum Power Point Tracking (MPPT) control algorithms, and other areas of study [18]. Reference [14] analyzes the current flow direction in the circuit and establishes the MLD model of the inverter according to the conduction and off state of the switching tubes under normal and faulty conditions, estimates the three-phase currents of the inverter operating under normal conditions by means of the sliding-mode observer in the current interval, and carries out the fault detection and fault localization through the comparison of the estimated values and the actual measured values. In [18], a power predictive control algorithm based on the MLD model is designed. This algorithm effectively achieves precise tracking of the maximum power point and significantly improves the dynamic performance of the photovoltaic system. When compared to conventional techniques such as perturbation and observation, this approach guarantees accurate tracking of the maximum power point while demonstrating pronounced advantages. The hybrid control strategy in the hybrid automata model of the bidirectional Inductively Coupled Power Transfer (ICPT) system is an open-loop control strategy [12], which cannot detect and correct the system error. The MLD model is based on the circuit topology, which is the most similar to the original system. This enables a more precise characterization of the MCR-BWPT system compared to conventional modeling techniques. The MLD model eliminates the laborious task of deriving mathematical formulas, streamlining the modeling process.
The main contributions of this paper are as follows:
(i) Based on the fundamental wave approximation method, the transmission characteristics of the D-LCL MCR-BWPT system with resonance compensation network were analyzed, the relationship between the transmission efficiency and the phase shift angle between the H-bridges on both sides was obtained, and four operating modes were divided according to the switching state of the switching tube. (ii) Through the analysis of the operation characteristics of the MCR-BWPT system, the hybrid dynamic behavior of the system was obtained. Combined with the analysis results, the continuous events and discrete events of the MCR-BWPT system were effectively compiled by the HYSDEL language, and HYSDEL generated the MLD model of the MCR-BWPT system. (iii) Taking the MLD model of the MCR-BWPT system as a prediction model, the hybrid model predictive control strategy of the MCR-BWPT system was designed based on the quadratic performance index, and the stability of the control system was proved based on the Lyapunov stability criterion. Finally, the control performance of the system was verified by MATLAB 2018b/Simulink for forward power transmission mode.
The structure of this article is as follows. First, the transmission properties of the D-LCL resonant topology in the MCR-BWPT system under steady conditions are examined, and various operating modes based on the switching states of the switching tubes are categorized in Section 2. Then, by analyzing the hybrid characteristics of the MCR-BWPT system, we derive the state-space equations for the system in various operating modes, coupling the operating modes with discrete events, determining the switching conditions between them, and coupling them with discrete auxiliary variables to establish the system’s logic rules in Section 3. Additionally, leveraging the Hybrid System Description Language (HYSDEL) as a fundamental framework, the MLD model for the MCR-BWPT system is developed. In Section 4, a predictive control strategy is devised using the quadratic performance index and the MLD model as the basis for prediction. The model’s precision and the control strategy’s efficacy are assessed through MATLAB 2018b/Simulink simulations in Section 5. Finally, Section 6 provides a concluding summary of this article.

2. Characterization of D-LCL Type MCR-BWPT System and Working Modal Analysis

2.1. Topology Characterization of MCR-BWPT System with D-LCL Type Compensation Topology

The energy transfer efficiency and the output power to meet the actual demand are the two most important indexes of WPT systems. An important measure to improve the transmission performance of WPT systems is to introduce resonant compensation structures into the system. The commonly used basic compensation topologies are SS, PP, SP, and PS, and the widely used basic composite compensation topologies are D-LCC and D-LCL. The LCL-type compensation network can realize the system’s constant-voltage and constant-current outputs through rational parameter design [19,20]; the current stresses borne by the switching devices are reduced by the impedance transformation of the LCL [21].
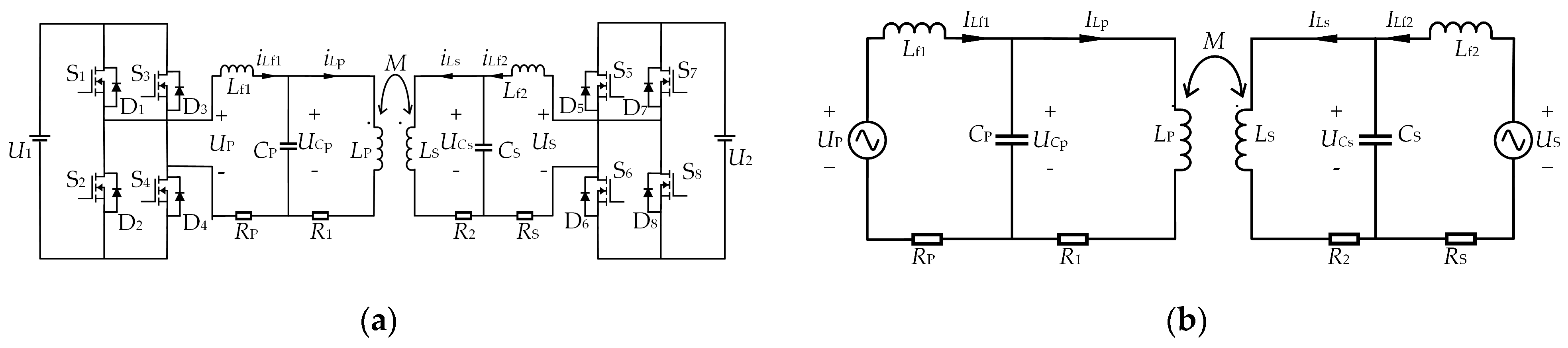
Figure 1a displays the architecture of the MCR-BWPT system with a dual LCL-type compensation topology. The figure illustrates the primary and secondary DC voltage sources as U1 and U2, respectively; the four MOSFET switching tubes S1–S4 form the primary H-bridge; the four MOSFETs S5–S8 form the secondary H-bridge; the diodes D1–D8 are connected in anti-parallel to the eight MOSFETs S1–S8; the output voltages of the H-bridge on the primary and secondary sides are uP and uS; the resonant compensation capacitor voltages on the primary and secondary sides are uCp1 and uCp2; the series resonant compensation inductor currents on the primary and secondary sides are iLf1 and iLf2; the primary and secondary mutual inductance currents are iLp and iLs. The primary and secondary side series compensation inductors are Lf1 and Lf2, while the primary and secondary side parallel compensation capacitors are CP and CS. The primary and secondary side self-inductance are LP and LS. The coupling coil mutual inductance is M, and the LCL resonance compensation network at the transmitting end consists of Lf1, CP, and LP. The LCL resonance compensation network at the receiving end consists of Lf2, CS, and LS. The internal resistance of the primary and secondary side coils are R1 and R2. The internal resistances of the primary and secondary side coils are RP, RS1, and R2. The equivalent resistances of the primary and secondary side compensation networks are RP and RS.
Disregarding the resonance compensation network voltage, current harmonic components, and switching losses, the system structure diagram will be the same as the one depicted in Figure 1b. The output voltage and RMS value of the output current of the H-bridge on the primary and secondary sides are determined by UP and US, and ILf1 and ILf2; the induced voltage and the RMS value of the coil’s current on the primary and secondary sides are determined by UCp and UCs, and ILp and ILs.
Kirchhoff’s voltage law is applied to analyze the primary and secondary sides of the D-LCL-type MCR-BWPT system separately, deriving the loop voltage equation.
{ U P = ( j ω L f 1 + R P + 1 j ω C P ) I L f 1 1 j ω C P I L p 0 = 1 j ω C P I L f 1 + ( R 1 + j ω L P + 1 j ω C P ) I L p + j ω M I L s 0 = j ω M I L s + ( R 2 + j ω L S + 1 j ω C S ) I L s 1 j ω C P I L f 2 U S = ( j ω L S + R S + 1 j ω C S ) I L f 2 1 j ω C S I L s
If the MCR-BWPT system functions at resonance, then the system’s optimal performance should be met.
ω = 2 π f = 1 L P C P = 1 L f 1 C P = 1 L S C S = 1 L f 2 C S
We compute the output current of the H-bridge on both the primary and secondary sides.
{ I L f 1 = a U P + j b U S τ I L f 2 = c U P + j b U S τ
where a = ω2CP2[ω2CS2RS(ω2M2 + R1R2) + R1], b = ω3CPCSM, c = ω2CS2[ω2CP2R1(ω2M2 + R2RP) + R2], τ = ω6CP2CS2M2RPRS + ω4CP2CS2R1R2RPRS + ω2CP2R1RP + ω2CS2R2RS + 1.
Then, we determine the active and reactive power of the MCR-BWPT system based on Equation (3) for both input and output.
{ P in = Re [ U P I L f 1 * ] = a U P 2 b U P U S sin β τ P out = Re [ U S I L f 2 * ] = c U P 2 + b U P U S sin β τ
{ Q in = Im [ U P I L f 1 * ] = b U P U S cos β τ Q out = Im [ U S I L f 2 * ] = b U P U S cos β τ
where β denotes the phase difference between ILp and ILs.
Based on the analysis of the MCR-BWPT system mentioned above, it can be inferred that when the system achieves power forward transmission, power is transferred from the primary side to the secondary side, and the phase of UP should lead to that of US. Conversely, when the system undergoes power reverse transmission, the phase of UP should lag behind that of US.

2.2. Modal Analysis of Operation of MCR-BWPT System with D-LCL-Type Compensation Topology

The power transfer mechanism of the MCR-BWPT system is categorized into two modes: forward power transfer mode from the primary side to the secondary side and reverse power transfer mode in the opposite direction. In this study, a D-LCL-type resonant compensation topology is selected, where both the primary and secondary sides possess symmetrical configurations. This symmetry ensures that the operating modes of both power transfer modes are similar. Figure 2 illustrates the waveforms of the driving signals and state variables of the switching devices in the D-LCL-type compensation topology MCR-BWPT system. The phase shift angle between the H-bridges bridges on the primary and secondary sides is denoted as “ε”, while “θ1” and “θ2” represent the intra-bridge phase shift angles of the H-bridge bridges on the primary and secondary sides, respectively. It should be noted that in this article, ε = π/2, θ1 = θ2 = π.
One switching cycle of the forward power transfer mode of the MCR-BWPT system is divided into four operating modes, denoted by q = [q1, q2, q3, q4]T.
(1)
Mode q1, t0~t3.
When t ∈ (t0, t1), as shown in Figure 3a, the primary-side series compensation inductor current iLf1 flows negatively and decreases inversely to 0 at the moment of t1, and flows through the diodes D1 and D4, which are connected in inverse parallel with the MOS tubes S1, S4; and the secondary-side series compensation inductor current iLf2 flows positively and decreases in a positive direction to 0 at the moment of t2, and flows through the MOS tubes S6 and S7. After the moment of t1, as shown in Figure 3b, MOS tubes S1 and S4 conduct, and iLf1 start to increase in the forward direction; within the phase t ∈ (t2, t3), as shown in Figure 3c, iLf2 starts to flow negatively after it decreases to 0 at the moment of t2, flows through the diodes D6 and D7, and increases in the reverse direction.
(2)
Mode q2, t3~t4.
At the moment of t3, MOS tubes S5 and S8 are given the conduction signal. In contrast, MOS tubes S6 and S7 are given the turn-off signal, as shown in Figure 3d; at this time, the direction of iLf1 is positive, flowing through MOS tubes S1 and S4 and decreasing in the positive direction. In contrast, the direction of iLf2 in this phase is negative, flowing through diodes D6 and D7 and showing a tendency to decrease in the reverse direction first and then increase in the opposite direction.
(3)
Mode q3, t4~t7.
MOS tubes S2 and S3 conduct at the moment of t4, while S1 and S4 are off; at this time, the direction of iLf1 is positive, as shown in Figure 3e, so at this time by S2, S3 anti-parallel diode D2, D3 to renew the current, iLf1 positively decreases to 0 at the moment of t5; the secondary side of the switching state of switching tubes with the operating mode q2 is consistent with the flow of the MOS tubes S5 and S8, showing the first inverse increased and reduced the trend. As shown in Figure 3f, iLf1 decreases to 0 at the moment of t5, flows through MOS tubes S2 and S3, and starts to increase in the reverse direction. In contrast, iLf2 decreases to 0 in the reverse direction at the moment of t6, as shown in Figure 3g, and, after that, flows in the forward direction and through diodes D5 and D8.
(4)
Mode q4, t7~t8.
As shown in Figure 3h, MOS tubes S6 and S7 conduct at the moment of t7, while S5 and S8 turn off; at this time, the switching state of the primary-side switching tubes is the same as that of the operating mode q3; the direction of iLf2 is positive and flows through S6 and S7, showing a tendency to decrease first and then increase.
The reverse power transfer mode is similar to the forward power transfer mode, so we will not be going into details.

3. MLD Modeling for the MCR-BWPT System

The transitions between operating modes in the MCR-BWPT system correspond to changes in the switching states of the switching devices. The MLD model of the MCR-BWPT system incorporates both continuous dynamic variables and discrete events, enabling a more precise representation of the strong coupling relationship within the system. In this section, the state-space equations of the MCR-BWPT system in various operating modes are derived by examining the mixing characteristics, building upon the earlier explanation of the MLD model. The switching conditions between discrete events and the logic rules they follow are determined according to the coupling relationship between the continuous and discrete state variables. Lastly, the MLD model of the MCR-BWPT system is constructed utilizing the HYSDEL.

3.1. MLD Model

The MLD model is a linear dynamic equation characterized by inequality constraints, encompassing both real-type continuous variables and Boolean-type logistic variables. The MLD model can effectively address the modeling problem by integrating discrete variables with continuous dynamic variables, thereby centralizing the analysis of logistic rules, event constraints, state variables, and continuous dynamic variables in this nonlinear system.
The MLD model’s structure is illustrated in Figure 4. The major components of the MLD model are continuous state variables and discrete logic variables, which are linked together and have corresponding input and output variables. Additionally, the model incorporates A/D and D/A converter modules, which facilitate the transformation of the two variables into one another. The MLD is built by analyzing the dynamic performance of each module and creating expressions that describe the performance of each module in a centralized manner. The MLD model can transform discrete logic variables into mixed integer inequalities through logic transformations and subsequently embed them into continuous state variables. Simultaneously, A/D conversion and D/A conversion transform discrete logic variables and continuous state variables into inequality constraints via logic conversion, creating a mathematical model with a robust correlation between discrete and continuous state variables.
The general equation representing the MLD model is provided in Equation (6) [22]:
{ x ( k + 1 ) = A x ( k ) + B 1 u ( k ) + B 2 δ ( k ) + B 3 z ( k ) y ( k ) = C x ( k ) + D 1 u ( k ) + D 2 δ ( k ) + D 3 z ( k ) E 2 δ ( k ) + E 3 z ( k ) E 4 x ( k ) + E 1 u ( k ) + E 5
where x = [xc, xl]T is the state variable, with the continuous state variable xcRnc and the discrete state variable xl ∈ {0, 1}nl, n = nc + nl; y = [yc, yl]T is the output variable, where the continuous output variable ycRpc and the discrete output variable yl ∈ {0, 1}pl, p = pc + pl; u = [uc, ul]T is the input variable, where the continuous input variable ucRmc and the discrete input variable ul ∈ {0, 1}ml, m = mc + ml; zRrc is an auxiliary continuous variable and δ ∈ {0,1}rl is an auxiliary discrete variable; and A, B1~B3, C, D1~D3, and E1~E5 are system matrices.

3.2. Hybrid Characteristic Analysis of the MCR-BWPT System

The MLD model serves as a comprehensive mathematical representation that incorporates interconnected physical laws, logical relationships, and system constraints. In the analysis of the MCR-BWPT system, particular attention should be directed towards the switching process between different modes and the self-holding process of each mode, both within the forward and reverse power transfer modes. Figure 5 depicts the switching process between various modes and the self-holding mechanism of the system, as outlined in the analysis provided in Section 2.1.
Let the set of discrete state variables be xb = [xb1, xb2, xb3, xb4]T, representing the four modes of the MCR-BWPT system. The switching functions of the switching tubes S1~S8 in the four discrete states are shown in Equation (7), and the switching states of the switching tubes in each discrete state are shown in Table 1.
S n = { 1 ,   switching   Tube   Conduction 0 ,   switching   Tube   Shutdown , n = 1 , 2 , , 8
The continuous state variables are chosen as the inductor current and capacitor voltage of the MCR-BWPT system, as x(t) = [iLf1, uCp, iLp, iLs, uCs, iLf2]T. The state-space equations of the MCR-BWPT system for each discrete state can be derived as follows:
{ x ˙ ( t ) = A x ( t ) + B u ( t ) y = C x ( t )
where the state A, input matrix B, output matrix C, and input variable u(t) in the state space equation are Equations (9) to (12), respectively.
A = [ R P L f 1 1 L f 1 0 0 0 0 1 C P 0 1 C P 0 0 0 0 L S Δ L S R 1 Δ M R 2 Δ M Δ 0 0 M Δ M R 1 Δ L P R 2 Δ L P Δ 0 0 0 0 1 C S 0 1 C S 0 0 0 0 1 L f 2 R S L f 2 ]
B = [ 1 L f 1 0 0 0 0 0 0 0 0 0 0 1 L f 2 ]
C = [ 1 0 0 0 0 0 0 0 0 0 0 1 ]
u ( t ) = [ m U 1 n U 2 ] T
where Δ = L1L2M2; m and n take the values shown in Table 2.
The establishment of the MLD model for the MCR-BWPT system hinges upon two critical aspects: the switching between the forward and reverse power transfer modes of the system and the determination of the appropriate switching conditions governing the transitions between each discrete state mode. Taking the forward power transfer mode as an example, the switching signals of the D-LCL type MCR-BWPT system and the shunt-compensated inductor voltage and coil mutual inductance current waveforms of the primary side are shown in Figure 6.
In Figure 6, the switching condition between xb1 and xb2 is the coil mutual inductance current of the primary side at the moment, which has the value of 0; the switching condition between xb2 and xb3 is the shunt compensated capacitor voltage UCp1 of the primary side at the moment; the switching condition between xb3 and xb4 is the coil mutual inductance current of the primary side at the moment, which has the value of 0; and the switching condition between xb4 and xb1 is the shunt compensated capacitor voltage -UCp1 of the primary side at the moment.
First, the discrete logic variable is defined as pi(k) ∈ {0,1} (i = 1, …, 9), the discrete logic variable pi is associated with the dynamic event of the continuous state variable of the working mode of the MCR-BWPT system, and its logic relationship is shown in Equation (13):
{ [ p 1 = 1 ] [ δ ( k ) ( 0 , π ) ] [ p 2 = 1 ] [ i Lp ( k ) 0 ] [ p 3 = 1 ] [ u Cp ( k ) U Cp 1 ] [ p 4 = 1 ] [ i Lp ( k ) 0 ] [ p 5 = 1 ] [ u Cp ( k ) U Cp 1 ] [ p 6 = 1 ] [ u Cs ( k ) U Cs 1 ] [ p 7 = 1 ] [ i Ls ( k ) 0 ] [ p 8 = 1 ] [ u Cs ( k ) U Cs 1 ] [ p 9 = 1 ] [ i Ls ( k ) 0 ]
As known from Figure 5, the switching and self-holding conditions of the operating modes of the MCR-BWPT system can be represented by the discrete state variables xb defined in the previous section as Equations (14)–(17):
x b 1 = ( x b 4 p 4 p 1 ) ( x b 1 ¬ p 2 p 1 ) ( x b 1 ¬ p 9 ¬ p 1 ) ( x b 2 p 8 ¬ p 1 )
x b 2 = ( x b 1 p 2 p 1 ) ( x b 2 ¬ p 4 p 1 ) ( x b 4 ¬ p 8 ¬ p 1 ) ( x b 3 p 8 ¬ p 1 )
x b 3 = ( x b 2 p 3 p 1 ) ( x b 3 ¬ p 4 p 1 ) ( x b 4 ¬ p 8 ¬ p 1 ) ( x b 3 p 8 ¬ p 1 )
x b 2 = ( x b 3 p 4 p 1 ) ( x b 4 ¬ p 5 p 1 ) ( x b 4 ¬ p 6 ¬ p 1 ) ( x b 1 p 9 ¬ p 1 )
where xbi, i = 1, 2, 3, 4 denotes the working mode at the current moment, and xbi’, i = 1, 2, 3, 4 denotes the working mode at the next moment.
It is clear from the analysis that discrete state variables are necessary for the state update of the MLD model. Consequently, the state space equations for each mode of the MCR-BWPT system must be discretized. For example, Equation (8) is discretized as follows:
{ x ( k + 1 ) = G x ( k ) + H u ( k ) y ( k + 1 ) = C x ( k )
where H = ( 0 T e A t d t ) B , G = eAT, and T is the sampling period.
We chunk the input coefficient matrix H:
H = [ H 1 | H 2 ]
Then, the state space equations for each operating mode are
x ( k + 1 ) = G x ( k ) + m U 1 H 1 + n U 2 H 2
where the values of m and n are shown in Table 2.

3.3. MLD Modeling of MCR-BWPT System Based on HYSDEL

HYSDEL is a sophisticated computer language specifically designed for the description and modeling of hybrid systems [23]. By utilizing this high-level language, the process of generating the MLD model for a given system is automated. The written code in HYSDEL automatically produces the corresponding MLD model, eliminating the need for manual construction. The basis of the HYSDEL program writing rules is the C language, and a complete HYSDEL language representation should contain two parts: INTERFACE and IMPLEMENTATION. Four parts, namely, input variables, state variables, output variables, and system parameters constitute the INTERFACE part. Nine parts, namely, auxiliary variables of the system, updating equations of the state variables, and transformational relationships between discrete variables and continuous variables constitute the IMPLEMENTATION part. The description of HYSDEL specification and the significance of each part are shown in Table 3.
From the previous analysis of the MCR-BWPT system, the steps for modeling MLD for the MCR-BWPT system using HYSDEL are as follows:
(1)
Definition of system variables and parameters
The parameters corresponding to the MLD model can be derived from the topology of the MCR-BWPT, so the input variables, state variables, and system-related parameters of the MCR-BWPT system are defined.
  • Input variables u(k)
The phase shift angle, denoted as ε, between the H-bridge bridges of the primary and secondary sides of the MCR-BWPT system, is defined as a continuous input variable, represented as a(k), which plays a crucial role in controlling the system’s forward and reverse power transfer modes.
  • State variables x(k)
The state variables of the system are composed of both continuous state variables and discrete state variables, collectively representing the dynamic behavior of the system.
The state variables of the MCR-BWPT system are defined as the continuous state variables of the MLD model, i.e., as xr(k) = [iLf1(k), uCp(k), iLp(k), iLs(k), uCs(k), and iLf2(k)]T.
The operating modes q1-q4 are defined as discrete state variables, xb(k) = [xb1(k), xb2(k), xb3(k), and xb2(k)]T.
  • Output variables y(k)
The currents iLf1 and iLf2, which represent the series resonant compensation inductor currents on the primary and secondary sides of the MCR-BWPT system, are designated as the system’s output variables. These variables serve to characterize and monitor the behavior of the system.
  • System parameters
The MCR-BWPT system simulation parameters are defined as system parameters in Table in Section 5.
(2)
Operational relationships between system parameters
  • Definition of auxiliary variables
From the previous sections, it is known that the MCR-BWPT system has two modes of forward and reverse power transfer, and there are four operating modes in each operating mode. Therefore, auxiliary continuous variables H1(k) and H2(k), and auxiliary discrete variables p(k) and w(k), are defined.
  • Conversion relations from continuous to discrete variables: definition of the auxiliary discrete variable p(k)
Within the MCR-BWPT system, it is crucial to establish the relationship between the events occurring in the continuous state variables during system operation and the auxiliary discrete variables. As such, the auxiliary discrete variable p(k) becomes coupled with the switching conditions of each operating mode of the MCR-BWPT system, as demonstrated in Equation (21). This coupling ensures the accurate representation and coordination of the system’s behavior.
{ [ p ( 1 ) = 1 ] [ a 0 ] [ p ( 2 ) = 1 ] [ x r 3 0 ] [ p ( 3 ) = 1 ] [ x r 2 U C p 1 ] [ p ( 4 ) = 1 ] [ x r 3 0 ] [ p ( 5 ) = 1 ] [ x r 2 U C p 1 ] [ p ( 6 ) = 1 ] [ x r 5 U C s 1 ] [ p ( 7 ) = 1 ] [ x r 4 0 ] [ p ( 8 ) = 1 ] [ x r 5 U C s 1 ] [ p ( 9 ) = 1 ] [ x r 4 0 ]
where p(i), i = 1, …, 9 denotes the ith element in the discrete auxiliary variable, and xr(i) has the exact definition as it.
  • Logical relationships among discrete variables: definition of auxiliary discrete variable w(k)
To facilitate the analysis of the MCR-BWPT system, it is advantageous to establish a logical relationship between the auxiliary discrete variables and the discrete state variables. This relationship serves to represent the switching conditions for the four modes within the forward and reverse power transfer modes of the MCR-BWPT system, as well as the self-holding conditions for each mode. Equation (22) demonstrates the formulation of this logical relationship, enabling a comprehensive understanding of the system’s operational characteristics.
{ [ w ( 1 ) = 1 ] [ x b ( 4 ) = 1 & p ( 5 ) = 1 & p ( 1 ) = 1 ] [ w ( 2 ) = 1 ] [ x b ( 1 ) = 1 & ! p ( 2 ) = 1 & p ( 1 ) = 1 ] [ w ( 3 ) = 1 ] [ x b ( 1 ) = 1 & ! p ( 9 ) = 1 & ! p ( 1 ) = 1 ] [ w ( 4 ) = 1 ] [ x b ( 2 ) = 1 & p ( 8 ) = 1 & ! p ( 1 ) = 1 ] [ w ( 5 ) = 1 ] [ x b ( 1 ) = 1 & p ( 2 ) = 1 & p ( 1 ) = 1 ] [ w ( 6 ) = 1 ] [ x b ( 2 ) = 1 & ! p ( 3 ) = 1 & p ( 1 ) = 1 ] [ w ( 7 ) = 1 ] [ x b ( 2 ) = 1 & ! p ( 8 ) = 1 & ! p ( 1 ) = 1 ] [ w ( 8 ) = 1 ] [ x b ( 3 ) = 1 & p ( 7 ) = 1 & ! p ( 1 ) = 1 ] [ w ( 9 ) = 1 ] [ x b ( 2 ) = 1 & p ( 3 ) = 1 & p ( 1 ) = 1 ] [ w ( 10 ) = 1 ] [ x b ( 3 ) = 1 & ! p ( 4 ) = 1 & p ( 1 ) = 1 ] [ w ( 11 ) = 1 ] [ x b ( 3 ) = 1 & ! p ( 7 ) = 1 & ! p ( 1 ) = 1 ] [ w ( 12 ) = 1 ] [ x b ( 4 ) = 1 & p ( 6 ) = 1 & ! p ( 1 ) = 1 ] [ w ( 13 ) = 1 ] [ x b ( 3 ) = 1 & p ( 4 ) = 1 & p ( 1 ) = 1 ] [ w ( 14 ) = 1 ] [ x b ( 4 ) = 1 & ! p ( 5 ) = 1 & p ( 1 ) = 1 ] [ w ( 15 ) = 1 ] [ x b ( 4 ) = 1 & ! p ( 6 ) = 1 & ! p ( 1 ) = 1 ] [ w ( 16 ) = 1 ] [ x b ( 4 ) = 1 & p ( 9 ) = 1 & ! p ( 1 ) = 1 ]
  • Discrete state variable update equation
The use of logistic variables to describe the switching conditions and self-holding conditions between the various operating modes of the MCR-BWPT system can more accurately reflect the coupling relationship between the continuous dynamics of the system and the discrete events. According to Figure 5, the updated equations of discrete state variables are written as shown in Equation (23).
{ [ x b ( 1 ) = 1 ] [ w ( 1 ) = 1 | w ( 2 ) = 1 | w ( 3 ) = 1 | w ( 4 ) = 1 ] [ x b ( 2 ) = 1 ] [ w ( 5 ) = 1 | w ( 6 ) = 1 | w ( 7 ) = 1 | w ( 8 ) = 1 ] [ x b ( 3 ) = 1 ] [ w ( 9 ) = 1 | w ( 10 ) = 1 | w ( 11 ) = 1 | w ( 12 ) = 1 ] [ x b ( 4 ) = 1 ] [ w ( 13 ) = 1 | w ( 14 ) = 1 | w ( 15 ) = 1 | w ( 16 ) = 1 ]
  • Continuous state variable update equation
From Equation (19) described earlier in this article, the continuous state variable update equations for the MCR-BWPT system are obtained as shown in Equations (24)–(26).
H 11 = { H 1 U 1 if ( x b ( 1 ) = 1 | x b ( 2 ) = 1 ) H 1 U 1 otherwise
H 22 = { H 2 U 2 if ( x b ( 2 ) = 1 | x b ( 3 ) = 1 ) H 2 U 2 otherwise
x r ( k + 1 ) = G x r ( k ) + H 11 + H 22
  • Output variables
The series resonant compensation currents iLf1 and iLf2, which pertain to the primary and secondary sides of the MCR-BWPT system, are considered as the system’s output variables. Thus, the output equation of the system can be expressed as follows:
y r ( k + 1 ) = C x r ( k )
  • System constraints
According to the previous analysis, it can be known that the MCR-BWPT system can only operate in a specific operating mode at one moment during the operation:
Σ i = 1 4 x b ( i ) 1
As previously mentioned, the MLD model for the MCR-BWPT system is generated using HYSDEL, and the comprehensive model details are presented in Table 4. This table provides essential information regarding the final MLD model, offering a consolidated overview of its characteristics.

4. Hybrid Model Predictive Control of MCR-BWPT System Based on HYSDEL

The MLD model of the MCR-WPT system integrates the continuous dynamic characteristics of the system, the coupling relationship between these dynamic characteristics and discrete events, as well as the constraints imposed on the system inputs and state variables into a nonlinear model framework that allows for holistic consideration. The model predictive control (MPC) method, being an optimal control algorithm, demonstrates the capability to effectively handle dynamic systems with constraints. Building upon the MLD model of the MCR-BWPT system, this chapter designs a hybrid model predictive control strategy. This strategy effectively suppresses current and power fluctuations during system startup and utilizes Lyapunov’s stability criteria to demonstrate the stability of the hybrid model predictive control strategy based on the MLD model.

4.1. MLD Modeling of MCR-BWPT System Based on HYSDEL

Considering the prior sections’ development of the MLD model for the MCR-BWPT system, a hybrid model predictive control approach is devised, specifically tailored for the MCR-BWPT system.
The MLD model has the addition of discrete logic variables to the state space model, and the MLD model has a mathematical model capable of describing the mixing properties of the system. Figure 7 shows the controlling block diagram of the hybrid model predictive control which is MLD model-based; the error value is obtained by making a difference between the given reference value and the predicted value, and the minimum error value is taken as the performance index, which is solved to obtain the optimal inputs of the system. The resulting optimal inputs are applied to the MLD model for MCR-BWPT system, the output value of the system is predicted according to the MLD model for MCR-BWPT system, and the first optimal inputs are applied to the actual operation of the MCR-BWPT system to obtain the actual output measurements of the system; and, finally, the error obtained from the difference of the output measurements of the system and the predicted output value of the model is used to make the feedback correction prediction.
This article adopts MLD predictive control based on the quadratic performance index [23]. The current time is defined as t, the current measurable system state variable is x(t), and the optimal control input variable sequence of the next k moments is utk−1 = {ut(0), ut(1), …, u(k − 1)}. At time t, under the action of the input variable utk−1, the predicted value of the state variable x(t) based on the MLD model of the MCR-BWPT system for the system state variable at time t + k is x(k|t): ε(k|t), z(k|t), and y(k|t) have the same definition rules.
Suppose the system’s initial state is x0 and the equilibrium point is xe; then (xe, ue) is an equilibrium point of the system, which has its corresponding steady-state value (εe, ze, ye) at that moment and satisfies Equation (6) of the MLD model of the MCR-BWPT system, which yields the quadratic performance index of the MLD system as follows:
min J ( u t T 1 , x ( t ) ) = k = 0 T 1 ( u ( k ) u e Q 1 2 + δ ( k | t ) δ e Q 2 2 + z ( k | t ) z e Q 3 2 + x ( k | t ) x e Q 4 2 + y ( k | t ) y e Q 5 2 )
In Equation (29), Q1~Q5 are the weighted matrices corresponding to each variable, and Qi ≥ 0, i = 1, 2, …, 5.
The system also meets the following constraints:
{ x ( k + 1 ) = A x ( k ) + B 1 u ( k ) + B 2 δ ( k ) + B 3 z ( k ) y ( k ) = C x ( k ) + D 1 u ( k ) + D 2 δ ( k ) + D 3 z ( k ) E 2 δ ( k ) + E 3 z ( k ) E 4 x ( k ) + E 1 u ( k ) + E 5 x ( T | t ) = x e k = 0 , 1 , , T 1
To simplify the amount of computation, the length of both the control time horizon and the prediction time horizon is set to be T, which is known from the MLD equation:
{ x ( k | t ) = A k x ( t ) + k = 0 k 1 A i [ B 1 u ( k 1 i | t ) + B 2 δ ( k 1 i | t ) + B 3 z ( k 1 i | t ) ] y ( k | t ) = C x ( k | t ) + D 1 u ( k | t ) + D 2 δ ( k | t ) + D 3 z ( k | t )
The vector is defined as follows:
{ Ω = [ u ( 0 ) u ( k 1 ) ] Δ = [ δ ( 0 ) δ ( k 1 ) ] Ξ = [ z ( 0 ) z ( k 1 ) ] γ = [ Ω Δ Ξ ]
Moreover, by substituting Equation (31) with Equation (6) and Equation (29), the problem of optimal control of the MLD model can be transformed into the mathematical mixed-integer quadratic programming problem [24], which is
min γ J = 1 2 γ H γ + F γ
Equation (34) is the constraint of Equation (33):
{ A ineq γ b ineq A eq γ = b eq γ R n c × { 0 , 1 } n d γ ( i t y p e ) { 0 , 1 } n d
where the coefficient matrix H > 0, the decision variable in the optimal control process of the MLD model is γ, the correlation coefficient matrices of the inequality and equation constraints are Aineq and Bineq, respectively, and the correlation vectors of the inequality and equation constraints are Aeq and Beq. The element of γ in the definition of the optimization process taking the binary part of γ is γ(itype).

4.2. Hybrid Model Predictive Control of MCR-BWPT System Based on MLD Model

The MCR-BWPT system operates with the problem of current fluctuation when the system is started, and the rapidity of the regulation of the output current during the switching of the operating mode is taken as the control objective of the system. Therefore, the quadratic controlling objective function of the H-MPC of the MCR-BWPT system based on the MLD model is defined as follows:
J = k = 0 k 1 Q e ( k ) 2
The error signal of the output variable of the system is e(k) = y(k|t) − yref(t), where y(k|t) is the predicted value of the output variable at the moment k + t, yref(t) is the reference value of the output variable, and Q is the weight matrix.
The optimal input variable sequence of the system is defined as utT−1 = {u(0), u(1), …, u(T − 1)}, where the MLD model of the MCR-BWPT system as well as constraints of the system’s state variables are the constraints of the model predictive control, and, therefore, the H-MPC problem of the MCR-BWPT system can be transformed into
min u J = k = 0 k 1 Q e ( k ) 2
The constraints are
{ x ( k + 1 ) = A x ( k ) + B 1 u ( k ) + B 2 δ ( k ) + B 3 z ( k ) y ( k ) = C x ( k ) + D 1 u ( k ) + D 2 δ ( k ) + D 3 z ( k ) E 2 δ ( k ) + E 3 z ( k ) E 4 x ( k ) + E 1 u ( k ) + E 5 x min x ( t + 1 ) x max u min u ( t + 1 ) u max

4.3. Stability Analysis of Control System

Hybrid systems are essentially complex nonlinear dynamical systems in which continuous and discrete variables are coupled as continuous and discrete logistic variables are introduced, and a set of nonlinear differential or difference equations are used to describe the system’s laws of operation. Since the hybrid system contains these two different types of variables and has a mutual coupling relationship, the discrete logic variables will change with the system’s operation. Accordingly, the continuous state variables will also change, so the hybrid system’s stability analysis is more complicated than the linear system. The following theorem is given for the stability analysis problem of predictive control based on MLD models [25]:
Theorem 1. 
Suppose (xe, ue) is an equilibrium pair whose correspondence to the equilibrium pair of auxiliary variables is (xe, ue). Suppose at the moment t = 0, the initial state of the system x(0) makes the optimization problem Equation (37) have a solution for any weight matrix Qi = Qi ≥ 0,i = 1, 2, …, 5. The predictive control system of the MLD model ensures the stability of the system while satisfying the system constraints with
{ lim t x ( t ) = x e lim t u ( t ) = u e lim t y ( t ) = y e lim t δ ( t ) δ e 2 = 0 lim t z ( t ) z e 2 = 0
Based on the Lyapunov stability criterion, it is proven as follows.
V ( t ) J ( u t * , x ( t ) )
The feasible solution to Equation (38) at time t + 1 is obtained as follows:
u 1 = { u t * ( 1 ) , u t * ( 2 ) , , u t * ( T 1 ) , u e }
Equation (40) is a feasible rather than optimal solution to Equation (38), and the k + 1-step predictions at moment t are equal to the k-step predictions at moment t + 1:
{ δ ( k | t + 1 ) = δ ( k + 1 | t ) z ( k | t + 1 ) = z ( k + 1 | t ) x ( k | t + 1 ) = x ( k + 1 | t ) y ( k | t + 1 ) = y ( k + 1 | t )
Therefore, the T-step prediction of the system at moment t + 1 is identical to the equilibrium value:
{ δ ( T 1 | t + 1 ) = δ e z ( T 1 | t + 1 ) = z e x ( T 1 | t + 1 ) = x e y ( T 1 | t + 1 ) = y e
Therefore, there are the following performance indicators:
J ( u 1 , x ( t + 1 ) ) = V ( t ) u ( k ) u e Q 1 2 δ ( t ) δ e Q 2 2 z ( t ) z e Q 3 2 x ( t ) x e Q 4 2 y ( t ) y e Q 5 2
Moreover, the optimal value of the performance index at time k + 1 satisfies
J ( u 1 , x ( t + 1 ) ) = V ( t ) u ( k ) u e Q 1 2 δ ( t ) δ e Q 2 2 z ( t ) z e Q 3 2 x ( t ) x e Q 4 2 y ( t ) y e Q 5 2
Available upon collation,
V ( t + 1 ) V ( t ) u ( t ) u e Q 1 2 δ ( t ) δ e Q 2 2 z ( t ) z e Q 3 2 x ( t ) x e Q 4 2 y ( t ) y e Q 5 2
It is clear that the inequality of Equation (45) is less than zero on the right-hand side, so V(t) decreases, and V(t) has a lower bound of zero. It follows that V(t + 1) − V(t) tends to zero, and there is
lim t ( u ( t ) u e Q 1 2 + δ ( t ) δ e Q 2 2 + z ( t ) z e Q 3 2 + x ( t ) x e Q 4 2 + y ( t ) y e Q 5 2 ) lim t ( V ( t + 1 ) V ( t ) ) = 0
In summary, it is proved that the stability of the hybrid model predictive control system with MLD model for MCR-WPT system [Certificated].

5. Simulation Results

For the validation of the control performance of the MLD model of the MCR-BWPT system and its hybrid model predictive controller established in the paper, the hybrid model predictive control system of the MCR-BWPT system is simulated using Hybrid Toolbox in MATLAB/Simulink, and the simulation parameters are shown in Table 5 [26]; the switching of the system control logic and the control effect of the system under the forward and reverse power transfer modes are also verified.
For the verification of the MLD model of the MCR-BWPT system and its hybrid model predictive control strategy to realize the orderly switching of each operating mode in forward and reverse power transfer modes, four discrete state variables and series resonant compensation currents on the primary and secondary sides of the MCR-BWPT system are simulated. The MCR-BWPT system is idealized by ignoring the inverter dead time, i.e., it is assumed that the switching of the inverter is done instantaneously and there is no cross-conduction or disconnection time. The optimal control time domain of the system is N = 2, the sampling period is 0.1 μs, and the weight matrix Q = [1 0;0 1].
Figure 8 and Figure 9 show the discrete state variables and the simulated waveforms of the first and second series resonant compensating inductor currents for the MLD model of the MCR-BWPT system in forward and reverse power transfer modes, respectively. From the simulation waveforms, it is clear that the MLD model established in this article for the MCR-BWPT system takes the value of 1 for the four discrete state variables according to the switching order of the operating modes q1q2q3q4q1 in the forward power transfer mode, so that the system works stably in a cyclic manner; the switching order of the discrete state variables is opposite to that of the forward direction as the system is working in the reverse power transfer mode. Moreover, the primary and secondary resonant compensation inductor currents in the two modes of operation are in agreement with the theoretical analysis results. The results verify that the MCR-BWPT system MLD model is able to operate in a stable cycle and output a stable current according to the set switching logic.
To verify the suppression effect of the hybrid predictive control strategy of the MLD model of the MCR-BWPT system on the current fluctuation of the system at startup, the hybrid model predictive control method in this paper is compared with the traditional open-loop dual-side double phase-shift control method and the PQ-based dual-side power control strategy proposed in Reference [27].
The dual-side double phase-shift control method is to apply corresponding switching signals to each switching tube in the MCR-BWPT system, in which two switching tubes of the same bridge arm on the primary and secondary sides conduct complementarily, and the switching tubes of the opposite side conduct and turn off at the same time; the difference of the phase-shift angle between the driving signals of the primary side and the secondary side is fixed at ±π/2, the transmitted power is maximized at this difference of the phase-shift angle, and the positive and negative of the shift angle determines the power transmission. At this time, the in-bridge phase shift angle of the full-bridge converter on the primary side and the in-bridge phase shift angle on the secondary side are controlled to generate the primary and secondary excitation voltages with the pulse width angles of θ1 and θ2. In order to make the MCR-BWPT system always in the mode of maximum power transmission, the in-bridge phase shift angles of the full-bridge on the primary and secondary sides are θ1 = θ2 = π.
Reference [27] proposed a PQ-based bilateral power control strategy to regulate the power flow in a bidirectional wireless energy transmission system. The proposed controller is located at the secondary-side H-bridge converter and uses the measured active and reactive power generated by the secondary-side H-bridge converter to establish synchronization control between the primary and secondary sides and to regulate the power flow in the forward and reverse directions without dedicated communication loops.
Therefore, the phase-shift angle in the forward power transfer mode of the bilateral dual phase-shift control method is set to θ1 = θ2 = π and ε = π/2, and in the reverse power transfer mode, θ1 = θ2 = π and ε = −π/2. Currently, the bilateral double phase-shift control mode and the PQ-based bilateral power control mode used by the MCR-BWPT system parameters are consistent with the MLD model parameters.
For the MLD model of the MCR-BWPT system and its hybrid predictive control strategy developed in this article, the switching logic of the MLD model is jointly determined by the discrete auxiliary variables p(1–5) and the discrete state variables xb when the system is in the forward power transfer mode; similarly, when the system works in the reverse power transfer mode, the switching logic of the MLD model is jointly determined by the discrete auxiliary variables p(1), p(6)~p(9) and the discrete state variables xb. Figure 10 and Figure 11 compare the system’s primary and secondary resonant currents under the traditional bilateral double-shifted phase-shifting control and the PQ-based bilateral power control with hybrid model predictive control in the forward and reverse power transfer modes, respectively. As shown in Figure 10 and Figure 11, the system enters the steady state following a specific transient process after startup in the traditional bilateral double phase-shift control mode, and the primary- and secondary-side resonant currents oscillate in this process. The PQ-based dual-side power control mode also needs to go through a transient process before entering the steady state, and at the startup of the system, the primary side resonant current experiences current oscillations, and then the current amplitude undergoes the process of first decreasing and then increasing by a small amplitude, and then reducing, and finally, increasing slowly until entering the stable power transfer state. Meanwhile, the secondary-side resonant current presents a certain degree of oscillation after startup; then, the current amplitude shows a small amplitude first and then it decreases. At the same time, the secondary resonant current shows a certain degree of oscillation after startup. Then, the current amplitude shows a slight decrease and then it increases, after which it decreases by a small amount to then increase slowly to a steady state.
From Figure 10 and Figure 11, it can be seen that the traditional bilateral double phase-shift control method undergoes a transient process of about 0.25 ms. There is a certain degree of current oscillation during system startup, while the MCR-BWPT system using the PQ-based bilateral power control method is still in the transition state; the system is not yet in the resonance state, so this transient process is much longer. The system starts with a more significant degree of current oscillation and a larger amplitude of the transition process, which puts higher requirements on the current stress than the power switching devices of the MCR-BWPT system can withstand. With the control strategy proposed in this paper, the system enters the steady state directly after startup without any obvious transient process. The waveforms of the system’s first and second side resonant currents corresponding to the three control methods are the same in steady state, so the MLD-based model and predictive control methods have a shorter regulation time at startup, which is more conducive to the system’s stable operation.
Figure 12 and Figure 13 show the power operation curves of the MCR-BWPT system in positive and reverse power transmission modes, respectively. The actual power is consistent with the calculated value from Equation (4) above, which verifies the accuracy of the MLD model of the MCR-BWPT system. As can be seen from Figure 12, when the system is in the forward power transmission mode, the MCR-BWPT system under the traditional two-sided dual-phase-shift control mode experiences power oscillation at startup, and the output power of the primary side and the received power of the secondary side gradually stabilize after the system undergoes a transient process. Currently, the transmitting power of the primary side of the MCR-BWPT system is PI-out = 896.36 W, and the receiving power of the secondary side is PII-in = 818.47 W. At present, the equivalent resistance RP and RS loss of the first and secondary circuits are Ploss-RP = 4.62 W and Ploss-RS = 3.05 W. The loss of the internal resistance R1 and R2 of the primary and secondary coils is Ploss-R1 = 36.59 W and Ploss-R2 = 33.61 W, and the total loss is Ploss = 77.88 W. Hence, the transmission efficiency is ηPSC = 91.31% when the system is in the traditional two-sided double-phase-shift control mode. The MCR-BWPT system based on the PQ two-sided power control mode experienced significant power oscillation after starting. It then experienced a slow power climb of about 75 ms before achieving stable power transmission. The changing trend of the received power on the secondary side showed a reverse change with that on the primary side. Currently, the transmitting power of the primary side of the MCR-BWPT system is PI-out = 895.94 W, and the receiving power of the secondary side is PII-in = 818.06 W. At this time, the equivalent resistance RP and RS loss of the first and secondary circuits are Ploss-RP = 4.64 W and Ploss-RS = 3.39 W, and the loss of the internal resistance R1 and R2 of the primary and secondary coils are Ploss-R1 = 36.52 W and Ploss-R2 = 34.31 W. Therefore, the total loss is Ploss = 77.87 W, so the transmission efficiency of the system under the PQ-based bilateral power control mode is ηPQC = 91.32%. However, the MCR-BWPT system under hybrid model predictive control has no obvious transient process and shows a stable power output after the system is started. Currently, the transmitting power of the MCR-BWPT system on the primary side is PI-out = 933.72 W, and the receiving power on the secondary side is PII-in = 855.27 W. At this time, the equivalent resistance RP and RS loss of the first and secondary circuits are Ploss-RP = 4.71 W and Ploss-RS = 3.35 W, and the loss of the internal resistance R1 and R2 of the primary and secondary coils are Ploss-R1 = 36.65 W and Ploss-R2 = 33.74 W. The total loss is Ploss = 78.45 W, so the transmission efficiency of the system under hybrid model predictive control is ηHMPC = 91.60%. As shown in Table 6, the forward output power of the system is improved by 37.36 W and 37.78 W compared with the conventional bilateral double-shifted phase-shifting control strategy and the PQ-based bilateral power control strategy; and the forward transmission efficiency of the system is improved by 0.29% and 0.28% compared with the conventional bilateral double-shifted phase-shifting control strategy and the PQ-based bilateral power control strategy.
Figure 13 shows the power operation curves of the MCR-BWPT system in the reverse power transmission mode. The power operation trend of the three control modes is the same as that in the forward power transmission mode, so it is unnecessary to go into detail. The transmitting power of the MCR-BWPT system in the traditional two-side dual-phase-shift control mode is PII-out = 892.22 W, and the receiving power of the primary side is PI-in = 817.91 W. At this time, the equivalent resistance RP and RS loss of the first and secondary circuits are Ploss-RP = 4.04 W and Ploss-RS = 3.09 W, and the loss of the internal resistance R1 and R2 of the primary and secondary coils are Ploss-R1 = 33.06 W and Ploss-R2 = 34.11 W. The total loss is Ploss = 74.31 W, so the transmission efficiency is ηPSC = 91.44% when the system is in the traditional two-sided double-phase-shift control mode. Under the two-sided power control mode based on PQ, the secondary transmitting power of the MCR-BWPT system is PII-out = 893.92 W, and the primary receiving power is PI-in = 817.41 W. At this time, the equivalent resistance RP and RS loss of the first and secondary circuits are Ploss-RP = 4.55 W and Ploss-RS = 3.65 W, and the loss of the primary and secondary coil internal resistance R1 and R2 are Ploss-R1 = 35.23 W and Ploss-R2 = 33.07 W; the total loss is Ploss = 76.51 W. Hence, the transmission efficiency of the system under PQ-based bilateral power control mode is ηPQC = 91.67%. The secondary transmitting power of the MCR-BWPT system under hybrid model predictive control is PII-out =931.59 W, and the primary receiving power is PI-in = 854.83 W. At this time, the equivalent resistance RP and RS loss of the first and secondary circuits are Ploss-RP = 4.49 W and Ploss-RS = 3.68 W, and the loss of the internal resistance R1 and R2 of the primary and secondary coils are Ploss-R1 = 35.67 W and Ploss-R2 = 32.89 W, respectively. The total loss is Ploss = 76.75 W, so the transmission efficiency of the system under hybrid model predictive control is ηHMPC = 91.76%. As shown in Table 7, the reverse output power of the system is improved by 36.92 W and 37.42 W compared with the conventional bilateral double-shifted phase-shifting control strategy and the PQ-based bilateral power control strategy; and the reverse transfer efficiency of the system is improved by 0.32% and 0.09% compared with the conventional bilateral double-shifted phase-shifting control strategy and the PQ-based bilateral power control strategy.
To sum up, when the system is in either forward power transmission mode or reverse power transmission mode, the hybrid model predictive control based on the MLD model has a faster start-up speed and shorter adjustment time than the traditional phase-shift control mode and PQ-based two-sided power control and can enter the steady state faster. The hybrid predictive control based on the MLD model can improve the transmission efficiency of the system compared with the traditional phase-shift control and PQ-based two-sided power control. In terms of power and transmission efficiency, the forward and reverse output power of the system is improved by 37.36W and 36.92W compared with the traditional bilateral double-shifted phase control strategy; the forward and reverse transmission efficiency of the system is improved by 0.29% and 0.32% compared with the conventional bilateral double-shifted phase control strategy; the forward and reverse transmission efficiencies are enhanced by 0.28% and 0.09% compared to the PQ-based bilateral power control.

6. Conclusions

In this article, using the mixed logic dynamic modeling approach, the MLD model of the MCR-BWPT system is established. In addition, this article proposes the hybrid model predictive control approach using the MLD model of the MCR-BWPT system as the predictive model. First, we analyze the mixing characteristics of the MCR-BWPT system, and derive the constraints of state quantities, the switching conditions between different discrete state variables, and the logic rules followed by the switching of discrete state variables for the establishment of the MLD model. Then, we use the HYSDEL language to realize the integration of the continuous dynamic variables of the MCR-BWPT system, the discrete events, and their strong coupling relations, and establish the standardized form of MLD model for MCR-BWPT system. Compared with the existing modeling methods of the MCR-BWPT system, the hybrid logic dynamic modeling method is a nonlinear model that can describe the working process of the MCR-BWPT system with high accuracy by introducing several logic variables to establish logical relationships with the continuous dynamic events of the system without applying approximate averaging to its discrete model. The application of HYSDEL omits the modeling process of tedious derivation steps, which improves the efficiency of modeling. In this paper, using the MLD model of the MCR-BWPT system as a prediction model and the primary and secondary resonant currents as the optimization objects, the MLD predictive control theory based on the quadratic performance index is used to design a predictive controller for the MLD model of MCR-BWPT system and demonstrate the stability of the control system by using Lyapunov’s stability criterion. Through the MATLAB/Simulink simulation analysis, it can be shown that in one switching cycle, the discrete state variables of the MLD model take the value of 1 sequentially; that is, each operating mode can be switched in an orderly manner and it can realize the forward and reverse power transfer. Compared with the traditional two-sided dual-shift control mode and the two-sided power control mode based on PQ, it can be seen that the hybrid model predictive control mode based on the MLD model has a faster startup speed and effectively inhibits the current and transmission power fluctuations of the first and second sides of the system during startup, and that the MCR-BWPT system can run stably. The forward and reverse transmission efficiency of the system is increased by 0.29%, 0.32%, 0.28%, and 0.09%, respectively, compared with the traditional two-sided dual-phase-shift control strategy and the PQ-based two-sided power control strategy, which verifies the feasibility and effectiveness of the MLD model and hybrid model predictive control strategy.
The shortcomings of this study are as follows:
(i) The MLD model established in this research is based on the MLD modeling method of HYSDEL. This method is more efficient and straightforward than the traditional MLD model establishment method, without a complex mathematical derivation process, and does not need to approximate the system model. However, the procedure requires high precision of switching conditions. (ii) Many variables are involved in the process of MLD model building, so the complexity of continuous/discrete state variables and auxiliary continuous/discrete variables in the process of MLD model building, as well as the logical relationship among them, is proportional to the order of the controlled system.
Next research direction:
The MLD model can be improved, and the control strategy suitable for the MLD model, except hybrid predictive control and sliding mode control, can be designed and applied in the MCR-BWPT system.

Author Contributions

Author conceptualization and writing—original draft, formal analysis, and resources, T.Z. and J.X.; review and editing, X.L. All authors have read and agreed to the published version of the manuscript.

Funding

This research was funded by the National Natural Science Foundation of China (51767015) and the Gansu Provincial Higher Education Industry Support Plan Project (202339). We would also like to express our sincere gratitude to the editors and anonymous re9viewers for their valuable comments, which have greatly improved this paper.

Data Availability Statement

The data presented in this study are available in the text.

Conflicts of Interest

The authors declare no conflicts of interest.

References

  1. Wu, X.; Zhou, M. Electric Vehicle Technology; China Machine Press: Beijing, China, 2018; pp. 2–20. [Google Scholar]
  2. Huang, X.; Wang, W.; Tan, L. Technical Progress and Application Development of Magnetic Coupling Resonant Wireless Power Transfer. Autom. Electr. Power Syst. 2017, 41, 2–14. [Google Scholar]
  3. Jiao, Y.; Li, R.; Song, G. Research and Optimization of Transmission Characteristics of Magnetically Coupled Resonant Wireless Transmission System. Power Syst. Prot. Control 2020, 48, 112–120. [Google Scholar]
  4. Han, J.; Zhang, B.; Qiu, D. Bi-switching status modeling method for DC-DC converters in CCM and DCM operations. IEEE Trans. Power Electron. 2017, 32, 2464–2472. [Google Scholar] [CrossRef]
  5. Chen, Z.; Shao, H.; Chen, K.; Sui, Q.; Li, D. Research on order reduction of small signal model of wireless power transmission system. Trans. China Electrotech. Soc. 2021, 36, 5143–5152. [Google Scholar]
  6. Ma, T.; Wang, Y.; Hu, X.; Lin, Z. Discrete-Time Modeling of Wireless Power Transfer System Based on Phase-Shift Control. Trans. China Electrotech. Soc. 2021, 36, 644–653. [Google Scholar]
  7. Zhang, B.; Rong, C.; Jiang, Y.; Shu, X. Proposal Process and Research Progress of Fractional-order Wireless Power Transfer Mechanism. Autom. Electr. Power Syst. 2022, 46, 197–207. [Google Scholar]
  8. Hu, X.; Wang, Y.; Lv, S.; Zhao, D.; Ma, T. Modeling and Stability Analysis of Wireless Power Transfer System with an LCC-S Compensated Network Based on Activation Function. Trans. China Electrotech. Soc. 2023, 38, 1553–1563. [Google Scholar]
  9. Li, Z.; Hang, L.; Zhen, X.; He, Z.; Zeng, L. Improved Sampled-Data Modeling Method and Stability Analysis of Digitally Controlled DC-DC Converters. Trans. China Electrotech. Soc. 2023, 38, 1882–1899. [Google Scholar]
  10. Zhang, H.; Zhang, Q.; Yu, J. Overview of the development of activation function and its nature analysis. J. Xihua Univ. Nat. Sci. Ed. 2021, 40, 1–10. [Google Scholar]
  11. Hu, J.; Wang, Z.; Gao, H.; Stergioulas, L.K. Robust Sliding Mode Control for Discrete Stochastic Systems with Mixed Time Delays, Randomly Occurring Uncertainties, and Randomly Occurring Nonlinearities. IEEE Trans. Ind. Electron. 2012, 59, 3008–3015. [Google Scholar] [CrossRef]
  12. Li, X.; Xu, J. Modeling and Control of Bidirectional ICPT System based on Hybrid Automata. Electr. Power Autom. Equip. 2022, 42, 107–113. [Google Scholar]
  13. Bemporad, A.; Morari, M. Control of Systems Integrating Logic, Dynamics and Constraints. Automatica 1999, 35, 407–427. [Google Scholar] [CrossRef]
  14. Wang, X.; Chen, C.; Yang, X.; Gao, S. Fast Diagnosis Method for Open-circuit Fault of Inverter Based on ESO-MLD. J. Power Supply 2021, 19, 153–162. [Google Scholar]
  15. Chen, C.; Wang, X.; Gao, S.; Zhang, Y. A Diagnosis Method for Open-circuit Faults in Inverters Based on Interval Sliding Mode Observer. Proc. CSEE 2020, 40, 4569–4579+4736. [Google Scholar]
  16. Yang, B.; Chen, Q.; Hu, C. Fault Diagnosis and Location of Three-level Inverter Based on Phase Voltage Deviation. Power Electron. 2022, 56, 19–22. [Google Scholar]
  17. Sun, C. Diagnosis and Fault-Tolerant Control Strategies of Inverters in Six-Phase Permanent Magnet Synchronous Motor Drive Systems; Shandong University of Technology: Zibo, China, 2020. [Google Scholar]
  18. Wang, J.; Yang, Y.; Yang, P.; Zhang, G.; Hu, S.; Hu, H. Modeling and Simulation of MPPT based on Mixed Logic Dynamic. Acta Energiae Solairs Sin. 2019, 40, 3046–3053. [Google Scholar]
  19. Wang, C.; Xu, Q. Study of LLC Resonant Converter for Variable-Frequence Microwave Oven Power Supply. Trans. China Electrotech. Soc. 2012, 27, 103–109. [Google Scholar]
  20. Kissin, M.L.; Huang, C.Y.; Covic, G.A.; Boys, J.T. Detection of the tuned point of a fixed-frequency LCL resonant power supply. IEEE Trans. Power Electron. 2009, 24, 1140–1143. [Google Scholar] [CrossRef]
  21. Yu, K. Study of Characteristics of LCL-Type Inductive Coupled Power Transfer System; Chongqing University: Chongqing, China, 2012. [Google Scholar]
  22. Bemporad, A.; Heemels, W.; De Schutter, B. On hybrid systems and closed-loop MPC systems. IEEE Trans. Autom. Control 2002, 47, 863–869. [Google Scholar] [CrossRef]
  23. Torrisi, F.D.; Bemporad, A. HYSDEL: A tool for generating computational hybrid models for analysis and synthesis problems. IEEE Trans. Control Syst. Technol. 2004, 12, 235–249. [Google Scholar] [CrossRef]
  24. Moro, L.; Grossmann, I. A Mixed-integer Model Predictive Control Formulation for Linear Systems. Comput. Chem. Eng. 2013, 55, 1–18. [Google Scholar] [CrossRef]
  25. Li, X.; Gao, D.; Wang, Y. Predictive Control for Hybrid System based on Mixed Logic Dynamic Model. Control Decis. 2002, 17, 315–319. [Google Scholar]
  26. Li, Y.; Su, Y.; Dai, X.; Zhou, J. Modeling and Control of An LCL Bi-directional Inductive Power Transfer System. J. Chongqing Univ. 2012, 35, 117–123. [Google Scholar]
  27. Tang, Y.; Chen, Y.; Madawala, U.K.; Thrimawithana, D.J.; Ma, H. A New Controller for Bidirectional Wireless Power Transfer Systems. IEEE Trans. Power Electron. 2018, 33, 9076–9087. [Google Scholar] [CrossRef]
Figure 1. D-LCL type MCR-BWPT system structure diagram and equivalent circuit diagram. (a) The structure diagram of the MCR-BWPT system with D-LCL compensation topology. (b) The equivalent circuit diagram of the D-LCL MCR-BWPT system.
Figure 1. D-LCL type MCR-BWPT system structure diagram and equivalent circuit diagram. (a) The structure diagram of the MCR-BWPT system with D-LCL compensation topology. (b) The equivalent circuit diagram of the D-LCL MCR-BWPT system.
Electronics 13 01290 g001
Figure 2. The switching signal and state working waveform of the MCR-BWPT system.
Figure 2. The switching signal and state working waveform of the MCR-BWPT system.
Electronics 13 01290 g002
Figure 3. The switching state of the switch tube under different modes.
Figure 3. The switching state of the switch tube under different modes.
Electronics 13 01290 g003
Figure 4. The structure diagram of the MLD model.
Figure 4. The structure diagram of the MLD model.
Electronics 13 01290 g004
Figure 5. The discrete event switching process and self-sustaining process of the MCR-BWPT system.
Figure 5. The discrete event switching process and self-sustaining process of the MCR-BWPT system.
Electronics 13 01290 g005
Figure 6. D-LCL-type MCR-BWPT system switching signal and primary-side compensation capacitor voltage and coil mutual inductance current waveforms.
Figure 6. D-LCL-type MCR-BWPT system switching signal and primary-side compensation capacitor voltage and coil mutual inductance current waveforms.
Electronics 13 01290 g006
Figure 7. Hybrid model predictive control block diagram.
Figure 7. Hybrid model predictive control block diagram.
Electronics 13 01290 g007
Figure 8. System simulation waveform in forward power transmission mode.
Figure 8. System simulation waveform in forward power transmission mode.
Electronics 13 01290 g008
Figure 9. System simulation waveform in reverse power transmission mode.
Figure 9. System simulation waveform in reverse power transmission mode.
Electronics 13 01290 g009
Figure 10. Comparison of starting current simulation waveforms of forward power transmission mode system. (a) Comparison of simulation waveforms of primary-side resonant current. (b) Comparison of simulation waveforms of secondary-side resonant current.
Figure 10. Comparison of starting current simulation waveforms of forward power transmission mode system. (a) Comparison of simulation waveforms of primary-side resonant current. (b) Comparison of simulation waveforms of secondary-side resonant current.
Electronics 13 01290 g010
Figure 11. Comparison of starting current simulation waveforms of reverse power transmission mode system. (a) Comparison of simulation waveforms of primary-side resonant current. (b) Comparison of simulation waveforms of secondary-side resonant current.
Figure 11. Comparison of starting current simulation waveforms of reverse power transmission mode system. (a) Comparison of simulation waveforms of primary-side resonant current. (b) Comparison of simulation waveforms of secondary-side resonant current.
Electronics 13 01290 g011
Figure 12. Comparison of system power waveforms for forward power transfer mode.
Figure 12. Comparison of system power waveforms for forward power transfer mode.
Electronics 13 01290 g012
Figure 13. Comparison of system power waveforms for reverse power transfer modes.
Figure 13. Comparison of system power waveforms for reverse power transfer modes.
Electronics 13 01290 g013
Table 1. The switching state of the switch tube in each discrete state.
Table 1. The switching state of the switch tube in each discrete state.
ModesS1, S4S2, S3S5, S8S6, S7
xb11001
xb21010
xb30110
xb40101
Table 2. The values of m and n in each working mode.
Table 2. The values of m and n in each working mode.
Modesmn
xb11−1
xb211
xb3−11
xb4−1−1
Table 3. HYSDEL specification description and significance of each part.
Table 3. HYSDEL specification description and significance of each part.
Description of the HYSDEL SpecificationMeaning of HYSDEL Parts
SYSTEM system’s name{Declaration of the name of the research object system
INTERFACE{Definition of system variables and parameters
INPUT{ }Definition of system input variables
STATE{ }Definition of system state variables
OUTPUT{ }Definition of system output variables
PARAMETER{ }}Definition of system parameters
IMPLEMENTATION{Relationships between system variables
AUX{ }Definition of system auxiliary variables
CONTINUOUS{ }Continuous state variable update equation
AUTOMATA{ }Discrete state variable update equations
LINEAR{ }Linear relationships between continuous variables
LOGIC{ }Logistic relationships between discrete variables
AD{ }Conversion of continuous variables to discrete variables
DA{ }Conversion of discrete variables to continuous variables
MUST{ }Constraints of the system
OUTPUT{ }}}MLD model output variables
Table 4. MLD model related information.
Table 4. MLD model related information.
MLD Model ParametersQuantities
input variable1
output variable2
state variable10
inequality constraint173
Table 5. Simulation parameters of MCR-BWPT system.
Table 5. Simulation parameters of MCR-BWPT system.
ParametersValueParametersValue
U1/V106U2/V106
Lf1/μH28.8Lf2/μH28.8
CP/μF2.2CS/μF2.2
LP/μH28.8LS/μH28.8
M/μH10f/kHz20
R10.05R20.05
RP0.05RS0.05
Table 6. Comparison of simulation results of three control methods in forward power transfer mode.
Table 6. Comparison of simulation results of three control methods in forward power transfer mode.
Control MethodPrimary Side Transmit Power
PI-out/W
Circuit and Coil Losses on Both Sides
Ploss/W
Secondary Side Received Power
PII-in/W
Transmission Efficiency
η/%
Hybrid model
predictive control
933.7277.88818.4791.60%
Conventional
bilateral double-phase-shift control
896.3677.87818.0691.31%
PQ-based bilateral power control method895.9478.45855.2791.32%
Table 7. Comparison of simulation results of three control methods in reverse power transfer mode.
Table 7. Comparison of simulation results of three control methods in reverse power transfer mode.
Control MethodPrimary Side Transmit Power
PI-out/W
Circuit and Coil Losses on Both Sides
Ploss/W
Secondary Side Received Power
PII-in/W
Transmission Efficiency
η/%
Hybrid model
predictive control
854.8376.76931.5991.76%
Conventional
bilateral double-phase-shift control
817.9174.31892.2291.44%
PQ-based bilateral power control method817.4176.51893.9291.67%
Disclaimer/Publisher’s Note: The statements, opinions and data contained in all publications are solely those of the individual author(s) and contributor(s) and not of MDPI and/or the editor(s). MDPI and/or the editor(s) disclaim responsibility for any injury to people or property resulting from any ideas, methods, instructions or products referred to in the content.

Share and Cite

MDPI and ACS Style

Li, X.; Zhao, T.; Xu, J. Research on MLD Modeling and Predictive Control of Magnetically Coupled Resonant Bidirectional WPT System. Electronics 2024, 13, 1290. https://doi.org/10.3390/electronics13071290

AMA Style

Li X, Zhao T, Xu J. Research on MLD Modeling and Predictive Control of Magnetically Coupled Resonant Bidirectional WPT System. Electronics. 2024; 13(7):1290. https://doi.org/10.3390/electronics13071290

Chicago/Turabian Style

Li, Xin, Tianyang Zhao, and Jiqiang Xu. 2024. "Research on MLD Modeling and Predictive Control of Magnetically Coupled Resonant Bidirectional WPT System" Electronics 13, no. 7: 1290. https://doi.org/10.3390/electronics13071290

APA Style

Li, X., Zhao, T., & Xu, J. (2024). Research on MLD Modeling and Predictive Control of Magnetically Coupled Resonant Bidirectional WPT System. Electronics, 13(7), 1290. https://doi.org/10.3390/electronics13071290

Note that from the first issue of 2016, this journal uses article numbers instead of page numbers. See further details here.

Article Metrics

Back to TopTop