Abstract
The reduction in the supply of fossil fuel available, combined with global warming’s effects on the atmosphere, has led to the discovery of employing sustainable energy for everyday activities. Road energy harvesting is one example of sustainable energy that can be used, as the majority of people spend a substantial amount of their daily activities commuting from one location to another, and numerous types of transportation generate heat that can be converted into energy. This alternative energy source can be implemented on the road, considering that roads are critical infrastructure that has a significant effect on a country’s economy. Furthermore, road infrastructure has been contributing towards the affordability of urbanization and migration, whether locally or internationally. Currently, researchers are working towards integrating road energy harvesting around the world by incorporating various types of materials and technology connected via a sensing system. Many materials have been attempted, including ceramics, polymers, lead-free, nanomaterials, single crystals, and composites. Other possible sources to generate energy from roadways, such as solar power, thermal energy, and kinetic energy, have been investigated as well. However, many studies available only focused on the disclosure of novel materials or the review of technologies produced for road energy harvesting. There have been limited studies that focused on a comprehensive review of various materials and technologies and their implications for the performance of road energy harvesting. Hence, the main objective of this research is to undertake a thorough and in-depth review in order to identify the best materials and technologies for certain types of application in road energy harvesting. The paper discusses energy-harvesting technology, sensing systems, and the potential network based on them. Comprehensive analyses were conducted to evaluate in-depth comparisons between different materials and technologies used for road energy harvesting. The novelty of this study is related to the appropriate efficient, durable, and sustainable materials and technologies for their relevant potential application. The results of this review paper are original since it is the first of its kind, and, to the best knowledge of the authors’ knowledge, a similar study is not available in the open literature.
Keywords:
energy harvesting; roadways; ceramics; polymers; lead-free; nanomaterials; piezoelectric; thermoelectric; sustainability 1. Introduction
Transportation is one of the key factors for human activities in everyday life. Due to the affordability of transportation, various interregional and international migration activities occur all over the world [,]. Given the increasing global population and the prevalence of migration, the number of modes of transportation is increasing, as is the amount of energy required to power the vehicles. Friedlingstein et al. [] stated that in 2023, fossil fuel-based energy still remains a dominant global energy source, where it generated 36.8 billion metric tons worth of CO2 emissions. Fortunately, the ocean and land manage to absorb over half of all CO2 emissions, with just about 44% remaining in the atmosphere each year []. As a result, sustainability has become one of the most prevalent subjects among scholars worldwide in the fight against climate change. One example of this is the attempt to shift from conventional fuel transportation to the use of electric cars (EV) that has occurred in many countries. According to the U.S. Department of Energy [], it takes around USD 6 to fully charge a 54 kWh EV car battery to run between 110 to 300 miles. Furthermore, Marquez-Fernandez et al. [] anticipated that in the future, Sweden will require around 30,000 charging outlets for passenger cars and 12,500 for heavy vehicles to meet EV demand.
Despite the importance of energy usage in transportation, energy efficiency implementation remains a challenge, with an EV experiencing 15 to 20% energy loss due to vibration and vehicle motion []. This number, however, is still significantly greater than fossil fuel-powered vehicles, with less than 20% of the fuel energy absorbed by the car engine being efficiently employed to drive the vehicle []. Although the energy loss in EVs is smaller than that in fossil fuel-based vehicles, a substantial amount of energy is still wasted every day. As a result, an innovative technique for exploiting vehicle waste energy has been discovered: a system of sensors implanted beneath the road that can capture energy and convert it into electricity. The generated electricity can subsequently be used to light the surrounding area, resulting in a sustainable system. This is the essence of road energy harvesting: developing a system that may power itself without requiring any additional energy. Combined with EV vehicles, road energy harvesting is a crucial aspect of a smart city.
The energy-harvesting system typically consists of three fundamental components: an energy transducer, an electrical circuit, and a storage device. After electrical energy is converted from other sources in the environment, an electrical circuit is employed to increase and regulate the generated voltage. The gathered energy can be stored in a rechargeable battery or supercapacitor prior to being used for any purpose []. The principle of harvesting energy through a sustainable approach can be seen in Figure 1. Despite the benefits of road energy harvesting for sustainability, such as generating electricity from renewable and clean energy that is safe for the environment, several limitations exist. In this regard, many road energy-harvesting systems are only appropriate for small-scale applications, such as operating the energy-harvesting system itself or streetlights in the nearby area. Furthermore, the efficiency of energy storage within the energy-harvesting systems remains poorly developed []. Many different materials have been used over the years to capture wasted energy from the road in practical applications, including ceramics, polymers, lead-free, nanomaterials, single crystals, and composites. Furthermore, numerous technologies have been created to retrieve wasted energy from a variety of sources, including heat, vibration, friction, magnetic, and wind. All of these materials and technologies have their unique capabilities and efficacy. However, many studies, such as the work carried out in references [,], only focus on the material or technology to be used in road harvesting energy applications. Yet in reality, both elements play an important role, and others fail to address both elements, particularly in road energy harvesting aspects. This would make it more difficult for practitioners and engineers to select acceptable materials and technologies for use in the field, taking into account their strengths and shortcomings as well as their effectiveness.
A review of current literature reveals numerous major topics and trends in the field of materials and technology. In terms of materials, the examination is divided into four categories: ceramic materials, lead-free materials, nanomaterials, and technical breakthroughs. Many studies focus on ceramic materials, stressing their diverse applications and inherent properties. Notable references include research on the use of ceramics in energy harvesting and sophisticated sensors [,,,]. These works highlight ceramics’ durability, superior performance, and crucial role in improving the efficiency of numerous technologies. Secondly, several studies examine lead-free materials, indicating a growing worry about their environmental and health effects. Key references [,,] highlight the necessity for lead-free alternatives in electronics and energy systems. This research looks into potential substitutes and their efficiency in minimizing the negative effects of lead-containing materials. Thirdly, nanomaterials are a major topic, with several studies looking into their applications and benefits. In order to avoid confusion, we merge nanomaterials with lead-free materials as they have similar traits and characteristics. The study conducted by references [,,] describes how nanoparticles are used in energy harvesting, sensing technologies, and other sophisticated material applications. The literature emphasizes nanoparticles’ superior features, such as greater efficiency and unique functionalities at the nanoscale. Conversely, technological improvements are thoroughly covered, with papers covering new approaches and strategies for increasing the efficiency of energy harvesting from various kind of renewable energy, such as references [,,,,]. These references emphasize the application of breakthrough technologies in a variety of sectors, demonstrating the impact of cutting-edge advances in material science and engineering.
Thus, the objective of this research is to review multiple kinds of technologies that can be used for energy harvesting (wind, heat, vibration, friction, and magnet) in highways. Piezoelectric captures mechanical vibration on roads [], thermoelectric harnesses heat from pavements [], and electrostatic and electromagnetic methods capture energy due to the relative movement between two surfaces and magnetic induction of two objects, respectively [], in addition to wind turbine energy harvesting [], triboelectric from repetitive contact of objects [], and asphalt solar collectors that employ liquid-filled tubes to obtain power from the heat gradient created between the heated surface of asphalt and the temperature of liquid-filled tubes within the pavement []. In addition, several materials employed in different technologies have been examined, such as ceramic [], lead-free (including nanomaterial) [], polymer [], composites [], and single crystal []. Each of these materials and technologies is thoroughly evaluated in terms of effectiveness, performance, classification, and strengths and weaknesses. The review also focuses on the practical application of previously developed materials and technologies, comparisons between discovered materials and technology, and considerations for future recommendations.

Figure 1.
Principle of sustainable harvesting energy [].
2. Review on Advanced Materials for Energy Harvesting from Roadways
2.1. Review on Ceramics
Ceramics are non-metallic, inorganic materials that may exist in crystalline, amorphous, or mixed forms. They are manufactured to exhibit piezoelectric and ferroelectric attributes that are required for sensor and actuator applications []. According to Qabur and Alshammari [], the most popular and cost-effective method to harvest energy from roads utilizes piezoelectric technology incorporating ceramic-based materials. The typical ceramic material in road energy harvesting is favorable due to its indispensable part in energy applications, has inherent high temperature (200 °C) [], large piezoelectric coefficient (650–700 pC/N) [], large coupling factor (up to 0.8) [], and corrosion resistance []. The typical ceramic materials utilized are lead zirconate titanate (Pb [ZrxTi1-x] O3) or PZT [], gallium orthophosphate (GaPO4) [], and barium titanate (BaTiO3) [], with PZT being the most effective of the three. One of the key causes is the magnitude of piezoelectric coefficient, with GaPO4 having just 2–10 pC/N and BaTiO3 ranging between 200–300 pC/N [], indicating that it is inefficient for operation. Aside from the aforementioned materials, aluminum nitride (AIN) is an alternate option due to its exceptional endurance and thermal management characteristics, making it suitable for harsh environments. However, it has a lesser piezoelectric response than PZT and is more costly [].
Swartz [] and Li and Lee [] implied that PZT (Figure 2) is a superior material compared to other materials, considering that it is highly manufacturable, bulk, fabrication is relatively easy and low-cost, it is a low-loss material (up to 1 MHz) with a natural frequency that can be tailored based on the geometry [], it has a large coupling factor, and is promising for high-voltage applications (±30 V) [] due to its high piezoelectric coefficient and high mechanical coercive field (3–5 kV/mm) []. Thus, this material can be used not only for energy harvesting but also for microelectromechanical systems, capacitors, and ferroelectric memory []. Typically, PZT is used to capture energy during traffic, as the output may power lighting and signage []. However, because this material is particularly sensitive to the Zr–Ti ratio and PbO stoichiometry, accurate composition control during PZT powder manufacture is required. Furthermore, it is a brittle material (0.8–1.5 MPa m1/2) [], and the properties of PZT, such as the high dielectric constant and loss tangent, are highly dependent on the microstructure, density, and grain size [].

Figure 2.
PZT-based material in a piezoelectricity harvesting unit: (a) conceptual model and (b) detailed energy harvester design [].
As can be seen from Figure 2, the PZT is subjected to dynamic load, sandwiched between rigid blocks and beams. The mechanical load is conveyed to the PZT via components such as the hex nut, block, beam, and stud prior to generating deformation in the PZT stack, which produces electrical energy. Typically, PZT is prepared by mixing the metal oxides of the materials; however, this leads to inhomogeneity, impurities, and volatilization of lead oxide due to high temperatures []. Thus, as an alternate approach, techniques for blending the material at the molecular level, such as hydrothermal, oxalates, and sol-gel processes [,], are used as they may promote high compositional homogeneity and reduce sintering temperatures. PZT has exceptional pyroelectric and piezoelectric properties due to its non-centrosymmetric crystalline structure []. It is apparent that the main disadvantage of PZT is the toxicity of lead to the environment; therefore, researchers have produced an alternative solution to reduce the lead concentration by utilizing various modifiers and dopants, such as calcium (Ca), bismuth (Bi), and strontium (Sr), which improved its electromechanical properties [].
2.2. Review on Polymers
A polymer-based material is a flexible, mostly organic substance that has piezoelectric or triboelectric features which allow it to create electric charges on its surface when under pressure or strain, turning mechanical energy into electrical energy []. Poly (vinylidene fluoride) (PVDF) and copolymers poly (vinylidene fluoride-trifluoroethylene) (P(VDF-TrFE)), poly-L-lactic acid (PLLA), and odd-numbers Nylons are the most popular polymer-based piezoelectric materials []. Aside from those three notable polymers, many polymers possess piezoelectric behavior, such as polyesters and polypeptides [,], as well as biopolymers such as cellulose and collagen [,].
The advantages of utilizing polymers for energy harvesting are they have a large mechanical flexibility, lower stiffness, high chemical resistance, which prevents fatigue and increases the lifetime of the device, and are a suitable candidate for self-sustained power supplies []. Furthermore, PVDF-TrFE has a low crystallization temperature which makes it more compatible with CMOS technology or flexible electrons than ceramic materials []. However, polymer-based materials have a lower piezoelectric coefficient compared to ceramics [].
Despite the fact that polymer-based materials have smaller piezoelectric characteristics than ceramic-based materials, numerous alternatives have been investigated in an attempt to improve their properties. First and foremost, co-polymerization of the polymer and its co-polymer can improve electromechanical properties. Co-polymerization can be accomplished by incorporating halogenated molecules such as chlorofluoroethylene and chlorotrifluoroethylene [], as explained by Soulestin et al. [], which has a significant impact on the crystalline phase and may result in relaxor-ferroelectric behavior. Co-polymerization can also be achieved by adding non-halogenated materials such as polystyrene or poly(2-vinylpyridene) []. Secondly, additives can be used for enhancing the polymer’s piezoelectric properties, such as using particles of PZT, ZnO, and BaTiO3, which can be considered nano or micro particles, to form a composite with the piezoelectric polymer [,].
Another approach is to use the morphotropic phase boundaries (MPB), which are visible from examination of the crystal structure, polymer chain conformation, and ferroelectric characteristics as a function of the relative proportions of VDF and TrFE in the co-polymer []. Nanostructuring, such as using nanotubes or nanowires, is another alternative option. This method can be accomplished by template wetting and electrospinning techniques; nevertheless, the most crucial aspect is to produce some anisotropy in the molecular structure, as drawing the material is no longer possible at these dimensions [].
Based on the above explanation regarding the improvement of polymers, researchers have tried to implement polymers for practical applications. For instance, Jung et al. [] employed a PVDF to create a piezoelectric energy harvester module for highways. The piezoelectric energy harvester modules were built using parallel-connected energy harvester units. According to Figure 3, the outermost layer was made of 3 mm thick anodized aluminum plates, with the energy harvester’s width and length measuring 15 × 15 cm. This dimension was chosen to ensure that a significant portion of the surface was uniformly compressed by the tire moving by. The loading from Model Mobile Load Simulator (MMLS3) resulted in up to 200 mW of instantaneous power output across a 40 kΩ resistor. The power production scaled linearly with the number of parallel linked harvesters, indicating that a larger number of harvesters leads to higher energy output.

Figure 3.
Technology-based polymer material in road energy harvesting—(a) schematic and image of the bi-morph structure energy harvester; (b) the interior and exterior of the constructed energy harvester module, with stacked energy harvesters inside [].
2.3. Review on Lead-Free Material
Lead-free materials were developed as substitutes for conventional lead-based ceramics such as PZT in response to environmental and health concerns around lead. Lead-free materials can be categorized as both organic and inorganic since they contain components from another type, including ceramics or polymers, which does not consist of lead (Pb). Organic lead-free materials include PVDF and copolymers, whereas inorganic materials include tungsten bronze, aurivillius (bismuth layer structured ferroelectrics), and perovskite families (BT (barium titanate), nanomaterials, BNT (bismuth sodium titanate), and KNN (sodium potassium niobate) []. The BT-based ceramics were the first documented lead-free piezoelectric ceramics, and KNN is regarded as one of the most promising lead-free materials due to its high Curie points and large piezoelectric constant compared to standard PZT material [,]. Li and Lee [] further stated that the BT content affects the performance of the materials.
Machado et al. [] discovered an alternative lead-free based material that can be used to replace the typical PZT. They utilized MoO3-doped (K Na Li0.44 0.52 0.04) (Nb Ta Sb0.86 0.10 0.04) O3, abbreviated as KNL-(NTS)Mo, which includes a mixture of potassium, sodium, lithium, niobium, tantalum, antimony, and molybdenum oxides. Several considerations for using this material include its environmental friendliness, high electromechanical properties, and desirable phase transition temperatures, which are advantageous for stable piezoelectric performance. However, this material has a lesser power output than normal PZT, with a maximum output of 0.15 mW. Moreover, the material contains both tetragonal and orthorhombic phases, which could challenge the optimization of its piezoelectric capabilities.
Kumar et al. [] enhanced Li and Lee [] and Saito et al. []’s works by assessing two materials. First and foremost, a K0.5Na0.5NbO3 (KNN) was used as the base material, which was further doped with LiSbO3 and CaTiO3 to enhance its piezoelectric properties (K0.5 Na0.5 NbO3—LiSbO3—CaTiO3, abbreviated as KNN-LS-CT). Lastly, they used a complex perovskite structure combining bismuth, sodium, potassium, lithium, and barium titanates (0.885(Bi0.5Na0.5) TiO3—0.05(Bi0.5K0.5) TiO3—0.015(Bi0.5Li0.5) TiO3—0.05BaTiO3, abbreviated as BNKLBT). This material has been used in various applications, including ultrasonic transducers. The comparison for each material can be seen in Table 1.

Table 1.
Comparison of KNN-LS-CT and BNKLBT for the application of road energy harvesting [].
Stuber et al. [] modified Machado et al. []’s works as well by using potassium sodium lithium niobate (K0.485Na0.485Li0.03NbO3, abbreviated as KNLN) fibers embedded in a polydimethylsiloxane (PDMS) matrix. PDMS is a flexible polymer with a low dielectric constant that was selected for its mechanical flexibility and ability to withstand enormous cyclic strains without substantial degradation. The advantages of using KNLN/PDMS materials are that they have a high piezoelectric performance that is comparable to the current PZT performance, can withstand many cycle strains without losing dependability, which is a substantial advantage over brittle ceramic materials, and are friendly to the environment. However, the dielectrophoretic alignment technique makes this material difficult to manufacture, and the performance might degrade at high volume fractions due to fiber alignment.
Conversely, in terms of nanomaterials, zinc oxide (ZnO) is an example of a widely known material as it can detect poisonous and harmful gases and be used in energy-harvesting technologies due to its mechanical, electrical, and physicochemical capabilities and the fact that it is environmentally benign; nevertheless, it has a lower piezoelectric constant than PZT [,]. Furthermore, it should be highlighted that magnetic nanoparticles from various sources [] can easily transform magnetic energy into reliable drive for the piezoelectric action []. Several researchers have tried to enhance its properties; for instance, Zhou et al. [] used piezoelectric technology, specifically PZT-cement-based materials (a composite material), embedded with nanowires made of ZnO, BaTiO3, and NaNbO3. Nanowires were employed because of their great mechanical strength and sensitivity to small, random mechanical disturbances, which can be transformed into electrical signals helpful for both energy harvesting and nanoscale sensing, even on one-dimensional nanostructures. The synthesis was achieved through a two-step hydrothermal process, as can be seen in Figure 4, in order to achieve high efficiency 1-D PZT NWs with controllable composition, variable crystal size, and high yields.

Figure 4.
Schematic of synthesis of PZT NWs [].
Following the completion of the synthesis of PZT NWs, a nanocomposite of polydimethylsiloxane (PDMS) was fabricated to serve as a support since it can protect the NWs from the strain generated during the energy harvesting test, has a high elasticity, and can withstand over 100% of tensile strain without mechanical failure. Ti foil was also added to the system to keep the poles oriented in the direction of the electric field (Figure 5). The study found that PZT NWs have the potential for energy harvesting and sensing, with a high power density of 2.4 μW/cm3 at a low frequency. This is equivalent to cantilever-based energy harvesters activated by base vibration. Moreover, utilizing a two-step hydrothermal procedure, such PZT NWs with variable composition may be manufactured in large quantities, boosting their usefulness in energy harvesting and sensing applications.

Figure 5.
Schematic of PZT NWs-induced PDMS nanocomposite [].
Purahmad [] performed a similar investigation on a piezoelectric system that included zinc oxide (ZnO) and semiconductor nanowires (NWs). The study found that ZnO-NWs with lower radii had a bigger surface depletion zone, resulting in higher surface potential and reduction area disruption due to generated piezoelectric charges. McCarthy [] investigated a simple technique using carbon nanotubes (CNT), a nanomaterial, on gadolinium foil since they are affordable and have desirable electrical, mechanical, and thermal properties. The results demonstrated that the carbon nanotube arrays’ lower interface resistances resulted in higher shuttle frequency as well as efficient thermal transfer coefficients. McCarthy et al. [] extended on their previous work by investigating the performance of energy harvesting by coating conventional PZT with nanomaterials comprised of ferrofluid, zinc oxide (ZnO), and epoxy binder. The results revealed that the power output of the nano-coated PZT device was 88% greater than that of the non-coated one.
Several types of nanomaterials can be employed in a variety of applications. The first two are bismuth telluride (Bi2Te3) and lead telluride (PbTe), which are commonly used in thermoelectrics. These materials are beneficial because they can increase overall efficiency; however, they may decrease the heat conductivity []. Dresselhaus et al. [] discovered that by organizing thermoelectric materials at the nanoscale, the density of electronic states may be adjusted to enhance the Seebeck coefficient, hence boosting thermoelectric performance. While nanoparticles are highly successful on a small scale, extending this efficiency to larger, more practical purposes such as entire road networks without affecting the road’s structural integrity requires significant study and development [].
Finally, nanomaterials like perovskites and quantum dots can be employed in solar cell technology. Perovskite materials have attracted significant attention due to their high power conversion efficiencies []. Their bandgap can easily be modified through modifying their chemical composition, rendering them highly versatile for a variety of solar applications [], and they can be generated at low temperatures, making them ideal for applications []. In contrast, quantum dots have size-tunable bandgaps and can absorb different parts of the solar spectrum. This feature is highly important for building multi-junction solar cells that can gather a larger range of wavelengths, potentially outperforming typical single-junction cells []. However, durability and high production costs are the primary concerns; hence, it is critical to ensure that solar cells can withstand these temperatures without significantly degrading performance [].
2.4. Review on Single Crystals
A single crystal is a substance whose atomic structure is consistently arranged in a single crystalline lattice that spans the entire material, ignoring grain boundaries []. According to Qabur and Alshammari [], the example of natural crystals is such as quartz, amazonite, and tourmaline. Kumar [] harvested energy using crystallographic unit cells (lead zirconate titanate crystals) implanted in a piezoelectric device. The crystal is advantageous because of its small dimension, light weight, and high-voltage applications (it can generate up to 44 mW of electricity per year from just 1 km of road). However, applying this material is hazardous to the environment, difficult, and necessitates a thorough strategy and administration to avoid traffic congestion during construction.
Yang and Zu [] investigated the replacement of standard PZT-ceramics-based materials in piezoelectrics with lead magnesium niobate-lead titanate (PMN-PT) and PZN-PT. Both crystals performed far more effectively than PZT ceramics; however, they have issues of high implementation costs, fatigue, thermal instability, toxicity, and inhomogeneity. Bhattacharjee et al. [] provided another example, utilizing a single crystal substance known as lithium tantalate (LiTaO3) via a pyroelectric sensing device. This material has better pyroelectric properties, can withstand huge loads, and is a popular pyroelectric material used in regular household motion detectors more than other common materials. The findings showed that the material has the potential to be employed for energy conversion from pavements due to its high pyroelectric properties.
A similar study related to pyroelectric sensing system was conducted by Batra [] conducted a similar study on pyroelectric sensing systems using triglycine selenite (C2H7NO6Se) and LiTaO3, which are single crystalline minerals. The findings revealed that triglycine selenite outperformed others in terms of output voltage and energy density. However, in pyroelectric technology, the electric circuit must be carefully analyzed, as this will influence the viability of the material based on life, corrosion, cost analysis, and the difficulty of embedding in pavements.
2.5. Review on Composites
A composite is a material that combines multiple elements, such as ceramics or polymers, with a secondary phase to create an improved material. These composites frequently incorporate ceramic particles (such as lead-free or lead-based piezoelectric materials) with polymers or other flexible matrices to produce materials that are both piezoelectrically active and mechanically malleable []. Cement paste or fiber can be combined with any type of piezoelectric material as well. Wang et al. [] stated that the composite piezoelectric material power-generating pavement technology displays improved material integrity and a more convenient installation technique. However, its significant drawbacks include complex material preparation, difficult polarization, poor energy output, and the absence of a constant energy supply for real-world applications. Thus, current pavement piezoelectric power generation innovation is primarily based on transducer-incorporated pavement piezoelectric power generation technology, which provides a greater and more regulated power output. Many types of composites (cement-based materials) have been developed throughout the years to harvest energy, as can be seen in Table 2.

Table 2.
Comparison of various cement-based materials.
Cement is a material that can be mixed with various additives to enhance its properties. The presence of additives in the mixture can improve the cement’s piezoelectricity, but it may have an unfavorable effect on some mechanical qualities. To address this issue, Chen et al. [] proposed a novel method to change the cement’s piezoelectricity by changing the material’s atomic/molecular orientation. The plan is to apply the exterior electrical cement paste throughout the curing process (Figure 6). The study found that polarized cement has a 2.4-times-higher piezoelectric coefficient than non-polarized cement. However, there are a few concerns about using polarized cement:

Figure 6.
Electrical treatment of polarized cements—(a) before treatment; (b) during treatment; (c) after treatment [].
- (a)
- The mechanical strength of the electrically induced polarized cement paste should be tested before use in building structures.
- (b)
- The durability performance of the electrically induced polarized cement paste is also an issue that warrants additional exploration.
- (c)
- The balance of energy consumed for electrical treatment and energy harvested by this cement composite should be examined and evaluated.
3. Review on Technologies for Harvesting Energy from Roadways
Multiple mechanisms have been explored for gathering energy from roadways. Each of these technologies operates on its own principles, resulting in specific applications and effectiveness in converting energy []. Energy from road infrastructure can be obtained from a variety of sources, as can be seen in Figure 7. For instance, energy can be obtained through solar radiation by the photovoltaic effect. Secondly, energy can be obtained due to geothermal heat, especially during winter as the snow insulation plays a major role of maintaining the soil temperature as high as possible []. Another source is through mechanical strain, which is called piezoelectricity. The details for each energy source and its technologies can be seen in the sub-section below.

Figure 7.
Schematic of road energy harvesting.
3.1. Piezoelectric
Piezoelectricity is one of the most commonly utilized technologies for energy collecting. Xu et al. [] implies that piezoelectricity is a phenomenon in which materials respond to mechanical strain by producing electrical polarization, or vice versa. It uses mechanical vibration energy and converts it into electrical energy via the piezoelectric effect [,]. This technology is favorable due to its versatility and the absence of environmental factors []. Furthermore, according to Wang and Jasim [], many countries, particularly the United States of America, expect that truck traffic will continue to increase in the highway network as a result of economic expansion and the need for freight transportation. This advancement will make piezoelectricity a viable technique for harvesting energy from the growing frequency of vibrations in highways.
Priya [] expands on the advancements in piezoelectric materials and resonator structures, emphasizing the need for high energy conversion efficiency and wide-bandwidth operation at low frequencies. This is because it does not need a separate voltage source, which make it sustainable []. Figure 8 depicts the process by which a piezoelectric energy harvester converts vibration into energy, along with the circuit model. The mechanism of the energy harvester is based on the movement of the piezoelectric mass. In piezoelectric transducers, vibrations or movement distort a piezoelectric capacitor, resulting in a voltage []. To achieve the required voltage and current values, multiple transducer cells must be connected in series []. However, several extrinsic factors influence piezoelectricity efficiency, notably vehicle weight, speed, and capacity flow [].

Figure 8.
Piezoelectric technology—(a) procedure for piezoelectricity []; (b) electrical circuits [].
In the piezoelectric effect, there are three principal modes, which are the piezoelectric charge coefficient, electromechanical coupling coefficient, and piezoelectric voltage factor []. Li et al. [] give an in-depth examination of energy harvesting from mechanical vibrations in low-frequency applications employing piezoelectric materials. Every type of road vehicle driven by an engine produces significant vibrations due to their mass and interaction with the road surface. These vibrations can be seen in Table 3 along with examples from other sources. Vibrations from cars are typically regarded as low-frequency, as frequencies from 200 Hz downward are considered to be in this part of the spectrum []. This low-frequency vibration can be effectively harnessed utilizing piezoelectric materials. These material have sparked substantial interest due to their ability to power electrical devices, eliminating the need for battery replacement []. However, one of the most difficult issues in harvesting energy using piezoelectricity is the fluctuation of vibrational frequencies and amplitudes [].

Table 3.
Typical frequency from various sources [].
This necessitates that those piezoelectric materials and devices be adaptable and efficient under a variety of situations. Designing piezoelectric devices with flexible geometries and materials, as well as electronic circuits capable of optimizing energy conversion and storage, are among the solutions. Furthermore, the development of piezoelectric technology still continues to date, as various materials have been developed in order to enhance the performance of piezoelectric technology. For instance, Crossley et al. [] focus on polymer-based nano piezoelectric generators, highlighting their potential due to flexibility, lightweight, and biocompatibility. Kumari and Rakotondrabe [] discuss the development of lead-free piezoelectric materials for energy harvesting, addressing environmental concerns associated with lead-based materials.
3.2. Thermoelectric
This energy type can be described as pyroelectricity, while Muralt [] explained it as a property of a polar crystal to produce electrical energy when it is subjected to a change in thermal energy. In order to convert the obtained thermal energy into electricity, a thermoelectric generator (TEG), also known as a Seebeck generator is typically used. This device facilitates the conversion of heat flux (temperature differential) directly into electrical energy through a process known as the Seebeck effect (a type of thermoelectric effect), where heat is transported from the hot side to the cold side [,]. The working principle of this generator can be seen in Figure 9. In summary, thermoelectric energy-harvesting devices involve a pair of materials with high electrical conductivity, low thermal conductivity, a high Seebeck coefficient, and scalable production methods [].

Figure 9.
Schematic modelling of thermoelectric technology—(a) working principle of the thermoelectric effect []; (b) application of thermoelectric technology on roadways [].
The heat harvester’s purpose is to gather heat energy from the pavement and transfer it to the hot side of the Seebeck generator. When heated or cooled, pyroelectric materials produce an electrical voltage and can be utilized to gather solar, thermal, magnetic, and mechanical energy. They require a temporal temperature gradient, just as thermoelectric materials do []. Most piezoelectric materials, including PMN-PT, PZT, and PVD, have pyroelectric characteristics. Pyroelectric materials consist of dipoles with zero total polarization at low temperatures. As the material heats, the dipoles reorganize chaotically, disrupting charge equilibrium and causing a voltage differential between the top and bottom ends []. Table 4 illustrates the advantages and disadvantages of the utilization of thermoelectric for energy harvesting purposes.

Table 4.
Benefits and limitations of thermoelectric converter [,].
Aside from typical thermoelectrics, a novel technology known as thermoelectric cement composites has been developed to improve the properties of conventional thermoelectrics. These composites use the Seebeck effect to transform temperature differences into electrical energy by embedding thermoelectric elements within a cementitious matrix, such as conductive polymers, carbon-based materials (carbon nanotubes, graphene), or metal oxides []. This enhanced thermoelectric version has a wide range of applications beyond road energy harvesting, including energy harvesting of waste heat, self-powered sensors, and regulating temperatures in infrastructure []. Singh et al. [] stated that the thermoelectric cement composite is more durable, reduces surface temperature while improving indoor thermal comfort, and includes a storage system for heat energy. However, this enhanced version has lesser efficiency, and the quantity of energy generated is heavily influenced by the cement’s heterogeneity, brittleness, and porosity [,].
3.3. Electrostatic and Electromagnetic
Electrostatic and electromagnetic are types of energy that can be generated due to mechanical forces, such as when two objects interact with each other [,,]. Thus, these two sources of energy rely on mechanical energy created by modes of transportation that pass through the road, identical to piezoelectricity technology. The distinction resides in the principle used to convert energy. Electrostatic energy harvesters generate electricity using mechanical vibrations that separate charged plates, resulting in work against electrostatic attraction []. Amaro and Santos [] stated that in roadways, electrostatic energy can be gathered by adjusting the capacitance of a variable capacitor.
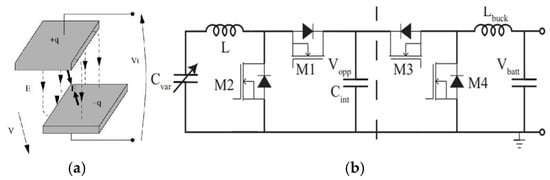
Conversely, electromagnetic energy applies two approaches: the first is to enable a mass to oscillate in a magnetic field coupled to a coil, through which the generated current travels; the second is to relocate the magnetic source in relation to the coil. In terms of electrical connection stability, the latter is more reliable and efficient []. Other electromagnetic harvester implementations use stress on the road surface to activate hydraulic-electromagnetic and electromechanical devices, which are typically installed behind speed bumps []. Figure 10 depicts an electrostatic system that generates electrical energy by vibrating the plate of a previously charged capacitor while Figure 11 shows the configuration of an electromagnetic system.

Figure 10.
Configuration of electrostatic technology—(a) physical configuration []; (b) electrical circuit [].

Figure 11.
Configuration of electromagnetic technology—(a) module power generator; (b) electrical circuit [].
Table 5 depicts a comparison between electromagnetic and electrostatic energy with respect to piezoelectric energy. It can be seen that electrostatic and piezoelectric energy are preferable over electromagnetic since they generate a large amount of energy even though the device is small. However, Elliott et al. [] stated that electrostatic energy is advantageous at very low or high acceleration because it loses less energy than piezoelectric. Piezoelectric energy is preferred when damping force is required and the ideal biasing voltage increases.

Table 5.
Comparison of piezoelectric, electromagnetic, and electrostatic technologies [].
3.4. Wind Energy
Typically, turbulence within roadways will be generated due to vehicles’ movement, which can be considered low-speed wind energy []. This turbulence can be transformed into electricity via wind turbines on the highway. For instance, a common device is the vertical axis wind turbine (VAWT), since can extract wind energy from all directions, is cheap, less noisy, suitable for urban environment, can be integrated into a building, and has small dimensions [,]. The rotor configuration, blade size, and setting location all have significant impacts on VAWT power production []. Other than VAWT, which depends on a magneto generator, there are piezoelectric-based wind turbines and pyroelectric-based wind turbines []. The comparison can be seen in Table 6, while a schematic model is shown in Figure 12.

Table 6.
Comparison of various wind turbines harvester energy.

Figure 12.
Wind turbine designs for highways [].
Han et al. [] assessed typical turbulences for various types of vehicles using the computational fluid dynamics (CFD) approach before evaluating the performance of wind turbines for energy harvesting in highways, as shown in Table 7. The vehicle movement generates the maximum wind velocity, known as the peak velocity. While boost and weaken indicate a rise or drop in wind speed, this value also takes into account the surrounding wind speed. Furthermore, the negative value in the table represents the wind created by turbulence in the opposite direction of the vehicle’s movement. The results show that the technology gives an appropriate amount of energy that can be harvested from the highway, such that the energy can be used to power an LED lighting system. Although it has a high potential to be employed on roads, the design is complicated, the results are based on certain types of vehicles, and a lack of safety for animals, such as birds, reduces its popularity [].

Table 7.
Wind data comparison for various types of car vehicles [].
3.5. Triboelectric
Triboelectricity is a highly complicated process caused by repetitive contact and separation action, including elastic/plastic deformations, heat generation, fracture, and the existence of surface layers []. The existence of an external circuit and load causes electrons to flow as the charged surfaces repeatedly touch and detach, resulting in a high electrical output []. In simple terms, the electricity is gained through electrostatic induction that comes in the form of a triboelectric effect. The triboelectric effect comprises three stages: transfer of charge when the two electrodes make contact, dynamic charge stabilization, and charge retention at the interface []. The charge is held inside the electrodes to a particular depth, known as charge injection depth, and produces a capacitance [,]. The typical energy harvesting modes based on the triboelectric effect can be seen in Figure 13.

Figure 13.
List of triboelectric harvesting modes [].
Pan and Zhang [] explained the types of material that can be used to initiate a triboelectric effect, since the polarity of the material is the key factor. The first type contains positively charged materials and the second features negatively charged materials. Glass, household salt, silk, steel, paper, and cotton are all positive examples. Polyethylene terephthalate (PET), Kapton, polyethylene (PE), gold, silver, and copper are all negative. Table 8 illustrates the advantages and the disadvantages of employing triboelectric for harvesting energy on roadways. Xu et al. [] offered an alternate solution for increasing the performance of triboelectric devices, which involves altering the exposed functional groups on organic material surfaces. Another strategy is to avoid charges flowing across the electric field from mixing with their induced counterparts, as this would compromise charge accumulation on the surface.

Table 8.
Benefits and limitations of triboelectric [].
3.6. Asphalt Solar Collector
This kind of technology is commonly found in asphalt pavements because the solar absorption coefficient is larger than that of concrete pavements due to the black color of asphalt mixtures, despite their smaller thermal conductivity and heat storage capacity []. Asphalt solar collectors are pipes embedded in pavements that contain a circulating fluid, as can be seen in Figure 14. The fundamental concept is that as the pavement receives radiation from the sun and atmosphere, its temperature rises, and heat is transferred to the fluid inside the piping system via temperature gradients []. There are three heat processes occurring in an asphalt solar collector, which are convection, radiation, and conduction. Conduction occurs between the pavement and pipe walls. Convection happens when temperature variations exist between the ambient air, pavement, pipe walls, and the fluid running in the pipes. Radiation may exist in the absence of a solid medium, such as solar radiation transfer to the pavement or heat radiation between the pavement and the surrounding atmosphere [,].

Figure 14.
Solar collector mechanism [].
The asphalt solar collector mechanism can be seen as a versatile one, considering that the energy storage can be utilized for several purposes. The reserved energy inside the piping system can be transferred to thermoelectric generators to generate electricity []. Furthermore, the stored energy can be used to melt snow on the pavement, act as a water heater, and create electricity throughout the winter []. Wang et al. [] and Hasebe et al. [] stated that asphalt solar collectors can produce energy of approximately 588.634 kW/lane-mile, with the cost of USD 9.812 million/lane-mile. The efficiency of asphalt solar collectors, however, depends on the operational and geometrical parameters, such as pipe spacing and diameter, depth of the pile, and fluid flow rate [,]. The strengths and weakness of this technology can be seen in Table 9.

Table 9.
Advantages and challenges of asphalt solar collectors.
4. Applications in Road Infrastructure
The energy captured from diverse sources utilizing various technologies and materials was then applied to the surrounding area of the roadway, serving as a sustainable energy source. The implementation of the obtained energy can be seen below.
4.1. Road Light
Cao [] utilized an electromagnetic converter embedded below the pavement to harvest the energy from the vehicles passing through, as can be seen in Figure 15. The result showed that at least four fluorescent tube lamps with 28 W can be turned on by the energy collected from the friction between the car tires with the road. However, the author mentioned that it can power up to 360 LEDs as long as the car passes through the road harvester section.

Figure 15.
Application of electromagnetic for road harvesting—(a) schematic model; (b) implementation of obtained energy; (c) Four 28 W fluorescent tube lamps lighted up by harvesting [].
Jiang et al. [] serves as another example, in which the authors established a road thermoelectric generator system (RTEGS) in an asphalt pavement that harvests energy based on temperature variations between the road surface and the surrounding air. The results showed that the output voltage was 0.4 V in the winter and 0.6 to 0.7 V in the summer, demonstrating that the RTEGS performance varies by season. Furthermore, a total of 160 kWh of electricity may be generated in 8 h from a 1 km long road with a width of 10 m. The author noted that the energy may be saved and used later for road lighting and charging the wireless monitoring system. The model for the road harvester can be seen in Figure 16.

Figure 16.
Schematic of thermoelectric road harvester [].
Gholikhani et al. [] employed an electromagnetic harvester to be incorporated as a speed bump in roadways (Figure 17). The energy harvester was created by utilizing a rack and pinion system which uses vertical movement to rotate shafts inside a generator, providing electricity. The rack must be connected to the moving mechanical elements in order to absorb lateral movements. This approach offers several benefits, including simplicity and durability. The results showed that it can generate 10 Wh per day, and the efficiency might be increased by integrating an amplifying component, such as a gearbox, to the speed bump system. The benefit of using speed bumps for energy harvesting is that the energy collected can be utilized to power the system’s operation, power neighboring areas, particularly road lights, contribute to speed management in densely populated regions, and categorize passing vehicles based on their weight and size. However, this technology is still in development, and the resulting energy output is likely to increase in the future.

Figure 17.
Schematic of electromagnetic speed bump road harvester [].
4.2. Microelectromechanical System
Microelectromechanical systems are instruments that use both electrical and mechanical components to sense variables such as pressure, vibration, strain, sound, flow, and rotation []. In conclusion, the energy harvester component can be considered a part of this technology, meaning that the obtained energy is used to ensure the energy harvester works independently without any additional power from external sources. An example can be seen from Boisseau et al. [], where they used thermoelectric converters to transform the thermal energy collected into electricity. As shown in Figure 18, a bimetal-based structure was formed by joining two metal strips with different thermal expansion coefficients. This bimetal, which can transform thermal gradients into mechanical oscillations, was then placed over a hot source. The findings showed that three devices can yield 10 μW of usable output power, enough to power a wireless sensor node that runs intermittently.

Figure 18.
Prototype design—(a) side view; (b) top view; (c) lower state; (d) upper state [].
Ennawaoui et al. [] proposed a smart speed bump (SSB) incorporating piezoelectric technology with PVDF, a polymer-based material, that was able to slow down vehicles with minimal damage as well as generate a form of exploitable energy. The passage of vehicles on the SSB produces mechanical power that is converted into electrical power using a piezoelectric polymer and a converter based on an electronic circuit, with the model seen in Figure 19. The electromechanical structure of the SSB is subjected to mechanical stress in a bending-type quasi-static mode, considering that the force applied by the vehicle is perpendicular to the bearing surface, the vehicle’s passing frequency is low in terms of time, and the PVDF material retains its electromechanical properties as it ages. The scope Gw INSTEK GDS-2074A monitors the output of energy captured by the piezoelectric material. Experimental results show a maximum harvested voltage of 2.72 V (4.108 mW/m2) at strain 0.75, which is enough to supply the microelectromechanical system component of the SSB.

Figure 19.
SSB model—(a) schematic using CAD software; and (b) energy harvesting process [].
4.3. Traffic Monitoring
Papagiannakis et al. [] developed highway sensing and energy conversion (HiSEC) technology to capture energy from roadways utilizing piezoelectric material. Figure 20 depicts the prototype, which involved numerical modeling to simulate stress distribution within the boxes, laboratory testing for durability and power output, and an economic feasibility study. The findings revealed that piezoelectric technology can be utilized to harvest energy from roadways and power LED traffic lighting or wireless sensors implanted in the pavement structure without the requirement for external grid power. This is especially appealing in rural locations where electric grid power is not available at the roadside.

Figure 20.
HiSEC model and configuration—(a) schematic modeling; (b) prototype [].
Gholikhani et al. [] created an electromagnetic energy harvester with a small-scale generator, as shown in Figure 21. The prototype consists of the following parts: (1) top plate; (2) rack; (3) pinion and clutch; (4) support; (5) shaft; (6) electromagnetic generator; and (7) support and spring for top plate. The prototype was built utilizing a rack and pinion system because of its simplicity and durability. The prototype was tested by running numerous load cycles on the Universal Testing Machine to imitate traffic conditions, and the voltage and power output were measured. The results showed that the output reached 3.21 mWatt for each cycle of load completed; however, improving the prototype should greatly boost the output since it is the simplest design. The author proposes employing this technology to run warning signs and lighting in remote regions, which increases safety.

Figure 21.
Electromagnetic energy harvester prototype [].
5. Discussions
5.1. Challenges in Energy Harvesting from Roadways
Previous sections have covered a variety of materials and technologies, each with its own set of benefits and disadvantages. Table 10 shows a comparison of each material. Ceramics materials such as PZT, AIN, and BaTiO3 are highly effective in terms of piezoelectric properties and relatively easy to manufacture, yet are toxic to the environment due to their lead content and brittleness, making them prone to fatigue over time. Their reliability and cost-effectiveness, however, make them a popular choice for use in energy harvesters, capacitors, and microelectromechanical systems. While ceramic-based materials are highly effective in energy harvesting due to their excellent piezoelectric properties, their brittleness and the environmental impact of lead pose significant challenges. Polymer-based materials, despite their flexibility and chemical resistance, suffer from lower piezoelectric coefficients, which limit their effectiveness in practical applications. Lead-free alternatives, although environmentally friendly, often exhibit inferior performance metrics compared to their lead-based counterparts, particularly in terms of thermal stability and piezoelectric properties. Polymers, such as PVDF and P(VDF-TrFE), are less effective in terms of piezoelectric response than ceramics and have a limited working temperature range; nevertheless, they provide flexibility, strong chemical resistance, and greater resistant to mechanical stress. These properties make polymers ideal for applications such as self-powered electronics. Lead-free materials such as ZnO, KNN, and BT are a more environmentally benign option, but they are more expensive and difficult to manufacture, with slightly worse thermal stability than typical PZT. Despite this, they retain substantial piezoelectric capabilities, making them excellent for energy harvesting and even ultrasonic transducers. Although not as powerful in piezoelectric performance, nanomaterials such as ZnO nanowires are valued for their ease of formation, chemical stability, and cost-effectiveness, making them suitable for a variety of sensing applications like gas detectors. Single crystals, including PMN-PT and LiTaO3, are high performers in piezoelectricity, often surpassing PZT, but their higher costs and thermal instability make them more specialized, being commonly found in applications like household motion detectors. Finally, composites like cement-based PZT are beneficial for combining phases to enhance piezoelectric properties and dielectric constants, but they tend to be environmentally hazardous and less durable over time. These materials are often used in energy harvesting devices and capacitors, where combining multiple elements can offer improved performance.

Table 10.
Comparison of materials with piezoelectric properties.
Based on the aforementioned summary, it is apparent that ceramic-based materials still have an edge over the others due to the presence of standard PZT, which is inexpensive, easy to construct, and produces a considerable amount of energy output. However, considering that it is detrimental to the environment, it is advisable to replace it with a non-toxic replacement, such as polymer, nanomaterials, and lead-free materials. Based on those three options, nanomaterials have the greatest potential since they have been employed in a variety of applications besides energy harvesting. Although they has weaker piezoelectric characteristics than PZT, they are nevertheless useful since energy can be captured without harming the environment and they are also inexpensive. Future research should focus on the development of ecologically friendly materials, particularly nanomaterials, as energy harvesters in order to optimize their potential and produce a more sustainable energy harvesting mechanism.
Conversely, Table 11 displays the comparison for each technology. Wind energy technologies, such as vertical axis wind turbines (VAWT) and piezoelectric wind turbines, face hurdles in their complex design, performance variations depending on vehicle types and conditions, and potential risks to wildlife. Despite these concerns, they stand out for being affordable, noiseless, compact, and capable of detecting storms, making them ideal for integration into urban environments or highways where wind energy is readily available. Thermoelectric technologies, like Seebeck generators, face limitations such as low capacitances, thermal inefficiencies, and challenges with handling high voltages. However, they are inexpensive, generate high voltages, and are low maintenance, making them a good option for converting thermal energy into electricity. Piezoelectric systems, which rely on mechanical vibrations, are highly sensitive to external factors such as vehicle weight, speed, and traffic frequency. This sensitivity leads to inconsistent energy outputs, making it challenging to design systems capable of continuous energy generation. Thermoelectric systems, which depend on temperature differentials, are similarly limited by geographic and climatic conditions, rendering them less effective in regions with minimal temperature variations. Triboelectric systems, while capable of generating high voltages, are hindered by low current output and high internal resistance, restricting their practical applications. Piezoelectric technologies, which use materials like PZT and PVDF, face the challenge of managing fluctuating vibration frequencies and are influenced by factors like vehicle weight and speed. Yet, their versatility, independence from environmental conditions, and lack of a need for external voltage sources make them highly reliable for capturing mechanical vibrations. Electrostatic, electromagnetic, and triboelectric systems, while struggling with lower capacitances, parasitic effects, and inefficiencies at smaller scales, offer certain advantages. Electrostatic and triboelectric systems are cost-effective, produce high output voltages, and are easy to manufacture. Meanwhile, electromagnetic systems deliver robust performance, high output currents, and long lifetimes, making them useful for harvesting energy from vibrations and oscillations. Asphalt solar collectors, which use thermal gradients, are beneficial for reducing pavement temperatures in the summer and preserving heat for water heaters in the winter. They also have a high output and are highly versatile in terms of construction. However, it has a high installation cost, and the pipe system is prone to failure owing to external loading or hot mixed asphalt.

Table 11.
Comparison of different technologies for energy harvesting.
It is clear that asphalt solar collectors provide a significant quantity of energy, yet they are expensive to install and cannot be used in high traffic areas. Conversely, piezoelectric, thermoelectric, triboelectric, electrostatic, and electromagnetic systems are prevalent technologies for harvesting energy from mechanical and thermal forces that can be placed in the pavement and are affordable. Thus, technology can be selected based on demand, budget, and available space. The author suggests utilizing electrostatic or thermoelectric technologies since they do not depend on vehicle flow on the road, have a high voltage output, and are inexpensive to build. If the project has a sufficient budget, the author recommends combining the aforementioned technologies with asphalt solar collectors. This combination not only allows for the preservation of a large amount of energy for the surrounding area but also has the potential to reduce a number of associated issues, especially during winter periods.
Overall, the practical application of road energy harvesting is likely to increase significantly in the near future, as sustainability becomes a common goal for practically every country in the world in order to mitigate the effects of climate change and capture waste energy. Future research should focus on the development of all technologies to boost energy output while lowering manufacturing costs. Furthermore, the author recommends conducting research on integrating two or more technologies in a single device in order to capture multiple types of energy at the same time while minimizing its size and cost.
5.2. Strengths of Energy Harvesting from Roadways
Despite these challenges, several strengths highlight the potential of energy-harvesting technologies in roadway applications. One of the key advantages is the diversity of energy sources available. Roadways provide multiple opportunities for energy harvesting, from mechanical vibrations (piezoelectric) and temperature differentials (thermoelectric) to wind absorption (wind energy). This diversity allows for the integration of multiple technologies, potentially enhancing the overall energy output. Moreover, the scalability of these systems makes them adaptable to different applications, from small sensors powered by piezoelectric materials to large-scale installations.
Another significant advantage is the contribution to sustainability and energy efficiency. Energy-harvesting systems capture and convert otherwise wasted energy, such as heat from road surfaces or vibrations from traffic, into usable electricity. This not only improves overall energy efficiency but also reduces reliance on traditional energy sources. Furthermore, as green technologies, these systems align with global sustainability goals, such as reducing carbon emissions.
Innovation in materials is another strength of energy-harvesting technologies. Advances in materials science, particularly in the development of lead-free alternatives, nanomaterials, and composites, are driving improvements in both the efficiency and durability of these systems. These materials offer new possibilities for enhancing the performance of energy-harvesting systems while addressing environmental concerns. Additionally, the integration of smart systems that incorporate sensing technologies enables real-time monitoring and optimization of energy generation, further improving the efficiency of these systems.
5.3. Most Promising Materials and Technologies
Among the materials reviewed, PZT (lead zirconate titanate) remains one of the most promising due to its high piezoelectric coefficient and mechanical stability, making it effective for energy harvesting applications. However, the environmental concerns associated with lead-based materials have led to increased interest in lead-free alternatives such as barium titanate (BT) and sodium potassium niobate (KNN). These materials, while not yet as efficient as PZT, show potential due to their reduced environmental impact and ongoing research aimed at improving their performance.
Nanomaterials, particularly those incorporating ZnO nanowires and carbon nanotubes, are also emerging as promising candidates. These materials offer high sensitivity to mechanical disturbances and can be used in piezoelectric and thermoelectric systems to enhance energy conversion efficiency. For example, ZnO nanowires embedded in concrete have shown promise in converting mechanical energy from traffic into electricity, providing a novel approach to integrating energy harvesting directly into roadway materials.
In terms of technologies, piezoelectric systems continue to be the most widely researched due to their ability to generate electricity from the constant vibrations and stresses experienced by roadways. Real-world examples include the installation of piezoelectric sensors under highways in Israel, where the harvested energy is used to power streetlights and traffic signals. Thermoelectric generators (TEGs), which convert heat from the road surface into electricity, are particularly promising in regions with high temperature variations. For instance, TEGs have been tested in asphalt pavements in California, where they help reduce surface temperatures while generating power for nearby infrastructure.
Overall, the practical application of road energy harvesting is likely to increase significantly in the near future, as sustainability becomes a common goal for practically every country in the world in order to mitigate the effects of climate change and capture waste energy. Future research should focus on the development of all technologies to boost energy output while lowering manufacturing costs. Furthermore, efforts to reduce the costs associated with these systems will be necessary to make them more economically viable for widespread implementation. By addressing these challenges and leveraging the strengths of energy-harvesting technologies, we can move towards more sustainable and resilient infrastructure in the future.
6. Conclusions
Many materials and technologies have been developed to serve as energy harvesters in roadways. All of these materials and technologies are utilized to power a wide range of components, including microelectromechanical systems, road lights, traffic monitoring, and building utilities. Road energy harvesting provides a way of storing energy and using it in the surrounding area, creating a suitable infrastructure for EVs. As people become more aware of the importance of the environment and sustainability, it will become essential to transition from the use of fuel-powered vehicles to EVs. However, multiple limitations remain, rendering road energy capturing inadequate. The challenge lies in the efficiency and scale of road energy harvesting applications, given that some materials may be efficient and sustainable only on a small scale, whereas others may be lucrative on a large scale yet costly.
In terms of material, ceramics remain the preferred choice for energy harvesting due to their high output and ease of manufacturing. However, given the lead concentration, which endangers the environment, an alternative sustainable material is required to replace the role of ceramics. According to the substantial research that has been conducted, nanomaterial-based materials offer potential since they are adaptable enough to be employed in a variety of applications. The author advises undertaking further research on nanomaterials to improve their effectiveness and output energy for road energy harvesting.
In contrast, in terms of technology, utilization is based on the predicted amount of energy to be captured, as well as the availability of project funds and site space. Asphalt solar collectors generate plenty of electricity, yet they are expensive to install and cannot be used in high-traffic locations. Conversely. piezoelectric, thermoelectric, triboelectric, electrostatic, and electromagnetic technologies are common methods for harvesting energy from mechanical and thermal forces that can be embedded in pavement and are cost-effective. Assuming the project has a sufficient budget, a combination of thermoelectric or electrostatic (affordable and simple to build) with asphalt solar collectors is recommended.
Thus, future research should focus on overcoming the shortcomings of various materials and technologies in order to build an efficient interaction between EVs and the device. An alternate strategy is to combine different materials and technologies for a single application to ensure one can compensate for the other’s deficiencies.
Author Contributions
Conceptualization, Y.S.C. and Y.K.; methodology, Y.S.C. and M.L.; investigation, Y.S.C. and Y.K.; resources, M.L. and A.S.; data curation, Y.S.C. and A.S.; writing—original draft preparation, Y.S.C. and Y.K.; writing—review and editing, M.L. and A.S.; visualization, G.D.A. and Y.K.; supervision, M.L. and A.S.; project administration, Y.K. and M.L.; funding acquisition, Y.K. All authors have read and agreed to the published version of the manuscript.
Funding
This work was supported and funded by the Enterprise Singapore (ESG).
Data Availability Statement
All data have been included in the manuscript.
Acknowledgments
The authors would like to thank Gerarldo Davin Aventian and Aigerim Zhakiyeva during the data collection.
Conflicts of Interest
The authors declare no conflicts of interest.
References
- Tsang, F.; Rohr, C. The Impact of Migration on Transport and Congestion; Rand Corporation: Santa Monica, CA, USA, 2011. [Google Scholar]
- Karlsson, V. Transportation Improvement and Interregional Migration. Ph.D. Thesis, University of Iceland, Reykjavík, Iceland, 2012. [Google Scholar]
- Friedlingstein, P.; O’Sullivan, M.; Jones, M.W.; Andrew, R.M.; Bakker, D.C.E.; Hauck, J.; Landschützer, P.; Le Quéré, C.; Luijkx, I.T.; Peters, G.P.; et al. Global Carbon Budget 2023. Earth Syst. Sci. Data 2023, 15, 5301–5369. [Google Scholar] [CrossRef]
- NASA Earth Observatory. Emissions from Fossil Fuels Continue to Rise; NASA Earth Observatory: Washington, DC, USA, 2023. [Google Scholar]
- U.S. Department of Energy. At a Glance: Electric Vehicle; U.S. Department of Energy: Washington, DC, USA, 2023. [Google Scholar]
- Marquez-Fernandez, F.J.; Bischoff, J.; Domingues-Olavarria, G.; Alakula, M. Assessment of Future EV Charging Infrastructure Scenarios for Long-Distance Transport in Sweden. IEEE Trans. Transp. Electrif. 2022, 8, 615–626. [Google Scholar] [CrossRef]
- Rhodes, K.; Kok, D.; Sohoni, P.; Perry, E.; Kraska, M.; Wallace, M. Estimation of the Effects of Auxiliary Electrical Loads on Hybrid Electric Vehicle Fuel Economy; SAE International: Warrendale, PA, USA, 2017. [Google Scholar] [CrossRef]
- Zuo, L.; Scully, B.; Shestani, J.; Zhou, Y. Design and Characterization of an Electromagnetic Energy Harvester for Vehicle Suspensions. Smart Mater. Struct. 2010, 19, 045003. [Google Scholar] [CrossRef]
- Wang, H.; Jasim, A.; Chen, X. Energy Harvesting Technologies in Roadway and Bridge for Different Applications—A Comprehensive Review. Appl. Energy 2018, 212, 1083–1094. [Google Scholar] [CrossRef]
- Zabihi, N.; Saafi, M. Recent Developments in the Energy Harvesting Systems from Road Infrastructures. Sustainability 2020, 12, 6738. [Google Scholar] [CrossRef]
- Qabur, A.; Alshammari, K. A Systematic Review of Energy Harvesting from Roadways by Using Piezoelectric Materials Technology. Innov. Energy Res. 2018, 7, 191. [Google Scholar] [CrossRef]
- Budharaju, H.; Suresh, S.; Sekar, M.P.; De Vega, B.; Sethuraman, S.; Sundaramurthi, D.; Kalaskar, D.M. Ceramic Materials for 3D Printing of Biomimetic Bone Scaffolds—Current State-of-the-Art & Future Perspectives. Mater. Des. 2023, 231, 112064. [Google Scholar] [CrossRef]
- Sharma, P.K.; Ounaies, Z.; Varadan, V.V.; Varadan, V.K. Dielectric and Piezoelectric Properties of Microwave Sintered PZT. Smart Mater. Struct. 2001, 10, 878–883. [Google Scholar] [CrossRef]
- Cui, K.; Lau, D.; Chang, J. Advancements in Energy Harvesting through Building Materials: A Critical Review. J. Build. Eng. 2024, 98, 111412. [Google Scholar] [CrossRef]
- Kumar, A.; Bhanu Prasad, V.V.; James Raju, K.C.; James, A.R. Optimization of Poling Parameters of Mechanically Processed PLZT 8/60/40 Ceramics Based on Dielectric and Piezoelectric Studies. Eur. Phys. J. B 2015, 88, 287. [Google Scholar] [CrossRef]
- Nosek, J.; Pustka, M. Determination of the Electromechanical Coupling Factor of Gallium Orthophosphate (GaPO/Sub 4/) and Its Influence on Resonance-Frequency Temperature Dependencies. IEEE Trans. Ultrason. Ferroelectr. Freq. Control 2006, 53, 10–14. [Google Scholar] [CrossRef] [PubMed]
- Salazar, R.; Serrano, M.; Abdelkefi, A. Fatigue in Piezoelectric Ceramic Vibrational Energy Harvesting: A Review. Appl. Energy 2020, 270, 115161. [Google Scholar] [CrossRef]
- Li, T.; Lee, P.S. Piezoelectric Energy Harvesting Technology: From Materials, Structures, to Applications. Small Struct. 2022, 3, 2100128. [Google Scholar] [CrossRef]
- Zhou, Z.; Tang, H.; Sodano, H. Energy Harvesting Using Lead Zirconium Titanate-Based Ceramic Nanowires. Available online: https://www.sigmaaldrich.cn/CN/zh/technical-documents/technical-article/materials-science-and-engineering/solid-state-synthesis/energy-harvesting?srsltid=AfmBOopps7VkFRGJEzEu4v-rRvtIsR_erAQZDnzvdqAVQlCE0BHh5mjQ (accessed on 1 June 2024).
- Purahmad, M. Nanomaterials, Devices and Interface Circuits: Applications for Optoelectronic and Energy Harvesting. Ph.D. Thesis, University of Illinois at Chicago, Chicago, IL, USA, 2013. [Google Scholar]
- NREL (National Renewable Energy Laboratory). Best Research-Cell Efficiency Chart; NREL: Golden, CO, USA, 2020. [Google Scholar]
- Wang, C.; Zhao, J.; Li, Q.; Li, Y. Optimization Design and Experimental Investigation of Piezoelectric Energy Harvesting Devices for Pavement. Appl. Energy 2018, 229, 18–30. [Google Scholar] [CrossRef]
- Snyder, G.J. Thermoelectric Energy Harvesting. In Energy Harvesting Technologies; Springer: Boston, MA, USA, 2009; pp. 325–336. [Google Scholar] [CrossRef]
- Boisseau, S.; Despesse, G.; Ahmed, B. Electrostatic Conversion for Vibration Energy Harvesting. In Small-Scale Energy Harvesting; InTech: London, UK, 2012. [Google Scholar] [CrossRef]
- Thainiramit, P.; Yingyong, P.; Isarakorn, D. Impact-Driven Energy Harvesting: Piezoelectric Versus Triboelectric Energy Harvesters. Sensors 2020, 20, 5828. [Google Scholar] [CrossRef] [PubMed]
- Xu, R.; Zou, X.; Liu, B.; Cheng, H.-M. Computational Design and Property Predictions for Two-Dimensional Nanostructures. Mater. Today 2018, 21, 391–418. [Google Scholar] [CrossRef]
- Al-Qadami, E.H.H.; Mustaffa, Z.; Al-Atroush, M.E. Evaluation of the Pavement Geothermal Energy Harvesting Technologies towards Sustainability and Renewable Energy. Energy 2022, 15, 1201. [Google Scholar] [CrossRef]
- Akin-Ponnle, A.E.; Carvalho, N.B. Energy Harvesting Mechanisms in a Smart City—A Review. Smart Cities 2021, 4, 476–498. [Google Scholar] [CrossRef]
- Sathyanarayanan, R.; Muthamizh, S.; Giriramprasath, C.; Gopinath, K.T. Highway Windmill. In Proceedings of the 2011 IEEE 3rd International Conference on Communication Software and Networks, Xi’an, China, 27–29 May 2011; IEEE: Piscataway, NJ, USA, 2011; pp. 343–347. [Google Scholar] [CrossRef]
- Rodrigues, C.; Nunes, D.; Clemente, D.; Mathias, N.; Correia, J.M.; Rosa-Santos, P.; Taveira-Pinto, F.; Morais, T.; Pereira, A.; Ventura, J. Emerging Triboelectric Nanogenerators for Ocean Wave Energy Harvesting: State of the Art and Future Perspectives. Energy Environ. Sci. 2020, 13, 2657–2683. [Google Scholar] [CrossRef]
- Fukada, E. Bioelectrets and Biopiezoelectricity. IEEE Trans. Electr. Insul. 1992, 27, 813–819. [Google Scholar] [CrossRef]
- Sun, M.; Li, Z.; Song, X. Piezoelectric Effect of Hardened Cement Paste. Cem. Concr. Compos. 2004, 26, 717–720. [Google Scholar] [CrossRef]
- Yang, Z.; Zu, J. Comparison of PZN-PT, PMN-PT Single Crystals and PZT Ceramic for Vibration Energy Harvesting. Energy Convers. Manag. 2016, 122, 321–329. [Google Scholar] [CrossRef]
- Andriopoulou, S. A Review on Energy Harvesting from Roads. Master’s Thesis, KTH Royal Institute of Technology, Stockholm, Sweden, 2012. [Google Scholar]
- Buchanan, R.C. (Ed.) Ceramic Materials for Electronics; CRC Press: Boca Raton, FL, USA, 2018. [Google Scholar] [CrossRef]
- Ye, J.; Ding, G.; Wu, X.; Zhou, M.; Wang, J.; Chen, Y.; Yu, Y. Development and Performance Research of PSN-PZT Piezoelectric Ceramics Based on Road Vibration Energy Harvesting Technology. Mater. Today Commun. 2023, 34, 105135. [Google Scholar] [CrossRef]
- Park, S.-E.; Shrout, T.R. Ultrahigh Strain and Piezoelectric Behavior in Relaxor Based Ferroelectric Single Crystals. J. Appl. Phys. 1997, 82, 1804–1811. [Google Scholar] [CrossRef]
- Park, Y.; Majzoubi, M.; Zhang, Y.; Scholehwar, T.; Hennig, E.; Uchino, K. Analytical Modeling of k33 Mode Partial Electrode Configuration for Loss Characterization. J. Appl. Phys. 2020, 127, 204102. [Google Scholar] [CrossRef]
- Cramer, C.L.; Ionescu, E.; Graczyk-Zajac, M.; Nelson, A.T.; Katoh, Y.; Haslam, J.J.; Wondraczek, L.; Aguirre, T.G.; LeBlanc, S.; Wang, H.; et al. Additive Manufacturing of Ceramic Materials for Energy Applications: Road Map and Opportunities. J. Eur. Ceram. Soc. 2022, 42, 3049–3088. [Google Scholar] [CrossRef]
- Sanchez Caceres, J.A.; Cardoso Passos, C.A. Effect of Er Ion Substitution on the Micro-Structural and Electrical Properties Using a Polymeric Precursor Method in PZT52/48 Ceramics. J. Phys. Chem. Solids 2022, 160, 110375. [Google Scholar] [CrossRef]
- Heywang, W.; Lubitz, K.; Wersing, W. Piezoelectricity; Springer: Berlin/Heidelberg, Germany, 2008. [Google Scholar] [CrossRef]
- Swartz, S.L. Topics in Electronic Ceramics. IEEE Trans. Electr. Insul. 1990, 25, 935–987. [Google Scholar] [CrossRef]
- Niu, R.K.; Li, D.H.; Zhao, Q.B.; Wang, Y.L.; Xu, X. Vibration Characteristics of Piezoelectric Ceramic Elements with Large Anisotropy and Their Application in Ultrasonic Probes. Strength. Mater. 2023, 55, 834–840. [Google Scholar] [CrossRef]
- Tan, G.; Maruyama, K.; Kanamitsu, Y.; Nishioka, S.; Ozaki, T.; Umegaki, T.; Hida, H.; Kanno, I. Crystallographic Contributions to Piezoelectric Properties in PZT Thin Films. Sci. Rep. 2019, 9, 7309. [Google Scholar] [CrossRef]
- Niemiec, P.; Bochenek, D.; Dercz, G. Electrophysical Properties of PZT-Type Ceramics Obtained by Two Sintering Methods. Appl. Sci. 2023, 13, 11195. [Google Scholar] [CrossRef]
- Tiwari, B.; Babu, T.; Choudhary, R.N.P. Piezoelectric Lead Zirconate Titanate as an Energy Material: A Review Study. Mater. Today Proc. 2021, 43, 407–412. [Google Scholar] [CrossRef]
- Sezer, N.; Koç, M. A Comprehensive Review on the State-of-the-Art of Piezoelectric Energy Harvesting. Nano Energy 2021, 80, 105567. [Google Scholar] [CrossRef]
- Lupascu, D.C. Fatigue in Ferroelectric Ceramics and Related Issues; Springer: Berlin/Heidelberg, Germany, 2004. [Google Scholar] [CrossRef]
- Chen, J.; Garcia, E.S.; Zimmerman, S.C. Intramolecularly Cross-Linked Polymers: From Structure to Function with Applications as Artificial Antibodies and Artificial Enzymes. Acc. Chem. Res. 2020, 53, 1244–1256. [Google Scholar] [CrossRef]
- Kim, S.; Lee, G.S.; Shrout, T.R.; Venkataramani, S. Fabrication of Fine-Grain Piezoelectric Ceramics Using Reactive Calcination. J. Mater. Sci. 1991, 26, 4411–4415. [Google Scholar] [CrossRef]
- Guiffard, B.; Troccaz, M. Low Temperature Synthesis of Stoichiometric and Homogeneous Lead Zirconate Titanate Powder by Oxalate and Hydroxide Coprecipitation. Mater. Res. Bull. 1998, 33, 1759–1768. [Google Scholar] [CrossRef]
- Yi, G.; Sayer, M. An Acetic Acid/Water Based Sol-Gel PZT Process I: Modification of Zr and Ti Alkoxides with Acetic Acid. J. Solgel Sci. Technol. 1996, 6, 65–74. [Google Scholar] [CrossRef]
- Wang, S.; Bai, Y.; Zhang, T. Materials, Systems, and Devices for Wearable Bioelectronics. In Wearable Bioelectronics; Elsevier: Amsterdam, The Netherlands, 2020; pp. 1–48. [Google Scholar] [CrossRef]
- Smith, M.; Kar-Narayan, S. Piezoelectric Polymers: Theory, Challenges and Opportunities. Int. Mater. Rev. 2022, 67, 65–88. [Google Scholar] [CrossRef]
- Kholkin, A.; Amdursky, N.; Bdikin, I.; Gazit, E.; Rosenman, G. Strong Piezoelectricity in Bioinspired Peptide Nanotubes. ACS Nano 2010, 4, 610–614. [Google Scholar] [CrossRef] [PubMed]
- Fukada, E.; Yasuda, I. Piezoelectric Effects in Collagen. Jpn. J. Appl. Phys. 1964, 3, 117. [Google Scholar] [CrossRef]
- Fukada, E. Piezoelectricity as a Fundamental Property of Wood. Wood Sci. Technol. 1968, 2, 299–307. [Google Scholar] [CrossRef]
- Usher, T.D.; Cousins, K.R.; Zhang, R.; Ducharme, S. The Promise of Piezoelectric Polymers. Polym. Int. 2018, 67, 790–798. [Google Scholar] [CrossRef]
- Liu, Y.Z.; Zhang, H.; Yu, J.X.; Huang, Z.Y.; Wang, C.; Sun, Y. Ferroelectric P(VDF-TrFE)/POSS Nanocomposite Films: Compatibility, Piezoelectricity, Energy Harvesting Performance, and Mechanical and Atomic Oxygen Erosion. RSC Adv. 2020, 10, 17377–17386. [Google Scholar] [CrossRef]
- Xu, H.; Cheng, Z.-Y.; Olson, D.; Mai, T.; Zhang, Q.M.; Kavarnos, G. Ferroelectric and Electromechanical Properties of Poly(Vinylidene-Fluoride–Trifluoroethylene–Chlorotrifluoroethylene) Terpolymer. Appl. Phys. Lett. 2001, 78, 2360–2362. [Google Scholar] [CrossRef]
- Soulestin, T.; Ladmiral, V.; Dos Santos, F.D.; Améduri, B. Vinylidene Fluoride- and Trifluoroethylene-Containing Fluorinated Electroactive Copolymers. How Does Chemistry Impact Properties? Prog. Polym. Sci. 2017, 72, 16–60. [Google Scholar] [CrossRef]
- Terzic, I.; Meereboer, N.L.; Acuautla, M.; Portale, G.; Loos, K. Electroactive Materials with Tunable Response Based on Block Copolymer Self-Assembly. Nat. Commun. 2019, 10, 601. [Google Scholar] [CrossRef]
- Du, X.-H.; Zheng, J.; Belegundu, U.; Uchino, K. Crystal Orientation Dependence of Piezoelectric Properties of Lead Zirconate Titanate near the Morphotropic Phase Boundary. Appl. Phys. Lett. 1998, 72, 2421–2423. [Google Scholar] [CrossRef]
- Liu, Y.; Zhang, B.; Haibibu, A.; Xu, W.; Han, Z.; Lu, W.; Bernholc, J.; Wang, Q. Insights into the Morphotropic Phase Boundary in Ferroelectric Polymers from the Molecular Perspective. J. Phys. Chem. C 2019, 123, 8727–8730. [Google Scholar] [CrossRef]
- Jung, I.; Shin, Y.-H.; Kim, S.; Choi, J.; Kang, C.-Y. Flexible Piezoelectric Polymer-Based Energy Harvesting System for Roadway Applications. Appl. Energy 2017, 197, 222–229. [Google Scholar] [CrossRef]
- Zhou, J.-J.; Cheng, L.-Q.; Wang, K.; Zhang, X.-W.; Li, J.-F.; Liu, H.; Fang, J.-Z. Low-Temperature Sintering of (K,Na)NbO3-Based Lead-Free Piezoceramics with Addition of LiF. J. Eur. Ceram. Soc. 2014, 34, 1161–1167. [Google Scholar] [CrossRef]
- Saito, Y.; Takao, H.; Tani, T.; Nonoyama, T.; Takatori, K.; Homma, T.; Nagaya, T.; Nakamura, M. Lead-Free Piezoceramics. Nature 2004, 432, 84–87. [Google Scholar] [CrossRef] [PubMed]
- Machado, S.P.; Febbo, M.; Rubio-Marcos, F.; Ramajo, L.A.; Castro, M.S. Evaluation of the Performance of a Lead-Free Piezoelectric Material for Energy Harvesting. Smart Mater. Struct. 2015, 24, 115011. [Google Scholar] [CrossRef]
- Kumar, A.; Sharma, A.; Kumar, R.; Vaish, R.; Chauhan, V.S. Finite Element Analysis of Vibration Energy Harvesting Using Lead-Free Piezoelectric Materials: A Comparative Study. J. Asian Ceram. Soc. 2014, 2, 139–143. [Google Scholar] [CrossRef][Green Version]
- Stuber, V.L.; Deutz, D.B.; Bennett, J.; Cannel, D.; de Leeuw, D.M.; van der Zwaag, S.; Groen, P. Flexible Lead-Free Piezoelectric Composite Materials for Energy Harvesting Applications. Energy Technol. 2019, 7, 177–185. [Google Scholar] [CrossRef]
- Kang, Y.; Yu, F.; Zhang, L.; Wang, W.; Chen, L.; Li, Y. Review of ZnO-Based Nanomaterials in Gas Sensors. Solid. State Ion. 2021, 360, 115544. [Google Scholar] [CrossRef]
- Winkler, R.; Ciria, M.; Ahmad, M.; Plank, H.; Marcuello, C. A Review of the Current State of Magnetic Force Microscopy to Unravel the Magnetic Properties of Nanomaterials Applied in Biological Systems and Future Directions for Quantum Technologies. Nanomaterials 2023, 13, 2585. [Google Scholar] [CrossRef]
- Kim, S.; Ico, G.; Bai, Y.; Yang, S.; Lee, J.-H.; Yin, Y.; Myung, N.V.; Nam, J. Utilization of a Magnetic Field-Driven Microscopic Motion for Piezoelectric Energy Harvesting. Nanoscale 2019, 11, 20527–20533. [Google Scholar] [CrossRef] [PubMed]
- McCarthy, P.T. Thermal Energy Harvesting and Solar Energy Conversion Utilizing Carbon-Based Nanomaterials. Ph.D. Thesis, Purdue University, West Lafayette, IN, USA, 2013. [Google Scholar]
- McCarty, T.A.; Sharma, J.P.; Palikhel, D. Harvesting Vibrational Energy Due to Intermodal Systems Via Nano Coated Piezo Electric Devices; Mississippi State University: Mississippi, MS, USA, 2015. [Google Scholar]
- Poudel, B.; Hao, Q.; Ma, Y.; Lan, Y.; Minnich, A.; Yu, B.; Yan, X.; Wang, D.; Muto, A.; Vashaee, D.; et al. High-Thermoelectric Performance of Nanostructured Bismuth Antimony Telluride Bulk Alloys. Science 2008, 320, 634–638. [Google Scholar] [CrossRef] [PubMed]
- Dresselhaus, M.S.; Chen, G.; Tang, M.Y.; Yang, R.G.; Lee, H.; Wang, D.Z.; Ren, Z.F.; Fleurial, J.-P.; Gogna, P. New Directions for Low-Dimensional Thermoelectric Materials. Adv. Mater. 2007, 19, 1043–1053. [Google Scholar] [CrossRef]
- Vineis, C.J.; Shakouri, A.; Majumdar, A.; Kanatzidis, M.G. Nanostructured Thermoelectrics: Big Efficiency Gains from Small Features. Adv. Mater. 2010, 22, 3970–3980. [Google Scholar] [CrossRef] [PubMed]
- Correa-Baena, J.-P.; Saliba, M.; Buonassisi, T.; Grätzel, M.; Abate, A.; Tress, W.; Hagfeldt, A. Promises and Challenges of Perovskite Solar Cells. Science 2017, 358, 739–744. [Google Scholar] [CrossRef]
- Dou, B.; Whitaker, J.B.; Bruening, K.; Moore, D.T.; Wheeler, L.M.; Ryter, J.; Breslin, N.J.; Berry, J.J.; Garner, S.M.; Barnes, F.S.; et al. Roll-to-Roll Printing of Perovskite Solar Cells. ACS Energy Lett. 2018, 3, 2558–2565. [Google Scholar] [CrossRef]
- Sargent, E.H. Colloidal Quantum Dot Solar Cells. Nat. Photonics 2012, 6, 133–135. [Google Scholar] [CrossRef]
- Smets, A.; Jäger, K.; Isabella, O.; van Swaaij, R.; Zeman, M. Solar Energy: The Physics and Engineering of Photovoltaic Conversion, Technologies and Systems; Bloomsbury Publishing: London, UK, 2016. [Google Scholar]
- Kumar, P. Piezo-Smart Roads. Int. J. Enhanc. Res. Sci. Technol. Eng. 2013, 2, 65–70. [Google Scholar]
- Bhattacharjee, S.; Batra, A.K.; Cain, J. Energy Harvesting from Pavements Using Pyroelectric Single Crystal and Nano-Composite Based Smart Materials. In Transportation and Development Institute Congress 2011; American Society of Civil Engineers: Reston, VA, USA, 2011; pp. 741–750. [Google Scholar] [CrossRef]
- Batra, A.K. Simulation of Energy Harvesting from Roads via Pyroelectricity. J. Photonics Energy 2011, 1, 014001. [Google Scholar] [CrossRef]
- Uchino, K. Piezoelectric Composite Materials. In Advanced Piezoelectric Materials; Elsevier: Amsterdam, The Netherlands, 2010; pp. 318–346. [Google Scholar] [CrossRef]
- Wen, S.; Chung, D.D.L. Cement-Based Materials for Stress Sensing by Dielectric Measurement. Cem. Concr. Res. 2002, 32, 1429–1433. [Google Scholar] [CrossRef]
- Wen, S.; Chung, D.D.L. Piezoelectric Cement-Based Materials with Large Coupling and Voltage Coefficients. Cem. Concr. Res. 2002, 32, 335–339. [Google Scholar] [CrossRef]
- Han, R.; Shi, Z. Dynamic Analysis of Sandwich Cement-Based Piezoelectric Composites. Compos. Sci. Technol. 2012, 72, 894–901. [Google Scholar] [CrossRef]
- Potong, R.; Rianyoi, R.; Ngamjarurojana, A.; Chaipanich, A. Dielectric and Piezoelectric Properties of 1–3 Non-Lead Barium Zirconate Titanate-Portland Cement Composites. Ceram. Int. 2013, 39, S53–S57. [Google Scholar] [CrossRef]
- Lertcumfu, N.; Pengpat, K.; Eitssayeam, S.; Tunkasiri, T.; Rujijanagul, G. Electrical Properties of BZT/Mullite Ceramic Composites. Ceram. Int. 2015, 41, S447–S452. [Google Scholar] [CrossRef]
- Chen, J.; Qiu, Q.; Han, Y.; Lau, D. Piezoelectric Materials for Sustainable Building Structures: Fundamentals and Applications. Renew. Sustain. Energy Rev. 2019, 101, 14–25. [Google Scholar] [CrossRef]
- Wang, C.; Wang, S.; Li, Q.J.; Wang, X.; Gao, Z.; Zhang, L. Fabrication and Performance of a Power Generation Device Based on Stacked Piezoelectric Energy-Harvesting Units for Pavements. Energy Convers. Manag. 2018, 163, 196–207. [Google Scholar] [CrossRef]
- Zhang, T.; Barry, R.G.; Gilichinsky, D.; Bykhovets, S.S.; Sorokovikov, V.A.; Ye, J. An Amplified Signal of Climatic Change in Soil Temperatures during the Last Century at Irkutsk, Russia. Clim. Change 2001, 49, 41–76. [Google Scholar] [CrossRef]
- Kim, H.S.; Kim, J.-H.; Kim, J. A Review of Piezoelectric Energy Harvesting Based on Vibration. Int. J. Precis. Eng. Manuf. 2011, 12, 1129–1141. [Google Scholar] [CrossRef]
- Wang, H.; Jasim, A. Piezoelectric Energy Harvesting from Pavement. In Eco-Efficient Pavement Construction Materials; Elsevier: Amsterdam, The Netherlands, 2020; pp. 367–382. [Google Scholar] [CrossRef]
- Priya, S. Advances in Energy Harvesting Using Low Profile Piezoelectric Transducers. J. Electroceram 2007, 19, 167–184. [Google Scholar] [CrossRef]
- Amaro, P.; Santos, F. Specific Topologies and Circuits: Challenges in Low Power. In Encyclopedia of Electrical and Electronic Power Engineering; Elsevier: Amsterdam, The Netherlands, 2023; pp. 130–140. [Google Scholar] [CrossRef]
- Rashmi, M.R.; Trilok Sairam, K.; Suresh, A. Energy Harvesting through Piezoelectric Technology. Mater. Today Proc. 2023. (available online 2 August 2023). [Google Scholar] [CrossRef]
- Li, H.; Tian, C.; Deng, Z.D. Energy Harvesting from Low Frequency Applications Using Piezoelectric Materials. Appl. Phys. Rev. 2014, 1, 041301. [Google Scholar] [CrossRef]
- Elliott, A.D.T.; Miller, L.M.; Halvorsen, E.; Wright, P.K.; Mitcheson, P.D. Which Is Better, Electrostatic or Piezoelectric Energy Harvesting Systems? J. Phys. Conf. Ser. 2015, 660, 012128. [Google Scholar] [CrossRef]
- Møller, H.; Pedersen, C.S. Hearing at Low and Infrasonic Frequencies. Noise Health 2004, 6, 37–57. [Google Scholar]
- Tang, L.; Yang, Y.; Soh, C.K. Toward Broadband Vibration-Based Energy Harvesting. J. Intell. Mater. Syst. Struct. 2010, 21, 1867–1897. [Google Scholar] [CrossRef]
- Pepe, G.; Doria, A.; Roveri, N.; Carcaterra, A. Vibration Energy Harvesting for Cars: Semi-Active Piezo Controllers. Arch. Appl. Mech. 2023, 93, 663–685. [Google Scholar] [CrossRef]
- Crossley, S.; Whiter, R.A.; Kar-Narayan, S. Polymer-Based Nanopiezoelectric Generators for Energy Harvesting Applications. Mater. Sci. Technol. 2014, 30, 1613–1624. [Google Scholar] [CrossRef]
- Kumari, N.; Rakotondrabe, M. Design and Development of a Lead-Freepiezoelectric Energy Harvester for Wideband, Low Frequency, and Low Amplitude Vibrations. Micromachines 2021, 12, 1537. [Google Scholar] [CrossRef] [PubMed]
- Muralt, P. Pyroelectricity. In Encyclopedia of Condensed Matter Physics; Elsevier: Amsterdam, The Netherlands, 2005; pp. 441–448. [Google Scholar] [CrossRef]
- Fernández-Yáñez, P.; Romero, V.; Armas, O.; Cerretti, G. Thermal Management of Thermoelectric Generators for Waste Energy Recovery. Appl. Therm. Eng. 2021, 196, 117291. [Google Scholar] [CrossRef]
- Kiziroglou, M.E.; Yeatman, E.M. Materials and Techniques for Energy Harvesting. In Functional Materials for Sustainable Energy Applications; Elsevier: Amsterdam, The Netherlands, 2012; pp. 541–572. [Google Scholar] [CrossRef]
- Hudak, N.S.; Amatucci, G.G. Small-Scale Energy Harvesting through Thermoelectric, Vibration, and Radiofrequency Power Conversion. J. Appl. Phys. 2008, 103, 101301. [Google Scholar] [CrossRef]
- Jiang, W.; Xiao, J.; Yuan, D.; Lu, H.; Xu, S.; Huang, Y. Design and Experiment of Thermoelectric Asphalt Pavements with Power-Generation and Temperature-Reduction Functions. Energy Build. 2018, 169, 39–47. [Google Scholar] [CrossRef]
- Kishore, R.A.; Priya, S. A Review on Low-Grade Thermal Energy Harvesting: Materials, Methods and Devices. Materials 2018, 11, 1433. [Google Scholar] [CrossRef] [PubMed]
- Zabek, D.A. Pyroelectric Structures and Devices for Thermal Energy Harvesting. Ph.D. Thesis, University of Bath, Bath, UK, 2016. [Google Scholar]
- Boisseau, S.; Despesse, G.; Monfray, S.; Puscasu, O.; Skotnicki, T. Semi-Flexible Bimetal-Based Thermal Energy Harvesters. Smart Mater. Struct. 2013, 22, 025021. [Google Scholar] [CrossRef]
- Ji, T.; Zhang, S.; He, Y.; Zhang, X.; Zhang, X.; Li, W. Enhanced Thermoelectric Property of Cement-Based Materials with the Synthesized MnO2/Carbon Fiber Composite. J. Build. Eng. 2021, 43, 103190. [Google Scholar] [CrossRef]
- Song, J.; Xia, C.; Shan, G.; Wang, Z.; Ono, T.; Cheng, G.; Wang, D.F. Temperature Sensing and Energy Harvesting with A MEMS Parametric Coupling Device under Low Frequency Vibrations. J. Sound. Vib. 2024, 585, 118456. [Google Scholar] [CrossRef]
- Singh, V.P.; Kumar, M.; Srivastava, R.S.; Vaish, R. Thermoelectric Energy Harvesting Using Cement-Based Composites: A Review. Mater. Today Energy 2021, 21, 100714. [Google Scholar] [CrossRef]
- Park, K.T.; Kim, H.G.; Kim, J.-S.; Woo, B.-H. Improving the Thermoelectric Performance of Cement Composites by Substituting Fine Aggregate with Silicon Carbide. Constr. Build. Mater. 2024, 416, 135068. [Google Scholar] [CrossRef]
- Wei, J.; Wang, Y.; Li, X.; Jia, Z.; Qiao, S.; Zhang, Q.; Du, J. Effect of Porosity and Crack on the Thermoelectric Properties of Expanded Graphite/Carbon Fiber Reinforced Cement-based Composites. Int. J. Energy Res. 2020, 44, 6885–6893. [Google Scholar] [CrossRef]
- Cao, X. A Power Road by Harvesting Electromagnetic Energy from Moving Object. Nano Energy 2023, 112, 108486. [Google Scholar] [CrossRef]
- Duval, C.; Gibbons, G.; Horváthy, P. Celestial Mechanics, Conformal Structures, and Gravitational Waves. Phys. Rev. D 1991, 43, 3907–3922. [Google Scholar] [CrossRef] [PubMed]
- Gholikhani, M.; Amid Tahami, S.; Dessouky, S. Harvesting Energy from Pavement—Electromagnetic Approach. MATEC Web Conf. 2019, 271, 06001. [Google Scholar] [CrossRef]
- Duarte, F.J.J. Pavement Energy Harvesting System to Convert Vehicles Kinetic Energy into Electricity. Ph.D. Thesis, Universidade de Coimbra, Coimbra, Portugal, 2017. [Google Scholar]
- Kumar, M.; Kumar, K.; Rana, R. Wind Energy Generation from Traffic Movement. DU J. Undergrad. Res. Innov. 2016, 2, 116. [Google Scholar]
- Müller, G.; Jentsch, M.F.; Stoddart, E. Vertical Axis Resistance Type Wind Turbines for Use in Buildings. Renew. Energy 2009, 34, 1407–1412. [Google Scholar] [CrossRef]
- Bhutta, M.M.A.; Hayat, N.; Farooq, A.U.; Ali, Z.; Jamil, S.R.; Hussain, Z. Vertical Axis Wind Turbine—A Review of Various Configurations and Design Techniques. Renew. Sustain. Energy Rev. 2012, 16, 1926–1939. [Google Scholar] [CrossRef]
- Guo, L.; Wang, H. Non-Intrusive Movable Energy Harvesting Devices: Materials, Designs, and Their Prospective Uses on Transportation Infrastructures. Renew. Sustain. Energy Rev. 2022, 160, 112340. [Google Scholar] [CrossRef]
- Tan, Y.K.; Panda, S.K. A Novel Piezoelectric Based Wind Energy Harvester for Low-Power Autonomous Wind Speed Sensor. In Proceedings of the IECON 2007—33rd Annual Conference of the IEEE Industrial Electronics Society, Taipei, Taiwan, 5–8 November 2007; IEEE: Piscataway, NJ, USA, 2007; pp. 2175–2180. [Google Scholar] [CrossRef]
- Xie, M.; Zabek, D.; Bowen, C.; Abdelmageed, M.; Arafa, M. Wind-Driven Pyroelectric Energy Harvesting Device. Smart Mater. Struct. 2016, 25, 125023. [Google Scholar] [CrossRef]
- Sirohi, J.; Mahadik, R. Piezoelectric Wind Energy Harvester for Low-Power Sensors. J. Intell. Mater. Syst. Struct. 2011, 22, 2215–2228. [Google Scholar] [CrossRef]
- Han, F.; Bandarkar, A.W.; Sozer, Y. Energy Harvesting from Moving Vehicles on Highways. In Proceedings of the 2019 IEEE Energy Conversion Congress and Exposition (ECCE), Baltimore, MD, USA, 29 September–3 October 2019; IEEE: Piscataway, NJ, USA; pp. 974–978. [Google Scholar] [CrossRef]
- Liew, H.F.; Baharuddin, I.; Rosemizi, A.R.; Muzamir, I.; Hassan, S.I.S. Review of Feasibility Wind Turbine Technologies for Highways Energy Harvesting. J. Phys. Conf. Ser. 2020, 1432, 012059. [Google Scholar] [CrossRef]
- Wang, Z.L.; Wang, A.C. On the Origin of Contact-Electrification. Mater. Today 2019, 30, 34–51. [Google Scholar] [CrossRef]
- De Fazio, R.; De Giorgi, M.; Cafagna, D.; Del-Valle-Soto, C.; Visconti, P. Energy Harvesting Technologies and Devices from Vehicular Transit and Natural Sources on Roads for a Sustainable Transport: State-of-the-Art Analysis and Commercial Solutions. Energy 2023, 16, 3016. [Google Scholar] [CrossRef]
- Kim, D.W.; Lee, J.H.; Kim, J.K.; Jeong, U. Material Aspects of Triboelectric Energy Generation and Sensors. NPG Asia Mater. 2020, 12, 6. [Google Scholar] [CrossRef]
- Pan, S.; Zhang, Z. Fundamental Theories and Basic Principles of Triboelectric Effect: A Review. Friction 2019, 7, 2–17. [Google Scholar] [CrossRef]
- Xu, C.; Zi, Y.; Wang, A.C.; Zou, H.; Dai, Y.; He, X.; Wang, P.; Wang, Y.; Feng, P.; Li, D.; et al. On the Electron-Transfer Mechanism in the Contact-Electrification Effect. Adv. Mater. 2018, 30, e1706790. [Google Scholar] [CrossRef] [PubMed]
- Bobes-Jesus, V.; Pascual-Muñoz, P.; Castro-Fresno, D.; Rodriguez-Hernandez, J. Asphalt Solar Collectors: A Literature Review. Appl. Energy 2013, 102, 962–970. [Google Scholar] [CrossRef]
- Saad, H.E.; Kaddah, K.S.; Sliem, A.A.; Rafat, A.; Hewhy, M.A. The Effect of the Environmental Parameters on the Performance of Asphalt Solar Collector. Ain Shams Eng. J. 2019, 10, 791–800. [Google Scholar] [CrossRef]
- Hasebe, M.; Kamikawa, Y.; Meiarashi, S. Thermoelectric Generators Using Solar Thermal Energy in Heated Road Pavement. In Proceedings of the 2006 25th International Conference on Thermoelectrics, Vienna, Austria, 6–10 August 2006; IEEE: Piscataway, NJ, USA; pp. 697–700. [Google Scholar] [CrossRef]
- Chen, M.; Wu, S.; Wang, H.; Zhang, J. Study of Ice and Snow Melting Process on Conductive Asphalt Solar Collector. Sol. Energy Mater. Sol. Cells 2011, 95, 3241–3250. [Google Scholar] [CrossRef]
- Matrawy, K.K.; Farkas, I. Comparison Study for Three Types of Solar Collectors for Water Heating. Energy Convers. Manag. 1997, 38, 861–869. [Google Scholar] [CrossRef]
- Eugster, W.J. Road and Bridge Heating using Geothermal Energy. Overview and Examples. In Proceedings European Geothermal Congress; Unterhaching: Upper Bavaria, Germany, 2007. [Google Scholar]
- Lund, J.W. Pavement Snow Melting; U.S. Department of Energy Office of Scientific and Technical Information: Oak Ridge, TN, USA, 2005. [Google Scholar]
- van Bijsterveld, W.T.; Houben, L.J.M.; Scarpas, A.; Molenaar, A.A.A. Using Pavement as Solar Collector: Effect on Pavement Temperature and Structural Response. Transp. Res. Rec. J. Transp. Res. Board. 2001, 1778, 140–148. [Google Scholar] [CrossRef]
- Jiang, W.; Yuan, D.; Xu, S.; Hu, H.; Xiao, J.; Sha, A.; Huang, Y. Energy Harvesting from Asphalt Pavement Using Thermoelectric Technology. Appl. Energy 2017, 205, 941–950. [Google Scholar] [CrossRef]
- Gholikhani, M.; Nasouri, R.; Tahami, S.A.; Legette, S.; Dessouky, S.; Montoya, A. Harvesting Kinetic Energy from Roadway Pavement through an Electromagnetic Speed Bump. Appl. Energy 2019, 250, 503–511. [Google Scholar] [CrossRef]
- Akolpoglu, M.B.; Bozuyuk, U.; Erkoc, P.; Kizilel, S. Biosensing–Drug Delivery Systems for In Vivo Applications. In Advanced Biosensors for Health Care Applications; Elsevier: Amsterdam, The Netherlands, 2019; pp. 249–262. [Google Scholar] [CrossRef]
- Ennawaoui, C.; Lifi, H.; Hajjaji, A.; Azim, A.-E.; Elballouti, A.; Rguiti, M. New System to Harvest Road Energy Using Piezoelectric Polymers. Sens. Lett. 2018, 16, 41–47. [Google Scholar] [CrossRef]
- Papagiannakis, A.T.; Dessouky, S.; Montoya, A.; Roshani, H. Energy Harvesting from Roadways. Procedia Comput. Sci. 2016, 83, 758–765. [Google Scholar] [CrossRef]
Disclaimer/Publisher’s Note: The statements, opinions and data contained in all publications are solely those of the individual author(s) and contributor(s) and not of MDPI and/or the editor(s). MDPI and/or the editor(s) disclaim responsibility for any injury to people or property resulting from any ideas, methods, instructions or products referred to in the content. |
© 2024 by the authors. Licensee MDPI, Basel, Switzerland. This article is an open access article distributed under the terms and conditions of the Creative Commons Attribution (CC BY) license (https://creativecommons.org/licenses/by/4.0/).