Study on Instability Mechanism and Compensation Strategy for Distributed Energy Storage Systems
Abstract
1. Introduction
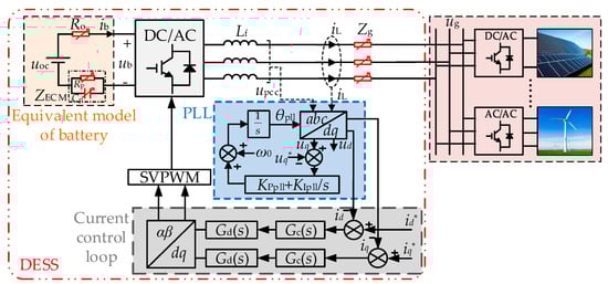
2. Stability Analysis of DESS
2.1. Output Impedance of Three-Phase Grid-Tied Inverter
2.2. Stability Analysis of Grid-Connected DESS
3. Proposed Strategy with Adaptive PLL Compensation
3.1. Structure of Compensation Link in PLL
- If n − m = 0, the compensation link can be treated as a proportional link, whose transmission gain is the ratio of the highest order coefficient of the numerator and denominator. In this condition, the PLL is still a typical second-order system, the bandwidth of which would be changed by Hc(s).
- If n − m < 0, taking n − m = −1 as an example, the compensation is barely detectable in the low-frequency domain. However, the decline rate of the phase–frequency response curve slows down by nearly 200 Hz and the magnitude of the impedance ratio is not suppressed. After achieving the peak value, there is a magnitude increment to the reference and the gain margin of the system is still below 0, which would even enlarge the instability margin of the system. A similar phenomenon can be obtained with different values of n − m < 0 and the system stability will not be improved in these conditions.
- If n − m > 0, the compensation link with different structures can consistently suppress the magnitude of the impedance ratio in the high-frequency band. However, a local minimum point shows up in the low-frequency band and the local minimum point moves left as n − m increases. It should be noted that if n − m = 4, a significant increment would be obtained on the left of the local minimum point, which might lead to instability in the grid-tied DESS.
3.2. Parameters’ Design for Compensation Link in PLL
- When a1 is treated as a variable, the trend of the Bode plot of the impedance ratio is shown in Figure 8a. As shown in the left part of Figure 8a, the global maximum value shows up when the frequency is twice as much as the initial bandwidth of the PLL (fbpll0). When a1 is near 0, the local maximum value in the low-frequency band shows up and a local minimum point shows up as the frequency increases. In this case, the overall system stability would not be affected. As shown in the right part of Figure 8a, if a1 < 0 but near 0, the phase–frequency curve crosses −180° in the low-frequency band and maintains at −270°. Then, the curve crosses −180° again in the low-frequency band and finally can be stabilized at 360° as a1 gradually increases.
- When a0 is treated as a variable, the trend of the Bode plot of the impedance ratio is as is shown in Figure 8b. In this situation, the phase–frequency characteristic is hardly effected by a0. For the magnitude–frequency characteristic, which is shown in the left part of Figure 8b, only the local maximum value in the low-frequency band is slightly increased by the increment in a0, while the values in the high-frequency band are almost unaffected. Therefore, the effect of a0 on the stability of the DESS is very limited.
- When b is treated as a variable, the Bode plot of the impedance ratio is as is shown in Figure 8c. In this situation, as shown in the left part of Figure 8c, if b < 0, the curve crosses 0 dB and shows a high peak in the low-frequency band before 0.5fbpll0. Meanwhile, as shown in the right part of Figure 8c, the curve of the phase–frequency characteristic crosses −180°, which causes the amplitude of the system impedance ratio to fall below 0. In this case, the system will step into an unstable state. If b > 0, as shown in the left part of Figure 8c, there will be no very high peak values in the low-frequency band; only a local maximum value shows up in the low-frequency band. Meanwhile, as shown in the right part of Figure 8c, the frequency, at which the phase–frequency curve crosses −180° in the low-frequency band, will be raised by the increment in b. However, if b is overlarge, the phase–frequency curve in the low frequency will be reversed and crosses 0°, which is not conducive to the phase stability of the DESS.
3.3. Impedance Observation and Compensation Process
4. Simulation and Experimental Results
4.1. Simulation Results
4.2. Experimental Results
5. Conclusions
Author Contributions
Funding
Data Availability Statement
Conflicts of Interest
Nomenclature
| DESS, PLL | Distributed energy storage system, phase-locked loop |
| SOC | State of charge of battery unit in DESS |
| PWM | Pulse-width modulation |
| Gpll_cl(s), Gpll_cl’(s) | Transfer function of traditional PLL, transfer function of PLL with proposed compensation link |
| ub, Lf, iL, upcc | DC-link voltage, inductance of filter, output current of DESS, voltage at grid connection point |
| iq, i*q, id, i*d | Actual q-axis current, required q-axis current, actual d-axis current, required d-axis current |
| Ud, Uq | d-axis voltage and q-axis obtained by PLL |
| Gc(s), Gd(s) | Transfer function of PI controller, transfer function of controller delay |
| ω0 and θpll | Required angular frequency and acquired phase of PLL |
| Δθpll, Δvgt | Small increment in phase position obtained by PLL, small increment in transient grid voltage |
| KPpll, KIpll | Proportional and integral coefficient in PLL loop |
| Ugd | d-axis voltage magnitude of distribution network |
| ζ, ωn | Damping ratio coefficient and natural frequency for second-order function |
| fbpll, ωbpll | Bandwidth of PLL, natural angular frequency of PLL |
| Gcl(s) | Transfer function of q-axis current control loop |
| igq, i*gq | Actual q-axis current, required q-axis current |
| GPWM(s) and Gf(s) | Transfer function of DES and filter |
| Utri | Amplitude of PWM carrier |
| ub, Ubx | Transient voltage of DESS inverter, RMS value of output voltage ripple |
| uOC, Rp, Cp, and R0 | Open-circuit battery voltage, equivalent resistance of polarization effect in battery, equivalent capacitance of polarization effect in battery, and internal resistance of battery |
| Zg, ZGCI | Impedance of distribution network, impedance of grid-connected inverter in DESS |
| Lg | Inductance of distribution network |
| HC(s) | Proposed compensation link in PLL |
| a1, a0, and b | Primary coefficient of denominator, constant term of denominator, and constant term of numerator in Hc(s) |
| |Zg|, ∠Zg | Amplitude and phase of impedance of distribution network |
| iL_ak(k = 1, 2…, 7) | The amplitude of kth-order harmonic component of output current of DESS. (k = 1, 2…, 7) |
References
- Dunn, B.; Kamath, H.; Tarascon, J.-M. Electrical energy storage for the grid: A battery of choices. Science 2011, 334, 928–935. [Google Scholar] [CrossRef]
- Zhong, W.; Xie, K.; Liu, Y.; Yang, C.; Xie, S.; Zhang, Y. Online control and near-optimal algorithm for distributed energy storage sharing in smart grid. IEEE Trans. Smart Grid 2020, 11, 2552–2562. [Google Scholar] [CrossRef]
- Nunna, H.; Doolla, S. Energy management in microgrids using demand response and distributed storage-A multiagent approach. IEEE Trans. Power Deliv. 2013, 28, 939–947. [Google Scholar] [CrossRef]
- Peng, P.; Li, Y.; Li, D.; Guan, Y.; Yang, P.; Hu, Z.; Zhao, Z.; Liu, D. Optimized economic operation strategy for distributed energy storage with multi-profit mode. IEEE Access 2020, 9, 8299–8311. [Google Scholar] [CrossRef]
- Zhong, W.; Xie, K.; Liu, Y.; Yang, C.; Xie, S. Topology-aware vehicle-to-grid energy trading for active distribution systems. IEEE Trans. Smart Grid 2019, 10, 2137–2147. [Google Scholar] [CrossRef]
- Gong, Q.; Wang, Y.; Fang, J.; Qiao, H.; Liu, D. Optimal configuration of the energy storage system in ADN considering energy storage operation strategy and dynamic characteristic. IET Gener. Transm. Distrib. 2020, 14, 1005–1011. [Google Scholar] [CrossRef]
- Sistani, A.; Hosseini, S.A.; Sadeghi, V.S.; Taheri, B. Fault Detection in a Single-Bus DC Microgrid Connected to EV/PV Systems and Hybrid Energy Storage Using the DMD-IF Method. Sustainability 2023, 15, 16269. [Google Scholar] [CrossRef]
- Liu, K.; Li, K.; Peng, Q.; Zhang, C. A brief review on key technologies in the battery management system of electric vehicles. Front. Mech. Eng. 2019, 14, 47–64. [Google Scholar] [CrossRef]
- Tran, D.T.; Habibullah, A.F.; Kim, K.-H. Seamless Power Management for a Distributed DC Microgrid with Minimum Communication Links under Transmission Time Delays. Sustainability 2022, 14, 14739. [Google Scholar] [CrossRef]
- Kim, T.; Qiao, W.; Qu, L. An enhanced hybrid battery model. IEEE Trans. Energy Convers. 2019, 34, 1848–1858. [Google Scholar] [CrossRef]
- Ning, B.; Cao, B.; Wang, B.; Zou, Z. Adaptive sliding mode observers for lithium-ion battery state estimation based on parameters identified online. Energy 2018, 153, 732–742. [Google Scholar] [CrossRef]
- Jiang, L.; Huang, Y.; Li, Y.; Yu, J.; Qiao, X.; Huang, C.; Cao, Y. Optimization of variable-current charging strategy based on SOC segmentation for Li-ion battery. IEEE Trans. Intell. Transp. Syst. 2021, 22, 622–662. [Google Scholar] [CrossRef]
- Cao, W.; Liu, K.; Kang, H.; Wang, S.; Fan, D.; Zhao, J. Resonance Detection Strategy for Multi-Parallel Inverter-Based Grid-Connected Renewable Power System Using Cascaded SOGI-FLL. Sustainability 2019, 11, 4839. [Google Scholar] [CrossRef]
- Lv, Z.; Kong, W.; Zhang, X.; Jiang, D.; Lv, H.B.; Lu, X.H. Intelligent security planning for regional distributed energy internet. IEEE Trans. Ind. Inf. 2020, 16, 3540–3547. [Google Scholar] [CrossRef]
- Hu, S.; Liang, Z.; He, X. Research on the dynamic characteristics and regulation method of the energy stored quasi-z-source inverter system. IEEE Trans. Ind. Electron. 2020, 67, 4590–4599. [Google Scholar] [CrossRef]
- Datta, U.; Kalam, A.; Shi, J. Battery energy storage system to stabilize transient voltage and frequency and enhance power export capability. IEEE Trans. Power Syst. 2019, 34, 1845–1857. [Google Scholar] [CrossRef]
- Zhang, J.; Long, B.; He, Y.; Cheng, R.; Fan, L.; Li, B.; Gu, T.; Fu, X.; Li, H. Grouping consistency control strategy based on DMPC and energy storage unit constraints. Int. J. Electr. Power Energy Syst. 2023, 148, 108958. [Google Scholar] [CrossRef]
- Liu, H.; Zhao, Y.; Gu, C.H.; Ge, S.Y.; Yang, Z. Adjustable capability of the distributed energy system: Definition, framework, and evaluation model. Energy 2021, 222, 119674. [Google Scholar] [CrossRef]
- Du, W.; Dong, W.; Wang, Y.; Wang, H. Small-Disturbance stability of a wind farm with virtual synchronous generators under the condition of weak grid connection. IEEE Trans. Power Syst. 2021, 36, 5500–5511. [Google Scholar] [CrossRef]
- Wang, Q.; Li, M.; Luo, P.; Wang, H.; Kang, P.; Sun, H.; Zhao, B. Analysis on the coupling characteristics of frequency stability and voltage stability in weak connected power grid with high ratio of clean energy. Energy Rep. 2022, 8, 1432–1437. [Google Scholar] [CrossRef]
- Azizi, A.; Rahimi, M. Dynamic performance analysis, stability margin improvement and transfer power capability enhancement in DFIG based wind turbines at weak ac grid conditions. Int. J. Electr. Power Energy Syst. 2018, 99, 434–446. [Google Scholar] [CrossRef]
- Li, C.Y.; Liu, W.; Liang, J.; Ding, X.; Cipcigan, L. Improved grid impedance compensation for phase-locked loop to stabilize the very-weak-grid connection of VSIs. IEEE Trans. Power Deliv. 2022, 37, 3863–3872. [Google Scholar] [CrossRef]
- Eskandari, M.; Savkin, A.V.; Alhelou, H.H.; Blaabjerg, F. Explicit impedance modeling and shaping of grid-connected converters via an enhanced PLL for stabilizing the weak grid connection. IEEE Access 2022, 10, 128874–128889. [Google Scholar] [CrossRef]
- Xu, Y.; Li, C.; Wang, X.; Zhang, H.; Yang, F.; Ma, L.; Wang, Y. Joint Estimation Method with Multi-Innovation Unscented Kalman Filter Based on Fractional-Order Model for State of Charge and State of Health Estimation. Sustainability 2022, 14, 15538. [Google Scholar] [CrossRef]
- Miyatake, S.; Susuki, Y.; Hikihara, T.; Itoh, S.; Tanaka, K. Discharge characteristics of multicell lithium-ion battery with nonuniform cells. J. Power Sources 2013, 241, 736–774. [Google Scholar] [CrossRef]
- Kim, T.; Qiao, W. A hybrid battery model capable of capturing dynamic circuit characteristics and nonlinear capacity effects. IEEE Trans. Energy Convers. 2011, 26, 1172–1180. [Google Scholar] [CrossRef]
- Schneider, D.; Liebhart, B.; Endisch, C. Active state and parameter estimation as part of intelligent battery systems. J. Energy Storage 2021, 39, 102638. [Google Scholar] [CrossRef]
- Liu, J. Impedance analysis of battery bidirectional DC-DC converter. IEEE Access 2020, 8, 30960–30968. [Google Scholar] [CrossRef]
- Bazargan, D.; Filizadeh, S.; Gole, A. Stability analysis of converter-connected battery energy storage systems in the grid. IEEE Trans. Sustain. Energy 2014, 5, 1204–1212. [Google Scholar] [CrossRef]
- Liu, F.; Hu, L.; Yuan, G.; Liu, B.; Bian, Y. Control loop stability criterion and interaction law analysis for grid-connected inverter in weak grid. IEEE Access 2023, 11, 12829–12842. [Google Scholar] [CrossRef]
- Zhang, X.G.; Li, M.; Xu, D.G. PCC voltage perturbation path analysis and compensation for grid-connected voltage-source converter under weak grid. IEEE Trans. Ind. Electron. 2021, 68, 12331–12339. [Google Scholar] [CrossRef]
- Jiang, X.; Han, X.; Sun, H.; Liu, L.; Pan, P.; Chen, G.; Si, Q.; Jiang, P. A Quantitative Stability Evaluation Method of VSC for Optimizing Control Parameters and Extending Stability Boundary to Avoid Oscillations. Appl. Sci. 2023, 13, 5663. [Google Scholar] [CrossRef]
- Zhang, X.; Xia, D.; Fu, Z.; Wang, G.; Xu, D. An improved feedforward control method considering PLL dynamics to improve weak grid stability of grid-connected inverters. IEEE Trans. Ind. Appl. 2018, 54, 5143–5151. [Google Scholar] [CrossRef]
- Han, Y.; Chen, H.; Li, Z.; Yang, P.; Xu, L. Stability analysis for the grid-connected single-phase asymmetrical cascaded multilevel inverter with SRF-PI current control under weak grid conditions. IEEE Trans. Power Electron. 2019, 34, 2052–2069. [Google Scholar] [CrossRef]
- Chen, X.; Zhang, Y.; Wang, S.; Chen, J.; Gong, C. Impedance-phased dynamic control method for grid-connected inverters in a weak grid. IEEE Trans. Power Electron. 2017, 32, 274–283. [Google Scholar] [CrossRef]
- Ding, X.; Zhang, D.; Cheng, J.; Wang, B.; Luk, P.C.K. An improved Thevenin model of lithium-ion battery with high accuracy for electric vehicles. Appl. Energy 2019, 254, 113615. [Google Scholar] [CrossRef]
- Fang, J.; Li, X.; Li, H.; Tang, Y. Stability improvement for three-phase grid-connected converters through impedance reshaping in quadrature-axis. IEEE Trans. Ind. Electron. 2018, 33, 8365–8375. [Google Scholar] [CrossRef]
- Sun, J. Impedance-based stability criterion for grid-connected inverters. IEEE Trans. Power Electron. 2011, 26, 3075–3078. [Google Scholar] [CrossRef]
- Lennart, H.; Massimo, B.; Stefan, L. Input-admittance calculation and shaping for controlled voltage-source converters. IEEE Trans. Ind. Electron. 2007, 54, 3323–3334. [Google Scholar] [CrossRef]


















| System and Control Parameters | Value |
|---|---|
| Filter inductor Lf | 500 mH |
| RMS value of grid voltage ug | 10 kV |
| Grid frequency fg | 50 Hz |
| Switching frequency fs | 5 kHz |
| Reference amplitude of grid-tied current Igd | 141.4 A |
| Control parameters of current loop | KPc = 0.1, KIc = 10 |
| Control parameters of PLL | KPpll = 0.26, KIpll = 500 |
| Frequency of the injected small-signal current | fi = 670 Hz |
| Amplitude of the injected small-signal current | ii = 0.7 A |
Disclaimer/Publisher’s Note: The statements, opinions and data contained in all publications are solely those of the individual author(s) and contributor(s) and not of MDPI and/or the editor(s). MDPI and/or the editor(s) disclaim responsibility for any injury to people or property resulting from any ideas, methods, instructions or products referred to in the content. |
© 2024 by the authors. Licensee MDPI, Basel, Switzerland. This article is an open access article distributed under the terms and conditions of the Creative Commons Attribution (CC BY) license (https://creativecommons.org/licenses/by/4.0/).
Share and Cite
Ning, Y.; Lin, H.; Wan, X.; Huang, Y.; Yang, Z.; Wang, Q.; Wang, T.; Deng, Y. Study on Instability Mechanism and Compensation Strategy for Distributed Energy Storage Systems. Electronics 2024, 13, 4808. https://doi.org/10.3390/electronics13234808
Ning Y, Lin H, Wan X, Huang Y, Yang Z, Wang Q, Wang T, Deng Y. Study on Instability Mechanism and Compensation Strategy for Distributed Energy Storage Systems. Electronics. 2024; 13(23):4808. https://doi.org/10.3390/electronics13234808
Chicago/Turabian StyleNing, Yuda, Hu Lin, Xiaoteng Wan, Yumeng Huang, Zhiqin Yang, Qing Wang, Tangchong Wang, and Yongqing Deng. 2024. "Study on Instability Mechanism and Compensation Strategy for Distributed Energy Storage Systems" Electronics 13, no. 23: 4808. https://doi.org/10.3390/electronics13234808
APA StyleNing, Y., Lin, H., Wan, X., Huang, Y., Yang, Z., Wang, Q., Wang, T., & Deng, Y. (2024). Study on Instability Mechanism and Compensation Strategy for Distributed Energy Storage Systems. Electronics, 13(23), 4808. https://doi.org/10.3390/electronics13234808
