The Supplementary Damping Method for CLCC HVDC Based on Projective Control Theory
Abstract
1. Introduction
2. Pole Assignment and Projective Control Theory
2.1. Pole Assignment Based on the Ackermann Formula
2.2. The Projective Control Theory
3. The Supplementary Damping Method for CLCC HVDC Based on Projective Control
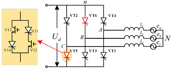
3.1. The Basic Structure of CLCC HVDC
3.2. The Main Control of CLCC HVDC
3.3. The Supplementary Damping Control Strategy of CLCC HVDC
4. Case Study
4.1. Introduction to the Calculation System
4.2. The Projective Controller Design
4.3. The Simulation Verification
- (1)
- Case 1
- (2)
- Case 2
5. Conclusions
- (1)
- The projection controller, designed under pole placement state feedback control, can suppress low-frequency oscillations, demonstrating the effectiveness of CLCC HVDC additional damping control.
- (2)
- The projection controller directly utilizes retained eigenvalues to reduce the controller’s order, which not only better facilitates engineering practice compared to traditional high-order controllers but also adapts to various operating conditions, exhibiting strong control robustness.
Author Contributions
Funding
Data Availability Statement
Conflicts of Interest
References
- Jiang, Q.; Li, B.; Liu, T.; Blaabjerg, F.; Wang, P. Study of Cyber Attack’s Impact on LCC-HVDC System with False Data Injection. IEEE Trans. Smart Grid. 2023, 14, 3220–3231. [Google Scholar] [CrossRef]
- Tao, Y.; Li, B.; Dragičević, T.; Liu, T.; Blaabjerg, F. HVDC Grid Fault Current Limiting Method through Topology Optimization Based on Genetic Algorithm. IEEE J. Emerg. Sel. Top. Power Electron. 2021, 9, 7045–7055. [Google Scholar] [CrossRef]
- Cresap, R.L.; Mittelstadt, W.A.; Scott, D.N.; Taylor, C.W. Operating Experience with Modulation of the Pacific HVDC Intertie. IEEE Trans. Power Appar. Syst. 1978, 97, 1053–1059. [Google Scholar] [CrossRef]
- Gao, C.; Yang, J.; He, Z.; Tang, G.; Zhang, J.; Li, T.; He, D. Novel Controllable-Line-Commutated Converter for Eliminating Commutation Failures of LCC-HVDC System. IEEE Trans. Power Deliv. 2023, 38, 255–267. [Google Scholar] [CrossRef]
- Su, C.; Yin, C.; Li, F.; Han, L. A Novel Recovery Strategy to Suppress Subsequent Commutation Failure in an LCC-Based HVDC. Prot. Control Mod. Power Syst. 2024, 9, 38–51. [Google Scholar] [CrossRef]
- Taherzadeh, E.; Radmanesh, H.; Javadi, S.; Gharehpetian, G.B. Circuit breakers in HVDC systems: State-of-the-art review and future trends. Prot. Control Mod. Power Syst. 2023, 8, 38. [Google Scholar] [CrossRef]
- Cheng, D.; Tarn, T.J.; Isidori, A. Global external linearization of nonlinear systems via feedback. IEEE Trans. Autom. Control 1985, 30, 808–811. [Google Scholar] [CrossRef]
- Xu, G.H.; Wang, J.; Chen, C.; Cao, G.Y. Design of nonlinear controller for AC/DC power systems based on differential algebraic models. Chin. Soc. Elec. 2005, 25, 52–57. [Google Scholar]
- Xian, Y.-X.; Li, X.-Y. An optimal nonlinear coordinated control of HVDC and generator excitation to improve transient stability of power system. Relay 2004, 32, 1–4. [Google Scholar]
- Zhu, G.; Kang, Y.; Duan, S.; Yu, M.; Li, X.; Peng, L. Double close loop control based on pole assignment for inverter power supply of metal cutting. Proc. CSEE 2009, 29, 26–31. [Google Scholar]
- Pillai, A.G.; Samuel, E.R.; Unnikrishnan, A. Optimal load frequency control through combined state and control gain estimation for noisy measurements. Prot. Control Mod. Power Syst. 2020, 5, 24. [Google Scholar] [CrossRef]
- Agrawal, N.; Samanta, S.; Ghosh, S. Modified LQR Technique for Fuel-Cell-Integrated Boost Converter. IEEE Trans. Ind. Electron. 2021, 68, 5887–5896. [Google Scholar] [CrossRef]
- Shao, B.; Zhao, S.; Yang, Y.; Gao, B.; Wang, L.; Blaabjerg, F. Nonlinear Subsynchronous Oscillation Damping Controller for Direct-Drive Wind Farms with VSC-HVDC Systems. IEEE J. Emerg. Sel. Top. Power Electron. 2022, 10, 2842–2858. [Google Scholar] [CrossRef]
- Kwon, D.-H.; Kim, Y.-J.; Gomis-Bellmunt, O. Optimal DC Voltage and Current Control of an LCC HVDC System to Improve Real-Time Frequency Regulation in Rectifier- and Inverter-Side Grids. IEEE Trans. Power Syst. 2022, 35, 4539–4553. [Google Scholar] [CrossRef]
- Lim, J.S.; Kwon, D.H.; Yoon, Y.T.; Moon, S.I. Optimal control scheme for multi-terminal high-voltage direct current system to improve robust grid frequency regulations. Energy Rep. 2024, 12, 529–543. [Google Scholar] [CrossRef]
- Manna, S.; Akella, A.K.; Singh, D.K. Novel Lyapunov-Based Rapid and Ripple-Free MPPT Using a Robust Model Reference Adaptive Controller for Solar PV System. Prot. Control Mod. Power Syst. 2023, 8, 13. [Google Scholar] [CrossRef]
- Jiang, Q.; Xu, R.; Li, B.; Chen, X.; Yin, Y.; Liu, T.; Blaabjerg, F. Impedance Model for Instability Analysis of LCC-HVDCs Considering Transformer Saturation. J. Mod. Power Syst. Clean Energy 2024, 12, 1309–1319. [Google Scholar] [CrossRef]
- Li, Y.; Rehtanz, C.; Ruberg, S.; Luo, L.; Cao, Y. Wide-Area Robust Coordination Approach of HVDC and FACTS Controllers for Damping Multiple Interarea Oscillations. IEEE Trans. Power Deliv. 2012, 27, 1096–1105. [Google Scholar] [CrossRef]
- Haro-Larrode, M.; Santos-Mugica, M.; Etxegarai, A.; Eguia, P. Methodology for Tuning MTDC Supervisory and Frequency-Response Control Systems at Terminal Level under Over-Frequency Events. Energies 2020, 13, 2807. [Google Scholar] [CrossRef]
- Pipelzadeh, Y.; Chaudhuri, B.; Green, T.C. Control Coordination Within a VSC HVDC Link for Power Oscillation Damping: A Robust Decentralized Approach Using Homotopy. IEEE Trans. Control Syst. Technol. 2013, 21, 1270–1279. [Google Scholar] [CrossRef]
- Peng, L.; Xu, Y.; Abolmasoumi, A.H.; Mili, L.; Zheng, Z.; Xu, S.; Zhao, B.; Tang, Y.; Zhong, W. AC/DC Hybrid Power System Damping Control Based on Estimated Model Predictive Control Considering the Real-Time LCC-HVDC Stability. IEEE Trans. Power Syst. 2024, 39, 506–516. [Google Scholar] [CrossRef]
- Li, B.; Zhang, Y.; Li, X. Design of multi-channel additional robust controller for HVDC transmission system. Power System Technol. 2014, 38, 858–864. [Google Scholar]
- Rao, F.; Lin, H. Optimized LMI Algorithm for mu Analysis and Synthesis with Application in Power System. Proc.-Chin. Soc. Electr. Eng. 2002, 22, 7–11. [Google Scholar]
- Wise, K.A.; Nguyen, T. Optimal disturbance rejection in missile autopilot design using projective controls. IEEE Control Syst. Mag. 1992, 12, 43–49. [Google Scholar] [CrossRef]
- Medanic, J. Nonlinear output feedback controller design by projective controls. In Proceedings of the 42nd IEEE International Conference on Decision and Control, Maui, HI, USA, 9–12 December 2003. [Google Scholar] [CrossRef]









| Devices | Names | Values | Units |
|---|---|---|---|
| G1 | Rated Capacity | 600 | MW |
| G2 | Rated Capacity | 400 | MW |
| G3 | Rated Capacity | 600 | MW |
| G4 | Rated Capacity | 400 | MW |
| CLCC HVDC | Rated Capacity | 1000 | MW |
| Rated DC voltage | 500 | kV |
| Names | Devices | Values | Units |
|---|---|---|---|
| Mode Shapes | G1 | 1.23∠33.6° | 1 × 10−5 p.u. |
| G2 | 0.26∠17.3° | 1 × 10−5 p.u. | |
| G3 | 0.40∠−146.5° | 1 × 10−5 p.u. | |
| G4 | 0.26∠−123.4° | 1 × 10−5 p.u. | |
| The main Oscillation Frequencies | The whole system | 1.20 | Hz |
| Eigenvalues | Damping Ratios (%) |
|---|---|
| −0.6869 + 7.5185i | 5.10 |
| −0.6869 − 7.5185i | 5.10 |
| −1.2129 + 4.8182i | 24.41 |
| −1.2129 − 4.8182i | 24.41 |
| −2.5678 + 1.1489i | 91.28 |
| −2.5678 − 1.1489i | 91.28 |
Disclaimer/Publisher’s Note: The statements, opinions and data contained in all publications are solely those of the individual author(s) and contributor(s) and not of MDPI and/or the editor(s). MDPI and/or the editor(s) disclaim responsibility for any injury to people or property resulting from any ideas, methods, instructions or products referred to in the content. |
© 2024 by the authors. Licensee MDPI, Basel, Switzerland. This article is an open access article distributed under the terms and conditions of the Creative Commons Attribution (CC BY) license (https://creativecommons.org/licenses/by/4.0/).
Share and Cite
Zhao, F.; Xie, Z.; Zhang, W.; Qi, W.; Cai, H.; Xu, S.; Han, X.; Wang, Q. The Supplementary Damping Method for CLCC HVDC Based on Projective Control Theory. Electronics 2024, 13, 3261. https://doi.org/10.3390/electronics13163261
Zhao F, Xie Z, Zhang W, Qi W, Cai H, Xu S, Han X, Wang Q. The Supplementary Damping Method for CLCC HVDC Based on Projective Control Theory. Electronics. 2024; 13(16):3261. https://doi.org/10.3390/electronics13163261
Chicago/Turabian StyleZhao, Feifei, Zhenjian Xie, Wenjia Zhang, Wanchun Qi, Hui Cai, Sixuan Xu, Xingning Han, and Quanquan Wang. 2024. "The Supplementary Damping Method for CLCC HVDC Based on Projective Control Theory" Electronics 13, no. 16: 3261. https://doi.org/10.3390/electronics13163261
APA StyleZhao, F., Xie, Z., Zhang, W., Qi, W., Cai, H., Xu, S., Han, X., & Wang, Q. (2024). The Supplementary Damping Method for CLCC HVDC Based on Projective Control Theory. Electronics, 13(16), 3261. https://doi.org/10.3390/electronics13163261
