Next Article in Journal
High-Speed Rail Multiple-Input–Multiple-Output Channel Model Based on Reconfigurable Intelligent Surface System
Previous Article in Journal
Research on Formation Rendezvous for Unmanned Surface Vehicles Considering Arbitrary Initial Positions and Headings
 
 
Font Type:
Arial Georgia Verdana
Font Size:
Aa Aa Aa
Line Spacing:
Column Width:
Background:
Article

Design and Characterization of a Digitally Tunable Gm-C Filter for Multi-Standard Receivers

by
Mateus S. Oliveira
1,
Matheus B. S. Carvalho
1,
Crístian Müller
1,
Lucas Compassi-Severo
1,2,
Paulo C. C. de Aguirre
1 and
Alessandro G. Girardi
1,*
1
Computer Architecture and Microelectronics Group, Federal University of Pampa, Alegrete 97546-550, Brazil
2
Electronic Engineering Division, Aeronautics Institute of Technology, São José dos Campos 12228-900, Brazil
*
Author to whom correspondence should be addressed.
Electronics 2024, 13(14), 2866; https://doi.org/10.3390/electronics13142866
Submission received: 7 June 2024 / Revised: 15 July 2024 / Accepted: 16 July 2024 / Published: 20 July 2024

Abstract

This paper presents the design, simulation, prototyping, and measurement results of a digitally tunable fourth order Gm-C low-pass filter (LPF) for multi-standard radio receivers. The LPF cut-off frequency can be tunned by digitally selecting the transconductance of the basic reconfigurable operational transconductance amplifiers (OTAs) that compose the circuit. Four operation modes allow for control of the OTA transconductances and, consequently, the scaling of power consumption. The filter was designed and prototyped in a 1.8 V 180 nm CMOS process. The measurement results indicate that the configurability provides a cutoff frequency of 1.90/3.56/6.07/8.15 MHz with a power consumption ranging from 9.9 to 13.1 mW. The designed filter achieves an IIP3 of 8.17 dBm for a signal bandwidth of 8.15 MHz. The performance, in terms of power dissipation, noise, and cut-off frequency, is at the same order of magnitude compared to recent related works reported in the literature. The advantages are a compact area, small sensitivity to component mismatches, and low design complexity. The proposed filter presents electrical characteristics suitable for the application in radio receivers for multi-carrier WCDMA signals.

1. Introduction

The ever-increasing demand for high transmission rates and portability motivated enormous advances in wireless communication systems. This has led to the development of several wireless communication standards, with the need for high bandwidth and low power consumption increasing.
CMOS technology follows the same path. Reducing the minimum dimensions of MOS transistors enables operation at higher frequencies and reduces the power consumption and silicon area occupied by the integrated circuit. These features are critical for low power budget receiver circuits that are powered by low capacity batteries (e.g., wireless embedded systems).
The use of configurable analog blocks is a good alternative to support multiple standards on a single chip [1]. In this case, the power consumption must be proportional to the required performance level. It is necessary to adjust the different power consumption levels in each operating mode, such as in software-defined radio (SDR) devices [2]. The specification of the analog blocks must be reduced when the system is switched from a hard standard to a softer standard so that the front-end circuit can meet the performance requirements of each standard while having lower power consumption, similar to a single-mode device specifically designed for this application.
The homodyne (zero-IF) receiver architecture is widely used in multistandard wireless transceivers as it allows for direct conversion of the incoming radio signal with advantages in terms of circuit complexity and power consumption, despite the degradation of the dynamic range [3,4]. These receivers convert the signal directly to the baseband without the need for an intermediate frequency. An important component in this case is the continuous-time active low-pass filter (LPF), which is important for generating the demodulated baseband output [5]. For multiple communication standards, an array of channel selection filters would be required. However, a more energy-efficient approach is to design a single tunable LPF that can adapt to the local operating frequency and allows for reconfiguration of the circuit at the architectural and circuit levels [1].
Designing an integrated low-pass filter that operates in the MHz frequency range while providing a high dynamic range and making efficient use of CMOS technology in terms of power and area remains a major challenge in analog circuit design. To meet all of these performance requirements simultaneously, new techniques and strategies need to be developed [6]. A fully integrated solution is important to avoid using external components to perform frequency tuning, which would demand an increase in both area and power consumption [7].
This paper presents the design, physical implementation, and characterization of a digitally tunable Gm-C low-pass filter for multistandard radio receivers. The tunability is achieved by varying the filter transconductance (gm) using a digitally programmable transconductance operational amplifier (OTA). This technique allows the cut-off frequency of the filter to be adjusted while providing proportional scalability of the power consumption. Previous simulation results were presented in Oliveira et al. [8]. The measurement results described here confirm the practical applicability of the proposed methodology, suitable for most communication standards.
The reconfigurable filter was built in TSMC 180 nm CMOS technology. Post-layout simulations and electrical measurements of a prototype chip show that its characteristics are suitable for use in radio receivers for multi-carrier WCDMA signals [9]. Furthermore, this technique can be extended to the design of various communication protocols such as IEEE 802.15.4 g and Bluetooth Low Energy 5.0.
The remaining sections of this paper are organized as follows: Section 2 presents the architecture of the tunable gm-C filter and the implementation of the circuit; post-layout simulation results of the designed filter are presented in Section 3; measurements of a prototype version of the filter and a comparison with related works are presented in Section 4; finally, conclusions are drawn in Section 5.

2. Reconfigurable Gm-C Filter

There are two common implementations for an integrated active low-pass filter: Gm-C [10], and active-RC [1]. Both can be tuned to adapt the transfer function to a specific application. Although active RC filters can be tuned using digitally configurable resistor and capacitor banks, the absolute values of integrated resistors are very sensitive to process variations and can vary up to 20 % in a typical IC manufacturing process. In addition, the operational amplifiers in an active-RC filter must meet stringent specifications, such as high DC voltage gain and a high gain-bandwidth product (GBW). On the other hand, the Gm-C filter can be tuned by changing the values of capacitances and transconductances. The reconfigurability of the transconductance has advantages as it is less sensitive to component mismatch and also allows for scaling of power consumption [8]. In addition, the GBW of the transconductance amplifier only needs to be slightly higher than the cut-off frequency of the filter [5].
In this work, a fourth-order Gm-C filter topology was used to design a tunable LPF, where the cutoff frequency was controlled by changing the OTA transconductance [8]. The circuit diagram is shown in Figure 1 [11]. The order of the filter was determined in accordance with related multimode LPFs for radio receivers presented in the literature [12]. The transfer function of the filter can be divided into two terms related to two biquad filters:
F ( s ) = g m 11 · g m 14 C 11 · C 12 s 2 + g m 12 C 11 s + g m 13 · g m 14 C 11 · C 12 · g m 21 · g m 24 C 21 · C 22 s 2 + g m 22 C 21 s + g m 23 · g m 24 C 21 · C 22
Here, g m i j is the transconductance of OTA ij , i is the biquad index, and j is the OTA number. The cut-off frequency ( f c ) is controlled by g m i 3 and g m i 4 , as shown in Equation (2). In addition, the quality factor ( Q i ) of each biquad is defined according to Equation (3).
f c i = 1 2 π g m i 3 · g m i 4 C i 1 · C i 2
Q i = C i 1 · g m i 3 · g m i 4 C i 2 · g m i 2 2
Capacitors C i 1 and C i 2 are defined to have the same value. To reduce the complexity of the design, only one reconfigurable OTA is designed and replicated in the filter. Thus, each biquad in the designed filter has a quality factor of one, resulting in a frequency response similar to the transfer function of a Butterworth filter.
This reconfigurable fourth-order Gm-C filter is developed in a 180 nm CMOS process with a 1.8 V power supply and uses only standard transistors and metal–insulator–metal (MiM) capacitors. The reconfiguration approach is based on a reconfigurable operational transconductance amplifier (OTA), while the values of the filter capacitors are kept constant.

2.1. Reconfigurable OTA

Reconfigurable operational transconductance amplifiers are fundamental building blocks for multi-mode analog baseband circuits of radio receivers, such as integrated analog filters and analog-to-digital converters (ADCs). In addition, these reconfigurable OTAs are designed to meet the requirements for flexibility and energy efficiency [13].
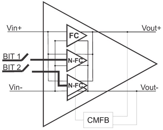
The reconfigurable OTA used in this work is shown in Figure 2 and is based on the implementation presented in Giannini et al. [1]. Its architecture essentially consists of an array of multiple switchable parallel operational amplifiers that are controlled via digital inputs. The main amplifier is always active and has a transconductance g m 0 , while the other amplifiers are programmatically activated by digital inputs to change the reconfigurable OTA transconductance. All amplifiers are the same, which reduces the overall complexity of the design. By selecting n amplifiers in parallel, the transconductance g m 0 is multiplied by n times while the DC gain of the reconfigurable amplifier is kept constant.
This configuration strategy is based on the relationship between GBW and the transconductance shown in Equation (4), where C L represents the load capacitance. It is possible to change the GBW of the OTA by increasing n, enabling control of the filter cut-off frequency, at the cost of higher power consumption.
G B W = n · g m 0 2 · π · C L
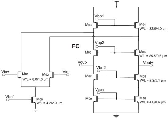
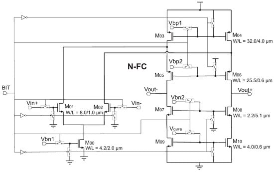
We used four amplifiers in the reconfigurable OTA. The first, whose schematic is shown in Figure 3, is the main amplifier. It is a conventional fully-differential folded cascode (FC) amplifier with features such as a high DC voltage gain, wide input common-mode range (ICMR), and self-compensation [14]. This amplifier is always switched on in the reconfigurable OTA. The others are switchable amplifiers, which are referred to as N-FC in this paper, as they are also fully differential folded-cascode amplifiers. The circuit diagram is shown in Figure 4. The difference is the presence of switches that control the gate voltage of the transistors to turn them on or off. These switches are built with minimum size transistors in the transmission gate configuration, as shown in Figure 5.
In the “off” state, the switches at nodes Vbp 1 , Vbp 2 , Vbn 1 , Vbn 2 , and V CMFB are open. The others are closed, whereby the NMOS and PMOS gate nodes are connected to the ground and to VDD, respectively [1]. In this state, the static power consumption is minimized as the switchable amplifier is electrically isolated from the main circuit. In the “on” state, all switches connecting the supply sources are activated. The same happens with the gate nodes of transistors M 01 and M 02 , which are connected to inputs V i n + and V i n , respectively.
Four modes of operation are provided by two control bits associated with the following digital words: “00”, “01”, “10”, and “11”. Configuration “00” represents the minimum operating mode in which only the non-switchable amplifier is active. This configuration offers a lower transconductance and also has the lowest GBW and power consumption. On the other hand, configuration “11” provides the maximum transconductance and also has the highest GBW and power consumption, as all switchable amplifiers are switched on.
The common-mode feedback (CMFB) circuit used in the reconfigurable OTA is a PMOS differential-difference CMFB [15] and its schematic is depicted in Figure 6. In this topology, only CMOS transistors are used, avoiding the use of passive components to reduce the area. The common-mode reference voltage V CM is 0.9 V. Only a single CMFB unit is employed for all unit amplifiers as they are connected in parallel. This allows for a large saving in silicon area. Note that M 18 is connected as a diode to improve the stability of the circuit.

2.2. Reconfigurable OTA Post-Layout Simulation Results

The layout of the reconfigurable OTA cell is shown in Figure 7 and occupies an area of 138 μ m × 99.77 μ m. The overall performance estimated by the post-layout simulation is summarized in Table 1.
It provides a GBW from 22.07 to 87.46 MHz with a power consumption ranging from 1.28 to 1.62 mW for a 1 pF load connected to each output node. The transconductance of the cell can be tuned from 192.77 to 771.08 μ S. Each individual folded cascode cell consumes 109.15 μ W, while 1.017 mW and 149.19 μ W are the estimated power consumption for the CMFB block and the bias circuit, respectively. The DC voltage gain is about 69 dB and changes by less than 2 dB in all operating modes.
The phase margin (PM) decreases when more basic OTA cells are connected in parallel, but in the worst case, it is still higher than 60 , which ensures the stability of the circuit.
The simulated output swing (OS) is close to ±0.75 V in all of the operating modes, which is desirable for the design of analog continuous-time filters. However, the slew rate (SR) value is different for each mode as it is related to the GBW. The lowest SR value is 15.78 V/ μ s for configuration “00” and the highest SR value is 37.22 V/ μ s for configuration “11”.
A Monte Carlo (MC) simulation with 1000 runs was performed and the results for the frequency response parameters are summarized in Table 2.
It can be observed that the mean values ( μ ) of Av, PM, and GBW are very similar to the nominal results for all operating modes. Based on the values obtained for the standard deviation ( σ ), it can also be seen that the circuit has a low sensitivity to process variations, as the parameters are within a narrow range.

3. Fourth Order Filter Post-Layout Simulation Results

This section describes post-layout electrical simulation results for the designed tunable Gm-C low-pass filter. The circuit layout is shown in Figure 8 and occupies a total silicon area of 0.23 mm 2 . The filter capacitors C i 1 and C i 2 have a capacitance of 12.58 pF. A load consisting of a 1 pF capacitor connected to each output node (inverting and non-inverting) was used in the filter evaluation. Figure 9 shows the frequency response of the filter. The DC voltage gain is 0 dB in the passband and has a small peak near the cut-off frequency, which is due to the filter’s quality factor. The four configurable cut-off frequencies, which are selected by tuning the reconfigurable OTA transconductance values, are 2.55, 5.11, 7.68, and 10.29 MHz. The total power consumption for each operating mode is 10.27, 11.18, 12.06, and 12.96 mW. The power consumption is not linear with the cut-off frequency because the reconfigurable OTAs use a power hungry CMFB that always remains active.
The input referred third-order intercept points (IIP3s) were estimated by the two-tone test as −2.59/1.11/2.96/4.14 dBm for the 00/01/10/11 configuration. The noise power estimate ranged from 58.1 (“00” configuration) to 27.88 nV/ Hz (“11” configuration).

4. Prototyping and Measurement Results

The Gm-C filter was manufactured in a CMOS 180 nm process with a supply voltage of 1.8 V. Figure 10 shows the photomicrograph of the prototype chip. The filter occupies an area of 1137 × 199 μ m (0.23 mm 2 ) and nine pins of the 48-pin DIP package: VDD, VSS, CM, BIT1, BIT2, INP, INN, OUTP, and OUTN.
The filter was measured using a test setup depicted in the diagram of Figure 11. The common-mode voltage was set to 0 V, as we used a symmetrical supply voltage of ± 0.9 V. As the filter was fully differential, elements had to be used to convert single signals into differential signals and vice versa. For this purpose, a Coilcraft WB1-6T transformer was used at the input, as it had an attenuation of less than 1 dB in the range of 100 kHz to 90 MHz. The output was measured with a model 701922 differential probe from the Yokogawa DLM2054 oscilloscope. This probe had an input resistance of 500 kΩ and an input capacitance of 7 pF. Figure 12 shows the printed circuit board produced for the test setup.
As no buffer for impedance matching was integrated at the filter output, the additional load caused by the probe and chip package could influence the measurement results. To estimate this influence, we performed an electrical simulation of the filter with an output load of 10 pF (7 pF from the probe and 3 pF from the pads and PCB routing) in parallel with an output resistance of 500 kΩ. A decrease in the cut-off frequency could be observed in all operating modes. This behavior could be explained by the fact that the output load was parallel to the capacitor C 22 (Figure 1). According to the relationship given by Equation (2), the higher the value of the capacitance C 22 , the lower the cut-off frequency of the filter. In addition, according to Equation (3), the quality factor also decreased.
The power consumption was measured as 9.9/11.52/12.83/13.10 mW for the operating modes 00/01/10/11. It was very close to the value predicted by the electrical simulation.
To measure the frequency response of the filter for the four available configurations, we applied a 100 mV signal to the input of the transformer and recorded the amplitude of the filter output signal, varying the input frequency with a step of 100 kHz. Figure 13 shows the results obtained. It can be seen that the additional load contributed to lowering the cut-off frequency, as indicated in the simulation.
The measurement results confirmed the simulated values for the four operating modes and provided a reconfigurable filter with a cut-off frequency of 1.9 to 8.1 MHz.
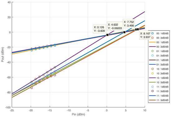
The measurement of in-band linearity was evaluated using a two-tone test. We combined two input signals, with differential a peak amplitude of 40 mV and frequencies of 1.0 and 1.1 MHz so that the third order intermodulation distortion (IM3) remained in the bandpass. Figure 14 shows the power spectrum density (PSD) of the filter output.
The IIP3 was also evaluated for each operating mode according to Lo et al. [4]. As the reconfigurable OTA used in the filter had a high output impedance, the IIP3 analysis was performed by applying a power signal to the filter input and measuring a voltage signal at the output instead of a power signal. However, for comparison purposes, the input and IIP3 voltage signal values were expressed as power signals referred to a 50 Ω load. Figure 15 shows the measured input power versus the IM3 output power of the filter for each operating operation mode. Two input tones with frequencies of 0.5 and 0.6 MHz and an initial power of −40 dBm were applied to the filter input. The values of IIP3 were estimated by extrapolating these points and reached 0.13/4.63/7.75/8.17 dBm for configuration modes 00/01/10/11.
The noise density was measured in a spectrum analyzer from 100 kHz to 20 MHz with a span of 2 MHz and a resolution bandwidth (RBW) of 100 Hz. The RBW and span needed be set so that the DC trace was not integrated by the bandpass filter. The results obtained were 162/239/61.2/49.7 nV/ Hz for the operating modes 00/01/10/11, according to Figure 16.
In order to compare this work with previous work in the literature, the following figure of merit (FoM) was evaluated [16]:
FoM = P t o t / N f c · ( SFDR · N 4 3 )
Here, P t o t is the total power consumption of the LPF, N is the number of poles and zeros, f c is the cut-off frequency, and SFDR is the spurious-free dynamic range expressed by:
SFDR = I I P 3 P N 2 / 3
In this case, P N is the noise power evaluated at the filter input.
Table 3 summarizes the filter performance results including the FoM (expressed in fJ) and Table 4 presents a performance comparison with related works reported in recent years. It is possible to verify that our tunable filter had a low noise power and reduced silicon area. It achieved a comparable Figure of Merit (FoM) for the cutoff frequency of 8.1 MHz, but it suffered from high power consumption. We should highlight that the main source of power consumption was the common-mode feedback (CMFB) circuit, which was not optimized and accounted for about 80% of the filter total power consumption. If not considering the power consumed by the CMFB circuit, the FoM reduced from a range of 0.99 to 20.07 fJ to a range of 0.12 to 2.60 fJ.
Our tunable filter also featured a competitively small microchip area of 0.23 mm2 compared with the other designs compared in Table 4, which had areas ranging from 0.125 mm2 to 2.9 mm2. The exception is [17], which presented a silicon area of 9 μ m 2 , achieved with a first order passive RC filter.
It is worth noting that the work in [11] showed a tunable gm-C filter, where the tuning range was achieved without the need for array configuration, as it used triode-biased input MOSFETs with transconductance tuned by adjusting the drain bias current. Our work adopted the same filter architecture, but the tuning was achieved by the reconfigurable OTA. Our work consumed more power, but this was due to the oversized CMFB circuit in our filter. It could be improved and scaled in future implementations. As for [11], the reconfiguration implemented the reconfiguration in our work did not rely on a precise voltage to set the filter bandwidth, but only digital signals were used to increase the OTA transconductance. A wider tuning range could be achieved by increasing the number of switchable OTAs. In addition, the work presented in [18] introduced a complex-pole filter implemented with switched capacitors, where tunability was achieved using a capacitor bank. Our work was a low-pass gm-C filter where tunability was achieved by reconfiguring the OTA transconductance, with the advantage of power scaling. In [18], the overall performance was superior but the silicon area was 2.9 mm2, while the proposed filter occupied only 0.23 mm2.
The achieved IIP3 was lower than in related works, indicating lower linearity of the filter. However, as the objective was to present a reconfigurable Gm-C filter based on switched OTAs with a digital control, there was an expected impact on linearity, increasing the FoM for cases with a smaller cutoff frequency.
This drawback in linearity could be compensated by the fact that the filter can be easily implemented in CMOS technologies, offering simplicity and cost-effectiveness in manufacturing. Moreover, the reconfigurable OTA can be reused for the design of active RC analog filters, providing greater versatility and efficiency in the development of other analog circuits.
Table 4. LPF measurement performance comparison with previously reported works.
Table 4. LPF measurement performance comparison with previously reported works.
ParameterThis Work[1][19][18][20][11][21][17]
Tech. (nm)180130180180901802245
VDD (V)1.81.21.81.81.01.811.8
Filter Type2 × Bi (Q = 1)But.Cheb.LPFBut.But.PapoulisPassive RC
Order42-4-63464101
f c (MHz)1.9–8.10.3–23.548–2000.49–13.38.1–13.50.3–12.0700–15000.02–0.2
Tuning ratio4674N/AN/A402.1N/A
IIP3 (dBm)0.13–8.1722.9726.27–32.478.07–22.4121.7–22.18.7–18.0N/AN/A
Noise ( nV Hz )162–49.783.35–1635.16.5475112–4780N/A11,313–35,777 
   Power (mW)   1.28–1.62 *
9.9–13.1 **
0.72–21.623.44.34.351.08–4.683.36 × 10−7
Area ( mm 2 )0.230.520.242.90.240.1250.18159 × 10−6
FOM (fJ)2.60–0.12 *
20.07–0.99 **
0.003–0.570.005–0.0010.056–0.0020.03–0.020.66–30.13-10.34–1.03
* not considering CMFB; ** considering CMFB.

5. Conclusions

This paper presents the complete design, post-layout simulation results, and silicon measurements for a tunable fourth-order Gm-C filter in a 180 nm CMOS process. Four modes of operation are achieved, covering cut-off frequencies for multi-carrier radio receivers from 1.9 to 8.1 MHz. Tunability is achieved through digitally reconfigurable OTAs, which also allow for scaling of power consumption. The filter offers FoM in terms of power dissipation, noise, and cut-off frequency comparable to recent work published in the literature, but with advantages such as a small area and low sensitivity to component mismatch. The complexity of the design is also reduced as only a single reconfigurable OTA needs to be dimensioned. The measurement results on a prototype chip confirm the functionality of the filter. The configurable strategy is suitable for application in multi-standard receivers for wireless circuits, with advantages in integration due to the smaller silicon area.

Author Contributions

Conceptualization, P.C.C.d.A. and A.G.G.; methodology, P.C.C.d.A.; software, M.S.O. and M.B.S.C.; validation, M.S.O., P.C.C.d.A. and L.C.-S.; formal analysis, M.S.O. and C.M.; investigation, M.S.O.; resources, M.S.O., A.G.G. and P.C.C.d.A.; data curation, M.S.O., M.B.S.C. and A.G.G.; writing—original draft preparation, M.S.O.; writing—review and editing, A.G.G., P.C.C.d.A., L.C.-S. and C.M.; visualization, M.B.S.C.; supervision, P.C.C.d.A.; project administration, A.G.G.; funding acquisition, A.G.G. All authors have read and agreed to the published version of the manuscript.

Funding

This research was partially funded by Brazilian agencies Rio Grande do Sul State Research Support Foundation (FAPERGS), process 22/2551-0000841-0, and National Council for Scientific and Technological Development (CNPq), process 131703/2023-4.

Data Availability Statement

The raw data supporting the conclusions of this article will be made available by the authors on request.

Conflicts of Interest

The authors declare no conflicts of interest.

Abbreviations

The following abbreviations are used in this manuscript:
ADCAnalog to digital converter
CMOSComplementary Metal Oxide Semiconductor
FCFolded cascode
FoMFigure of merit
GBWGain bandwidth product
ICMRInput commom-mode range
IIP3Third-order input interception point
LPFLow pass filter
MiMMetal insulator metal
OTAOperational transconductance amplifier
PCBPrinted circuit board
PMPhase margin
RBWResolution bandwidth
SDRSoftware defined radio
SFDRSpurious free dynamic range
SRSlew rate
WCDMAWide-Band code-division multiple access

References

  1. Giannini, V.; Craninckx, J.; D’Amico, S.; Baschirotto, A. Flexible Baseband Analog Circuits for Software-Defined Radio Front-Ends. IEEE J. -Solid-State Circuits 2007, 42, 1501–1512. [Google Scholar] [CrossRef]
  2. Zhang, X.; Xu, Y.; Liu, B.; Yu, Q.; Han, S.; Liu, Q.; Zhang, Z.; Gao, Y.; Wang, Z.; Chi, B. A 0.1-5 GHz Flexible SDR Receiver in 65 nm CMOS. In Proceedings of the 2014 IEEE Asian Solid-State Circuits Conference (A-SSCC), KaoHsiung, Taiwan, 10–12 November 2014; pp. 249–252. [Google Scholar] [CrossRef]
  3. Jin, J. Resonant amplifier-based sub-harmonic mixer for zero-IF transceiver applications. Integration 2017, 57, 69–73. [Google Scholar] [CrossRef]
  4. Lo, T.Y.; Hung, C.C.; Ismail, M. A Wide Tuning Range Gm-C Filter for Multi-Mode CMOS Direct-Conversion Wireless Receivers. IEEE J.-Solid-State Circuits 2009, 44, 2515–2524. [Google Scholar] [CrossRef]
  5. Ghamari, S.; Tasselli, G.; Botteron, C.; Farine, P.A. A Wide Tuning Range 4th-Order Gm-C Elliptic Filter for Wideband Multi-Standards GNSS Receivers. In Proceedings of the 41st European Solid-State Circuits Conference (ESSCIRC), Graz, Austria, 14–18 September 2015; pp. 40–43. [Google Scholar] [CrossRef]
  6. Pérez-Bailón, J.; Calvo, B.; Medrano, N. 1.0 V–0.18 µm CMOS Tunable Low Pass Filters with 73 dB DR for On-Chip Sensing Acquisition Systems. Electronics 2021, 10, 563. [Google Scholar] [CrossRef]
  7. Kumar, A.; Kumar, S.; Elkamchouchi, D.H.; Urooj, S. Fully Differential Current-Mode Configuration for the Realization of First-Order Filters with Ease of Cascadability. Electronics 2022, 11, 2072. [Google Scholar] [CrossRef]
  8. Oliveira, M.S.; de Aguirre, P.C.; Severo, L.C.; Girardi, A.G.; Susin, A.A. A Digitally Tunable 4th-Order Gm-C Low-Pass Filter for Multi-Standards Receivers. In Proceedings of the 29th Symposium on Integrated Circuits and Systems Design (SBCCI), Belo Horizonte, Brazil, 29 August–3 September 2016; pp. 1–6. [Google Scholar] [CrossRef]
  9. Ryynanen, J.; Hotti, M.; Saari, V.; Jussila, J.; Malinen, A.; Sumanen, L.; Tikka, T.; Halonen, K.A.I. WCDMA multicarrier receiver for base-station applications. IEEE J. Solid-State Circuits 2006, 41, 1542–1550. [Google Scholar] [CrossRef]
  10. Chamla, D.; Kaiser, A.; Cathelin, A.; Belot, D. A Gm-C low-pass filter for zero-IF mobile applications with a very wide tuning range. IEEE J. Solid-State Circuits 2005, 40, 1443–1450. [Google Scholar] [CrossRef]
  11. Hori, S.; Maeda, T.; Matsuno, N.; Hida, H. Low-power widely tunable Gm-C filter employing an adaptive DC-blocking, triode-biased MOSFET transconductor. IEEE Trans. Circuits Syst. I Regul. Pap. 2014, 61, 37–47. [Google Scholar] [CrossRef]
  12. Ville Saari, J.R.; Lindfors, S. Continuous-Time Low-Pass Filters for Integrated Wideband Radio Receivers; Springer: New York, NY, USA, 2012. [Google Scholar]
  13. Atac, A.; Harder, C.; Wunderlich, R.; Heinen, S. A Low Power Variable GBW Opamp from 60MHz to 2GHz for Multi-Standard Receivers. In Proceedings of the 19th IEEE International Conference on Electronics, Circuits, and Systems (ICECS 2012), Seville, Spain, 9–12 December 2012; pp. 1–4. [Google Scholar] [CrossRef]
  14. Razavi, B. Design of Analog CMOS Integrated Circuits, 1st ed.; McGraw-Hill, Inc.: New York, NY, USA, 2001. [Google Scholar]
  15. Dehghani, R. Design of CMOS Operational Amplifiers; Artech House: London, UK, 2013. [Google Scholar]
  16. Hori, S.; Maeda, T.; Yano, H.; Matsuno, N.; Numata, K.; Yoshida, N.; Takahashi, Y.; Yamase, T.; Walkington, R.; Hikaru, H. A Widely Tunable CMOS Gm-C Filter with a Negative Source Degeneration Resistor Transconductor. In Proceedings of the 29th European Solid-State Circuits Conference (ESSCIRC 2004), Estoril, Portugal, 16–18 September 2003; pp. 449–452. [Google Scholar] [CrossRef]
  17. Kadam, A.A.; Singh, A.K.; Somappa, L.; Baghini, M.S.; Ganguly, U. A Compact and Ultra-Low-Power Low-Pass Filter Based on Band-to-Band Tunneling Effect. IEEE Trans. Circuits Syst. II Express Briefs 2023, 70, 3298–3302. [Google Scholar] [CrossRef]
  18. Payandehnia, P.; Maghami, H.; Mirzaie, H.; Kareppagoudr, M.; Dey, S.; Tohidian, M.; Temes, G.C. A 0.49–13.3 MHz Tunable Fourth-Order LPF with Complex Poles Achieving 28.7 dBm OIP3. IEEE Trans. Circuits Syst. Regul. Pap. 2018, 65, 2353–2364. [Google Scholar] [CrossRef]
  19. Kwon, K.; Lee, K. A 23.4 mW 68 dB Dynamic Range Low Band CMOS Hybrid Tracking Filter for ATSC Digital TV Tuner Adopting RC and Gm-C Topology. IEEE Trans. Circuits Syst. Regul. Pap. 2011, 58, 2346–2354. [Google Scholar] [CrossRef]
  20. Oskooei, M.S.; Masoumi, N.; Kamarei, M.; Sjoland, H. A 4.35-mW +22-dBm IIP3 Continuously Tunable Channel Select Filter for WLAN/WiMax Receivers in 90-nm CMOS. IEEE J. Solid-State Circuits 2011, 46, 1382–1391. [Google Scholar] [CrossRef]
  21. Cracan, D.; Sanduleanu, M.; Gebremicheal, M.A. A 0.7–1.5 GHz Tunable Papoulis All-Pole Low-Pass Filter in 22 nm CMOS FDSOI. In Proceedings of the IEEE International Symposium on Circuits and Systems (ISCAS), Daegu, Republic of Korea, 22–28 May 2021; pp. 1–5. [Google Scholar] [CrossRef]
Figure 1. Schematic of the fourth-order reconfigurable Gm-C filter.
Figure 1. Schematic of the fourth-order reconfigurable Gm-C filter.
Electronics 13 02866 g001
Figure 2. Reconfigurable OTA architecture.
Figure 2. Reconfigurable OTA architecture.
Electronics 13 02866 g002
Figure 3. Schematics of the folded-cascode amplifier (FC).
Figure 3. Schematics of the folded-cascode amplifier (FC).
Electronics 13 02866 g003
Figure 4. Switchable OTA schematic (N-FC).
Figure 4. Switchable OTA schematic (N-FC).
Electronics 13 02866 g004
Figure 5. Switch implementation with minimum-sized transistors in the transmission gate configuration.
Figure 5. Switch implementation with minimum-sized transistors in the transmission gate configuration.
Electronics 13 02866 g005
Figure 6. Common-mode feedback circuitry employed in the reconfigurable OTA.
Figure 6. Common-mode feedback circuitry employed in the reconfigurable OTA.
Electronics 13 02866 g006
Figure 7. Reconfigurable OTA layout.
Figure 7. Reconfigurable OTA layout.
Electronics 13 02866 g007
Figure 8. Layout of the designed fourth-order reconfigurable Gm-C filter, with a occupied silicon area of 1137 μ m × 199 μ m (0.23 mm 2 ).
Figure 8. Layout of the designed fourth-order reconfigurable Gm-C filter, with a occupied silicon area of 1137 μ m × 199 μ m (0.23 mm 2 ).
Electronics 13 02866 g008
Figure 9. Post-layout simulated frequency response of the fourth-order reconfigurable filter.
Figure 9. Post-layout simulated frequency response of the fourth-order reconfigurable filter.
Electronics 13 02866 g009
Figure 10. Microphotography of the prototyped chip containing the Gm-C reconfigurable filter.
Figure 10. Microphotography of the prototyped chip containing the Gm-C reconfigurable filter.
Electronics 13 02866 g010
Figure 11. Test setup for electrical characterization of the prototyped filter.
Figure 11. Test setup for electrical characterization of the prototyped filter.
Electronics 13 02866 g011
Figure 12. Test PCB for filter measurements.
Figure 12. Test PCB for filter measurements.
Electronics 13 02866 g012
Figure 13. Electrical simulation and measurement of the Gm-C filter frequency response for an output load of 10 pF.
Figure 13. Electrical simulation and measurement of the Gm-C filter frequency response for an output load of 10 pF.
Electronics 13 02866 g013
Figure 14. Measured PSD of the filter output for a two-tone test (“11” operation mode).
Figure 14. Measured PSD of the filter output for a two-tone test (“11” operation mode).
Electronics 13 02866 g014
Figure 15. Measured in-band IIP3 for each filter operation mode.
Figure 15. Measured in-band IIP3 for each filter operation mode.
Electronics 13 02866 g015
Figure 16. Measured filter noise density.
Figure 16. Measured filter noise density.
Electronics 13 02866 g016
Table 1. Summarized post-layout simulation results for the reconfigurable OTA cell.
Table 1. Summarized post-layout simulation results for the reconfigurable OTA cell.
Control Bits
Specification00011011
OTAs1234
Av0 (dB)69.1869.9668.8568.75
PM (°)85.2879.5174.1469.28
GBW (MHz)22.0744.0465.8587.46
gm ( μ S)192.77385.54578.31771.08
Power (mW)1.281.391.511.62
OS (V)1.501.531.541.54
SR (V/ μ s)15.7826.1632.7937.22
Table 2. Monte Carlo simulation results for the frequency response of the reconfigurable OTA cell.
Table 2. Monte Carlo simulation results for the frequency response of the reconfigurable OTA cell.
Control BitsAv (dB)PM (°)GBW (MHz)
μ σ μ σ μ σ
0068.693.5285.30.1322.340.99
0168.443.3779.550.3344.591.98
1068.293.2874.190.4866.692.95
1168.203.2369.290.6588.583.90
Table 3. LPF Performance summary.
Table 3. LPF Performance summary.
Technology180 nm CMOS
ine Supply Voltage1.8 V
ine Filter TypeBiquad (Q = 1)
ine Order4
ine Silicon area0.23 mm 2
ine ReferencePost layout SimulationMeasurements
ine Operation mode0001101100011011
ine    Cutoff FrEquation (MHz)    2.555.117.6810.291.903.566.078.15
ineIIP3 (dBm)−2.591.112.964.140.134.637.758.17
ine Noise (nV/ Hz )58.142.6634.8827.8816223961.249.7
ine Power (mW)10.2711.1812.0612.969.9011.5212.8313.10
ine FOM (fJ)7.302.371.280.7720.0715.951.550.98
Disclaimer/Publisher’s Note: The statements, opinions and data contained in all publications are solely those of the individual author(s) and contributor(s) and not of MDPI and/or the editor(s). MDPI and/or the editor(s) disclaim responsibility for any injury to people or property resulting from any ideas, methods, instructions or products referred to in the content.

Share and Cite

MDPI and ACS Style

Oliveira, M.S.; Carvalho, M.B.S.; Müller, C.; Compassi-Severo, L.; de Aguirre, P.C.C.; Girardi, A.G. Design and Characterization of a Digitally Tunable Gm-C Filter for Multi-Standard Receivers. Electronics 2024, 13, 2866. https://doi.org/10.3390/electronics13142866

AMA Style

Oliveira MS, Carvalho MBS, Müller C, Compassi-Severo L, de Aguirre PCC, Girardi AG. Design and Characterization of a Digitally Tunable Gm-C Filter for Multi-Standard Receivers. Electronics. 2024; 13(14):2866. https://doi.org/10.3390/electronics13142866

Chicago/Turabian Style

Oliveira, Mateus S., Matheus B. S. Carvalho, Crístian Müller, Lucas Compassi-Severo, Paulo C. C. de Aguirre, and Alessandro G. Girardi. 2024. "Design and Characterization of a Digitally Tunable Gm-C Filter for Multi-Standard Receivers" Electronics 13, no. 14: 2866. https://doi.org/10.3390/electronics13142866

APA Style

Oliveira, M. S., Carvalho, M. B. S., Müller, C., Compassi-Severo, L., de Aguirre, P. C. C., & Girardi, A. G. (2024). Design and Characterization of a Digitally Tunable Gm-C Filter for Multi-Standard Receivers. Electronics, 13(14), 2866. https://doi.org/10.3390/electronics13142866

Note that from the first issue of 2016, this journal uses article numbers instead of page numbers. See further details here.

Article Metrics

Back to TopTop