Next Article in Journal
Lessons Learned from Online Teaching and Their Implications for Students’ Future Careers: Combined PLS-SEM and IPA Approach
Next Article in Special Issue
Benefits of Monthly Storage Rates in Shared Storage for Energetic Communities
Previous Article in Journal
Grid-Based Low Computation Image Processing Algorithm of Maritime Object Detection for Navigation Aids
Previous Article in Special Issue
Transient Frequency Estimation Methods for the Fast Frequency Response in Converter Control
 
 
Font Type:
Arial Georgia Verdana
Font Size:
Aa Aa Aa
Line Spacing:
Column Width:
Background:
Article

PMU-Based Dynamic Model Calibration of Type 4 Wind Turbine Generators

1
Department of Electrical and Electronics Engineering, Middle East Technical University (METU), Cankaya, Ankara 06800, Turkey
2
Department of Electrical & Computer Engineering, Northeastern University, Boston, MA 02115, USA
3
Siemens Sanayi ve Ticaret A.Ş., R&D Grid Simulation, Cankaya, Ankara 06800, Turkey
*
Author to whom correspondence should be addressed.
Electronics 2023, 12(9), 2004; https://doi.org/10.3390/electronics12092004
Submission received: 31 March 2023 / Revised: 20 April 2023 / Accepted: 21 April 2023 / Published: 26 April 2023

Abstract

In today’s power system where the share of renewables is rapidly increasing, the system now exhibits a more dynamic behavior compared to the past. Therefore, the importance of dynamic simulations at every level of the power system is crucial for the system operators. However, calibration of model parameters and their regular controlling are required to simulate the real-life behavior of the system correctly. This paper aims to improve the dynamic simulations by calibrating the parameters of the Type 4 wind turbine generator model. The employed method uses an ensemble Kalman filter to estimate the model states and calibrate parameters. For the simulation environment, SIEMENS PSS®E software (v35.5) and its PythonTM API are utilized. After the sensitivity and collinearity analyses, during the transient event, the erroneous model parameters are calibrated.

1. Introduction

The power systems of today are large, highly interconnected mechanisms with electrical and mechanical components that are significantly affected by every social or natural event. In their early construction, they were designed according to some specifications. (1) Power flow was designed to be from generation to distribution, through the transmission. (2) Loads of cities and industries with their demand characteristics for a specific time period were easily forecasted and they were generally known to the power system operator. (3) The power was generated in bulk power stations such as large thermal plants, hydro-power plants, and nuclear plants and transmitted to the customers. Aside from their carbon footprints or harm to nature, the generation of a power system was fully controllable and the generated power was matched easily to the demand. Therefore, a quasi-steady-state operation was achieved for a large power system. Additionally, the monitoring and control of most of the system were designed according to the steady-state operation of the system [1].
Coming from the past to our present day, none of the above assumptions hold. We see distributed energy resources (DERs) at every level of the system. Factories and households are covering their rooftops with solar panels, and there are wind and solar farms with variable sizes and capacities depending on their location of installment. With the high penetration of renewables and storage systems, the generation also is now harder to predict and control, as it depends on many parameters. Furthermore, consumers evolving into the concept of prosumers reduce their energy demand by generating a portion of their need, and even they sell the excess amount to the system after complying with the grid requirements. They are now controlling their demand according to the electricity price at that moment, using their renewables and battery storage systems. All these new developments in the demand side made load forecasting harder. As a result, matching the supply with demand became a difficult task for power system operators. Along with the installment of renewables to both industry and households, the number of unpredictable events such as pandemics and lockdowns has increased and that puts the power system under stress furthermore since these new developments push the system to operate far away from the quasi-steady-state operation. Therefore, the dynamic behavior of the power system has gained more importance than ever. To be able to know the response of a power system with a nonlinear behavior to a dynamic event requires intense computation power and accurate modeling of the components of the system. Power system operators of today have the required computation power and are able to simulate these events before they happen, but the modeling of the system is cumbersome. The simulations of the operation were normal before the 10 August 1996 blackout in western America. However, the system did not reach stability after a dynamic event, and a complete blackout occurred, affecting the electricity use of 7.49 million customers in western North America [2]. Aftermath studies of the blackout indicated that simulation parameters of the power plants were different from their real-life values. Therefore the Western Systems Coordinating Council (WSCC) put regular calibrations of plant parameters into practice.
Formerly, the calibration process of plant parameters was performed offline, being costly and inefficient since the power plant is taken out of the grid (no generation and selling to the market) during the tests, and the tests are labor-intensive to the generation company. With the advancements in sensors and computation power throughout the system, some online calibration tools that can be great alternatives to offline staged tests have been proposed in recent years. The use of phasor measurement units (PMUs) with their GPS-synchronized measurements enables these online calibration methods to be performed sufficiently accurately [3]. More and more system states become observable to the power system operator, which unlocks the state estimation procedures with the increased amount of measurement data. There is a variety of studies conducted on the improvement of dynamic state estimation.
The identification of problematic parameters of a power plant can be performed by comparing the voltage magnitude, angle, and active/reactive power outputs of the plant at the point of interconnection. Since the data refresh rate of PMUs is higher than the conventional SCADA measurements, these devices can accurately capture the dynamic behavior of the plant during a transient event. In [4], problematic parameters are identified via trajectory sensitivity analysis, and identified parameters are calibrated by comparing the Hilbert spectrum of problematic parameters and model output curves. In [5], an iterative deep-learning-based framework is proposed for parameter calibration, using the PMU measurements in the event playback during the training of the model.
Least squares-based approaches are commonly used in state and parameter estimation. In [6], the frequency response of the power system against the generation losses is estimated. The inertia constant of the power system and the total online capacity of spinning-reserve support generators are estimated via the measurements of transient frequency changes during a dynamic event. The least-squares method is used to estimate the coefficients of polynomial curve fitting. Another study in [7] focuses on estimating the uncertainty of parameters with a Bayesian approach. Inertia parameters of three synchronous generators in an IEEE-9 bus system are estimated. In [8], the parameter estimation of WECC composite load models under fault conditions is performed with a nonlinear least-squares (NLS) approach, where the simulated and measured outputs are compared and the fitting error is minimized. The method is improved by feeding the priori information on parameter values to the model. In [9], an adaptive parameter estimation for generator inertia is performed, using the modal frequency and damping measurements. Based on the weighted-least-squares (WLS) method, the sensitivities of the modal frequency and damping measurements to the parameters, are utilized.
Besides least-squares-estimation (LSE) methods, another class for online state and parameter estimation is Kalman-filter-based approaches. In [10], a H extended Kalman filter for the estimation of dynamic states is implemented to limit the influence of model uncertainties in the dynamic model representation of the system. In [11], a constrained iterated unscented Kalman filter is performed to estimate the dynamic states and unknown parameters of two-axis modeled generators, with arbitrary initialization and large errors presented to the parameters. The filter is proven to be robust against these conditions. Another example of this class is the ensemble Kalman filter which is used in [12] to estimate erroneous parameters and achieve an accurate dynamic model for the stability analysis of the system. It is a sequential Monte Carlo implementation of the general Bayesian recursive filter. The ensemble Kalman filter (EnKF) utilizes an ensemble of samples to represent and propagate the probability density function (PDF) of the state variable vector x [12]. The parameters to be calibrated are also considered as states and included in the variable vector x. To increase the performance of the filter, preliminary procedures such as sanity check and trajectory sensitivity analysis are performed. With the increase in computation power and measurement data via PMUs, the calibration process can be performed, and hence the calibrated simulation models will provide more reliable decision support for the system operator.
This paper is the extended version of the conference paper in [13] where the parameters of the simulation model of conventional synchronous generators are calibrated with an ensemble Kalman filter. Before the calibration of parameters, preliminary sensitivity and collinearity analyses are performed to eliminate the unidentifiable parameters, as suggested in [14], where the proposed EnKF method is implemented on conventional synchronous generators with the WSCC9 bus system as a working case. Implementation is performed in the PythonTM environment using the API functions of SIEMENS PSS®E software (v35.5). In this paper, the synchronous generator is replaced with a Type 4 wind turbine generator, and the rest of the working case is kept the same. In addition to the work conducted in [13], two more parameters of the wind turbine generator are calibrated as can be seen in the simulation results section. Furthermore, non-converging behavior in Type 4 wind turbine generators for some parameters, is observed in this paper. The reasons for this behavior and its possible solution methods are discussed in Section 5. Detection of convergence criteria for the parameter calibration is mentioned at the end of the paper, further research will be carried out on this issue as a milestone in the way of turning the proposed method into a calibration tool that is generalized for most of the simulation models.
The rest of the paper is organized as follows. In Section 2 the preliminary procedures of event playback, sensitivity, and collinearity analysis and the employed ensemble Kalman filter algorithm are explained. In Section 3, the implementation environment and the conditions of the calibration are explained. In Section 4, the results of the employed method are presented.

2. Background Information

2.1. Event Playback

The proposed method aims to calibrate the parameters of Type 4 wind turbine generators. In order to achieve this goal, an ensemble Kalman filter-based dynamic state estimation approach is utilized. To conduct this study, PMU measurements at the terminal bus of the power plant are utilized, since the refresh rate of PMUs provides a sufficient resolution to monitor the dynamic behavior of the power plant. Beware that, as the problem focuses on the local estimation problem of power plant parameters, this paper does not consider the availability of full observability solely based on PMUs. The traditional SCADA measurements (namely active and reactive power flow, voltage magnitude, and current magnitude measurements) are not used as they cannot provide the required measurement update rate to monitor the dynamic behavior and carry time skew error. PMUs, measuring the magnitude and angle of the voltage or current phasors with the power measurements ( P e and Q e ), enable us to decouple the power plant of interest whose parameters are to be calibrated, from the network. These measurements of V and θ taken at the grid connection of the power plant can be used in the “Event Playback” where the dynamic event seen by the power plant, at the grid point of interconnection (POI), is replayed back in the simulation environment [5]. For that purpose, a playback generator with high MVA is placed at the POI and the event information of the external network is stored in the phasor measurements to be replayed. Depending on the size of the grid and fault type and duration, the effect of this method on the calibration accuracy can be investigated in further studies; however, in our research no problem occurred related to this method. Furthermore, the method enhances the simulation speed since whatever the size of the network, it is represented in the playback generator with the PMU measurements at the POI of the power plant of interest, removing the need for other system dynamics for the simulation during the transient event. The achieved simulation speed is significantly important for the model calibration process since many of the ensembles are simulated with high speed, producing results in an appropriate amount of time. Then the difference between simulated power outputs and measured outputs of the power plant is utilized in the calibration process. The event playback concept is visualized in Figure 1.
In Figure 1, an electric system that is interconnected to the considered network but outside of the boundaries established by the organization is called an external system. As the manuscript focuses on the parameter calibration process of a single power plant, the network beyond the terminal bus is considered the external network.

2.2. Sensitivity Analysis

Sensitivity analysis is one of the preliminary processes to increase the performance of the EnKF calibration process. The analysis determines how the uncertainty in the output of a mathematical model or system (numerical or otherwise) can be divided and allocated to different sources of uncertainty in its inputs. Parameters that are not affecting the output power response of the power plant, are eliminated from the parameter subset to be calibrated. Of course, calibration of these insensitive parameters will not be possible with this method but nevertheless, they will not be affecting the dynamic behavior of the power plant to the transient event. Note that the location of the fault does not affect the application of the proposed method. However, faults far away from the considered plant will have less effect on the dynamic behavior of the plant, and hence the sensitivity of the parameters to this fault may differ. The types and locations of the faults determine the sensitive parameter set [14]. To identify the sensitive parameters, a common method called “Trajectory sensitivity analysis” is performed. A particular transient event is first selected and the response of the power plant is simulated, with all of its parameters unchanged. After obtaining the active and reactive power outputs of the so-called reference case, the simulation is repeated for each parameter with its value perturbed for a particular amount of error percentage. At every time step, active and reactive power outputs are measured and compared with the reference case. With Equation (1), the sensitivity of each parameter at each time step of the simulation is calculated, by finite difference approach; where the α i is the parameter that is perturbed with the amount Δ α i , k is the time step of the simulation, and the y is the power plant output that can be either active or reactive power output. Then the absolute and normalized changes in the output responses are utilized and the sensitivity matrix is constructed, which can be seen in (2).
s k i = | y ( k ) α i + Δ α i y ( k ) α i | | Δ α i / α i |
S = s 11 . s 1 i . s 1 p s 21 . s 2 i . s 2 p s k 1 . s k i . s k p
Each column of the sensitivity matrix S corresponds to an individual simulation of each parameter. By taking the L 1 norms of these columns, where the absolute values of the column entries are summed up, the sensitivity of each parameter for active and reactive power outputs is calculated. Parameters with nonzero sensitivities are called “suspected parameters” and they can affect the output response of the plant, meaning that they can be calibrated with the proposed EnKF method. However, there can be a linear relation between these parameters such that they can affect the output response in the same way. Identification of such occurrences is explained in the following section.

2.3. Collinearity Analysis

After identifying the suspected parameters, collinearity analysis is performed to detect the parameter sets that can bias the calibration results. If two or more parameters cause output response changes with the same linearity, it results in multiple solutions, and the calibration cannot decide which solution is the desired one [14]. Therefore a collinearity analysis is taken into action to prevent biased results of the calibration. The analysis takes the columns of the S matrix in (2) and checks for the cosine similarity defined in (3). v i and v j are the columns corresponding to ith and jth parameters whose collinearity relation is being investigated.
c o s θ i j = v i . v j | | v i | | | | v j | |
Investigating the cosine similarity of each parameter with all the other parameters, resulting in cosine similarities with a magnitude close to 1, are identified as collinear parameters. One should care about these parameters when inputting the parameter set into the calibration process. Two or more collinear parameters should not be in the same parameter set to be calibrated. After the collinearity analysis, the parameter set to be calibrated can be fed into the EnKF calibration process.

2.4. Model Calibration Using the Ensemble Kalman Filter

Calibration of the erroneous parameters is performed with the EnKF, which is a Monte Carlo approach for Kalman filtering. EnKF updates are based on the assumption of a linear Gaussian state-space model [15], and considering the parameters as stationary system states the augmented state vector is constructed. The implemented method may fail if this assumption fails and it actually is the case for Type 4 wind power plant modeling. The model parameters and states do not follow a linear state-space model, and in this case, the evolution of the states and parameters is represented via H t ( x t ) , instead of H t x t . However, EnKF implements that these evolutions of ensembles are performed separately and an explicit form of H t is not required for the process. Each ensemble’s evolution is carried out via the software functions of PSS®E, at the a priori step of EnKF, then the states (and parameters) are updated. The dynamic models of the components of the system are implemented in the simulation models of the software tool. On software such as PSS®E, functions needed for the calibration process such as state or parameter update and output retrieval are available.
The state transition and observation functions of the dynamic behavior of a power plant can be represented with nonlinear differential and algebraic equations in (4) and (5), where the x k and y ˜ k are the state and measured output vectors, in respective order, at kth time step; u is the input vector of the power plant; and the w and v are the process and measurement noises, having covariances of Q and R, respectively. In (4), f is the state transition function and in (5) h is the observation function.
x k = f ( x k 1 , u k 1 ) + w k 1 , w k 1 N ( 0 , Q k 1 )
y ˜ k = h ( x k , u k ) + v k , v k N ( 0 , R k )
By including the parameter subset in the state vector, the parameters to be calibrated are considered as states, and a new augmented state vector is constructed as can be seen in (6), where α is the vector of parameters to be calibrated. Below that, x a u g will be represented as x. Being treated as states, now the selected parameters of the power plant will be calibrated. After the ensembles of the state vector are constructed, they will be inputted into the software. The calibration will be performed at each time step of the simulation.
x a u g = [ x α ] T
The EnKF consists of two consecutive steps which are called “priori” and “posterior” steps. In the priori step, the ensembles are advanced one step, and output of the each ensemble is calculated via the software tools. The formulation of this step is given in (7), where the simulation is advanced from ( k 1 ) to k instant, just before the posterior step. Then the mean of states and output responses are calculated. N is the number of ensembles and j is the ensemble index.
Priori step:
x ^ k ( j ) = f ( x ^ k 1 ( j ) , u k 1 ) + w k 1 ( j ) x ^ k = 1 N j = 1 N x ^ k ( j ) y ^ k ( j ) = h ( x ^ k ( j ) , u k ) y ^ k = 1 N j = 1 N y ^ k ( j )
Coming to the posterior step in (8), the covariance matrices P x y and P y y are calculated from the state and output variances from their respective means. Then the Kalman gain for the time instant k, K k is calculated. Finally, the x ^ k + state and parameter vector is updated with the Kalman gain, using the differences between the measured output from the PMU and estimated outputs. Then the simulation advances to the next step, and the procedure is repeated until the end of the simulation. More detailed information about the process can be found in [12], where the parameters of a synchronous generator are calibrated.
Posterior step:
P x y = 1 N j = 1 N ( x ^ k ( j ) x ^ k ) ( y ^ k ( j ) y ^ k ) T P y y = 1 N j = 1 N ( y ^ k ( j ) y ^ k ) ( y ^ k ( j ) y ^ k ) T K k = P x y ( P y y + R k ) 1 x ^ k + ( j ) = x ^ k ( j ) + K k ( y ˜ k ( j ) y ^ k )

3. Implementation

This paper focuses on Type 4 wind turbine generators (also called full converter wind turbines) due to their advantages compared to other wind turbine models. Figure 2 shows the wind turbine generator types. As we can see from Figure 2, the operating region of the wind turbines progressively improved between the types. In Types 1 and 2 we see the requirement of the gearbox to be effectively used depending on the wind speed as the induction generators are directly connected to the grid, resulting in lower efficiency and narrower operation region. On the other hand, in Types 3 and 4 we have converter circuits. In a Type 3 wind turbine generator, a direct connection to the grid is maintained and an additional converter path is added. Due to maintained grid connection, the control and protection of Type 3 wind turbine generators against the grid transients are complicated and require cost-intensive measures [16]. A Type 4 wind turbine generator, however, as indicated in Figure 2, does not need a gearbox since two-stage conversion is implemented. Therefore, the generator is connected to the grid via the converter circuit [17]. Additionally, the control and protection mechanism can be implemented through the converter circuit which can be cost-effective compared to other types.
A Type 4 wind turbine generator has flexibility on the turbine and alternators since the turbine is interfaced with the grid via a power and frequency controller, as can be seen in Figure 3. This also enables the wind turbine to operate in a wider range of wind speeds without a gearbox. Furthermore, the response of the controller to the faults is faster than other types, achieving a safer operation during transients [18].
The behavior of synchronous machines to any disturbance is analyzed using the well-known swing equations, which use machine parameters such as inertia constant and rotor angle to determine whether or not the machine will lose synchronism with the system. In [1,14], synchronous machine parameters are calibrated. However, in the case of Type 4 wind turbine generators where the connection to the grid is through a fast power/frequency controller, the electrical controller, unlike in synchronous machines, reacts to the disturbance and performs an active protective measure during the fault. In this study, the Type 4 wind turbine generator is modeled using the WECC-approved REGCA1, REECA1, and WTDTA1 models [19]. REGCA1 is the renewable generator/converter model and the WTDTA1 is the optional generic drive train model for Type 4 wind turbines. When the terminal voltage drops as a result of the fault, the electrical controller model (REECA1) detects the drop and freezes some of the simulation states. Depending on the fault type, fault duration, and the specified real and reactive current priorities, the model exhibits a different behavior which could be different than the steady-state one. After the fault is cleared, the model exhibits a recovery behavior for a specific time period, then returns back to the steady-state behavior. More detailed information about the renewable models can be found in [17]. Since the model behavior changes during the transient event, implementing the explicit forms of the transition and observation functions f and h will be difficult. Therefore, rather than finding these functions explicitly, PythonTM API functions of PSS®E are utilized for simulation steps and data retrievals.
The proposed method for parameter calibration is implemented on the Type 4 wind turbine generators. The overall process can be seen in Figure 4. Looking at the diagram, first, the working case and Type 4 wind turbine generator models are inputted into the simulation. After the sensitivity and collinearity identification, the resulting parameter set is inserted into the calibration procedure. The ensembles of the EnKF are created with Gaussian distribution. Then each ensemble’s simulation is performed for one predefined time step Δ t in the priori step. Then in the posterior step, Kalman gain is calculated and states (and parameters) are updated. If the process does not end, it advances to the next time step.
The selected simulation tool for the calibration process is PSS®E which is a power system simulation software of SIEMENS. Using the PythonTM API of PSS®E, parallel simulation of ensembles and state and parameter updates are easily performed with well-defined function calls. As instructed in Section 2, first a sensitivity analysis is performed for the dynamic model parameters of the Type 4 wind turbine generator. Then, unidentifiable parameters are eliminated from the subset and the collinearity analysis is performed on the remaining parameters. After removing the collinear parameters from the same subset, one can move on to the calibration process.
Since the EnKF requires N number of ensembles and their simulation to run separately, the dynamic simulation of PSS®E is paralleled for the ensembles. The method uses the event playback to decouple the power plant and increase the simulation speed. As mentioned earlier, a playback generator is placed at the POI bus, and the PMU measurements of V and θ are given as inputs to this generator via the “plbvf1” playback model. At each time step, system dynamics are loaded to the workspace via snapshot files for each ensemble. Then, the ensembles are advanced for one predefined time step. The API functions of PSS®E are used for transition function f and the observation function h that gives the output responses P e and Q e . After calculating the Kalman gain and updating the states and parameters, the last versions of the ensembles are saved back to their snapshot files. Advancing the time step, the process is repeated until the end of the simulation, as shown in Figure 4. The results of the whole process are given in the following section.

4. Results

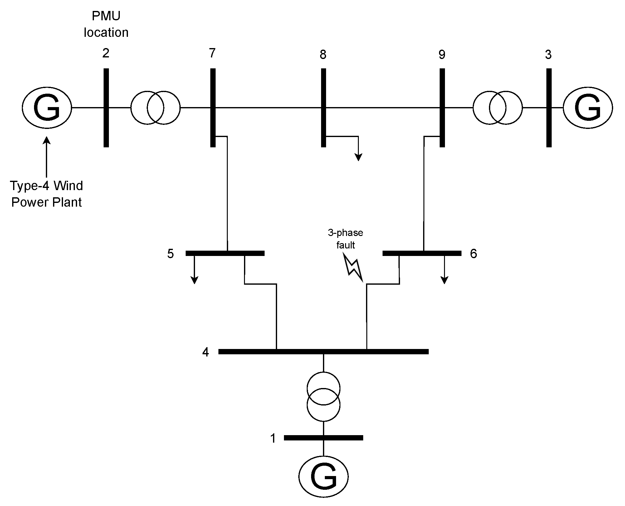
In this section, the results of the implementation of the proposed method are given. A small-scale power system of a WSCC-9 bus network [20] is utilized and the conventional generation power plant at bus 2 is replaced with our Type 4 wind power plant. Generic test data suggested in [17] are used for renewable model parameters. To observe the dynamic behavior and perform the calibration, a symmetrical three-phase fault is applied at the middle of the branch between buses 4 and 6 as illustrated in Figure 5. At the steady-state operation, the parameters of a power plant become insensitive to the output of the power plant; therefore, a transient is necessary to conduct the parameter calibration process based on the dynamic state estimation. The fault condition provides the necessary dynamic behavior, i.e., the proposed method requires measurement recordings for a fault or some other dynamics. However, the location or type of the fault is not directly related to the proposed method, such that the fault condition should only be causing the power plant to respond, and hence the output of the plant gets into a transient state. Therefore, this paper does not consider fault location or fault location observability problems.
First, the sensitivity and collinearity analyses are performed. Sensitive parameters and collinear groups among them are listed, respectively, in Table 1 and Table 2. Since the real-life dynamic event data for such calibration could not be found, the system shown in Figure 5 is simulated. All the parameters of the system are assumed to be correct and active and reactive power outputs of the power plant are recorded as synthetic measurement data. Additionally, the voltage magnitude and angle at the POI where the PMU is located (also can be seen in Figure 5) are recorded and saved to the p l b v f 1 file for the playback generator [19].

Calibration Results

As a next step, the parameter of interest is perturbed and then the resulting erroneous model is put into the calibration. As instructed in Section 3, sensitive parameters of the Type 4 wind turbine generator are calibrated separately. Figure 6 and Figure 7 show the transition of V o l i m and V q 1 values during the process. V o l i m , the voltage limit for high-voltage reactive current management, is one of the parameters of the REGCA1 generator model. The parameter V q 1 is one of the reactive power control parameters in the REECA1 electrical control model [19].
Figure 8 and Figure 9 are the results of two other parameters of the reactive power control inside the REECA1. As can be seen in the figures, parameter calibration begins after the model starts the fault response. After the fault is cleared, even if the model and system reach the steady state (or quasi-steady state), calibration continues and the erroneous parameters are corrected.

5. Discussion

During the research on this topic, we have observed that the method works properly in the synchronous generator models studied in [12,14]. However, in some parameters of the Type 4 wind turbine models the method reaches the true value of the parameter, then deviations from the true value might occur as the process continues. One example of this occurrence is T g , which is the converter time constant of the REGCA1 simulation model [19]. As can be seen in Figure 10, as the simulation continues, after the t = 0.17 s the parameter starts to deviate from the converged value. One of the possible reasons for this incident might be the active behavioral changes inside the model. As explained in Section 3, the model has a discrete response to a transient event, it actively changes its behavior, freezing some of the states and activating new controls during the fault, possibly disrupting the calibration of the parameter of interest. Additionally, as can be seen in Figure 10, the calibration occurs during the fault transient. If convergence to a value is reached during this time period, then the calibration can be terminated. Otherwise, the process will continue until the end of the simulation.
Another solution to this deviation problem might include informing the calibration tool about this mode-switching and actively interfering with the state estimation of the EnKF. However, this method would be too specific for this model and we cannot generalize this calibration method for other types of wind turbines and generators.
In this paper, calibration of the erroneous parameters of Type 4 wind turbine simulation models is performed using the PythonTM API of PSS®E. To summarize the overall process, it begins with a sensitivity and collinearity analysis of the model parameters. After the sensitive parameters are identified and collinear groups are determined, calibration is performed as the model is simulated during a transient event such as a three-phase symmetrical fault. In order to decouple the model and system dynamics and speed up the calibration process, a method called event playback is utilized and the event is replayed at the point of interconnection via a playback generator. The ensemble Kalman filter is selected for the calibration since it does not require an explicit form of the system dynamics and is easy to implement on different models for calibration. As discussed in Section 5, in some of the parameter calibrations, the method needs a convergence criterion to finish the calibration. Further investigation and research will be carried out on this issue.

Author Contributions

Conceptualization, E.A., O.U. and M.G.; Methodology, F.E., E.A., O.U. and M.G.; Software, F.E., E.A. and O.U.; Validation, F.E., E.A., O.U. and M.G.; Investigation, F.E., E.A., O.U., E.B. and M.G.; Writing—original draft, F.E.; Writing—review & editing, F.E., O.U. and M.G.; Visualization, F.E.; Supervision, E.A., O.U., E.B. and M.G.; Project administration, M.G. All authors have read and agreed to the published version of the manuscript.

Funding

This research and the APC were funded by Siemens A.Ş. R&D Center under grant agreement number 01/06/2021-3355.

Data Availability Statement

Simulation data can be provided upon request from the authors.

Acknowledgments

The research team is thankful for the support of Siemens A.Ş. R&D Center.

Conflicts of Interest

The authors declare no conflict of interest.

Abbreviations

The following abbreviations are used in this manuscript:
DERDistributed Energy Resource
WSCCWestern Systems Coordinating Council
PMUPhasor Measurement Unit
LSELeast Squares Estimation
PDFProbability Density Function
EnKFEnsemble Kalman Filter
POIPoint of Interconnection
APIApplication Program Interface

References

  1. Zhao, J.; Gómez-Expósito, A.; Netto, M.; Mili, L.; Abur, A.; Terzija, V.; Kamwa, I.; Pal, B.; Singh, A.K.; Qi, J.; et al. Power System Dynamic State Estimation: Motivations, Definitions, Methodologies, and Future Work. IEEE Trans. Power Syst. 2019, 34, 3188–3198. [Google Scholar] [CrossRef]
  2. Kosterev, D.N.; Taylor, C.W. WSCC System Outage. IEEE Trans. Power Syst. 1999, 14, 967–979. [Google Scholar] [CrossRef] [PubMed]
  3. Huang, Z.; Du, P.; Kosterev, D.; Yang, S. Generator dynamic model validation and parameter calibration using phasor measurements at the point of connection. IEEE Trans. Power Syst. 2013, 28, 1939–1949. [Google Scholar] [CrossRef]
  4. Wang, P.; Zhang, Z.; Huang, Q.; Zhang, W.; Lee, W.J. Approach of Generating Unit Model Calibration with PMU Based Problematic Parameter Identification. In Proceedings of the 2021 IEEE/IAS 57th Industrial and Commercial Power Systems Technical Conference (I&CPS), Las Vegas, NV, USA,, 27–30 April 2021; pp. 1–7. [Google Scholar] [CrossRef]
  5. Matar, M.; Xu, B.; Elmoudi, R.; Olatujoye, O.; Wshah, S. A Deep Learning-Based Framework for Parameters Calibration of Power Plant Models Using Event Playback Approach. IEEE Access 2022, 10, 72132–72144. [Google Scholar] [CrossRef]
  6. Inoue, T.; Taniguchi, H. Estimation of Power System Inertia Constant and Capacity of Spinning-ort Generators Using Measured Frequency Transients. IEEE Trans. Power Syst. 1997, 12, 136–143. [Google Scholar] [CrossRef]
  7. Petra, N.; Petra, C.G.; Zhang, Z.; Constantinescu, E.M.; Anitescu, M. A Bayesian Approach for Parameter Estimation with Uncertainty for Dynamic Power Systems. IEEE Trans. Power Syst. 2017, 32, 2735–2743. [Google Scholar] [CrossRef]
  8. Zhang, K.; Zhu, H.; Guo, S. Dependency Analysis and Improved Parameter Estimation for Dynamic Composite Load Modeling. IEEE Trans. Power Syst. 2017, 32, 3287–3297. [Google Scholar] [CrossRef]
  9. Guo, S.; Norris, S.; Bialek, J. Adaptive parameter estimation of power system dynamic model using modal information. IEEE Trans. Power Syst. 2014, 29, 2854–2861. [Google Scholar] [CrossRef]
  10. Zhao, J. Dynamic State Estimation With Model Uncertainties Using H Extended Kalman Filter. IEEE Trans. Power Syst. 2018, 33, 1099–1100. [Google Scholar] [CrossRef]
  11. Rouhani, A.; Abur, A. Constrained Iterated Unscented Kalman Filter for Dynamic State and Parameter Estimation. IEEE Trans. Power Syst. 2018, 33, 2404–2414. [Google Scholar] [CrossRef]
  12. Huang, R.; Diao, R.; Li, Y.; Sanchez-Gasca, J.; Huang, Z.; Thomas, B.; Etingov, P.; Kincic, S.; Wang, S.; Fan, R.; et al. Calibrating Parameters of Power System Stability Models Using Advanced Ensemble Kalman Filter. IEEE Trans. Power Syst. 2018, 33, 2895–2905. [Google Scholar] [CrossRef]
  13. Acilan, E.; Erden, F.; Ustundag, O.; Bozkurt, E.; Gol, M. PMU based Dynamic Model Calibration of Type-4 Wind Turbine Generators. In Proceedings of the 2022 57th International Universities Power Engineering Conference: Big Data and Smart Grids, UPEC 2022—Proceedings, Istanbul, Turkey, 30 August–2 September 2022. [Google Scholar] [CrossRef]
  14. Acilan, E.; Gol, M. Identifiability Analysis for Power Plant Parameter Calibration in the Presence of Collinear Parameters. IEEE Trans. Power Syst. 2022, 37, 2988–2997. [Google Scholar] [CrossRef]
  15. Katzfuss, M.; Stroud, J.R.; Wikle, C.K. Understanding the Ensemble Kalman Filter. Am. Stat. 2016, 70, 350–357. [Google Scholar] [CrossRef]
  16. Azeem, B.; Rehman, F.; Mehmood, C.; Ali, S.; Khan, B.; Saeed, S. Exact Feedback Linearization (EFL) and De-Couple Control of Doubly Fed Induction Generator Based Wind Turbine. In Proceedings of the 2016 International Conference on Frontiers of Information Technology (FIT), Islamabad, Pakistan, 19–21 December 2016; pp. 330–335. [Google Scholar] [CrossRef]
  17. Pourbeik, P. Model User Guide for Generic Renewable Energy System Models; Technical Report 3002006525; Electric Power Research Institute: Palo Alto, CA, USA, 2015. [Google Scholar]
  18. Singh, M.; Santoso, S. Dynamic Models for Wind Turbines and Wind Power Plants; Technical Report XEE-8-77567-01; National Renewable Energy Laboratory: Austin, TX, USA, 2011. [Google Scholar]
  19. PSS®E 35.5.1 Model Library; Siemens Industry, Inc., Siemens Power Technologies International: Schenectady, NY, USA, 2023.
  20. Al-Roomi, A.R. Power Flow Test Systems Repository. 2015. Available online: https://al-roomi.org/power-flow (accessed on 1 March 2023).
Figure 1. Event Playback.
Figure 1. Event Playback.
Electronics 12 02004 g001
Figure 2. Four Wind Turbine Types, reprinted with permission from [17].
Figure 2. Four Wind Turbine Types, reprinted with permission from [17].
Electronics 12 02004 g002
Figure 3. Type 4 Wind Turbine Generator Diagram.
Figure 3. Type 4 Wind Turbine Generator Diagram.
Electronics 12 02004 g003
Figure 4. Overall Calibration Process Diagram.
Figure 4. Overall Calibration Process Diagram.
Electronics 12 02004 g004
Figure 5. Modified WSCC-9 Bus System and Fault Location.
Figure 5. Modified WSCC-9 Bus System and Fault Location.
Electronics 12 02004 g005
Figure 6. Calibration of V o l i m .
Figure 6. Calibration of V o l i m .
Electronics 12 02004 g006
Figure 7. Calibration of V q 1 .
Figure 7. Calibration of V q 1 .
Electronics 12 02004 g007
Figure 8. Calibration of I q 1 .
Figure 8. Calibration of I q 1 .
Electronics 12 02004 g008
Figure 9. Calibration of I q 2 .
Figure 9. Calibration of I q 2 .
Electronics 12 02004 g009
Figure 10. Calibration of T g .
Figure 10. Calibration of T g .
Electronics 12 02004 g010
Table 1. Sensitivity Analysis Results.
Table 1. Sensitivity Analysis Results.
Parameter P sens Q sens
T g 2.95977.855
R r p w r 2.9923.794
V o l i m 11.22645.713
L v p n t 1 4.9161.661
K h v 0.3031.303
A c c e l 2.1197.713
K q i 0.0090.339
K v p 0.0120.055
K v i 0.1291.239
V q 1 2.4036.018
I q 1 6.92910.850
V q 2 3.80810.349
I q 2 0.4481.134
V p 1 8.0765.842
I p 1 1.2220.493
V p 2 2.5801.064
I p 2 0.7170.288
H1.1320.150
D A M P 0.5490.058
H t f r a c 17.4063.295
F r e q 1 18.9142.153
D s h a f t 1.0000.108
Table 2. Collinearity Analysis Results.
Table 2. Collinearity Analysis Results.
Collinearity GroupParameters
1 L v p n t 1 , V q 1 , V q 2
2 K h v , A c c e l
3 V p 1 , I p 1 , V p 2 , I p 2
4H, H t f r a c
5 D A M P , D s h a f t
Disclaimer/Publisher’s Note: The statements, opinions and data contained in all publications are solely those of the individual author(s) and contributor(s) and not of MDPI and/or the editor(s). MDPI and/or the editor(s) disclaim responsibility for any injury to people or property resulting from any ideas, methods, instructions or products referred to in the content.

Share and Cite

MDPI and ACS Style

Erden, F.; Acilan, E.; Ustundag, O.; Bozkurt, E.; Gol, M. PMU-Based Dynamic Model Calibration of Type 4 Wind Turbine Generators. Electronics 2023, 12, 2004. https://doi.org/10.3390/electronics12092004

AMA Style

Erden F, Acilan E, Ustundag O, Bozkurt E, Gol M. PMU-Based Dynamic Model Calibration of Type 4 Wind Turbine Generators. Electronics. 2023; 12(9):2004. https://doi.org/10.3390/electronics12092004

Chicago/Turabian Style

Erden, Fatih, Etki Acilan, Oguzhan Ustundag, Ersan Bozkurt, and Murat Gol. 2023. "PMU-Based Dynamic Model Calibration of Type 4 Wind Turbine Generators" Electronics 12, no. 9: 2004. https://doi.org/10.3390/electronics12092004

APA Style

Erden, F., Acilan, E., Ustundag, O., Bozkurt, E., & Gol, M. (2023). PMU-Based Dynamic Model Calibration of Type 4 Wind Turbine Generators. Electronics, 12(9), 2004. https://doi.org/10.3390/electronics12092004

Note that from the first issue of 2016, this journal uses article numbers instead of page numbers. See further details here.

Article Metrics

Back to TopTop