Next Article in Journal
A Cryogenic 8-Bit 32 MS/s SAR ADC Operating down to 4.2 K
Previous Article in Journal
Model Predictive Control Based Energy Management Strategy of Series Hybrid Electric Vehicles Considering Driving Pattern Recognition
 
 
Font Type:
Arial Georgia Verdana
Font Size:
Aa Aa Aa
Line Spacing:
Column Width:
Background:
Article

Design of Vector Control Strategies Based on Fuzzy Gain Scheduling PID Controllers for a Grid-Connected Wind Energy Conversion System: Hardware FPGA-in-the-Loop Verification

1
Electronic and Micro-Electronic Laboratory, LR99ES30, Faculty of Sciences, University of Monastir, Monastir 5000, Tunisia
2
Laboratory of Automatic, Electrical Systems and Environment, National Engineering School of Monastir, University of Monastir, Monastir 5000, Tunisia
3
Department of Technology, Higher Institute of Applied Sciences and Technology of Kasserine, University of Kairouan, Kairouan 3100, Tunisia
4
Arts et Metiers Institute of Technology, University Lille, Centrale Lille, Junia, ULR 2697–L2EP, F-59000 Lille, France
5
Higher Institute of Applied Sciences and Technology, University of Sousse, Sousse 4003, Tunisia
6
Department of Electrical Engineering, College of Engineering, University of Ha’il, Ha’il 2240, Saudi Arabia
*
Author to whom correspondence should be addressed.
Electronics 2023, 12(6), 1419; https://doi.org/10.3390/electronics12061419
Submission received: 12 February 2023 / Revised: 14 March 2023 / Accepted: 14 March 2023 / Published: 16 March 2023
(This article belongs to the Section Power Electronics)

Abstract

This paper presents a hardware implementation upon a Field Programmable Gate Array (FPGA) of improved Vector Control Strategies (VCSs) based on a Fuzzy Logic System (FLS) of a grid-connected wind energy conversion system. Usually, the classical VCS is based on fixed-gain Proportional Integral Derivative (PID) controllers, which are known to exhibit limited performance against the nonlinear behavior of wind systems, such as rapid fluctuations of the wind speed and uncertainties of the system parameters. In order to overcome this limitation, an improved VCS based on Fuzzy Gain Scheduling PID controllers (VCS-FGS-PID) is suggested in this work to guarantee good tracking, high accuracy and good robustness under system parameter variations. Indeed, the PID controller gains are tuned, in real-time, by the FLS. In addition, the proposed VCS-FGS-PID methods are implemented on the FPGA in order to reduce the delays and the period of the system of the control loop, thanks to its parallel processing. In fact, the performance of the suggested VCS-FGS-PID approaches are proved by digital simulation with the Xilinx system generator tool under Matlab/Simulink, in addition to an experimental hardware-in-the-loop implementation using the FPGA. The obtained results demonstrate that the proposed VCS-FGS-PID techniques offer better performance as regards good tracking and high accuracy and good robustness against stator resistance variability compared to VCS-PI.

1. Introduction

The rise in global electrical energy demand and the depletion of fossil energy sources has led to an urgent need for renewable energy sources. The development and optimization of renewable energy technologies, such as solar, wind and hydropower, has emerged as a viable solution. In particular, several studies have focused on using remote sensing data to assess land cover changes and their impact on ecosystem services [1,2,3]. Geospatial analysis has also been utilized to enhance precision agriculture and optimize animal husbandry practices [4,5]. Additionally, climate change impacts on various sectors, including agriculture and animal production, have been investigated through the integration of remote-sensing, geospatial and modeling approaches [6,7]. These efforts have led to improved understanding of environmental processes and informed decision-making for sustainable resource management. Hence, integrating the power grid of renewable energy sources such as Photovoltaic (PV) and wind energy has become a relevant solution [8]. To solve the issues of global warming as well as greenhouse gas emissions, the energetic transition should pass through the multiplication of installations of PV and wind generators [9]. Today, the electricity flow produced by renewable energy sources, such as PV and wind sources, is considered an important alternative solution to compensate the increase in electricity demand [10].
For the last few years, wind turbine technologies have generally featured novel construction, performance and operation aspects. Currently, the variable-speed Wind Energy Conversion System (WECS) is the most used. It has been given significant consideration, and its extent of cross-country energy has risen more quickly in the last few decades. Indeed, compared to fixed-speed WECSs, the variable-speed WECS features some advantages such as reduced mechanical stress, good quality of the produced electrical energy and the existence of a maximum power point with a variable position that depends on wind speed [11]. Despite the benefits of variable-speed WECSs that are based on a Permanent Magnet Synchronous Generator (PMSG), the main problem of this wind system consists of wind speed fluctuations. Power generated from the WECS is directly proportional to the wind profile. As a result, a small variation in the wind speed has a big impact on the extracted power. In fact, the latter is inconsistent with the power grid for the reason that the grid voltage should have an acceptably stable amplitude and frequency. A wind turbine is an intermittent power source that can cause fluctuations such as communication delays and cyber-attacks in the power demand and frequency of the power system. Any change in the power requirements of the grid can cause deviations from the nominal frequency, leading to potential damage to the devices connected in the grid. However, in order to improve the stability and reliability of power systems, much effort has been devoted to studying them [12,13,14].
Recently, PMSGs have been progressively used for variable-speed wind turbines given their good performance, high efficiency, high-power density, low heat generation and small size. The wind turbine is connected to the power grid by the use of one power electronic interface and one Resistor-Inductor (RL) filter. The power electronic interface is made up of an Alternative Current (AC)/Direct Current (DC) rectifier, a DC/AC inverter and a common DC bus, which are controlled by two vector control strategies. Thus, determining adequate control strategies is a very important aspect of this system. Generally, the most known control technique is the conventional Vector Control Strategy integrating a control loop based on Proportional Integral (VCS-PI) controllers or Proportional Integral Derivate (PID) controllers [15]. A PID controller can be used to control some aspects of a nonlinear system, especially if the nonlinearity is small or can be approximated by a linear model over a certain operating range [16,17]. In this case, a PID controller can be used to control the system within that range, and the control performance will be acceptable. Indeed, PI and PID controllers are more suitable for linear systems, but these controllers can be utilized for controlling nonlinear systems such as electrical machines, wind turbines, etc. [18,19,20,21]. However, WECSs based on PI or PID controllers provide poor performance in terms of tracking, accuracy and robustness since they are exposed to various internal and external disturbances, such as fluctuations in the wind speed, changes in the turbine blade angle, variations in the generator speed and changes in the stator resistance due to temperature variations or other factors [22,23]. Consequently, the linearity of VCS-PI controllers is not designed to withstand the complex nonlinear behavior of WECSs, since the inadequate choice of the controller gains can lead to the instability of the system [24].
Therefore, the VCS of the WECS is usually based on a Proportional Integral (PI) controller for controlling the generator currents, the grid currents and the DC voltage [25]. Furthermore, the linear PI controller cannot be adequate against parameter variations and external disturbances [26], which consequently affect the tracking accuracy, stability and dynamics of the controlled system [27]. Thus, the negative effects of these disturbances cannot be mitigated utilizing the VCS-PI controllers with fixed gains [27].
As the WECS is a non-linear system, a well-developed non-linear controller can overcome the limitations of PI and PID controllers and achieve superior control performance in the face of uncertainties and external disturbances [28]. Researchers have proposed various advanced non-linear control techniques for the variable-speed WECSs in recent years, including back-stepping-based control [29], adaptive control [30], predictive control [31], intelligent control based on artificial neural networks and fuzzy logic systems [32,33,34,35,36] and Sliding Mode Control (SMC) [25,37,38]. SMC has been deemed the most suitable control method for the WECS because of its strong robustness. However, the primary drawback of first-order SMC is the chattering phenomenon, which causes high oscillations around the equilibrium point and vibrations in the electrical machines and mechanical parts of the system due to the discontinuous nature of the control action [39,40]. This issue has led to SMC’s rejection by designers for certain industrial applications. Therefore, various improvement studies have focused on reducing chattering, which is considered the main issue of SMC. Saturation or sigmoid functions can be used instead of the discontinuous control action to attenuate chattering, ensuring continuous control. However, this control law drives the system state trajectories towards the sliding surface’s vicinity rather than towards the sliding surface itself, affecting control robustness under disturbances [41,42]. In addition, the higher-order sliding mode algorithm is deployed in order to reduce the chattering phenomenon. However, this method requires higher-order real-time derivatives of the outputs [43]. In [25], the authors put forward an SMC for a grid connected to a WECS based on a PMSG. Indeed, the SMC was suggested to replace the PI controllers used in the wind generator control strategies. The SMC would offer good performance in terms of stability, good dynamic and fast response, but it would cause high oscillations in the electromagnetic torque, the quadratic stator current, the direct grid current and the injected active and reactive power. In [30], the authors proposed a Classical Tip Speed Ratio technique with PI (CTSR-PI) controller for a wind turbine generator. The performance of the CTSR-PI controller was tested using simulation studies, and it offered good performance in terms of dynamic response and under wind condition variations, but it had limitations such as poor tracking accuracy. In the same context, the authors put forward Adaptive Control Tip Speed Ratio Integral Backstepping (AC-TSR-IBS) in order to overcome the limitations of the CTSR-PI controller, but its performance was not evaluated under parameter variations. In [44], the authors suggested a Neuro Second-Order SMC (SOSMC) technique based on artificial-neural-network controllers with Fuzzy Space Vector Modulation (NSOSMC-FSVM) to control the reactive and active power of the doubly fed induction generator. These controllers were compared with the SOSMC-control-based traditional space vector technique, and the performances of the two controllers were tested with simulation studies. The NSOSMC-FSVM offered good performance compared to SOSMC in terms of robustness under wind condition variations and tracking accuracy, but it had limitations such as the complexity of algorithm implementation. Moreover, the implementation of large neural networks required an important processing time. In addition, the SOSMC needed information about the sliding surface and its derivate [45]. In [46], the authors proposed two neural networks to automate the tuning of PID parameters; the creation of the data took approximately 120 h to generate million samples of data. It spent a significant amount of time training, which made the implementation in real-time more complex.
Moreover, combining fuzzy logic technology with a PI controller can guarantee tracking quality even with high model uncertainties. In [47], the authors comparatively studied PI linear and fuzzy logic controllers for an active grid-interfacing inverter in order to compensate the harmonic produced by the nonlinear system. The harmonics induced by the PI controller were high when compared to the FLC-based controller. In fact, fuzzification can help mitigate the effect of nonlinearities and disturbances in several ways [48]. Firstly, it allows for the representation of complex nonlinear relationships between the input and output variables. This means that the control system can handle nonlinearities that may be difficult to model using traditional control methods. Secondly, fuzzification allows handling uncertainties and imprecise information. In traditional control systems, uncertainties and disturbances can cause the system to behave unpredictably. Fuzzy logic can handle uncertainties by representing the input and output variables as fuzzy sets, which allows for reasoning with degrees of membership. Finally, the FLC can adjust the controller parameters dynamically based on the changes in the input signals. Fuzzy rules can be designed to modify the control output based on the magnitude and direction of the disturbance, which can reduce the sensitivity of the control system to external disturbances. Fuzzy Gain Scheduling (FGS) combined with PID control is a powerful method for controlling complex and nonlinear systems such as the WECS. Fuzzy logic allows the controller to adapt in real-time to changing operating conditions, which is critical for ensuring the optimal performance and stability of the system [48].
In this context, the first contribution of this paper consists of combining Vector Control Strategies with FGS based on a PID (VCS-FGS-PID) to control higher performance of a grid-connected WECS. The control system is divided into three parts: (i) VCS-FGS-PID for the PMSG-side converter, (ii) VCS-FGS-PID for the grid-side converter and (iii) a FGS-PID for regulating the DC bus voltage. The VCS-FGS-PID for the PMSG-side converter consists of controlling the electromagnetic torque, the PMSG speed, the quadratic stator current and the direct stator current. It uses the electromagnetic torque reference as an input, which is generated by a Maximum Power Point Tracking (MPPT) algorithm. Moreover, the VCS-FGS-PID of the grid-side converter is used for controlling the active and reactive power injected to the grid. It is also used to adjust the voltage and frequency in order to achieve a satisfactory level of security of the power system. The FGS-PID is suggested in this paper thanks to its robustness under external disturbances such as sudden wind speed variations and internal disturbances. As an advanced approach, the VCS-FGS-PID approach is distinguished by its good performance under the aforementioned disturbances. This is done in real-time by tuning gains of PID controllers [47]. The aforementioned three parts of the control system, which are designed and implemented in hardware using a Field-Programmable Gate Array (FPGA), differ from other published work.
Currently, the control algorithms of electrical systems are implemented usually on two programmable-technology types: FPGAs and Digital Signal Processing (DSP). The DSP has a limiting factor of short execution time, and this is because of the control algorithm’s serial processing. In order to overcome the limitations of DSP, FPGAs can be considered a preferred solution. The benefits of using hardware FPGAs are multiple: (i) rapid prototyping, (ii) reduced execution time due to parallel processing and (iii) ability to use too-heavy control methods as regards computing time [49]. Thus, FPGAs have been used in varied research work [49,50,51,52]. Two main methods have been used to implement control algorithms on FPGAs, namely the Xilinx System Generator (XSG) and programming Very-high-speed integrated circuit Hardware Description Language (VHDL) [53,54,55,56]. For the suggested control algorithm, a VHDL code is generated by the XSG tool. The XSG tool is chosen because it is flexible, simple and rapid.
Within this framework, the second contribution of this paper is to design, with the XSG, and implement, on an FPGA board of the suggested VCS-FGS-PID algorithm for the PMSG-side converter, the suggested VCS-FGS-PID of the grid-side converter and the FGS-PID for regulating the DC bus voltage. Concerning the WECS, it is composed of a wind turbine that derives a PMSG and is connected to the power grid via an RL filter and a power electronics interface containing two converters interconnected by one common DC bus. The novelty and the main contributions of this paper theoretically, by simulation and by hardware in the loop co-simulation, are as follows:
(i)
Robust VCS-FGS-PID approaches are proposed for controlling the electromagnetic torque, the stator current’s quadratic component, the DC injected into the grid, the active and the reactive power injected into the grid and the DC bus voltage. The suggested approach can ensure good performance in terms of tracking and accuracy, as well as high robustness under stator resistance variations. The proposed control strategies will guarantee excellent robustness under stator resistance variations and good tracking accuracy of the controlled variables even under high fluctuations of the wind speed;
(ii)
The algorithms of the suggested VCS-FGS-PID and the FGS-PID of DC bus voltage are designed utilizing the XSG tool in order to verify the WECS behaviors via simulation and to automatically generate a VHDL code;
(iii)
A real Hardware co-simulation of the suggested VCS-FGS-PID algorithms using an FPGA Zed-Board AES-Z7EV-7Z020-G is carried out before the final experimental validation step in order to avoid damage risks and guarantee the experimental operation. It also reduces the overall time allowed for the experimentation, the prototyping time, the time to market and the designed system cost.
The rest of the article is organized as follows. The various system elements are modeled in Section 2. In Section 3, the conventional VCS-PI and the VCS-FGS-PID are discussed to ensure robust control of the WECS. The FPGA hardware architecture of the VCS-PI and the proposed VCS-FGS-PID, as well as their synthesis and implementation, are described in Section 4. In Section 5, the two control methods are implemented and simulated under the XSG, and a comparison between both controllers with and without parameter variations is presented, followed by a comparison with other studies. Finally, Section 6 concludes this work and opens new perspectives.

2. Description and Modeling of the WECS

In this study, a variable-speed grid-connected WECS is presented. It is composed of a wind turbine as a main source that derives a PMSG. The power grid is linked to the WECS through an RL filter and a power electronic interface. The power electronic interface is made up of a three-phase rectifier (converter 1 AC/DC) and an inverter (converter 2 DC/AC) interconnected by a common DC bus, as depicted in Figure 1. The RL filter is utilized for reducing the inverter harmonics in its output power.

2.1. Wind Turbine Modeling

The wind turbine captures the aerodynamic power P a e r , as described in (1) [57]:
P a e r = C p P w = 1 2 C p ( λ , β ) ρ A V v 3 ,
where ρ denotes air density (kg/m3), A = πR2 represents that area swept by the blades of the wind turbine (m2), V v is the wind speed (m/s), β denotes the blades’ pitch angle (°), λ represents the speed ratio and C p is the power coefficient.
As a function of the aerodynamic power, T a e r is the wind turbine’s aerodynamic torque expressed as follows [23]:
T a e r = P a e r Ω m e c ,
where Ω m e c is the wind turbine’s rotational speed (rad/s).
The C p power coefficient indicates the wind turbine’s characteristics, and its effectiveness can be expressed in terms of orientation angle and λ speed ratio of blades β as follows [23]:
C p = 0.5 151 λ i 0.58 β 0.002 β 2.14 10 e 18.4 λ i ,
λ i = 1 1 λ 0.02 β 0.003 β 3 + 1 .
The ratio between the wind speed and the blade speed defines the tip speed ratio λ as follows:
λ = Ω m e c R V v .
The wind turbine is controlled with the aim of extracting the maximal available wind power. Based on Betz theory, the power coefficient should not exceed 0.593 (Experimentally) [57].
Finally, the diagram in Figure 2 summarizes the wind turbine model. The inputs are the pitch angle β, the wind speed V and the electromagnetic torque. The output is the mechanical speed.
Figure 3 depicts the C p variation concerning λ and β, which presents the optimal value of the λ o p t = 8.15 speed ratio, corresponding the maximal value of the C p max = 0.4794 power coefficient, with β = 0. In view of this fact, Equation (6) gives the maximum power that we can obtain through the MPPT algorithm [25]:
P M P P T = 1 2 ρ C p m a x R 5 Ω m e c 3 λ o p t 3 T e m M P P T = 1 2 ρ C p m a x R 5 Ω m e c 2 λ o p t 3 .
To recuperate the maximum amount of the available kinetic wind power, the blade pitch angle is zero, which corresponds to optimal Cp and λ values for the operation in an MPPT mode. However, it is important to limit the turbine’s rotational speed in case the wind speed exceeds the nominal speed to protect the system from mechanical problems. In this work, the control system, called “pitch control”, should be added to jointly control the speed as well as the power of the wind turbine and necessarily limit them once the rated value of the wind speed is exceeded. Figure 4 describes the pitch control system operation.

2.2. Interest of Variable Speed

The WECS’s variable speed is plausible because of the interface of power electronic converters, which allows for the partial or complete decoupling—with the power grid—of wind generators. The available power is given by all characteristics that concern the generator’s rotational speed. Figure 5 illustrates the varied wind speed. Accordingly, when we drove the generator at a fixed speed, we could not exploit any theoretical maximum power curve. That is why, for optimizing the operating point, the generator shaft’s rotation speed must be adjusted by the extracted power depending on the wind speed. Let point A for wind speed V2 correspond to the aerodynamic power peak of coordinates (P1, 1). If the turbine speed is not basically altered and if the wind speed changes from V2 to V3, power P2 becomes in another point B other than the peak of the second characteristic. To extract the maximum power, the generator speed needs to be different from the other rotation speed which is larger compared to the previous one, thus requiring varying this rotation speed as a function of the wind in order to reach the maximum power (point C).

2.3. Modeling of PMSG and Connection with Power Grid

We connected the wind turbine to the PMSG to transform mechanical energy into electrical energy. This PMSG is modeled in the dq frame as follows [58]:
V s d = R s i s d + L s d d d t i s d ω L s d i s q V s q = R s i s q + L s q d d t i s q + ω ( L s q i s d + φ m ) T e m = p φ m i s q ,
where R s is the stator resistance, L s is the stator inductance, p represents the pole pair number, φ m denotes the permanent magnet flux (Wb) and ω is the electrical speed.
To connect the wind generator to the power grid, a three-phase RL was used before a transformer. The expressions in the dq frame model are (8) [23]:
L r d d t i r d = V i d R r i r d + L r ω R i r q V r d L r d d t i r q = V i q R r i r q L r ω R i r d V r q ,
where ω R is the grid frequency, R r is the grid resistance, and L r is the grid inductance.

3. Control Strategy of the WECS

This work aims to present VCS-FGS-PID controllers for the power-grid-connected variable-speed WECS. The VCS-FGS-PID control design basically focuses upon tuning the gains of the PID controllers using fuzzy logic technology as a solution to overcome the issues of uncertainties of the system parameters.

3.1. Conventional Vector Control Technique of the WECS

Conventional VCS-PIs are proposed in this part for controlling the WECS. The main objective of these controllers is to prove their sensitivity versus highly enormous ranges of wind speed variations and internal system non-linearities. Indeed, the classical vector control technique is developed to evaluate the main contribution of this work.
The reference currents of this vector control strategy applied to the PMSG, are determined as [25]:
i s d r e f = 0 i s q r e f = C e m M P P T ω ϕ .
The wind turbine is controlled by the conventional control technique applied for the PMSG to extract the maximal available power. We master the controller on the DC bus voltage to keep its voltage to a fixed value that is totally irrespective of the wind speed variations.
A control vector strategy is applied to converter 2 (DC/AC) as a function of the control of the active power and the reactive one, where both are exchanged with the production system and the power grid. Two control loops are constructed for controlling both elements of currents i r d r e f and i r q r e f . As a consequence, they can regulate the grid connection’s active power and reactive power, respectively. Currents i r d r e f and i r q r e f are given by the active and reactive power of references P r * and Q r * as:
i r d r e f = P r * V r d + Q r * V r q V r d 2 + V r q * 2 i r q r e f = P r * V r q + Q r * V r d V r d 2 + V r q * 2 .
To ensure the operation of the WECS’s unity power factor, the reactive power reference can be fixed to zero ( Q r * = 0 ). As a result, both active power P r and reactive power Q r will be functioning based on the power grid current’s direct and quadratic components. The problem in this case is to how to control active and reactive power in a separate way. For this, orienting reference (d, q) is enough for repealing the quadratic ( V r q = 0) voltage’s component. According to this, V r = V r d . Therefore, the connection model with the power grid given by Equation (9) and the references of the power grid current’s direct and quadratic components become [25]:
L r d d t i r d = V o d R r i r d + L r ω r i r q V r L r d d t i r q = V o q R r i r q + L r ω r i r d ,
i r d r e f = P r * V r d i r q r e f = 0 .
The same characteristic variables for every phase must be possessed by the converter output voltage to guarantee that renewable energy generators are properly connected to the power grid. If the voltage phase angle is appropriately adjusted, this effect is attained. The Phase Locked Loop (PLL) is the most typical approach utilized for synchronizing the main energy supply with the grid-side converter outputs. Thus, it is important in this study to construct one PLL (Figure 6) able to correctly analyze a voltage phase angle of one ideal power grid.
The conventional vector technique control laws of the PI have better results for linear systems having constant parameters. On the other hand, these laws for nonlinear systems such as wind systems are not adequate enough, especially when system accuracy is needed, and other dynamic characteristics will be hard to obtain during wind speed variability [59]. To overcome this drawback, the VCS-FGS-PID controller approach is proposed in this paper.

3.2. Fuzzy Gain Scheduling-PID Controller

The conventional VCS-PI cannot determine the variation in increasing and decreasing errors while only being capable of responding to the immediate error value. Consequently, it is not appropriate for nonlinear systems such as wind generators. The VCS-FGS-PID controllers are proposed to overcome this problem. The structure of this control strategy is detailed in Figure 7.
As shown in Figure 8, the VCS-FGS-PID is based on three steps: fuzzification, inference and defuzzification [60]. Fuzzification is an important aspect of FGS-PID controllers, as it allows them to handle nonlinearities and uncertainties in the system. Fuzzification involves representing the system inputs and outputs as fuzzy sets, which allows the controller to reason about the system in a more flexible and robust way. However, FGS-PID controllers can adjust their parameters in real-time based on the current state of the system, which allows them to handle these nonlinearities and uncertainties more effectively [48].
In comparison with conventional tuning techniques, fuzzy logic tuning does not depend on well-defined or precise mathematical formulas. However, it manipulates inferences through the use of several fuzzy rules based on fuzzy operators: AND, OR, THEN, etc., applied to linguistic variables. This VCS-FGS-PID controller is made up of a conventional PID control system, a fuzzy reasoning mechanism and a set of fuzzy rules, as summarized in Figure 9.
The PID gains are tuned in real-time as regards the fuzzy inference and the knowledge base. After that, the control signal is generated by the PID controller. The VCS-FGS-PID controller is characterized by three corrective actions, which are Kp, Kd and Ki [56]. We can assume Kp and Kd to be always in the [Kpmin, Kpmax] and [Kdmin, Kdmax] range, so that the following equations will be defined as:
K p ' = ( K p K p min ) ( K p max K p min ) K d ' = ( K d K d min ) ( K d max K d min ) .
The PID parameters are determined by the proposed scheme according to the current error and its derivate. In fact, the integral time constant is determined as a function of the derivative time constant:
T i = α T d .
Therefore, we can obtain the integral gain as follows:
K i = K p ( α T d ) = K p 2 ( α K d ) .
Once K p ' , K d ' and Ki, α have been determined, the PID controller parameters are determined through the use of Equations (13) and (15):
K p = ( K p . m a x K p . m i n ) K p ' + K p . m i n ,
K d = ( K d . m a x K d . m i n ) K d ' + K d . m i n ,
K i = K p 2 ( α K d ) .
A basic rule to determine the Kp and Kd range is based on extensive simulation research that is performed on various processes, as follows:
K p min = 0.32 K u , K p max = 0.6 K u K d min = 0.08 K u T u , K d max = 0.15 K u T u ,
where Ku and Tu denote, at the stability limit, the gain and period of the oscillation, respectively. Figure 10 and Table 1, Table 2 and Table 3 show the fuzzy controller’s membership functions designed with E and dE inputs. The outputs of the fuzzy set are Kp, Kd and α. In this case, we have: PB: Positive Big, PM: Positive Medium, PS: Positive Small, ZO: Zero (zero), NS: Negative Small, NM: Negative Medium and NB: Negative Big.

4. Materials and Methods

4.1. XSG Architectures of Control Techniques

Xilinx always provides its designers with tools for the simplification of the digital systems’ description phase. In fact, the XSG is a developed and excellent graphics tool for the creation, simulation, verification, implementation and validation of highly performant systems on Xilinx FPGA targets [61]. It is also a modeling tool for designing FPGA-based systems. It features a library of different blocks that may be compiled into an FPGA automatically [62]. The XSG was utilized in this work to design and implement the vector control strategies based on the suggested VCS-FGS-PID of the variable-speed WECS connected to the grid on an FPGA. First, we used the XSG blocks from the Simulink package to implement the recommended architectures. If the designed architecture was verified by digital simulation and achieved the desired results, the VHDL code was generated in an automatic way using the XSG tool [63].
Moreover, the XSG is a system-level modeling tool which smooths the way for the FPGA hardware design. Matlab/Simulink was used for providing a high-level flexible modeling environment well-suited for hardware designs. This tool provides high-level abstractions which can be systematically compiled into an FPGA through the simple use of commands. We created such a system in a Simulink modeling environment using a specific library given by Xilinx. As a matter of fact, the XSG designs data control and data-paths well. To simulate FPGAs, Xilinx provides a “hardware co-simulation” technique for the verification of the system on an FPGA board utilizing the PC. The routing, placement, synthesis and programming file generation steps were performed in a systematic way by the Xilinx Vivado tool. It is shown in Figure 11 that the hardware design flow opted for the XSG. We used in this work a Vivado/XSG 2018.1 version, which works on a Matlab/Simulink 2017b version, our computer GF63 thin 9RCX intel I7-9750H and an FPGA ZedBoard AES-Z7EV-7Z020-G. After designing the system and obtaining necessary simulation results, the bitstream file could be generated following the generation of the VHDL code and synthesis. The configuration files were then used to program the FPGA [63,64].

4.1.1. Designed Architecture of VCS-PI Using XSG

The PI control used is mathematically expressed by (20) [60]:
G c ( s ) = K p ( 1 + 1 T i s ) ,
where T i = K p K i , and K p and K i are the proportional and integral gains, respectively.
Figure 12, Figure 13 and Figure 14 present the hardware design of the VCS-PI controllers for the PMSG-side converter, the VCS-PI controller hardware design for the DC bus voltage and the hardware design of the VCS-PI controllers for the grid-side converter, respectively.

4.1.2. Implementation of VCS-FGSPID Controllers Using XSG

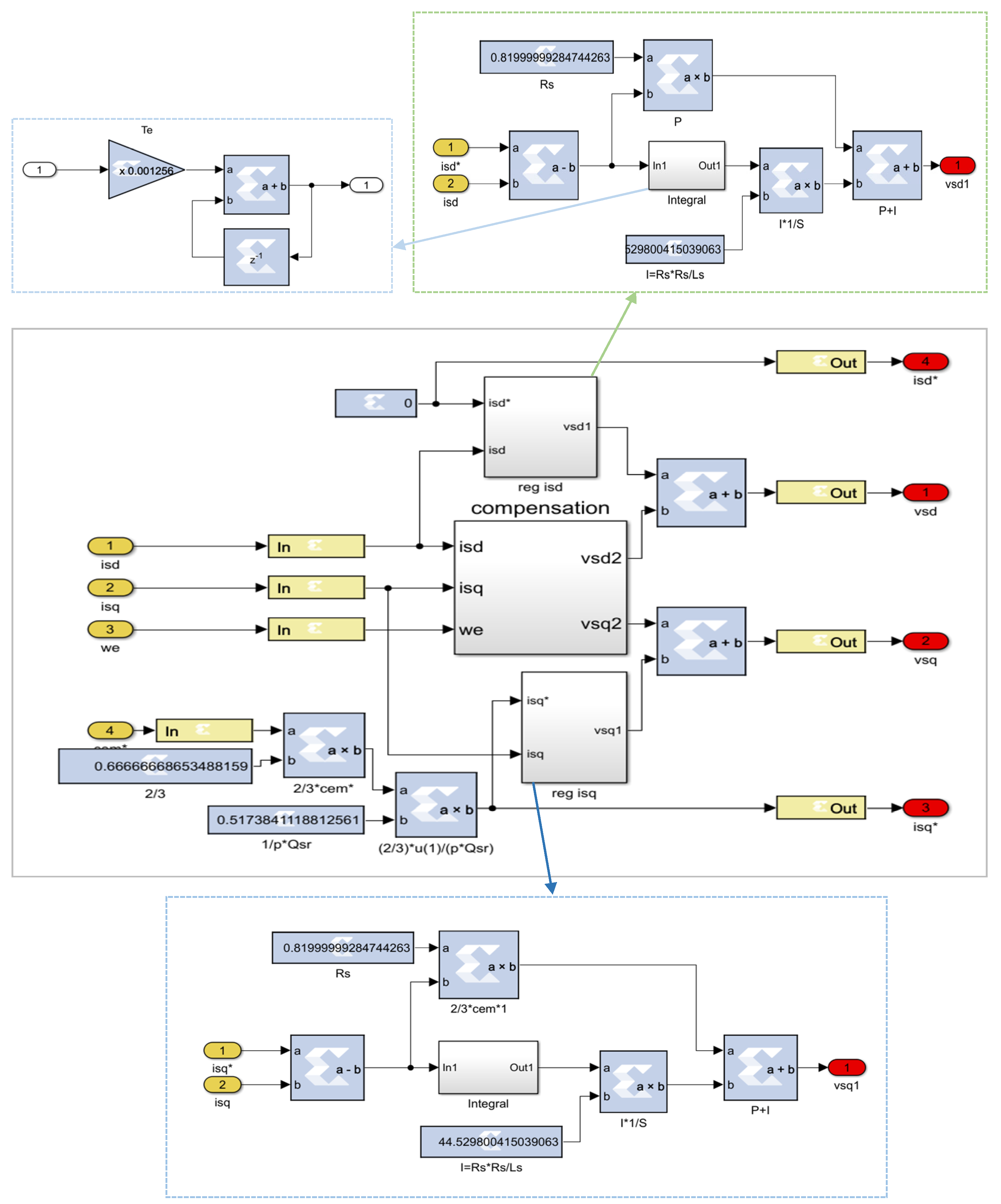
Figure 15, Figure 16 and Figure 17 present the VCS-FGS-PID controllers’ hardware design for the PMSG-side converter (part 1 of Figure 7), the VCS-FGS-PID controllers’ hardware design for the V d c bus voltage (part 2 of Figure 7) and the VCS-FGS-PID controllers’ hardware design for the grid-side converter (part 3 of Figure 7), respectively.

4.1.3. Design of Membership Functions Using XSG

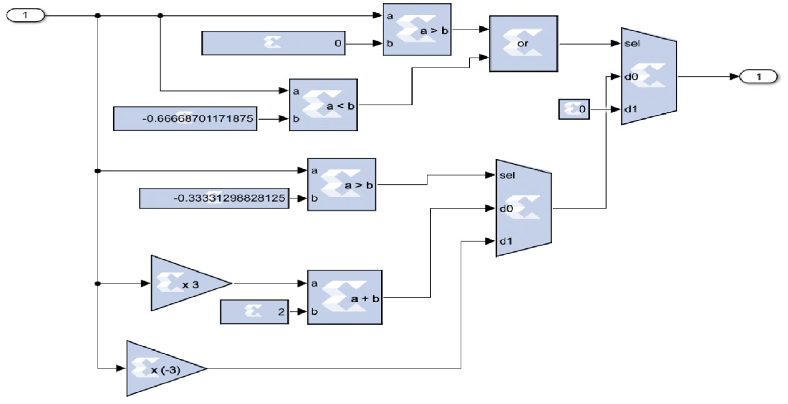
Fuzzification, an inference engine and defuzzification are described in this section as part of the XSG design, in order to implement the VCS-FGS-PID controller architecture on FPGAs. The XSG tools, representing in general the graphical interface library for Matlab/Simulink that can be utilized to design and simulate a dynamic system process, allow for highly implementing digital algorithms on FPGA boards. Figure 18 shows the hardware design of the FGS-PID controllers where the inputs include the error and its derivative. In addition to that, the outputs are the optimal values K p , K i and K i . As previously stated, fuzzy sets are represented in triangular and trapezoidal shapes. Predefined blocks manipulated by fuzzy logic are not included in the XSG library. As a result, several VCS-FGS-PID controller sections were mathematically developed and described. The first step consisted of determining all membership functions through the use of the equation systems that relate to them. In the following part, using the XSG for each input, designing an example of membership functions is presented.
  • Fuzzy membership function of error
Accordingly, an error was given by seven fuzzy sets, which are actually presented by seven mathematical functions, named: PB, PM, PS, ZE, NS, NM and NB. For example, the membership named NS is given by Equation (21), and it is illustrated using the XSG in Figure 19.
i f e ( t ) > 0 o r e ( t ) > x 2 e t h e n y ( t ) = 0 i f e ( t ) > x 1 e t h e n y ( t ) = 3 × e ( t ) e l s e    y ( t ) = 3 × e ( t ) + 2
  • Fuzzy membership
The ZE-membership error derivative function is given by (22) and it is depicted using the XSG in Figure 20.
i f d e ( t ) < x 1 e o r d e ( t ) > x 1 e t h e n y ( t ) = 0 i f d e ( t ) < 0 t h e n y ( t ) = 3 × d e ( t ) + 1 e l s e    y ( t ) = 3 × d e ( t ) + 1

4.1.4. Design of Rules

Sugeno developed such a fuzzy logic controller, which was a MIN function, used to find the minimal value in our research work between the membership functions of the two inputs, which are the error and its derivative. This controller reflects the AND operator that links between various fuzzy functions. A rule example is provided in Figure 21:
if   ( e   is   NS )   and   ( de is PB )   then   K p ' i s S K d ' i s B α i s 4 .
Because the membership functions are singletons, we applied a weighted-height technique for defuzzification, where the variation in the output variable is specified as follows [60]:
y = W i j × Z i j W i j

5. Results and Discussion

5.1. Simulation and Implementation Results

The WECS and its control algorithms were developed and simulated with MATLAB/Simulink through the use of the XSG tool. The system parameters are summarized in Table 4, Table 5 and Table 6, which are used to validate the control schemes suggested in this work. Under 10 s of simulation time, the wind profile shown in Figure 22a was applied to the wind turbine model.
A wind turbine was constructed to revolve at a particular speed and produce a certain energy amount. A control mechanism named “pitch angle” was used to control the power output of the wind turbine, being increased if the wind speed is high. Figure 22b presents the PMSG mechanical speed, while Figure 22c indicates the pitch angle variation. The following is a summary of the control systems’ performance: the orientation angle increased if the wind speed’s nominal value was surpassed. As a result, the Cp power coefficient dropped, as represented in Figure 22d. Thus, the generated power was limited, as depicted in Figure 23. A comparison study between the VCS-FGS-PID controller and the VCS-PI controller is presented to prove the superior VCS-FGS-PID performance.

Performance Comparison between VCS-PI and VCS-FGS-PID Controllers

To prove our VCS-FGS-PID controller performance, two tests are presented, without and with parameter variations. In the latter case, due to the heating-up of the generator, the values of resistor Rs gradually increased, because of the saturation assumption, as well as those of the inductances specific to the PMSG.
(a)
System performance without parameter variation
This test was carried out for proving the system control robustness in response to changes in the wind speed. The responses obtained with both control kinds basically showed that the system controlled by the VCS-FGS-PID controller was more robust than the classical VCS-PI.
The errors of the electromagnetic torque, which is depicted in Figure 23 and the quadratic component of the stator current, which is shown in Figure 24, and which is produced by the speed change, were very high for the classical VCS-PI controller, wherein there was no instantaneous response from the torque and the current. To address this problem, the VCS-FGS-PID controller is suggested, which is characterized by good performance in terms of tracking error and response time.
The direct component of the current, which is particularly injected to the grid, and its evolution are illustrated in Figure 25. The response of these curves demonstrates the fact that the VCS-FGS-PID controller is better than the VCS-PI in terms of response time and the disturbance rejection. Compared to the proposed VCS-FGS-PID control method, the high wind speed change had an effect on the conventional vector control. The profile of the active power injected to the grid is shown in Figure 26.
Figure 27 generally presents the simulation result of the reactive power, which was injected to the grid as well. The system functioned at a unity power factor. VCS-FGS-PID controllers clearly ignored the error while maintaining robustness qualities and finite-time convergence. Figure 28 shows the DC bus voltage simulation results. It is remarkable that the VCS-FGS-PID controller minimized the error compared to the VCS-PI controller while maintaining robustness.
(b)
Performance of control system under parameter variation
To test the proposed control strategy performance as regards parameter variation, the PMSG started with the nominal stator resistance. Afterwards, it displayed variations in resistance values as follows:
  • A t = 2 s, resistance increases by 50%;
  • A t = 4 s, resistance rises by 100%;
  • A t = 8 s, resistance goes up by 200%.
The variation in the stator resistance is summarized in Figure 29.
Figure 30 presents the electromagnetic torque simulation results with the variation in the stator resistance. As shown in this figure, a variation in the resistance of 50%, 100% and 200% resulted in the deviation of the conventional VCS-PI controller, while the VCS-FGS-PID controller maintained a stable behavior. As a consequence, the stator resistance variation test proves that the VCS-FGS-PID controller is more robust and more efficient compared to the VCS-PI controller.

5.2. Comparative Study between Suggested FGS-PID and a Nonlinear Controller

In order to highlight the effectiveness of the proposed FGS-PID, a comparative study with a SMC controller was carried out. As shown in Figure 31, the electromagnetic torque response when the WECS is controlled using the VCS-FGS-PID approaches offered better performance in terms of tracking accuracy and oscillation around the reference value. However, the electromagnetic torque presented a chattering phenomenon followed by high oscillation, which can lead to several undesirable effects on the quality of electrical energy produced and the overall system. Moreover, Figure 32 and Figure 33 show the evolution of the quadratic component of stator current and the direct current component injected into the grid, respectively. These figures show that the advantage of VCS-FGS-PID is that it allows for excluding any phenomenon of chattering that may be caused by SMC while maintaining the robustness properties. This suggests that VCS-FGS-PID algorithms may be more suitable control methods for industrial energy systems thanks to their ability to provide excellent accuracy and robustness without the issues of chattering that may be present in the SMC control technique. Figure 34 shows the simulation result of active power injected into the grid. It can be seen that the VCS-FGS-PID approaches allowed for the reduction or even the elimination of the chattering phenomenon while keeping the robustness properties and convergence in finite time.
The proposed controller performance was also evaluated through various performance indices using the Mean Absolute Error (MAE), the Mean Square Error (MSE) and the Root Mean Square Error (RMSE). The errors of electromagnetic torque, quadratic stator current, direct grid current and active power injected into the grid are defined as:
e T e m = T e m r e f T e m a c t u a l e i s q = i s q r e f i s q a c t u a l e i r d = i r d r e f i r d a c t u a l e P r = P r r e f P r a c t u a l ,
where T e m r e f is the reference electromagnetic torque, T e m a c t u a l is the actual electromagnetic torque, i s q r e f is the reference stator current, i s q a c t u a l is the actual stator current, i r d r e f is the reference direct grid current, i r d a c t u a l is the actual direct grid current, P r r e f is the reference active power injected into the grid and P r a c t u a l is the actual active power injected into the grid. The MAE, MSE and RMSE are defined as follows [65]:
M A E = 1 n i = 1 n e i M S E = 1 n i = 1 n e i 2 R M S E = 1 n i = 1 n e i 2
where n is the number of data points.
To summarize while making reference to Table 7, it can be seen that the suggested VCS-FGS-PID offers better performance utilizing the MAE, MSE and RMSE, which demonstrates that the latter controller can be considered a contribution for controlling the industrial grid-connected WECS.

5.3. Comparison between Proposed Approach and Other Existing Schemes

In order to highlight the effectiveness of the proposed control method, it is important to compare it with other techniques presented in the literature. However, it should be noted that the comparison is limited by the fact that it is rare to find similar work performed under the same conditions. Table 8 clearly shows that the suggested control method yields a significantly neglected state error compared to other techniques. Furthermore, the proposed method exhibits favorable performance in terms of accuracy, robustness, dynamics, etc., compared to other methods. To summarize, the obtained results emphasize the superiority of the suggested control method in mitigating harmonic distortions and achieving accurate and fast control.

5.4. Implementation of Vector Control Strategy on FPGA

Hardware Co-Simulation

The XSG architecture description language provides important features that allow for communication with Simulink. As a result, a virtual operation scenario can be created for approximating and making a quick validation to the hardware implementation method, which is known as the co-simulation test, and which has a significant role in validating the synthesized control strategy. In addition to this, it reduces the overall time that is required for accomplishing the experimental tests as well as improves the implementation efficiency. As a consequence, the hardware co-simulation of the suggested VCS-FGS-PID controller can be based on:
  • Simulation step: The numerical simulation performed in the Matlab/Simulink environment is used for validating as well as confirming the implementation of the VCS-FGS-PID control algorithm;
  • XSG simulation step: This step verifies that the results provided by the XSG simulation are similar to those obtained using Matlab/Simulink;
  • Hardware co-simulation step: We implement the XSG model on an FPGA board. In fact, simulation is also called hardware-in-the-loop simulation. Therefore, the designed XSG architecture should be compatible with the characteristics of the FPGA board to be implemented.
It should be noted that a Joint Test Action Group (JTAG) co-simulation module, known as “JTAG co-sim”, is automatically generated between the gateway-in and gateway-out of the XSG blocks during the hardware co-simulation process. Figure 35 displays a broad block schematic of the implementation architecture of the suggested co-simulation procedure.
A library of logic cores that is designed specifically for FPGA implementation can be obtained, which is ready to be configured and utilized as a function of the designer’s specifications. Following that, the Xilinx Integrated Software Environment (VIVADO) is utilized for generating “netlist” files for the implementation of system generator blocks. These files are responsible for the conversion of the logic design to a physical file. They also generate a bitstream to be transferred to a target tool using the typical JTAG connection. Simulation in MATLAB XSG allows the FPGA application to be tested under the same conditions as physical devices while having a similar variable and operator data width.
Following the simulation and timing analysis of the proposed control algorithm architecture, the hardware co-simulation phase is used in order to confirm the design performance on an FPGA ZedBoard. As shown in Figure 35, the bitstream file is generated and synthesized through hardware co-simulation, which is utilized for programming an FPGA and generating a novel JTAG block. The latter will replace the XSG design of the VCS-FGS-PID controller. Through the JTAG cable, the FPGA board can read the stator current, the electromagnetic torque, the mechanical speed, the grid current and the grid voltage. Finally, the generated JTAG block will be linked to the three-phase rectifier, the bus voltage and the inverter. In addition, the hardware co-simulation phase is initiated when the FPGA board is connected to the PC using a JTAG programming cable (USB-II cable). As depicted in Figure 36, the JTAG cable will be used to execute the bitstream download phase. After that, all Matlab tools are used to simulate and visualize the results. As shown in Figure 37, Figure 38, Figure 39, Figure 40, Figure 41 and Figure 42, the hardware co-simulation results have the same precision as the results obtained from Simulink Matlab, which proves the efficiency of the proposed approach. Indeed, Figure 37 presents the evolution of the electromagnetic torque when the WECS is controlled by both control techniques, namely the VCS-FGS-PID and the VCS-PI. It can be seen that the suggested VCS-FGS-PID provides better performance in terms of tracking accuracy. Figure 38 demonstrates that the ideal quadratic stator current converges towards its reference value with excellent tracking and accuracy in the case of the suggested VCS-FGS-PID. However, when the WECS is controlled with the VCS-PI, the ideal quadratic stator current follows its reference values with remarkable error. Figure 39 and Figure 40 present the evolutions of the direct grid current and the DC bus voltage. It can be seen that the suggested controller provides better performance in terms of accuracy relative to the VCS-PI. The active and reactive power injected to the grid is illustrated in Figure 41 and Figure 42, which demonstrate that the actual power converges towards its reference with high accuracy.
Table 9 details the FPGA resource utilization of the proposed design. The suggested implementation uses between 0.2% and 59% resources. Moreover, the results show the low-cost benefits through the FPGA implementation. Indeed, the architecture of the proposed design occupies a reduced area while providing favorable performance. In fact, the FPGA real-time implementation can be utilized in various industrial processes for the WECS.

6. Conclusions

In this article, the development and hardware implementation of two control schemes (VCS-FGS-PID and VCS-PI) applied to a grid-connected variable-speed WECS have been discussed. There are two major aims for the control of the WECS. The first one is the PMSG-side converter control, which allows the wind turbine to extract the maximal power. The second one is the grid-side control, which aims to maintain the operation in a unity power factor by controlling the reactive and active power transferred into the power grid. This controller also regulates the DC bus voltage. The first control scheme based on the FGS-PID controller has been compared to the second one based on the conventional PI controller. For a better evaluation of varied control technique performance, a comparative study has been extended under varied stator resistance. The VCS-FGS-PID controller has been developed for solving any limit of the conventional VCS-PI controller as regards performance and stability under the nonlinearity behavior of the WECS.
For the hardware implementation, the XSG has been utilized for implementing the suggested control technique on the FPGA. The proposed approach hardware implementation is simple and quick thanks to a novel method based on the XSG. The various simulation results show the superior performance of the VCS-FGS-PID controller when compared to the conventional VCS-PI controller in terms of response time, stability properties, dynamics, tracking and accuracy under the high fluctuation of the wind speed and the varied stator resistance. The implementation result shows the FPGA efficiency in terms of execution time. Indeed, it has been quite short when compared to the dSPACE execution time, owing to parallel processing. The short execution time increases the machine performance and reduces the torque, as well as stator current disturbance, allowing more complicated algorithms to be implemented. Finally, the XSG implementation approach may be thought of as an important tool for implementing real-time hardware FPGAs as well as complicated and preferred WECS control algorithms.
Nevertheless, there are other challenges remaining to be solved in our future work such as the verification of the suggested VCS-FGS-PID method performance according to real experimental results. Moreover, the authors will focus on the integration of a battery energy storage system for the WECS. This could involve developing new control strategies and power management systems to optimize the output power, and subsequently obtain a perfect wind system able of ensuring a continuous load supply without fluctuations.

Author Contributions

Conceptualization, M.H., S.K. and Y.K.; methodology, M.H., S.K., Y.K. and M.A.H.; software, M.H.; validation, M.H., S.K., Y.K. and M.A.H.; formal analysis, S.K., Y.K. and M.A.H.; investigation, M.H., S.K., Y.K. and M.A.H.; resources, S.K., Y.K., M.A.H. and H.A.; data curation, M.H.; writing—original draft preparation, M.H., S.K. and Y.K.; writing—review and editing, M.H., S.K., Y.K. and M.A.H.; visualization, M.H., S.K., Y.K., M.A.H. and A.S.A.; supervision, S.K., Y.K. and M.A.H.; project administration, B.M.A. and T.G.; funding acquisition, T.G. All authors have read and agreed to the published version of the manuscript.

Funding

This research has been funded by the Scientific Research Deanship at University of Ha’il—Saudi Arabia through project number RG-21 137.

Data Availability Statement

Not applicable.

Conflicts of Interest

The authors declare no conflict of interest.

Nomenclature

P a e r aerodynamic power (W)
T a e r aerodynamic torque
ρ density of air (kg/m3)
V v wind speed (m/s)
β pitch angle (°)
λ the speed ratio
C p power coefficient
m e c mechanical speed (rad/s)
R s , L s inductance (mH) and resistance of the stator (Ω)
R r , L r grid inductance (mH) and resistance (Ω)
p pole pair number
φ m permanent magnet flux (Wb)
ω electrical speed
ω R grid frequency (Hz)
V s d , V s q direct and quadratic of the stator voltages (V)
i s d , i s q direct and quadratic of the stator currents (A)
V r d , V r q direct and quadrature voltages of the grid (V)
i r d , i r q direct and quadratic currents of the grid (A)

References

  1. Orusa, T.; Orusa, R.; Viani, A.; Carella, E.; Borgogno Mondino, E. Geomatics and EO Data to Support Wildlife Diseases Assessment at Landscape Level: A Pilot Experience to Map Infectious Keratoconjunctivitis in Chamois and Phenological Trends in Aosta Valley (NW Italy). Remote Sens. 2020, 12, 3542. [Google Scholar] [CrossRef]
  2. Orusa, T.; Viani, A.; Cammareri, D.; Borgogno Mondino, E. A Google Earth Engine Algorithm to Map Phenological Metrics in Mountain Areas Worldwide with Landsat Collection and Sentinel-2. Geomatics 2023, 3, 221–238. [Google Scholar] [CrossRef]
  3. Orusa, T.; Cammareri, D.; Borgogno Mondino, E. A Possible Land Cover EAGLE Approach to Overcome Remote Sensing Limitations in the Alps Based on Sentinel-1 and Sentinel-2: The Case of Aosta Valley (NW Italy). Remote Sens. 2023, 15, 178. [Google Scholar] [CrossRef]
  4. Orusa, T.; Borgogno Mondino, E. Exploring Short-Term Climate Change Effects on Rangelands and Broad-Leaved Forests by Free Satellite Data in Aosta Valley (Northwest Italy). Climate 2021, 9, 47. [Google Scholar] [CrossRef]
  5. Orusa, T.; Cammareri, D.; Borgogno Mondino, E. A Scalable Earth Observation Service to Map Land Cover in Geomorphological Complex Areas beyond the Dynamic World: An Application in Aosta Valley (NW Italy). Appl. Sci. 2023, 13, 390. [Google Scholar] [CrossRef]
  6. Carella, E.; Orusa, T.; Viani, A.; Meloni, D.; Borgogno-Mondino, E.; Orusa, R. An Integrated, Tentative Remote-Sensing Approach Based on NDVI Entropy to Model Canine Distemper Virus in Wildlife and to Prompt Science-Based Management Policies. Animals 2022, 12, 1049. [Google Scholar] [CrossRef]
  7. Orusa, T.; Borgogno Mondino, E. Landsat 8 thermal data to support urban management and planning in the climate change era: A case study in Torino area, NW Italy. Remote Sens. Technol. Appl. Urban Environ. 2019, 111570, 133–149. [Google Scholar] [CrossRef]
  8. Vigneysh, T.; Kumarappan, N. Autonomous operation and control of photovoltaic/solid oxide fuel cell/battery energy storage based microgrid using fuzzy logic controller. Int. J. Hydrog. Energy 2016, 41, 1877–1891. [Google Scholar] [CrossRef]
  9. Kollimalla, S.K.; Mishra, M.K.; Narasamma, N.L. Design and analysis of novel control strategy for battery and supercapacitor storage system. IEEE Trans. Sustain. Energy 2014, 5, 1137–1144. [Google Scholar] [CrossRef]
  10. Jacobson, M.Z.; Delucchi, M.A. Providing all global energy with wind, water, and solar power, part I: Technologies, energy resources, quantities and areas of infrastructure, and materials. Energy Policy 2011, 39, 1154–1169. [Google Scholar] [CrossRef]
  11. Meghni, B.; Dib, D.; Azar, A.T. A second-order sliding mode and fuzzy logic control to optimal energy management in wind turbine with battery storage. Neural. Comput. Appl. 2017, 28, 1417–1434. [Google Scholar] [CrossRef]
  12. Yan, S.; Gu, Z.; Park, J.; Xie, X. Sampled Memory-Event-Triggered Fuzzy Load Frequency Control for Wind Power Systems Subject to Outliers and Transmission Delays. Trans. Cybernet. 2022. [Google Scholar] [CrossRef]
  13. Yan, S.; Gu, Z.; Park, J.H.; Xie, X. Adaptive memory-event-triggered static output control of T–S fuzzy wind turbine systems. IEEE Trans. Fuzzy Syst. 2021, 30, 3894–3904. [Google Scholar] [CrossRef]
  14. Yan, S.; Gu, Z.; Park, J.H.; Xie, X.; Dou, C. Probability-density-dependent load frequency control of power systems with random delays and cyber-attacks via circuital implementation. IEEE Trans. Smart Grid 2022, 13, 4837–4847. [Google Scholar] [CrossRef]
  15. Chavero-Navarrete, E.; Trejo-Perea, M.; Jáuregui-Correa, J.C.; Carrillo-Serrano, R.V.; Ríos-Moreno, J.G. Expert control systems for maximum power point tracking in a wind turbine with PMSG: State of the art. Appl. Sci. 2019, 9, 2469. [Google Scholar] [CrossRef]
  16. Kristiansson, B.; Lennartson, B. Robust and optimal tuning of PI and PID controllers. IEE Proc.-Control. Theory Appl. 2002, 149, 17–25. [Google Scholar] [CrossRef]
  17. Prasad, L.B.; Tyagi, B.; Gupta, H.O. Optimal control of nonlinear inverted pendulum dynamical system with disturbance input using PID controller & LQR. In Proceedings of the 2011 IEEE International Conference on Control System, Computing and Engineering, Penang, Malaysia, 25–27 November 2011; IEEE: New York, NY, USA; pp. 540–545. [Google Scholar]
  18. Sedighizadeh, M.; Rezazadeh, A.; Khatibi, M. A self-tuning PID control for a wind energy conversion system based on the Lyapunov approach. In Proceedings of the 2008 43rd International Universities Power Engineering Conference, Padova, Italy, 1–4 September 2008; IEEE: New York, NY, USA; pp. 1–4. [Google Scholar]
  19. Su, Y.X.; Sun, D.; Duan, B.Y. Design of an enhanced nonlinear PID controller. Mechatronics 2005, 15, 1005–1024. [Google Scholar] [CrossRef]
  20. Qais, M.H.; Hasanien, H.M.; Alghuwainem, S. Optimal Transient Search Algorithm-Based PI Controllers for Enhancing Low Voltage Ride-Through Ability of Grid-Linked PMSG-Based Wind Turbine. Electronics 2020, 9, 1807. [Google Scholar] [CrossRef]
  21. Hoai, H.-K.; Chen, S.-C.; Than, H. Realization of the Sensorless Permanent Magnet Synchronous Motor Drive Control System with an Intelligent Controller. Electronics 2020, 9, 365. [Google Scholar] [CrossRef]
  22. Etxeberria, A.; Vechiu, I.; Camblong, H.; Vinassa, J.M. Comparison of sliding mode and PI control of a hybrid energy storage system in a microgrid application. Energy Proced. 2011, 12, 966–974. [Google Scholar] [CrossRef]
  23. Errami, Y.; Ouassaid, M.; Maaroufi, M. A performance comparison of a nonlinear and a linear control for grid connected PMSG wind energy conversion system. Int. J. Electr. Power 2015, 68, 180–194. [Google Scholar] [CrossRef]
  24. Song, Y.; Wu, S.; Yan, Y.Y. Control strategies for indoor environment quality and energy efficiency—A review. Int. J. Low Carbon Technol. 2013, 10, 305–312. [Google Scholar] [CrossRef]
  25. Krim, Y.; Abbes, D.; Krim, S.; Mimouni, M.F. Classical vector, first-order sliding-mode and high-order sliding-mode control for a grid connected variable-speed wind energy conversion system: A comparative study. Wind. Eng. 2018, 42, 16–37. [Google Scholar] [CrossRef]
  26. Liu, X.; Yu, H.; Yu, J.; Zhao, L. Combined speed and current terminal sliding mode control with nonlinear disturbance observer for PMSM drive. IEEE Access 2018, 6, 29594–29601. [Google Scholar] [CrossRef]
  27. Krim, S.; Gdaim, S.; Mtibaa, A.; Mimouni, M.F. Implementation on the FPGA of DTC-SVM Based Proportional Integral and Sliding Mode Controllers of an Induction Motor: A Comparative Study. J. Circuits Syst. Comput. 2017, 26, 1750049. [Google Scholar] [CrossRef]
  28. Talla, J.; Leu, V.Q.; Šmídl, V.; Peroutka, Z. Adaptive Speed Control of Induction Motor Drive With Inaccurate Model. IEEE Trans. Ind. Electron. 2018, 65, 8532–8542. [Google Scholar] [CrossRef]
  29. El Mourabit, Y.; Derouich, A.; El Ghzizal, A.; El Ouanjli, N.; Zamzoum, O. Nonlinear backstepping control for PMSG wind turbine used on the real wind profile of the Dakhla-Morocco city. Int. Trans. Electr. Energy Syst. 2020, 30, e12297. [Google Scholar] [CrossRef]
  30. Saidi, Y.; Mezouar, A.; Miloud, Y.; Benmahdjoub, M.A.; Brahmi, B.; Meddah, A.; Khalfallah, B. Adaptive Control of Wind Turbine Generators for Power Capture Optimization by Using Integral Backstepping Approach During Partial-Load Operation. J. Control Autom. Electr. Syst. 2021, 32, 1041–1052. [Google Scholar] [CrossRef]
  31. Mahmood, M.; Niels Kjølstad, P.; Hans Henrik, N. Robust model predictive control of a wind turbine. In Proceedings of the 2012 American Control Conference (ACC), Montreal, QC, Canada, 27–29 June 2012; IEEE: New York, NY, USA, 2012; pp. 4393–4398. [Google Scholar]
  32. Benbouhenni, H.; Bizon, N. Advanced direct vector control method for optimizing the operation of a double-powered induction generator-based dual-rotor wind turbine system. Mathematics 2021, 9, 2403. [Google Scholar] [CrossRef]
  33. Setiawan, I.; Priyadi, A.; Miyauchi, H.; Purnomo, M.H. Adaptive B-spline neural network-based vector control for a grid side converter in wind turbine-DFIG systems. IEEJ Trans. Electr. Electron. Eng. 2015, 10, 674–682. [Google Scholar] [CrossRef]
  34. Benbouhenni, H. Application of seven-level neural space vector PWM in direct vector control system of doubly fed induction generator for wind turbine. Int. J. Smart Grid 2019, 3, 163–171. [Google Scholar]
  35. Cadenas, E.; Rivera, W. Short term wind speed forecasting in La Venta, Oaxaca, Mexico, using artificial neural networks. Renew. Energy 2009, 34, 274–278. [Google Scholar] [CrossRef]
  36. Muyeen, S.M.; Al-Durra, A. Modeling and control strategies of fuzzy logic controlled inverter system for grid interconnected variable speed wind generator. IEEE Syst. J. 2013, 7, 817–824. [Google Scholar] [CrossRef]
  37. Evangelista, C.; Puleston, P.; Valenciaga, F.; Fridman, L.M. Lyapunov-designed super-twisting sliding mode control for wind energy conversion optimization. IEEE Trans. Ind. Electron. 2013, 60, 538–545. [Google Scholar] [CrossRef]
  38. Amimeur, H.; Aouzellag, D.; Abdessemed, R.; Ghedamsi, K. Sliding mode control of a dual-stator induction generator for wind energy conversion systems. Int. J. Electr. Power Energy Syst. 2012, 42, 60–70. [Google Scholar] [CrossRef]
  39. Yu, X.; Kaynak, O. Sliding-mode control with soft computing: A survey. IEEE Trans. Ind. Electron. 2009, 56, 3275–3285. [Google Scholar]
  40. Wu, Q.; Wang, X.; Chen, B.; Wu, H. Neural network–based sliding-mode control of a tendon sheath–actuated compliant rescue manipulator. J. Syst. Control Eng. 2019, 233, 1055–1066. [Google Scholar] [CrossRef]
  41. Krim, S.; Gdaim, S.; Mtibaa, A.; Mimouni, M.F. Real time implementation of DTC based on sliding mode speed controller of an induction motor. In Proceedings of the 16th International Conference on Sciences and Techniques of Automatic Control and Computer Engineering (STA), Monastir, Tunisia, 21–23 December 2015; IEEE: New York, NY, USA, 2015. [Google Scholar]
  42. Xu, R.; Zhou, M. Sliding mode control with sigmoid function for the motion tracking control of the piezo-actuated stages. Electron. Lett. 2017, 53, 75–77. [Google Scholar] [CrossRef]
  43. Di Gennaro, S.; Rivera Domínguez, J.; Meza, M.A. Sensorless high order sliding mode control of induction motors with core loss. IEEE Trans. Ind. Electron. 2014, 61, 2678–2689. [Google Scholar] [CrossRef]
  44. Benbouhenni, H. Neuro-second order sliding mode field oriented control for DFIG based wind turbine. Int. J. Smart Grid 2018, 2, 209–217. [Google Scholar]
  45. Chihi, A.; Azza, H.B.; Jemli, M.; Sellami, A. Nonlinear integral sliding mode control design of photovoltaic pumping system: Real time implementation. ISA Trans. 2017, 70, 475–485. [Google Scholar] [CrossRef]
  46. Lee, Y.-S.; Jang, D.-W. Optimization of Neural Network-Based Self-Tuning PID Controllers for Second Order Mechanical Sys-tems. Appl. Sci. 2021, 11, 8002. [Google Scholar] [CrossRef]
  47. Tiwari, R.; Ramesh Babu, N.; Arunkrishna, R.; Sanjeevikumar, P. Comparison between PID controller and fuzzy logic-based control strategies for harmonic reduction in grid-integrated wind energy conversion system. In Advances in Smart Grid and Renewable Energy; Springer: Singapore, 2018; pp. 297–306. [Google Scholar]
  48. Chaiyatham, T.; Ngamroo, I. Optimal fuzzy gain scheduling of PID controller of superconducting magnetic energy storage for power system stabilization. Int. J. Innov. Comput. Inf. Control. 2013, 9, 651–666. [Google Scholar]
  49. Krim, S.; Mimouni, M.F. Design and Xilinx Virtex-field-programmable gate array for hardware in the loop of sensorless second-order sliding mode control and model reference adaptive system–sliding mode observer for direct torque control of induction motor drive. J. Syst. Control Eng. 2022. [Google Scholar] [CrossRef]
  50. Amdouni, R.; Gafsi, M.; Guessmi, R.; Hajjaji, M.A.; Mtibaa, A.; Bourennane, E.B. High-performance hardware architecture of a robust encryption block-cipher algorithm based on different chaotic maps and DNA sequence encoding. Integration 2022, 87, 346–363. [Google Scholar] [CrossRef]
  51. Gafsi, M.; Hajjaji, M.A.; Malek, J.; Mtibaa, A. FPGA hardware acceleration of an improved chaos-based cryptosystem for real-time image encryption and decryption. J. Ambient Intell. Human. Comput. 2021, 1–22. [Google Scholar] [CrossRef]
  52. Hermassi, M.; Krim, S.; Krim, Y.; Hajjaji, M.; Mtibaa, A.; Mimouni, M.F. Hardware FPGA implementation of an intelligent vector control technique of three-phase rectifier for wind turbine connected to the grid. In Proceedings of the 2022 IEEE 9th International Conference on Sciences of Electronics, Technologies of Information and Telecommunications (SETIT), Hammamet, Tunisia, 28–30 May 2022; pp. 549–555. [Google Scholar] [CrossRef]
  53. Krim, S.; Gdaim, S.; Mtibaa, A.; Mimouni, M.F. Design and Implementation of Direct Torque Control Based on an Intelligent Technique of Induction Motor on FPGA. J. Electr. Eng. Technol. 2015, 10, 1527–1539. [Google Scholar] [CrossRef]
  54. Naouar, M.W.; Monmasson, E.; Naassani, A.A.; Belkhodja, I.S. FPGA-Based Dynamic Reconfiguration of Sliding Mode Current Controllers for Synchronous Machines. IEEE Trans. Ind. Inform. 2013, 9, 1262–1271. [Google Scholar] [CrossRef]
  55. Monmasson, E.; Idkhajine, L.; Cirstea, M.N.; Bahri, I.; Tisan, A.; Naouar, M.W. FPGAs in industrial control applications. IEEE Trans. Ind. Inform. 2011, 7, 224–243. [Google Scholar] [CrossRef]
  56. Dagbagi, M.; Idkhajine, L.; Monmasson, E.; SlamaBelkhodja, I. FPGA implementation of power electronic converter real-time model. In Proceedings of the International Symposium on Power Electronics, Electrical Drives, Automation and Motion, Sorrento, Italy, 19–22 June 2012; IEEE: Sorrento, Italy, 2012; pp. 658–663. [Google Scholar]
  57. Rashid, G.; Ali, M.H. Fault ride through capability improvement of DFIG based wind farm by fuzzy logic controlled parallel resonance fault current limiter. Electr. Power Syst. Res. 2017, 146, 1–8. [Google Scholar] [CrossRef]
  58. Rekik, M.; Krichen, L. Control of a wind turbine for grid fault detection in stand-alone or grid-connected modes. In Proceedings of the 2012 1st International Conference on Renewable Energies and Vehicular Technology (REVET), Hammamet, Tunisia, 26–28 March 2012; IEEE: New York, NY, USA, 2012; pp. 244–250. [Google Scholar]
  59. Soliman, M.A.; Hasanien, H.M.; Azazi, H.Z.; El-Kholy, E.E.; Mahmoud, S.A. An adaptive fuzzy logic control strategy for performance enhancement of a grid-connected PMSG-based wind turbine. IEEE Trans. Ind. Inform. 2018, 15, 3163–3173. [Google Scholar] [CrossRef]
  60. Zhao, Z.Y.; Tomizuka, M.; Isaka, S. Fuzzy gain scheduling of PID controllers. IEEE Trans. Syst. Man Cybern. 1993, 23, 1392–1398. [Google Scholar] [CrossRef]
  61. Zarrad, O.; Hajjaji, M.A.; Jemaa, A.; Mansouri, M.N. Sizing Control and Hardware Implementation of a Hybrid Wind-Solar Power System, Based on an ANN Approach, for Pumping Water. Int. J. Photoenergy 2019, 2019, 5672032. [Google Scholar] [CrossRef]
  62. Hermassi, M.; Krim, S.; Krim, Y.; Hajjaji, M.; Mtibaa, A.; Mimouni, M.F. Xilinx-FPGA for Real-Time Implementation of Vector Control Strategies for a Grid-Connected Variable-Speed Wind Energy Conversion System. In Proceedings of the 2022 5th International Conference on Advanced Systems and Emergent Technologies (IC_ASET), Hammamet, Tunisia, 29 April–1 May 2022; pp. 49–54. [Google Scholar] [CrossRef]
  63. Zarrad, O.; Hajjaji, M.A.; Mansouri, M.N. Hardware implementation of hybrid wind-solar energy system for pumping water based on artificial neural network controller. Stud. Inform. Control. 2019, 28, 35–44. [Google Scholar] [CrossRef]
  64. Hajjaji, M.A.; Abdellali, A.B.; Farhani, N.; Gafsi, M.; Mtibaa, A. Real time implementation of numerical watermarking system using Xilinx system generator. In Proceedings of the 2015 16th International Conference on Sciences and Techniques of Automatic Control and Computer Engineering (STA), Monastir, Tunisia, 21–23 December 2015; pp. 404–409. [Google Scholar] [CrossRef]
  65. Ge, J.; Zhao, L.; Yu, Z.; Liu, H.; Zhang, L.; Gong, X.; Sun, H. Prediction of greenhouse tomato crop evapotranspiration using XGBoost machine learning model. Plants 2022, 11, 1923. [Google Scholar] [CrossRef]
  66. Bossoufi, B.; Karim, M.; Lagrioui, A.; Taoussi, M. FPGA-Based Implementation Sliding Mode Control and nonlinear Adaptive Backstepping control of a Permanent Magnet Synchronous Machine Drive. Wseas Trans. Syst. Control 2014, 9, 86–100. [Google Scholar]
  67. Alami, H.E.; Bossoufi, B.; Motahhir, S.; Alkhammash, E.H.; Masud, M.; Karim, M.; El Mahfoud, M. FPGA in the loop implementation for observer sliding mode control of DFIG-generators for wind turbines. Electronics 2021, 11, 116. [Google Scholar] [CrossRef]
  68. Kroplewski, P.; Morawiec, M.; Jąderko, A.; Odeh, C. Simulation Studies of Control Systems for Doubly Fed Induction Generator Supplied by the Current Source Converter. Energies 2021, 14, 1511. [Google Scholar] [CrossRef]
Figure 1. WECS architecture.
Figure 1. WECS architecture.
Electronics 12 01419 g001
Figure 2. Diagram of wind turbine model.
Figure 2. Diagram of wind turbine model.
Electronics 12 01419 g002
Figure 3. Cp versus λ.
Figure 3. Cp versus λ.
Electronics 12 01419 g003
Figure 4. Evolution of different wind turbine characteristics.
Figure 4. Evolution of different wind turbine characteristics.
Electronics 12 01419 g004
Figure 5. Aerodynamic power for different wind speed values as a function of mechanical speed.
Figure 5. Aerodynamic power for different wind speed values as a function of mechanical speed.
Electronics 12 01419 g005
Figure 6. PLL algorithm.
Figure 6. PLL algorithm.
Electronics 12 01419 g006
Figure 7. Schematic of WECS VCS-FGS-PID controller.
Figure 7. Schematic of WECS VCS-FGS-PID controller.
Electronics 12 01419 g007
Figure 8. Fuzzy logic controller block diagram.
Figure 8. Fuzzy logic controller block diagram.
Electronics 12 01419 g008
Figure 9. PID control system with fuzzy logic controller.
Figure 9. PID control system with fuzzy logic controller.
Electronics 12 01419 g009
Figure 10. (a) Membership function of E and dE. (b) Membership function of Kp and Kd. (c) Membership function of α Table.
Figure 10. (a) Membership function of E and dE. (b) Membership function of Kp and Kd. (c) Membership function of α Table.
Electronics 12 01419 g010
Figure 11. XSG-based design flow.
Figure 11. XSG-based design flow.
Electronics 12 01419 g011
Figure 12. Hardware design of VCS-PI controllers for PMSG-side converter. Where (*) is added to distinguish between the actual and the references variables.
Figure 12. Hardware design of VCS-PI controllers for PMSG-side converter. Where (*) is added to distinguish between the actual and the references variables.
Electronics 12 01419 g012
Figure 13. Hardware design of VCS-PI controllers for DC bus voltage. Where (*) is added to distinguish between the actual and the references variables.
Figure 13. Hardware design of VCS-PI controllers for DC bus voltage. Where (*) is added to distinguish between the actual and the references variables.
Electronics 12 01419 g013
Figure 14. Hardware design of VCS-PI controllers for grid-side converter. Where (*) is added to distinguish between the actual and the references variables.
Figure 14. Hardware design of VCS-PI controllers for grid-side converter. Where (*) is added to distinguish between the actual and the references variables.
Electronics 12 01419 g014
Figure 15. Hardware design of VCS-FGS-PID controllers for PMSG-side converter. Where (*) is added to distinguish between the actual and the references variables.
Figure 15. Hardware design of VCS-FGS-PID controllers for PMSG-side converter. Where (*) is added to distinguish between the actual and the references variables.
Electronics 12 01419 g015
Figure 16. Hardware design of VCS-FGS-PID controllers for DC bus voltage. Where (*) is added to distinguish between the actual and the references variables.
Figure 16. Hardware design of VCS-FGS-PID controllers for DC bus voltage. Where (*) is added to distinguish between the actual and the references variables.
Electronics 12 01419 g016
Figure 17. Hardware design of VCS-FGS-PID controllers for grid-side converter. Where (*) is added to distinguish between the actual and the references variables.
Figure 17. Hardware design of VCS-FGS-PID controllers for grid-side converter. Where (*) is added to distinguish between the actual and the references variables.
Electronics 12 01419 g017
Figure 18. Hardware design of FGS-PID.
Figure 18. Hardware design of FGS-PID.
Electronics 12 01419 g018
Figure 19. Design of membership function NS from XSG.
Figure 19. Design of membership function NS from XSG.
Electronics 12 01419 g019
Figure 20. Design of ZE membership function from XSG.
Figure 20. Design of ZE membership function from XSG.
Electronics 12 01419 g020
Figure 21. Rule design example from XSG.
Figure 21. Rule design example from XSG.
Electronics 12 01419 g021
Figure 22. (a) Wind speed, (b) mechanical speed, (c) pitch angle β and (d) power coefficient.
Figure 22. (a) Wind speed, (b) mechanical speed, (c) pitch angle β and (d) power coefficient.
Electronics 12 01419 g022
Figure 23. Electromagnetic torque.
Figure 23. Electromagnetic torque.
Electronics 12 01419 g023
Figure 24. Stator current’s quadratic component.
Figure 24. Stator current’s quadratic component.
Electronics 12 01419 g024
Figure 25. DC component injected into grid.
Figure 25. DC component injected into grid.
Electronics 12 01419 g025
Figure 26. Active power injected into grid.
Figure 26. Active power injected into grid.
Electronics 12 01419 g026
Figure 27. Reactive power injected into grid.
Figure 27. Reactive power injected into grid.
Electronics 12 01419 g027
Figure 28. DC bus voltage.
Figure 28. DC bus voltage.
Electronics 12 01419 g028
Figure 29. Variations in resistance as a function of time (s).
Figure 29. Variations in resistance as a function of time (s).
Electronics 12 01419 g029
Figure 30. Electromagnetic torque response under parameter variations.
Figure 30. Electromagnetic torque response under parameter variations.
Electronics 12 01419 g030
Figure 31. Electromagnetic torque.
Figure 31. Electromagnetic torque.
Electronics 12 01419 g031
Figure 32. Direct grid current.
Figure 32. Direct grid current.
Electronics 12 01419 g032
Figure 33. Quadratic stator current.
Figure 33. Quadratic stator current.
Electronics 12 01419 g033
Figure 34. Active power injected into the grid.
Figure 34. Active power injected into the grid.
Electronics 12 01419 g034
Figure 35. Hardware co-simulation.
Figure 35. Hardware co-simulation.
Electronics 12 01419 g035
Figure 36. Hardware co-simulation for VCS-FGS-PID controllers.
Figure 36. Hardware co-simulation for VCS-FGS-PID controllers.
Electronics 12 01419 g036
Figure 37. Hardware co-simulation for electromagnetic torque.
Figure 37. Hardware co-simulation for electromagnetic torque.
Electronics 12 01419 g037
Figure 38. Hardware co-simulation for quadratic stator current.
Figure 38. Hardware co-simulation for quadratic stator current.
Electronics 12 01419 g038
Figure 39. Hardware co-simulation for direct grid current.
Figure 39. Hardware co-simulation for direct grid current.
Electronics 12 01419 g039
Figure 40. Hardware co-simulation for DC bus voltage.
Figure 40. Hardware co-simulation for DC bus voltage.
Electronics 12 01419 g040
Figure 41. Hardware co-simulation for active grid-injected power.
Figure 41. Hardware co-simulation for active grid-injected power.
Electronics 12 01419 g041
Figure 42. Hardware co-simulation for reactive grid-injected power.
Figure 42. Hardware co-simulation for reactive grid-injected power.
Electronics 12 01419 g042
Table 1. Fuzzy tunning rules for Kp.
Table 1. Fuzzy tunning rules for Kp.
dE
NBNMNSZOPSPMPB
NBSSSSSSS
NMBBSSSBB
NSBBBSBBB
EZOBBBBBBB
PSBBBSBBB
PMBBSSSBB
PBSSSSSSS
Table 2. Fuzzy tunning rules for Kd.
Table 2. Fuzzy tunning rules for Kd.
dE
NBNMNSZOPSPMPB
NBBBBBBBB
NMSBBBBBS
NSSSBBBSS
EZOSSSBSSS
PSSSBBBSS
PMSBBBBBS
PBBBBBBBB
Table 3. Fuzzy tunning rules for α.
Table 3. Fuzzy tunning rules for α.
dE
NBNMNSZOPSPMPB
NB2222222
NM3322233
NS4332334
EZO5433345
PS4332334
PM3322233
PB2222222
Table 4. Parameters of power grid.
Table 4. Parameters of power grid.
ParametersValue
Grid-side filter resistance Rr0.2 Ω
Grid voltage Vr380 V
Grid-side filter inductance Lr25 mH
DC capacitance Cbus2200 μF
U*bus reference voltage400 V
Table 5. Parameters of PMSG.
Table 5. Parameters of PMSG.
ParametersValue
Resistance of stator Rs0.82 Ω
Inductance of stator Ls0.0151 mH
Number of pole pairs p2
Flux of permanent magnet φm0.4832 Wb
Resistance of stator Rs0.82 Ω
Table 6. Wind-turbine parameters.
Table 6. Wind-turbine parameters.
ParametersValue
Number of blades3
Air density ρ1.22 kg/ m 3
Rated power P e o l 3.5 kW
Blade radius R2 m
Rated wind speed V v n 13 m/s
Table 7. Comparison between studied controllers.
Table 7. Comparison between studied controllers.
Controllable VariableCriteriaVCS-PISMCVCS-FGS-PID
Electromagnetic torqueMAE0.60070.03204.5179 × 10−4
MSE0.86410.00135.7214 × 10−6
RMSE0.92960.03640.0024
Quadratic stator currentMAE0.20720.01101.5583 × 10−4
MSE0.10281.5725 × 10−46.8069 × 10−7
RMSE0.32060.01258.2504 × 10−4
Direct grid currentMAE0.77560.14760.0574
MSE40.18640.04170.5022
RMSE6.33930.20430.7086
Active power injected into the gridMAE294.721756.073121.8005
MSE5.8029 × 1066.0249 × 1032.7075 × 103
RMSE2.4089 × 10377.619952.0336
Table 8. Comparison between studied controllers.
Table 8. Comparison between studied controllers.
Comparison Criteria[25][66]SMC [67] FOC [68]NSOSMC [44]CTSR-PI [30]Our VCS-PIVCS-FGS-PID Proposed
PIFOSMPIRST
Complexity of tuning and implementationLowHighLow-LowHighMediumSimpleLowLow
DynamicLimitedGoodLow-GoodMedium-FastLimitedVery good
Stability featuresLowGoodLow-Good---LowExcellent
Response timeHighLow0.030.028Low-Medium-HighVery low
Steady state error --1.25%0.06%0.15%--HighHighNeglected
Robustness under parameter variationNot processedNot processedNot processedNot processedNot processedNot processedNot processedNot processedVery lowExcellent robustness
Tracking and performance++++++++++++++++++++
Perturbations HighChattering------HighNeglected
Study NatureSimulationSimulationSimulationSimulationSimulationSimulationSimulationSimulationSimulation and Hardware in the loopSimulation and Hardware in the loop
With (+): Low, (++): Medium, (+++): Good, and (++++), Excellent.
Table 9. Hardware resource consumption synthesis.
Table 9. Hardware resource consumption synthesis.
ResourcesUtilizationAvailableUtilization %
LUT31,77453,20059.725563
LUTRAM4817,4000.27586207
FF22,139106,40020.807331
Disclaimer/Publisher’s Note: The statements, opinions and data contained in all publications are solely those of the individual author(s) and contributor(s) and not of MDPI and/or the editor(s). MDPI and/or the editor(s) disclaim responsibility for any injury to people or property resulting from any ideas, methods, instructions or products referred to in the content.

Share and Cite

MDPI and ACS Style

Hermassi, M.; Krim, S.; Kraiem, Y.; Hajjaji, M.A.; Alshammari, B.M.; Alsaif, H.; Alshammari, A.S.; Guesmi, T. Design of Vector Control Strategies Based on Fuzzy Gain Scheduling PID Controllers for a Grid-Connected Wind Energy Conversion System: Hardware FPGA-in-the-Loop Verification. Electronics 2023, 12, 1419. https://doi.org/10.3390/electronics12061419

AMA Style

Hermassi M, Krim S, Kraiem Y, Hajjaji MA, Alshammari BM, Alsaif H, Alshammari AS, Guesmi T. Design of Vector Control Strategies Based on Fuzzy Gain Scheduling PID Controllers for a Grid-Connected Wind Energy Conversion System: Hardware FPGA-in-the-Loop Verification. Electronics. 2023; 12(6):1419. https://doi.org/10.3390/electronics12061419

Chicago/Turabian Style

Hermassi, Mahdi, Saber Krim, Youssef Kraiem, Mohamed Ali Hajjaji, Badr M. Alshammari, Haitham Alsaif, Ahmed S. Alshammari, and Tawfik Guesmi. 2023. "Design of Vector Control Strategies Based on Fuzzy Gain Scheduling PID Controllers for a Grid-Connected Wind Energy Conversion System: Hardware FPGA-in-the-Loop Verification" Electronics 12, no. 6: 1419. https://doi.org/10.3390/electronics12061419

APA Style

Hermassi, M., Krim, S., Kraiem, Y., Hajjaji, M. A., Alshammari, B. M., Alsaif, H., Alshammari, A. S., & Guesmi, T. (2023). Design of Vector Control Strategies Based on Fuzzy Gain Scheduling PID Controllers for a Grid-Connected Wind Energy Conversion System: Hardware FPGA-in-the-Loop Verification. Electronics, 12(6), 1419. https://doi.org/10.3390/electronics12061419

Note that from the first issue of 2016, this journal uses article numbers instead of page numbers. See further details here.

Article Metrics

Back to TopTop