An Automotive Reference Testbed with Trusted Security Services
Abstract
1. Introduction
- i
- While proposing novel and improved security services may represent a significant contribution to the literature, in the real world, most systems are composed of multiple protocols concurrently running over the same communication medium, which can raise several security concerns if not designed and implemented properly [17].
- ii
- In the most frequently used communication protocol for vehicle networks, the CAN protocol, there is a gap in terms of identifying the source and destination of a given message due to its bus-oriented communication pattern. This aspect becomes a severe concern when security comes into discussion. Preferably, each actor, (e.g., the security service) should be capable of identifying message sources and corresponding services.
- iii
- A distinct aspect of vehicular networks is that typically, they are not attacked from outside (e.g., via the Internet), but from inside, by actors who have direct physical access to the system with or without the owner’s consent (e.g., engine tuning, installation of custom firmware and devices). Consequently, the problem of where to store cryptographic credentials becomes critical.
- iv
- Experimentation represents a key aspect in validating the theoretical protocol design after a proper formal verification. For this reason, building and reproducing a reference architecture for testing purposes is a must.
- Contribution I: Several issues were identified in the previously proposed security services [18,19] regarding protocol and message identification, authentication, aliveness, and agreement between protocol participants. We address those problems by improving the protocols in terms of security design and best practices [16]. To better understand the security implications, a threat model and evaluation is presented. Furthermore, a three-step formal security analysis was conducted comprising both individual and multi-service analysis.
- Contribution II: An approach is formulated to describe how TPMs can be used in automotive networks. This covers multi-service identification, secure key storage, key distribution, and log attestation. Performance measurements of TPM commands are offered on the considered hardware.
- Contribution III: A system of trusted security services is proposed designed for CAN. An affordable and reproducible Reference TestBed (RTB) was developed to showcase the implementation of automotive security services. In the RTB, data is sent authenticated using the Mixed Data Authentication for CAN (MixCAN) protocol [18], long- and short-term cryptographic keys are periodically exchanged [19], the network traffic is monitored via a Stateful Firewall (SF) and an Intrusion Detection System (IDS) [20], and finally, security events are logged and published to trusted services.
2. Background and Related Work
2.1. Vehicle Networks
2.2. Trusted Platform Module
2.3. Related Work
3. Design Considerations
3.1. Service Identity
3.2. Identification, Numbering, and Freshness
3.3. Security Properties
- Secrecy. The secrecy property guarantees that certain information in a security protocol is not revealed to an attacker, even if the protocol is executed over an untrusted communication channel.
- Authentication. Intends to guarantee a protocol participant that there exists a second credible and trustworthy participant with which it communicates and executes the protocol.
- Agreement. The agreement property must guarantee that after completing a protocol run, all protocol participants agree on the messages exchanged.
4. Proposed System
- Key Distribution Service (KDS): distributes long-term encryption keys, and short-term data authentication keys to a group of protocol members by leveraging asymmetric cryptography.
- Mixed Data Authentication for CAN (MixCAN): aggregates and authenticates a mix of frames using Message Authentication Codes (MACs) computed with the KDS short-term authentication key.
- SF: monitors sequences of CAN traffic in a stateful manner based on CAN frame identifier field.
- IDS: extends the functionalities of the SF by performing additional deep-packet inspection at CAN data frame level, and by monitoring transmission times between frames.
- S-Log: generates security alerts, which ultimately are log events, yielded by other security services, signed with the TPM, and chained together for attestation using PCRs.
4.1. Bootstrapping
| Algorithm 1: Bootstrapping KDS |
Data: d: Protocol key distributor; : Protocol receiver member; Result: : Public key of d; : Secret key of d; : Public key of m; : Secret key of m; Function bootstrapDistributor(d, ): , ← tpm2_create() For : copy(, m) receive(, m) tpm2_load() return , , FunctionbootstrapMember(d, ): , ← gen_key() copy(, d) For : copy(, , m) tpm2_import(, ) tpm2_seal() receive(, d) tpm2_load() return , , |
| Algorithm 2: Bootstrapping the S-Log and V-Log |
Result: : Public key of S-Log; : Sealed secret key of S-Log; FunctionbootstrapLogger(): ← tpm2_create() copy(, V-Log) return , FunctionbootstrapLogVerifier(): ←receive(, s-log) tpm2_load() return |
4.2. Key Distribution Service
4.3. Data Authentication
4.4. Firewall and Intrusion Detection System
4.5. Secure Logging
5. Security Analysis
- Secrecy (secret): A secrecy claim for a term of an agent i is true, if and only if the term t never becomes known to the intruder.
- Aliveness (alive): A protocol satisfies the property of aliveness if and only if after an agent i executes a round of , i is sure that it communicates with a trusted agent r, and r executed an event.
- Weak agreement (weakagree): A protocol satisfies the property of weak agreement if and only if an agent i is sure that agent r executed the correct role in the protocol.
- Non-injective synchronization (nisynch): Represents a strong form of authentication in protocol . The claim is satisfied if all messages exchanged in have been sent or received by i or r.
- Non-injective agreement (niagree): A protocol satisfies the claim of non-injective agreement, if whenever i completes a run of the protocol believing it communicates with r, then r has run the protocol before believing to be communicating with i. Consequently, i and r must agree on the contents of the messages exchanged.
5.1. Threat Model
5.2. Individual Service Analysis
5.2.1. Long-Term Key Exchange
5.2.2. Short-Term Key Exchange
5.2.3. Symmetric Key Synchronisation
5.2.4. MixCAN Protocol
5.3. Multi-Protocol Analysis
5.4. Threat Evaluation
5.4.1. Man-in-the-Middle Attack
5.4.2. Fuzzy and Replay Attack
5.4.3. Compromise Attack
6. Reference TestBed
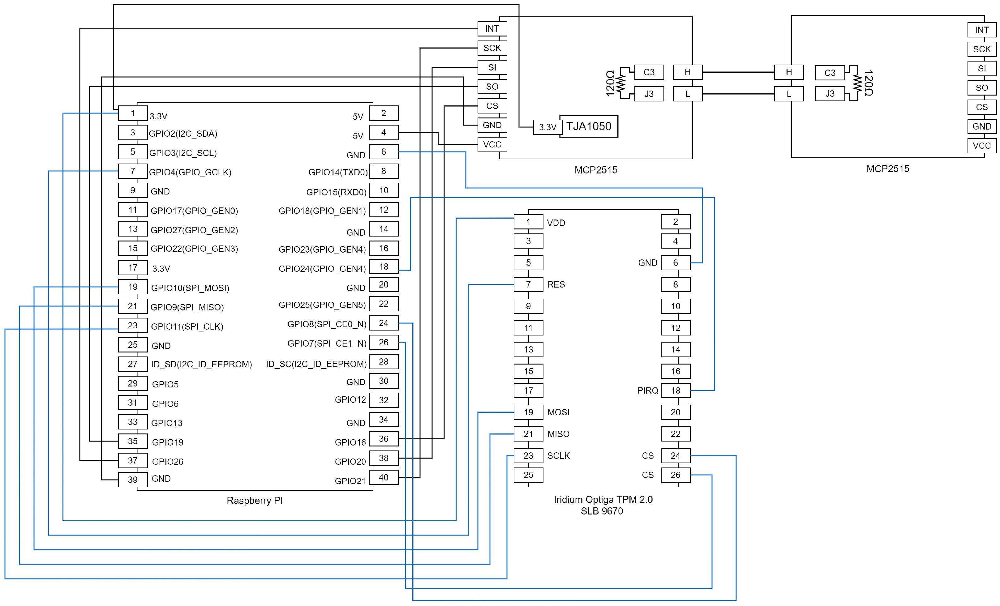
6.1. Reference Hardware
6.2. Testbed Interfaces
6.2.1. CAN Interface
6.2.2. MQTT Interface
6.2.3. TPM Interface
6.3. Workflow
- Scenario 1: Showcases the process of distributing a new short-term authentication key using Proto-STK. Along with this, the MixCAN protocol is executed to present how it utilizes the key obtained from Proto-STK.
- Scenario 2: Outlines the life-cycle of a security event generated by the SF/IDS, how it is processed by the S-Log together with the TPM, and how it is published afterwards, and finally verified on the cloud side.
6.3.1. Scenario 1
6.3.2. Scenario 2
6.4. Experimental Assessment
6.4.1. Performance Measurements
6.4.2. Attack Evaluation
6.5. Repository
7. Discussions
8. Future Work
9. Conclusions
Author Contributions
Funding
Conflicts of Interest
Appendix A

References
- Alalewi, A.; Dayoub, I.; Cherkaoui, S. On 5G-V2X Use Cases and Enabling Technologies: A Comprehensive Survey. IEEE Access 2021, 9, 107710–107737. [Google Scholar] [CrossRef]
- Taeihagh, A.; Lim, H.S.M. Governing autonomous vehicles: Emerging responses for safety, liability, privacy, cybersecurity, and industry risks. Transp. Rev. 2019, 39, 103–128. [Google Scholar] [CrossRef]
- ISO 11898-1:2003; Road Vehicles—Controller Area Network (CAN)—Part 1: Data Link Layer and Physical Signalling. International Organization for Standardization (ISO): Geneva, Switzerland, 2003.
- SAE International, SENT—Single Edge Nibble Transmission for Automotive Applications. Available online: https://doi.org/10.4271/J2716_201001 (accessed on 16 December 2022).
- Microchip Technology, Specifications According ISO 21806-1 Road Vehicles—MOST— Part 1: General information and definitions. Available online: https://www.mostcooperation.com/specifications/ (accessed on 16 December 2022).
- IEEE SA, IEEE Standard for Information Technology—Local and Metropolitan Area Networks– Specific Requirements– Part 11: Wireless LAN Medium Access Control (MAC) and Physical Layer (PHY) Specifications Amendment 6: Wireless Access in Vehicular Environments. Available online: https://standards.ieee.org/ieee/802.11p/3953/ (accessed on 16 December 2022).
- Rathore, R.S.; Hewage, C.; Kaiwartya, O.; Lloret, J. In-Vehicle Communication Cyber Security: Challenges and Solutions. Sensors 2022, 22, 6679. [Google Scholar] [CrossRef] [PubMed]
- Nie, S.; Liu, L.; Du, Y. Free-fall: Hacking tesla from wireless to can bus. In Proceedings of the Briefing, Black Hat USA, Las Vegas, NV, USA, 22 July 2017; Volume 25, pp. 1–16. [Google Scholar]
- Baldini, G.; Giuliani, R.; Gemo, M. Mitigation of Odometer Fraud for In-Vehicle Security Using the Discrete Hartley Transform. In Proceedings of the 2020 11th IEEE Annual Ubiquitous Computing, Electronics & Mobile Communication Conference (UEMCON), New York City, NY, USA, 28–31 October 2020; pp. 0479–0485. [Google Scholar] [CrossRef]
- Bolboaca, R. Adaptive Ensemble Methods for Tampering Detection in Automotive Aftertreatment Systems. IEEE Access 2022, 10, 105497–105517. [Google Scholar] [CrossRef]
- Sun, X.; Yu, F.R.; Zhang, P. A Survey on Cyber-Security of Connected and Autonomous Vehicles (CAVs). IEEE Trans. Intell. Transp. Syst. 2022, 23, 6240–6259. [Google Scholar] [CrossRef]
- Roman, A.S.; Genge, B.; Duka, A.V.; Haller, P. Privacy-Preserving Tampering Detection in Automotive Systems. Electronics 2021, 10, 3161. [Google Scholar] [CrossRef]
- AUTOSAR. Specification of Secure Onboard Communication AUTOSAR CP Release 4.3.1; AUTOSAR: Munich, Germany, 2017. [Google Scholar]
- Trusted Computing Group. Trusted Platform Module Library Specification, Family “2.0”, Level 00, Revision 01.59; Trusted Computing Group: Beaverton, OR, USA, 2019. [Google Scholar]
- Trusted Computing Group. TCG TPM 2.0 Automotive Thin Profile For TPM Family 2.0; Level 0; Trusted Computing Group: Beaverton, OR, USA, 2018. [Google Scholar]
- Ferguson, N.; Schneier, B.; Kohno, T. Cryptography Engineering: Design Principles and Practical Applications; Wiley Publishing: New York, NY, USA, 2010. [Google Scholar]
- Cremers, C. Feasibility of multi-protocol attacks. In Proceedings of the First International Conference on Availability, Reliability and Security (ARES’06), Vienna, Austria, 20–22 April 2006; p. 8. [Google Scholar] [CrossRef]
- Lenard, T.; Bolboacă, R.; Genge, B.; Haller, P. MixCAN: Mixed and Backward-Compatible Data Authentication Scheme for Controller Area Networks. In Proceedings of the 2020 IFIP Networking Conference (Networking), Paris, France, 22–25 June 2020; pp. 395–403. [Google Scholar]
- Genge, B.; Haller, P. Cryptographic Key Distribution Protocol with Trusted Platform Module for Securing In-vehicle Communications. In The 15th International Conference Interdisciplinarity in Engineering; Springer International Publishing: Cham, Switzerland, 2022; pp. 796–807. [Google Scholar] [CrossRef]
- Lenard, T.; Bolboaca, R. A Statefull Firewall and Intrusion Detection System Enforced with Secure Logging for Controller Area Network. In Proceedings of the European Interdisciplinary Cybersecurity Conference, Virtual Event, 10–11 November 2021; ACM: New York, NY, USA, 2021; pp. 39–45. [Google Scholar] [CrossRef]
- Robert Bosch Gmbh. CAN with Flexible Data-Rate, Specification Version 1.0; Vector CANtech, Inc.: Novi, MI, USA, 2012. [Google Scholar]
- Challener, A.W.; Kenneth, D.G. Hierarchies. In A Practical Guide to TPM 2.0: Using the New Trusted Platform Module in the New Age of Security; Apress: Berkeley, CA, USA, 2015; pp. 105–118. [Google Scholar] [CrossRef]
- Challener, A.W.; Kenneth, D.G. Platform Configuration Registers. In A Practical Guide to TPM 2.0: Using the New Trusted Platform Module in the New Age of Security; Apress: Berkeley, CA, USA, 2015; pp. 151–161. [Google Scholar] [CrossRef]
- Martínez-Cruz, A.; Ramírez-Gutiérrez, K.A.; Feregrino-Uribe, C.; Morales-Reyes, A. Security on in-vehicle communication protocols: Issues, challenges, and future research directions. Comput. Commun. 2021, 180, 1–20. [Google Scholar] [CrossRef]
- Lokman, S.F.; Othman, A.T.; Abu-Bakar, M.H. Intrusion detection system for automotive Controller Area Network (CAN) bus system: A review. EURASIP J. Wirel. Commun. Netw. 2019, 2019, 184. [Google Scholar] [CrossRef]
- Pham, M.; Xiong, K. A survey on security attacks and defense techniques for connected and autonomous vehicles. Comput. Secur. 2021, 109, 102269. [Google Scholar] [CrossRef]
- Nanda, A.; Puthal, D.; Rodrigues, J.J.P.C.; Kozlov, S.A. Internet of Autonomous Vehicles Communications Security: Overview, Issues, and Directions. IEEE Wirel. Commun. 2019, 26, 60–65. [Google Scholar] [CrossRef]
- Cui, J.; Liew, L.S.; Sabaliauskaite, G.; Zhou, F. A review on safety failures, security attacks, and available countermeasures for autonomous vehicles. Ad Hoc Netw. 2019, 90, 101823. [Google Scholar] [CrossRef]
- Jo, H.J.; Choi, W. A Survey of Attacks on Controller Area Networks and Corresponding Countermeasures. IEEE Trans. Intell. Transp. Syst. 2022, 23, 6123–6141. [Google Scholar] [CrossRef]
- Cremers, C.J.F. Scyther: Semantics and Verification of Security Protocols; Technische Universiteit Eindhoven: Eindhoven, The Netherlands, 2006. [Google Scholar]
- Matsumoto, T.; Hata, M.; Tanabe, M.; Yoshioka, K.; Oishi, K. A Method of Preventing Unauthorized Data Transmission in Controller Area Network. In Proceedings of the 2012 IEEE 75th Vehicular Technology Conference (VTC Spring), Yokohama, Japan, 6–9 May 2012; pp. 1–5. [Google Scholar] [CrossRef]
- Cremers, C.J.F. The Scyther Tool: Verification, Falsification, and Analysis of Security Protocols. In Computer Aided Verification; Springer: Berlin/Heidelberg, Germany, 2008; pp. 414–418. [Google Scholar] [CrossRef]
- Dolev, D.; Yao, A. On the security of public key protocols. IEEE Trans. Inf. Theory 1983, 29, 198–208. [Google Scholar] [CrossRef]
- Aliwa, E.; Rana, O.; Perera, C.; Burnap, P. Cyberattacks and Countermeasures for In-Vehicle Networks. ACM Comput. Surv. 2021, 54, 1–37. [Google Scholar] [CrossRef]
- Infineon Technologies AG, OPTIGA™ TPM SLM 9670. Available online: https://www.infineon.com/cms/en/product/security-smart-card-solutions/optiga-embedded-security-solutions/optiga-tpm/slm-9670/ (accessed on 16 December 2022).
- Infineon Technologies AG, Automotive Application Guide: Munich, Germany. Available online: https://www.infineon.com/dgdl/Infineon-Automotive-Application-Guide-2021-ApplicationBrochure-v02_00-EN.pdf?fileId=5546d462584d1d4a015891808e617573 (accessed on 16 December 2022).
- Benyahya, M.; Collen, A.; Kechagia, S.; Nijdam, N.A. Automated city shuttles: Mapping the key challenges in cybersecurity, privacy and standards to future developments. Comput. Secur. 2022, 122, 102904. [Google Scholar] [CrossRef]
- Benyahya, M.; Kechagia, S.; Collen, A.; Nijdam, N.A. The Interface of Privacy and Data Security in Automated City Shuttles: The GDPR Analysis. Appl. Sci. 2022, 12, 4413. [Google Scholar] [CrossRef]







| Symbol | Description |
|---|---|
| i | Protocol initiator |
| r | Protocol responder |
| a | Protocol adversary/attacker |
| d | Key distributor |
| m | Protocol member |
| M | Set of protocol members |
| Protocol between i and r | |
| Protocol executed by i or r | |
| Symmetric short-term key between i and r | |
| Symmetric long-term key between i and r | |
| Public key of i | |
| Secret key of i | |
| n | Freshness nonce |
| Protocol identifier | |
| Key identifier | |
| Message identifier | |
| Private message identifier | |
| Monotonic counter | |
| Encryption/sealing | |
| ‖ | Concatenation |
| Symmetric encryption with | |
| Asymmetric encryption with public key | |
| Asymmetric encryption/digital signature with private key | |
| Protocol type (LTK or STK) | |
| Frames received and sent | |
| Encrypted bloom filter function over message m |
| Protocol | Claim | Term | Proof of Correctness | ||
|---|---|---|---|---|---|
| Initial Version | Improved Version | Multi-Protocol Analysis | |||
| secret | Ok | Ok | Ok | ||
| secret | n | Fail | Ok | Ok | |
| secret | Fail | Ok | Ok | ||
| secret | Fail | Ok | Ok | ||
| alive | - | Fail for i, Ok for r | Ok | Ok | |
| weakagree | - | Fail for i, Ok for r | Ok | Ok | |
| niagree | - | Ok | Ok | Ok | |
| nisynch | - | Ok | Ok | Ok | |
| secret | Ok | Ok | Ok | ||
| secret | n | Fail | Ok | Ok | |
| secret | N/A | Ok | Ok | ||
| secret | Fail | Ok | Ok | ||
| alive | - | Fail for i, Ok for r | Ok | Ok | |
| weakagree | - | Fail for i, Ok for r | Ok | Ok | |
| niagree | - | Ok | Ok | Ok | |
| nisynch | - | Ok | Ok | Ok | |
| secret | N/A | Ok | Ok | ||
| secret | n | Fail | Ok | Ok | |
| secret | Fail | Ok | Ok | ||
| secret | N/A | Ok | Ok | ||
| secret | Fail | Ok | Ok | ||
| secret | Ok | Ok | Ok | ||
| alive | - | Fail | Ok | Ok | |
| weakagree | - | Fail | Ok | Ok | |
| niagree | - | Fail | Ok | Ok | |
| nisynch | - | Fail | Ok | Ok | |
| secret | n | Ok | Ok | Ok | |
| secret | N/A | Ok | Ok | ||
| secret | Ok | Ok | Ok | ||
| alive | - | Fail for i, Ok for r | Ok | Ok | |
| weakagree | - | Fail for i, Ok for r | Ok | Ok | |
| niagree | - | Ok | Ok | Ok | |
| nisynch | - | Ok | Ok | Ok | |
| TPM Command | Description | Min. [s] | Max. [s] | Avg. [s] |
|---|---|---|---|---|
| tpm2_create | Used in the bootstrapping process of the KDS and S-Log to generate a pair of asymmetric keys. | 0.806 | 32.330 | 10.237 |
| tpm2_getrandom | Used by Proto-LTK to generate an encryption key. | 0.071 | 0.094 | 0.076 |
| tpm2_create(hmac) | Used by Proto-STK to generate an authentication key. | 0.071 | 0.099 | 0.079 |
| tpm2_load | Used by KDS and S-Log on start-up to load the bootstrapped asymmetric keys. | 0.425 | 0.469 | 0.441 |
| tpm2_hmac | Used by MixCAN to compute authentication tags. | 0.790 | 0.874 | 0.823 |
| tpm2_rsadecrypt | Used by KDS for decryption. | 0.464 | 0.511 | 0.486 |
| tpm2_rsaencrypt | Used by KDS for encryption. | 0.158 | 0.191 | 0.168 |
| tpm2_sign | Used for computing digital signature by KDS and S-Log. | 0.536 | 0.584 | 0.559 |
| tpm2_verifysignature | Used for verification of digital signature by KDS, S-Log and V-Log. | 0.166 | 0.203 | 0.180 |
| tpm2_pcrread | Used by S-Log and V-Log to read the state of a PCR index. | 0.053 | 0.078 | 0.059 |
| tpm2_pcrextend | Used by S-Log and V-Log to extend the state of a PCR index. | 0.048 | 0.092 | 0.054 |
| Attack Name | Attack Description | Detected by SF/IDS |
|---|---|---|
| Part 1 replayed | Part 1 replayed in Part 2 | ✔ |
| Part 3 replayed | Part 3 replayed in Part 2 | ✔ |
| Remove every 2nd frame | Remove every 2nd frame with CAN ID X in Part 2 | ✔ |
| Remove every 3rd frame | Remove every 3rd frame with CAN ID X in Part 2 | ✔ |
| Insert frames in Part 2 | Insert frame with CAN ID X between two of the same frames in Part 2 | ✔ |
| Delay every 2nd frame 10% | Delay every 2nd frame with CAN ID X by 10% of its cycle time in Part 2 | ✔ |
| Delay every 2nd frame 20% | Delay every 3rd frame with CAN ID X by 20% of its cycle time in Part 2 | ✔ |
| Increase cycle time 10% | Increase cycle time of every frame with CAN ID X by 10% in Part 2 | ✔ |
| Decrease cycle time 10% | Decrease cycle time of every frame with CAN ID X by 10% in Part 2 | ✔ |
| Shift forward every frame 20% | Shift forward by 10% the expected time slot of CAN ID X in Part 2. Cycle time is not modified. | ✔ |
| Shift backwards every frame 10% | Shift backwards by 10% the expected time slot of CAN ID X in Part 2. Cycle time is not modified. | ✔ |
Disclaimer/Publisher’s Note: The statements, opinions and data contained in all publications are solely those of the individual author(s) and contributor(s) and not of MDPI and/or the editor(s). MDPI and/or the editor(s) disclaim responsibility for any injury to people or property resulting from any ideas, methods, instructions or products referred to in the content. |
© 2023 by the authors. Licensee MDPI, Basel, Switzerland. This article is an open access article distributed under the terms and conditions of the Creative Commons Attribution (CC BY) license (https://creativecommons.org/licenses/by/4.0/).
Share and Cite
Lenard, T.; Genge, B.; Haller, P.; Collen, A.; Nijdam, N.A. An Automotive Reference Testbed with Trusted Security Services. Electronics 2023, 12, 888. https://doi.org/10.3390/electronics12040888
Lenard T, Genge B, Haller P, Collen A, Nijdam NA. An Automotive Reference Testbed with Trusted Security Services. Electronics. 2023; 12(4):888. https://doi.org/10.3390/electronics12040888
Chicago/Turabian StyleLenard, Teri, Béla Genge, Piroska Haller, Anastasija Collen, and Niels Alexander Nijdam. 2023. "An Automotive Reference Testbed with Trusted Security Services" Electronics 12, no. 4: 888. https://doi.org/10.3390/electronics12040888
APA StyleLenard, T., Genge, B., Haller, P., Collen, A., & Nijdam, N. A. (2023). An Automotive Reference Testbed with Trusted Security Services. Electronics, 12(4), 888. https://doi.org/10.3390/electronics12040888

