Compact Microstrip Line to Rectangular Waveguide Transition Using Corrugated Substrate Integrated Waveguide
Abstract
1. Introduction
2. Design of the Transition
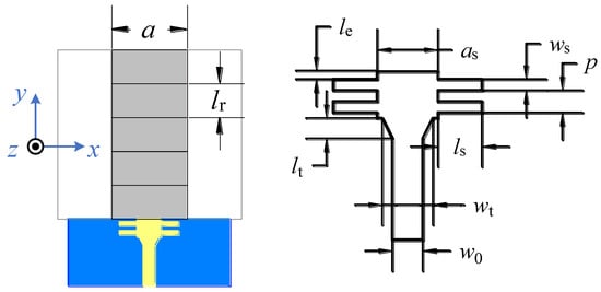
2.1. Transition Model
2.2. Working Principles
2.3. Parameter Analysis
3. Results and Comparisons
3.1. Results
3.2. Comparisons
4. Conclusions
Author Contributions
Funding
Institutional Review Board Statement
Informed Consent Statement
Data Availability Statement
Conflicts of Interest
References
- Song, H.-J.; Nagatsuma, T. Present and future of terahertz communications. IEEE Trans. Terahertz Sci. Technol. 2011, 1, 256–263. [Google Scholar] [CrossRef]
- Leong, Y.-C.; Weinreb, S. Full Band Waveguide-to-Microstrip Probe Transitions. In Proceedings of the 1999 IEEE MTT-S International Microwave Symposium Digest, Anaheim, CA, USA, 13–19 June 1999; Volume 4, pp. 1435–1438. [Google Scholar]
- Yao, H.-W.; Abdelmonem, A.; Liang, J.-F.; Zaki, K.A. Analysis and design of microstrip-to-waveguide transitions. IEEE Trans. Microw. Theory Tech. 1994, 42, 2371–2380. [Google Scholar]
- Simone, M.; Fanti, A.; Valente, G.; Montisci, G.; Ghiani, R.; Mazzarella, G. A Compact In-Line Waveguide-to-Microstrip Transition in the Q-Band for Radio Astronomy Applications. Electronics 2018, 7, 24. [Google Scholar] [CrossRef]
- Deng, B.; Zhang, Q. A wideband MSL-to-WR transition for millimeter wave application. In Proceedings of the 2016 Asia-Pacific International Symposium on Electromagnetic Compatibility (APEMC), Shenzhen, China, 17–21 May 2016. [Google Scholar]
- Li, C.L.; Jin, C.; Ma, H.Q.; Shi, X.W. An inline waveguide-to-microstrip transition for wideband millimeter-wave applications. Microw. Opt. Technol. Lett. 2020, 62, 1516–1520. [Google Scholar] [CrossRef]
- Zaman, A.U.; Vassilev, V.; Zirath, H.; Rorsman, N. Novel Low-Loss Millimeter-Wave Transition from Waveguide-to-Microstrip Line Suitable for MMIC Integration and Packaging. IEEE Microw. Wirel. Compon. Lett. 2017, 27, 1098–1100. [Google Scholar] [CrossRef]
- Belenguer, A.; Ballesteros, J.A.; Fernandez, M.D.; González, H.E.; Boria, V.E. Versatile, Error-Tolerant, and Easy to Manufacture Through-Wire Microstrip-to-ESIW Transition. IEEE Trans. Microw. Theory Tech. 2020, 68, 2243–2250. [Google Scholar] [CrossRef]
- Sorocki, J.; Piekarz, I.; Samulak, A.; Delmonte, N.; Silvestri, L.; Marconi, S.; Alaimo, G.; Auricchio, F.; Bozzi, M. Additively Fabricated Air-Filled Waveguide Integrated with Printed Circuit Board Using a Through-Patch Transition. IEEE Microw. Wirel. Compon. Lett. 2021, 31, 1207–1210. [Google Scholar] [CrossRef]
- Piekarz, I.; Sorocki, J.; Delmonte, N.; Silvestri, L.; Marconi, S.; Alaimo, G.; Auricchio, F.; Bozzi, M. Wideband Microstrip to 3-D-Printed Air-Filled Waveguide Transition Using a Radiation Probe. IEEE Microw. Wirel. Compon. Lett. 2022, 32, 1179–1182. [Google Scholar] [CrossRef]
- Boukari, B.; Moldovan, E.; Affes, S.; Wu, K.; Bosisio, R.G.; Tatu, S.O. Robust Microstrip-to-Waveguide Transitions for Millimeter-Wave Radar Sensor Applications. IEEE Antennas Wireless Propag. Lett. 2009, 8, 759–762. [Google Scholar] [CrossRef]
- Hammou, D.; Nedil, M.; Kandil, N.; Moldovan, E.; Tatu, S.O. V-band millimeter-wave microstrip to rectangular waveguide transition. Microw. Opt. Technol. Lett. 2013, 55, 1696–1700. [Google Scholar] [CrossRef]
- Zhang, Y.; Ruiz-Cruz, J.A.; Zaki, K.A.; Piloto, A.J. A Waveguide to Microstrip Inline Transition with Very Simple Modular Assembly. IEEE Microw. Wirel. Compon. Lett. 2010, 20, 480–482. [Google Scholar] [CrossRef]
- Pérez-Escudero, J.M.; Torres-García, A.E.; Gonzalo, R.; Ederra, I. A Simplified Design Inline Microstrip-to-Waveguide Transition. Electronics 2018, 7, 215. [Google Scholar] [CrossRef]
- Cano, J.L.; Mediavilla, A.; Perez, A.R. Full-Band Air-Filled Waveguide-to-Substrate Integrated Waveguide (SIW) Direct Transition. IEEE Microw. Wirel. Compon. Lett. 2015, 25, 79–81. [Google Scholar] [CrossRef]
- Moldovan, E.; Bosisio, R.G.; Wu, K. W-band multiport substrate-integrated waveguide circuits. IEEE Trans. Microw. Theory Tech. 2006, 54, 625–632. [Google Scholar] [CrossRef]
- Chen, D.G.; Eccleston, K.W. Substrate integrated waveguide with corrugated wall. In Proceedings of the 2008 Asia-Pacific Microwave Conference, Hong Kong, China, 16–20 December 2008. [Google Scholar]
- Eccleston, K.W. Mode Analysis of the Corrugated Substrate Integrated Waveguide. IEEE Trans. Microw. Theory Tech. 2012, 60, 3004–3012. [Google Scholar] [CrossRef]
- Chen, K.; Zhang, Y.H.; He, S.Y.; Chen, H.T.; Zhu, G.Q. An Electronically Controlled Leaky-Wave Antenna Based on Corrugated SIW Structure with Fixed-Frequency Beam Scanning. IEEE Antennas Wireless Propag. Lett. 2019, 18, 551–555. [Google Scholar] [CrossRef]
- Lin, Y.; Zhang, Y.; Liu, H.; Zhang, Y.; Forsberg, E.; He, S. A Simple High-Gain Millimeter-Wave Leaky-Wave Slot Antenna Based on a Bent Corrugated SIW. IEEE Access 2020, 8, 91999–92006. [Google Scholar] [CrossRef]









| Parameter | Value |
|---|---|
| a | 0.559 |
| as | 0.18 |
| w0 | 0.09 |
| wt | 0.15 |
| ws | 0.033 |
| lt | 0.06 |
| ls | 0.13 |
| le | 0.022 |
| lr | 0.25 |
| p | 0.066 |
| b | 0.2795 |
| b1 | 0.05 |
| b2 | 0.09 |
| b3 | 0.14 |
| b4 | 0.22 |
| Ref. | Frequency (GHz) | S11 (dB) | S21 (dB) | Requirement of Via Holes/Shaped Dielectric |
|---|---|---|---|---|
| [9] | 18–24 | <−15 | About −0.86 | No |
| [10] | 8.2–12.4 | <−10 | About −0.18 | Yes |
| [11] | 74–79 | <−10 | - | Yes |
| [12] | 60–64 | <−10 | >−1.5 | Yes |
| [13] | 8.2–10 | <−10 | >−1.5 | Yes |
| [14] | 75–110 | <−10 | >−1 | Yes |
| This work | 325–500 | <−14.5 | >−1.03 | No |
Disclaimer/Publisher’s Note: The statements, opinions and data contained in all publications are solely those of the individual author(s) and contributor(s) and not of MDPI and/or the editor(s). MDPI and/or the editor(s) disclaim responsibility for any injury to people or property resulting from any ideas, methods, instructions or products referred to in the content. |
© 2023 by the authors. Licensee MDPI, Basel, Switzerland. This article is an open access article distributed under the terms and conditions of the Creative Commons Attribution (CC BY) license (https://creativecommons.org/licenses/by/4.0/).
Share and Cite
Liu, Z.; Yao, Y.; Cheng, X.; Li, Q. Compact Microstrip Line to Rectangular Waveguide Transition Using Corrugated Substrate Integrated Waveguide. Electronics 2023, 12, 614. https://doi.org/10.3390/electronics12030614
Liu Z, Yao Y, Cheng X, Li Q. Compact Microstrip Line to Rectangular Waveguide Transition Using Corrugated Substrate Integrated Waveguide. Electronics. 2023; 12(3):614. https://doi.org/10.3390/electronics12030614
Chicago/Turabian StyleLiu, Zihao, Yuan Yao, Xiaohe Cheng, and Qi Li. 2023. "Compact Microstrip Line to Rectangular Waveguide Transition Using Corrugated Substrate Integrated Waveguide" Electronics 12, no. 3: 614. https://doi.org/10.3390/electronics12030614
APA StyleLiu, Z., Yao, Y., Cheng, X., & Li, Q. (2023). Compact Microstrip Line to Rectangular Waveguide Transition Using Corrugated Substrate Integrated Waveguide. Electronics, 12(3), 614. https://doi.org/10.3390/electronics12030614

