Design of High-Performance Driving Power Supply for Semiconductor Laser
Abstract
:1. Introduction
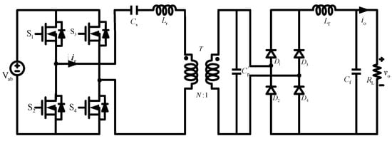
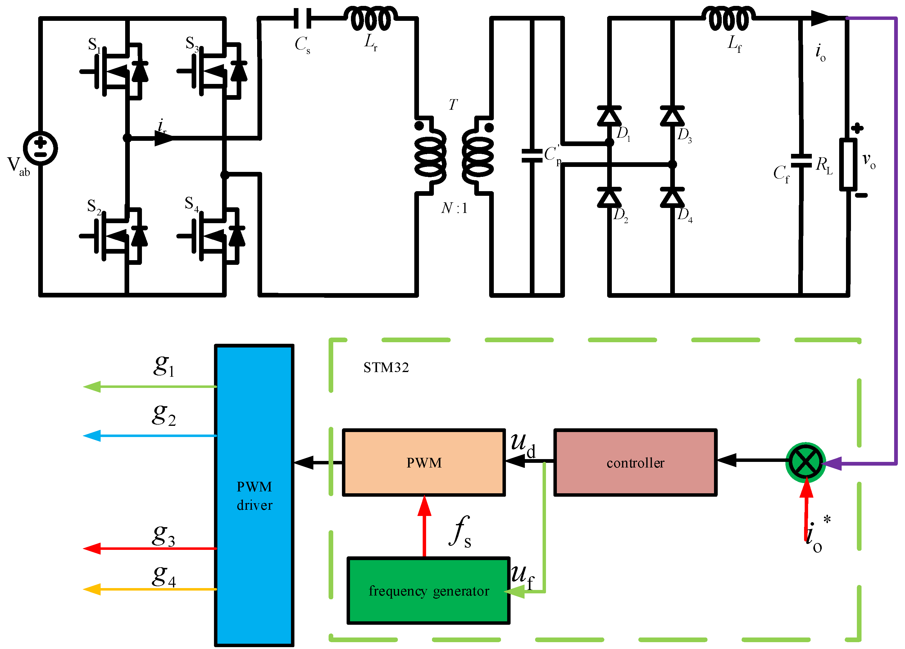
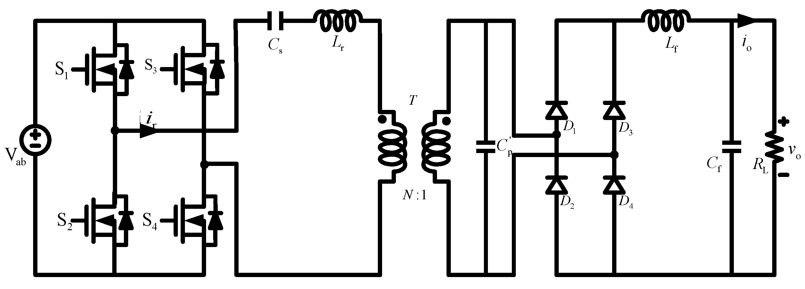
2. The Composition of a Power System
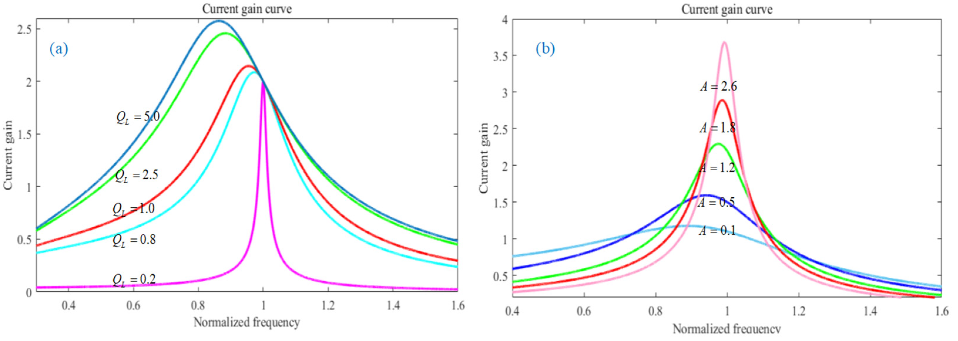
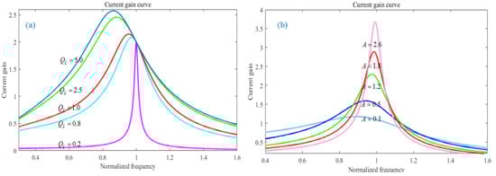
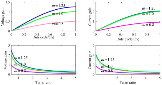
2.1. Mathematical Model Analysis of LCC Resonant Converter
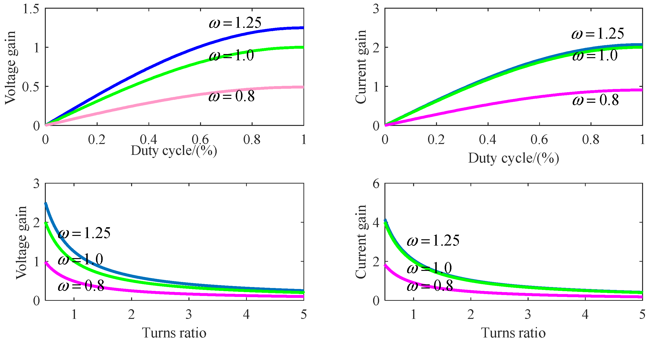
2.2. Design of LCC Resonator Parameters
3. Power System Control Strategy and Algorithm Analysis
4. Simulation and Test Results
4.1. Constant Current Characteristic Test of Semiconductor Laser Power Supply
4.2. Experiment on Anti-Interference Characteristics of Semiconductor Laser Power Supply
4.3. Power Efficiency Characteristic Test of Semiconductor Laser
5. Conclusions
Author Contributions
Funding
Data Availability Statement
Acknowledgments
Conflicts of Interest
References
- Yang, Y.F. Research on high power semiconductor laser. Electron. Compon. Inf. Technol. 2022, 6, 41–43. [Google Scholar]
- Ning, Y.Q.; Chen, Y.Y.; Zhang, J.; Song, Y.; Lei, Y.; Qiu, C.; Liang, L.; Jia, P.; Qin, L.; Wang, L. Brief review of development and techniques for high power semiconductor lasers. Acta Opt. Sin. 2021, 41, 191–200. [Google Scholar]
- Liux, X.; Han, J.H.; Cai, H.; Yang, F.; Rong, K.; An, G.; Wang, Y. Review of high repetition-rate mid-infrared lasers for photoelectric countermeasures. Laser Technol. 2021, 45, 271–279. [Google Scholar]
- Xu, Y.F.; Shi, Y.J.; Shao, J.Z.; Lin, Y.; Shen, Q.; Liang, X. Design of high precision pulse power supply for high power semiconductor laser. Laser Technol. 2023, 47, 108–114. [Google Scholar]
- Tian, Y.L.; Li, C.S.; Zhang, Z.Y. High-accuracy and high-stability constant current power for semiconductor lasers. J. Xi’an Jiaotong Univ. 2019, 53, 1–5. [Google Scholar]
- Yang, C.L.; Jia, H.Z.; Xia, G.Z. Design for the circuit to eliminate surge of the laser diode power supply. Appl. Laser 2008, 28, 310–313. [Google Scholar]
- Wu, J.W.; Qi, Y.; Wu, X.K. High-efficiency laser diode driver for aerospace applications. Aerosp. Shanghai 2020, 37, 81–87. [Google Scholar]
- Thompson, M.T.; Schlecht, M.F. High power laser diode driver based on power converter technology. IEEE Trans. Power Electron. 1997, 12, 46–52. [Google Scholar] [CrossRef]
- Yang, J.T.; Wang, J.A.; Wang, Y.; Hu, X. Design and research of a new high performance power supply for semiconductor lasers. Chin. J. Electron. Devices 2021, 44, 817–823. [Google Scholar]
- Zhao, Q.L.; Li, S.; Cao, R.R.; Wang, D.; Yuan, J. Design of pulse power supply for high-power semiconductor laser diode arrays. IEEE Access 2019, 7, 92805–92812. [Google Scholar] [CrossRef]
- Zhang, L.; Chen, J.S.; Gao, J.; Tan, H.; Wu, X. Design of driving power and temperature control system for high power semiconductor laser. Infrared Laser Eng. 2018, 47, 102–108. [Google Scholar]
- Liu, J.N.; Zheng, H.; Sun, Y.H.; Fang, Y.; Tie, J.; Fan, C.Y.; Zhang, C.B. Research on a multi-branch micro-second laser drive power and control technology for laser cleaning. Chin. J. Electron. Devices 2021, 44, 322–327. [Google Scholar]
- Zhang, Z.F.; Zhai, Y.S.; Zhan, S.U.; Su, Y.-L.; Wang, X.-J.; Du, Y.-X. A novel method to drive semiconductor laser for optical frequency standard based on constant voltage source. Optik 2015, 126, 3924–3926. [Google Scholar] [CrossRef]
- Lü, Y.; Gao, J.Y.; Jiang, Y.J. Design of efficient power supply for high power infrared laser diode. Laser Infrared 2019, 49, 309–314. [Google Scholar]
- Wang, C.; Ma, X.M.; Yu, P.P.; Guo, F.; Wang, Z.Q. Research of laser diode driver with interleaved single ended forward conversion. Laser Technol. 2016, 40, 665–669. [Google Scholar]
- Zhong, X.L.; Wang, J.; Luo, Y.H.; Deng, J.H.; Li, X.T. Research on power control system of semiconductor laser with active temperature. Appl. Laser 2021, 41, 608–613. [Google Scholar]
- Zhao, Q.L.; Cao, R.R.; Wang, D.Y.; Yuan, Y. Design of pulse power supply for diode pumped solid state laser. High Power Laser Part. Beams 2018, 30, 129–134. [Google Scholar]
- Cao, R.R.; Wang, D.Y.; Zhao, Q.L.; Li, S. Wide range voltage of diode laser driver. High Power Laser Part. Beams 2018, 30, 12–15. [Google Scholar]
- Yuan, Y.S.; Yi, C.Y.; Peng, N. T-type half-bridge LCC resonant converter with L-R composite modulation. Trans. China Electrotech. Soc. 2022, 37, 892–904. [Google Scholar]
- Liao, H.F.; Shuai, D.X.; Long, T.Y. Research on Li-ion battery charger based on LCC resonant converter. Chin. J. Power Sources 2021, 45, 669–672. [Google Scholar]
- Zhan, L.N.; Wang, C.F.; Ma, C. Modeling of LLC resonant converter based on extended describing function method. Syst. Simul. Technol. 2014, 10, 211–216. [Google Scholar]
- Hu, F.Z.; Xiong, J.F.; Qi, C.C. Modeling and analysis of bidirectional full-bridge CLLLC resonant converter. J. Air Space Early Warn. Res. 2019, 33, 446–450. [Google Scholar]
- Ma, M.; Liao, P.; Cai, Y.X.; Lei, R.T.; He, Y. First-order active disturbance rejection control and parameter tuning method based on particle swarm optimization for LCL grid-connected inverter. Electr. Power Autom. Equip. 2021, 41, 174–182. [Google Scholar]












Disclaimer/Publisher’s Note: The statements, opinions and data contained in all publications are solely those of the individual author(s) and contributor(s) and not of MDPI and/or the editor(s). MDPI and/or the editor(s) disclaim responsibility for any injury to people or property resulting from any ideas, methods, instructions or products referred to in the content. |
© 2023 by the authors. Licensee MDPI, Basel, Switzerland. This article is an open access article distributed under the terms and conditions of the Creative Commons Attribution (CC BY) license (https://creativecommons.org/licenses/by/4.0/).
Share and Cite
Feng, B.; Zhao, J.; Zhang, H.; Li, T.; Mi, J. Design of High-Performance Driving Power Supply for Semiconductor Laser. Electronics 2023, 12, 4758. https://doi.org/10.3390/electronics12234758
Feng B, Zhao J, Zhang H, Li T, Mi J. Design of High-Performance Driving Power Supply for Semiconductor Laser. Electronics. 2023; 12(23):4758. https://doi.org/10.3390/electronics12234758
Chicago/Turabian StyleFeng, Bin, Junfeng Zhao, Haofei Zhang, Tao Li, and Jianjun Mi. 2023. "Design of High-Performance Driving Power Supply for Semiconductor Laser" Electronics 12, no. 23: 4758. https://doi.org/10.3390/electronics12234758
APA StyleFeng, B., Zhao, J., Zhang, H., Li, T., & Mi, J. (2023). Design of High-Performance Driving Power Supply for Semiconductor Laser. Electronics, 12(23), 4758. https://doi.org/10.3390/electronics12234758
