Q-Learning and Efficient Low-Quantity Charge Method for Nodes to Extend the Lifetime of Wireless Sensor Networks
Abstract
:1. Introduction
2. Architecture
2.1. WSN PSEN-SM System Architecture
2.2. PSEN System Architecture
3. Proposed ELQC Model
4. Proposed QL-ELQC Method
4.1. Proposed QL-ELQC Block Diagram
4.2. Proposed QL-ELQC Model
4.2.1. QL-ELQC of Standby Time Optimization
| Algorithm 1: Standby time optimization control scheme based on QL-ELQC |
| 1: Initialization ; 2: Observation sensor data and status st Equation (12); 3: Select standby time optimization action value control scheme based on the —greedy strategy Tst; 4: Set the standby time according to policy and calculate Rst Equation (13); 5: Obtain the instant reward value Equation (14); 6: Update . according to Equation (15); 7: Determine whether the learning process has ended. If not, set t = t + 1 and return to step 2, else end the learning procedure. |
4.2.2. Simulation Results
5. Experimentation
5.1. RF Module
5.2. Sensor Module
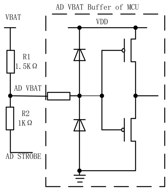
5.3. MCU
5.4. Power Management
6. PSEN System Measurements and Discussion
7. Conclusions
Author Contributions
Funding
Data Availability Statement
Acknowledgments
Conflicts of Interest
References
- Bhuiyan, M.N.; Rahman, M.M.; Billah, M.M.; Saha, D. Internet of Things (IoT): A review of its enabling technologies in healthcare applications, standards protocols, security, and market opportunities. IEEE Internet Things J. 2021, 8, 10474–10498. [Google Scholar] [CrossRef]
- Ghayvat, H.; Mukhopadhyay, S.; Gui, X.; Suryadevara, N. WSN- and IOT-based smart homes and their extension to smart buildings. Sensors 2015, 15, 10350–10379. [Google Scholar] [CrossRef] [PubMed]
- Lazarescu, M.T. Design of a WSN platform for long-term environmental monitoring for IoT applications. IEEE J. Emerg. Sel. Topics Circuits Syst. 2013, 3, 45–54. [Google Scholar] [CrossRef]
- Zhang, Y.; Wang, W.; Xie, H.; Du, S.; Ma, M.; Zeng, Q. Wireless multi-node uRLLc B5G/6G networks for critical services in electrical power systems. Energies 2022, 15, 9437. [Google Scholar] [CrossRef]
- Tarighi, R.; Farajzadeh, K.; Hematkhah, H. Prolong network lifetime and improve efficiency in WSNUAV systems using new clustering parameters and CSMA modification. Int. J. Commun. Syst. 2020, 33, e4324. [Google Scholar] [CrossRef]
- Hatime, H.; Namuduri, K.; Watkins, J.M. OCTOPUS: An on-demand communication topology updating strategy for mobile sensor networks. IEEE Sens. J. 2011, 11, 1004–1012. [Google Scholar] [CrossRef]
- Yu, C.M.; Ku, M.L.; Wang, L.C. Balanced Routing Algorithm with Transmission Range Adjustment for Network Lifetime Improvement in WSNs. In Proceedings of the IEEE 13th Annual Ubiquitous Computing, Electronics and Mobile Communication Conference (UEMCON), New York, NY, USA, 26–29 October 2022; pp. 308–312. [Google Scholar]
- Wang, W.S.; Huang, H.Y.; Chen, S.C.; Ho, K.C.; Lin, C.Y.; Chou, T.C.; Hu, C.H.; Wang, W.F.; Wu, C.F.; Luo, C.H. Real-time telemetry system for amperometric and potentiometric electrochemical sensors. Sensors 2011, 11, 8593–8610. [Google Scholar] [CrossRef]
- Koo, B.; Shon, T. Implementation of a WSN-based structural health monitoring architecture using 3D and AR mode. IEICE Trans. Commun. 2010, E93.B, 2963–2966. [Google Scholar] [CrossRef]
- Mahdi Elsiddig Haroun, F.; Mohamad Deros, S.N.; Ahmed Alkahtani, A.; Md Din, N. Towards self-powered WSN: The design of ultra-low-power wireless sensor transmission unit based on indoor solar energy harvester. Electronics 2022, 11, 2077. [Google Scholar] [CrossRef]
- Hassan, A.A.; Shah, W.M.; Habeb, A.-H.H.; Othman, M.F.I.; Al-Mhiqani, M.N. An improved energy-efficient clustering protocol to prolong the lifetime of the WSN-based IoT. IEEE Access 2020, 8, 200500–200517. [Google Scholar] [CrossRef]
- Li, N.; Xiao, M.; Rasmussen, L.K.; Hu, X.; Leung, V.C.M. On resource allocation of cooperative multiple access strategy in energy-efficient industrial Internet of things. IEEE Trans. Ind. Inf. 2021, 17, 1069–1078. [Google Scholar] [CrossRef]
- Panhwar, M.A.; Liang, D.Z.; Memon, K.A.; Khuhro, S.A.; Abbasi, M.A.K.; Noor-ul-Ain, Z.A.; Ali, Z. Energy-efficient routing optimization algorithm in WBANs for patient monitoring. J. Ambient Intell. Hum. Comput. 2021, 12, 8069–8081. [Google Scholar] [CrossRef]
- Xie, J.Z.; Zhang, B.J.; Zhang, C.P. A novel relay node placement and energy efficient routing method for heterogeneous wireless sensor networks. IEEE Access 2020, 8, 202439–202444. [Google Scholar] [CrossRef]
- Liu, S.; Fan, K.W.; Sinha, P. CMAC: An energy-efficient MAC layer protocol using convergent packet forwarding for wireless sensor networks. ACM Trans. Sens. Netw. (TOSN) 2009, 5, 29. [Google Scholar] [CrossRef]
- Khoramnejad, F.; Joda, R.; Sediq, A.B.; Abou-Zeid, H.; Atawia, R.; Boudreau, G.; Erol-Kantarci, M. Delay-aware and energy-efficient carrier aggregation in 5G using double Deep Q-networks. IEEE Trans. Commun. 2022, 70, 6615–6629. [Google Scholar] [CrossRef]
- Wu, Z.; Pan, P.; Liu, J.; Shi, B.; Yan, M.; Zhang, H. Environmental perception Q-learning to prolong the lifetime of poultry farm monitoring networks. Electronics 2021, 10, 3024. [Google Scholar] [CrossRef]
- Tarasia, N.; Swain, A.R.; Roy, S.; Kar, U.N. Improved localized sleep scheduling techniques to prolong WSN lifetime. Scalable Comput. Pract. Exp. 2021, 22, 81–92. [Google Scholar] [CrossRef]
- Yao, Y.-D.; Wang, C.; Li, X.; Zeng, Z.; Zhao, B.; Su, Z.; Li, H. Multihop clustering routing protocol based on improved coronavirus herd immunity optimizer and Q-learning in WSNs. IEEE Sens. J. 2023, 23, 1645–1659. [Google Scholar] [CrossRef]
- Tao, J.; Zhang, R.; Qiao, Z.; Ma, L. Q-Learning-based fuzzy energy management for fuel cell/supercapacitor HEV. Trans. Inst. Meas. Control 2022, 44, 1939–1949. [Google Scholar] [CrossRef]
- Hsu, R.C.; Lin, T.-H.; Su, P.-C. Dynamic energy management for perpetual operation of energy harvesting wireless sensor node using fuzzy Q-learning. Energies 2022, 15, 3117. [Google Scholar] [CrossRef]
- Karunanayake, P.N.; Könsgen, A.; Weerawardane, T.; Förster, A. Q learning based adaptive protocol parameters for WSNs. J. Commun. Netw. 2023, 25, 76–87. [Google Scholar] [CrossRef]
- Hajizadeh, H.; Nabi, M.; Goossens, K. Decentralized configuration of TSCH-based IoT networks for distinctive QoS: A deep reinforcement learning approach. IEEE Internet Things J. 2023, 10, 16869–16880. [Google Scholar] [CrossRef]
- Al-Jerew, O.; Bassam, N.A.; Alsadoon, A. Reinforcement learning for delay tolerance and energy saving in mobile wireless sensor networks. IEEE Access 2023, 11, 19819–19835. [Google Scholar] [CrossRef]
- Redhu, S.; Hegde, R.M. Cooperative network model for joint mobile sink scheduling and dynamic buffer management using Q-learning. IEEE Trans. Netw. Serv. Manage. 2020, 17, 1853–1864. [Google Scholar] [CrossRef]
- Huang, H.Y.; Kim, K.T.; Youn, H.Y. Determining node duty cycle using Q-learning and linear regression for WSN. Front. Comput. Sci. 2021, 15, 151101. [Google Scholar] [CrossRef]
- Shafiq, M.; Ashraf, H.; Ullah, A.; Tahira, S. Systematic literature review on energy efficient routing schemes in WSN—A survey. Mobile Netw. Appl. 2020, 25, 882–895. [Google Scholar] [CrossRef]
- Kamble, A.A.; Patil, B.M. Systematic analysis and review of path optimization techniques in WSN with mobile sink. Comput. Sci. Rev. 2021, 41, 100412. [Google Scholar] [CrossRef]
- Chen, H.; Qin, Y.; Lin, K.; Luan, Y.; Wang, Z.; Yu, J.; Li, Y. PWEND: Proactive wakeup based energy-efficient neighbor discovery for mobile sensor networks. Ad. Hoc. Netw. 2020, 107, 102247. [Google Scholar] [CrossRef]










| State | Iw | Time | Dist.(m) | |||
|---|---|---|---|---|---|---|
| TW (ms) | TNor-st. (s) | Tal.st (ms) | ||||
| RX | 12.5 mA | 10 | 86,400 | 220 | ||
| TX | +6 dBm | 16.0 mA | 7 | 86,400 | 220 | 40–55 |
| Standby | 0.68 μA | All time | 0 | 0 | ||
| State | Iw (μA) | Time | Iw.aver. (μA) | |
|---|---|---|---|---|
| TW (ms) | ||||
| Smoke sensor during one period | Start | 300 | 10 | 33 |
| signal MAX. | 500 | 0.2 | ||
| Attenua. meas. | 50 | 100 | ||
| 25 | 100 | |||
| 20 | 100 | |||
| 10 | 100 | |||
| Standby | 2.6 | All time | 2.6 | |
| State | Iw.aver | Tw |
|---|---|---|
| Low battery detect | 420 μA | 120 ms |
| Environment detect | 420 μA | 120 ms |
| Environ. detect & RF | 500 μA | 250 ms |
| Standby | 1.96 μA | 10 s |
| Compo. | Stage | Iw (μA) | TW (ms) | Iw.aver. (μA) |
|---|---|---|---|---|
| Low voltage | IR | 1980 | 12 | 0.0083 |
| AD | 900 | 2 | ||
| MCU | 420 | 10 |
| Module | Iw (μA) | Ist (μA) | Tw (s) | Tnorm-st/lt (s) | Tal.-st (s) | Itotal-ave. (μA) | Ial.ave. (μA) |
|---|---|---|---|---|---|---|---|
| LDO | 11 | 1.54 | 0.200 | 86,400 | 1 | 3.14 | 5.06 |
| 2.5 | 0.721 | 10 | 1 | ||||
| Low-vol. | 2488 | 0 | 0.012 | 3600 | 1 | 0.0083 | 29.50 |
| MCU | 420 | 2 | 0.120 | 10 | 1 | 6.47 | 46.79 |
| Smoke | 33 | 2.6 | 0.410 | 10 | 1 | 3.79 | 11.44 |
| SHT10 | 386 | 0.1 | 0.103 | 10 | 1 | 4.08 | 36.14 |
| RF-module | 16,000 | 0.68 | 0.200 | 86,400 | 1 | 0.717 | 2667.23 |
| Total | 6.8 | 18.65 | 2796.16 | ||||
| Standby Parameters of the Node System | I (μA) |
|---|---|
| Experimental | 6.8 |
| Theoretical calculation | 6.92 |
| Error (%) | 1.73 |
| Battery Type | E92 |
|---|---|
| Quantity charge from 1.6 to 1.2 V | 950 mAh |
| Tested practical lifetime (h) | 181 |
| Calculation lifetime (h) | 173.35 |
| Error (%) | 4 |
Disclaimer/Publisher’s Note: The statements, opinions and data contained in all publications are solely those of the individual author(s) and contributor(s) and not of MDPI and/or the editor(s). MDPI and/or the editor(s) disclaim responsibility for any injury to people or property resulting from any ideas, methods, instructions or products referred to in the content. |
© 2023 by the authors. Licensee MDPI, Basel, Switzerland. This article is an open access article distributed under the terms and conditions of the Creative Commons Attribution (CC BY) license (https://creativecommons.org/licenses/by/4.0/).
Share and Cite
Xu, K.; Li, Z.; Cui, A.; Geng, S.; Xiao, D.; Wang, X.; Wan, P. Q-Learning and Efficient Low-Quantity Charge Method for Nodes to Extend the Lifetime of Wireless Sensor Networks. Electronics 2023, 12, 4676. https://doi.org/10.3390/electronics12224676
Xu K, Li Z, Cui A, Geng S, Xiao D, Wang X, Wan P. Q-Learning and Efficient Low-Quantity Charge Method for Nodes to Extend the Lifetime of Wireless Sensor Networks. Electronics. 2023; 12(22):4676. https://doi.org/10.3390/electronics12224676
Chicago/Turabian StyleXu, Kunpeng, Zheng Li, Ao Cui, Shuqin Geng, Deyong Xiao, Xianhui Wang, and Peiyuan Wan. 2023. "Q-Learning and Efficient Low-Quantity Charge Method for Nodes to Extend the Lifetime of Wireless Sensor Networks" Electronics 12, no. 22: 4676. https://doi.org/10.3390/electronics12224676
APA StyleXu, K., Li, Z., Cui, A., Geng, S., Xiao, D., Wang, X., & Wan, P. (2023). Q-Learning and Efficient Low-Quantity Charge Method for Nodes to Extend the Lifetime of Wireless Sensor Networks. Electronics, 12(22), 4676. https://doi.org/10.3390/electronics12224676

