Abstract
Power factor correction (PFC) converters have been frequently employed in various switching power supply devices to reduce input current harmonics. However, the PFC converter suffers from an obvious twice-line-frequency output voltage ripple due to the instantaneous power imbalance between constant output power and variable input power. Suppression of twice-line-frequency ripple usually can be realized by the post-stage DC-DC converter of the two-stage cascade PFC converter; however, the two-stage cascade PFC structure is challenging to realize high efficiency since the energy is transferred twice. To achieve high power factor, high efficiency, and low twice-line-frequency ripple, a hybrid quasi-single-stage (QSS) AC-DC converter is presented in this paper, which consists of a dual output hybrid Boost/Flyback PFC converter and a Buck ripple compensation circuit (RCC). The fundamental principles of the proposed converter and the critical conditions of operation mode transition are discussed in the paper. To confirm that the twice-line-frequency ripple is effectively suppressed, the small signal model of Buck RCC is built and analyzed. Moreover, the main characteristics, including operation mode transition angle, input current, power factor, and switching frequency of the proposed hybrid QSS AC-DC converter, are analyzed. By building a 120 W experimental prototype to validate the feasibility of the proposed hybrid QSS AC-DC converter, the experimental results show that the proposed converter can realize PFC function with high efficiency and extremely low twice-line-frequency output voltage ripple.
1. Introduction
Due to the serious harmonic current pollution caused by the use of a large number of power electronic equipment, power factor correction (PFC) converters, which can decrease input current harmonic, have received increasing attention [1,2,3]. To satisfy different application requirements, PFC converters often utilize topologies such as Boost, Buck, Buck-Boost, Cuk, SEPIC converters, etc. [4,5,6,7,8].
Boost PFC converter operating in discontinuous conduction mode (DCM) or critical conduction mode (CRM) is widely employed due to the advantages of simple control zero-current turn-off of power switch [5,6]. The twice-line-frequency ripple of output voltage results from the instantaneous power imbalance between constant output power and variable input power of the Boost PFC converter [9,10,11,12,13]. The suppression of twice-line-frequency ripple can be realized using the post-stage DC-DC converter of the two-stage cascade PFC converter, and besides PFC function is achieved using the pre-stage converter of the two-stage cascade PFC converter [14,15]. However, the two-stage cascade PFC converter is not cost-effective for low-power applications due to high cost, large size, and power loss caused by the extra post-stage DC-DC stage of the two-stage cascade PFC converter [16,17,18].
The single-stage topologies employing switch multiplexing technology, such as Boost-Flyback PFC converter, quadratic Boost PFC converter, etc., are also suited for low-power applications [19,20,21,22]. The quadratic Boost PFC converter, which uses a single switch and is generated from two cascaded Boost converters, can achieve a high power factor and low twice-line-frequency ripple of output voltage [19,20]. However, compared to the Boost PFC converter, the quadratic Boost PFC converter cannot achieve high efficiency because the power is transferred twice. Similar to the quadratic Boost PFC converter, the Boost-Flyback PFC converter can achieve PFC and low output voltage ripple with a single switch but suffers from high intermediate capacitor voltage and big power loss [22,23,24,25,26].
In [27], by connecting a bidirectional DC-DC converter in parallel with the PFC converter, a load current compensator for output voltage ripple is proposed to suppress twice-line-frequency output ripple. However, high efficiency cannot be realized in paralleled-type PFC converters compared to conventional single-stage converters due to the effects of high voltage stress on components [27].
Quasi-single-stage (QSS) PFC converter is presented to realize high efficiency and low twice-line-frequency ripple, which is realized by connecting the output of the PFC converter in series with a ripple compensation circuit (RCC) [11,12,13]. Methods based on the reducing audio susceptibility and increasing virtual impedance of RCC to enhance suppression performance of QSS PFC converter on twice-line-frequency ripple which is proposed in [11,12]. In [11,12,13], although most of the power is transmitted to the output through only one stage conversion in the QSS PFC converter, the conversion efficiency is limited because of the poor efficiency of the Flyback PFC converter [28,29,30].
In this paper, a hybrid QSS AC-DC converter consists of a dual output hybrid Boost/Flyback PFC converter and a Buck RCC, which is proposed. In dual output hybrid Boost/Flyback PFC converter, the power inductor of the Boost and the primary winding of the Flyback share the same winding of the magnetic component. Buck RCC is connected in series with the main output of dual output hybrid Boost/Flyback PFC converter, a twice-line-frequency ripple which is the same amplitude and opposite phase of the main output of dual output hybrid Boost/Flyback PFC converter is generated using Buck RCC to achieve low twice-line-frequency ripple of output voltage. Since most of the power of the proposed converter is transferred to the output load only through one-stage Boost conversion, while a small amount of input power is converted to the output load using a Flyback converter and RCC two-stage conversion, high efficiency is easy to implement. The operating principles, the critical condition of operation mode transition, and the main characteristics, including operation mode transition angle, input current, power factor, and switching frequency of hybrid QSS AC-DC converter, are analyzed. The small signal model of Buck RCC is built to verify that the twice-line-frequency ripple is effectively suppressed. By building a 120 W experimental prototype to validate the feasibility of the proposed hybrid QSS AC-DC converter, the experimental results show that the hybrid QSS AC-DC converter can achieve PFC with high efficiency and extremely low twice-line-frequency output voltage ripple over the whole input voltage range.
This paper is organized into five sections as follows. In Section 2, the operation principle of a hybrid QSS AC-DC converter is analyzed. In Section 3, the parameters design is presented, and the main characteristics are analyzed. In Section 4, the experimental results are presented to verify the theoretical analysis. The conclusion is expressed in Section 5.
2. Operation Principle of the Hybrid QSS AC-DC Converter
For simplicity’s sake of analyzing the circuit, unless otherwise specified, it is assumed that: (1) The switching frequency of all switches is much higher than the line frequency; (2) All power switches and diodes are ideal.
2.1. Basic Operation Principle of Topology and Control Strategy
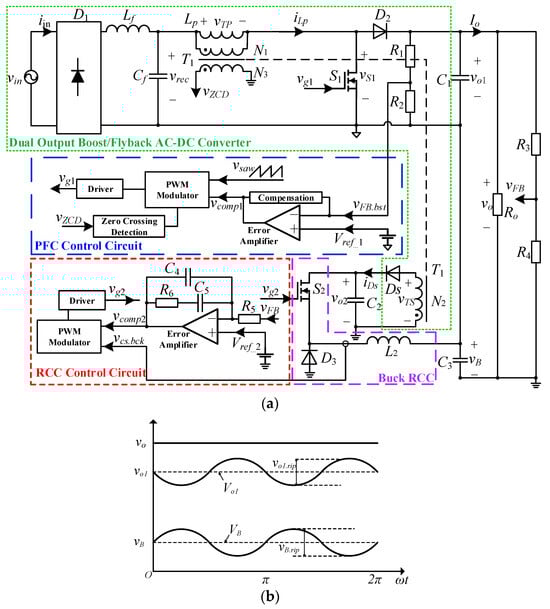
Figure 1a depicts the topology and control strategy of the hybrid QSS AC-DC converter that comprises of dual output hybrid Boost/Flyback PFC converter and Buck RCC. Circuit of hybrid QSS AC-DC converter contains one rectifier bridge D1, input LC filter Lf and Cf, transformer T1, Buck inductor L2, power switch S1, S2, diode D2, D3, DS, output capacitor C1, C2, C3, and output load Ro. Figure 1b depicts the key waveforms of vo, vo1, and vB of the proposed converter, where vo1.rip and vB.rip are twice-line-frequency ripples of vo1 and vB.
Figure 1.
Circuit diagram and key waveforms of the hybrid QSS AC-DC converter. (a) Circuit diagram. (b) Key waveforms.
In Figure 1a, Lp of the Boost converter can be integrated effectively with the primary of the Flyback converter using a transformer T1 of the hybrid QSS AC-DC converter. The inductor Lp acts as a traditional boost inductor of the Boost converter and supplies power to output. It also serves as the primary winding connected to the Flyback transformer and generates current on the secondary winding. The winding turns ratio N1/N2 of transformer T1 is designed to realize that a small amount of power is sent to output through the secondary of the Flyback converter, and the majority of power is sent to output through the Boost converter in dual output hybrid Boost/Flyback converter. Then, the output of the Boost converter and Flyback converter is used as the main output and auxiliary output of the dual output hybrid Boost/Flyback PFC converter. Therefore, there is an obvious twice-line-frequency ripple of vo1 of the Boost converter. To suppress the twice-line-frequency ripple of vo1 of Boost converter, a series connection between Buck RCC and the output of Boost converter is built, and a twice-line-frequency ripple that has the same amplitude and opposite phase which is generated using Buck RCC as shown in Figure 1b. To achieve high efficiency, the proposed converter should make as much power as possible go through only one stage conversion, the total output voltage vo, main output voltage vo1, which has undergone one stage conversion, auxiliary output voltage vB, which is the output voltage of Buck RCC and undergone two stages conversion are 400 V, 380 V, and 20 V, respectively.
A constant on-time CRM control is employed to achieve the PFC function for a hybrid Boost/Flyback PFC converter. Peak current mode (PCM) control is employed for Buck RCC to improve the response speed of the proposed converter and achieve low output voltage ripple [11,31]. The error signal vcomp1 is generated by comparing the 2.5 V reference voltage Vref_1 and the voltage feedback signal vFB.bst generated by resistance R1 and R2 sampling main output voltage vo1 of dual output hybrid Boost/Flyback PFC converter. vo1 is equal to Vref_1(R1 + R2)/R2. Turn on-time of S1 is obtained by comparing the error signal vcomp1, and the sawtooth waveform signal vsaw. CRM control is achieved by detecting the zero crossing of inductor current through the signal vZCD. vFB is the sensed signal of total output voltage vo divided by the resistance R3 and R4 in the control circuit of the Buck RCC; the error signal vcomp1 is obtained by comparing the voltage feedback signal vFB and the 1.205 V reference voltage Vref_2. Total output voltage vo is equal to Vref_2(R3 + R4)/R4. The duty cycle of driving signal vg1 for the switch S2 of Buck RCC is obtained by the PWM modulator comparing error signal vcomp1 and the inductor L2 current sensing signal vcs.bck. In addition, due to the high side, the N-Mosfet of Buck RCC needs an extra driver circuit; it is best to choose a controller with integrated the level shifted gate driver for the external high side N-Mosfet of the Buck RCC control chip in order to simplify circuit design.
2.2. Operating Mode of Dual Output Hybrid Boost/Flyback PFC Converter
Figure 2 depicts the waveforms of the primary current iLp and secondary current iDs of transformer T1 in a half line cycle. From the key waveforms of Figure 2, there are two operating modes, including Boost mode and Flyback mode, in a half line cycle. α and π-α are the transition angles of operation mode, Boost mode operates in [α, π-α], and Flyback mode operates in [0, α] and [π-α, π].
Figure 2.
The key current waveforms of dual output hybrid Boost/Flyback PFC converter.
Observing Figure 2, it is shown that the inductor Lp is operated in CRM. The waveform of the primary inductor current iLp in [α, π-α] is identical to that of the conventional CRM Boost converter, the waveforms of iLp and iDs in [0, α] and [π-α, π] are identical to that of the conventional CRM Flyback converter.
Figure 1a shows that vrec is the rectified input voltage, vTP is the voltage of transformer T1 primary winding, vTS is the voltage of transformer T1 secondary winding. The output voltage vo2 of the Flyback converter should be much lower than the output voltage vo1 of the Boost converter because only a small amount of power is sent to the output through the secondary of the Flyback converter. The operation principle of the two modes and the critical condition of operation mode transition is as follows. The equivalent circuits of Boost mode and Flyback mode of dual output hybrid Boost/Flyback PFC converter are shown in Figure 3 and Figure 4, respectively.
Figure 3.
Equivalent circuits of Boost mode of dual output hybrid Boost/Flyback PFC converter. (a) S1 is on. (b) S1 is off.
Figure 4.
Equivalent circuits of Flyback mode of dual output Boost/Flyback PFC converter. (a) S1 is on. (b) S1 is off.
The equivalent circuits of the Boost mode of dual output hybrid Boost/Flyback PFC converter are shown in Figure 3. Buck RCC, which is powered by C2, operates independently without the effects of two modes, io2 is the output current of auxiliary output. As shown in Figure 2 and Figure 3a, when S1 is turned on, the current iLp flowing through Lp and S1 starts to increase from zero, and vTP is equal to vrec. As shown in Figure 2 and Figure 3b, when S1 is turned off, the diode D2 is forward biased, the diode DS is reverse biased, and the direction of the voltage of Lp is converted due to the direction of the inductor current cannot be changed abruptly, the current iLp flowing through Lp, D2, and C1 decreases.
The equivalent circuits of the Flyback mode of dual output hybrid Boost/Flyback PFC converter are shown in Figure 4. As shown in Figure 2 and Figure 4a, when S1 is turned on, Lp is charged, the current iLp flowing through Lp and S1 starts to increase from zero, vTP is equal to vrec. As shown in Figure 2 and Figure 4b, when S1 is turned off, the diode DS is forward biased, D2 is reverse biased, at this time, the sum of vTP and vrec is less than vo1, the diode D2 remains reversely biased, the current iDs flowing through secondary side winding of transformer T1, DS, and C2 decreases.
The dual output hybrid Boost/Flyback PFC converter operates in Boost mode when DS is reversed biased, and D2 is forward biased during S1 turned off because vTS reflected from vTP is lower than vo2 during S1 turned off near the peak rectified input voltage vrec. Otherwise, the dual output hybrid Boost/Flyback PFC converter operates in Flyback mode when DS is forward biased, and D2 is reversed biased near the cross zero point of rectified input voltage vrec.
According to the above operation analysis, the critical condition for the operation mode transition of dual output hybrid Boost/Flyback PFC converter can be expressed as
where Vm represents the magnitude of AC input voltage, N represents winding turns ratio N1/N2, and ω represents the angular frequency of AC input voltage.
From (1), it can be seen that the operation mode transition is not related to the control strategy but rather to input voltage, turn ratio N, vo1, and vo2. During the half-line cycle, first, dual output hybrid Boost/Flyback PFC converter operates in Flyback mode when ωt is from 0 to α; second, the converter enters Boost mode when ωt is from α to π − α; finally, the converter operates in Flyback mode again when ωt is from π − α to π.
2.3. Analysis of Output Voltage Ripple Suppression of Buck RCC
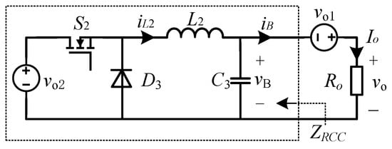
To analyze the suppression ability of twice-line output voltage ripple for Buck RCC, the equivalent circuit and small signal model of Buck RCC are shown in Figure 5 and Figure 6, respectively. Figure 5 shows that vo1 and vo2 of the dual output hybrid Boost/Flyback converter can be equivalent to two DC sources because the twice-line frequency is substantially less than the switching frequency of Buck RCC. vB and iB are considered as the output voltage, and the output current of Buck RCC and output impedance can be considered as ZRCC, as shown in Figure 5 [11,12,13]. Although the output load of the proposed converter is usually a post-stage DC-DC converter, the output load can be assumed as a pure resistive load during analyzing the suppression ability of twice-line output voltage ripple for Buck RCC [11,12,13].
Figure 5.
Equivalent circuit of Buck RCC.
Figure 6.
Small signal model of the Buck RCC.
According to Figure 5, a small signal model of Buck RCC is built, as shown in Figure 6. Supposed Db is the steady-state duty cycle of Buck RCC.
Load impedance Ro and output impedance ZRCC(s) are in series connection and jointly divide the twice-line-frequency ripple of vo1. For the convenience of investigating the suppression ability of Buck RCC on twice-line-frequency ripple, output voltage ripple ratio k of vo.rip and vo1.rip is defined as . Observing Figure 6, output voltage ripple ratio k also can be considered as the ratio of load impedance Ro and output impedance ZRCC(s) [11,12,13]; k can be expressed as
According to the definition of k, a low twice-line frequency output voltage ripple means that vo.rip is much smaller than vo1.rip. Therefore, to achieve low output voltage ripple, the amplitude of ZRCC(s) at twice-line frequency should be much greater than load impedance Ro.
From Figure 6, the following open loop transfer function Go1(s) of total output voltage to main output voltage, Go2(s) of total output voltage to auxiliary output voltage, and Gd(s) of total output voltage to duty cycle can be given as
According to the control circuit of Buck RCC, as shown in Figure 1a, and the analysis method of ac small signal model of Buck RCC under PCM control in [11,12], small signal perturbation of Db can be expressed as
where , , , and represents small signal perturbation of vo, vo2, vB, vref, and iL2, H is the sampling factor of total output voltage vo, Fref(s) is the transfer function of the compensator which is the Type II compensator in the voltage loop of Buck RCC control circuit, and Fc, Fo2, Fo, Fref(s) are shown as
where ms is considered as the sawtooth slope of the compensation signal in the current control loop, and Tb is the switching period of S2 in Buck RCC.
According to (7) and (12)–(14), the close loop output impedance ZB_RCC(s) is given by
From (2) and (15), the output voltage ripple ratio k is given by
As shown in Table 1, the related main parameters of Buck RCC are: L2 = 100 µH, C3 = 10 µF, C4 = 220 pF, C5 = 100 nF, Ro = 1.333 kΩ, R5 = 100 kΩ, R6 = 1 kΩ, Tb = 6.667 μs, ms = 0.06 A/µs, VB = 20 V, H = 3 × 10−3. Based on the calculation result later, Vo2 is around 63 V with 110 Vac input voltage and rated load current. According to (16), the Bode plot of the output voltage ripple ratio k is shown in Figure 7.
Table 1.
Key circuit parameters of the hybrid QSS AC-DC converter.
Figure 7.
The Bode plot of the output voltage ripple ratio k with 110 Vac input voltage. (a) The Bode gain plot. (b) The Bode phase plot.
Based on the definition of k, it can be known that the smaller the value of k, the more effectively the output voltage ripple is suppressed. According to Figure 7, the magnitude of the Bode plot of k from 1 Hz to 100 Hz is about −55.87 dB, and the value of k is about 1.6 × 10−3 with 110 Vac input voltage, so the suppression ability of twice-line output voltage ripple for Buck RCC is achieved well.
3. Parameters Design and Characteristics Analysis
3.1. Operation Mode Transition Angle
The critical conditions of operation mode transition angle α are presented in the above analysis. In order to calculate operation mode transition angle α, conduction time ton, input and output power of the proposed converter are analyzed. ton is constant when the proposed converter operates in both modes with stable input voltage and output load because the converter is controlled using the classical constant on-time control strategy of CRM.
The average current iLp.bst of Lp of dual output hybrid Boost/Flyback PFC converter operates in Boost mode is obtained as
where the conduction time of switch S1 in a switching period is represented by ton.
Input power Pin.bst in Boost mode during half line cycle is obtained as
where Io represents the output current through load resistor RO, and Vo1 represents the average value of vo1.
According to (18), conduction time ton can be expressed as
Peak current ipeak.flk of the primary winding of transformer T1 in Flyback mode can be given as
The conduction time tDs(t) of DS is expressed as
where Vo2 represents the average value of vo2.
The switching period Ts.flk of S1 which is variable since the primary inductor Lp is operated in CRM, then the period Ts.flk can be expressed as
Input power Pin.flk of the proposed converter operating in Flyback mode during half line cycle can be expressed as
where VB represents the average value of vB.
From (23), the expression of conduction time ton can be obtained as
According to (1), when ωt is α, NVo2 is equal to Vo1 − Vm sinα. The conduction time ton during two operation modes should be constant, from (19) and (24); the below equation can be obtained.
From (25) and the main parameters in Table 1, the curve of operation mode transition angle α with input voltage is shown in Figure 8.
Figure 8.
The curve of operation mode transition angle α with input voltage variation.
Figure 8 shows that the operation mode transition angle α increases from π/5.99 to π/5.41 with the variation of input voltage vin from 100 Vac to 240 Vac.
3.2. Design of Transformer T1
According to (19) and volt-second balance, the switching frequency fs.bst of S1 as the proposed converter operates in Boost mode, Lp can be expressed as
As shown in the parameters of the hybrid QSS AC-DC converter in Table 1, Vo1 is 380 V, Io is 0.3 A according to (26), through setting the lowest switching as 30 kHz, the curve of the maximum inductance with different input voltage is shown in Figure 9.
Figure 9.
The curve of max inductance of Lp with input voltage from 100 Vac to 240 Vac.
According to Figure 9, to ensure the switching frequency is greater than 30 kHz, the inductance of Lp should be less than 0.54 mH, so the inductance Lp of transformer T1 in this paper is taken as 0.5 mH.
According to (19) and (24), the relation of NVo2 and input voltage vin can be expressed as
According to Figure 8 and (27), with the condition of VB = 20 V and Vo1 = 380 V, the curve of NVo2 with input voltage variation from 100 Vac to 240 Vac is shown in Figure 10. According to Figure 10, it is shown that NVo2 decreases from 323 V to 232 V with the variation of input voltage vin from 100 Vac to 240 Vac. To achieve high efficiency and low voltage stress of S2, D3, and C2, the voltage of Vo2 should be as close as possible to the auxiliary output voltage vB. However, to ensure the stability of PCM control of Buck RCC, it is better to maintain the duty cycle of Buck RCC to be smaller than 50%. Therefore, considering the efficiency, cost, and stability of Buck RCC comprehensively, the turn ratio N is set as 5, and the theoretical value of Vo2 is from 64.6 V to 46.4 V with the variation of input voltage vin from 100 Vac to 240 Vac.
Figure 10.
The curve of NVo2 with input voltage variation from 100 Vac to 240 Vac.
3.3. Input Current
From (17) and (20), input current iin(t) of the hybrid QSS AC-DC converter can be written as
According to (28), the curve of input current within half line cycle at 100 Vac, 110 Vac, 220 Vac, and 240 Vac input voltage is shown in Figure 11. From Figure 11, it can be seen that the curve of input current is close to sinusoidal. However, significant distortion appeared in the input current due to difference between the input current of the two Boost and Flyback modes occurring at operation mode transition angle α.
Figure 11.
The curve of input current with 100 Vac, 110 Vac, 220 Vac, and 240 Vac input voltage.
3.4. Power Factor and Total Harmonic Distortion
According to (28), the power factor (PF) of the hybrid QSS AC-DC converter can be expressed as
where iin.flk(t) and iin.bst(t) are the expressions of the input current of the hybrid QSS AC-DC converter operating in Flyback mode and Boost mode, respectively.
According to (29), it is assumed that the phase difference between AC input voltage and input current is ignored, and the total harmonic distortion (THD) of the input current of the hybrid QSS AC-DC converter can be expressed as
From (29) and (30), the curves of PF and input current THD with different input voltage are depicted in Figure 12. From Figure 12, it is shown that high PF and low THD can be achieved, although there is slight input current distortion during the operation mode transition. The highest PF is 0.9993, and the lowest THD is 3.52% when vin is 100 Vac; the lowest PF is 0.9932, and the highest THD is 11.6% when vin is 240 Vac.
Figure 12.
The curve of PF and THD with input voltage variation from 100 Vac to 240 Vac. (a) The curve of PF. (b) The curve of THD.
3.5. Switching frequency
According to (22) and (26), the operating frequency of S1 can be expressed as
From (31), the curve of the operating frequency of S1 with the variation of vin from 100 Vac to 240 Vac is shown in Figure 13.
Figure 13.
The curve of switching frequency with 100 Vac, 110 Vac, 220 Vac, and 240 Vac input voltage.
In Figure 13, the switching frequency at ωt = π/2 with input voltage 110 Vac is about 57 kHz. The range of switching frequency is from 50 kHz to 460 kHz. The design of the primary inductance and winding turn of Lp depends on the minimum frequency and peak current iLp flowing through the primary winding of Lp [32]. Because of the wide variation range of switching frequency, the cut-off frequency of the input EMI filter should be lower than the lowest switching frequency. Moreover, to avoid extremely high switching frequencies that damage the Mosfet and Diode, the CRM PFC controller usually limits the maximum switching frequency or minimum turning-off time.
4. Experimental Verification
A 120 W experimental prototype is built in the laboratory to verify the correctness of the theoretical analysis. The specifications and main component parameters of the hybrid QSS AC-DC converter in the experiment are shown in Table 1.
The experimental prototype and platform of the hybrid QSS AC-DC PFC converter are shown in Figure 14 and Figure 15.
Figure 14.
Experimental prototype of the hybrid QSS AC-DC PFC converter.
Figure 15.
Experimental platform.
The experimental waveforms of input voltage vin, input current iin, total output voltage vo, main output voltage vo1, and auxiliary output voltage vB with 110 Vac and 220 Vac are shown in Figure 16. From waveforms, it is shown that the twice-line-frequency ripple of vo1 is suppressed using Buck RCC, and input current iin is in phase with input voltage vin. Compared to iin within input voltage 110 Vac, there is a more significant distortion appearing in input current iin with input voltage 220 Vac as seen in Figure 16. The PF is 0.996 and 0.984 at input voltages 110 Vac and 220 Vac, which is measured using the power analyzer, so the hybrid QSS AC-DC PFC converter can realize the PFC function.
Figure 16.
Experimental waveforms of input voltage vin, input current iin, total output voltage vo, main output voltage vo1, and Buck RCC output voltage vB. (a) Input voltage is 110 Vac. (b) Input voltage is 220 Vac.
The experimental waveforms of vrec, iLp, and iDs with 110 Vac input voltage and rated output load are shown in Figure 17. Figure 17a illustrates that the hybrid QSS AC-DC PFC converter operates at Flyback mode near the cross zero point of rectified input voltage vrec, and the hybrid QSS AC-DC PFC converter operates at Boost mode near the peak of rectified input voltage vrec. As illustrated in Figure 17b,c, Lp operates in CRM during both Boost and Flyback modes; the switching frequency is about 50 kHz near the peak of vrec during Boost mode.
Figure 17.
Experimental waveforms of rectified input voltage vrec, inductance current iLp and diode current iDs with 110 Vac input voltage and rated output load. (a) Experimental waveforms in half line cycle. (b) Zoomed in waveform of (a) at Boost mode and ωt = π/2. (c) Zoomed in waveform of (a) at Flyback mode and ωt is around 5π/6.
The experimental waveforms of vrec, iLp, iDs with 110 Vac input voltage at 50% and 10% output load conditions are shown as Figure 18 and Figure 19, respectively. According to Figure 18 and Figure 19, it can be seen that the proposed converter can operate well at 50% and 10% output load, and the operation mode transition process of 50% and 10% output load are similar to rated output load. Moreover, comparing the switching frequency in Figure 17, Figure 18 and Figure 19, it can be concluded that the smaller the output load power, the higher the switching frequency; this conclusion is consistent with the formula (30).
Figure 18.
Experimental waveforms of rectified input voltage vrec, inductance current iLp and diode current iDs with 110 Vac input voltage and 50% output load. (a) Experimental waveforms in half line cycle. (b) Zoomed in waveform of (a) at Boost mode and ωt = π/2. (c) Zoomed in waveform of (a) at Flyback mode and ωt is around 5π/6.
Figure 19.
Experimental waveforms of rectified input voltage vrec, inductance current iLp, and diode current iDs with 110 Vac input voltage and 10% output load. (a) Experimental waveforms in half line cycle. (b) Zoomed in waveform of (a) at Boost mode and ωt = π/2. (c) Zoomed in waveform of (a) at Flyback mode and ωt is around 5π/6.
The total output voltage vo and its ripple vo.rip with input voltage 110 Vac is shown in Figure 20. The ripple vo.rip is about 500 mV, and the ripple amplitude ranges within 0.125% of the total output voltage amplitude. According to experimental results, twice-line-frequency ripple is effectively suppressed in the hybrid QSS AC-DC converter.
Figure 20.
Experimental waveforms of vo and its ripple vo.rip with input voltage 110 Vac.
With rated output power, the experimental results of PF, efficiency, and THD curves of the proposed converter within the input voltage from 100 Vac to 240 Vac are shown in Figure 21. In the overall input voltage range, the PF almost remains above 0.978, the maximum efficiency of the system is up to 96%, and the THD can be low to 4.5%. Comparing the theoretical analysis in Figure 12 and the experimental results in Figure 21, it can be seen that the experimental result of PF is lower than the theoretical prediction; the experimental result of THD is higher than the theoretical prediction, especially at high input voltage. When conducting theoretical derivation of PF and THD, it is supposed that there is no phase difference between input voltage and input current, and the conduction time ton of switch S1 is constant within half line cycle. However, the capacitor of the EMI filter and Cf of the LC filter after rectifier D1 can cause the input current phase to lead the input voltage phase, especially at high input voltage, the slight twice line frequency ripple of the output voltage vcomp1 of error amplifier of PFC control circuit can cause slight variation of conduction time ton of switch S1. Therefore, the variation of the conduction time of S1 and the phase difference between the input voltage and input current will make the PF and THD of the experimental result worse than the theoretical prediction.
Figure 21.
The PF, efficiency, and THD curves of hybrid QSS AC-DC converter with rated output power. (a) PF; (b) efficiency; (c) THD.
The experimental results of PF, efficiency, and THD curves of the proposed converter at the 110 Vac and 220 Vac input voltage within from 10% to 100% output load power are shown in Figure 22. From Figure 22a, the PF of the proposed converter is increased from 0.958 to 0.996 with output load power variation from 10% to 100% at 110 Vac input voltage, and PF is increased from 0.75 to 0.984 with output load power variation from 10% to 100% at 220 Vac input voltage. From Figure 22b, the efficiency is increased from 71.9% to 92.5% with output load power variation from 10% to 100% at 110 Vac input voltage, and the efficiency is increased from 82.1% to 95.8% with output load power variation from 10% to 100% at 220 Vac input voltage. From Figure 22c, THD is decreased from 16% to 5.19% with an output load power variation of 10% to 100% at 110 Vac input voltage, and THD is decreased from 39% to 14.31% with output load power variation from 10% to 100% at 220 Vac input voltage.
Figure 22.
The PF, efficiency, and THD curves of a hybrid QSS AC-DC converter with 10–100% output load power at 110 Vac and 220 Vac input voltage. (a) PF; (b) Efficiency; (c) THD.
The comparison results of IEC61000-3-2 Class C requirements and the harmonic content test results of input current with rated 120 W output power, 110 Vac, and 220 Vac input voltage are shown in Figure 23. It shows that the proposed hybrid QSS AC-DC converter can meet the harmonic standard limit of IEC61000-3-2 Class C.
Figure 23.
Comparison results of IEC61000-3-2 Class C requirements and the harmonic content test results of input current with rated 120 W output power and 110 Vac, 220 Vac input voltage. (a) Experimental result with 110 Vac input voltage; (b) Experimental result with 220 Vac input voltage.
The comparison of key performance parameters between the proposed converter, traditional CRM Boost PFC converter, quadratic Boost PFC converter, and QSS Flyback PFC converter at 110 Vac and 220 Vac are shown in Table 2.
Table 2.
Performance comparison.
In order to be convenient to indicate the value of output voltage ripple, the ratio h of output voltage ripple and total output voltage is defined as
Table 2 shows that compared to the quadratic Boost PFC converter and QSS Flyback PFC converter, PF and efficiency of the hybrid QSS AC-DC converter are significantly improved; the efficiency of the proposed converter is slightly lower that of traditional Boost PFC converter, THD of the proposed converter is slightly higher than that of traditional Boost PFC converter because of slight distortion of the input current of the proposed converter during Boost mode and Flyback mode transition, but more effective suppression of twice-line-frequency ripple is realized by proposed converter in this paper [12,20,33]. Therefore, the proposed hybrid QSS AC-DC converter can conveniently achieve high PF, high efficiency, low THD, and extremely low twice-line frequency output voltage ripple simultaneously.
5. Conclusions
A hybrid QSS AC-DC converter consisting of a dual output hybrid Boost/Flyback PFC converter and a Buck RCC is proposed in this paper. To achieve a low twice-line-frequency ripple of output voltage, Buck RCC is connected in series with the main output of dual output hybrid Boost/Flyback PFC converter, a twice-line-frequency ripple which is the same amplitude and opposite phase of the main output of dual output hybrid Boost/Flyback PFC converter is generated using Buck RCC. Since only a small amount of input power is converted to output load through the Flyback converter and RCC two-stage conversion, high efficiency is easy to implement. The operation principle, the critical condition of operation mode transition, and the main characteristics, including operation mode transition angle, input current, power factor, and switching frequency, are presented, and a small signal model of Buck RCC verifies that the twice-line-frequency ripple is effectively suppressed. Based on the experimental results of the 120 W experimental prototype, it is verified that the proposed hybrid QSS AC-DC converter can conveniently achieve high PF, high efficiency, low THD, and extremely low twice-line frequency output voltage ripple simultaneously.
Author Contributions
Conceptualization, T.Y. and C.W.; methodology, T.Y., C.W. and H.W.; formal analysis, T.Y., C.W. and H.W.; validation, T.Y., C.W., H.W., S.Z. and G.Z.; investigation, T.Y., C.W., H.W., S.Z. and G.Z.; writing—original draft preparation, T.Y., C.W. and H.W.; writing—review and editing, T.Y., C.W., H.W., S.Z. and G.Z. All authors have read and agreed to the published version of the manuscript.
Funding
This work was supported by the National Natural Science Foundation of China under Grant No. 51977178 and Chunhui Project Foundation of Education Department of China under Grant Z2017081, Key Laboratory of Fluid and Power Machinery (Xihua University) of Ministry of Education (No. SZJJ2016-012).
Data Availability Statement
Not applicable.
Conflicts of Interest
The authors declare no conflict of interest.
References
- Chen, Y.; Chen, Y. Line Current Distortion Compensation for DCM/CRM Boost PFC Converters. IEEE Trans. Power Electron. 2016, 31, 2026–2038. [Google Scholar] [CrossRef]
- Yao, K.; Li, J.; Shao, F.; Zhang, B. Parallel Fixed Switching Frequency CRM and DCM Boost PFC Converter with High Power Factor. IEEE Trans. Power Electron. 2022, 37, 3247–3258. [Google Scholar] [CrossRef]
- Hanson, A.; Perreault, D. A High-Frequency Power Factor Correction Stage with Low Output Voltage. IEEE J. Emerg. Sel. Top. Power Electron. 2020, 8, 2143–2155. [Google Scholar] [CrossRef]
- Wu, D.; Ayyanar, R.; Sondharangalla, M.; Meyers, T. High-performance active-clamped isolated SEPIC PFC converter with SiC devices and lossless diode clamp. IEEE J. Emerg. Sel. Top. Power Electron. 2019, 8, 567–577. [Google Scholar] [CrossRef]
- Yan, T.; Chen, T.; Huang, A.; Chen, W.; Cao, T. Cuk PFC Converter Based on Variable Inductor. Electronics 2023, 12, 2245. [Google Scholar] [CrossRef]
- Byeon, H.; Lee, W. A Study on the Current Sensorless Bridgeless CRM PFC Converter Based on LLC Resonant Converter. In Proceedings of the 2022 IEEE 5th Student Conference on Electric Machines and Systems (SCEMS), Busan, Republic of Korea, 24–26 November 2022; pp. 1–4. [Google Scholar]
- Liu, J.; Xu, F.; Sun, C.; Loo, K. A Compact Single-Phase AC–DC Wireless Power Transfer Converter with Active Power Factor Correction. IEEE Trans. Ind. Electron. 2023, 70, 3685–3696. [Google Scholar] [CrossRef]
- Aldosari, O.; Rodriguez, L.; Oggier, G.; Balda, J. A High-Efficiency Isolated PFC AC–DC Topology with Reduced Number of Semiconductor Devices. IEEE J. Emerging Sel. Top. Power Electron. 2022, 10, 3631–3642. [Google Scholar] [CrossRef]
- Chen, X.; Yang, P.; Cao, J.; Li, X.; Peng, Y.; Wu, S.; Zhou, G. Adaptive on Time Controlled Double-Line-Frequency Ripple Suppressor with Fast Dynamic Response and High Efficiency. IEEE Access 2020, 8, 179692–179701. [Google Scholar] [CrossRef]
- Huang, Y.; Yang, C.; Li, T.; Chen, Y. A Feedforward Voltage Control Strategy for Reducing the Output Voltage Double-Line-Frequency Ripple in Single-Phase AC–DC Converters. IEEE J. Emerging Sel. Top. Power Electron. 2021, 9, 6605–6612. [Google Scholar] [CrossRef]
- Cai, Y.; Xu, J.; Yang, P.; Liu, G. Design of Double-Line-Frequency Ripple Controller for Quasi-Single-Stage AC–DC Converter with Audio Susceptibility Model. IEEE Trans. Ind. Electron. 2019, 66, 9226–9237. [Google Scholar] [CrossRef]
- Cai, Y.; Xu, J.; Yang, P.; Wu, J.; Sha, J. Evaluation and Suppression of a Low-Frequency Output Voltage Ripple of a Single-Stage AC–DC Converter Based on an Output Impedance Model. IEEE Trans. Ind. Electron. 2019, 66, 2803–2813. [Google Scholar] [CrossRef]
- Yang, P.; Cao, J.; Shang, Z.; Cai, Y.; Xu, J. Double-Line Frequency Ripple Suppression of a Quasi-Single Stage AC–DC Converter. IEEE Trans. Circuits Syst. II Express Briefs 2020, 67, 2074–2078. [Google Scholar] [CrossRef]
- Shahzad, D.; Afridi, K. Paralleled Two-Stage Single-Phase AC-DC Converter Modules Utilizing a Second-Stage Input-Current based Droop Control Strategy. In Proceedings of the 2021 IEEE Energy Conversion Congress and Exposition (ECCE), Vancouver, BC, Canada, 10–14 October 2021; pp. 2213–2218. [Google Scholar]
- Huang, X.; Ruan, X. Stability Analysis of Two-Stage Single-Phase Converter System Adopting Electrolytic Capacitor-Less Second Harmonic Current Compensator. IEEE Open J. Ind. Electron. Soc. 2021, 2, 142–152. [Google Scholar] [CrossRef]
- Huang, X.; Ruan, X.; Zhang, L.; Liu, F. Second Harmonic Current Reduction Schemes for DC–DC Converter in Two-Stage PFC Converters. IEEE Trans. Power Electron. 2022, 37, 332–343. [Google Scholar] [CrossRef]
- Orabi, M.; Ninomiya, T. Identification of bifurcation parameters in switching power converter composed of cascade two-stage PFC circuit. In Proceedings of the 2004 47th Midwest Symposium on Circuits and Systems, 2004. MWSCAS ‘04, Hiroshima, Japan, 25–28 July 2004; pp. I–417–I–420. [Google Scholar]
- Tse, C.; Chow, M.; Cheung, M. A family of PFC voltage regulator configurations with reduced redundant power processing. IEEE Trans. Power Electron. 2001, 16, 794–802. [Google Scholar] [CrossRef]
- Chen, Z.; Yang, P.; Zhou, G.; Xu, J.; Chen, Z. Variable Duty Cycle Control for Quadratic Boost PFC Converter. IEEE Trans. Ind. Electron. 2016, 63, 4222–4232. [Google Scholar] [CrossRef]
- Yan, T.; Xu, J.; Dong, Z.; Shu, L.; Yang, P. Quadratic boost PFC converter with fast dynamic response and low output voltage ripple. In Proceedings of the 2013 International Conference on Communications, Circuits and Systems (ICCCAS), Chengdu, China, 15–17 November 2013; pp. 402–406. [Google Scholar]
- White, B.; Wang, H.; Liu, Y. An average current modulation method for single stage LED drivers with high power factor and zero low frequency current ripple. In Proceedings of the 2015 IEEE Energy Conversion Congress and Exposition (ECCE), Montreal, QC, Canada, 20–24 September 2015; pp. 3247–3252. [Google Scholar]
- Yao, K.; Xu, M.; Ruan, X.; Gu, L. Boost-Flyback Single-Stage PFC Converter with Large DC Bus Voltage Ripple. In Proceedings of the 2009 Twenty-Fourth Annual IEEE Applied Power Electronics Conference and Exposition, Washington, DC, USA, 15–19 February 2009; pp. 1867–1871. [Google Scholar]
- Abasian, A.; Farzanehfard, H.; Hashemi, S. A Single-Stage Single-Switch Soft-Switching (S6) Boost-Flyback PFC Converter. IEEE Trans. Power Electron. 2019, 34, 9806–9813. [Google Scholar] [CrossRef]
- Baek, J.; Kim, J.; Lee, J.; Park, M.; Moon, G. A new standby structure integrated with Boost PFC converter for server power supply. IEEE Trans. Power Electron. 2019, 34, 5283–5293. [Google Scholar] [CrossRef]
- Lee, Y.; Lin, B. Adding active clamping and soft switching to boost-flyback single-stage isolated power-factor-corrected power supplies. IEEE Trans. Power Electron. 1997, 12, 1017–1027. [Google Scholar]
- Shen, X.; Chen, W.; Li, Q.; Wang, Y. A Novel Variable On-Time Control Scheme for Boundary Conduction Mode SEPIC PFC Converter. Electronics 2023, 12, 1807. [Google Scholar] [CrossRef]
- Dusmez, S.; Khaligh, A. Generalized Technique of Compensating Low-Frequency Component of Load Current with a Parallel Bidirectional DC/DC Converter. IEEE Trans. Power Electron. 2014, 29, 5892–5904. [Google Scholar] [CrossRef]
- Fang, P.; Liu, Y. An electrolytic capacitor-free single stage Buck-Boost LED driver and its integrated solution. In Proceedings of the 2014 IEEE Applied Power Electronics Conference and Exposition—APEC 2014, Fort Worth, TX, USA, 16–20 March 2014; pp. 1394–1401. [Google Scholar]
- Huang, J.; Wu, H.; Yin, H.; Xing, Y.; Zhu, J.; Xu, L. Quasi-Single Stage Three-Phase AC-DC Power Supply With Power Decoupling For Low Frequency Pulse Load. In Proceedings of the 2022 IEEE International Power Electronics and Application Conference and Exposition (PEAC), Guangzhou, China, 16–20 March 2022; pp. 664–668. [Google Scholar]
- Khan, A.; Cha, H.; Ahmed, H.; Kim, J.; Cho, J. A Highly Reliable and High-Efficiency Quasi Single-Stage Buck–Boost Inverter. IEEE Trans. Power Electron. 2017, 32, 4185–4198. [Google Scholar] [CrossRef]
- Zhou, S.; Zhou, G.; Liu, X.; Zhao, H. Dynamic Freewheeling Control for SIDO Buck Converter with Fast Transient Performance, Minimized Cross-Regulation, and High Efficiency. IEEE Trans. Ind. Electron. 2023, 70, 1467–1477. [Google Scholar] [CrossRef]
- STMicroelectronics. AN966, Application Note, L6561, Enhanced Transition Mode Power Factor Correction [EB/OL]. 2003. Available online: https://www.st.com/resource/en/application_note/an966-l6561-enhanced-transition-mode-power-factor-corrector-stmicroelectronics.pdf (accessed on 4 September 2023).
- STMicroelectronics. L6562 Datasheet [EB/OL]. 2005. Available online: https://www.st.com/resource/en/datasheet/l6562.pdf (accessed on 4 September 2023).
Disclaimer/Publisher’s Note: The statements, opinions and data contained in all publications are solely those of the individual author(s) and contributor(s) and not of MDPI and/or the editor(s). MDPI and/or the editor(s) disclaim responsibility for any injury to people or property resulting from any ideas, methods, instructions or products referred to in the content. |
© 2023 by the authors. Licensee MDPI, Basel, Switzerland. This article is an open access article distributed under the terms and conditions of the Creative Commons Attribution (CC BY) license (https://creativecommons.org/licenses/by/4.0/).






















