Model Predictive Secondary Frequency Control for Islanded Microgrid under Wind and Solar Stochastics
Abstract
:1. Introduction
2. Materials and Methods
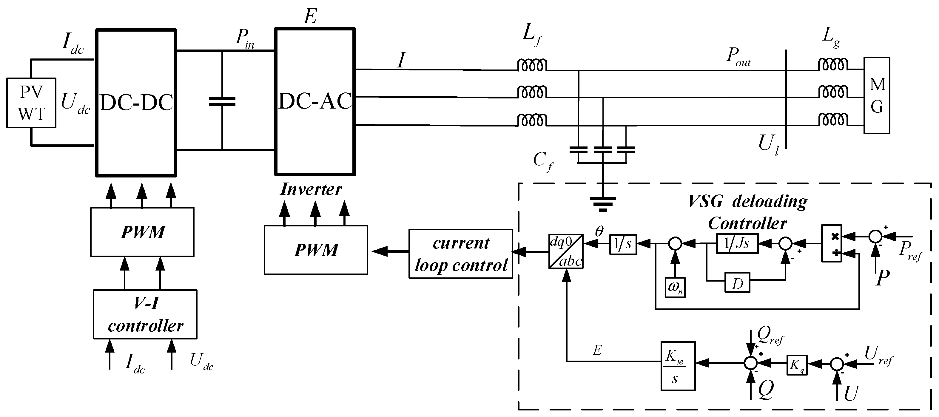
2.1. Microgrid Model
2.1.1. The Small Signal of VSG
2.1.2. LFC Model of Microgrid
2.1.3. State-Space Equation Modeling
2.2. Unknown Input Observer Design
2.3. Model Predictive Controller Design
2.3.1. Prediction Model
2.3.2. Constraints
2.3.3. Optimization Target
2.3.4. Constraint-Containing Optimization Problem Solving
2.4. Equivalent Load and Wind Power, Photovoltaic, Load Uncertainty Modeling
3. Results
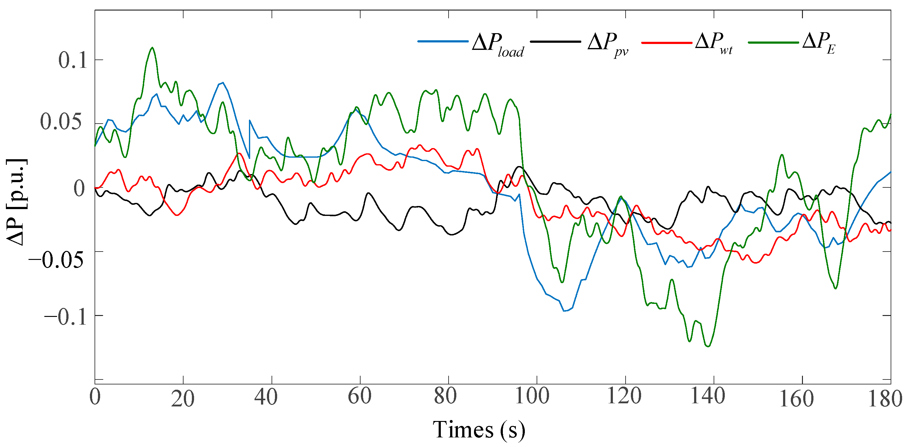
3.1. Wind Speed, Solar Irradiance, and Load Fluctuation Scenarios
3.2. Severe Fluctuation Scenarios of Wind Speed, Solar Irradiance, and Load
4. Conclusions
Author Contributions
Funding
Data Availability Statement
Conflicts of Interest
Appendix A
References
- Rehman, H.U.; Yan, X.; Abdelbaky, M.A.; Jan, M.U.; Iqbal, S. An advanced virtual synchronous generator control technique for frequency regulation of grid-connected PV system. Int. J. Electr. Power Energy Syst. 2021, 125, 106440. [Google Scholar] [CrossRef]
- Dozein, M.G.; De Corato, A.M.; Mancarella, P. Virtual inertia response and frequency control ancillary services from hydrogen electrolyzers. IEEE Trans. Power Syst. 2022, 38, 2447–2459. [Google Scholar] [CrossRef]
- Da Silva, G.S.; de Oliveira, E.J.; de Oliveira, L.W.; de Paula, A.N.; Ferreira, J.S.; Honório, L.M. Load frequency control and tie-line damping via a virtual synchronous generator. Int. J. Electr. Power Energy Syst. 2021, 132, 107108. [Google Scholar] [CrossRef]
- Oshnoei, S.; Aghamohammadi, M.; Oshnoei, S. A novel fractional order controller based on fuzzy logic for regulating the frequency of an islanded microgrid. In Proceedings of the 2019 International Power System Conference, Tehran, Iran, 9–11 December 2019; pp. 320–326. [Google Scholar]
- Hu, J.; Xu, G.; Bi, T.; Cui, H. Coordinated frequency control method for variable speed and pitch of load shedding wind turbine. Power Grid Technol. 2019, 43, 3656–3663. [Google Scholar]
- Liu, L.; Wu, N.; Zhang, H.; Wu, L.; Liu, M.; Tang, Z. Multi-objective optimization model and simulation verification of economical secondary frequency and voltage control for microgrid. Power Grid Technol. 2019, 43, 521–530. [Google Scholar]
- Li, M.; Yu, P.; Hu, W.; Wang, Y. Phase Feedforward Damping Control Method for Virtual Synchronous Generators. IEEE Trans. Power Electron. 2022, 37, 9790–9806. [Google Scholar] [CrossRef]
- Xiaohui, Q.; Lining, S.; Yongning, C. Discrimination and analysis of inertia support and primary frequency modulation function of virtual synchronous generator in large power grid. Autom. Electr. Power Syst. 2018, 9, 36–43. [Google Scholar]
- Ayar, M.; Trevizan, R.D.; Obuz, S.; Bretas, A.S.; Latchman, H.A.; Bretas, N.G. Cyber-physical robust control framework for enhancing transient stability of smart grids. IET Cyber Phys. Syst. Theory Appl. 2017, 2, 198–206. [Google Scholar] [CrossRef]
- Khalghani, M.R.; Solanki, J.; Solanki, S.K.; Sargolzaei, A. Stochastic Secondary Frequency Control of Islanded Microgrid Under Uncertainties. IEEE Syst. J. 2021, 15, 1056–1065. [Google Scholar] [CrossRef]
- Cucuzzella, M.; Trip, S.; De Persis, C.; Ferrara, A. Distributed second order sliding modes for optimal load frequency control. In Proceedings of the 2017 American Control Conference (ACC), Seattle, WA, USA, 24–26 May 2017; pp. 3451–3456. [Google Scholar]
- Devi, P.S.; Santhi, R.V.; Pushpalatha, D. Introducing LQR-fuzzy technique with dynamic demand response control loop to load frequency control model. IF AC Pap. 2016, 49, 567–572. [Google Scholar] [CrossRef]
- Sen, S.; Kumar, V. Decentralized output-feedback-based robust LQR V-f controller for PV-battery microgrid including generation uncertainties. IEEE Syst. J. 2020, 14, 4418–4429. [Google Scholar] [CrossRef]
- Khooban, M.-H. Secondary load frequency control of time-delay stand-alone microgrids with electric vehicles. IEEE Trans. Ind. Electron. 2018, 65, 7416–7422. [Google Scholar] [CrossRef]
- Gholamrezaie, V.; Dozein, M.G.; Monsef, H.; Wu, B. An optimal frequency control method through a dynamic load frequency control (LFC)model incorporating wind farm. IEEE Syst. J. 2018, 12, 392–401. [Google Scholar] [CrossRef]
- Ghafouri, A.; Milimonfared, J.; Gharehpetian, G.B. Fuzzy-adaptive frequency control of power system including microgrids, wind farms, and conventional power plants. IEEE Syst. J. 2018, 12, 2772–2781. [Google Scholar] [CrossRef]
- Khalghani, M.R.; Khushalani-Solanki, S.; Solanki, J. A load frequency control for microgrid including stochastic elements based on hebb learning. In Proceedings of the 2017 North American Power Symposium (NAPS 2017), Morgantown, WV, USA, 17–19 September 2017; pp. 1–6. [Google Scholar]
- Lai, J.; Zhou, H.; Lu, X.; Yu, X.; Hu, W. Droop-based distributed cooperative control for microgrids with time-varying delays. IEEE Trans. Smart Grid 2016, 7, 1775–1789. [Google Scholar] [CrossRef]
- Shafiee, Q.; Guerrero, J.M.; Juan, V.C. Distributed secondary control for islanded microgrids—A novel approach. IEEE Trans. Power Electron. 2014, 29, 1018–1031. [Google Scholar] [CrossRef]
- Bidram, A.; Davoudi, A.; Lewis, F.L. A multi-objective distributed control framework for islanded AC microgrids. IEEE Trans. Ind. Inform. 2014, 10, 1785–1798. [Google Scholar] [CrossRef]
- Zhang, X.-M.; Han, Q.-L. Network-based H∞ filtering using a logic jumping-like trigger. Automatica 2013, 49, 1428–1435. [Google Scholar] [CrossRef]
- Kumar, K.; Bae, S. Dynamic power management based on model predictive control for hybrid-energy-storage-based grid-connected microgrids. Electr. Power Energy Syst. 2022, 143, 108384. [Google Scholar] [CrossRef]
- Joshal, K.S.; Gupta, N. Microgrids with Model Predictive Control: A Critical Review. Energies 2023, 16, 4851. [Google Scholar] [CrossRef]
- Lou, G.; Gu, W.; Sheng, W.; Song, X.; Gao, F. Distributed model predictive secondary voltage control of islanded microgrids with feedback linearization. IEEE Access 2018, 6, 50169–50178. [Google Scholar] [CrossRef]
- Shan, Y.; Hu, J.; Li, Z.; Guerrero, J.M. A Model Predictive Control for Renewable Energy Based AC Microgrids Without Any PID Regulators. IEEE Trans. Power Electron. 2018, 33, 9122–9126. [Google Scholar] [CrossRef]
- Oshnoei, A.; Kheradmandi, M.; Muyeen, S.; Hatziargyriou, N.D. Disturbance observer and tube-based model predictive controlled electric vehicles for frequency regulation of an isolated power grid. IEEE Trans Smart Grid 2021, 12, 4351–4362. [Google Scholar] [CrossRef]
- Taher, A.M.; Hasanien, H.M.; Ginidi, A.R.; Taha, A.T. Hierarchical Model Predictive Control for Performance Enhancement of Autonomous Microgrids. Ain Shams Eng. J. 2021, 12, 1867–1881. [Google Scholar] [CrossRef]
- Wu, J.; Yang, F. A dual-driven predictive control for photovoltaic-diesel microgrid secondary frequency regulation. Appl. Energy 2023, 334, 120652. [Google Scholar] [CrossRef]
- Li, B.; Zhou, L.; Yu, X.; Zheng, C.; Liu, J. Quadratic Frequency Modulation Scheme of Microgrid Inverter Based on Improved Virtual Synchronous Generator Algorithm. PowerGrid Technol. 2017, 41, 2680–2687. [Google Scholar]
- Morstyn, T.; Hredzak, B.; Aguilera, R.P.; Agelidis, V.G. Model Predictive Control for Distributed Microgrid Battery Energy Storage System. IEEE Trans. Control Syst. Technol. 2018, 26, 1107–1114. [Google Scholar] [CrossRef]
- Wang, Y.; Delille, G.; Bayem, H.; Guillaudand, X.; Francois, B. High Wind Power Penetration in Isolated Power Systems—Assessment of Wind Inertial and Primary Frequency Responses. IEEE Trans. Power Syst. 2013, 28, 2412–2420. [Google Scholar] [CrossRef]
- Kroposki, B.; Johnson, B.; Zhang, Y.; Gevorgian, V.; Denholm, P.; Hodge, B.M.; Hannegan, B. Achieving a 100% Renewable Grid: Operating Electric Power Systems with Extremely High Levels of Variable Renewable Energy. IEEE Power Energy Mag. 2017, 15, 61–73. [Google Scholar] [CrossRef]
- Prasad, S.; Purwar, S.; Kishor, N. Non-linear sliding mode based load frequency control for power systems using unknown-input-observer. In Proceedings of the 2017 Indian Control Conference, ICC 2017, Guwahati, India, 4–6 January 2017; pp. 233–239. [Google Scholar]
- Jawad, A.; Masood, N. A systematic approach to estimate the frequency support from large-scale PV plants in a renewable integrated grid. Energy Rep. 2022, 8, 940–954. [Google Scholar] [CrossRef]
- Rajaguru, V.; Iyswarya Annapoorani, K. Virtual synchronous generator based superconducting magnetic energy storage unit for load frequency control of micro-grid using African vulture optimization algorithm. J. Energy Storage 2023, 65, 107343. [Google Scholar] [CrossRef]
- Zhang, Q.; Li, Y.; Ding, Z.; Xie, W.; Li, C. Self-Adaptive Secondary Frequency Regulation Strategy of Micro-Grid with Multiple VirtualSynchronous Generators. IEEE Trans. Ind. Appl. 2020, 56, 6007–6018. [Google Scholar] [CrossRef]
- Sun, H.; Gong, L.; Peng, C. Multi-objective Dynamic Decomposition Optimal Dispatch Considering Wind-photovoltaic-hydro Multiple Uncertainty Confidence Risk. Power Syst. Technol. 2022, 46, 3416–3425. [Google Scholar]



















| Microgrid Power | Symbols | Numerical Value |
|---|---|---|
| Photovoltaic (PV) | PPV1 | 100 kW |
| PPV2 | 100 kW | |
| Wind turbine (WT) | Pwt1 | 100 kW |
| Pwt2 | 100 kW | |
| BESS | PBESS | 120 kW |
| Diesel engine | PDU | 120 kW |
| Load | Load | 640 kW |
| Microgrid Power | Symbols | Value |
|---|---|---|
| Photovoltaic (PV) | JPV | 0.0987 |
| DPV | 88.8264 | |
| Wind turbine | Jwt | 0.0987 |
| Dwt | 88.8264 | |
| Energy Storage System | TBESS | 0.01 |
| Diesel engine | Tdu1 | 0.04 |
| Tdu2 | 0.01 | |
| R | 3 | |
| Microgrid inertia | Ht | 0.6 |
| Microgrid damping | D | 1 |
| Control Method | Standard Deviation | Maximum Error | Unit | |
|---|---|---|---|---|
| Case 1 | PI | 7.174 × 10−3 | 1.56 × 10−3 | p.u. |
| MPC | 5.232 × 10−3 | 1.22 × 10−3 | p.u. | |
| MPC + UIO | 3.651 × 10−3 | 0.71 × 10−3 | p.u. | |
| Case 2 | PI | 9.817 × 10−3 | 2.73 × 10−3 | p.u. |
| MPC | 7.613 × 10−3 | 1.94 × 10−3 | p.u. | |
| MPC + UIO | 4.612 × 10−3 | 0.84 × 10−3 | p.u. |
Disclaimer/Publisher’s Note: The statements, opinions and data contained in all publications are solely those of the individual author(s) and contributor(s) and not of MDPI and/or the editor(s). MDPI and/or the editor(s) disclaim responsibility for any injury to people or property resulting from any ideas, methods, instructions or products referred to in the content. |
© 2023 by the authors. Licensee MDPI, Basel, Switzerland. This article is an open access article distributed under the terms and conditions of the Creative Commons Attribution (CC BY) license (https://creativecommons.org/licenses/by/4.0/).
Share and Cite
Zhao, Z.; Zhang, X.; Zhong, C. Model Predictive Secondary Frequency Control for Islanded Microgrid under Wind and Solar Stochastics. Electronics 2023, 12, 3972. https://doi.org/10.3390/electronics12183972
Zhao Z, Zhang X, Zhong C. Model Predictive Secondary Frequency Control for Islanded Microgrid under Wind and Solar Stochastics. Electronics. 2023; 12(18):3972. https://doi.org/10.3390/electronics12183972
Chicago/Turabian StyleZhao, Zhongwei, Xiangyu Zhang, and Cheng Zhong. 2023. "Model Predictive Secondary Frequency Control for Islanded Microgrid under Wind and Solar Stochastics" Electronics 12, no. 18: 3972. https://doi.org/10.3390/electronics12183972
APA StyleZhao, Z., Zhang, X., & Zhong, C. (2023). Model Predictive Secondary Frequency Control for Islanded Microgrid under Wind and Solar Stochastics. Electronics, 12(18), 3972. https://doi.org/10.3390/electronics12183972

