An Efficient Bidirectional DC Circuit Breaker Capable of Regenerative Current Breaking for DC Microgrid Application
Abstract
:1. Introduction
2. The Proposed Efficient DC Circuit Breaker
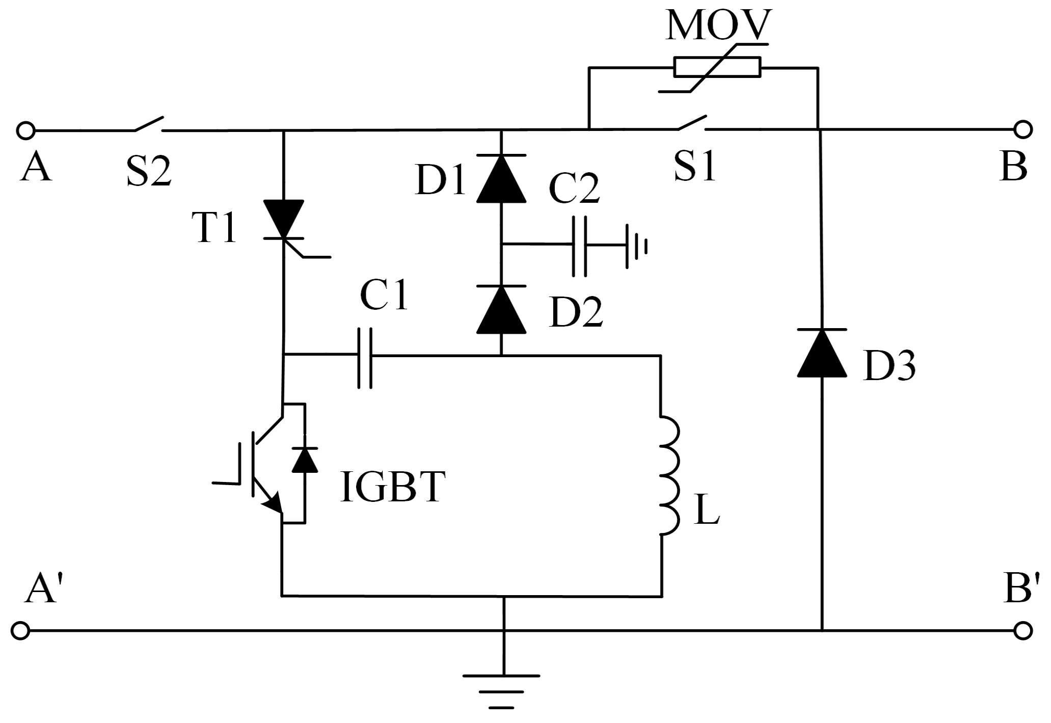
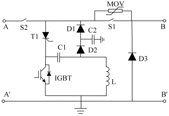
2.1. Topology Introduction
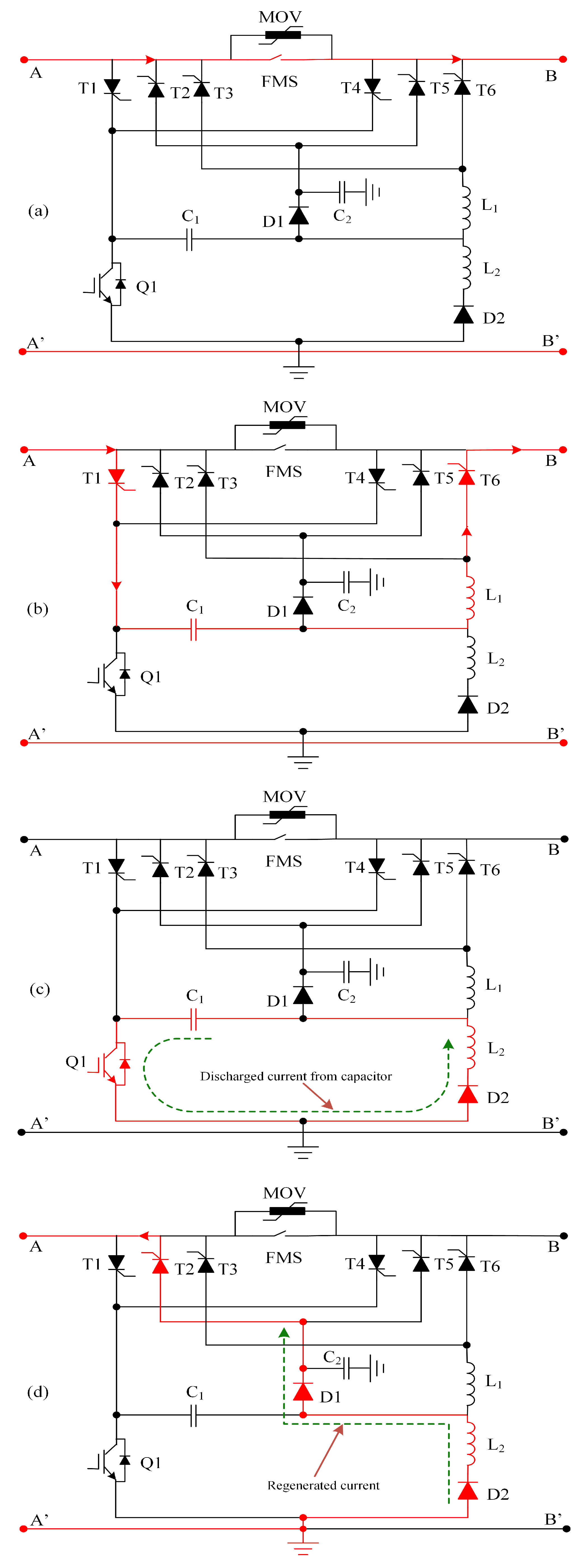
2.2. Current Interruption Process
2.3. Regeneration Process
2.4. Theoretical Analysis and Design Considerations
2.5. Performance Parameters Calculation
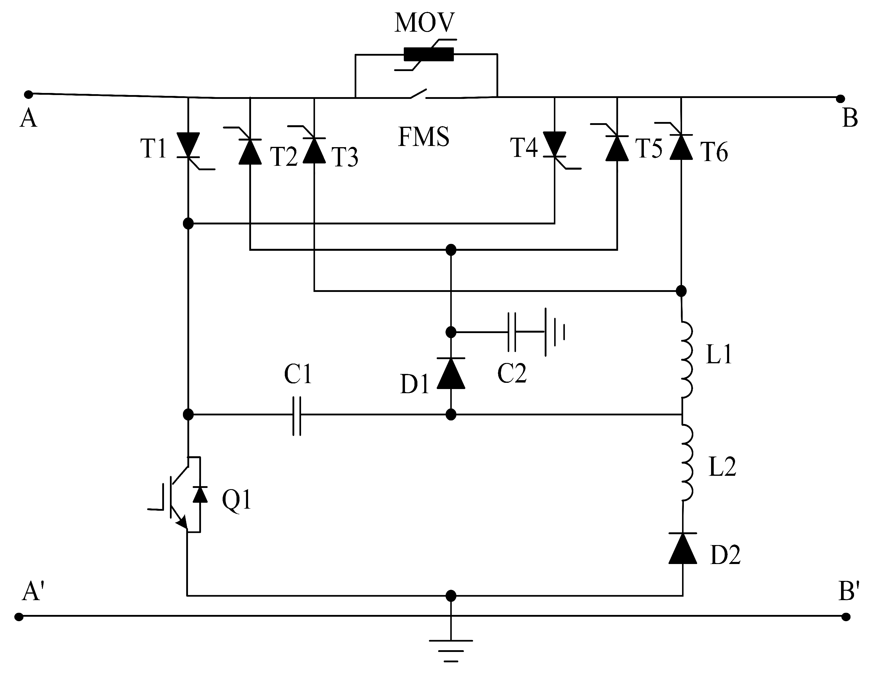
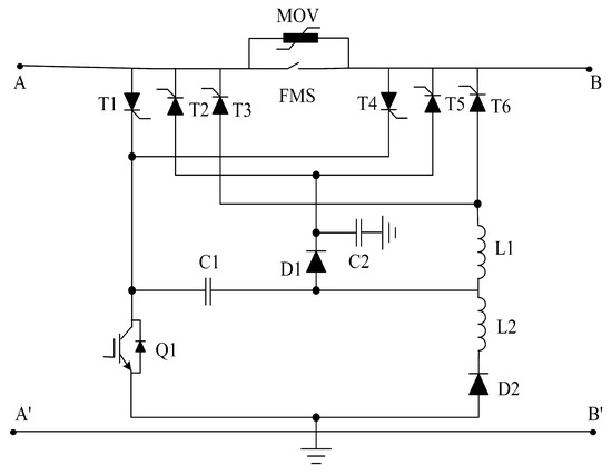
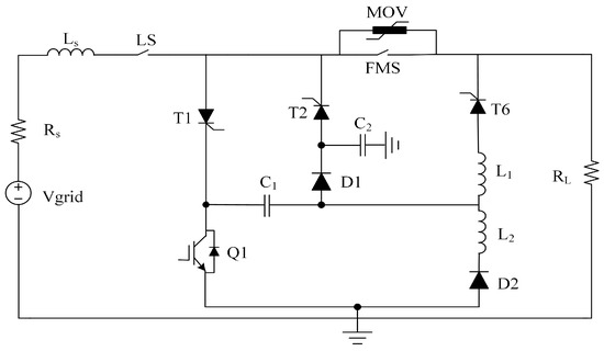
3. Modified Efficient Bidirectional DC Circuit Breaker
4. Verification
4.1. Simulation Results
4.2. Comparative Analysis
4.3. Experimental Validation
4.3.1. Experimental Setup
4.3.2. Experimental Results
5. Conclusions
Author Contributions
Funding
Data Availability Statement
Acknowledgments
Conflicts of Interest
References
- Rosli, A. Malaysia’s Extreme Weather Is a Sign That Climate Change Has Arrived on Our Shores; Juice: Petaling Jaya, Malaysia, 2021. [Google Scholar]
- Emanuel, K. Increasing destructiveness of tropical cyclones over the past 30 years. Nature 2005, 436, 686–688. [Google Scholar] [CrossRef]
- International Energy Agency. Global Energy Review: CO2 Emissions in 2020. Available online: https://www.iea.org/articles/global-energy-review-co2-emissions-in-2020 (accessed on 19 August 2022).
- Yi, L.; Moon, J. Bidirectional QZ-source DC circuit breaker. IEEE Trans. Power Electron. 2022, 37, 9524–9538. [Google Scholar] [CrossRef]
- Elsayed, A.T.; Mohamed, A.A.; Mohammed, O.A. DC microgrids and distribution systems: An overview. Electr. Power Syst. Res. 2015, 119, 407–417. [Google Scholar] [CrossRef]
- Beheshtaein, S.; Cuzner, R.; Savaghebi, M.; Guerrero, J.M. Review on microgrids protection. IET Gener. Transm. Distrib. 2019, 13, 743–759. [Google Scholar] [CrossRef]
- Shutari, H.; Ibrahim, T.; Nor, N.B.; Saad, N.; Tajuddin, M.F.; Abdulrab, H.Q. Development of a Novel Efficient Maximum Power Extraction Technique for Grid-Tied VSWT System. IEEE Access 2022, 10, 101922–101935. [Google Scholar] [CrossRef]
- Beheshtaein, S.; Cuzner, R.M.; Forouzesh, M.; Savaghebi, M.; Guerrero, J.M. DC microgrid protection: A comprehensive review. IEEE J. Emerg. Sel. Top. Power Electron. 2019. [Google Scholar] [CrossRef]
- Kumar, D.; Zare, F.; Ghosh, A. DC microgrid technology: System architectures, AC grid interfaces, grounding schemes, power quality, communication networks, applications, and standardizations aspects. IEEE Access 2017, 5, 12230–12256. [Google Scholar] [CrossRef]
- Bini, R.; Backman, M.; Hassanpoor, A. Interruption technologies for HVDC transmission: State-of-art and outlook. In Proceedings of the 2017 4th International Conference on Electric Power Equipment-Switching Technology (ICEPE-ST), Xi’an, China, 22–25 October 2017; pp. 318–323. [Google Scholar]
- Ludin, G.A.; Amin, M.A.; Matayoshi, H.; Rangarajan, S.S.; Hemeida, A.M.; Takahashi, H.; Senjyu, T. Solid-state dc circuit breakers and their comparison in modular multilevel converter based-hvdc transmission system. Electronics 2021, 10, 1204. [Google Scholar] [CrossRef]
- Hassan, M.; Hossain, M.J.; Shah, R. DC fault identification in multiterminal HVDC systems based on reactor voltage gradient. IEEE Access 2021, 18, 115855–115867. [Google Scholar] [CrossRef]
- Mei, J.; Fan, G.; Ge, R.; Wang, B.; Zhu, P.; Yan, L. Research on coordination and optimal configuration of current limiting devices in HVDC grids. IEEE Access 2019, 7, 106727–106739. [Google Scholar] [CrossRef]
- Pei, X.; Cwikowski, O.; Vilchis-Rodriguez, D.S.; Barnes, M.; Smith, A.C.; Shuttleworth, R. A review of technologies for MVDC circuit breakers. In Proceedings of the IECON 2016—42nd Annual Conference of the IEEE Industrial Electronics Society, Florence, Italy, 24–27 October 2016; pp. 3799–3805. [Google Scholar]
- Xia, N.; Zou, J.; Liang, D.; Gao, Y.; Huang, Z.; Wang, Y. Investigations on the safe stroke of mechanical HVDC vacuum circuit breaker. J. Eng. 2019, 2019, 3022–3025. [Google Scholar] [CrossRef]
- Abedrabbo, M.; Leterme, W.; Van Hertem, D. Analysis and enhanced topologies of active-resonance DC circuit breaker. In Proceedings of the 2017 19th European Conference on Power Electronics and Applications (EPE’17 ECCE Europe), Warsaw, Poland, 11–14 September 2017; pp. P-1–P-10. [Google Scholar]
- Ni, B.; Xiang, W.; Yuan, Z.; Chen, X.; Wen, J. Operation and transient performance of a four-terminal MMC based DC grid implementing high power mechanical DC circuit breaker. J. Eng. 2019, 2019, 5167–5171. [Google Scholar] [CrossRef]
- Raghavendra, V.; Naik, B.S.; Sreekanth, T.; Chub, A. Controlled bidirectional DC circuit breaker with zero negative current for high load shift applications. IEEE Trans. Ind. Appl. 2022, 58, 6942–6951. [Google Scholar] [CrossRef]
- Karimi-Ghartemani, M.; Khajehoddin, S.A.; Jain, P.; Bakhshai, A. A systematic approach to DC-bus control design in single-phase grid-connected renewable converters. IEEE Trans. Power Electron. 2012, 28, 3158–3166. [Google Scholar] [CrossRef]
- Wang, Y.; Li, W.; Wu, X.; Wu, X. A novel bidirectional solid-state circuit breaker for DC microgrid. IEEE Trans. Ind. Electron. 2018, 66, 5707–5714. [Google Scholar] [CrossRef]
- Kheirollahi, R.; Zhao, S.; Zhang, H.; Lu, F. Fully Soft-Switched DC Solid-State Circuit Breakers. IEEE Trans. Power Electron. 2023, 38, 6750–6754. [Google Scholar] [CrossRef]
- Ajmal, C.M.; Raghavendra, I.V.; Naik, S.; Ray, A.; Krishnamoorthy, H.S. A modified hybrid DC circuit breaker with reduced arc for low voltage DC grids. IEEE Access 2021, 9, 132267–132277. [Google Scholar] [CrossRef]
- Liu, L.; Zhuang, J.; Wang, C.; Jiang, Z.; Wu, J.; Chen, B. A hybrid DC vacuum circuit breaker for medium voltage: Principle and first measurements. IEEE Trans. Power Electron. 2014, 30, 2096–2101. [Google Scholar] [CrossRef]
- Kim, G.; Park, J.H.; Kim, D.Y.; Kim, S.Y.; Kim, T.H.; Jang, H.S.; Lee, Y.W.; Lee, M.J. 4-Pole Hybrid HVDC Circuit Breaker for Pole-to-Pole (PTP) Fault Protection. IEEE Trans. Power Electron. 2022, 10, 39789–39799. [Google Scholar] [CrossRef]
- Shu, J.; Wang, S.; Ma, J.; Liu, T.; He, Z. An active Z-source DC circuit breaker combined with SCR and IGBT. IEEE Trans. Power Electron. 2020, 35, 10003–10007. [Google Scholar] [CrossRef]
- Lumen, S.S.; Kannan, R.; Mahmud, M.A.; Yahaya, N.Z. An improved DC circuit breaker topology capable of efficient current breaking and regeneration. IEEE Trans. Power Electron. 2021, 37, 6927–6938. [Google Scholar] [CrossRef]















| Parameter | For Simulation | For Experimentation |
|---|---|---|
| DC voltage () | 400 V | 48 V |
| Source inductance () | 200 mH | 2.6 H |
| Source resistance () | 0.1 | 20.7 |
| Load resistance () | 0.9 | 27.3 |
| Load current () | 400 A | 1 A |
| Maximum tripping time () | 50 ms | 50 ms |
| Maximum system voltage () | 5000 V | 300 V |
| Capacitance () | 2000 F | 50 F |
| Capacitance () | 200 F | 25 F |
| Inductance () | 5 mH | 650 mH |
| Inductance () | 20 mH | 650 mH |
| MOV rating | 5000 V | 271 V |
| S1 operating speed (/) | 15 ms/15 ms | 20 ms/20 ms |
| Performance Indicator | MCB | SSCB | ZCB | HCB | Conventional [26] | Proposed |
|---|---|---|---|---|---|---|
| Current breaking time (ms) | 48.11 | 17.33 | * | 32.56 | 45.85 | 44.52 |
| Conduction loss (kW) | 0 | 16.55 | 1.15 | 0 | 0 | 0 |
| Voltage stress (kV) | 5.01 | 5.01 | * | 5.01 | 4.27 | 4.02 |
| Regenerated current (A) | 0 | 0 | 0 | 0 | −120.88 (Average)/ −188.16 (Peak) | −100.7 (Average)/ −157.5 (Peak) |
| Regenerated power (kW) | 0 | 0 | 0 | 0 | −50.80 (Average)/ −116.15 (Peak) | −41.558 (Average)/ −112.7 (Peak) |
| Provision of galvanic isolation | Yes | No | No | Yes | Yes | Yes |
| Energy recovery efficiency (%) | 0 | 0 | 0 | 0 | 68.24 | 67.26 |
| Bidirectional current breaking | Yes | Yes | Yes | Yes | No | Yes |
| False tripping | No | No | Yes | No | No | No |
| Performance Indicators | Experimental | Simulation |
|---|---|---|
| Current breaking time () | 35.16 ms | 34.24 ms |
| Maximum voltage stress | 242 V | 239.2 V |
| Regenerated current (peak) | −0.35 A | −0.47 A |
| Average regenerated current | −0.24 A | −0.29 A |
| Regenerated power (peak) | −30.82 W | −38.9 W |
| Average regenerated power | −13.56 W | −16.49 W |
| Regenerated energy | 1.324 J | 1.30 J |
Disclaimer/Publisher’s Note: The statements, opinions and data contained in all publications are solely those of the individual author(s) and contributor(s) and not of MDPI and/or the editor(s). MDPI and/or the editor(s) disclaim responsibility for any injury to people or property resulting from any ideas, methods, instructions or products referred to in the content. |
© 2023 by the authors. Licensee MDPI, Basel, Switzerland. This article is an open access article distributed under the terms and conditions of the Creative Commons Attribution (CC BY) license (https://creativecommons.org/licenses/by/4.0/).
Share and Cite
Hasan, M.M.; Hiung, L.H.; Kannan, R.; Lumen, S.M.S. An Efficient Bidirectional DC Circuit Breaker Capable of Regenerative Current Breaking for DC Microgrid Application. Electronics 2023, 12, 3529. https://doi.org/10.3390/electronics12163529
Hasan MM, Hiung LH, Kannan R, Lumen SMS. An Efficient Bidirectional DC Circuit Breaker Capable of Regenerative Current Breaking for DC Microgrid Application. Electronics. 2023; 12(16):3529. https://doi.org/10.3390/electronics12163529
Chicago/Turabian StyleHasan, Md Mahmudul, Lo Hai Hiung, Ramani Kannan, and S. M. Sanzad Lumen. 2023. "An Efficient Bidirectional DC Circuit Breaker Capable of Regenerative Current Breaking for DC Microgrid Application" Electronics 12, no. 16: 3529. https://doi.org/10.3390/electronics12163529
APA StyleHasan, M. M., Hiung, L. H., Kannan, R., & Lumen, S. M. S. (2023). An Efficient Bidirectional DC Circuit Breaker Capable of Regenerative Current Breaking for DC Microgrid Application. Electronics, 12(16), 3529. https://doi.org/10.3390/electronics12163529

