Research Progress of Neural Synapses Based on Memristors
Abstract
1. Introduction
2. Synapses Based on Digital Memristors
2.1. One-Memristor Synapse
2.2. Two-Memristor-Two-Resistor Synapse
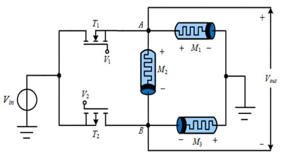
2.3. Four-Memristor Synapse
2.4. Other Digital Synaptic Structures
2.5. Summary of Synaptic Circuit Based on Digital Memristors
3. Synapses Based on Analog Memristors
3.1. Basic Synaptic Characteristics of Analog Memristor
3.1.1. Short-Term Memory to Long-Term Memory
3.1.2. Spike-Timing-Dependent Plasticity
3.1.3. Spike-Rate-Dependent Plasticity
3.1.4. Paired-Pulse Facilitation
3.2. Learning Experience
3.3. Associative Learning
3.4. Nonassociative Learning
3.5. Summary of Synapses Based on Analog Memristors
4. Discussion
4.1. Uniformity and Consistency
4.2. Stability and Reliability
4.3. Large-Scale Integration
4.4. Endurance
4.5. Fundamentals of Biological Theory
5. Outlook
Author Contributions
Funding
Conflicts of Interest
References
- Zhang, Y.; Wang, Z.; Zhu, J.; Yang, Y.; Rao, M.; Song, W.; Zhuo, Y.; Zhang, X.; Cui, M.; Shen, L.; et al. Brain-Inspired Computing with Memristors: Challenges in Devices, Circuits, and Systems. Appl. Phys. Rev. 2020, 7, 011308. [Google Scholar] [CrossRef]
- Shan, X.-Y.; Wang, Z.-Q.; Xie, J.; Zheng, J.-H.; Xu, H.-Y.; Liu, Y.-C. Recent progress in optoelectronic memristive devices for in-sensor computing. Acta Phys. Sin. 2022, 71, 148701. [Google Scholar] [CrossRef]
- Wen, X.-Y.; Wang, Y.-S.; He, Y.-H.; Miao, X.-S. Memristive brain-like computing. Acta Phys. Sin. 2022, 71, 140501. [Google Scholar] [CrossRef]
- Xia, Q.; Yang, J.J. Memristive Crossbar Arrays for Brain-Inspired Computing. Nat. Mater. 2019, 18, 309–323. [Google Scholar] [CrossRef] [PubMed]
- Zhang, Y.; He, W.; Wu, Y.; Huang, K.; Shen, Y.; Su, J.; Wang, Y.; Zhang, Z.; Ji, X.; Li, G.; et al. Highly Compact Artificial Memristive Neuron with Low Energy Consumption. Small 2018, 14, e1802188. [Google Scholar] [CrossRef]
- Jiang, W.; Li, J.; Liu, H.; Qian, X.; Ge, Y.; Wang, L.; Duan, S. Memristor-Based Multi-Synaptic Spiking Neuron Circuit for Spiking Neural Network. Chin. Phys. B 2022, 31, 040702. [Google Scholar] [CrossRef]
- Xu, C.; Wang, C.; Sun, Y.; Hong, Q.; Deng, Q.; Chen, H. Memristor-Based Neural Network Circuit with Weighted Sum Simultaneous Perturbation Training and Its Applications. Neurocomputing 2021, 462, 581–590. [Google Scholar] [CrossRef]
- Chen, L.; Zhou, W.; Li, C.; Huang, J. Forgetting Memristors and Memristor Bridge Synapses with Long- and Short-Term Memories. Neurocomputing 2021, 456, 126–135. [Google Scholar] [CrossRef]
- Chua, L. Memristor-The Missing Circuit Element. IEEE Trans. Circuit Theory 1971, 18, 507–519. [Google Scholar] [CrossRef]
- Strukov, D.B.; Snider, G.S.; Stewart, D.R.; Williams, R.S. The Missing Memristor Found. Nature 2008, 453, 80–83. [Google Scholar] [CrossRef]
- Pantazi, A.; Woźniak, S.; Tuma, T.; Eleftheriou, E. All-Memristive Neuromorphic Computing with Level-Tuned Neurons. Nanotechnology 2016, 27, 355205. [Google Scholar] [CrossRef]
- Wang, Z.; Joshi, S.; Savel’ev, S.; Song, W.; Midya, R.; Li, Y.; Rao, M.; Yan, P.; Asapu, S.; Zhuo, Y.; et al. Fully Memristive Neural Networks for Pattern Classification with Unsupervised Learning. Nat. Electron. 2018, 1, 137–145. [Google Scholar] [CrossRef]
- Zhang, X.; Liu, S.; Zhao, X.; Wu, F.; Wu, Q.; Wang, W.; Cao, R.; Fang, Y.; Lv, H.; Long, S.; et al. Emulating Short-Term and Long-Term Plasticity of Bio-Synapse Based on Cu/a-Si/Pt Memristor. IEEE Electron Device Lett. 2017, 38, 1208–1211. [Google Scholar] [CrossRef]
- John, R.A.; Liu, F.; Chien, N.A.; Kulkarni, M.R.; Zhu, C.; Fu, Q.; Basu, A.; Liu, Z.; Mathews, N. Synergistic Gating of Electro-Iono-Photoactive 2D Chalcogenide Neuristors: Coexistence of Hebbian and Homeostatic Synaptic Metaplasticity. Adv. Mater. 2018, 30, 1800220. [Google Scholar] [CrossRef]
- John, R.A.; Acharya, J.; Zhu, C.; Surendran, A.; Bose, S.K.; Chaturvedi, A.; Tiwari, N.; Gao, Y.; He, Y.; Zhang, K.K.; et al. Optogenetics Inspired Transition Metal Dichalcogenide Neuristors for In-Memory Deep Recurrent Neural Networks. Nat. Commun. 2020, 11, 3211. [Google Scholar] [CrossRef]
- Choi, B.J.; Torrezan, A.C.; Strachan, J.P.; Kotula, P.G.; Lohn, A.J.; Marinella, M.J.; Li, Z.; Williams, R.S.; Yang, J.J. High-Speed and Low-Energy Nitride Memristors. Adv. Funct. Mater. 2016, 26, 5290–5296. [Google Scholar] [CrossRef]
- Feali, M.S.; Ahmadi, A.; Hayati, M. Implementation of Adaptive Neuron Based on Memristor and Memcapacitor Emulators. Neurocomputing 2018, 309, 157–167. [Google Scholar] [CrossRef]
- Wang, W.; Laudato, M.; Ambrosi, E.; Bricalli, A.; Covi, E.; Lin, Y.-H.; Ielmini, D. Volatile Resistive Switching Memory Based on Ag Ion Drift/Diffusion Part I: Numerical Modeling. IEEE Trans. Electron Devices 2019, 66, 3795–3801. [Google Scholar] [CrossRef]
- Zhao, Y.; Pei, Y.; Zhang, Z.; Li, X.; Wang, J.; Yan, L.; He, H.; Zhou, Z.; Zhao, J.; Chen, J.; et al. Memristor Based on α-In2Se3 for Emulating Biological Synaptic Plasticity and Learning Behavior. Sci. China Mater. 2022, 65, 1631–1638. [Google Scholar] [CrossRef]
- Liu, Y.; Lin, Y.; Wang, Z.; Xu, H. Key Laboratory for UV Light-Emitting Materials and Technology, Oxide-based memristive neuromorphic synaptic devices. Acta Phys. Sin. 2019, 68, 168504. [Google Scholar] [CrossRef]
- Sun, J.; Han, J.; Wang, Y. Memristor-Based Neural Network Circuit of Memory with Emotional Homeostasis. IEEE Trans. Nanotechnol. 2022, 21, 204–212. [Google Scholar] [CrossRef]
- Huang, W.; Hang, P.; Yang, D.; Yu, X.; Li, X. Self-Rectifying-Based Memristors for Neuromorphic Computing. Sci. Bull. 2022, 67, 1213–1216. [Google Scholar] [CrossRef] [PubMed]
- Tuma, T.; Le Gallo, M.; Sebastian, A.; Eleftheriou, E. Detecting Correlations Using Phase-Change Neurons and Synapses. IEEE Electron Device Lett. 2016, 37, 1238–1241. [Google Scholar] [CrossRef]
- Stewart, D.R.; Ohlberg, D.A.A.; Beck, P.A.; Chen, Y.; Williams, R.S.; Jeppesen, J.O.; Nielsen, K.A.; Stoddart, J.F. Molecule-Independent Electrical Switching in Pt/Organic Monolayer/Ti Devices. Nano Lett. 2004, 4, 133–136. [Google Scholar] [CrossRef]
- Wang, R.; Mu, Z.; Sun, H.; Wang, Y. Dual-Mode Memristor Synaptic Circuit Design and Application in Image Processing. Front. Phys. 2021, 9, 690944. [Google Scholar] [CrossRef]
- Chen, J.; Duan, S.; Dong, Z.; Wang, L. Spintronic Memristor Synapse and Its RWC Learning Algorithm. IET Circuits Devices Syst. 2018, 12, 579–588. [Google Scholar] [CrossRef]
- Park, Y.; Lee, J.S. Artificial Synapses with Short- and Long-Term Memory for Spiking Neural Networks Based on Renewable Materials. ACS Nano 2017, 11, 8962–8969. [Google Scholar] [CrossRef]
- Covi, E.; Brivio, S.; Serb, A.; Prodromakis, T.; Fanciulli, M.; Spiga, S. Analog Memristive Synapse in Spiking Networks Implementing Unsupervised Learning. Front. Neurosci. 2016, 10, 482. [Google Scholar] [CrossRef]
- Hu, L.; Han, W.; Wang, H. Resistive Switching and Synaptic Learning Performance of a TiO2 Thin Film Based Device Prepared by Sol–Gel and Spin Coating Techniques. Nanotechnology 2020, 31, 155202. [Google Scholar] [CrossRef]
- Li, R.; Dong, Y.; Qian, F.; Xie, Y.; Chen, X.; Zhang, Q.; Yue, Z.; Gu, M. CsPbBr3/Graphene Nanowall Artificial Optoelectronic Synapses for Controllable Perceptual Learning. PhotoniX 2023, 4, 4. [Google Scholar] [CrossRef]
- Kumar, N.; Patel, M.; Nguyen, T.T.; Bhatnagar, P.; Kim, J. All-Oxide-Based and Metallic Electrode-Free Artificial Synapses for Transparent Neuromorphic Computing. Mater. Today Chem. 2022, 23, 100681. [Google Scholar] [CrossRef]
- Xu, X.; Xu, W.; Wei, B.; Hu, F. Memristor-Based Neural Network Circuit of Delay and Simultaneous Conditioning. IEEE Access 2021, 9, 148933–148947. [Google Scholar] [CrossRef]
- Zhang, X.; Long, K. Improved Learning Experience Memristor Model and Application as Neural Network Synapse. IEEE Access 2019, 7, 15262–15271. [Google Scholar] [CrossRef]
- He, N.; Ye, F.; Liu, J.; Sun, T.; Wang, X.; Hou, W.; Shao, W.; Wan, X.; Tong, Y.; Xu, F.; et al. Multifunctional Ag–In–Zn–S/Cs3Cu2Cl5-Based Memristors with Coexistence of Non-Volatile Memory and Volatile Threshold Switching Behaviors for Neuroinspired Computing. Adv. Elect. Mater. 2023, 9, 2201038. [Google Scholar] [CrossRef]
- Srinivasan, G.; Sengupta, A.; Roy, K. Magnetic Tunnel Junction Based Long-Term Short-Term Stochastic Synapse for a Spiking Neural Network with On-Chip STDP Learning. Sci. Rep. 2016, 6, 29545. [Google Scholar] [CrossRef]
- Abbott, L.F.; Regehr, W.G. Synaptic Computation. Nature 2004, 431, 796–803. [Google Scholar] [CrossRef]
- Rahmani, M.K.; Ismail, M.; Mahata, C.; Kim, S. Effect of Interlayer on Resistive Switching Properties of SnO2-Based Memristor for Synaptic Application. Results Phys. 2020, 18, 103325. [Google Scholar] [CrossRef]
- Shao, N.; Zhang, S.; Shao, S. China Mathematical model of memristor with sensory memory. Acta Phys. Sin. 2019, 68, 018501. [Google Scholar] [CrossRef]
- Wang, K.; Dai, S.; Zhao, Y.; Wang, Y.; Liu, C.; Huang, J. Light-Stimulated Synaptic Transistors Fabricated by a Facile Solution Process Based on Inorganic Perovskite Quantum Dots and Organic Semiconductors. Small 2019, 15, 1900010. [Google Scholar] [CrossRef]
- Chang, T.; Jo, S.H.; Lu, W. Short-Term Memory to Long-Term Memory Transition in a Nanoscale Memristor. ACS Nano 2011, 5, 7669–7676. [Google Scholar] [CrossRef]
- Ohno, T.; Hasegawa, T.; Tsuruoka, T.; Terabe, K.; Gimzewski, J.K.; Aono, M. Short-Term Plasticity and Long-Term Potentiation Mimicked in Single Inorganic Synapses. Nat. Mater. 2011, 10, 591–595. [Google Scholar] [CrossRef] [PubMed]
- Li, Y.; Chu, J.; Duan, W.; Cai, G.; Fan, X.; Wang, X.; Wang, G.; Pei, Y. Analog and Digital Bipolar Resistive Switching in Solution-Combustion-Processed NiO Memristor. ACS Appl. Mater. Interfaces 2018, 10, 24598–24606. [Google Scholar] [CrossRef] [PubMed]
- Yun, S.; Mahata, C.; Kim, M.H.; Kim, S. Artificial Synapse Characteristics of a ZnO-Based Memristor with a Short-Term Memory Effect. Appl. Surf. Sci. 2022, 579, 152164. [Google Scholar] [CrossRef]
- Hasina, D.; Mandal, A.; Basu, N.; Srivastava, S.K.; Mitra, A.; Som, T. Realization of Short- and Long-Term Memories at Nanoscale and Their Temporal Evolution in Two-Terminal Memristive Synapses. Appl. Surf. Sci. 2023, 611, 155563. [Google Scholar] [CrossRef]
- Kuzum, D.; Jeyasingh, R.G.D.; Lee, B.; Wong, H.-S.P. Nanoelectronic Programmable Synapses Based on Phase Change Materials for Brain-Inspired Computing. Nano Lett. 2012, 12, 2179–2186. [Google Scholar] [CrossRef]
- Lin, Y.; Zeng, T.; Xu, H.; Wang, Z.; Zhao, X.; Liu, W.; Ma, J.; Liu, Y. Transferable and Flexible Artificial Memristive Synapse Based on WOx Schottky Junction on Arbitrary Substrates. Adv. Electron. Mater. 2018, 4, 1800373. [Google Scholar] [CrossRef]
- Bi, G.; Poo, M. Synaptic Modifications in Cultured Hippocampal Neurons: Dependence on Spike Timing, Synaptic Strength, and Postsynaptic Cell Type. J. Neurosci. 1998, 18, 10464–10472. [Google Scholar] [CrossRef]
- Jo, S.H.; Chang, T.; Ebong, I.; Bhadviya, B.B.; Mazumder, P.; Lu, W. Nanoscale Memristor Device as Synapse in Neuromorphic Systems. Nano Lett. 2010, 10, 1297–1301. [Google Scholar] [CrossRef]
- Li, Y.; Zhong, Y.; Zhang, J.; Xu, L.; Wang, Q.; Sun, H.; Tong, H.; Cheng, X.; Miao, X. Activity-Dependent Synaptic Plasticity of a Chalcogenide Electronic Synapse for Neuromorphic Systems. Sci. Rep. 2014, 4, 4906. [Google Scholar] [CrossRef]
- Boppidi, P.K.R.; Suresh, B.; Zhussupbekova, A.; Biswas, P.; Mullarkey, D.; Raj, P.M.P.; Shvets, I.V.; Kundu, S. Efficient Resistive Switching and Spike Rate Dependent Plasticity in a New CuCrO2 Memristor for Plausible Neuromorphic Systems. IEEE Trans. Electron. Devices 2020, 67, 3451–3458. [Google Scholar] [CrossRef]
- Prezioso, M.; Merrikh Bayat, F.; Hoskins, B.; Likharev, K.; Strukov, D. Self-Adaptive Spike-Time-Dependent Plasticity of Metal-Oxide Memristors. Sci. Rep. 2016, 6, 21311. [Google Scholar] [CrossRef]
- Tan, Z.H.; Yang, R.; Terabe, K.; Yin, X.B.; Zhang, X.D.; Guo, X. Synaptic Metaplasticity Realized in Oxide Memristive Devices. Adv. Mater. 2016, 28, 377–384. [Google Scholar] [CrossRef]
- Wang, Z.; Yin, M.; Zhang, T.; Cai, Y.; Wang, Y.; Yang, Y.; Huang, R. Engineering Incremental Resistive Switching in TaOx Based Memristors for Brain-Inspired Computing. Nanoscale 2016, 8, 14015–14022. [Google Scholar] [CrossRef]
- Graupner, M.; Brunel, N. Calcium-Based Plasticity Model Explains Sensitivity of Synaptic Changes to Spike Pattern, Rate, and Dendritic Location. Proc. Natl. Acad. Sci. USA 2012, 109, 3991–3996. [Google Scholar] [CrossRef]
- Kim, S.; Du, C.; Sheridan, P.; Ma, W.; Choi, S.; Lu, W.D. Experimental Demonstration of a Second-Order Memristor and Its Ability to Biorealistically Implement Synaptic Plasticity. Nano Lett. 2015, 15, 2203–2211. [Google Scholar] [CrossRef]
- Yan, X.; Zhao, J.; Liu, S.; Zhou, Z.; Liu, Q.; Chen, J.; Liu, X.Y. Memristor with Ag-Cluster-Doped TiO2 Films as Artificial Synapse for Neuroinspired Computing. Adv. Funct. Mater. 2018, 28, 1705320. [Google Scholar] [CrossRef]
- Du, C.; Ma, W.; Chang, T.; Sheridan, P.; Lu, W.D. Biorealistic Implementation of Synaptic Functions with Oxide Memristors through Internal Ionic Dynamics. Adv. Funct. Mater. 2015, 25, 4290–4299. [Google Scholar] [CrossRef]
- Wang, Z.; Joshi, S.; Savel’ev, S.E.; Jiang, H.; Midya, R.; Lin, P.; Hu, M.; Ge, N.; Strachan, J.P.; Li, Z.; et al. Memristors with Diffusive Dynamics as Synaptic Emulators for Neuromorphic Computing. Nat. Mater 2017, 16, 101–108. [Google Scholar] [CrossRef]
- Wang, Z.Q.; Xu, H.Y.; Li, X.H.; Yu, H.; Liu, Y.C.; Zhu, X.J. Synaptic Learning and Memory Functions Achieved Using Oxygen Ion Migration/Diffusion in an Amorphous InGaZnO Memristor. Adv. Funct. Mater. 2012, 22, 2759–2765. [Google Scholar] [CrossRef]
- Ren, Z.Y.; Zhu, L.Q.; Guo, Y.B.; Long, T.Y.; Yu, F.; Xiao, H.; Lu, H.L. Threshold-Tunable, Spike-Rate-Dependent Plasticity Originating from Interfacial Proton Gating for Pattern Learning and Memory. ACS Appl. Mater. Interfaces 2020, 12, 7833–7839. [Google Scholar] [CrossRef]
- Park, S.M.; Hwang, H.G.; Woo, J.U.; Lee, W.H.; Chae, S.J.; Nahm, S. Improvement of Conductance Modulation Linearity in a Cu2+-Doped KNbO3 Memristor through the Increase of the Number of Oxygen Vacancies. ACS Appl. Mater. Interfaces 2020, 12, 1069–1077. [Google Scholar] [CrossRef]
- Li, H.; Geng, S.; Liu, T.; Cao, M.; Su, J. Synaptic and Gradual Conductance Switching Behaviors in CeO2/Nb–SrTiO3 Heterojunction Memristors for Electrocardiogram Signal Recognition. ACS Appl. Mater. Interfaces 2023, 15, 5456–5465. [Google Scholar] [CrossRef] [PubMed]
- Salin, P.A.; Scanziani, M.; Malenka, R.C.; Nicoll, R.A. Distinct Short-Term Plasticity at Two Excitatory Synapses in the Hippocampus. Proc. Natl. Acad. Sci. USA 1996, 93, 13304–13309. [Google Scholar] [CrossRef] [PubMed]
- Niu, J.; Fang, Z.; Liu, G.; Zhao, Z.; Yan, X. Multilevel State Ferroelectric La:HfO2-Based Memristors and Their Implementations in Associative Learning Circuit and Face Recognition. Sci. China Mater. 2023, 66, 1148–1156. [Google Scholar] [CrossRef]
- Zhao, P.; Ji, R.; Lao, J.; Jiang, C.; Tian, B.; Luo, C.; Lin, H.; Peng, H.; Duan, C.-G. Multifunctional Two-Terminal Optoelectronic Synapse Based on Zinc Oxide/Poly(3-Hexylthiophene) Heterojunction for Neuromorphic Computing. ACS Appl. Polym. Mater. 2022, 4, 5688–5695. [Google Scholar] [CrossRef]
- Qi, M.; Fu, T.; Yang, H.; Tao, Y.; Li, C.; Xiu, X. Reliable Analog Resistive Switching Behaviors Achieved Using Memristive Devices in AlOx/HfOx Bilayer Structure for Neuromorphic Systems. Semicond. Sci. Technol. 2022, 37, 035018. [Google Scholar] [CrossRef]
- Choi, J.; Kim, S. Coexistence of Long-Term Memory and Short-Term Memory in an SiNx-Based Memristor. Phys. Status Solidi RRL 2020, 14, 2000357. [Google Scholar] [CrossRef]
- Ryu, H.; Kim, S. Self-Rectifying Resistive Switching and Short-Term Memory Characteristics in Pt/HfO2/TaOx/TiN Artificial Synaptic Device. Nanomaterials 2020, 10, 2159. [Google Scholar] [CrossRef]
- Chen, L.; He, Z.; Li, C.; Wen, S.; Chen, Y. Revisiting Memristor Properties. Int. J. Bifurc. Chaos 2020, 30, 2050172. [Google Scholar] [CrossRef]
- Lei, P.; Duan, H.; Qin, L.; Wei, X.; Tao, R.; Wang, Z.; Guo, F.; Song, M.; Jie, W.; Hao, J. High-Performance Memristor Based on 2D Layered BiOI Nanosheet for Low-Power Artificial Optoelectronic Synapses. Adv. Funct. Mater. 2022, 32, 2201276. [Google Scholar] [CrossRef]
- Ebbinghaus, H. Memory: A Contribution to Experimental Psychology. Ann. Neurosci. 2013, 20, 155–156. [Google Scholar] [CrossRef]
- Song, W.; Yu, H.; Li, X.; Fang, R.; Zhu, W.; Zhang, L. Electric-Controlled Resistive Switching and Different Synaptic Behaviors in P+-Si/n-ZnO Heterojunction Memristor. IEEE Trans. Electron Devices 2023, 70, 1648–1652. [Google Scholar] [CrossRef]
- Li, W.; Fan, Z.; Huang, Q.; Rao, J.; Cui, B.; Chen, Z.; Lin, Z.; Yan, X.; Tian, G.; Tao, R.; et al. Polarization-Dominated Internal Timing Mechanism in a Ferroelectric Second-Order Memristor. Phys. Rev. Appl. 2023, 19, 014054. [Google Scholar] [CrossRef]
- Gao, Q.; Huang, A.; Zhang, J.; Ji, Y.; Zhang, J.; Chen, X.; Geng, X.; Hu, Q.; Wang, M.; Xiao, Z.; et al. Artificial Synapses with a Sponge-like Double-Layer Porous Oxide Memristor. NPG Asia Mater. 2021, 13, 3. [Google Scholar] [CrossRef]
- Xiao, C.; Xu, B.; Si, J.; Di, Z.; Zhao, L.; Liu, R.; Lv, Q.; Wang, L.; Zhang, L. Wide Waveband Light Detection and Storage Device for Visual Memory. Phys. Status Solidi A 2022, 219, 2100881. [Google Scholar] [CrossRef]
- Shao, N.; Zhang, S.B.; Shao, S.Y. Analysis of memristor model with learning-experience behavior. Acta Phys. Sin. 2019, 68, 198502. [Google Scholar] [CrossRef]
- An, H.; An, Q.; Yi, Y. Realizing Behavior Level Associative Memory Learning Through Three-Dimensional Memristor-Based Neuromorphic Circuits. IEEE Trans. Emerg. Top. Comput. Intell. 2021, 5, 668–678. [Google Scholar] [CrossRef]
- Chen, Y.; Li, L.; Wang, N.; Wang, H.; Yang, Z.; Long, D. Memory Association Circuit Based on Memristor for Neural Networks. AIP Adv. 2023, 13, 025220. [Google Scholar] [CrossRef]
- Du, S.; Deng, Q.; Hong, Q.; Li, J.; Liu, H.; Wang, C. A Memristor-Based Circuit Design and Implementation for Blocking on Pavlov Associative Memory. Neural Comput. Appl. 2022, 34, 14745–14761. [Google Scholar] [CrossRef]
- Li, Z.; Yi, Z. A Memristor-Based Associative Memory Circuit Considering Synaptic Crosstalk. Electron. Lett. 2022, 58, 539–541. [Google Scholar] [CrossRef]
- Sun, J.; Han, J.; Liu, P.; Wang, Y. Memristor-Based Neural Network Circuit of Pavlov Associative Memory with Dual Mode Switching. AEU—Int. J. Electron. Commun. 2021, 129, 153552. [Google Scholar] [CrossRef]
- Guo, M.; Zhu, Y.; Liu, R.; Zhao, K.; Dou, G. An Associative Memory Circuit Based on Physical Memristors. Neurocomputing 2022, 472, 12–23. [Google Scholar] [CrossRef]
- Sun, J.; Han, G.; Zeng, Z.; Wang, Y. Memristor-Based Neural Network Circuit of Full-Function Pavlov Associative Memory with Time Delay and Variable Learning Rate. IEEE Trans. Cybern. 2019, 50, 2935–2945. [Google Scholar] [CrossRef]
- Sun, J.; Wang, Y.; Liu, P.; Wen, S.; Wang, Y. Memristor-Based Neural Network Circuit with Multimode Generalization and Differentiation on Pavlov Associative Memory. IEEE Trans. Cybern. 2022, 53, 3351–3362. [Google Scholar] [CrossRef]
- Shang, M.; Wang, X. A Memristor-Based Circuit Design for Generalization and Differentiation on Pavlov Associative Memory. Neurocomputing 2020, 389, 18–26. [Google Scholar] [CrossRef]
- Liao, M.; Wang, C.; Sun, Y.; Lin, H.; Xu, C. Memristor-Based Affective Associative Memory Neural Network Circuit with Emotional Gradual Processes. Neural Comput. Appl. 2022, 34, 13667–13682. [Google Scholar] [CrossRef]
- Shi, J.; Zeng, Z. Design of In-Situ Learning Bidirectional Associative Memory Neural Network Circuit with Memristor Synapse. IEEE Trans. Emerg. Top. Comput. Intell. 2021, 5, 743–754. [Google Scholar] [CrossRef]
- Wang, C.; Xu, C.; Sun, J.; Deng, Q. A Memristor-Based Associative Memory Neural Network Circuit with Emotion Effect. Neural Comput. Appl. 2023, 35, 10929–10944. [Google Scholar] [CrossRef]
- Wang, L.; Zou, H. A New Emotion Model of Associative Memory Neural Network Based on Memristor. Neurocomputing 2020, 410, 83–92. [Google Scholar] [CrossRef]
- Wang, Y.; Wang, G.; Shen, Y.; Iu, H.H.C. A Memristor Neural Network Using Synaptic Plasticity and Its Associative Memory. Circuits Syst. Signal Process. 2020, 39, 3496–3511. [Google Scholar] [CrossRef]
- Wang, S.; Dong, B.; Fu, Y.; He, Y.; Miao, X. A Memristor-Based Neural Network Design for Associative Learning. In Proceedings of the 2021 5th IEEE Electron Devices Technology & Manufacturing Conference (EDTM), Chengdu, China, 9–12 March 2021; IEEE: Chengdu, China, 2021; pp. 1–3. [Google Scholar]
- Yang, X.; Fang, Y.; Yu, Z.; Wang, Z.; Zhang, T.; Yin, M.; Lin, M.; Yang, Y.; Cai, Y.; Huang, R. Nonassociative Learning Implementation by a Single Memristor-Based Multi-Terminal Synaptic Device. Nanoscale 2016, 8, 18897–18904. [Google Scholar] [CrossRef] [PubMed]
- Zhao, B.; Xiao, M.; Shen, D.; Zhou, Y.N. Heterogeneous Stimuli Induced Nonassociative Learning Behavior in ZnO Nanowire Memristor. Nanotechnology 2020, 31, 125201. [Google Scholar] [CrossRef] [PubMed]
- Hong, Q.; Yan, R.; Wang, C.; Sun, J. Memristive Circuit Implementation of Biological Nonassociative Learning Mechanism and Its Applications. IEEE Trans. Biomed. Circuits Syst. 2020, 14, 1036–1050. [Google Scholar] [CrossRef] [PubMed]
- Sun, J.; Zhao, L.; Wen, S.; Wang, Y. Memristive Circuit Design of Nonassociative Learning under Different Emotional Stimuli. Electronics 2022, 11, 3851. [Google Scholar] [CrossRef]
- Pei, Y.; Zhou, Z.; Chen, A.P.; Chen, J.; Yan, X. A Carbon-Based Memristor Design for Associative Learning Activities and Neuromorphic Computing. Nanoscale 2020, 12, 13531–13539. [Google Scholar] [CrossRef]
- Tuma, T.; Pantazi, A.; Le Gallo, M.; Sebastian, A.; Eleftheriou, E. Stochastic Phase-Change Neurons. Nat. Nanotechnol. 2016, 11, 693–699. [Google Scholar] [CrossRef]
- Kaneko, Y.; Nishitani, Y.; Ueda, M. Ferroelectric Artificial Synapses for Recognition of a Multishaded Image. IEEE Trans. Electron Devices 2014, 61, 2827–2833. [Google Scholar] [CrossRef]
- Nishitani, Y.; Kaneko, Y.; Ueda, M.; Morie, T.; Fujii, E. Three-Terminal Ferroelectric Synapse Device with Concurrent Learning Function for Artificial Neural Networks. J. Appl. Phys. 2012, 111, 124108. [Google Scholar] [CrossRef]
- Lequeux, S.; Sampaio, J.; Cros, V.; Yakushiji, K.; Fukushima, A.; Matsumoto, R.; Kubota, H.; Yuasa, S.; Grollier, J. A Magnetic Synapse: Multilevel Spin-Torque Memristor with Perpendicular Anisotropy. Sci. Rep. 2016, 6, 31510. [Google Scholar] [CrossRef]
- Rzeszut, P.; Chȩciński, J.; Brzozowski, I.; Ziȩtek, S.; Skowroński, W.; Stobiecki, T. Multi-State MRAM Cells for Hardware Neuromorphic Computing. Sci. Rep. 2022, 12, 7178. [Google Scholar] [CrossRef]
- Upadhyay, N.K.; Jiang, H.; Wang, Z.; Asapu, S.; Xia, Q.; Joshua Yang, J. Emerging Memory Devices for Neuromorphic Computing. Adv. Mater. Technol. 2019, 4, 1800589. [Google Scholar] [CrossRef]
- Jiang, H.; Han, L.; Lin, P.; Wang, Z.; Jang, M.H.; Wu, Q.; Barnell, M.; Yang, J.J.; Xin, H.L.; Xia, Q. Sub-10 Nm Ta Channel Responsible for Superior Performance of a HfO2 Memristor. Sci. Rep. 2016, 6, 28525. [Google Scholar] [CrossRef]
- Wu, W.; Wu, H.; Gao, B.; Deng, N.; Yu, S.; Qian, H. Improving Analog Switching in HfOx-Based Resistive Memory with a Thermal Enhanced Layer. IEEE Electron Device Lett. 2017, 38, 1019–1022. [Google Scholar] [CrossRef]
- Xi, Y.; Tang, J.; Gao, B.; Xu, F.; Li, X.; Lu, Y.; Qian, H.; Wu, H. The Impact of Thermal Enhance Layers on the Relaxation Effect in Analog RRAM. IEEE Trans. Electron Devices 2022, 69, 4254–4258. [Google Scholar] [CrossRef]
- Feng, Y.; Huang, P.; Zhao, Y.; Shan, Y.; Zhang, Y.; Zhou, Z.; Liu, L.; Liu, X.; Kang, J. Improvement of State Stability in Multi-Level Resistive Random-Access Memory (RRAM) Array for Neuromorphic Computing. IEEE Electron Device Lett. 2021, 42, 1168–1171. [Google Scholar] [CrossRef]
- Lin, Y.H.; Wang, C.H.; Lee, M.H.; Lee, D.Y.; Lin, Y.Y.; Lee, F.M.; Lung, H.L.; Wang, K.C.; Tseng, T.Y.; Lu, C.Y. Performance Impacts of Analog ReRAM Non-Ideality on Neuromorphic Computing. IEEE Trans. Electron Devices 2019, 66, 1289–1295. [Google Scholar] [CrossRef]
- Yu, Z.; Wang, Z.; Kang, J.; Fang, Y.; Chen, Y.; Cai, Y.; Huang, R. Early-Stage Fluctuation in Low-Power Analog Resistive Memory: Impacts on Neural Network and Mitigation Approach. IEEE Electron Device Lett. 2020, 41, 940–943. [Google Scholar] [CrossRef]
- Milo, V.; Glukhov, A.; Pérez, E.; Zambelli, C.; Lepri, N.; Mahadevaiah, M.K.; Quesada, E.P.-B.; Olivo, P.; Wenger, C.; Ielmini, D. Accurate Program/Verify Schemes of Resistive Switching Memory (RRAM) for In-Memory Neural Network Circuits. IEEE Trans. Electron Devices 2021, 68, 3832–3837. [Google Scholar] [CrossRef]
- Seok, J.Y.; Song, S.J.; Yoon, J.H.; Yoon, K.J.; Park, T.H.; Kwon, D.E.; Lim, H.; Kim, G.H.; Jeong, D.S.; Hwang, C.S. A Review of Three-Dimensional Resistive Switching Cross-Bar Array Memories from the Integration and Materials Property Points of View. Adv. Funct. Mater. 2014, 24, 5316–5339. [Google Scholar] [CrossRef]
- Wang, I.T.; Chang, C.C.; Chiu, L.W.; Chou, T.; Hou, T.H. 3D Ta/TaOx/TiO2/Ti Synaptic Array and Linearity Tuning of Weight Update for Hardware Neural Network Applications. Nanotechnology 2016, 27, 365204. [Google Scholar] [CrossRef]
- Adam, G.C.; Hoskins, B.D.; Prezioso, M.; Merrikh-Bayat, F.; Chakrabarti, B.; Strukov, D.B. 3-D Memristor Crossbars for Analog and Neuromorphic Computing Applications. IEEE Trans. Electron Devices 2017, 64, 312–318. [Google Scholar] [CrossRef]
- Li, C.; Han, L.; Jiang, H.; Jang, M.H.; Lin, P.; Wu, Q.; Barnell, M.; Yang, J.J.; Xin, H.L.; Xia, Q. Three-Dimensional Crossbar Arrays of Self-Rectifying Si/SiO2/Si Memristors. Nat. Commun. 2017, 8, 15666. [Google Scholar] [CrossRef] [PubMed]
- Wang, T.Y.; Meng, J.L.; Rao, M.Y.; He, Z.Y.; Chen, L.; Zhu, H.; Sun, Q.Q.; Ding, S.J.; Bao, W.Z.; Zhou, P.; et al. Three-Dimensional Nanoscale Flexible Memristor Networks with Ultralow Power for Information Transmission and Processing Application. Nano Lett. 2020, 20, 4111–4120. [Google Scholar] [CrossRef] [PubMed]
- Huo, Q.; Song, R.; Lei, D.; Luo, Q.; Wu, Z.; Wu, Z.; Zhao, X.; Zhang, F.; Li, L.; Liu, M. Demonstration of 3D Convolution Kernel Function Based on 8-Layer 3D Vertical Resistive Random Access Memory. IEEE Electron Device Lett. 2020, 41, 497–500. [Google Scholar] [CrossRef]
- Wei, Z.; Takagi, T.; Kanzawa, Y.; Katoh, Y.; Ninomiya, T.; Kawai, K.; Muraoka, S.; Mitani, S.; Katayama, K.; Fujii, S.; et al. Demonstration of High-Density ReRAM Ensuring 10-Year Retention at 85 °C Based on a Newly Developed Reliability Model. In Proceedings of the 2011 International Electron Devices Meeting, Washington, DC, USA, 5–7 December 2011; IEEE: Washington, DC, USA, 2011; pp. 31.4.1–31.4.4. [Google Scholar]
- Huang, Y.; Hu, Y.; Ren, S. Low-Power Anisotropic Molecular Electronic Memristors. Appl. Mater. Today 2022, 29, 101569. [Google Scholar] [CrossRef]
- Kumar, S.; Davila, N.; Wang, Z.; Huang, X.; Strachan, J.P.; Vine, D.; Kilcoyne, A.L.D.; Nishi, Y.; Williams, R.S. Spatially Uniform Resistance Switching of Low Current, High Endurance Titanium-Niobium-Oxide Memristors. Nanoscale 2017, 9, 1793–1798. [Google Scholar] [CrossRef]
- Yang, J.J.; Zhang, M.X.; Strachan, J.P.; Miao, F.; Pickett, M.D.; Kelley, R.D.; Medeiros-Ribeiro, G.; Williams, R.S. High Switching Endurance in TaOx Memristive Devices. Appl. Phys. Lett. 2010, 97, 232102. [Google Scholar] [CrossRef]
- Strukov, D.B. Endurance-Write-Speed Tradeoffs in Nonvolatile Memories. Appl. Phys. A Mater. Sci. Process. 2016, 122, 302. [Google Scholar] [CrossRef]
- Ravi, V.; Prabaharan, S.R.S. Fault Tolerant Adaptive Write Schemes for Improving Endurance and Reliability of Memristor Memories. AEU Int. J. Electron. Commun. 2018, 94, 392–406. [Google Scholar] [CrossRef]
- Titirsha, T.; Song, S.; Das, A.; Krichmar, J.; Dutt, N.; Kandasamy, N.; Catthoor, F. Endurance-Aware Mapping of Spiking Neural Networks to Neuromorphic Hardware. IEEE Trans. Parallel Distrib. Syst. 2022, 33, 288–301. [Google Scholar] [CrossRef]
- John, R.A.; Milozzi, A.; Tsarev, S.; Brönnimann, R.; Boehme, S.C.; Wu, E.; Shorubalko, I.; Kovalenko, M.V.; Ielmini, D. Ionic-Electronic Halide Perovskite Memdiodes Enabling Neuromorphic Computing with a Second-Order Complexity. Sci. Adv. 2022, 8, eade0072. [Google Scholar] [CrossRef]
- Kumar, S.; Williams, R.S.; Wang, Z. Third-Order Nanocircuit Elements for Neuromorphic Engineering. Nature 2020, 585, 518–523. [Google Scholar] [CrossRef]












| Year | Materials | STM to LTM | STDP | SRDP | PPF | Learning Experience | Associative Learning | Nonassociative Learning | Ref. |
|---|---|---|---|---|---|---|---|---|---|
| 2020 | ZnO | / | / | / | / | / | / | Yes | [93] |
| 2022 | Zinc Oxide/Poly (3-hexylthiophene) | Yes | / | Yes | Yes | Yes | / | / | [65] |
| 2022 | Carbon | Yes | Yes | / | / | / | Yes | / | [96] |
| 2022 | AlOx/HfOx | Yes | Yes | / | Yes | Yes | / | / | |
| 2023 | CeO2/Nb−SrTiO3 | / | Yes | Yes | Yes | Yes | / | / | [62] |
| 2023 | Pd/La:HfO2/La2/3Sr1/3MnO3 | Yes | Yes | / | Yes | / | Yes | / | [64] |
| Year | Level | Question | Method | Ref. |
|---|---|---|---|---|
| 2017 2022 | Device | Relaxation effect | Adding thermal-enhanced layers | [104,105] |
| 2021 | Array | Excessive oxygen vacancies generated by the abrupt SET process | Triangular pulse for the programming | [106] |
| 2019 | Algorithm | Drifting conductance | Conductance tracking method | [107] |
| 2020 | Algorithm | Electron hopping assisted by traps (vacancies) | Optimizing the neural network weight noise tolerance | [108] |
| 2021 | System | Limited precision of conductance | The tradeoff of neural network accuracy, size, and current consumption | [109] |
| Year | Material | Scale | Layer | 3D Structure | Compatible with CMOS | Analog/Digital | Ref. |
|---|---|---|---|---|---|---|---|
| 2016 | Ta/TaOx/TiO2/Ti | 4 × 4 | 2 | Stacking | / | Analog (50 states) | [111] |
| 2016 | Pt/Al2O3/TiO2−x/TiN/Pt | 10 × 10 | 2 | Yes | Analog (16 states) | [112] | |
| 2017 | p-Si/SiO2/n-Si (self-rectifying) | 8 × 8 | 5 (max) | Stacking | Yes | Digital (104 ON/OFF) | [113] |
| 2020 | Pt/HfAlOx/TaN | 6 × 6 | 3 | Stacking | / | Analog | [114] |
| 2020 | HfO2/TaOx | 8 × 32 | 8 | Vertical | / | Digital | [115] |
Disclaimer/Publisher’s Note: The statements, opinions and data contained in all publications are solely those of the individual author(s) and contributor(s) and not of MDPI and/or the editor(s). MDPI and/or the editor(s) disclaim responsibility for any injury to people or property resulting from any ideas, methods, instructions or products referred to in the content. |
© 2023 by the authors. Licensee MDPI, Basel, Switzerland. This article is an open access article distributed under the terms and conditions of the Creative Commons Attribution (CC BY) license (https://creativecommons.org/licenses/by/4.0/).
Share and Cite
Li, Y.; Su, K.; Chen, H.; Zou, X.; Wang, C.; Man, H.; Liu, K.; Xi, X.; Li, T. Research Progress of Neural Synapses Based on Memristors. Electronics 2023, 12, 3298. https://doi.org/10.3390/electronics12153298
Li Y, Su K, Chen H, Zou X, Wang C, Man H, Liu K, Xi X, Li T. Research Progress of Neural Synapses Based on Memristors. Electronics. 2023; 12(15):3298. https://doi.org/10.3390/electronics12153298
Chicago/Turabian StyleLi, Yamin, Kang Su, Haoran Chen, Xiaofeng Zou, Changhong Wang, Hongtao Man, Kai Liu, Xin Xi, and Tuo Li. 2023. "Research Progress of Neural Synapses Based on Memristors" Electronics 12, no. 15: 3298. https://doi.org/10.3390/electronics12153298
APA StyleLi, Y., Su, K., Chen, H., Zou, X., Wang, C., Man, H., Liu, K., Xi, X., & Li, T. (2023). Research Progress of Neural Synapses Based on Memristors. Electronics, 12(15), 3298. https://doi.org/10.3390/electronics12153298
