Reconfiguration Using Bio-Inspired Conduction Mode of Field-Effect Transistors toward the Creation of Recyclable Devices
Abstract
1. Introduction
2. Circuit Architecture
2.1. Circuit Based on FET
2.2. Circuit Based on MOSFET
3. Circular Devices
- Domestic and industrial waste is an issue that requires urgent attention and adversely impacts economic, environmental, and health factors. Manufacturers of printed circuit boards (PCBs) and the silicon semiconductor industry have so far followed a traditional linear economy value chain, leading to high volumes of waste production and loss of value at the end of life. For example, to replace the traditional tracks on PCBs, conductive materials must possess stability and electrical functionality with existing materials, and to replace the existing semiconductor devices (SDs), their charge transport properties depend on reconfigurable charge carrier mobility and higher thermal stability. Therefore, cellulose, as one of the attractive substrate materials because of its flexibility, thermal stability, and simple synthesis technique, can be designed for easier dismantling opportunities, enabling electronics innovation [12,13], while next-generation SDs can be created with biodegradable materials, such as silicon nanomembranes (Si-NM), metal oxides, and conducting polymers [14,15];
- Novel business models can be created through the circulation of new knowledge, leading to innovative technical processes, products, and services focused on initiatives for repair/reuse and redesign into circular economy objectives, using fewer resources and closed-loop material flow, and decreasing negative environmental impacts by including remanufacturing, maintenance, recycling planning, and avoiding the use and generation of hazardous substances. New business models highlight a transition to more sustainable practices regarding waste products that are currently eluding decision makers. Products can be maintained for as long as possible, but before they fail and have to be disposed of, they must be rigorously tested and potentially certified for performance, safety, and reliability for their transformation and reintroduction within a sustainable cycle [16,17];
- Education must highlight the impacts of recovery/recycling approaches on circular vision at every level, offering learning activities from pre-university science to university engineering and technology courses. There are many ways to engage education institutions by creating syllabi focused on recycling at a discrete-component level, where student’s creativity could be considered, taking into account the traditional and uncommon properties of materials, as well as the atypical characteristics of the passive and active devices. Thus, the courses can be planned, for example, using well-known basic circuit theorems that were often conceived decades ago but now have additional mathematical models interrelated with the physics of semiconductors. Moreover, simulation software as design tools must allow the building of next-generation circuit architectures within several innovative functions combined with few components [18,19];
- Due to the specialized nature of the materials, those used in advanced integrated circuits (e.g., digital processors), such as gold, platinum, and palladium, are much less abundant and used sparsely, while copper, a more abundant and densely used material, is categorized as a source of cancerous diseases, and has the largest environmental footprint together with tin, lead, and mercury in terms of human toxicity impact [20]. Accordingly, the electronics industry must solve challenges, such as materials compatibility, thermal stability, unstressed current-handling capacity, and scalable circuit solutions. Thus, the recovery of waste materials (e.g., silicon, iron, copper, and aluminum) can be expected to upgrade the circularity stages by exploiting a material’s unusual properties (e.g., reconfiguration, refurbishment, and reuse) to satisfy the need for an extended product lifecycle and long-term waste mitigation [21,22].
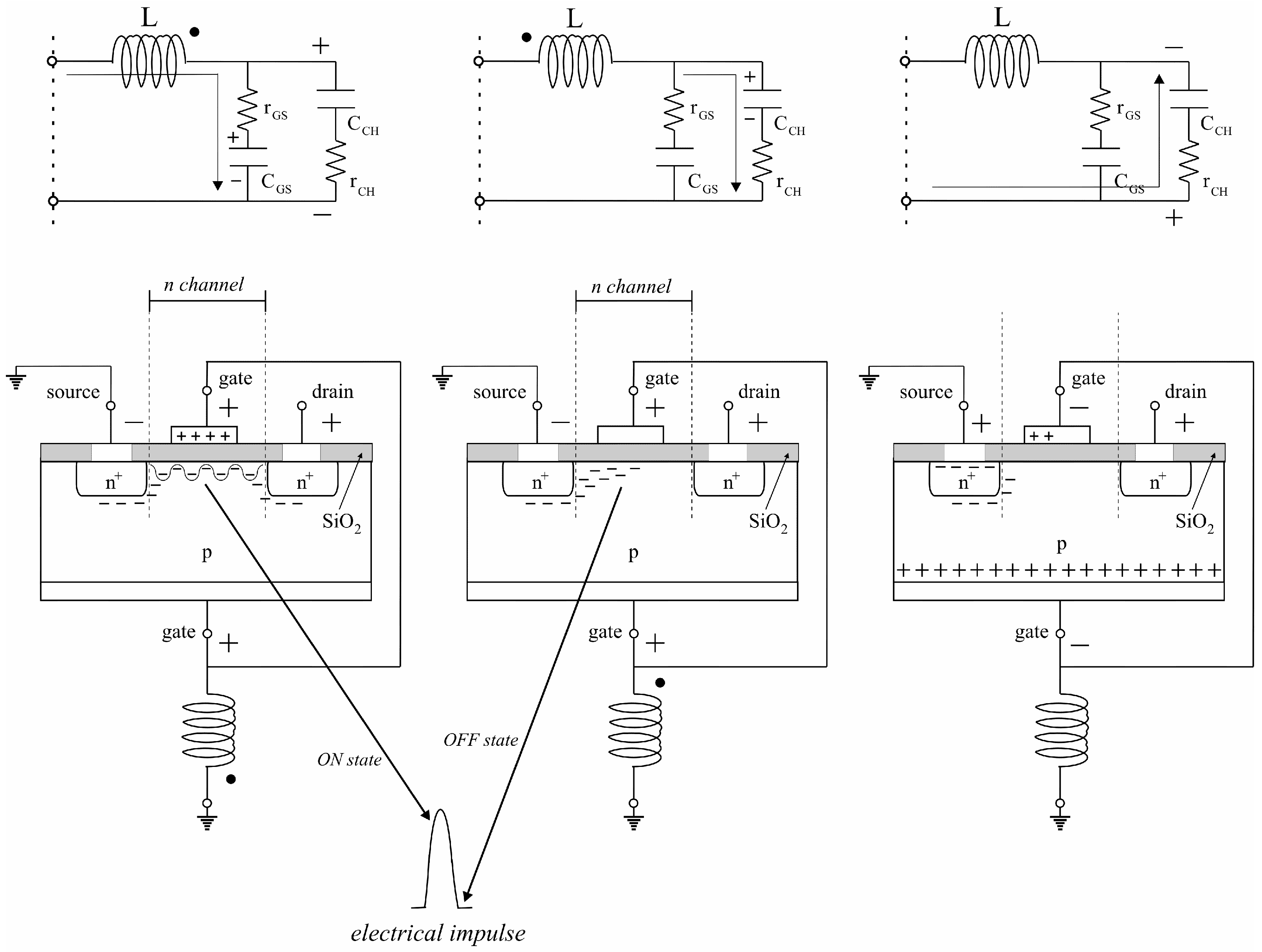
3.1. Reconfigurable Conduction Mode in FET
3.2. Reconfigurable Conduction Mode in MOSFET
3.3. Validation of the Reconfiguration Principle
4. Conclusions
Funding
Data Availability Statement
Acknowledgments
Conflicts of Interest
Appendix A
| Device |
(cm−3) |
(cm−3) |
(A-sec) |
(A-sec) |
|---|---|---|---|---|
| 2N5457 | 3.43 × 1013 | 1.37 × 1015 | ~5 × 10−11 | ~6 × 10−12 |
| 2N7000 | 4.96 × 1013 | 1.98 × 1011 | ~2 × 10−9 | ~1.5 × 10−10 |
| 2.75 × 1013 | 1.11 × 1011 | ~5 × 10−10 | ~2 × 10−11 |
References
- Theis, T.N.; Wong, H.-S.P. The end of Moore’s law: A new beginning for information technology. Comput. Sci. Eng. 2017, 19, 41–50. [Google Scholar] [CrossRef]
- Sauro, H.M.; Kim, K.H. It’s an analog world. Nature 2013, 497, 572–573. [Google Scholar] [CrossRef]
- Rozenberg, M.J.; Schneegans, O.; Stoliar, P. An ultra-compact leaky-integrate-and-fire model for building spiking neural networks. Sci. Rep. 2019, 9, 11123. [Google Scholar] [CrossRef]
- Burr, G.W.; Sebastian, A.; Ando, T.; Haensch, W. Ohm’s law + Kirchhoff’s current law = Better AI: Neural-network processing done in memory with analog circuits will save energy. IEEE Spectr. 2021, 58, 44–49. [Google Scholar] [CrossRef]
- A New Circular Vision for Electronic, Time for a Global Reboot. 2019. Available online: https://www.unep.org/news-and.stories/press-release/un-report-time-seize-opportunity-tackle-challenge-e-waste (accessed on 5 January 2023).
- Chakraborty, M.; Kettle, J.; Dahiya, R. Electronic waste reduction through devices and printed circuit boards designed for circularity. IEEE J. Flex. Electron. 2022, 1, 4–23. [Google Scholar] [CrossRef]
- Abad-Segura, E.; Fuente, A.B.D.L.; González-Zamar, M.D.; Belmonte-Ureña, L.J. Effects of circular economy polices on the environment and sustainable growth: Worldwide research. Sustainability 2020, 12, 5792. [Google Scholar] [CrossRef]
- Martin, A.R.; Brown, D.A.; Diamond, M.E.; Cattaneo, A.; De-Miguel, F.F. From Neuron to Brain, 6th ed.; Sinauer Associates is an imprint of Oxford University Press: New York, NY, USA, 2020; pp. 25–150. [Google Scholar]
- Kandel, E.; Koester, J.D.; Mack, S.H.; Siegelbaum, S. Principles of Neural Science, 6th ed.; McGraw-Hill: New York, NY, USA, 2021; pp. 190–211, 241–254. [Google Scholar]
- Fitchen, F.C. Transistor Circuit Analysis and Design, 2nd ed.; D.Van Nostrand Company Inc.: Princeton, NJ, USA, 1967; pp. 122–136. [Google Scholar]
- Liu, S.; Nagel, L.W. Small-signal MOSFET models for analog circuit design. IEEE J. Solid-State Circuits 1982, SC-17, 983–998. [Google Scholar] [CrossRef]
- Steckl, A.J. Circuits on cellulose. IEEE Spectr. 2013, 50, 48–61. [Google Scholar] [CrossRef]
- Alimenti, F.; Palazzi, V.; Mariotti, C.; Mezzanotte, P.; Correia, R.; Borges Carvalho, N.; Roseli, L. Smart hardware for smart objects. IEEE Microw. Mag. 2018, 19, 48–68. [Google Scholar] [CrossRef]
- Bishop, M.D.; Hills, G.; Srimani, T.; Lau, C.; Murphy, D.; Fuller, S.; Humes, J.; Ratkovich, A.; Nelson, M.; Shulaker, M.M. Fabrication of the carbon nanotube field-effect transistors in commercial silicon manufacturing facilities. Nat. Electron. 2020, 3, 492–501. [Google Scholar] [CrossRef]
- Hosseini, E.S.; Dervin, S.; Ganguly, P.; Dahiya, R. Biodegradable materials for sustainable health monitoring devices. ACS Appl. Bio. Matter. 2021, 4, 163–194. [Google Scholar] [CrossRef] [PubMed]
- Bressanelli, G.; Saccani, N.; Pigosso, D.C.A.; Perona, M. Circular economy in the WEEE industry: A systematic literature review and a research agenda. Sustain. Prod. Consum. 2020, 23, 174–188. [Google Scholar] [CrossRef]
- Fogarassy, C.; Finger, D. Theoretical and practical approaches of circular economy for business models and technological solutions. Resources 2020, 9, 76. [Google Scholar] [CrossRef]
- Minati, L.; Frasca, M.; Oświȩcimka, P.; Faes, L.; Drożdż, S. Atypical transistor-based chaotic oscillators: Design, realization, and diversity. Chaos Interdiscip. J. Nonlinear Sci. 2017, 27, 073113. [Google Scholar] [CrossRef] [PubMed]
- Fei, W.; Trommer, J.; Lemme, M.C.; Mikolajick, T.; Heinzig, A. Emerging reconfigurable electronic devices based on two-dimensional materials: A review. InfoMat 2022, 4, e12355. [Google Scholar] [CrossRef]
- Chen, A.; Dietrich, K.-N.; Huo, X.; Ho, S. Developmental neurotoxicants in e-waste: An emerging health concern. Environ. Health Perspect. 2011, 119, 431–438. [Google Scholar] [CrossRef]
- Baca-Arroyo, R. Synthesis of an aluminum oxide-based functional device engineered by corrosion/oxidation process. Crystals 2020, 10, 734. [Google Scholar] [CrossRef]
- Baca-Arroyo, R. Recycled silicon waste as a sustainable energy material. In Sustainable Materials for Next-Generation Energy Devices, 1st ed.; Yew Cheong, K., Chen, L.-C., Eds.; Elsevier: Amsterdam, The Netherlands, 2021; pp. 359–373. [Google Scholar]
- Grove, A.S. Physics and Technology of Semiconductor Devices, 1st ed.; John Wiley & Sons: New York, NY, USA, 1967; pp. 243–259, 317–333. [Google Scholar]
- Sze, M.S.; NG, K.K. Physics of Semiconductor Devices, 3rd ed.; John Wiley & Sons, Inc.: New York, NY, USA, 2007; pp. 79–101, 293–328, 374–388. [Google Scholar]
- Baca Arroyo, R. Unusual Operation of the Junction Transistor Based on Dynamical Behavior of Impurities. Adv. Cond. Mater. Phys. 2018, 2018, 4237686. [Google Scholar] [CrossRef]
- Sedra, A.S.; Smith, K.C. Microelectronics Circuits, 5th ed.; Oxford University Press Inc.: New York, NY, USA, 2004; pp. 1042–1090. [Google Scholar]
- Khalil, H.K. Nonlinear Systems, 1st ed.; Macmillan Publishing: New York, NY, USA, 1992; pp. 12–55. [Google Scholar]
- Kennedy, M.P. Chaos in the Colpitts Oscillator. IEEE Trans. Circuits Syst. 1994, 41, 771–774. [Google Scholar] [CrossRef]
- Furber, S. To build a brain. IEEE Spectr. 2012, 49, 45–49. [Google Scholar] [CrossRef]
- Rosselló, J.L.; Canals, V.; Morro, A.; Oliver, A. Hardware implementation of stochastic spiking neural networks. Int. J. Neural Syst. 2012, 22, 1250014. [Google Scholar] [CrossRef] [PubMed]
- Resca, D.; Raffo, A.; Santarelli, A.; Vannini, G.; Filicori, F. Scalable equivalent circuit FET model for MMIC design identified through FW-EM analyses. IEEE Trans. Microw. Theory Tech. 2009, 57, 245–253. [Google Scholar] [CrossRef]
- Leach, W.M. Fundamentals of Low-Noise Analog Circuit Design. Proc. IEEE 1994, 82, 1515–1538. [Google Scholar] [CrossRef]
- Das, M.B. FET Noise Sources and their Effects on Amplifier Performance at Low Frequencies. IEEE Trans. Electron. Devices 1972, 19, 339–348. [Google Scholar] [CrossRef]







| Static | Nomenclature | Value |
| donor concentration | ND | 5 × 1015 cm−3 |
| acceptor concentration | NA | 2 × 1017 cm−3 |
| dielectric constant for Si | KSi | 11.7 |
| channel transconductance | gm | 6.5 × 10−4 mhos |
| thickness of channel | d | 2 μm |
| effective channel length | L | 20 μm |
| channel width | Z | 5000 μm |
| carrier mobility | μn | 12.95 cm2V−1s−1 |
| built-in potential | ΦB | 0.7548 eV |
| Dynamic | Nomenclature | Value |
| input voltage | VIN | 2 V |
| gate–source resistance | rGS | 11.36 Ω |
| gate–source capacitance | CGS | 8.80 pF |
| cut-off frequency | f | 1 MHz |
| Static | Nomenclature | Value |
| donor concentration | ND | 5 × 1017 cm−3 |
| acceptor concentration | NA | 2 × 1015 cm−3 |
| dielectric constant for Si | KSi | 11.7 |
| dielectric constant for SiO2 | KOX | 3.9 |
| thickness of the SiO2 | XOX | 100 nm |
| channel transconductance | gm | 2 × 10−3 mhos |
| effective channel length | L | 20 μm |
| channel width | Z | 2000 μm |
| carrier mobility | μn | 400 cm2V−1s−1 |
| surface potential | ΦS | 1.5097 eV |
| Dynamic | Nomenclature | Value |
| input voltage | VIN | 5 V |
| turn-on voltage | VT | 0.4257 V |
| gate–source resistance | rGS | 0.1032 Ω |
| gate–source capacitance | CGS | 219.6 pF |
| channel resistance | rCH | 125 Ω |
| channel capacitance | CCH | 9.29 pF |
| cut-off frequency | f | 40 MHz |
Disclaimer/Publisher’s Note: The statements, opinions and data contained in all publications are solely those of the individual author(s) and contributor(s) and not of MDPI and/or the editor(s). MDPI and/or the editor(s) disclaim responsibility for any injury to people or property resulting from any ideas, methods, instructions or products referred to in the content. |
© 2023 by the author. Licensee MDPI, Basel, Switzerland. This article is an open access article distributed under the terms and conditions of the Creative Commons Attribution (CC BY) license (https://creativecommons.org/licenses/by/4.0/).
Share and Cite
Baca-Arroyo, R. Reconfiguration Using Bio-Inspired Conduction Mode of Field-Effect Transistors toward the Creation of Recyclable Devices. Electronics 2023, 12, 2270. https://doi.org/10.3390/electronics12102270
Baca-Arroyo R. Reconfiguration Using Bio-Inspired Conduction Mode of Field-Effect Transistors toward the Creation of Recyclable Devices. Electronics. 2023; 12(10):2270. https://doi.org/10.3390/electronics12102270
Chicago/Turabian StyleBaca-Arroyo, Roberto. 2023. "Reconfiguration Using Bio-Inspired Conduction Mode of Field-Effect Transistors toward the Creation of Recyclable Devices" Electronics 12, no. 10: 2270. https://doi.org/10.3390/electronics12102270
APA StyleBaca-Arroyo, R. (2023). Reconfiguration Using Bio-Inspired Conduction Mode of Field-Effect Transistors toward the Creation of Recyclable Devices. Electronics, 12(10), 2270. https://doi.org/10.3390/electronics12102270

