A Design Methodology for Wideband Current-Reuse Receiver Front-Ends Aimed at Low-Power Applications
Abstract
:1. Introduction
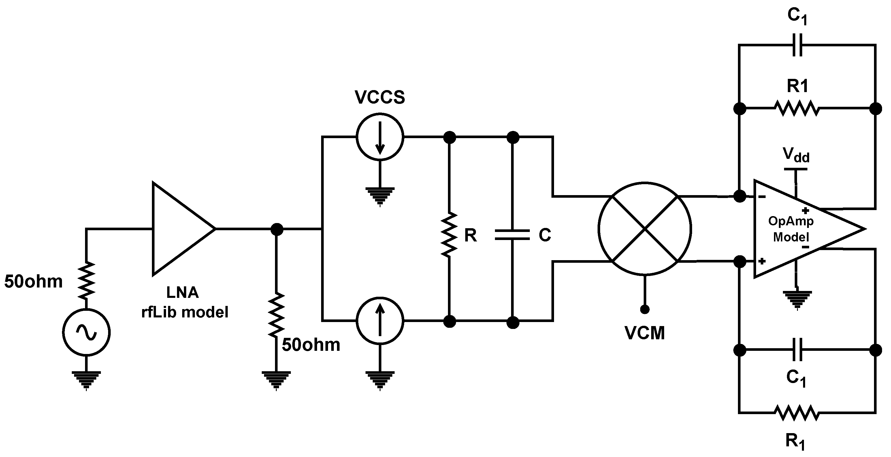
2. RF-to-BB Current-Reuse Receiver Front-End Circuit Level Design
2.1. Low Noise Transconductance Amplifier
2.2. Down-Conversion Mixer
2.3. Active Inductor and Noise Cancellation
2.4. Transimpedance Amplifier
3. System Integration
CRR Front-End
4. Layout Considerations
4.1. LNTA Layout
4.2. Mixer Layout
4.3. Baseband Circuits
4.4. Floor Plan
5. Post-Layout Simulation Results and Discussion
6. Conclusions
Author Contributions
Funding
Acknowledgments
Conflicts of Interest
Abbreviations
| P1dB | 1 dB compression point |
| AI | Active inductor |
| BB | Baseband |
| CG | Common gate |
| CRR | Current-reuse receiver |
| CS | Common source |
| DUT | Design under test |
| DSB | Double side-band |
| ÉTS | École de technologie supérieure |
| FoM | Figure of merit |
| IF | Intermediate frequency |
| IoT | Internet of Things |
| LNTA | Low-noise transconductance amplifier |
| LO | Local oscillator |
| NF | Noise figure |
| DSBNF | Double side-band noise figure |
| PDK | Process design kit |
| RF | Radio frequency |
| TIA | Transimpedance amplifier |
| VCO | Voltage-controlled oscillator |
| VCCS | Voltage-controlled current source |
| VTH | Voltage threshold |
References
- Shams, N.; Abbasi, A.; Nabki, F. A 3.5 to 7 GHz Wideband Differential LNA with g m Enhancement for 5G Applications. In Proceedings of the 2020 18th IEEE International New Circuits and Systems Conference (NEWCAS), Montreal, QC, Canada, 16–19 June 2020; pp. 230–233. [Google Scholar]
- Tedeschi, M.; Liscidini, A.; Castello, R. Low-power quadrature receivers for ZigBee (IEEE 802.15. 4) applications. IEEE J. Solid-State Circuits 2010, 45, 1710–1719. [Google Scholar] [CrossRef]
- Cai, Z.; Shi, M.; Hu, S.; Wang, Z. A 2.4 GHz 2.9 mW Zigbee RF Receiver with Current-Reusing and Function-Reused Mixing Techniques. Electronics 2020, 9, 697. [Google Scholar] [CrossRef]
- Lin, Z.; Mak, P.I.; Martins, R.P. A 2.4 GHz ZigBee Receiver Exploiting an RF-to-BB-Current-Reuse Blixer+ Hybrid Filter Topology in 65 nm CMOS. IEEE J. Solid-State Circuits 2014, 49, 1333–1344. [Google Scholar] [CrossRef]
- Lin, Z.; Mak, P.I.; Martins, R.P. A Sub-GHz Multi-ISM-Band ZigBee Receiver Using Function-Reuse and Gain-Boosted N-Path Techniques for IoT Applications. IEEE J. Solid-State Circuits 2014, 49, 2990–3004. [Google Scholar] [CrossRef]
- Lin, F.; Mak, P.I.; Martins, R.P. An RF-to-BB-current-reuse wideband receiver with parallel N-path active/passive mixers and a single-MOS pole-zero LPF. IEEE J. Solid-State Circuits 2014, 49, 2547–2559. [Google Scholar] [CrossRef]
- Ghosh, D.; Gharpurey, R. A power-efficient receiver architecture employing bias-current-shared RF and baseband with merged supply voltage domains and 1/f noise reduction. IEEE J. Solid-State Circuits 2011, 47, 381–391. [Google Scholar] [CrossRef]
- Kim, S.; Kwon, K. A Low-Power RF-to-BB-Current-Reuse Receiver Employing Simultaneous Noise and Input Matching and 1/f Noise Reduction for IoT Applications. IEEE Microw. Wirel. Components Lett. 2019, 29, 614–616. [Google Scholar] [CrossRef]
- Abbasi, A.; Shams, N.; Kakhki, A.P.; Nabki, F. A low-power wideband receiver front-end for nb-iot applications. In Proceedings of the 2020 18th IEEE International New Circuits and Systems Conference (NEWCAS), Montreal, QC, Canada, 16–19 June 2020; pp. 50–53. [Google Scholar]
- Park, B.; Kwon, K. 2.4 GHz BLE Receiver With Power-Efficient Quadrature RF-to-Baseband-Current-Reuse Architecture for Low-Power IoT Applications. IEEE Access 2021, 9, 62734–62744. [Google Scholar] [CrossRef]
- Ramella, M.; Fabiano, I.; Manstretta, D.; Castello, R. A SAW-less 2.4-GHz receiver front-end with 2.4-mA battery current for SoC coexistence. IEEE J. Solid-State Circuits 2017, 52, 2292–2305. [Google Scholar] [CrossRef]
- Abbasi, A.; Shams, N.; Nabki, F. A 0.8–3.4 GHz, low-power and low-noise RF-to-BB-Current-Reuse receiver front-end for wideband local and wide-area IoT applications. In Proceedings of the 2020 27th IEEE International Conference on Electronics, Circuits and Systems (ICECS), Glasgow, UK, 23–25 November 2020; pp. 1–4. [Google Scholar]
- Razavi, B. RF Microelectronics: Pearson New International Edition; Pearson Education Limited: London, UK, 2013. [Google Scholar]
- Bozorg, A.; Staszewski, R.B. A 0.02–4.5-GHz LN (T) A in 28-nm CMOS for 5G exploiting noise reduction and current reuse. IEEE J. Solid-State Circuits 2020, 56, 404–415. [Google Scholar] [CrossRef]

















| Parameters | This Work ** | JSSC 2010 [2] | JSSC 2014 [4] | JSSC 2014 [5] | MWCL 2019 [8] | JSSC 2017 [11] | IEEE 2021 [10] |
|---|---|---|---|---|---|---|---|
| Application | IoT | ZigBee | ZigBee | ZigBee | IoT | Bluetooth | BLE |
| Process node | 130 nm CMOS | 90 nm CMOS | 65 nm CMOS | 65 nm CMOS | 65 nm CMOS | 28 nm CMOS | 65 nm CMOS |
| Freq. (GHz) | 0.8–3.4 | 2.4 | 2.4 | 0.433–0.96 | 0.91 | 2.4 | 2.4–2.48 |
| S11 (dB) | <−10 | <−10 | <−10 | <−10 | <−10 | <−10 | <−10 |
| Gain (dB) | 39.5 | 75 | 57 | 50 | 40.7 | 43.4 | 42 |
| NF (dB) | 5.6 | 9 | 8.5 | 8.1 | 1.94 | 7.8 | 13.2 |
| IIP3 (dBm) | −28 * | −12.5 | −6 | −20.5 | −25.6 * | −20 * | −25 * |
| PDC@VDD | 2.3@1.2 | 3.6@1.2 | 1@1.2 | 1.15@0.5 | 3.6@1.8 | 4.3@1.8 | 1.13@0.8 |
| Active Area | 0.025 | 0.35 | 0.3 | 0.2 | 0.559 | 0.4 | 0.85 |
| FoM | −11 | −38.3 | −34.7 | −27.1 | −24.8 | −15.6 | −32.3 |
Publisher’s Note: MDPI stays neutral with regard to jurisdictional claims in published maps and institutional affiliations. |
© 2022 by the authors. Licensee MDPI, Basel, Switzerland. This article is an open access article distributed under the terms and conditions of the Creative Commons Attribution (CC BY) license (https://creativecommons.org/licenses/by/4.0/).
Share and Cite
Abbasi, A.; Nabki, F. A Design Methodology for Wideband Current-Reuse Receiver Front-Ends Aimed at Low-Power Applications. Electronics 2022, 11, 1493. https://doi.org/10.3390/electronics11091493
Abbasi A, Nabki F. A Design Methodology for Wideband Current-Reuse Receiver Front-Ends Aimed at Low-Power Applications. Electronics. 2022; 11(9):1493. https://doi.org/10.3390/electronics11091493
Chicago/Turabian StyleAbbasi, Arash, and Frederic Nabki. 2022. "A Design Methodology for Wideband Current-Reuse Receiver Front-Ends Aimed at Low-Power Applications" Electronics 11, no. 9: 1493. https://doi.org/10.3390/electronics11091493
APA StyleAbbasi, A., & Nabki, F. (2022). A Design Methodology for Wideband Current-Reuse Receiver Front-Ends Aimed at Low-Power Applications. Electronics, 11(9), 1493. https://doi.org/10.3390/electronics11091493

