Analysis and Design of an S/PS−Compensated WPT System with Constant Current and Constant Voltage Charging
Abstract
:1. Introduction
2. Theoretical Analysis of the S/PS−Compensated WPT System
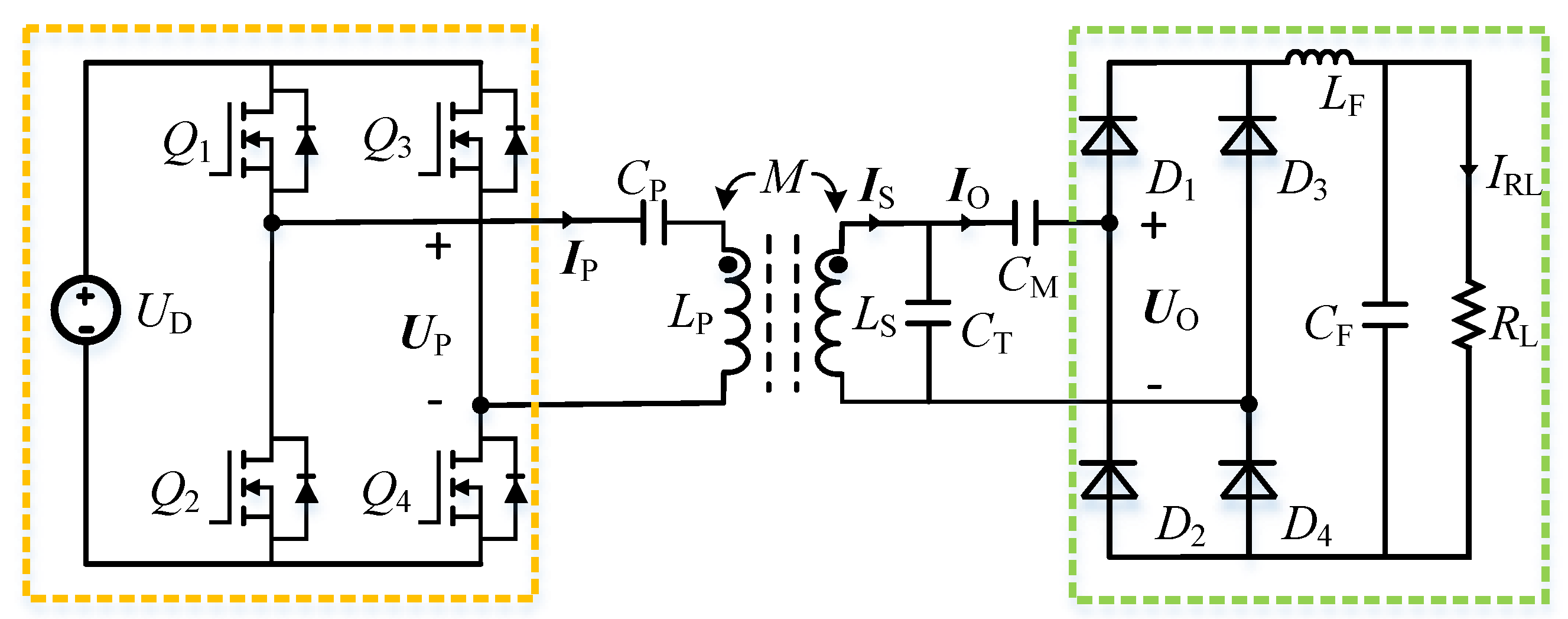
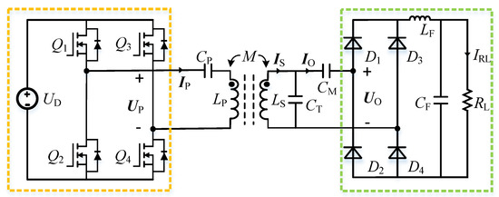
2.1. Overview of the S/PS-Compensated WPT System
2.2. Analysis of the CV Characteristic with ZPA Operation
2.3. Analysis of the CC Characteristic with ZPA Operation
2.4. Expression of Compensation Capacitor
3. Parameters Design and Verification
3.1. Design Ideas of the S/PS−Compensated WPT System
3.2. Design of the Loosely Coupled Transformer and Compensation Elements
3.3. Preliminary Simulation Verification
4. Design of the Switch Strategy of the S/PS−Compensated WPT System
5. Experimental Results
5.1. Experimental Model Construction
5.2. Experimental Results and Analysis
- (1).
- Through reasonable parameter design, the proposed S/PS−compensated WPT system is able to achieve CC mode and CV mode charging by frequency switching. Importantly, the proposed system can realize ZPA operation in both CC mode and CV mode, ensuring the high efficiency of system, which is the advantage of this study compared with [24].
- (2).
6. Conclusions
Author Contributions
Funding
Data Availability Statement
Conflicts of Interest
References
- Li, S.; Mi, C.C. Wireless power transfer for electric vehicle applications. IEEE J. Emerg. Sel. Top. Power Electron. 2015, 3, 4–17. [Google Scholar]
- Yang, L.; Shi, Y.Y.; Wang, M.; Ren, L. Constant voltage charging and maximum efficiency tracking for WPT systems employing dual-side control scheme. IEEE J. Emerg. Sel. Top. Power Electron. 2021, 10, 945–955. [Google Scholar] [CrossRef]
- Liu, S.; Li, X.M.; Yang, L. A three-coil structure based WPT system design for the electric bike CC and CV charging without communication. IET Electr. Power Appl. 2019, 13, 1318–1327. [Google Scholar] [CrossRef]
- Zucca, M.; Cirimele, V.; Bruna, J.; Signorino, D.; Laporta, E.; Colussi, J.; Alonso Tejedor, M.A.; Fissore, F.; Pogliano, U. Assessment of the overall efficiency in WPT stations for electric vehicles. Sustainability 2021, 13, 2436. [Google Scholar] [CrossRef]
- Li, Y.; Zhang, S.; Cheng, Z. Double-coil dynamic shielding technology for wireless power transmission in electric vehicles. Energies 2021, 14, 5271. [Google Scholar] [CrossRef]
- Kim, J.; Marin, G.; Seo, J.M.; Neviani, A. A 13.56 MHz reconfigurable step-up switched capacitor converter for wireless power transfer system in implantable medical devices. Analog. Integr. Circuits Signal Processing 2022, 110, 517–525. [Google Scholar] [CrossRef]
- Xiao, C.; Cheng, D.; Wei, K. An LCC-C compensated wireless charging system for implantable cardiac pacemakers: Theory, experiment and safety evaluation. IEEE Trans. Power Electron. 2018, 33, 4894–4905. [Google Scholar] [CrossRef]
- Zhang, K.; Zhang, X.; Zhu, Z.; Yan, Z.; Song, B.; Mi, C.C. A new coil structure to reduce eddy current loss of WPT systems for underwater vehicles. IEEE Trans. Veh. Technol. 2019, 68, 245–253. [Google Scholar] [CrossRef]
- Yan, Z.; Zhang, Y.; Kan, T.; Lu, F.; Zhang, K.; Song, B.; Mi, C.C. Frequency optimization of a loosely coupled underwater wireless power transfer system considering eddy current loss. IEEE Trans. Ind. Electron. 2019, 66, 3468–3476. [Google Scholar] [CrossRef]
- Hui, S.Y. Planar wireless charging technology for portable electronic products and qi. Proc. IEEE 2013, 101, 1290–1301. [Google Scholar] [CrossRef] [Green Version]
- Kuncoro, C.; Luo, W.; Kuan, Y. Eco-green portable wireless power charger design with low-voltage, high-current fuel cell power source features. Int. J. Energy Res. 2020, 44, 9629–9645. [Google Scholar] [CrossRef]
- Cai, C.; Wang, J.; Zhang, F.; Liu, X.; Zhang, P.; Zhou, Y.G. A multichannel wireless UAV charging system with compact receivers for improving transmission stability and capacity. IEEE Syst. J. 2022, 16, 997–1008. [Google Scholar] [CrossRef]
- Cai, C.; Wang, J.; Wang, L.; Yuan, Z.; Tang, N.; Han, X.; Wang, S. Improved coplanar couplers based WPT systems for adaptive energy harvesting on power towers. IEEE Trans. Electromagn. Compat. 2021, 63, 922–934. [Google Scholar] [CrossRef]
- Cai, C.; Saeedifard, M.; Wang, J.; Zhang, P.; Zhao, J.; Hong, Y. A cost-effective segmented dynamic wireless charging system with stable efficiency and output power. IEEE Trans. Power Electron. 2022, 37, 8682–8700. [Google Scholar] [CrossRef]
- Huang, Z.; Wong, C.; Tse, K. An Inductive-Power-Transfer Converter with High Efficiency Throughout Battery-Charging Process. IEEE Trans. Power Electron. 2019, 34, 10245–10255. [Google Scholar] [CrossRef]
- Wang, X.; Xu, J.; Mao, M.; Ma, H. An LCL-based SS compensated WPT converter with wide ZVS range and integrated coil structure. IEEE Trans. Ind. Electron. 2021, 68, 4882–4893. [Google Scholar] [CrossRef]
- Sohn, Y.H.; Choi, B.H.; Lee, E.S.; Lim, G.C.; Cho, G.H.; Rim, C.T. General unified analyses of two-capacitor inductive power transfer systems: Equivalence of current-source SS and SP compensations. IEEE Trans. Power Electron. 2015, 30, 6030–6045. [Google Scholar] [CrossRef]
- Qu, X.; Han, H.; Wong, S.C.; Chi, K.T.; Chen, W. Hybrid IPT topologies with constant current or constant voltage output for battery charging applications. IEEE Trans. Power Electron. 2015, 30, 6329–6337. [Google Scholar] [CrossRef]
- Xu, Z.; Yang, L.; Li, X.; Liu, S.; Dong, Z.; Wu, Y. Analysis and design of a S/PS-compensated IPT system with constant current output. IET Electr. Power Appl. 2020, 14, 2739–2749. [Google Scholar] [CrossRef]
- Li, X.; Yang, L.; Xu, Z.; Hu, J.; He, Z.; Mai, R. A communication-free WPT system based on transmitter-side hybrid topology switching for battery charging applications. AIP Adv. 2020, 10, 45302. [Google Scholar] [CrossRef] [Green Version]
- Li, Y.; Xu, Q.; Lin, T.; Hu, J.; He, Z.; Mai, R. Analysis and design of load-independent output current or output voltage of a three-coil wireless power transfer system. IEEE Trans. Transp. Electrif. 2018, 4, 364–375. [Google Scholar] [CrossRef]
- Li, G.; Kim, D.-H. A Wireless Power Transfer Charger with Hybrid Compensation Topology for Constant Current/Voltage Onboard Charging. Appl. Sci. 2021, 11, 7569. [Google Scholar] [CrossRef]
- Chen, Y.; Kou, Z.; Zhang, Y.; He, Z.; Mai, R.; Cao, G. Hybrid topology with configurable charge current and charge voltage output-based WPT charger for massive electric bicycles. IEEE J. Emerg. Sel. Top. Power Electron. 2018, 6, 1581–1594. [Google Scholar] [CrossRef]
- Huang, Z.; Wong, S.-C.; Tse, C. Design of a single-stage inductive-power-transfer converter for efficient EV battery charging. IEEE Trans. Veh. Technol. 2017, 66, 5808–5821. [Google Scholar] [CrossRef]
- Vu, V.B.; Tran, D.H.; Choi, W. Implementation of the constant current and constant voltage charge of inductive power transfer systems with the double-sided LCC compensation topology for electric vehicle battery charge applications. IEEE Trans. Power Electron. 2017, 33, 7398–7410. [Google Scholar] [CrossRef] [Green Version]
- Qu, X.; Chu, H.; Wong, S.C.; Chi, K.T. An IPT battery charger with near unity power factor and load-independent constant output combating design constraints of input voltage and transformer parameters. IEEE Trans. Power Electron. 2019, 34, 7719–7727. [Google Scholar] [CrossRef]
- Yang, L.; Li, X.; Liu, S.; Xu, Z.; Cai, C.; Guo, P. Analysis and design of three-coil structure WPT system with constant output current and voltage for battery charging applications. IEEE Access 2019, 7, 87334–87344. [Google Scholar] [CrossRef]
- Tran, D.H.; Vu, V.B.; Choi, W. Design of a high-efficiency wireless power transfer system with intermediate coils for the on-board chargers of electric vehicles. IEEE Trans. Power Electron. 2017, 33, 175–187. [Google Scholar] [CrossRef]
- Yang, L.; Li, X.; Liu, S.; Xu, Z.; Cai, C. Analysis and design of an LCCC/S-compensated WPT system with constant output characteristics for battery charging applications. IEEE J. Emerg. Sel. Top. Power Electron. 2021, 9, 1169–1180. [Google Scholar] [CrossRef]












| Parameters | Primary−Side | Secondary−Side |
|---|---|---|
| Coil outer diameter | 222 mm | 180 mm |
| Coil inner diameter | 180 mm | 120 mm |
| Turns | 17 | 10 |
| Parameters | Title 2 | Parameters | Title 3 |
|---|---|---|---|
| ωcv | 85 kHz | CP | 47.17 nF |
| ωcc | 65.15 kHz | CM | 81.26 nF |
| UD | 40 V | CT | 116.86 nF |
| LP | 30 μH | G(ωcc) | 0.05 |
| LS | 106.82 μH | E(ωcv) | 1.5 |
| M | 20 μH | IO | 2 A |
| RP/RS | 0.1 Ω/0.05 Ω | UO | 60 V |
| Parameters | Title 2 | Parameters | Title 3 |
|---|---|---|---|
| ωcv | 85 kHz | CP | 47.85 nF |
| ωcc | 65.15 kHz | CM | 82.34 nF |
| UD | 40 V | CT | 117.66 nF |
| LP | 107.73 μH | G(ωcc) | 0.05 |
| LS | 31.56 μH | E(ωcv) | 1.5 |
| M | 21.22 μH | IO | 2 A |
| RP/RS | 0.1 Ω/0.05 Ω | UO | 48 V |
| Proposed in | Ref. [24] | Ref. [25] | Ref. [26] | Ref. [27] | Ref. [28] | This Study |
|---|---|---|---|---|---|---|
| Number of coils | 2 | 2 | 2 | 3 | 4 | 2 |
| Resonant tank | SS | LCC/LCC | LCC/LCC | Three−coil | Four−coil | S/PS |
| Number of primary−side compensation components | 1 | 3 | 3 | 2 | 2 | 1 |
| Number of secondary−side compensation components | 1 | 3 | 3 | 1 | 2 | 2 |
| Frequency in CC mode (kHz) | 50.11 | 68 | 206.6 | 68.2 | 50 | 65.15 |
| Frequency in CV mode (kHz) | 70.09 | 79.1 | 259.9 | 85 | 59.4 | 85 |
| ZPA in CC mode | Yes | Yes | Yes | Yes | Yes | Yes |
| ZPA in CV mode | No | Yes | Yes | Yes | Yes | Yes |
| Compact and lightweight secondary−side | Yes | No | No | Yes | No | Yes |
Publisher’s Note: MDPI stays neutral with regard to jurisdictional claims in published maps and institutional affiliations. |
© 2022 by the authors. Licensee MDPI, Basel, Switzerland. This article is an open access article distributed under the terms and conditions of the Creative Commons Attribution (CC BY) license (https://creativecommons.org/licenses/by/4.0/).
Share and Cite
Yang, L.; Geng, Z.; Jiang, S.; Wang, C. Analysis and Design of an S/PS−Compensated WPT System with Constant Current and Constant Voltage Charging. Electronics 2022, 11, 1488. https://doi.org/10.3390/electronics11091488
Yang L, Geng Z, Jiang S, Wang C. Analysis and Design of an S/PS−Compensated WPT System with Constant Current and Constant Voltage Charging. Electronics. 2022; 11(9):1488. https://doi.org/10.3390/electronics11091488
Chicago/Turabian StyleYang, Lin, Zhi Geng, Shuai Jiang, and Can Wang. 2022. "Analysis and Design of an S/PS−Compensated WPT System with Constant Current and Constant Voltage Charging" Electronics 11, no. 9: 1488. https://doi.org/10.3390/electronics11091488
APA StyleYang, L., Geng, Z., Jiang, S., & Wang, C. (2022). Analysis and Design of an S/PS−Compensated WPT System with Constant Current and Constant Voltage Charging. Electronics, 11(9), 1488. https://doi.org/10.3390/electronics11091488

