Three-Level Active Power Filter Based on Model Predictive Control
Abstract
:1. Introduction
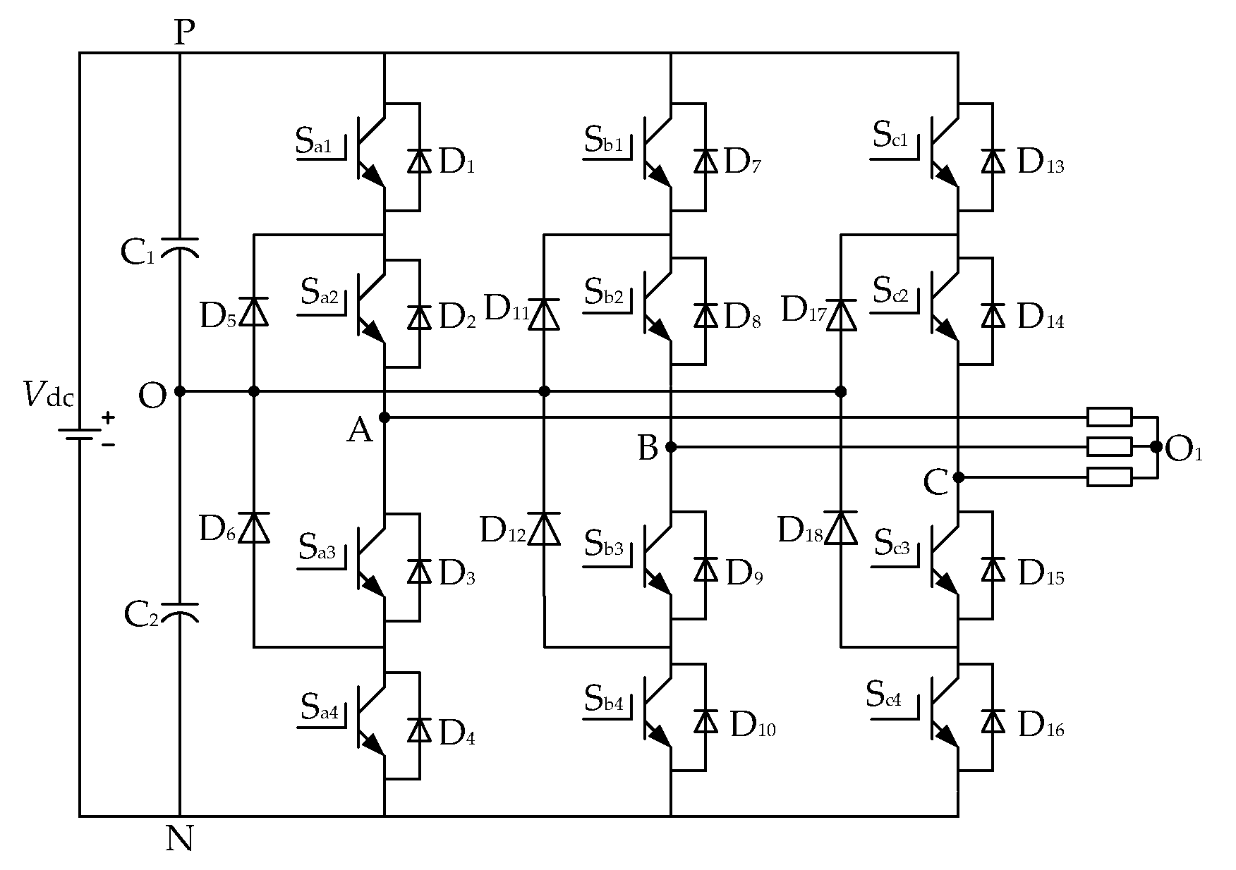
2. NPC Topological Structure Analysis
2.1. NPC Topological Structure and Working Principle
2.2. Mathematical Model of Three-level NPC APF
2.3. Analysis of Neutral Point Potential of NPC APF
3. Model Predictive Control
3.1. Fundamental Theory
3.2. Traditional MPC
3.3. Improved MPC
3.3.1. Improved MPC Objective Function
3.3.2. Single Objective Function Improved Model Predictive Control Strategy Based on Sector Judgment
3.3.3. Flow and Analysis of Improved Model Predictive Control
4. System Simulation and Result Analysis
4.1. Simulation and Analysis of Traditional Model Predictive Control
4.2. Single Objective Function Improved Model Predictive Control Based on Sector Judgment
4.3. System Performance Simulation and Analysis
4.3.1. System Simulation Analysis under Sudden Load Change
4.3.2. System Simulation Analysis under Unbalanced Load
5. Experiment and Result Analysis
5.1. DC Capacitor Voltage Waveform
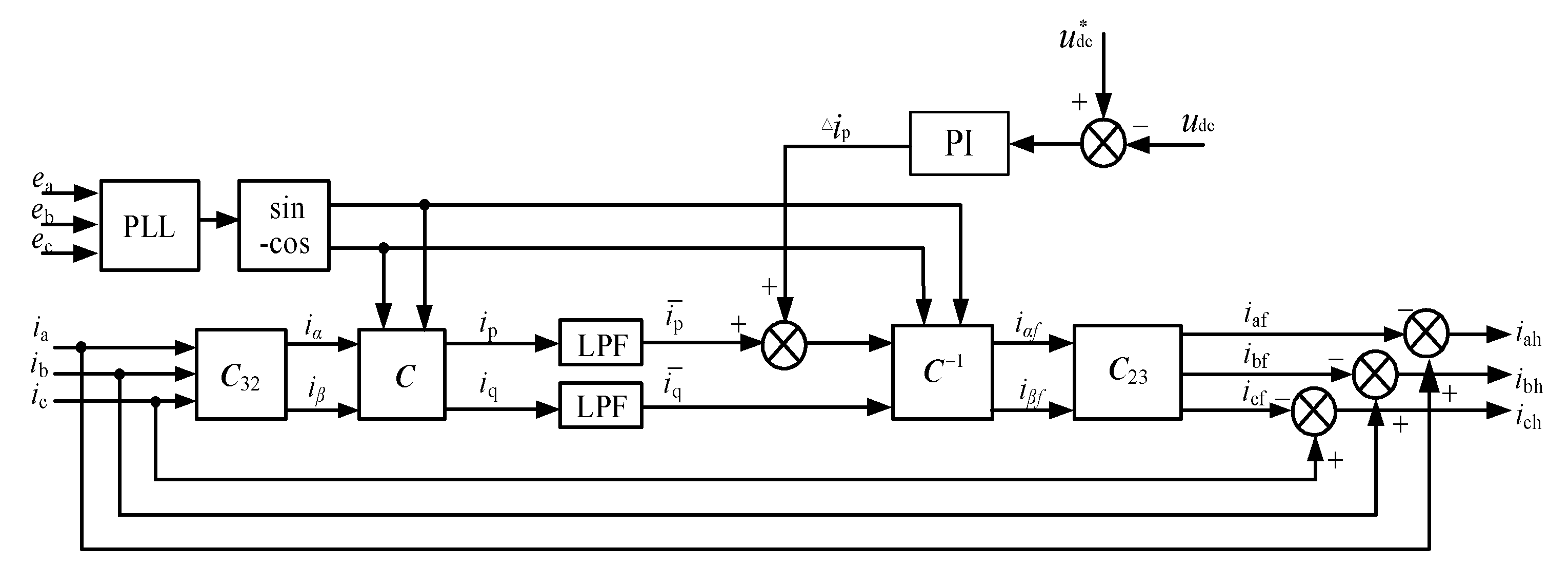
5.2. Harmonic Current Extraction and Tracking Waveform
5.3. Algorithm Time-Consuming Comparison
5.4. Experiment of Power Grid Balance and Load Balance
5.5. Experiment of Power Grid Balance and Load Imbalance
5.6. Load Sudden Change Experiment
6. Conclusions
Author Contributions
Funding
Data Availability Statement
Conflicts of Interest
References
- Arulmurugan, R.; Chandramouli, A. Design and implementation of a Nine-Level inverter with shunt active filter for distributed system. In Proceedings of the 2018 4th International Conference on Electrical Energy Systems (ICEES), Chennai, India, 7–9 February 2018; pp. 224–228. [Google Scholar]
- Fu, J.; Chen, L.; Zhao, H.; Zhang, P. High and low frequency control strategy for APF DC-Link ripple voltage under unbalanced load. In Proceedings of the 2019 IEEE 2nd International Conference on Electronics and Communication Engineering (ICECE), Xi’an, China, 9–11 December 2019; pp. 326–330. [Google Scholar]
- Sun, X.F.; Gu, L.; Li, Z.C. Damping strategy research of background harmonic in novel power distribution system. Acta Energ. Sol. Sin. 2016, 37, 1359–1366. [Google Scholar]
- Wang, X.; Gao, Y.; Lin, L. Research status and prospect of active power filter. Power Syst. Prot. Control 2019, 47, 177–186. [Google Scholar]
- Gadgune, S.Y.; Jadhav, P.T.; Chaudhary, L.R. Implementation of shunt apf based on diode clamped and cascaded H-bridge multilevel inverter. In Proceedings of the 2015 IEEE International Conference on Electrical. Computer and Communication Technologies (ICECCT), Coimbatore, India, 5–7 March 2015; pp. 1–7. [Google Scholar]
- Yang, Z.; Li, S.; Zhao, X. A source-type harmonic energy unbalance suppression method based on carrier frequency optimization for cascaded multilevel APF. In Proceedings of the 2016 IEEE Energy Conversion Congress and Exposition (ECCE), Milwaukee, WI, USA, 18–22 September 2016; pp. 1–8. [Google Scholar]
- Banaei, M.R.; Jannati Oskuee, M.R.; Khounjahan, H. Reconfiguration of semi-cascaded multilevel inverter to improve systems performance parameters. IET Power Electron. 2014, 7, 1106. [Google Scholar] [CrossRef]
- Wei, T.S. An improved compensation current detection method of static synchronous compensator. J. Phys. Conf. Ser. 2021, 1871, 012066. [Google Scholar]
- Sen, L.; Yan, Z. Low losses hysteresis current control method for active power filter. In Proceedings of the 2010 International Conference on Electrical and Control Engineering, Wuhan, China, 25–27 June 2010; pp. 3860–3865. [Google Scholar]
- Gao, H.Y.; Liu, X.N.; Ren, M.J. A novel multilevel controller. Electronics 2021, 10, 1222. [Google Scholar] [CrossRef]
- Foster, J.G.; Pereira, L.R.; Gonzatti, R.B. A review of FCS-MPC in multilevel converters applied to active power filters. In Proceedings of the 2019 IEEE 15th Brazilian Power Electronics Conference and 5th IEEE Southern Power Electronics Conference (COBEP/SPEC), Santos, Brazil, 1–4 December 2019; pp. 1–6. [Google Scholar]
- Zeng, Z.; Yang, J.; Yu, N. Research on PI and repetitive control strategy for shunt active power filter with LCL-filter. In Proceedings of the 7th International Power Electronics and Motion Control Conference, Harbin, China, 2–5 June 2012; pp. 2833–2837. [Google Scholar]
- Narimani, M.; Wu, B.; Yaramasu, V.; Zargari, N.R. Finite Control-Set Model Predictive Control (FCS-MPC) of Nested Neutral Point-Clamped (NNPC) Converter. IEEE Trans. Power Electron. 2015, 30, 7262–7269. [Google Scholar] [CrossRef]
- Zhang, X.; Wang, Y.; Yu, C.; Guo, L.; Cao, R. Hysteresis Model Predictive Control for High-Power Grid-Connected Inverters with Output LCL Filter. IEEE Trans. Ind. Electron. 2016, 63, 246–256. [Google Scholar] [CrossRef]
- Ben-Brahim, L.; Gastli, A.; Trabelsi, M.; Ghazi, K.A.; Houchati, M.; Abu-Rub, H. Modular Multilevel Converter Circulating Current Reduction Using Model Predictive Control. IEEE Trans. Ind. Electron. 2016, 63, 3857–3866. [Google Scholar] [CrossRef]
- Dekka, B.; Wu., V.; Yaramasu., N.; Zargari, R. Integrated model predictive control with reduced switching frequency for modular multilevel converters. IET Electr. Power Appl. 2017, 11, 857–863. [Google Scholar] [CrossRef]
- Preindl, M.; Schaltz, E.; Thogersen, P. Switching Frequency Reduction Using Model Predictive Direct Current Control for HighPower Voltage Source Inverters. IEEE Trans. Ind. Electron. 2011, 58, 2826–2835. [Google Scholar] [CrossRef]
- Li, Y.; Zhang, Z.; Zhang, Z.; Wang, J.; Kennel, R. Model Predictive Control of a Shunt Active Power Filter with Improved Dynamics Under Distorted Grid Conditions. In Proceedings of the 2020 IEEE 9th International Power Electronics and Motion Control Conference (IPEMC2020-ECCE Asia), Nanjing, China, 29 November–2 December 2020; pp. 1033–1037. [Google Scholar]
- Iturra, R.G.; Cruse, M.; Mütze, K.; Dresel, C.; Soleimani, I.; Thiemann, P. Model Predictive Control for Shunt Active Power Filter with Harmonic Power Recycling Capability. In Proceedings of the 2018 International Conference on Smart Energy Systems and Technologies (SEST), Seville, Spain, 10–12 September 2018; pp. 1–6. [Google Scholar]
- Tomlinson, M.; Mouton, H.d.T.; Kennel, R.; Stolze, P. A Fixed Switching Frequency Scheme for Finite-Control-Set Model Predictive Control—Concept and Algorithm. IEEE Trans. Ind. Electron. 2016, 63, 7662–7670. [Google Scholar] [CrossRef]
- Davari, S.A.; Khaburi, D.A.; Kennel, R. An Improved FCS–MPC Algorithm for an Induction Motor with an Imposed Optimized Weighting Factor. IEEE Trans. Power Electron. 2012, 27, 1540–1551. [Google Scholar] [CrossRef]
- Acuña, P.; Morán, L.; Rivera, M.; Dixon, J.; Rodriguez, J. Improved Active Power Filter Performance for Renewable Power Generation Systems. IEEE Trans. Power Electron. 2014, 29, 687–694. [Google Scholar] [CrossRef]
- Hu, M.; Shen, Y.; Wang, X. A Harmonic Compensation Method for Three-level Active Power Filter Based on Predictive Control. In Proceedings of the 2018 37th Chinese Control Conference (CCC), Wuhan, China, 25–27 July 2018; pp. 3634–3639. [Google Scholar]
- Cortes, P.; Kouro, S.; Rocca, B.L.; Vargas, R.; Rodriguez, J.; Leon, J.I.; Vazquez, S.; Franquelo, L.G. Guidelines for weighting factors design in Model Predictive Control of power converters and drives. In Proceedings of the IEEE International Conference on Industrial Technology, Churchill, Australia, 10–13 February 2009; pp. 1–7. [Google Scholar]
- Fei, J.; Liu, L. Real-Time Nonlinear Model Predictive Control of Active Power Filter Using Self-Feedback Recurrent Fuzzy Neural Network Estimator. IEEE Trans. Ind. Electron. August 2022, 69, 8366–8376. [Google Scholar] [CrossRef]
- Rahim, A.; Takeuchi, M.; Funato, H.; Junnosuke, H. T-type three-level neutral point clamped inverter with model predictive control for grid connected photovoltaic applications. In Proceedings of the 19th International Conference on Electrical Machines and Systems (ICEMS), Chiba, Japan, 13–16 November 2016; pp. 1–5. [Google Scholar]
- Almér, S.; Mariéthoz, S.; Morari, M. Sampled Data Model Predictive Control of a Voltage Source Inverter for Reduced Harmonic Distortion. IEEE Trans. Control. Syst. Technol. 2013, 21, 1907–1915. [Google Scholar] [CrossRef]
- Acuña, P.; Morán, L.; Rivera, M.; Aguilera, R.; Burgos, R.; Agelidis, V.G. A Single-Objective Predictive Control Method for a Multivariable Single-Phase Three-Level NPC Converter-Based Active Power Filter. IEEE Trans. Ind. Electron. 2015, 62, 4598–4607. [Google Scholar] [CrossRef]

















































| Output Status | Switch Status | Output Voltage | |||
|---|---|---|---|---|---|
| S1 | S2 | S3 | S4 | ||
| P | 1 | 1 | 0 | 0 | Vdc/2 |
| O | 0 | 1 | 1 | 0 | 0 |
| N | 0 | 0 | 1 | 1 | −Vdc/2 |
| Vector Types | Switch Status | Effect on Neutral Point Potential | |
|---|---|---|---|
| Zero vectors | −1−1−1, 111, 000 | without influence | |
| Large vectors | 1−1−1, 11−1, −11−1, −111, −1−11, 1−11 | without influence | |
| Medium vectors | 10−1, 01−1, −110, −101, 0−11, 1−10 | Influential but uncontrollable | |
| Small vectors | Positive small vectors | 110, 100, 101, 010, 011, 001 | Influential and controllable |
| Negative small vectors | −1−10, 00−1, 0−10, 0−1−1, −100,−10−1 | ||
| Positive Small Vectors | io | Negative Small Vectors | io |
|---|---|---|---|
| 001 | −ic | 0 0 −1 | −ic |
| 110 | ic | −1 −1 0 | ic |
| 010 | −ib | 0 −1 0 | −ib |
| 101 | ib | −1 0 −1 | ib |
| 100 | −ia | −1 0 0 | −ia |
| 011 | ia | 0 −1 −1 | ia |
| I | |
| II | |
| III | |
| IV | |
| V | |
| VI |
| Simulation Parameters | Value |
|---|---|
| Effective value of grid Phase voltage/V | 220 |
| Grid frequency/Hz | 50 |
| Sampling frequency/kHz | 20 |
| Capacitance C1, C2/µF | 2000 |
| Capacitor C1 voltage/V | 400 |
| Capacitor C2 voltage/V | 400 |
| Filter inductance La, Lb, Lc/mH | 5 |
| Load resistance/Ω | 20 |
| System Parameter | Parameter Value |
|---|---|
| Voltage of capacitor C1, C2 | 400 V |
| The capacitor C1, C2 | 1000 μF |
| The sampling frequency fs | 20 kHz |
| The grid frequency f | 50 Hz |
| The inductor LA, LB, LC | 10 mH |
| The balanced grid phase voltages UA, UB, UC | 220 V |
| The balanced resistance load R | 40 Ω |
| The unbalanced resistance load R | 20 Ω |
Publisher’s Note: MDPI stays neutral with regard to jurisdictional claims in published maps and institutional affiliations. |
© 2022 by the authors. Licensee MDPI, Basel, Switzerland. This article is an open access article distributed under the terms and conditions of the Creative Commons Attribution (CC BY) license (https://creativecommons.org/licenses/by/4.0/).
Share and Cite
Gao, H.; Zhang, W.; Ren, M.; Liu, X. Three-Level Active Power Filter Based on Model Predictive Control. Electronics 2022, 11, 1291. https://doi.org/10.3390/electronics11091291
Gao H, Zhang W, Ren M, Liu X. Three-Level Active Power Filter Based on Model Predictive Control. Electronics. 2022; 11(9):1291. https://doi.org/10.3390/electronics11091291
Chicago/Turabian StyleGao, Hanying, Weihao Zhang, Mingjie Ren, and Xiangnan Liu. 2022. "Three-Level Active Power Filter Based on Model Predictive Control" Electronics 11, no. 9: 1291. https://doi.org/10.3390/electronics11091291
APA StyleGao, H., Zhang, W., Ren, M., & Liu, X. (2022). Three-Level Active Power Filter Based on Model Predictive Control. Electronics, 11(9), 1291. https://doi.org/10.3390/electronics11091291

