A Different Approach for Maximum Power Point Tracking (MPPT) Using Impedance Matching through Non-Isolated DC-DC Converters in Solar Photovoltaic Systems
Abstract
:1. Introduction
1.1. Operating Strategy of MPPT
1.2. Impedance Matching by DC-DC Converter in MPPT Operation
1.3. P&O/Hill Climbing Technique of MPPT
2. Proposed MPPT Technique
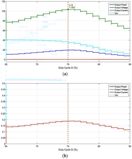
2.1. Boost Converter: Relation between Output Voltage, Output Current, Output Power, and VPV
2.2. Buck Converter: Relation between Output Voltage, Output Current, Output Power, and VPV
2.3. Buck-Boost Converter: Graph of Output Voltage, Output Current, Output Power, and VPV with the Duty Cycle
2.4. Operating Principle of Proposed MPPT Technique
2.5. Flow Chart of Proposed MPPT Algorithm
3. Hardware Implementation of Proposed MPPT Method
3.1. Solar PV Emulator
3.2. DC-DC Boost Converter
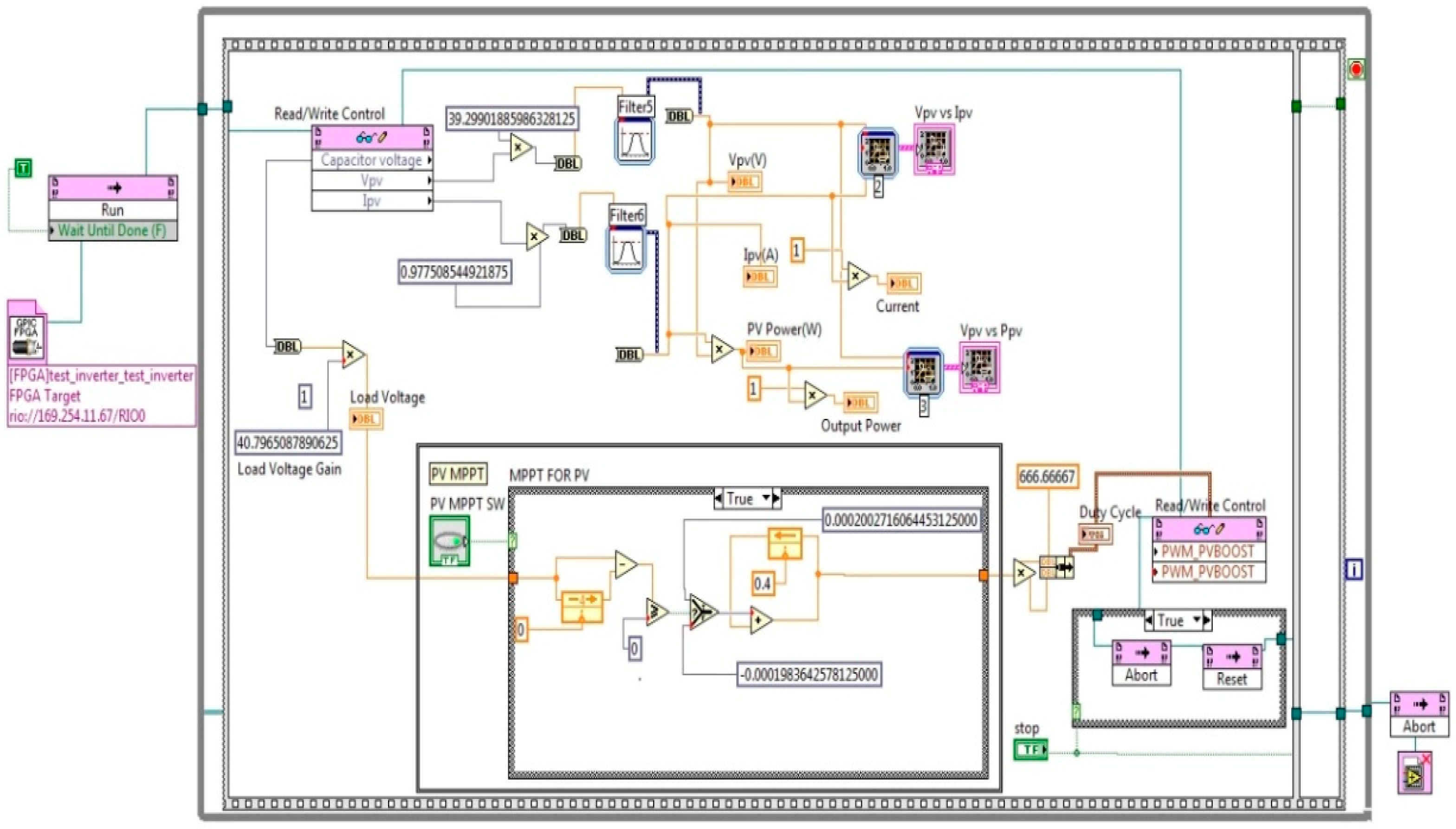
3.3. MPPT Operation by FPGA-Based NI-sbRIO Card Interfaced with LABVIEW
3.4. Resistive-Type Load
4. Results and Discussion
Comparison of Proposed MPPT Technique with P&O MPPT
- a
- Perturbation size: The size of the perturbation is inversely proportional to the efficiency. The oscillations around the MPP become larger with a large perturbation size, which causes losses, but the method becomes faster. Oscillation can be minimized by reducing the perturbation step size, which slows down the MPPT.
- b
- Similar perturbation size: In this work, a comparison of both the methods was done while keeping the perturbation size of the duty cycles the same, that is, 1%, thus the efficiency of both the methods is the same. The proposed method is based on varying duty cycles between Dmin and Dmax, thus reaching MPP faster than the P&O method, hence the overall efficiency of the proposed MPP becomes higher.
5. Conclusions
Author Contributions
Funding
Conflicts of Interest
References
- Chauhan, A.; Saini, R.P. A review on integrated renewable energy system based power generation for stand-alone applications: Configurations, storage options, sizing methodologies and control. Renew. Sustain. Energy Rev. 2014, 38, 99–120. [Google Scholar] [CrossRef]
- Lesourd, J.-B. Solar photovoltaic systems: The economics of a renewable energy resource. Environ. Model. Softw. 2001, 16, 147–156. [Google Scholar] [CrossRef]
- Maamar, S.; Salha, O.B. On the causal dynamics between economic growth, renewable energy consumption, CO2 emissions and trade openness, Fresh evidence from BRICS countries. Renew. Sustain. Energy Rev. 2014, 39, 14–23. [Google Scholar]
- Mohamed, A.E.; Zhao, Z. MPPT techniques for photovoltaic applications. Renew. Sustain. Energy Rev. 2013, 25, 793–813. [Google Scholar]
- Libra, M.; Petrík, T.; Poulek, V.; Tyukhov, I.I.; Kouřím, P. Changes in the Efficiency of Photovoltaic Energy Conversion in Temperature Range with Extreme Limits. IEEE J. Photovolt. 2021, 11, 1479–1484. [Google Scholar] [CrossRef]
- Kashif, I.; Salam, Z. A review of maximum power point tracking techniques of PV system for uniform insolation and partial shading condition. Renew. Sustain. Energy Rev. 2013, 19, 475–488. [Google Scholar]
- Bidyadhar, S.; Pradhan, R. A comparative study on maximum power point tracking techniques for photovoltaic power systems. IEEE Trans. Sustain. Energy 2013, 4, 89–98. [Google Scholar]
- Reisi, R.; Hassan Moradi, M.A.; Jamasb, S. Classification and comparison of maximum power point tracking techniques for photovoltaic system, A review. Renew. Sustain. Energy Rev. 2013, 19, 433–443. [Google Scholar] [CrossRef]
- Verma, D.; Nema, S.; Shandilya, A.M.; Dash, S.K. Maximum power point tracking (MPPT) techniques: Recapitulation in solar photovoltaic systems. Renew. Sust. Energy Rev. 2016, 54, 1018–1034. [Google Scholar] [CrossRef]
- Dash, S.K.; Verma, D.; Nema, S.; Nema, R.K. Comparative analysis of maximum power point (MPP) tracking techniques for solar PV application using MATLAB Simulink. In Proceedings of the International Conference on Recent Advances and Innovations in Engineering, Jaipur, India, 9–11 May 2014; pp. 1–7. [Google Scholar]
- Soubhagya, D.K.; Verma, D.; Nema, S.; Nema, R.K. Shading mitigation techniques: State-of-the-art in photovoltaic applications. Renew. Sustain. Energy Rev. 2017, 78, 369–390. [Google Scholar]
- Kumar Dash, S.; Nema, S.; Nema, R.K.; Verma, D. A comprehensive assessment of maximum power point tracking techniques under uniform and non-uniform irradiance and its impact on photovoltaic systems: A review. J. Renew. Sustain. Energy 2015, 7, 063113. [Google Scholar] [CrossRef]
- Verma, D.; Nema, S.; Shandilya, A.M.; Dash, S.K. Comprehensive analysis of maximum power point tracking techniques in solar photovoltaic systems under uniform insolation and partial shaded condition. J. Renew. Sustain. Energy 2015, 7, 042701. [Google Scholar] [CrossRef] [Green Version]
- Rajput, P.; Malvoni, M.; Manoj Kumar, N.; Sastry, O.S.; Jayakumar, A. Operational Performance and Degradation Influenced Life Cycle Environmental–Economic Metrics of mc-Si, a-Si and HIT Photovoltaic Arrays in Hot Semi-arid Climates. Sustainability 2020, 12, 1075. [Google Scholar] [CrossRef] [Green Version]
- Verma, D.; Nema, S.; Shandilya, A.M. A Different Approach to Design Non-Isolated DC–DC Converters for Maximum Power Point Tracking in Solar Photovoltaic Systems. J. Circuits Syst. Comput. 2016, 25, 1630004. [Google Scholar] [CrossRef]
- Nebti, K.; Lebied, R. Fuzzy Maximum Power Point Tracking Compared to Sliding Mode Technique for Photovoltaic Systems Based on DC-DC Boost Converter (2021). Electr. Eng. Electromech. 2021, 1, 67–73. [Google Scholar] [CrossRef]
- Situmorang, M.; Peranginangin, B. Performance assessment of photovoltaic generator(pvg) power system using maximum power point tracking (mppt) dc to dc boost converter and dc to ac inverter. J. Phys. Conf. Ser. 2020, 1485, 012061. [Google Scholar] [CrossRef]
- Zainuri, M.A.A.M.; Azari, E.A.; Ibrahim, A.A.; Ayob, A.; Yusof, Y.; Radzi, M.A.M. Analysis of adaptive perturb and observe-fuzzy logic control maximum power point tracking for photovoltaic boost DC-DC converter. Int. J. Adv. Trends Comput. Sci. Eng. 2019, 8, 201–210. [Google Scholar] [CrossRef]
- Shadlu, M.S. Comparison of maximum power point tracking (MPPT) algorithms to control DC-DC converters in photovoltaic systems. Recent Adv. Electr. Electron. Eng. 2019, 12, 355–367. [Google Scholar] [CrossRef]
- Zainuri, M.A.A.M.; Radzi, M.A.M.; Rahman, N.F.A. Photovoltaic boost DC/DC converter for power led with adaptive p&o-fuzzy maximum power point tracking. Lect. Notes Electr. Eng. 2019, 547, 245–251. [Google Scholar]
- Surya, P.P.; Irawan, D.; Zuhri, M. Review and comparison of DC-DC converters for maximum power point tracking system in standalone photovoltaic (PV) module. In Proceedings of the ICAMIMIA 2017: International Conference on Advanced Mechatronics, Intelligent Manufacture, and Industrial Automation, Surabaya, Indonesia, 12–14 October 2017; pp. 242–247. [Google Scholar]
- Sultan, N.S. Design and comparative study of photovoltaic maximum power point tracking converter with DC motor speed control. In Proceedings of the 1st International Scientific Conference of Engineering Sciences—3rd Scientific Conference of Engineering Science; ISCES 2018—Proceedings, Diyala, Iraq, 10–11 January 2018; pp. 74–79. [Google Scholar]
- Verma, D.; Nema, S.; Nema, R.K. Implementation of Perturb and Observe Method of Maximum Power Point Tracking in SIMSCAPE/MATLAB. In Proceedings of the IEEE International Conference on Intelligent Sustainable Systems, Palladam, Tamil Nadu, India, 7–8 December 2017. [Google Scholar]
- Amarnath, R.K.; Deepak Verma, N. Harmonics Mitigation of P&O MPPT Based Solar Powered Five-Level Diode-Clamped Multilevel Inverter. In Proceedings of the IEEE International Conference on Innovations in Control, Communication and Information System, Greater Noida, India, 12–13 August 2017. [Google Scholar]
- Hart, D.W. Power Electronics; Tata McGraw-Hill Education: Noida, India, 2011. [Google Scholar]
- Paul, S.; Jacob, K.P.; Jacob, J. Solar photovoltaic system with high gain dc to dc converter and maximum power point tracking controller. J. Green Eng. 2020, 10, 2956–2972. [Google Scholar]
- Hauke, B. Basic Calculation of a Buck Converter’s Power Stage; Technical Report, SLVA477; Texas Instruments: Dallas, TX, USA, 2014. [Google Scholar]
- Altamimi, A.; Khan, Z.A. A DC-DC buck converter with maximum power point tracking implementation for photovoltaic module application. In Proceedings of the 2017 IEEE Conference on Energy Conversion, CENCON 2017, Kuala Lumpur, Malaysia, 30–31 October 2017; pp. 305–310. [Google Scholar]
- Hauke, B. Basic Calculation of a Boost Converter’s Power Stage; Application Report; Texas Instruments: Dallas, TX, USA, 2012. [Google Scholar]
- Bulut, K.; Ghaderi, D. Maximum power point tracking by the small-signal-based pi and fuzzy logic controller approaches for a two-stage switched-capacitor dc-dc power boost converter; applicable for photovoltaic utilizations. El-Cezeri J. Sci. Eng. 2020, 7, 1167–1190. [Google Scholar] [CrossRef]
- Shaw, P.; Garanayak, P. Analysis, design and implementation of analog circuitry-based maximum power point tracking for photovoltaic boost DC/DC converter. Trans. Inst. Meas. Control 2019, 41, 668–686. [Google Scholar] [CrossRef]
- Sahu, P.; Deepak, V.; Savita, N. Physical design and modelling of boost converter for maximum power point tracking in solar PV systems. In Proceedings of the IEEE International Conference on Electrical Power and Energy Systems (ICEPES), Bhopal, India, 14–16 December 2016. [Google Scholar]
- Maiti, A.; Mukherjee, K.; Syam, P. Design, modeling and software implementation of a current-perturbed maximum power point tracking control in a DC-DC boost converter for grid-connected solar photovoltaic applications. In Proceedings of the 2016 IEEE 1st International Conference on Control, Measurement and Instrumentation, CMI 2016, Kolkata, India, 8–10 January 2016; pp. 36–41. [Google Scholar]
- Green, M. Design Calculations for Buck-Boost Converters; Application Report; Texas Instruments: Dallas, TX, USA, 2012. [Google Scholar]
- Banumalar, K.; Lakshmi, R.T.; Manikandan, B.V.; Chandrasekaran, K. A Novel Modified DC/DC/AC Converter for Maximum Power Point Tracking from Photovoltaic System. In EAI/Springer Innovations in Communication and Computing; Springer: Berlin/Heidelberg, Germany, 2021; pp. 463–479. [Google Scholar]
- Shanthi, T. Incremental conductance method of maximum power point tracking for photovoltaic array with single switch DC/DC converter. J. Adv. Res. Dyn. Control. Syst. 2017, 9, 1181–1191. [Google Scholar]
- Mao, M.; Zhang, L.; Duan, Q.; Chong, B. Multilevel DC-link converter photovoltaic system with modified PSO based on maximum power point tracking. Sol. Energy 2017, 153, 329–342. [Google Scholar] [CrossRef]
- Nikhil, K.; Gawre Suresh, K.; Deepak, V. Modeling and Simulation of Solar Photovoltaic System and Interfacing with Neutral Point clamped Multilevel Inverter. In Proceedings of the International Conference in Electrical, Electronics and Computer Science (ICEECS-2014), Chennai, India, 24–25 November 2017; Volume 30. [Google Scholar]
- Available online: Ecosenseworld.com (accessed on 9 January 2022).
- Available online: http//pvemulator.ecosenseworld.com/pvemulator (accessed on 22 January 2017).
- National Instrument Corporation. OEM Operating Instructions and Specifications NI sbRIO-9605/9606. Available online: http//www.ni.com/pdf/manuals/373378a.pdf (accessed on 22 January 2017).

























| Perturbation | Change in Power | Next Perturbation |
|---|---|---|
| (+) Positive | (+) Positive | (+) Increment in duty ratio ‘D’ |
| (+) Positive | (−) Negative | (−) Decrease in duty ratio ‘D’ |
| (−) Negative | (+) Positive | (−) Decrease in duty ratio ‘D’ |
| (−) Negative | (−) Negative | (+) Increment in duty ratio ‘D’ |
| Perturbation | Change in Load Voltage | Next Perturbation |
|---|---|---|
| (+) Positive | (+) Positive | (+) Increment in duty ratio ‘D’ |
| (+) Positive | (−) Negative | (−) Decrease in duty ratio ‘D’ |
| (−) Negative | (+) Positive | (−) Decrease in duty ratio ‘D’ |
| (−) Negative | (−) Negative | (+) Increment in duty ratio ‘D’ |
Publisher’s Note: MDPI stays neutral with regard to jurisdictional claims in published maps and institutional affiliations. |
© 2022 by the authors. Licensee MDPI, Basel, Switzerland. This article is an open access article distributed under the terms and conditions of the Creative Commons Attribution (CC BY) license (https://creativecommons.org/licenses/by/4.0/).
Share and Cite
Verma, D.; Nema, S.; Agrawal, R.; Sawle, Y.; Kumar, A. A Different Approach for Maximum Power Point Tracking (MPPT) Using Impedance Matching through Non-Isolated DC-DC Converters in Solar Photovoltaic Systems. Electronics 2022, 11, 1053. https://doi.org/10.3390/electronics11071053
Verma D, Nema S, Agrawal R, Sawle Y, Kumar A. A Different Approach for Maximum Power Point Tracking (MPPT) Using Impedance Matching through Non-Isolated DC-DC Converters in Solar Photovoltaic Systems. Electronics. 2022; 11(7):1053. https://doi.org/10.3390/electronics11071053
Chicago/Turabian StyleVerma, Deepak, Savita Nema, Rakeshwri Agrawal, Yashwant Sawle, and Alok Kumar. 2022. "A Different Approach for Maximum Power Point Tracking (MPPT) Using Impedance Matching through Non-Isolated DC-DC Converters in Solar Photovoltaic Systems" Electronics 11, no. 7: 1053. https://doi.org/10.3390/electronics11071053
APA StyleVerma, D., Nema, S., Agrawal, R., Sawle, Y., & Kumar, A. (2022). A Different Approach for Maximum Power Point Tracking (MPPT) Using Impedance Matching through Non-Isolated DC-DC Converters in Solar Photovoltaic Systems. Electronics, 11(7), 1053. https://doi.org/10.3390/electronics11071053

