A Novel Extensional Bulk Mode Resonator with Low Bias Voltages
Abstract
:1. Introduction
2. Design and Fabrication
2.1. Enlarged Transduction Area
2.2. Minimized Anchor Loss
2.3. Shrunk Spacing Gap
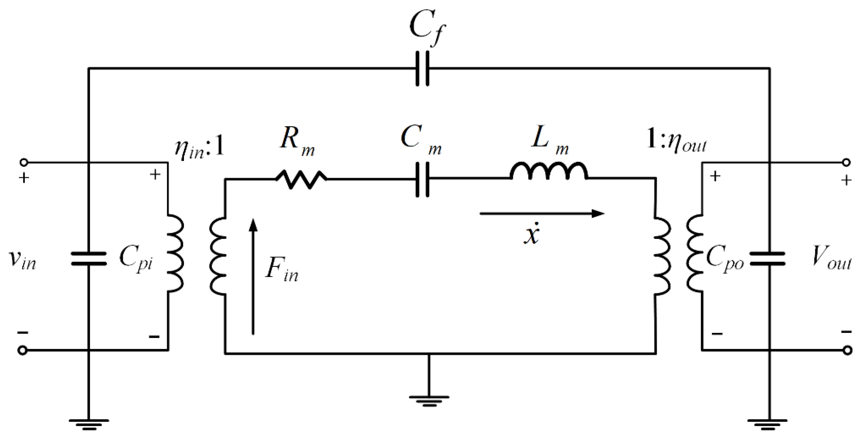
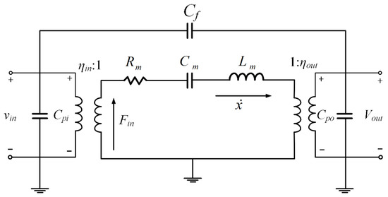
3. Results and Discussions
3.1. Resonator Performance
3.2. Attributions of Moderate Q Values
4. Conclusions and Perspectives
Author Contributions
Funding
Institutional Review Board Statement
Informed Consent Statement
Conflicts of Interest
References
- Basu, J.; Bhattacharyya, T.K. Microelectromechanical Resonators for Radio Frequency Communication Applications. Microsyst. Technol. 2011, 17, 1557–1580. [Google Scholar] [CrossRef] [Green Version]
- Bahreyni, B. Fabrication & Design of Resonant Microdevices; William Andrew: New York, NY, USA, 2008. [Google Scholar]
- Ng, E.; Yang, Y.; Hong, V.A.; Ahn, C.H.; Heinz, D.B.; Flader, I.; Chen, Y.; Everhart, C.L.M.; Kim, B.; Melamud, R.; et al. The long path from MEMS resonators to timing products. In Proceedings of the 28th IEEE International Conference on Micro Electro Mechanical Systems (MEMS), Estoril, Portugal, 18–22 January 2015; pp. 1–2. [Google Scholar]
- Wang, T.; Chen, Z.; Jia, Q.; Yuan, Q.; Yang, J.; Yang, F. A Novel High Q Lamé-Mode Bulk Resonator with Low Bias Voltage. Micromachines 2020, 11, 737. [Google Scholar] [CrossRef] [PubMed]
- Wu, G.; Xu, J.; Ng, E.J.; Chen, W. MEMS Resonators for Frequency Reference and Timing Applications. J. Microelectromech. Syst. 2020, 29, 1137–1166. [Google Scholar] [CrossRef]
- Zhang, W.; Zhu, H.; Lee, J.E.Y. Piezoresistive transduction in a double-ended tuning fork SOI MEMS resonator for enhanced linear electrical performance. IEEE Trans. Electron Devices 2015, 62, 1596–1602. [Google Scholar] [CrossRef]
- Zhu, H.; Tu, C.; Lee, J.E.Y.; Rufer, L. Active electronic cancellation of nonlinearity in a High-Q longitudinal-mode silicon resonator by current biasing. In Proceedings of the 2014 European Frequency and Time Forum (EFTF), Neuchâtel, Switzerland, 23–26 June 2014; pp. 12–15. [Google Scholar]
- Wu, G.; Xu, J.; Zhang, X.; Wang, N.; Yan, D.; Lim, J.L.K.; Zhu, Y.; Li, W.; Gu, Y. Wafer-level vacuum-packaged high-performance AlN-on-SOI piezoelectric resonator for Sub-100-MHz oscillator applications. IEEE Trans. Ind. Electron. 2017, 65, 3576–3584. [Google Scholar] [CrossRef]
- Chen, C.Y.; Li, M.H.; Li, S.S. CMOS-MEMS resonators and oscillators: A review. Sens. Mater. 2018, 30, 733–756. [Google Scholar]
- Chandorkar, S.A.; Agarwal, M.; Melamud, R.; Candler, R.N.; Goodson, K.E.; Kenny, T.W. Limits of quality factor in bulk-mode micromechanical resonators. In Proceedings of the 2008 IEEE 21st International Conference on Micro Electro Mechanical Systems, Tucson, AZ, USA, 13–17 January 2008; pp. 74–77. [Google Scholar]
- Vukasin, G.D.; Sanchez, V.K.; Glaze, J.; Bousse, N.E.; Bissel, N.; Shin, D.D.; Kwon, H.-K.; Heinz, D.; Yen, E.T.-T.; Kenny, T.W. Anchor Design Affects Dominant Energy Loss Mechanism in a Lamé Mode MEM Resonator. J. Microelectromech. Syst. 2020, 29, 860–866. [Google Scholar] [CrossRef]
- Rodriguez, J.; Chandorkar, S.A.; Watson, C.A.; Glaze, G.M.; Ahn, C.H.; Ng, E.J.; Yang, Y.; Kenny, T.W. Direct detection of Akhiezer damping in a silicon MEMS resonator. Sci. Rep. 2019, 9, 2244. [Google Scholar] [CrossRef] [Green Version]
- Daruwalla, A.; Wen, H.; Liu, C.S.; Ayazi, F. Low motional impedance distributed lamé mode resonators for high frequency timing applications. Microsyst. Nanoeng. 2020, 6, 53. [Google Scholar] [CrossRef]
- Kaajakari, V.; Mattila, T.; Oja, A.; Kiihamaki, J.; Seppa, H. Square-extensional mode single-crystal silicon micromechanical resonator for low-phase-noise oscillator applications. IEEE Electron Device Lett. 2004, 25, 173–175. [Google Scholar] [CrossRef]
- Khine, L.; Palaniapan, M.; Wong, W.K. 12.9 MHz Lamé-mode differential SOI bulk resonators. In Proceedings of the TRANSDUCERS 2007: International Solid-State Sensors, Actuators and Microsystems Conference, Lyon, France, 10–14 June 2007; pp. 1753–1756. [Google Scholar]
- Ho, G.K.; Sundaresan, K.; Pourkamali, S.; Ayazi, F. Low-motional-impedance highly-tunable I/sup 2/resonators for temperature-compensated reference oscillators. In Proceedings of the 18th IEEE International Conference on Micro Electro Mechanical Systems (MEMS), Miami Beach, FL, USA, 30 January–3 February 2005; pp. 116–120. [Google Scholar]
- Ho, G.K.; Sundaresan, K.; Pourkamali, S.; Ayazi, F. Micromechanical IBARs: Tunable high-Q resonators for temperature-compensated reference oscillators. J. Microelectromech. Syst. 2010, 19, 503–515. [Google Scholar] [CrossRef]
- Sundaresan, K.; Ho, G.K.; Pourkamali, S.; Ayazi, F. A two-chip, 4-MHz, microelectromechanical reference oscillator. In Proceedings of the 2005 IEEE International Symposium on Circuits and Systems, Kobe, Japan, 23–26 May 2005; pp. 5461–5464. [Google Scholar]
- Ho, G.K.K.; Sundaresan, K.; Pourkamali, S.; Ayazi, F. Temperature compensated IBAR reference oscillators. In Proceedings of the 19th IEEE International Conference on Micro Electro Mechanical Systems, Istanbul, Turkey, 22–26 January 2006; pp. 910–913. [Google Scholar]
- Ho, G.K.; Perng, J.K.; Ayazi, F. Micromechanical IBARs: Modeling and process compensation. J. Microelectromech. Syst. 2010, 19, 516–525. [Google Scholar] [CrossRef]
- Rahafrooz, A.; Pourkamali, S. Thermo-electro-mechanical modeling of high frequency thermally actuated I2-BAR resonators. In Proceedings of the Hilton Head 2010 Solid-State, Sensor, Actuator and Microsystems Workshop, 6 June 2010; pp. 74–77. Available online: https://www.semanticscholar.org/paper/THERMO-ELECTRO-MECHANICAL-MODELING-OF-HIGH-ACTUATED-Rahafrooz-Pourkamali/fd77c4f3f1299abdbff017dee1559c308f4bb8c6?sort=relevance (accessed on 13 March 2022). [CrossRef]
- Wang, J.; Ren, Z.; Nguyen, C.C. 1.156-GHz self-aligned vibrating micromechanical disk resonator. IEEE Trans. Ultrason. Ferroelectr. Freq. Control 2004, 51, 1607–1628. [Google Scholar] [CrossRef] [PubMed]
- Johnson, R.A. Mechanical Filters. CRC Handbook of Electrical Filters; CRC Press: Boca Raton, FL, USA, 2020; pp. 377–388. [Google Scholar]
- Zhu, H.; Tu, C.; Lee, J.Y. Electronic tuning of Q and apparent TCf in a piezoresistive micromechanical resonator. In Proceedings of the 2013 IEEE 26th International Conference on Micro Electro Mechanical Systems (MEMS), Taipei, Taiwan, 20–24 January 2013; pp. 757–760. [Google Scholar]
- Lee, J.E.Y.; Yan, J.; Seshia, A. A Low loss HF band SOI wine glass bulk mode capacitive square-plate resonator. J. Micromech. Microeng. 2009, 19, 074003. [Google Scholar] [CrossRef]
- Yasumura, K.Y.; Stowe, T.D.; Chow, E.M.; Pfafman, T.; Kenny, T.W.; Stipe, B.C.; Rugar, D. Quality factors in micron-and submicron-thick cantilevers. J. Microelectromech. Syst. 2000, 9, 117–125. [Google Scholar] [CrossRef]
- Darvishian, A.; Shiari, B.; Cho, J.Y.; Nagourney, T.; Najafi, K. Anchor loss in hemispherical shell resonators. J. Microelectromech. Syst. 2017, 26, 51–66. [Google Scholar] [CrossRef]
- Tu, C.; Lee, J.E.Y.; Zhang, X.S. Dissipation Analysis Methods and Q-Enhancement Strategies in Piezoelectric MEMS Laterally Vibrating Resonators: A Review. Sensors 2020, 20, 4978. [Google Scholar] [CrossRef]
- Uzunov, I.S.; Terzieva, M.D.; Nikolova, B.M.; Gaydazhiev, D.G. Extraction of modified butterworth—Van Dyke model of FBAR based on FEM analysis. In Proceedings of the 2017 XXVI International Scientific Conference Electronics (ET), Sozopol, Bulgaria, 13–15 September 2017. [Google Scholar]
- Zhu, H. Nonlinear Behavior and Temperature-Dependence of Frequency in Silicon Bulk-Mode Micromechanical Resonators; City University of Hong Kong: Hong Kong, China, 2015. [Google Scholar]
- Chen, Z.; Wang, T.; Jia, Q.; Yang, J.; Yuan, Q.; Zhu, Y.; Yang, F. A Novel Lamé Mode RF-MEMS Resonator with High Quality Factor. Int. J. Mech. Sci. 2021, 204, 106484. [Google Scholar] [CrossRef]
- Colinet, E.; Arcamone, J.; Niel, A.; Lorent, E.; Hentz, S.; Ollier, E. 100 MHz oscillator based on a low polarization voltage capacitive Lamé-mode MEMS resonator. In Proceedings of the 2010 IEEE International Frequency Control Symposium, Newport Beach, CA, USA, 1–4 June 2010. [Google Scholar]
- Pu, L.; Fang, Y.; Hu, R. Thermoelastic damping in rectangular and circular microplate resonators. J. Sound Vib. 2012, 331, 721–733. [Google Scholar]
- Chen, Z.; Jia, Q.; Liu, W.; Yuan, Q.; Zhu, Y.; Yang, J.; Yang, F. Dominant Loss Mechanisms of Whispering Gallery Mode RF-MEMS Resonators with Wide Frequency Coverage. Sensors 2020, 20, 7017. [Google Scholar] [CrossRef]
- Duwel, A.; Candler, R.N.; Kenny, T.W.; Varghese, M. Engineering MEMS resonators with low thermoelastic damping. J. Microelectromech. Syst. 2006, 15, 1437–1445. [Google Scholar] [CrossRef]
- Lifshitz, R.; Roukes, M.L. Thermoelastic damping in micro-and nanomechanical systems. Phys. Rev. B 2000, 61, 5600. [Google Scholar] [CrossRef] [Green Version]
- Kunal, K.; Aluru, N.R. Akhiezer damping in nanostructures. Phys. Rev. B 2011, 84, 245450. [Google Scholar] [CrossRef] [Green Version]
- Ghaffari, S.; Chandorkar, S.A.; Wang, S.; Ng, E.J.; Ahn, C.H.; Hong, V.; Yang, Y.; Kenny, T.W. Quantum limit of quality factor in silicon micro and nano mechanical resonators. Sci. Rep. 2013, 3, 3244. [Google Scholar] [CrossRef] [PubMed]
- Kim, B.; Hopcroft, M.A.; Candler, R.N.; Jha, C.M.; Agarwal, M.; Melamud, R.; Chandorkar, S.A.; Yama, G.; Kenny, T.W. Temperature dependence of quality factor in MEMS resonators. J. Microelectromech. Syst. 2008, 17, 755–766. [Google Scholar] [CrossRef] [Green Version]
- Yang, J.; Ono, T.; Esashi, M. Dominated energy dissipation in ultrathin single crystal silicon cantilever: Surface loss. In Proceedings of the 13th Annual International Conference on Micro Electro Mechanical Systems (MEMS 2000), Miyazaki, Japan, 23–27 January 2000. [Google Scholar]










| Type | Frequency (MHz) | Rm (MΩ) | Lm (H) | Cm (F) |
|---|---|---|---|---|
| A | 26.7 | 1.0851 | 15.2291 | 2.3621 × 10−18 |
| B | 20 | 0.7292 | 20.9852 | 3.0450 × 10−18 |
| C | 26.7 | 2.0686 | 31.6398 | 1.1108 × 10−18 |
| Parameters | The Calculated Results | The Fitted Results |
|---|---|---|
| Rm (MΩ) | 0.7292 | 0.86160 |
| Lm (H) | 20.9852 | 18.0036 |
| Cm (F) | 3.0450 × 10−18 | 4.002 × 10−18 |
| Meff (kg) | 1.1206 × 10−11 | 9.6141 × 10−12 |
| keff (N/m) | 1.7537 × 105 | 1.3344 × 105 |
Publisher’s Note: MDPI stays neutral with regard to jurisdictional claims in published maps and institutional affiliations. |
© 2022 by the authors. Licensee MDPI, Basel, Switzerland. This article is an open access article distributed under the terms and conditions of the Creative Commons Attribution (CC BY) license (https://creativecommons.org/licenses/by/4.0/).
Share and Cite
Jia, Q.; Chen, Z.; Liu, W.; Yang, J.; Zhu, Y.; Yang, F. A Novel Extensional Bulk Mode Resonator with Low Bias Voltages. Electronics 2022, 11, 910. https://doi.org/10.3390/electronics11060910
Jia Q, Chen Z, Liu W, Yang J, Zhu Y, Yang F. A Novel Extensional Bulk Mode Resonator with Low Bias Voltages. Electronics. 2022; 11(6):910. https://doi.org/10.3390/electronics11060910
Chicago/Turabian StyleJia, Qianqian, Zeji Chen, Wenli Liu, Jinling Yang, Yinfang Zhu, and Fuhua Yang. 2022. "A Novel Extensional Bulk Mode Resonator with Low Bias Voltages" Electronics 11, no. 6: 910. https://doi.org/10.3390/electronics11060910
APA StyleJia, Q., Chen, Z., Liu, W., Yang, J., Zhu, Y., & Yang, F. (2022). A Novel Extensional Bulk Mode Resonator with Low Bias Voltages. Electronics, 11(6), 910. https://doi.org/10.3390/electronics11060910

