Digital Implementation of Harmonic and Unbalanced Load Compensation for Voltage Source Inverter to Operate in Grid Forming Microgrid
Abstract
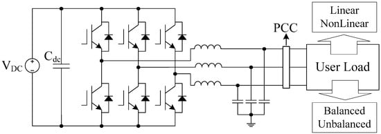
:1. Introduction
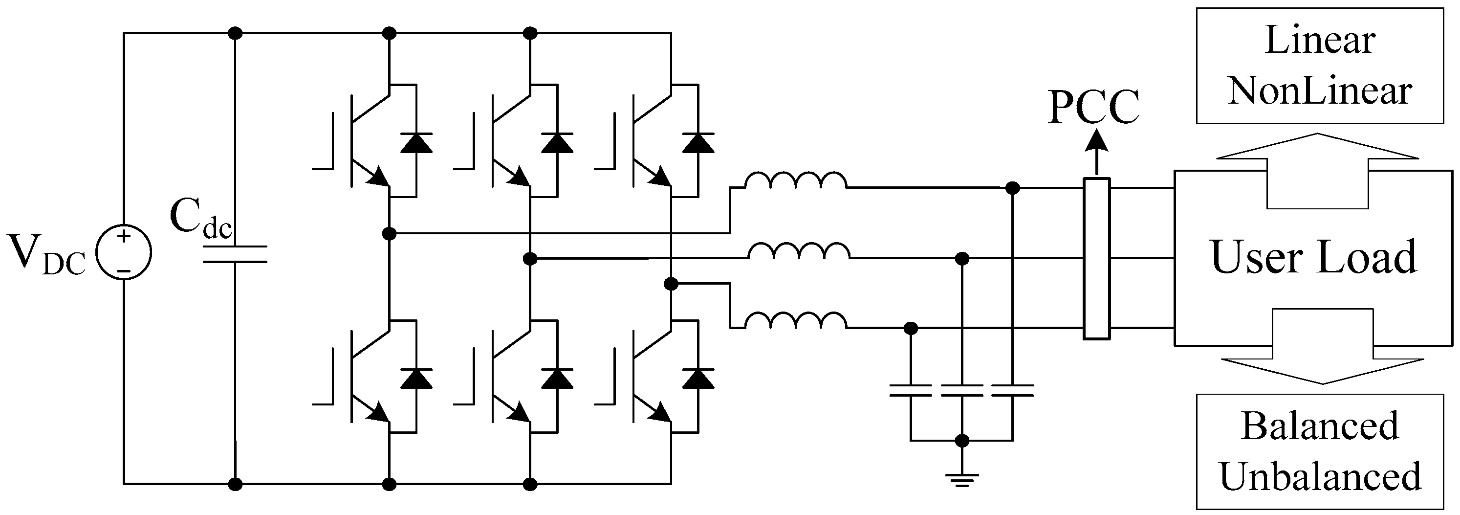
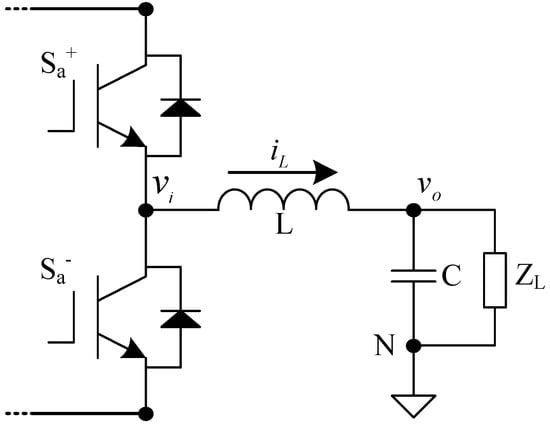
2. Voltage Regulation for Unbalanced and Nonlinear Loads
2.1. Transfer Function of PR Controller
2.2. Unbalanced Load Compensation
2.3. Nonlinear Load Compensation
2.4. Design Procedure of a Proportional and Resonant Controller
- Inference 1: Steady state error of the voltage component at the xth order frequency is related to the resonant coefficient of voltage controller (KVRx).
- Inference 2: Proportional coefficient of voltage and current controller (KVP, KIP) are related to the system’s frequency bandwidth.
- Inference 3: Resonant coefficient of current controller (KIRx) is related to the response of inductor current. For example, KIR1 is related to transient response of the current component at fundamental frequency.
- Inference 4: Resonant bandwidth of controller (ωcutx) at the order of frequency order selection x is related to its transient response.
- Step 1: Obtain Open Loop Transfer Function
- Step 2: Determine System Bandwidth
- Step 3: Determine bandwidth of resonant controller, ωcut
- Step 4: Select Kvr1 and Kvr5 to suppress the steady state error of voltage component at specific frequency
- Step 5: Select KIR for the current controller
3. Fast Fourier Transform
4. Predictive Current Controller
4.1. Operating Principle of the Predictive Control
- —switching frequency.
- —analog to digital sampling rate.
- —modulation time stamp.
- —sampling time stamp.
4.2. Modeling of the Predictive Current Control
- Step 1: should be re-formulated as follows.
- Step 2: Through the concept of Lagrange multiplier, the signal can be predicted in a linear way
- Step 3: The variation of the duty cycle during the steady state period is almost 0, let
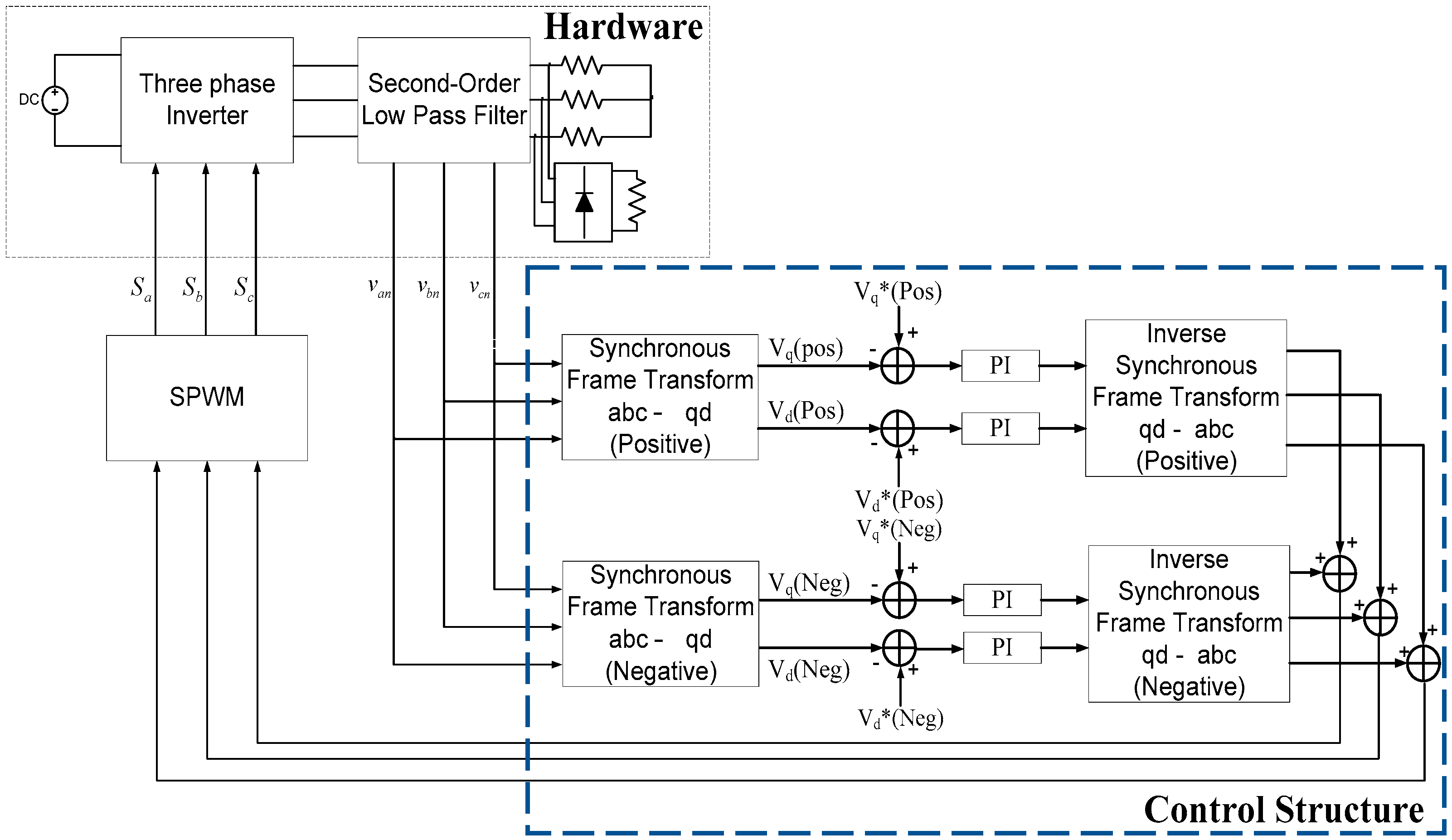
5. Automatic Voltage Compensation Strategy
- Step 1: Set parameters of resonant controllers
- Step 2: Sample voltage feedback signal
- Step 3: Execute FFT
- Step 4: Identify the major harmonic component
- Step 5: Choose the corresponding resonant controllers
- Step 6: Integrate PC controller into the PR controller
6. Experimental Results
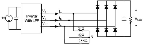
6.1. Unbalanced Load Test
6.2. Unbalanced Load Plus Nonlinear Load Test
6.3. Transient Load Test
7. Conclusions
Author Contributions
Funding
Acknowledgments
Conflicts of Interest
References
- Do, T.D.; Leu, V.Q.; Choi, Y.-S.; Choi, H.H.; Jung, J.-W. An Adaptive Voltage Control Strategy of Three-Phase Inverter for Stand-Alone Distributed Generation Systems. IEEE Trans. Ind. Electron. 2013, 60, 5660–5672. [Google Scholar] [CrossRef]
- Wai, R.-J.; Lin, C.-Y.; Huang, Y.-C.; Chang, Y.-R. Design of High-Performance Stand-Alone and Grid-Connected Inverter for Distributed Generation Applications. IEEE Trans. Ind. Electron. 2013, 60, 1542–1555. [Google Scholar] [CrossRef]
- Nian, H.; Shen, Y.; Yang, H.; Quan, Y. Flexible Grid Connection Technique of Voltage-Source Inverter Under Unbalanced Grid Conditions Based on Direct Power Control. IEEE Trans. Ind. Appl. 2015, 51, 4041–4050. [Google Scholar] [CrossRef]
- Das, B.; Panigrahi, P.K.; Das, S.R.; Mishra, D.P.; Salkuti, S.R. Power quality improvement in a photovoltaic based microgrid integrated network using multilevel inverter. Int. J. Emerg. Electr. Power Syst. 2021. [Google Scholar] [CrossRef]
- El Mariachet, J.; Guan, Y.; Matas, J.; Martín, H.; Li, M.; Guerrero, J.M. HIL-Assessed Fast and Accurate Single-Phase Power Calculation Algorithm for Voltage Source Inverters Supplying to High Total Demand Distortion Nonlinear Loads. Electronics 2020, 9, 1643. [Google Scholar] [CrossRef]
- Jun, E.-S.; Park, S.-y.; Kwak, S. Model Predictive Current Control Method with Improved Performances for Three-Phase Voltage Source Inverters. Electronics 2019, 8, 625. [Google Scholar] [CrossRef] [Green Version]
- Haque, M.E.; Muttaqi, K.M.; Negnevitsky, M. Control of a Stand Alone Variable Speed Wind Turbine with a Permanent Magnet Synchronous Generator. IEEE Power Energy Soc. Gen. Meet. 2008, 1–8. [Google Scholar]
- Das, S.; Ray, P.; Sahoo, A.; Ramasubbareddy, S.; Babu, T.; Kumar, N.; Elavarasan, R.; Mihet-Popa, L. A Comprehensive Survey on Different Control Strategies and Applications of Active Power Filters for Power Quality Improvement. Energies 2021, 14, 4589. [Google Scholar] [CrossRef]
- Ray, A.S.; Bhattacharya, A. Improved tracking of shunt active power filter by sliding mode control. Int. J. Electr. Power Energy Syst. 2016, 78, 916–925. [Google Scholar]
- Fei, J.; Zhang, S.; Zhou, J. Adaptive Sliding Mode Control of Single-Phase Shunt Active Power Filter. Math. Probl. Eng. 2012, 2012, 1–22. [Google Scholar] [CrossRef]
- Ghamri, A.; Benchouia, M.T.; Golea, A. Sliding-mode control based three-phase shunt active power filter: Simulation and experimentation. Electr. Power Compon. Syst. 2012, 40, 383–398. [Google Scholar] [CrossRef]
- Fei, J.; Liu, N.; Hou, S.; Fang, Y. Neural Network Complementary Sliding Mode Current Control of Active Power Filter. IEEE Access 2021, 9, 25681–25690. [Google Scholar] [CrossRef]
- Swain, S.; Panda, P.C.; Subudhi, B.D. Three phase shunt Active Power Filter using a new Weighted Adaptive Hysteresis Band Current Controller. In Proceedings of the 2014 International Conference on Circuit, Power and Computing Technologies (ICCPCT 2014), Nagercoil, India, 20–21 March 2014; pp. 781–786. [Google Scholar]
- Rodriguez, P.; Candela, J.I.; Luna, A.; Asiminoaei, L.; Teodorescu, R.; Blaabjerg, F. Current harmonics cancellation in three-phase four-wire systems by using a four-branch star filtering topology. IEEE Trans. Power Electron. 2009, 24, 1939–1950. [Google Scholar] [CrossRef] [Green Version]
- Teodorescu, R.; Blaabjerg, F.; Liserre, M.; Loh, P.C. Proportional-resonant controllers and filters for grid-connected voltage-source converters. Electr. Power Appl. IEE Proc. 2006, 153, 750–762. [Google Scholar] [CrossRef] [Green Version]
- Yuan, X.; Merk, W.; Stemmler, H.; Allmeling, J. Stationary-Frame Generalized Integrators for Current Control of Active Power Filters With Zero Steady-State Error for Current Harmonics of Concern Under Unbalanced and Distorted Operating Conditions. IEEE Trans. Ind. Appl. 2002, 38, 523–532. [Google Scholar] [CrossRef]
- Hsu, P.; Behnke, M. A Three-phase Synchronous Frame Controller for Unbalanced Load. Power Electron. Spec. Conf. 1998, 2, 1369–1374. [Google Scholar]
- Sato, Y.; Ishizuka, T.; Nezu, K.; Kataoka, T. A New Control Strategy for Voltage-Type PWM Rectifiers to Realize Zero Steady-State Control Error in Input Current. IEEE Trans. Ind. Appl. 1998, 34, 480–486. [Google Scholar] [CrossRef]
- Zhi, D.; Yimeng, Z.; Zhiping, H.; Guilin, T.; Chunwu, L. Simulation and Application of FFT Based Pipelined Stream. Int. Conf. Inf. Eng. Comput. Sci. 2009. [Google Scholar]
- Cyre, W.; Lipovski, G. On Generating Multipliers for a Cellular Fast Fourier Transform Processor. IEEE Trans. Comput. 1972, c-21, 83–87. [Google Scholar] [CrossRef]
- Holmes, D.; Martin, D. Implementation of a direct digital predictive current controller for single and three-phase voltage source inverters. Ind. Appl. Conf. 1996, 2, 906–913. [Google Scholar]
- Rodriguez, J.; Pontt, J.; Silva, C.; Correa, P.; Lezana, P.; Cortes, P.; Ammann, U. Predictive Current Control of a Voltage Source Inverter. IEEE Trans. Ind. Electron. 2007, 54, 495–503. [Google Scholar] [CrossRef]






















| Dual PR Controller | PR + PC Controller | |
|---|---|---|
| Loading condition | 25 Ω, 5 Ω, 50 Ω + 100 Ω | 25 Ω, 25 Ω, 50 Ω + 100 Ω |
| Output voltage (Vrms) | 110.51 Vrms | 109.75 Vrms |
| Output current (Irms) | 2.62 A(25 Ω), 1.5 A(50 Ω) | 2.61 A(25 Ω), 1.49 A(50 Ω) |
| %THDv (%) | 4.41% | 3.15% |
| %THDi (%) | 3.54% | 2.91% |
| %VUR (%) | 0.5% | 0.13% |
| Input power (W) | 715.1 W | 717.7 W |
| Output power (W) | 557.73 W | 557.03 W |
| Total efficiency (%) | 77.99% | 77.61% |
Publisher’s Note: MDPI stays neutral with regard to jurisdictional claims in published maps and institutional affiliations. |
© 2022 by the authors. Licensee MDPI, Basel, Switzerland. This article is an open access article distributed under the terms and conditions of the Creative Commons Attribution (CC BY) license (https://creativecommons.org/licenses/by/4.0/).
Share and Cite
Guo, X.-H.; Chang, C.-W.; Chang-Chien, L.-R. Digital Implementation of Harmonic and Unbalanced Load Compensation for Voltage Source Inverter to Operate in Grid Forming Microgrid. Electronics 2022, 11, 886. https://doi.org/10.3390/electronics11060886
Guo X-H, Chang C-W, Chang-Chien L-R. Digital Implementation of Harmonic and Unbalanced Load Compensation for Voltage Source Inverter to Operate in Grid Forming Microgrid. Electronics. 2022; 11(6):886. https://doi.org/10.3390/electronics11060886
Chicago/Turabian StyleGuo, Xiu-Hua, Che-Wei Chang, and Le-Ren Chang-Chien. 2022. "Digital Implementation of Harmonic and Unbalanced Load Compensation for Voltage Source Inverter to Operate in Grid Forming Microgrid" Electronics 11, no. 6: 886. https://doi.org/10.3390/electronics11060886
APA StyleGuo, X.-H., Chang, C.-W., & Chang-Chien, L.-R. (2022). Digital Implementation of Harmonic and Unbalanced Load Compensation for Voltage Source Inverter to Operate in Grid Forming Microgrid. Electronics, 11(6), 886. https://doi.org/10.3390/electronics11060886

