Finite-Time Parameter Observer-Based Sliding Mode Control for a DC/DC Boost Converter with Constant Power Loads
Abstract
:1. Introduction
- A finite-time observer was designed to estimate the input voltage online and adjust the controller parameter. The observer just needs a very weak PE condition;
- A finite-time-parameter, observer-based sliding mode control for the boost converter feeding a CPL was designed to ensure the finite-time stability of the closed-loop system when the input voltage is unknown;
- The finite-time stability analysis of the proposed controller is also given.
2. Mathematical Model and Problem Formation
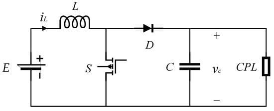
2.1. The State Space Model of a DC/DC Boost Converter Feeding a CPL
2.2. Problem Formation
- The estimates of the parameter E can trace the real E in finite time. That is
- The output of the closed-loop system can converge to the desired value in finite time.
3. The Controller Design
3.1. Coordinate Transformation
3.2. The Design of the Non-singular Terminal Sliding-Mode Controller
3.3. The Design of the Parameter Observer
3.4. Stability Analysis
4. Simulation Results
4.1. Scenario 1
4.2. Scenario 2
4.3. Scenario 3
5. Conclusions
Author Contributions
Funding
Conflicts of Interest
Nomenclature
| V | Capacitance voltage. | |
| A | Inductive current. | |
| E | V | Input voltage. |
| C | μF | Capacitance. |
| L | H | Inductance. |
| P | W | Power. |
| u | Control input. | |
| y | Virtual output. | |
| x | State vector. | |
| p | Sliding surface parameter. | |
| q | Sliding surface parameter. | |
| Sliding surface parameter. | ||
| Controller gain. | ||
| Filter gain. | ||
| Observer gain. | ||
| Observer parameter. | ||
| Estimation superscript. | ||
| Error superscript. | ||
| Reference footmark. | ||
| First-order time derivative superscript. | ||
| Second-order time derivative superscript. |
Abbreviations
| CPL | Constant power load. |
| SMC | Sliding mode control. |
| PE | Persistence of excitation. |
| CCM | Continuous-conduction mode. |
References
- Zhang, G.; Wu, Z.; Yu, S.S.; Trinh, H.; Zhang, Y. Four novel embedded Z-source DC–DC converters. IEEE Trans. Power Electron. 2022, 37, 607–616. [Google Scholar] [CrossRef]
- Zhu, X.; Zhang, B. High step-up quasi-Z-source DC-DC converters with single switched capacitor branch. J. Modern Power Syst. Clean Energy 2017, 5, 537–547. [Google Scholar] [CrossRef] [Green Version]
- Wu, M.; Lu, D.C. A novel stabilization method of lc input filter with constant power loads without load performance compromise in dc microgrids. IEEE Trans. Ind. Electron. 2015, 62, 4552–4562. [Google Scholar] [CrossRef]
- Yumei, L.I.; Zha, X.; Liu, F.; Sun, J. Stability control strategy for dc microgrid with constant power load. Electric Power Automat. Equip. 2014, 34, 57–64. [Google Scholar]
- Hosseinzadeh, M.; Salmasi, F.R. Robust optimal power management system for a hybrid ac/dc micro-grid. IEEE Trans. Sustain. Energy 2015, 6, 675–687. [Google Scholar] [CrossRef]
- Al-Wesabi, I.; Fang, Z.; Wei, Z.; Dong, H. Direct sliding mode control for dynamic instabilities in DC-link voltage of standalone photovoltaic systems with a small capacitor. Electronics 2022, 11, 133. [Google Scholar] [CrossRef]
- Mosayebi, M.; Sadeghzadeh, S.M.; Gheisarnejad, M.; Khooban, M.H. Intelligent and fast model-free sliding mode control for shipboard dc microgrids. IEEE Trans. Transp. Electrif. 2020, 7, 1662–1671. [Google Scholar] [CrossRef]
- Babaiahgari, B.; Jeong, Y.; Park, J.D. Stability enhancement method for DC microgrids with constant power loads using variable inductor. In Proceedings of the 2020 IEEE Applied Power Electronics Conference and Exposition (APEC), New Orleans, LA, USA, 15–19 March 2020. [Google Scholar]
- Xiao, J.; Wang, P.; Setyawan, L. Hierarchical control of hybrid energy storage system in dc microgrids. IEEE Trans. Ind. Electron. 2015, 62, 4915–4924. [Google Scholar] [CrossRef]
- Bagheri, S.; CheshmehBeigi, H.M. DC microgrid voltage stability through inertia enhancement using a bidirectional DC-DC converter. In Proceedings of the 7th Iran Wind Energy Conference, Shahrood, Iran, 17–18 May 2021. [Google Scholar]
- Jin, C.; Wang, P.; Xiao, J.; Tang, Y.; Choo, F.H. Implementation of hierarchical control in dc microgrids. IEEE Trans. Ind. Electron. 2014, 61, 4032–4042. [Google Scholar] [CrossRef]
- Chandra, A.; Singh, G.K.; Pant, V. Protection techniques for dc microgrid—A review. Electric Power Syst. Res. 2020, 187, 106439. [Google Scholar] [CrossRef]
- Alrajhi, H. A generalized state space average model for parallel DC-to-DC converters. Comput. Syst. Sci. Eng. 2022, 41, 717–734. [Google Scholar] [CrossRef]
- Chincholkar, S.H.; Chan, C.Y. Comparative study of current-mode controllers for the positive output elementary Luo converter via state-space and frequency response approaches. IET Power Electron. 2015, 8, 1137–1145. [Google Scholar] [CrossRef]
- Hanifi, G. Sliding mode control of dc-dc boost converter. J. Appl. Sci. 2005, 5, 588–592. [Google Scholar]
- Wai, R.J.; Shih, L.C. Design of voltage tracking control for dc–dc boost converter via total sliding-mode technique. IEEE Trans. Ind. Electron. 2011, 58, 2502–2511. [Google Scholar] [CrossRef]
- Microsecond nonlinear model predictive control for DC-DC converters. Int. J. Circuit Theory Appl. 2020, 48, 406–419. [CrossRef]
- Belhaj, F.Z.; Fadil, H.E.; Idrissi, Z.E.; Gaouzi, K.; Rachid, A. Adaptive observer design for non-linear cascade boost converter. In Proceedings of the 2020 International Conference on Electrical and Information Technologies (ICEIT), Rabat, Morocco, 4–7 March 2020. [Google Scholar]
- Eklas, H.; Ron, P.; Adel, N.; Sanjeevikumar, P. A comprehensive review on constant power loads compensation techniques. IEEE Access 2018, 6, 33285–33305. [Google Scholar]
- Meng, L.; Shafiee, Q.; Trecate, G.F.; Karimi, H.; Fulwani, D.; Lu, X.; Guerrero, J.M. Review on control of DC microgrids and multiple microgrid clusters. IEEE J. Emerg. Sel. Topics Power Electron. 2017, 5, 928–948. [Google Scholar]
- Xu, Q.; Wang, P.; Chen, J.; Wen, C.; Lee, M.Y. A module-based approach for stability analysis of complex more-electric aircraft power system. IEEE Trans. Transp. Electrif. 2017, 3, 901–919. [Google Scholar] [CrossRef]
- Singh, S.; Gautam, A.R.; Fulwani, D. Constant power loads and their effects in DC distributed power systems: A review. Renew. Sustain. Energy Rev. 2017, 72, 407–421. [Google Scholar] [CrossRef]
- Wei, L.; Huang, M.; Sun, J.; Zha, X. Nonlinear analysis of photovoltaic battery hybrid power system with constant power loads. Trans. China Electrotech. Soci. 2017, 32, 128–137. [Google Scholar]
- Riccobono, A.; Santi, E. Comprehensive review of stability criteria for dc power distribution systems. IEEE Trans. Ind. Appl. 2014, 50, 3525–3535. [Google Scholar] [CrossRef]
- Zhang, X.; Ruan, X. Adaptive active capacitor converter for improving the stability of cascaded DC power supply system. Trans. China Electrotech. Soc. 2012, 27, 23–32. [Google Scholar] [CrossRef]
- Singer, S.; Ozeri, S.; Shmilovitz, D. A pure realization of loss-free resistor. IEEE Trans. Circuits Syst. I Regul. Papers 2004, 51, 1639–1647. [Google Scholar] [CrossRef]
- Xu, Q.; Yan, Y.; Zhang, C.; Dragicevic, T.; Blaabjerg, F. An offset-free composite model predictive control strategy for dc/dc buck converter feeding constant power loads. IEEE Trans. Power Electron. 2019, 35, 5331–5342. [Google Scholar] [CrossRef]
- Kwasinski, A.; Krein, P.T. Passivity-based control of Buck converters with constant-power loads. In Proceedings of the IEEE Power Electronics Specialists Conference, Orlando, FL, USA, 17–21 June 2007. [Google Scholar]
- Kwasinski, A.; Krein, P.T. Stability of constant power loads in DC-DC converters using passivity-based control. In Proceedings of the International IEEE Telecommunications Energy Conference, Rome, Italy, 30 September–4 October 2007. [Google Scholar]
- Xu, Q.; Jiang, W.; Blaabjerg, F.; Zhang, C.; Fernando, T. Backstepping control for large signal stability of high boost ratio interleaved converter interfaced DC microgrids with constant power loads. IEEE Trans. Power Electron. 2020, 35, 5397–5407. [Google Scholar] [CrossRef]
- Yousefizadeh, S.; Bendtsen, J.D.; Vafamand, N.; Khooban, M.H.; Blaabjerg, F.; Dragicevic, T. Tracking control for a DC microgrid feeding uncertain loads in more electric aircraft: Adaptive backstepping approach. IEEE Trans. Ind. Electron. 2019, 66, 5644–5652. [Google Scholar] [CrossRef] [Green Version]
- Fliess, M.; LéVINE, J.; Martin, P.; Rouchon, P. Flatness and defect of non-linear systems: Introductory theory and examples. Int. J. Control 2003, 61, 1327–1361. [Google Scholar] [CrossRef] [Green Version]
- Gao, Z.; Lin, H.; Zhang, X. Exact linearization and optimal tracking control of boost converter with constant power loads. Proc. Chin. Soc. Electrical Eng. 2007, 13, 70–75. [Google Scholar]
- Tomassini, J.; Junco, S.; Donaire, A. Dealing with constant power loads in DC-DC power electronic converters using flatness based coordinate transformations. In Proceedings of the 2020 IEEE Congreso Bienal de Argentina, Resistencia, Argentina, 1–4 December 2020. [Google Scholar]
- Hassan, M.A.; Li, E.P.; Li, X.; Li, T.; Duan, C.; Chi, S. Adaptive passivity-based control of dc–dc buck power converter with constant power load in DC microgrid systems. IEEE J. Emerg. Sel. Topics Power Electron. 2019, 7, 2029–2040. [Google Scholar] [CrossRef]
- He, W.; Ortega, R. Design and implementation of adaptive energy shaping control for dc-dc converters with constant power loads. IEEE Trans. Ind. Inf. 2019, 16, 5053–5064. [Google Scholar] [CrossRef]
- Yang, J.X.; Wang, J.H.; Sun, S.T.; Wang, Z.Y. Nonlinear control of boost converter with constant power load. J. Liaoning Tech. Univ. 2020, 39, 338–343. [Google Scholar]
- Gheisarnejad, M.; Khooban, M.H. IoT-Based DC/DC deep learning power converter control: Real-time implementation. IEEE Trans. Power Electron. 2020, 35, 13621–13630. [Google Scholar] [CrossRef]
- Li, J.; Pan, H.; Long, X.; Liu, B. Objective holographic feedbacks linearization control for boost converter with constant power load. Int. J. Electrical Power Energy Syst. 2022, 134, 107310. [Google Scholar] [CrossRef]
- Xu, X.; Liu, Q.; Zhang, C.; Zeng, Z. Prescribed performance controller design for DC converter system with constant power loads in DC microgrid. IEEE Trans. Syst. 2020, 50, 4339–4348. [Google Scholar] [CrossRef]
- Zheng, C.; Dragicevic, T.; Zhang, J.; Chen, R.; Blaabjerg, F. Composite robust quasi-sliding mode control of dc-dc buck converter with constant power loads. IEEE J. Emerg. Selected Topics Power Electron. 2020, 9, 1455–1464. [Google Scholar] [CrossRef]
- Shtessel, Y.; Edwards, C.; Fridman, L.; Levant, A. Sliding Mode Control and Observation; Springer: New York, NY, USA, 2014. [Google Scholar]
- Wu, J.; Lu, Y. Adaptive backstepping sliding mode control for boost converter with constant power load. IEEE Access 2019, 7, 50797–50807. [Google Scholar] [CrossRef]
- Linares-Flores, J.; Juarez-Abad, J.A.J.; Hernandez-Mendez, A.; Castro-Heredia, O.; Castro-Heredia, J.F.; Heredia-Barba, R.R.; Curiel-Olivares, G. Sliding mode control based on linear extended state observer for DC-to-DC buck-boost power converter system with mismatched disturbances. IEEE Trans. Ind. Appl. 2022, 58, 940–950. [Google Scholar] [CrossRef]
- Yuan, C.; Huangfu, Y.; Ma, R. Adaptive finite-time control of DC-DC converter feeding constant power load for fuel cell vehicle. In Proceedings of the 2020 IEEE Industry Applications Society Annual Meeting, Detroit, MI, USA, 10–16 October 2020. [Google Scholar]
- Erickson, R.W.; Maksimović, D. Fundamentals of Power Electronics, 3rd ed.; Springer: Cham, Switzerland, 2006. [Google Scholar]
- Feng, Y.; Bao, S.; Xing, Y.U. Design method of non-singular terminal sliding mode control systems. Control Decis. 2002, 17, 194–198. [Google Scholar]
- Gui, J.; Zhang, L.; Li, S.; Wang, X. Nonsingular terminal sliding mode control for PMSM servo system based on backlash compensation and high-order sliding mode observer. In Proceedings of the 2020 Chinese Control and Decision Conference (CCDC), Hefei, China, 22–24 August 2020. [Google Scholar]
- Bobtsov, A.; Ortega, R.; Yi, B.; Nikolaev, N. Adaptive state estimation of state-affine systems with unknown time-varying parameters. Int. J. Control 2021. [Google Scholar] [CrossRef]
- Lu, Z.; Zuo, W.; Li, S.; Ding, B.; Du, H. Universal finite-time observer based second-order sliding mode control for dc-dc buck converters with only output voltage measurement. J. Frankl. Inst. 2020, 357, 11863–11879. [Google Scholar]
- Zhao, X.; Ma, X.; Ma, X. A novel disturbance observer for multiagent tracking control with matched and unmatched uncertainties. Math. Probl. Eng. 2019. [Google Scholar] [CrossRef] [Green Version]








| Parameters | Symbols | Values |
|---|---|---|
| Input Voltage | E | 15 V |
| Power of the CPL | P | 30 W |
| Inductance | L | 147 μH |
| Capacitance | C | 1000 μF |
Publisher’s Note: MDPI stays neutral with regard to jurisdictional claims in published maps and institutional affiliations. |
© 2022 by the authors. Licensee MDPI, Basel, Switzerland. This article is an open access article distributed under the terms and conditions of the Creative Commons Attribution (CC BY) license (https://creativecommons.org/licenses/by/4.0/).
Share and Cite
He, W.; Shang, Y. Finite-Time Parameter Observer-Based Sliding Mode Control for a DC/DC Boost Converter with Constant Power Loads. Electronics 2022, 11, 819. https://doi.org/10.3390/electronics11050819
He W, Shang Y. Finite-Time Parameter Observer-Based Sliding Mode Control for a DC/DC Boost Converter with Constant Power Loads. Electronics. 2022; 11(5):819. https://doi.org/10.3390/electronics11050819
Chicago/Turabian StyleHe, Wei, and Yukai Shang. 2022. "Finite-Time Parameter Observer-Based Sliding Mode Control for a DC/DC Boost Converter with Constant Power Loads" Electronics 11, no. 5: 819. https://doi.org/10.3390/electronics11050819
APA StyleHe, W., & Shang, Y. (2022). Finite-Time Parameter Observer-Based Sliding Mode Control for a DC/DC Boost Converter with Constant Power Loads. Electronics, 11(5), 819. https://doi.org/10.3390/electronics11050819

