Requirements for Energy-Harvesting-Driven Edge Devices Using Task-Offloading Approaches
Abstract
:1. Introduction
- Resources allocation ensures a better allocation and management of the available resources, mainly radio and energy resources.
 - Energy harvesting and transfer provide a sustainable energy supply, which are harvested from ambient resources. In the case of wearable systems, the energy can even be harvested from the human activities, such as breathing and movement.
 - Hardware systems are explored during the development and design of wireless nodes and devices with consideration of the minimum energy consumption.
 - Network installation enables the definition of appropriate infrastructures that maximize energy efficiency and ensure the data transmission and computational capabilities.
 
- We provide a literature review of the state-of-the-art joint energy-harvesting and task-offloading approaches in fog edge computing systems.
 - We compare the state-of-the-art related surveys based on specific key features.
 - We investigate energy-harvesting technologies and energy-storage strategies for IoMT devices.
 - We survey recent research efforts on task offloading in fog edge computing and related design considerations.
 - We review existing approaches for the design of patient-centered care system.
 
2. Related Works
3. Principles of Task Offloading
3.1. Pre-IoT Age
3.2. Post IoT Age
3.3. Offloading Algorithms
3.3.1. Algorithm Classification
3.3.2. Deep-Reinforcement Learning
4. Design Considerations for the Task Offloading
4.1. Communication Protocols
4.2. Energy Consumption of Wireless Nodes
5. Power Supply for Wearables with Task Offloading Capabilities
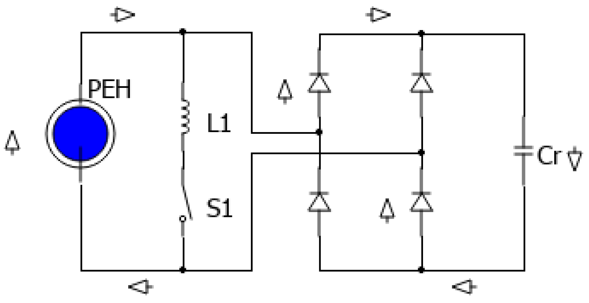
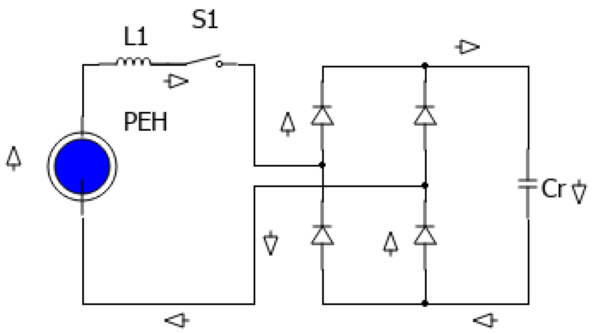
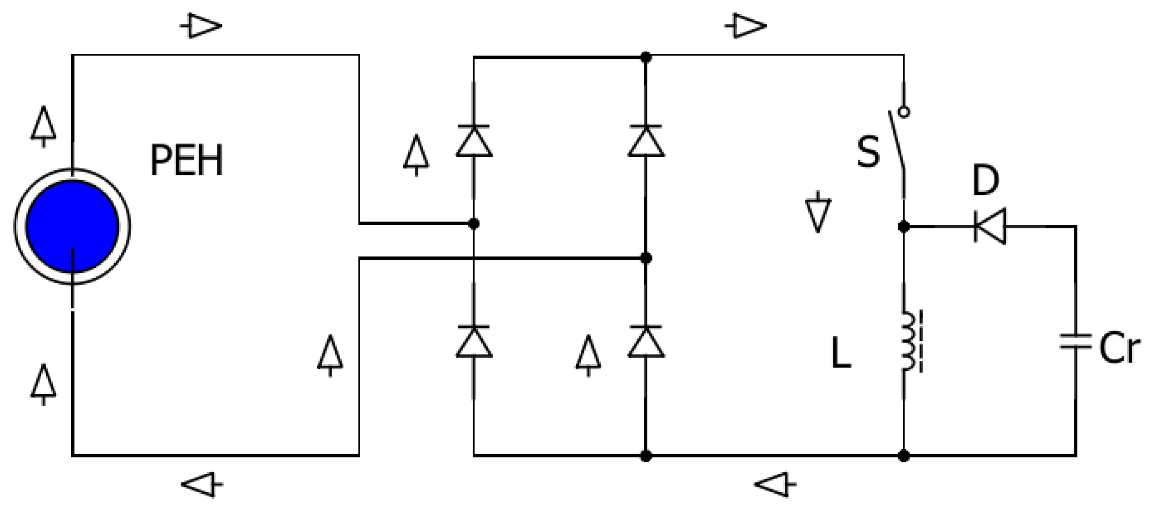
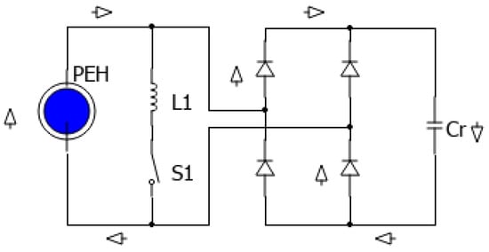
5.1. Thermoelectric Generators
5.2. Kinetic Energy Harveters
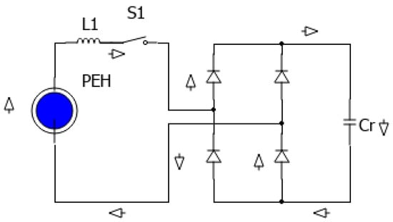
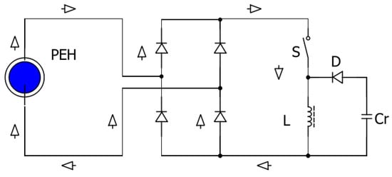
5.3. Flexible Piezoelectric Generators
5.4. Energy-Storage Techniques
- Placement of the device: implant or outside.
 - Energy source: type
 - Requirements of the application: either it needs a sustainable supply for the wearable device or a non-critical usage.
 
5.5. Recent Energy-Harvesting Solutions for Wearables
6. Value-Based Healthcare System and Personalized Healthcare
7. Conclusions
Author Contributions
Funding
Institutional Review Board Statement
Informed Consent Statement
Conflicts of Interest
Abbreviations
| EH | Energy Harvesting | 
| SSHI | Synchronized Switch Harvesting on Inductor | 
| P-SSHI | Parallel Synchronized Switch Harvesting on Inductor | 
| S-SSHI | Serial Synchronized Switch Harvesting on Inductor | 
| SECE | Synchronized Electrical Charge Extraction | 
| SEH | Standard Energy Harvesting (Bridge rectifier) | 
| SSD | Synchronized Switch Damping | 
| EWMA | Exponentially Weighted Moving Average | 
| HBC | Human Body Communication | 
| IoT | Internet of Things | 
| IoMT | Internet of Medical Things | 
| MCU | Micro-Controller Unit | 
| MEC | Mobile Edge Computing | 
| QoS | Quality of Service | 
| WBANs | Wireless Body Area Networks | 
| WSNs | Wireless Sensor Networks | 
| PENGs | Piezoelectric nanogenerators | 
| PEH | Piezoelectric energy harvesting | 
| FPEGs | Flexible Piezoelectric Generators | 
| PEt | Piezoelectric transducer | 
| TEG | Thermoelectric Generator | 
Appendix A
| Parameter | Explanation | Typical Value/Range | Unit | 
|---|---|---|---|
| Residual energy at a time instance t | NA | J | |
| Residual energy at a time instance () | NA | J | |
| Energy consumption | NA | J | |
| Energy of the harvesting module | NA | J | |
| Consumed energy of transmission | NA | J | |
| Consumed energy of coding and decoding | NA | J | |
| Consumed energy of the sensing | NA | J | |
| Consumed energy of the reception | NA | J | |
| Consumed energy of the transmission | NA | J | |
| Electrical energy of the circuitry | Based on initial assumption (e.g., 50 nJ) | J | |
| d | Distance between transmitter and receiver | Related to the realized scenario | m | 
| Threshold distance between transmitter and receiver | 1 m | m | |
| l | Size of the data packet | Depends on the ADC of the processor | bits | 
| Energy consumption factor for free space | Depends on the | ||
| Energy consumption factor for multipath radio models | propagation loss | ||
| M | Number of cores | 8 | - | 
| n | Number of tasks | maximum value is 6 | - | 
| the learning rate | - | ||
| the discount rate | 0.85 | - | 
References
- Farias, F.A.C.d.; Dagostini, C.M.; Bicca, Y.d.A.; Falavigna, V.F.; Falavigna, A. Remote patient monitoring: A systematic review. Telemed. E-Health 2020, 26, 576–583. [Google Scholar] [CrossRef] [PubMed]
 - Tian, S.; Yang, W.; Grange, J.M.L.; Wang, P.; Huang, W.; Ye, Z. Smart healthcare: Making medical care more intelligent. Glob. Health J. 2019, 3, 62–65. [Google Scholar] [CrossRef]
 - Gatouillat, A.; Badr, Y.; Massot, B.; Sejdić, E. Internet of Medical Things: A Review of Recent Contributions Dealing With Cyber-Physical Systems in Medicine. IEEE Internet Things J. 2018, 5, 3810–3822. [Google Scholar] [CrossRef] [Green Version]
 - Yang, W.; Wang, S.; Sahri, N.M.; Karie, N.M.; Ahmed, M.; Valli, C. Biometrics for Internet-of-Things Security: A Review. Sensors 2021, 21, 6163. [Google Scholar] [CrossRef]
 - Swaroop, K.N.; Chandu, K.; Gorrepotu, R.; Deb, S. A health monitoring system for vital signs using IoT. Internet Things 2019, 5, 116–129. [Google Scholar] [CrossRef]
 - Ali, M.; Ali, A.A.; Taha, A.E.; Dhaou, I.B.; Gia, T.N. Intelligent Autonomous Elderly Patient Home Monitoring System. In Proceedings of the ICC 2019—2019 IEEE International Conference on Communications (ICC), Shanghai, China, 20–24 May 2019; pp. 1–6. [Google Scholar] [CrossRef]
 - Rahman, M.A.; Hossain, M.S. An Internet of medical things-enabled edge computing framework for tackling COVID-19. IEEE Internet Things J. 2021, 8, 15847–15854. [Google Scholar] [CrossRef]
 - Zhang, H.; Xiao, Y.; Bu, S.; Niyato, D.; Yu, F.R.; Han, Z. Computing resource allocation in three-tier IoT fog networks: A joint optimization approach combining Stackelberg game and matching. IEEE Internet Things J. 2017, 4, 1204–1215. [Google Scholar] [CrossRef]
 - Mukherjee, M.; Kumar, V.; Maity, D.; Matam, R.; Mavromoustakis, C.X.; Zhang, Q.; Mastorakis, G. Delay-sensitive and Priority-aware Task Offloading for Edge Computing-assisted Healthcare Services. In Proceedings of the GLOBECOM 2020—2020 IEEE Global Communications Conference, Taipei, Taiwan, 7–11 December 2020; pp. 1–5. [Google Scholar] [CrossRef]
 - Zhao, X.; Zhao, L.; Liang, K. An energy consumption oriented offloading algorithm for fog computing. In International Conference on Heterogeneous Networking for Quality, Reliability, Security and Robustness; Springer: Berlin/Heidelberg, Germany, 2016; pp. 293–301. [Google Scholar]
 - Zhang, Z.; Yu, F.R.; Fu, F.; Yan, Q.; Wang, Z. Joint offloading and resource allocation in mobile edge computing systems: An actor-critic approach. In Proceedings of the 2018 IEEE Global Communications Conference (GLOBECOM), Abu Dhabi, United Arab Emirates, 9–13 December 2018; IEEE: Piscataway, NJ, USA, 2018; pp. 1–6. [Google Scholar]
 - Huang, L.; Feng, X.; Zhang, C.; Qian, L.; Wu, Y. Deep reinforcement learning-based joint task offloading and bandwidth allocation for multi-user mobile edge computing. Digit. Commun. Netw. 2019, 5, 10–17. [Google Scholar] [CrossRef]
 - Min, M.; Wan, X.; Xiao, L.; Chen, Y.; Xia, M.; Wu, D.; Dai, H. Learning-based privacy-aware offloading for healthcare IoT with energy harvesting. IEEE Internet Things J. 2018, 6, 4307–4316. [Google Scholar] [CrossRef]
 - Wang, F.; Zhang, X. Dynamic computation offloading and resource allocation over mobile edge computing networks with energy harvesting capability. In Proceedings of the 2018 IEEE International Conference on Communications (ICC), Kansas City, MO, USA, 20–24 May 2018; IEEE: Piscataway, NJ, USA, 2018; pp. 1–6. [Google Scholar]
 - Mustafa, E.; Shuja, J.; Jehangiri, A.I.; Din, S.; Rehman, F.; Mustafa, S.; Maqsood, T.; Khan, A.N. Joint wireless power transfer and task offloading in mobile edge computing: A survey. Clust. Comput. 2021, 1–20. [Google Scholar] [CrossRef]
 - Engineer, M.; Tusha, R.; Shah, A.; Adhvaryu, D.K. Insight into the Importance of Fog Computing in Internet of Medical Things (IoMT). In Proceedings of the 2019 International Conference on Recent Advances in Energy-Efficient Computing and Communication (ICRAECC), Nagercoil, India, 7–8 March 2019; pp. 1–7. [Google Scholar] [CrossRef]
 - Hartmann, M.; Hashmi, U.S.; Imran, A. Edge computing in smart health care systems: Review, challenges, and research directions. Trans. Emerg. Telecommun. Technol. 2019, e3710. [Google Scholar] [CrossRef]
 - Omoniwa, B.; Hussain, R.; Javed, M.A.; Bouk, S.H.; Malik, S.A. Fog/Edge Computing-Based IoT (FECIoT): Architecture, Applications, and Research Issues. IEEE Internet Things J. 2019, 6, 4118–4149. [Google Scholar] [CrossRef]
 - Aazam, M.; Zeadally, S.; Flushing, E.F. Task offloading in edge computing for machine learning-based smart healthcare. Comput. Netw. 2021, 191, 108019. [Google Scholar] [CrossRef]
 - Islam, A.; Debnath, A.; Ghose, M.; Chakraborty, S. A survey on task offloading in Multi-access Edge Computing. J. Syst. Archit. 2021, 118, 102225. [Google Scholar] [CrossRef]
 - Ryou, J.C.; Wong, J. A task migration algorithm for load balancing in a distributed system. In Proceedings of the Twenty-Second Annual Hawaii International Conference on System Sciences. Volume II: Software Track, Kailua-Kona, HI, USA, 3–6 January 1989; Volume 2, pp. 1041–1048. [Google Scholar] [CrossRef]
 - Suen, T.; Wong, J. Efficient task migration algorithm for distributed systems. IEEE Trans. Parallel Distrib. Syst. 1992, 3, 488–499. [Google Scholar] [CrossRef]
 - Jiang, Y. A Survey of Task Allocation and Load Balancing in Distributed Systems. IEEE Trans. Parallel Distrib. Syst. 2016, 27, 585–599. [Google Scholar] [CrossRef]
 - Jacob, N.; Brodley, C. Offloading IDS Computation to the GPU. In Proceedings of the 2006 22nd Annual Computer Security Applications Conference (ACSAC’06), Miami Beach, FL, USA, 11–15 December 2006; pp. 371–380. [Google Scholar] [CrossRef] [Green Version]
 - Liu, C.; Tang, F.; Hu, Y.; Li, K.; Tang, Z.; Li, K. Distributed Task Migration Optimization in MEC by Extending Multi-Agent Deep Reinforcement Learning Approach. IEEE Trans. Parallel Distrib. Syst. 2021, 32, 1603–1614. [Google Scholar] [CrossRef]
 - Sun, L.; Jiang, X.; Ren, H.; Guo, Y. Edge-Cloud Computing and Artificial Intelligence in Internet of Medical Things: Architecture, Technology and Application. IEEE Access 2020, 8, 101079–101092. [Google Scholar] [CrossRef]
 - Kumar, K.; Liu, J.; Lu, Y.H.; Bhargava, B. A survey of computation offloading for mobile systems. Mob. Netw. Appl. 2013, 18, 129–140. [Google Scholar] [CrossRef]
 - Jalali, F.; Hinton, K.; Ayre, R.; Alpcan, T.; Tucker, R.S. Fog Computing May Help to Save Energy in Cloud Computing. IEEE J. Sel. Areas Commun. 2016, 34, 1728–1739. [Google Scholar] [CrossRef]
 - Zhang, X.; Lu, J.J.; Qin, X.; Zhao, X.N. A high-level energy consumption model for heterogeneous data centers. Simul. Model. Pract. Theory 2013, 39, 41–55. [Google Scholar] [CrossRef]
 - Naha, R.K.; Garg, S.; Georgakopoulos, D.; Jayaraman, P.P.; Gao, L.; Xiang, Y.; Ranjan, R. Fog Computing: Survey of Trends, Architectures, Requirements, and Research Directions. IEEE Access 2018, 6, 47980–48009. [Google Scholar] [CrossRef]
 - Aazam, M.; Zeadally, S.; Harras, K.A. Offloading in fog computing for IoT: Review, enabling technologies, and research opportunities. Future Gener. Comput. Syst. 2018, 87, 278–289. [Google Scholar] [CrossRef]
 - Ud Din, I.; Guizani, M.; Hassan, S.; Kim, B.S.; Khurram Khan, M.; Atiquzzaman, M.; Ahmed, S.H. The Internet of Things: A Review of Enabled Technologies and Future Challenges. IEEE Access 2019, 7, 7606–7640. [Google Scholar] [CrossRef]
 - Kumari, A.; Tanwar, S.; Tyagi, S.; Kumar, N. Fog computing for Healthcare 4.0 environment: Opportunities and challenges. Comput. Electr. Eng. 2018, 72, 1–13. [Google Scholar] [CrossRef]
 - Yang, Y.; Geng, Y.; Qiu, L.; Hu, W.; Cao, G. Context-Aware Task Offloading for Wearable Devices. In Proceedings of the 2017 26th International Conference on Computer Communication and Networks (ICCCN), Vancouver, BC, Canada, 31 July–3 August 2017; pp. 1–9. [Google Scholar] [CrossRef]
 - Ben Dhaou, I.; Ebrahimi, M.; Ben Ammar, M.; Bouattour, G.; Kanoun, O. Edge Devices for Internet of Medical Things: Technologies, Techniques, and Implementation. Electronics 2021, 10, 2104. [Google Scholar] [CrossRef]
 - Kalantarian, H.; Sideris, C.; Mortazavi, B.; Alshurafa, N.; Sarrafzadeh, M. Dynamic Computation Offloading for Low-Power Wearable Health Monitoring Systems. IEEE Trans. Biomed. Eng. 2017, 64, 621–628. [Google Scholar] [CrossRef]
 - Geng, Y.; Yang, Y.; Cao, G. Energy-Efficient Computation Offloading for Multicore-Based Mobile Devices. In Proceedings of the IEEE INFOCOM 2018—IEEE Conference on Computer Communications, Honolulu, HI, USA, 16–19 April 2018; pp. 46–54. [Google Scholar] [CrossRef]
 - Wang, L.; Shao, H.; Li, J.; Wen, X.; Lu, Z. Optimal Multi-User Computation Offloading Strategy for Wireless Powered Sensor Networks. IEEE Access 2020, 8, 35150–35160. [Google Scholar] [CrossRef]
 - Jiang, J.; Zhang, X.; Li, S. A Task Offloading Method with Edge for 5G-Envisioned Cyber-Physical-Social Systems. Secur. Commun. Netw. 2020, 2020, 8867094. [Google Scholar] [CrossRef]
 - Liao, Y.; Yu, Q.; Han, Y.; Leeson, M. Relay-Enabled Task Offloading Management for Wireless Body Area Networks. Appl. Sci. 2018, 8, 1409. [Google Scholar] [CrossRef] [Green Version]
 - Tang, Q.; Xie, R.; Yu, F.R.; Huang, T.; Liu, Y. Decentralized computation offloading in IoT fog computing system with energy harvesting: A dec-POMDP approach. IEEE Internet Things J. 2020, 7, 4898–4911. [Google Scholar] [CrossRef]
 - Li, Y.; Qi, F.; Wang, Z.; Yu, X.; Shao, S. Distributed Edge Computing Offloading Algorithm Based on Deep Reinforcement Learning. IEEE Access 2020, 8, 85204–85215. [Google Scholar] [CrossRef]
 - Gao, Z.; Hao, W.; Han, Z.; Yang, S. Q-Learning-Based Task Offloading and Resources Optimization for a Collaborative Computing System. IEEE Access 2020, 8, 149011–149024. [Google Scholar] [CrossRef]
 - Zhang, K.; Zhu, Y.; Leng, S.; He, Y.; Maharjan, S.; Zhang, Y. Deep Learning Empowered Task Offloading for Mobile Edge Computing in Urban Informatics. IEEE Internet Things J. 2019, 6, 7635–7647. [Google Scholar] [CrossRef]
 - Sutton, R.S.; Bach, F.; Barto, A.G. Reinforcement Learning, 2nd ed.; MIT Press Ltd.: Cambridge, MA, USA, 2018. [Google Scholar]
 - Wei, Z.; Zhao, B.; Su, J.; Lu, X. Dynamic Edge Computation Offloading for Internet of Things With Energy Harvesting: A Learning Method. IEEE Internet Things J. 2019, 6, 4436–4447. [Google Scholar] [CrossRef]
 - Zhang, K.; Samaan, N. Optimized Look-Ahead Offloading Decisions Using Deep Reinforcement Learning for Battery Constrained Mobile IoT Devices. In Proceedings of the 2020 IEEE International Conference on Smart Cloud (SmartCloud), Washington, DC, USA, 6–8 November 2020; pp. 181–186. [Google Scholar] [CrossRef]
 - Zhang, J.; Du, J.; Wang, J.; Shen, Y. Hybrid Decision Based Deep Reinforcement Learning For Energy Harvesting Enabled Mobile Edge Computing. In Proceedings of the 2020 International Wireless Communications and Mobile Computing (IWCMC), Limassol, Cyprus, 15–19 June 2020; pp. 2100–2105. [Google Scholar] [CrossRef]
 - Spanò, S.; Cardarilli, G.C.; Di Nunzio, L.; Fazzolari, R.; Giardino, D.; Matta, M.; Nannarelli, A.; Re, M. An Efficient Hardware Implementation of Reinforcement Learning: The Q-Learning Algorithm. IEEE Access 2019, 7, 186340–186351. [Google Scholar] [CrossRef]
 - Rawat, P.; Singh, K.D.; Chaouchi, H.; Bonnin, J.M. Wireless sensor networks: A survey on recent developments and potential synergies. J. Supercomput. 2013, 68, 1–48. [Google Scholar] [CrossRef]
 - Jung, J.; Lee, W.; Kim, H. Cooperative Computing System for Heavy-Computation and Low-Latency Processing in Wireless Sensor Networks. Sensors 2018, 18, 1686. [Google Scholar] [CrossRef] [Green Version]
 - Zhou, G.D.; Yi, T.H. Recent Developments on Wireless Sensor Networks Technology for Bridge Health Monitoring. Math. Probl. Eng. 2013, 2013, 947867. [Google Scholar] [CrossRef] [Green Version]
 - Razdan, S.; Sharma, S. Internet of Medical Things (IoMT): Overview, Emerging Technologies, and Case Studies. IETE Tech. Rev. 2021, 1–14. [Google Scholar] [CrossRef]
 - Vishnu, S.; Ramson, S.J.; Jegan, R. Internet of Medical Things (IoMT)—An overview. In Proceedings of the 2020 5th International Conference on Devices, Circuits and Systems (ICDCS), Coimbatore, India, 5–6 March 2020; IEEE: Piscataway, NJ, USA, 2020. [Google Scholar] [CrossRef]
 - Alabidi, E.S.; Kamarudin, M.; Rahman, T.; Khalily, M.; Abdulrahman, A.; Jamlos, M.; Jais, M. Radiation characteristics improvement of monopole antenna for WBAN applications. Int. J. Multimed. Ubiquitous Eng 2014, 9, 53–64. [Google Scholar] [CrossRef] [Green Version]
 - Al Islam, N.; Arifin, F. Performance analysis of a miniaturized implantable PIFA antenna for WBAN at ISM band. In Proceedings of the 2016 3rd International Conference on Electrical Engineering and Information Communication Technology (ICEEICT), Dhaka, Bangladesh, 22–24 September 2016; IEEE: Piscataway, NJ, USA, 2016; pp. 1–5. [Google Scholar]
 - Asan, N.B.; Hassan, E.; Perez, M.D.; Joseph, L.; Berggren, M.; Voigt, T.; Augustine, R. Fat-Intrabody Communication at 5.8 GHz Including Impacts of Dynamics Body Movements. 2019. Available online: http://www.diva-portal.org/smash/record.jsf?pid=diva2:1353288 (accessed on 10 January 2022).
 - Čuljak, I.; Lučev Vasić, Ž.; Mihaldinec, H.; Džapo, H. Wireless Body Sensor Communication Systems Based on UWB and IBC Technologies: State-of-the-Art and Open Challenges. Sensors 2020, 20, 3587. [Google Scholar] [CrossRef] [PubMed]
 - Álvarez-Botero, G.A.; Hernández-Gómez, Y.K.; Telléz, C.E.; Coronel, J.F. Human body communication: Channel characterization issues. IEEE Instrum. Meas. Mag. 2019, 22, 48–53. [Google Scholar] [CrossRef]
 - Windha, M.V.; Iskandar; Hendrawan; Arifianto, M.S. Wireless Sensor Network on 5G Network. In Proceedings of the 2018 4th International Conference on Wireless and Telematics (ICWT), Bali, Indonesia, 12–13 July 2018; pp. 1–5. [Google Scholar] [CrossRef]
 - Papadopoulos, G.Z.; Kritsis, K.; Gallais, A.; Chatzimisios, P.; Noel, T. Performance evaluation methods in ad hoc and wireless sensor networks: A literature study. IEEE Commun. Mag. 2016, 54, 122–128. [Google Scholar] [CrossRef]
 - Aldahdouh, K.A.; Darabkh, K.A.; Al-Sit, W. A survey of 5G emerging wireless technologies featuring LoRaWAN, Sigfox, NB-IoT and LTE-M. In Proceedings of the 2019 International Conference on Wireless Communications Signal Processing and Networking (WiSPNET), Chennai, India,, 21–23 March 2019; IEEE: Piscataway, NJ, USA, 2019; pp. 561–566. [Google Scholar]
 - Arefin, M.T.; Ali, M.H.; Haque, A.F. Wireless body area network: An overview and various applications. J. Comput. Commun. 2017, 5, 53–64. [Google Scholar] [CrossRef] [Green Version]
 - Vallejos de Schatz, C.H.; Medeiros, H.P.; Schneider, F.K.; Abatti, P.J. Wireless medical sensor networks: Design requirements and enabling technologies. Telemed. E-Health 2012, 18, 394–399. [Google Scholar] [CrossRef] [Green Version]
 - Reich, O.; Hübner, E.; Ghita, B.; Wagner, M.; Schäfer, J. Performance Evaluation of Bluetooth in a Wireless Body Area Network for Practical Applications. In Proceedings of the 2020 IEEE 11th Sensor Array and Multichannel Signal Processing Workshop (SAM), Hangzhou, China, 8–11 June 2020; pp. 1–5. [Google Scholar] [CrossRef]
 - Georgakakis, E.; Nikolidakis, S.A.; Vergados, D.D.; Douligeris, C. An analysis of bluetooth, zigbee and bluetooth low energy and their use in wbans. In International Conference on Wireless Mobile Communication and Healthcare; Springer: Berlin/Heidelberg, Germany, 2010; pp. 168–175. [Google Scholar]
 - Coskun, V.; Ozdenizci, B.; Ok, K. A survey on near field communication (NFC) technology. Wirel. Pers. Commun. 2013, 71, 2259–2294. [Google Scholar] [CrossRef]
 - Bouhassoune, I.; Saadane, R.; Chehri, A. Wireless Body Area Network Based on RFID System for Healthcare Monitoring: Progress and Architectures. In Proceedings of the 2019 15th International Conference on Signal-Image Technology Internet-Based Systems (SITIS), Sorrento, Italy, 26–29 November 2019; pp. 416–421. [Google Scholar] [CrossRef]
 - Liu, H.; Bolic, M.; Nayak, A.; Stojmenovi, I. Integration of RFID and wireless sensor networks. In Encyclopedia on Ad Hoc and Ubiquitous Computing: Theory and Design of Wireless Ad Hoc, Sensor, and Mesh Networks; World Scientific: Singapore, 2010; pp. 319–347. [Google Scholar]
 - Tang, M.; Jin, Y.; Yao, L. WiFi-ZigBee Coexistence Based on Collision Avoidance for Wireless Body Area Network. In Proceedings of the 2017 3rd International Conference on Big Data Computing and Communications (BIGCOM), Chengdu, China, 10–11 August 2017; pp. 245–250. [Google Scholar] [CrossRef]
 - Casals, L.; Mir, B.; Vidal, R.; Gomez, C. Modeling the energy performance of LoRaWAN. Sensors 2017, 17, 2364. [Google Scholar] [CrossRef] [Green Version]
 - Haxhibeqiri, J.; Van den Abeele, F.; Moerman, I.; Hoebeke, J. LoRa scalability: A simulation model based on interference measurements. Sensors 2017, 17, 1193. [Google Scholar] [CrossRef] [Green Version]
 - Gomez, C.; Veras, J.C.; Vidal, R.; Casals, L.; Paradells, J. A sigfox energy consumption model. Sensors 2019, 19, 681. [Google Scholar] [CrossRef] [Green Version]
 - Lavric, A.; Petrariu, A.I.; Popa, V. Long Range SigFox Communication Protocol Scalability Analysis Under Large-Scale, High-Density Conditions. IEEE Access 2019, 7, 35816–35825. [Google Scholar] [CrossRef]
 - Lauridsen, M.; Krigslund, R.; Rohr, M.; Madueno, G. An empirical NB-IoT power consumption model for battery lifetime estimation. In Proceedings of the 2018 IEEE 87th Vehicular Technology Conference (VTC Spring), Porto, Portugal, 3–6 June 2018; IEEE: Piscataway, NJ, USA, 2018; pp. 1–5. [Google Scholar]
 - Migabo, E.M.; Djouani, K.D.; Kurien, A.M. The Narrowband Internet of Things (NB-IoT) Resources Management Performance State of Art, Challenges, and Opportunities. IEEE Access 2020, 8, 97658–97675. [Google Scholar] [CrossRef]
 - Díaz Zayas, A.; Rivas Tocado, F.J.; Rodríguez, P. Evolution and Testing of NB-IoT Solutions. Appl. Sci. 2020, 10, 7903. [Google Scholar] [CrossRef]
 - Tan, Y.K.; Panda, S.K. Review of Energy Harvesting Technologies for Sustainable WSN. Sustain. Wirel. Sens. Netw. 2010, 15–43. [Google Scholar] [CrossRef] [Green Version]
 - Park, D.Y.; Joe, D.J.; Kim, D.H.; Park, H.; Han, J.H.; Jeong, C.K.; Park, H.; Park, J.G.; Joung, B.; Lee, K.J. Self-powered real-time arterial pulse monitoring using ultrathin epidermal piezoelectric sensors. Adv. Mater. 2017, 29, 1702308. [Google Scholar] [CrossRef] [PubMed]
 - Zeng, Y.; Xiang, H.; Zheng, N.; Cao, X.; Wang, N.; Wang, Z.L. Flexible triboelectric nanogenerator for human motion tracking and gesture recognition. Nano Energy 2022, 91, 106601. [Google Scholar] [CrossRef]
 - Zhu, M.; Sun, Z.; Chen, T.; Lee, C. Low cost exoskeleton manipulator using bidirectional triboelectric sensors enhanced multiple degree of freedom sensory system. Nat. Commun. 2021, 12, 2692. [Google Scholar] [CrossRef]
 - Bian, S.; Zhu, B.; Rong, G.; Sawan, M. Towards wearable and implantable continuous drug monitoring: A review. J. Pharm. Anal. 2021, 11, 1–14. [Google Scholar] [CrossRef]
 - Zou, Y.; Bo, L.; Li, Z. Recent progress in human body energy harvesting for smart bioelectronic system. Fundam. Res. 2021, 1, 364–382. [Google Scholar] [CrossRef]
 - Liu, L.; Guo, X.; Liu, W.; Lee, C. Recent Progress in the Energy Harvesting Technology—From Self-Powered Sensors to Self-Sustained IoT, and New Applications. Nanomaterials 2021, 11, 2975. [Google Scholar] [CrossRef]
 - Jiang, D.; Shi, B.; Ouyang, H.; Fan, Y.; Wang, Z.L.; Li, Z. Emerging implantable energy harvesters and self-powered implantable medical electronics. ACS Nano 2020, 14, 6436–6448. [Google Scholar] [CrossRef] [PubMed]
 - Zhao, Y.; Luo, X. Task Offloading Policy for Nodes with Energy Harvesting Capabilities. In Proceedings of the 2019 IEEE 90th Vehicular Technology Conference (VTC2019-Fall), Honolulu, HI, USA, 22–25 September 2019; pp. 1–5. [Google Scholar] [CrossRef]
 - Zhang, Y.; He, J.; Guo, S. Energy-Efficient Dynamic Task Offloading for Energy Harvesting Mobile Cloud Computing. In Proceedings of the 2018 IEEE International Conference on Networking, Architecture and Storage (NAS), Chongqing, China, 11–14 October 2018; pp. 1–4. [Google Scholar] [CrossRef]
 - Guo, M.; Li, Q.; Peng, Z.; Liu, X.; Cui, D. Energy harvesting computation offloading game towards minimizing delay for mobile edge computing. Comput. Netw. 2021, 204, 108678. [Google Scholar] [CrossRef]
 - Sun, Y.; Song, C.; Yu, S.; Liu, Y.; Pan, H.; Zeng, P. Energy-Efficient Task Offloading Based on Differential Evolution in Edge Computing System with Energy Harvesting. IEEE Access 2021, 9, 16383–16391. [Google Scholar] [CrossRef]
 - Min, M.; Xiao, L.; Chen, Y.; Cheng, P.; Wu, D.; Zhuang, W. Learning-based computation offloading for IoT devices with energy harvesting. IEEE Trans. Veh. Technol. 2019, 68, 1930–1941. [Google Scholar] [CrossRef] [Green Version]
 - Khan, P.W.; Abbas, K.; Shaiba, H.; Muthanna, A.; Abuarqoub, A.; Khayyat, M. Energy efficient computation offloading mechanism in multi-server mobile edge computing—An integer linear optimization approach. Electronics 2020, 9, 1010. [Google Scholar] [CrossRef]
 - Kawata, M.; Takakura, A. Thermoelectrically Powered Wrist Watch. US Patent 5,889,735, 30 March 1999. [Google Scholar]
 - Hoang, D.C.; Tan, Y.K.; Chng, H.B.; Panda, S.K. Thermal energy harvesting from human warmth for wireless body area network in medical healthcare system. In Proceedings of the 2009 International conference on power electronics and drive systems (PEDS), Taipei, Taiwan, 2–5 November 2009; IEEE: Piscataway, NJ, USA, 2009; pp. 1277–1282. [Google Scholar]
 - Jouhara, H.; Żabnieńska-Góra, A.; Khordehgah, N.; Doraghi, Q.; Ahmad, L.; Norman, L.; Axcell, B.; Wrobel, L.; Dai, S. Thermoelectric generator (TEG) technologies and applications. Int. J. Thermofluids 2021, 9, 100063. [Google Scholar] [CrossRef]
 - Halim, M.A.; Cho, H.; Park, J.Y. Design and experiment of a human-limb driven, frequency up-converted electromagnetic energy harvester. Energy Convers. Manag. 2015, 106, 393–404. [Google Scholar] [CrossRef]
 - Surangsrirat, D.; Dumnin, S.; Samphanyuth, S. Heart Rate, Skin Temperature and Skin Humidity and their Relationship to Accumulated Fatigue. In Proceedings of the 2019 3rd International Conference on Bio-engineering for Smart Technologies (BioSMART), Paris, France, 24–26 April 2019; IEEE: Piscataway, NJ, USA, 2019; pp. 1–4. [Google Scholar]
 - Kirstein, K.U.; Sedivy, J.; Salo, T.; Hagleitner, C.; Vancura, T.; Baltes, H. A CMOS-based tactile sensor for continuous blood pressure monitoring. In Proceedings of the 30th European Solid-State Circuits Conference, Leuven, Belgium, 23 September 2004; IEEE: Piscataway, NJ, USA, 2004; pp. 463–466. [Google Scholar]
 - Xiao, Z.; Tan, X.; Chen, X.; Chen, S.; Zhang, Z.; Zhang, H.; Wang, J.; Huang, Y.; Zhang, P.; Zheng, L.; et al. An implantable RFID sensor tag toward continuous glucose monitoring. IEEE J. Biomed. Health Inform. 2015, 19, 910–919. [Google Scholar] [CrossRef]
 - Shruthi, P.; Resmi, R. Heart rate monitoring using pulse oximetry and development of fitness application. In Proceedings of the 2019 2nd International Conference on Intelligent Computing, Instrumentation and Control Technologies (ICICICT), Kannur, India, 5–6 July 2019; IEEE: Piscataway, NJ, USA, 2019; Volume 1, pp. 1568–1570. [Google Scholar]
 - Ammar, M.B.; Sahnoun, S.; Fakhfakh, A.; Kanoun, O. Design of a DC-DC Boost Converter of Hybrid Energy Harvester for IoT Devices. In Proceedings of the 2020 IEEE 6th World Forum on Internet of Things (WF-IoT), New Orleans, LA, USA, 2–16 June 2020; IEEE: Piscataway, NJ, USA, 2020; pp. 1–4. [Google Scholar]
 - Ammar, M.B.; Bouattour, G.; Bouhamed, A.; Sahnoun, S.; Fakhfakh, A.; Kanoun, O. AC-DC Single Phase Rectifiers for Nanocomposite based Flexible Piezoelectric Energy Harvesters. In Proceedings of the 2021 18th International Multi-Conference on Systems, Signals & Devices (SSD), Monastir, Tunisia, 22–25 March 2021; IEEE: Piscataway, NJ, USA, 2021; pp. 228–234. [Google Scholar]
 - Zouari, M.; Naifar, S.; Götz, M.; Derbel, N.; Kanoun, O. An optimized self-powered P-SSHI circuit for piezoelectric energy harvesting. In Proceedings of the 2017 IEEE International Instrumentation and Measurement Technology Conference (I2MTC), Turin, Italy, NJ, USA, 2017, 22–25 May 2017; IEEE:: Piscataway, NJ, USA, 2017; pp. 1–6. [Google Scholar]
 - Kanoun, O.; Bradai, S.; Khriji, S.; Bouattour, G.; El Houssaini, D.; Ben Ammar, M.; Naifar, S.; Bouhamed, A.; Derbel, F.; Viehweger, C. Energy-aware system design for autonomous wireless sensor nodes: A comprehensive review. Sensors 2021, 21, 548. [Google Scholar] [CrossRef]
 - Mallela, V.S.; Ilankumaran, V.; Rao, N.S. Trends in cardiac pacemaker batteries. Indian Pacing Electrophysiol. J. 2004, 4, 201. [Google Scholar]
 - Khalid, S.; Raouf, I.; Khan, A.; Kim, N.; Kim, H.S. A review of human-powered energy harvesting for smart electronics: Recent progress and challenges. Int. J. Precis. Eng. Manuf.-Green Technol. 2019, 6, 821–851. [Google Scholar] [CrossRef]
 - Zhou, M.; Al-Furjan, M.S.H.; Zou, J.; Liu, W. A review on heat and mechanical energy harvesting from human–Principles, prototypes and perspectives. Renew. Sustain. Energy Rev. 2018, 82, 3582–3609. [Google Scholar] [CrossRef]
 - von Buren, T.; Mitcheson, P.; Green, T.; Yeatman, E.; Holmes, A.; Troster, G. Optimization of inertial micropower Generators for human walking motion. IEEE Sensors J. 2006, 6, 28–38. [Google Scholar] [CrossRef]
 - Yuan, J.; Zhu, R. Self-Powered Wearable Multi-Sensing Bracelet with Flexible Thermoelectric Power Generator. In Proceedings of the 2019 20th International Conference on Solid-State Sensors, Actuators and Microsystems & Eurosensors XXXIII (TRANSDUCERS & EUROSENSORS XXXIII), Berlin, Germany, 23–27 June 2019; IEEE: Piscataway, NJ, USA, 2019; pp. 1431–1434. [Google Scholar]
 - Nozariasbmarz, A.; Collins, H.; Dsouza, K.; Polash, M.H.; Hosseini, M.; Hyland, M.; Liu, J.; Malhotra, A.; Ortiz, F.M.; Mohaddes, F.; et al. Review of wearable thermoelectric energy harvesting: From body temperature to electronic systems. Appl. Energy 2020, 258, 114069. [Google Scholar] [CrossRef]
 - Zurbuchen, A.; Pfenniger, A.; Stahel, A.; Stoeck, C.T.; Vandenberghe, S.; Koch, V.M.; Vogel, R. Energy harvesting from the beating heart by a mass imbalance oscillation generator. Ann. Biomed. Eng. 2013, 41, 131–141. [Google Scholar] [CrossRef] [Green Version]
 - Magno, M.; Boyle, D. Wearable energy harvesting: From body to battery. In Proceedings of the 2017 12th International Conference on Design & Technology of Integrated Systems In Nanoscale Era (DTIS), Palma de Mallorca, Spain, 4–6 April 2017; IEEE: Piscataway, NJ, USA, 2017; pp. 1–6. [Google Scholar]
 - Bhatia, D.; Jo, S.H.; Ryu, Y.; Kim, Y.; Kim, D.H.; Park, H.S. Wearable triboelectric nanogenerator based exercise system for upper limb rehabilitation post neurological injuries. Nano Energy 2021, 80, 105508. [Google Scholar] [CrossRef]
 - Health Sector Transformation Strategy. V.3. 2019. Available online: https://www.moh.gov.sa/en/Ministry/vro/Documents/Healthcare-Transformation-Strategy.pdf (accessed on 10 January 2022).
 - Walraven, J.; Jacobs, M.S.; Uyl-de Groot, C.A. Leveraging the Similarities Between Cost-Effectiveness Analysis and Value-Based Healthcare. Value Health 2021, 24, 1038–1044. [Google Scholar] [CrossRef]
 - Wehde, M. Healthcare 4.0. IEEE Eng. Manag. Rev. 2019, 47, 24–28. [Google Scholar] [CrossRef]
 - Tirkel, T.; Edan, Y.; Khvorostianov, N.; Bar-Haim, S. SIT LESS: A prototype home-based system for monitoring older adults sedentary behavior. Assist. Technol. 2020, 32, 79–91. [Google Scholar] [CrossRef]
 - Peng, G.; Sepulveda Garcia, L.M.; Nunes, M.; Zhang, N. Identifying user requirements of wearable healthcare technologies for Chinese ageing population. In Proceedings of the 2016 IEEE International Smart Cities Conference (ISC2), Trento, Italy, 12–15 September 2016; pp. 1–6. [Google Scholar] [CrossRef]
 








| Reference | Fog Edge Computing | Task Offloading | Energy Harvesting | Energy Storage | 
|---|---|---|---|---|
| [16,17,18] | ✓ | - | - | - | 
| [19,20] | ✓ | ✓ | - | - | 
| This work | ✓ | ✓ | ✓ | ✓ | 
| Reference | Algorithm Type | Optimization Problem | Objective | 
|---|---|---|---|
| [36] | Heuristic | Approximation algorithm | Reduce energy consumption of wearables | 
| [37] | Heuristic | Mixed-integer nonlinear programming | Joint scheduling and offloading | 
| [38] | Coalition game theory | merge and split | maxi- mize the total numbers of computed bits | 
| [39] | Evolutionary | genetic algorithm | joint optimization of load balance and propagation delay | 
| [40] | Deterministic | Iterative | balance relays energy | 
| [41] | Reinforcement learning | decentralized partially observable Markov decision process | Maximizing IoT utility and satisfying delay requirements | 
| [42] | Reinforcement learning | Deep Deterministic Policy Gradient | Maximizing task completion rate and reducing task latency | 
| [43,44] | Reinforcement learning | Q-deep learning | Reduce computation latency | 
| Criteria | Range in m | Data Rate | Frequency | Standard | Energy Consumption | 
|---|---|---|---|---|---|
| Bluetooth [65,66] | <10 | 1–3 Mbits/s | 2.4 GHz | IEEE 802.15.1- | <30 mA | 
| NFC [67] | 0.1 | 424 Kbit/s | 13.56 MHz | ISO/IEC 1800-3 | <15 mA | 
| RFID [68,69] | <12 | 100 Mbit/s | LF: 125–135 KHz, | ISO/IEC 1800 | - | 
| HF: 13.56 MHz, | |||||
| UHF: 868–930 MHz, | |||||
| Microwave 2.45, 5.8 GHz, | |||||
| BLE [66] | 10–300 | 125 Mbit/s | 2.4 GHz | IEE 802.15.1 | <15 mA, 10–100 mW | 
| ZigBee [66,70] | 10–500 | 250 Kbit/s | 2.4 GHz | IEEE 802.15.4 | <16 mA, 10–100 mW | 
| Wi-Fi [64,70] | 100 | 11 Mbit/s | 2.4, 5 GHz | IEEE 802.11 a/b/g | - | 
| LoRaWAN [71,72] | ∼5 in urban | 56 bits/s UL | 868, 434, 915 MHz | LPWAN | Sleep: 7.66 A to 34 mA | 
| 20 in rural | 296 bits/s DL | Tx: 133 mA | |||
| Rx: 16.3 mA | |||||
| Sigfox [73,74] | ∼10 km in urban | 100 bits/s UL | 868, 434, 915 MHz | LPWAN, UNB | Sleep: ∼1 A, Tx: 49 mA | 
| ∼40 km in rural | 60 bits/s DL | Rx: 19 mA | |||
| NB-IoT [75,76,77] | ∼1 km in urban | 220 Kbits/s | Licensed LTE | LPWAN | Sleep: 13 mW | 
| ∼10 km in rural | Tx: 716 mW, Rx: 21 mW | 
| Energy Source | Harvested Power | Advantages | Disadvantages | 
|---|---|---|---|
| Mechanical energy | |||
| Human (motion) | 4 µW/cm | High power density  | Depending on the source properties  | 
| Industry (vibrations) | 100 µW/cm | ||
| Thermal energy | |||
| Human (heat) | 25 µW/cm | Widely available  | Limitation of power density  | 
| Industry | 1–10 mW/cm | ||
| Ambient light | |||
| Indoor | 10 µW/cm | High power density  | Intermittent | 
| Outdoor | 10 mW/cm | ||
| Radio frequency | |||
| GSM | 0.1 µW/cm | Widely available  | Power dependent on distance between RF source- harvester  | 
| Wi-Fi | 0.001 mW/cm | ||
| Wearable Sensors | Voltage Range  | Power Consumption  | Description | 
|---|---|---|---|
| Optical heart rate sensors - BH1790GLC optical heart rate sensor [96]  | 1.7–3.6 V | 720 µW | Measures the pulse waves that occur when the heart pumps blood.  | 
| Blood pressure sensors - Capacitive tactile sensor [97]  | 1.8–3.3 V | 1.2–4.6 mW | Measures the pressure exerted by the circulating blood on the walls of blood vessels.  | 
| Glucometers - Implantable RFID glucose monitoring sensor [98]  | 1.0 V–1.2 V | 50 µW | Measures the average blood glucose concentration.  | 
| Pulse oximeter sensors -MAX30102 pulse oximetry [99]  | 1.8 V–3.3 V | <1 mW | It attaches to a body part, most commonly to a finger to measure the oxygen saturation level of the circulating arterial blood.  | 
| Comparison | Conventional Batteries | Supercapacitors | 
|---|---|---|
| Storage mechanism | Chemical | Physical | 
| Energy storage | High | Limited | 
| Recharging cycles | 100 s | Millions | 
| Charging time | Hours | Sec-minutes | 
| Impedance | Low-high | Low | 
| Physical size | Large | Medium | 
| Capacity | 0.3–2500 mAH | 10–100 µAH | 
Publisher’s Note: MDPI stays neutral with regard to jurisdictional claims in published maps and institutional affiliations.  | 
© 2022 by the authors. Licensee MDPI, Basel, Switzerland. This article is an open access article distributed under the terms and conditions of the Creative Commons Attribution (CC BY) license (https://creativecommons.org/licenses/by/4.0/).
Share and Cite
Ben Ammar, M.; Ben Dhaou, I.; El Houssaini, D.; Sahnoun, S.; Fakhfakh, A.; Kanoun, O. Requirements for Energy-Harvesting-Driven Edge Devices Using Task-Offloading Approaches. Electronics 2022, 11, 383. https://doi.org/10.3390/electronics11030383
Ben Ammar M, Ben Dhaou I, El Houssaini D, Sahnoun S, Fakhfakh A, Kanoun O. Requirements for Energy-Harvesting-Driven Edge Devices Using Task-Offloading Approaches. Electronics. 2022; 11(3):383. https://doi.org/10.3390/electronics11030383
Chicago/Turabian StyleBen Ammar, Meriam, Imed Ben Dhaou, Dhouha El Houssaini, Salwa Sahnoun, Ahmed Fakhfakh, and Olfa Kanoun. 2022. "Requirements for Energy-Harvesting-Driven Edge Devices Using Task-Offloading Approaches" Electronics 11, no. 3: 383. https://doi.org/10.3390/electronics11030383
APA StyleBen Ammar, M., Ben Dhaou, I., El Houssaini, D., Sahnoun, S., Fakhfakh, A., & Kanoun, O. (2022). Requirements for Energy-Harvesting-Driven Edge Devices Using Task-Offloading Approaches. Electronics, 11(3), 383. https://doi.org/10.3390/electronics11030383
        
                                                
