Performance Evaluation of SiC-Based Two-Level VSIs with Generalized Carrier-Based PWM Strategies in Motor Drive Applications
Abstract
1. Introduction
- A new generalized implementation of carrier-based PWM strategy is presented where a modulation signal is generated through a unified form based on the zero-vector distribution. Different from the existing PWM methods in the literature [18,19], the proposed strategy is able to obtain the modulation signals without zero-sequence signal injection.
- A comprehensive comparison of different performance characteristics in terms of conduction losses, switching losses, harmonic distortion, and common-mode current are investigated via both mathematical analysis and experimental evaluations.
- The dynamic characteristics of a commercially available PCB surface-mounted SiC MOSFET is achieved through double pulse test (DPT) and the performance of a SiC-based 2L-VSI working at high switching-frequency is evaluated experimentally with an induction machine.
- The significant issue of common-mode current in SiC-based 2L-VSI is discussed and compared between the continuous and discontinuous PWM methods operating at a high switching frequency.
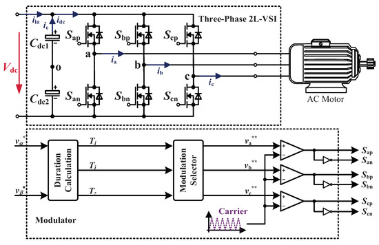
2. Generalized Carrier-Based PWM Strategies
2.1. Implementation of Generalized Carrier-Based Modulations in a 2L-VSI
2.2. DPWMMAX and DPWMMIN
2.3. DPWM0, DPWM1, and DPWM2
2.4. DPWM3
2.5. Minimum Switching Losses DPWM (MSL-DPWM)
3. Theoretical Analysis and Comparison
3.1. Conduction Losses
3.2. Switching Losses
3.3. Harmonic Distortion
4. Experimental Evaluation and Discussion
4.1. Double Pulse Test
4.2. Steady-State Output Waveforms
4.3. Current THD
4.4. Power Losses and Efficiency
4.5. Common-Mode Current
4.6. Discussion
5. Conclusions
Author Contributions
Funding
Conflicts of Interest
References
- Wang, F.F.; Zhang, Z. Overview of silicon carbide technology: Device, converter, system, and application. CPSS Trans. Power Electron. Appl. 2016, 1, 13–32. [Google Scholar] [CrossRef]
- Morya, A.K.; Gardner, M.C.; Anvari, B.; Liu, L.; Yepes, A.G.; Doval-Gandoy, J.; Toliyat, H.A. Wide Bandgap Devices in AC Electric Drives: Opportunities and Challenges. IEEE Trans. Transp. Electrific. 2019, 5, 3–20. [Google Scholar] [CrossRef]
- Mantooth, H.A.; Evans, T.; Farnell, C.; Le, Q.; Murphree, R. Emerging trends in silicon carbide power electronics design. CPSS Trans. Power Electron. Appl. 2017, 2, 161–169. [Google Scholar] [CrossRef]
- Chen, C.; Luo, F.; Kang, Y. A review of SiC power module packaging: Layout, material system and integration. CPSS Trans. Power Electron. Appl. 2017, 2, 170–186. [Google Scholar] [CrossRef]
- Xu, J.; Han, J.; Wang, Y.; Ali, M.; Tang, H. High-Frequency SiC Three-Phase VSIs With Common-Mode Voltage Reduction and Improved Performance Using Novel Tri-State PWM Method. IEEE Trans. Power Electron. 2019, 34, 1809–1822. [Google Scholar] [CrossRef]
- Jahns, T.M.; Dai, H. The past, present, and future of power electronics integration technology in motor drives. CPSS Trans. Power Electron. Appl. 2017, 2, 197–216. [Google Scholar] [CrossRef]
- Deng, X.; Mohamed, M.A.S.; Lambert, S.; Mecrow, B.C. Development of a High-Speed, Permanent Magnet, SiC-Based Drive with Integrated Input Filters. IEEE Trans. Energy Convers. 2020. early access. [Google Scholar] [CrossRef]
- Schrittwieser, L.; Kolar, J.W.; Soeiro, T.B. 99 minimizing life cycle cost in DC data centers. CPSS Trans. Power Electron. Appl. 2017, 2, 47–58. [Google Scholar] [CrossRef]
- Oswald, N.; Anthony, P.; McNeill, N.; Stark, B.H. An Experimental Investigation of the Trade off between Switching Losses and EMI Generation With Hard-Switched All-Si, Si-SiC, and All-SiC Device Combinations. IEEE Trans. Power Electron. 2014, 29, 2393–2407. [Google Scholar] [CrossRef]
- Ali, K.; Surapaneni, R.K.; Das, P.; Panda, S.K. An SiC-MOSFET-Based Nine-Switch Single-Stage Three-Phase AC–DC Isolated Converter. IEEE Trans. Ind. Electron. 2017, 64, 9083–9093. [Google Scholar] [CrossRef]
- Zhang, Z.; Wang, F.; Tolbert, L.M.; Blalock, B.J.; Costinett, D.J. Evaluation of Switching Performance of SiC Devices in PWM Inverter-Fed Induction Motor Drives. IEEE Trans. Power Electron. 2015, 30, 5701–5711. [Google Scholar] [CrossRef]
- Yin, S.; Liu, Y.; Liu, Y.; Tseng, K.J.; Pou, J.; Simanjorang, R. Comparison of SiC Voltage Source Inverters Using Synchronous Rectification and Freewheeling Diode. IEEE Trans. Ind. Electron. 2018, 65, 1051–1061. [Google Scholar] [CrossRef]
- Li, X.; Jiang, J.; Huang, A.Q.; Guo, S.; Deng, X.; Zhang, B.; She, X. A SiC Power MOSFET Loss Model Suitable for High-Frequency Applications. IEEE Trans. Ind. Electron. 2017, 64, 8268–8276. [Google Scholar] [CrossRef]
- Hazra, S.; Madhusoodhanan, S.; Moghaddam, G.K.; Hatua, K.; Bhattacharya, S. Design Considerations and Performance Evaluation of 1200-V 100-A SiC MOSFET-Based Two-Level Voltage Source Converter. IEEE Trans. Ind. Appl. 2016, 52, 4257–4268. [Google Scholar] [CrossRef]
- Chen, J.; Sha, D.; Zhang, J.; Liao, X. An SiC MOSFET Based Three-Phase ZVS Inverter Employing Variable Switching Frequency Space Vector PWM Control. IEEE Trans. Power Electron. 2019, 34, 6320–6331. [Google Scholar] [CrossRef]
- Gonzalez-Hernando, F.; San-Sebastian, J.; Arias, M.; Rujas, A.; Iannuzzo, F. Discontinuous PWM for Online Condition Monitoring of SiC Power Modules. IEEE J. Emerg. Sel. Top. Power Electron. 2020, 8, 323–330. [Google Scholar] [CrossRef]
- Han, Y.; Lu, H.; Li, Y.; Chai, J. Analysis and Suppression of Shaft Voltage in SiC-Based Inverter for Electric Vehicle Applications. IEEE Trans. Power Electron. 2019, 34, 6276–6285. [Google Scholar] [CrossRef]
- Hava, A.M.; Kerkman, R.J.; Lipo, T.A. A high-performance generalized discontinuous PWM algorithm. IEEE Trans. Ind. Appl. 1998, 34, 1059–1071. [Google Scholar] [CrossRef]
- Hava, A.M.; Kerkman, R.J.; Lipo, T.A. Simple analytical and graphical methods for carrier-based PWM-VSI drives. IEEE Trans. Power Electron. 1999, 14, 49–61. [Google Scholar] [CrossRef]
- Xu, J.; Han, J.; Wang, Y.; Habib, S.; Tang, H. A Novel Scalar PWM Method to Reduce Leakage Current in Three-Phase Two-Level Transformerless Grid-Connected VSIs. IEEE Trans. Ind. Electron. 2020, 67, 3788–3797. [Google Scholar] [CrossRef]
- Nguyen, T.D.; Hobraiche, J.; Patin, N.; Friedrich, G.; Vilain, J.P. A Direct Digital Technique Implementation of General Discontinuous Pulse Width Modulation Strategy. IEEE Trans. Ind. Electron. 2011, 58, 4445–4454. [Google Scholar] [CrossRef]
- Chung, D.W.; Sul, S.K. Minimum-loss strategy for three-phase PWM rectifier. IEEE Trans. Ind. Electron. 1999, 46, 517–526. [Google Scholar] [CrossRef]
- Xu, J.; Soeiro, T.B.; Gao, F.; Tang, H.; Bauer, P. Carrier-Based Generalized Discontinuous PWM Strategy for Single-Phase Three-Legs Active Power Decoupling Converters. IEEE Trans. Ind. Electron. 2021, 68, 11609–11613. [Google Scholar] [CrossRef]
- An, S.L.; Sun, X.D.; Zhang, Q.; Zhong, Y.R.; Ren, B.Y. Study on the Novel Generalized Discontinuous SVPWM Strategies for Three-Phase Voltage Source Inverters. IEEE Trans. Ind. Inf. 2013, 9, 781–789. [Google Scholar] [CrossRef]
- Xu, J.; Soeiro, T.B.; Gao, F.; Tang, H.; Bauer, P. Minimum Switching Losses Discontinuous PWM Strategy for Bidirectional Single-Phase AC–DC Converter With Active Power Decoupling Circuit. IEEE Trans. Power Electron. 2021, 36, 6118–6132. [Google Scholar] [CrossRef]
- Millinger, J.; Wallmark, O.; Soulard, J. High-Frequency Characterization of Losses in Fully Assembled Stators of Slotless PM Motors. IEEE Trans. Ind. Appl. 2018, 54, 2265–2275. [Google Scholar] [CrossRef]
- Munoz-Garcia, A.; Lipo, T.A.; Novotny, D.W. A new induction motor V/f control method capable of high-performance regulation at low speeds. IEEE Trans. Ind. Appl. 1998, 34, 813–821. [Google Scholar] [CrossRef]
- Lee, D.; Kim, Y. Control of Single-Phase-to-Three-Phase AC/DC/AC PWM Converters for Induction Motor Drives. IEEE Trans. Ind. Electron. 2007, 54, 797–804. [Google Scholar] [CrossRef]
- Datasheet of C3M0120090J; CREE Power Applications: Durham, NC, USA, 2018.
- Hou, C.; Shih, C.; Cheng, P.; Hava, A.M. Common-Mode Voltage Reduction Pulsewidth Modulation Techniques for Three-Phase Grid-Connected Converters. IEEE Trans. Power Electron. 2013, 28, 1971–1979. [Google Scholar] [CrossRef]
- Hassan, M.S.; Shoyama, M. Common-Mode Noise Evaluation Study of Two-Level Voltage Source Inverter using Bus-Clamping Discontinuous PWM Strategies. In Proceedings of the 2018 IEEE International Telecommunications Energy Conference (INTELEC), Turino, Italy, 7–11 October 2018; pp. 1–6. [Google Scholar]
- Chen, S.; Lipo, T.A.; Fitzgerald, D. Modeling of motor bearing currents in PWM inverter drives. IEEE Trans. Ind. Appl. 1996, 32, 1365–1370. [Google Scholar] [CrossRef]
- Alvarez-Gonzalez, F.; Hewitt, D.; Griffo, A.; Wang, J. Challenges of Common Mode Current and Voltage Acquisition for Stator Winding Insulation Health Monitoring. In Proceedings of the 2020 IEEE Energy Conversion Congress and Exposition (ECCE), Detroit, MI, USA, 11–15 October 2020; pp. 4452–4459. [Google Scholar]
















| Load | Modulation Index () | Phase Angle () | |
|---|---|---|---|
| 190 V/25 Hz | No | 0.48 | 85 |
| Half | 0.48 | 70 | |
| 380 V/50 Hz | Half | 0.95 | 69 |
| Full | 0.95 | 61 |
Publisher’s Note: MDPI stays neutral with regard to jurisdictional claims in published maps and institutional affiliations. |
© 2022 by the authors. Licensee MDPI, Basel, Switzerland. This article is an open access article distributed under the terms and conditions of the Creative Commons Attribution (CC BY) license (https://creativecommons.org/licenses/by/4.0/).
Share and Cite
Lin, H.; Xu, J. Performance Evaluation of SiC-Based Two-Level VSIs with Generalized Carrier-Based PWM Strategies in Motor Drive Applications. Electronics 2022, 11, 4136. https://doi.org/10.3390/electronics11244136
Lin H, Xu J. Performance Evaluation of SiC-Based Two-Level VSIs with Generalized Carrier-Based PWM Strategies in Motor Drive Applications. Electronics. 2022; 11(24):4136. https://doi.org/10.3390/electronics11244136
Chicago/Turabian StyleLin, Hedi, and Junzhong Xu. 2022. "Performance Evaluation of SiC-Based Two-Level VSIs with Generalized Carrier-Based PWM Strategies in Motor Drive Applications" Electronics 11, no. 24: 4136. https://doi.org/10.3390/electronics11244136
APA StyleLin, H., & Xu, J. (2022). Performance Evaluation of SiC-Based Two-Level VSIs with Generalized Carrier-Based PWM Strategies in Motor Drive Applications. Electronics, 11(24), 4136. https://doi.org/10.3390/electronics11244136

