Periodic Signal Suppression in Position Domain Based on Repetitive Control
Abstract
:1. Introduction
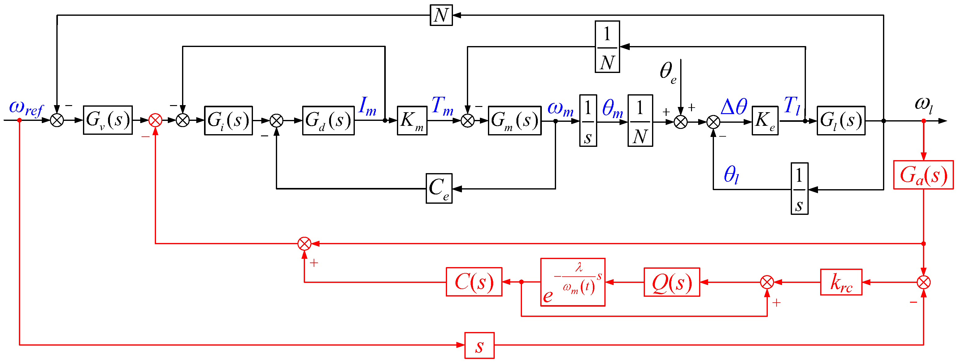
2. Analysis of The Gimbal Servo System with Harmonic Drive
3. Compound Control Scheme
3.1. Design of Compound Controller
3.2. Stability Analysis of Compound Control
3.3. Design of Phase Compensation
4. Simulation and Expertimental Verifiction
4.1. Experiment Setup
4.2. Simulation Verification
4.3. Experimental Verification
5. Conclusions
Author Contributions
Funding
Institutional Review Board Statement
Conflicts of Interest
References
- Li, H.; Wang, Y.; Han, B.; Chen, X. High-precision composite control based on dual-sampling-rate extended state observer for ultra-low speed gimbal servo system. IEEE J. Emerging Sel. Top. Power Electron. 2022, 10, 5423–5434. [Google Scholar] [CrossRef]
- Han, B.; Chen, Y.; Zheng, S.; Li, M.; Xie, J. Whirl mode suppression for AMB-rotor systems in control moment gyros considering significant gyroscopic effects. IEEE Trans. Ind. Electron. 2021, 68, 4249–4258. [Google Scholar] [CrossRef]
- Zheng, S.; Li, H.; Han, B.; Yang, J. Power consumption reduction for magnetic bearing systems during torque output of control moment gyros. IEEE Trans. Power Electron. 2017, 32, 5752–5759. [Google Scholar] [CrossRef]
- Li, H.; Chen, X.; Zhang, H.; Cui, X. High-precision speed control for low-speed gimbal systems using discrete sliding mode observer and controller. IEEE J. Emerging Sel. Top. Power Electron. 2022, 10, 2871–2880. [Google Scholar] [CrossRef]
- Li, H.; Zheng, S.; Ning, X. Precise control for gimbal system of double gimbal control moment gyro based on cascade extended state observer. IEEE Trans. Ind. Electron. 2017, 64, 4653–4661. [Google Scholar] [CrossRef]
- Shi, Y.; Li, H.; Han, B. Position extraction of ultralow-speed gimbal servo system with linear hall sensors. IEEE Trans. Ind. Electron. 2022, 69, 2947–2955. [Google Scholar] [CrossRef]
- Han, B.; Zheng, S.; Li, H.; Liu, Q. Weight-reduction design based on integrated radial-axial magnetic bearing of a large-scale MSCMG for space station application. IEEE Trans. Ind. Electron. 2017, 64, 2205–2214. [Google Scholar] [CrossRef]
- Shi, Y.; Yu, Y.; Li, H.; Han, B.; Liu, X.; Chen, X. Speed fluctuation suppression by model-based feed-forward control in gimbal system with harmonic drive. IEEE Trans. Power Electron. 2022, 37, 6678–6687. [Google Scholar] [CrossRef]
- Golder, I.; Hashimoto, M.; Horiuchi, M.; Ninomiya, T. Performance of gain-tuned harmonic drive torque sensor under load and speed conditions. IEEE/ASME Trans. Mechatron. 2001, 6, 155–160. [Google Scholar]
- Zhang, H.; Ahmad, S.; Liu, G. Torque estimation for robotic joint with harmonic drive transmission based on position measurements. IEEE Trans. Robot. 2006, 22, 685–695. [Google Scholar] [CrossRef]
- Li, H.; Ning, X.; Han, B. Speed tracking control for the gimbal system with harmonic drive. Control Eng. Prac. 2017, 58, 204–213. [Google Scholar] [CrossRef]
- Godler, I.; Ohnishi, K.; Yamashita, T. Repetitive control to reduce speed ripple caused by strain wave gearing. In Proceedings of the IECON’94—20th Annual Conference of IEEE Industrial Electronics, Bologna, Italy, 5–9 September 1994; Volume 2, pp. 1034–1038. [Google Scholar]
- Jung, B.J.; Kim, B.; Koo, J.C.; Choi, H.R.; Moon, H. Joint torque sensor embedded in harmonic drive using order tracking method for robotic application. IEEE/ASME Trans. Mechatron. 2017, 22, 1594–1599. [Google Scholar] [CrossRef]
- Sahin, M.E.; Okumus, H.I. Comparison of different controllers and stability analysis for photovoltaic powered buck-boost DC-DC converter. Electr. Power Components Syst. 2018, 46, 149–161. [Google Scholar] [CrossRef]
- Ekren, O.; Sahin, S.; Isler, Y. Comparison of different controllers for variable speed compressor and electronic expansion valve. Int. J. Refrig. 2010, 33, 1161–1168. [Google Scholar] [CrossRef]
- Taher, S.A.; Hemmati, R.; Abdolalipour, A.; Akbari, S. Comparison of different robust control methods in design of decentralized UPFC controllers. Int. J. Electr. Power Energy Syst. 2012, 43, 173–184. [Google Scholar] [CrossRef]
- Kennedy, C.W.; Desai, J.P. Modeling and control of the mitsubishi PA-10 robot arm harmonic drive system. IEEE/ASME Trans. Mechatron. 2005, 10, 263–274. [Google Scholar] [CrossRef]
- Jia, H.; Li, J.; Xiang, G.; Wang, J.; Xiao, K.; Han, Y. Modeling and analysis of pure kinematic error in harmonic drive. Mech. Mach. Theory 2021, 155, 104122. [Google Scholar] [CrossRef]
- Gravagno, F.; Mucino, V.H.; Pennestrì, E. Influence of wave generator profile on the pure kinematic error and centrodes of harmonic drive. Mech. Mach. Theory 2016, 104, 100–117. [Google Scholar] [CrossRef]
- Ma, D.; Rao, P.; Yan, S.; Wang, Y.; Wang, H. Kinematic analysis of meshed teeth pairs of harmonic drive gears considering the load effect using computer vision. In Proceedings of the 2019 5th International Conference on Control, Automation and Robotics (ICCAR), Beijing, China, 19–22 April 2019; pp. 212–217. [Google Scholar]
- Zhu, W. Precision control of robots with harmonics drives. In Proceedings of the 2007 IEEE International Conference on Robotics and Automation, Roma, Italy, 10–14 April 2007; pp. 3831–3834. [Google Scholar]
- Li, H.; Yang, S.; Kong, L.; Wen, T. High-precision angular speed tracking control of gimbal system with harmonic reducer. IEEE Trans. Ind. Electron. 2022, 69, 8168–8177. [Google Scholar] [CrossRef]
- Liu, P.; Wu, Z. Resonance analysis and suppression of harmonic reducer in low speed servo system. In Proceedings of the 2018 Chinese Control And Decision Conference (CCDC), Shenyang, China, 9–11 June 2018; pp. 2873–2878. [Google Scholar]
- Tonshoff, H.K.; Kummetz, J. Active compensation of kinematic errors in servo drives for machine tools and robots. In Proceedings of the American Control Conference, San Diego, CA, USA, 2–4 June 1999; pp. 2590–2594. [Google Scholar]
- Hao, S.; Liu, T.; Paszke, W. Robust iterative learning control for batch processes with input delay subject to time-varying uncertainties. IET Control Theory Appl. 2016, 10, 1904–1915. [Google Scholar] [CrossRef]
- Cui, P.; Li, S.; Zhao, G.; Peng, C. Suppression of harmonic current in acitve-passive magnetically suspended CMG using improved repetitive controller. IEEE/ASME Trans. Mechatron. 2016, 21, 2132–2141. [Google Scholar] [CrossRef]
- Zheng, T.; Xu, X.; Lu, X.; Hao, L.; Xu, F. Learning adaptive sliding mode control for repetitive motion tasks in maglev rotary table. IEEE Trans. Ind. Electron. 2022, 69, 1836–1846. [Google Scholar] [CrossRef]
- Ma, L.; Bazzoli, P.; Sammons, P.M.; Landers, R.G.; Bristow, D.A. Modeling and calibration of high-order joint-dependent kinematic errors for industrial robots. Robot. -Comput.-Integr. Manuf. 2018, 50, 153–167. [Google Scholar] [CrossRef]
- Li, X.; Song, C.; Yang, Y.; Zhu, C.; Liao, D. Optimal design of wave generator profile for harmonic gear drive using support function. Mech. Mach. Theory 2020, 152, 103941. [Google Scholar] [CrossRef]
- Ramos, G.A.; Ruget, R.I.; Costa-Castello, R. Robust repetitive control of power inverters for standlone operation in DG systems. IEEE Trans. Energy Convers. 2020, 35, 237–247. [Google Scholar] [CrossRef]
- Wu, X.H.; Panda, S.K.; Xu, J.X. Design of a plug-in repetitive control scheme for eliminating supply-side current harmonics of three-phase PWM boost rectifiers under generalized supply voltage conditions. IEEE Trans. Power Electron. 2010, 25, 1800–1810. [Google Scholar] [CrossRef]
- Zhang, M.; Huang, L.; Yao, W.; Lu, Z. Circulating harmonic current elimination of a CPS-PWM-based modular multilevel converter with a plug-in repetitive controller. IEEE Trans. Power Electron. 2014, 29, 2083–2097. [Google Scholar] [CrossRef]
- Djouda, B.S.; Moukam Kakmeni, F.M.; Guemkam Ghomsi, P.; Ndjomatchoua, F.T.; Tchawoua, C.; Tonnang, H.E.Z. Theoretical analysis of spatial nonhomogeneous patterns of entomopathogenic fungi growth on insect pest. Chaos Interdiscip. J. Nonlinear Sci. 2019, 29, 053134. [Google Scholar] [CrossRef]
- Tsai, M.C.; Yao, W.S. Design of a plug-in type repetitive controller for periodic inputs. IEEE Trans. Control Syst. Technol. 2002, 10, 547–555. [Google Scholar] [CrossRef]
- Pipeleers, G.; Demeulenaere, B.; Schutter, J.D.; Swevers, J. Robust high-order repetitive control: Optimal performance trade-offs. Automatic 2008, 44, 2628–2634. [Google Scholar] [CrossRef]
- Wu, B.; Bodson, M. Direct adaptive cancellation of periodic disturbances for multivariable plants. IEEE Trans. Speech Audio Process. 2003, 11, 538–548. [Google Scholar]
- Nakano, M.; She, J.H.; Mastuo, Y.; Hino, T. Elimination of position-dependent disturbances in constant-speed-rotation control systems. Control Eng. Prac. 1996, 4, 1241–1248. [Google Scholar] [CrossRef]
- Han, B.; Chen, Y.; Li, H.; Yang, L. Discrete model reference adaptive control for gimbal servo system of control moment gyro with harmonic drive. Math. Probl. Eng. 2013, 4, 289–325. [Google Scholar]
- Miyazaki, T.; Ohishi, K. Robust speed control system considering vibration suppression caused by angular transmission error of planetary gear. IEEE/ASME Trans. Mechatron. 2002, 7, 235–244. [Google Scholar] [CrossRef]
- Şahin, M.E.; İbrahim Okumuş, H.; Aydemir, M.T. Implementation of an electrolysis system with DC/DC synchronous buck converter. Int. J. Hydrog. Energy 2014, 39, 6802–6812. [Google Scholar] [CrossRef]
- Somkun, S.; Sirisamphanwong, C.; Sukchai, S. A DSP-based interleaved boost DC–DC converter for fuel cell applications. Int. J. Hydrog. Energy 2015, 40, 6391–6404. [Google Scholar] [CrossRef]
- Aden, I.A.; Kahveci, H.; Şahin, M.E. Design and implementation of single-input multiple-output DC–DC buck converter for electric vehicles. J. Circuits, Syst. Comput. 2021, 30, 2150228. [Google Scholar] [CrossRef]
- Bower, P.; Dedic, I. High speed converters and DSP for 100G and beyond. Opt. Fiber Technol. 2011, 17, 464–471. [Google Scholar] [CrossRef]
- Mattavelli, P.; Tubiana, L.; Zigliotto, M. Torque-ripple reduction in PM synchronous motor drives using repetitive current control. IEEE Trans. Power Electron. 2005, 20, 1423–1431. [Google Scholar] [CrossRef]
- Shan, Y.; Leang, K.K. Dual-stage repetitive control with prandtl-ishlinskii hysteresis inversion for piezo-based nanopositioning. Mechatronics 2012, 22, 271–281. [Google Scholar] [CrossRef]
- Cui, P.; Wang, Q.; Li, S.; Gao, Q. Combined FIR and fractional-order repetitive control for harmonic current suppression of magnetically suspended rotor system. IEEE Trans. Ind. Electron. 2017, 64, 4828–4835. [Google Scholar] [CrossRef]
- Cui, P.; Wang, Q.; Zhang, G.; Gao, Q. Hybrid fractional repetitive control for magnetically suspended rotor systems. IEEE Trans. Ind. Electron. 2018, 65, 3491–3498. [Google Scholar] [CrossRef]















| Method Type | References | Performance and Features |
|---|---|---|
| · Nice reference tracking performance | ||
| Torque control | [21] | · Strong robustness |
| · Need install additional torque sensor | ||
| · Nice speed fluctuation suppression performance | ||
| Traditional RC | [27,28,29,30,31] | · Not relying on the model or parameters |
| · Need iterate again when reference changes | ||
| · Low hardware complexity (only position sensor) | ||
| The proposed method | · Great for disturbance with position periodic | |
| · Not need iterate again when reference changes |
| Parameter | Symbol | Value |
|---|---|---|
| Proportion of velocity loop | 0.29 | |
| Integral of velocity loop | 2.25 | |
| Proportion of current loop | 001 | |
| Integral of current loop | 0.01 |
| Parameter | Symbol | Value |
|---|---|---|
| Load moment of inertia | ||
| Load damping | ||
| Motor moment of inertia | ||
| Motor damping | ||
| Torsional stiffness of harmonic drive | ||
| Torsional moment coefficient | ||
| Gear ratio | N | 100 |
| Inductance | L | |
| Stator phase resistor | R | |
| Back EMF coefficient of motor | ||
| Gain coefficient of the RC | ||
| Position period of | 180 | |
| Position period of | 90 | |
| Position period of | 45 |
| PI | PI | PI | ||
|---|---|---|---|---|
| Reference | PI | + | +Acceleration Feedback | +Acceleration Feedback |
| Acceleration Feedback | +Plug-in RC | +Position Domain RC | ||
| 6/s | 0.249/s | 0.221/s | 0.12/s | 0.096/s |
| −10/s | 0.431/s | 0.425/s | 0.211/s | 0.177/s |
| 1st | 2nd | 3rd | 4th | 5th | |
|---|---|---|---|---|---|
| PI double-loop control | −39 dB | −33 dB | −52 dB | −51 dB | −54 dB |
| PI+Acceleration feedback | −43 dB | −35 dB | −57 dB | −54 dB | −58 dB |
| PI+Acceleration feedback+Position domain RC | −56 dB | −46 dB | −65 dB | −64 dB | −67 dB |
| PI | PI | ||
|---|---|---|---|
| Reference Acceleration | PI | + | +Acceleration Feedback |
| Acceleration Feedback | +Position Domain RC | ||
| 10/s | 1.82/s | 1.54/s | 0.68/s |
| −10/s | 1.76/s | 1.23/s | 0.58/s |
Publisher’s Note: MDPI stays neutral with regard to jurisdictional claims in published maps and institutional affiliations. |
© 2022 by the authors. Licensee MDPI, Basel, Switzerland. This article is an open access article distributed under the terms and conditions of the Creative Commons Attribution (CC BY) license (https://creativecommons.org/licenses/by/4.0/).
Share and Cite
Li, H.; Chen, X.; Xiang, B.; Wang, X. Periodic Signal Suppression in Position Domain Based on Repetitive Control. Electronics 2022, 11, 4069. https://doi.org/10.3390/electronics11244069
Li H, Chen X, Xiang B, Wang X. Periodic Signal Suppression in Position Domain Based on Repetitive Control. Electronics. 2022; 11(24):4069. https://doi.org/10.3390/electronics11244069
Chicago/Turabian StyleLi, Haitao, Xiangwen Chen, Biao Xiang, and Xiaoyu Wang. 2022. "Periodic Signal Suppression in Position Domain Based on Repetitive Control" Electronics 11, no. 24: 4069. https://doi.org/10.3390/electronics11244069
APA StyleLi, H., Chen, X., Xiang, B., & Wang, X. (2022). Periodic Signal Suppression in Position Domain Based on Repetitive Control. Electronics, 11(24), 4069. https://doi.org/10.3390/electronics11244069

