Next Article in Journal
Large-Scale Distributed System and Design Methodology for Real-Time Cluster Services and Environments
Previous Article in Journal
Improved High-Order Cumulant TDE Parameter Accumulation Algorithm for Locating UHF Signals of Pulsed Electromagnetic Source
 
 
Font Type:
Arial Georgia Verdana
Font Size:
Aa Aa Aa
Line Spacing:
Column Width:
Background:
Article

Area Dependence of Effective Electromechanical Coupling Coefficient Induced by On-Chip Inductance in LiNbO3-Based BAW Resonators

1
School of Electronic Science and Engineering, University of Electronic Science and Technology of China, Chengdu 611731, China
2
State Key Laboratory of Electronic Thin Films and Integrated Device, University of Electronic Science and Technology of China, Chengdu 611731, China
*
Author to whom correspondence should be addressed.
Electronics 2022, 11(23), 4032; https://doi.org/10.3390/electronics11234032
Submission received: 1 November 2022 / Revised: 30 November 2022 / Accepted: 30 November 2022 / Published: 5 December 2022

Abstract

:
To solve the problem of filter bandwidth in 5G communication, it is urgent to develop an acoustic resonator with a large effective electromechanical coupling coefficient (Keff2). In this paper, the dependence between the resonance area and the performance of the bulk acoustic wave (BAW) resonator is studied. The solidly mounted resonators (SMRs) based on 43° Y cut lithium niobate (LN) were fabricated by the wafer transfer technique. The on-chip inductor was integrated with the BAW resonator through a pad electrode. Resonators with different resonant areas were fabricated and tested. Finite element modeling (FEM) simulation of acoustic resonators and electromagnetic (EM) simulation of layout were carried out, respectively. The Modified Butterworth Van Dyke (MBVD) model was used to analyze the results, and simulation of the Mason model was adopted. The results show that the dependency relationship between the resonant area and the effective electromechanical coupling coefficient can be induced by on-chip inductance. In the resonant area range of 20 × 20 μm2~160 × 160 μm2, the Keff2 increases from 11.97% to 43.28%.

1. Introduction

The acoustic filter is an important component in the RF front-end system due to its excellent performance and compact size. With the development of 5G communication technology, more and more acoustic filters are being integrated into mobile communication devices [1]. The huge demand has brought broad prospects to the market for acoustic filters.
However, the bandwidth of acoustic filters is always a challenge that lays on the application of 5G communication. The N77 and N78 bands cover 3300–4200 MHz and 3300–3800 MHz respectively, corresponding to relative bandwidths of 24% and 14.1%. To achieve such large bandwidths, acoustic resonators need a large Keff2, because filter bandwidth is mainly limited by the Keff2 of the resonator. The AlN-based BAW resonator has a Keff2 of only 5.8% [2], which is difficult to completely cover the N77 or N78 bands with.
Efforts have been made to increase filter bandwidth. AlScN or LN materials were used to replace the AlN-based BAW resonator. The Keff2 of the AlScN-based resonator can be increased to 18% with a serious decrease in the quality factor [3], while that of the LN-based resonator can reach 20% [4]. Whether AlScN or LN are used, the electromechanical coupling coefficient of the bulk acoustic resonator is relatively limited. That level of improvement is still dwarfed by the N77 and N78 bands. Attempts at other modes were also made. A resonator with the TS mode at X-cut LN can reach a Keff2 of 39.2%, but the strong coupled slow shear mode exists [5]. Generally, the Surface acoustic wave (SAW) devices are sensitive to temperature and are mostly used for low frequencies [6], while the BAW devices provide temperature stability and power handing capability [7]. SAW devices of the SH0 mode [8] and a lamb wave resonator with the S0 mode [9] were also studied, even though they have the disadvantage of interdigital electrodes at high frequencies. The XBAR utilizes a laterally excited shear bulk acoustic wave and can reach a Keff2 of 25% [10].
In addition to materials and modes, the Keff2 can also be increased by the use of an inductor [11]. It is common to connect the discrete inductors to the acoustic device on the printed circuit board or integrate the coil inductors into the acoustic device package. Related studies usually focus on acoustic devices with fixed structures and are concerned with the effects of inductance changes on the acoustic devices. However, when focusing on the acoustic resonator itself, it is quite rare to study the influence of inductance on the relationship between the structure and response of the acoustic resonator.
It is worth noting that, in the GHz range, parasitic effects are easily introduced due to electrode arrangement. From this point of view, the influence of the resonator layout on electronic response of an acoustic device may also exist. However, the influence of layout is often ignored because de-embedding can be used to calibrate test results.
Works on AlN-based BAW resonators have indicated that the size of resonators has an effect on the Keff2 of these reported resonators. Most of these works dealt with acoustical explanations for the size dependence [12,13,14], and slightly less work discussed “extrinsic” causes [15]. However, the presented Keff2 is small and limited by AlN materials. Unlike the AlN, the LN of a special orientation has an intrinsic electromechanical coupling coefficient (Kt2) that is much larger than AlN, and the relativity permittivity of LN is much bigger than AlN as well. Whether the LN-based resonator is affected by the area, no related work has been reported.
In this paper, we prepared SMR-BAW resonators based on LiNbO3 film. Based on the BAW resonators, the frequency domain response with different resonator areas in the presence of pad influence was studied. The results show that these BAW resonators have a strong area dependence on Keff2. By simply changing the resonant area of the resonator, the resonant frequency was changed from 3.496 GHz to 2.904 GHz, and the Keff2 was increased from 11.97% to 43.28%. Through the EM and FEM simulation, we infer that this dependence is mainly due to the existence of on-chip inductance. A simple equivalent circuit is established to analyze the area dependence on Keff2, and the simulation results of the Mason model are in good agreement with the measured results. This study provides a possibility for adjusting the frequency of the BAW resonator and increasing the Keff2 of the resonator within a wide range by layout design.

2. Design and Fabrication of Resonators

The structure of resonators is shown in Figure 1a. Note that the film thickness and size in Figure 1a are not consistent with reality. The Ti/Al serves as an electrode on both sides of the LN film. The top electrode and bottom electrode are used to distinguish the electrode of the resonator according to the location of Ti/Al. Six layers of SiO2 and five layers of Ta2O5 stack alternatively, forming a Bragg reflector (BR) between the bottom electrode and the glass substrate. In Figure 1b, the layout including the resonator electrode and the pad electrode for testing is shown. The pentagon area is the acoustic resonance region of the resonator, which is an overlapping region of the pentagon top electrode and the larger bottom electrode. The pentagon shape is designed to suppress lateral resonance due to parallel electrode edges. A ground–source–ground (GSG) port is used for probe testing. The top electrode of the resonator is connected with the source pad. The bottom electrode is overlapped with a large area of the ground pad, forming a large capacitor CG more than 100 times the biggest static capacitance of resonators for leading out the bottom electrode. The pentagon areas of resonators range from 20 × 20 μm2 to 160 × 160 μm2, while the GSG pad remains unchanged.
Resonators were fabricated with the wafer transfer technique [16,17]. The 43° Y-cut LN wafer was implanted by He+ of 300 keV, forming a defect layer below the surface of the wafer. Then, 100 nm Ti/Al was deposited at the injection surface as a patterned bottom electrode with photolithography and sputtering. Then, SiO2 (423 nm) and Ta2O5 (348 nm) were deposited alternatively on the wafer. Next, the wafer with multiple layers was bonded to a glass substrate by spin-coated benzocyclobutene (BCB) on the side of SiO2. Then, the LN film was peeled off with the defect layer after 3 h annealing at 350 °C. After the stripped surface of LN was etched by RIE for 85 min, the LN film was thinned to 730 nm, and then a patterned top electrode of 100 nm Ti/Al and pad electrode of 3 μm were deposited.
The cross-section morphology of a fabricated resonator by a transmission electron microscope (TEM) is demonstrated in Figure 2a, and the electrode morphology is shown in Figure 2b. A vector network analyzer (VNA) and probe station were used to test the frequency response of S11. Standard open, short, load, through (OSLT) calibration was performed prior to device testing for de-embedding the measure system.

3. Results and Discussion

The tested impedance curves of resonators in different areas are demonstrated in Figure 2c. With the increase in the resonant area, the anti-resonant frequency (fp) remains almost unchanged at 3.694 GHz and is almost not affected by the resonance area, while the resonant frequency (fs) tends to decrease with the increasing resonance area. The fs changes from 3.496 GHz to 2.904 GHz, an offset of 592 MHz, when the resonant area increases from 20 × 20 μm2 to 160 × 160 μm2.
According to the equation of Keff2 [1,2,3], only a change in resonant frequency will lead to a corresponding change in Keff2. The calculated Keff2 values of resonators with different areas are plotted in Figure 3a. The Keff2 of a 20 × 20 μm2 resonator is only 11.97%. As the resonance area increases, the Keff2 increases gradually and reaches 43.28% at a resonance area of 160 × 160 μm2. This result shows that the Keff2 can be changed from 11.97% to 43.28% within the resonance area of 160 × 160 μm2, which is 3.6 times the adjustable range compared to the minimum value of Keff2. There is a strong dependency relationship between the resonant area and Keff2.
The impedance at the resonant frequency decreases and approaches a constant value, indicating an increased contribution of series electrode resistance with the increased area. The minimum impedance at fs is 0.715 dB, indicating that the impedance of the resonator, which is mainly contributed by the resistance of the resonator electrode and pad electrode, is about 1.09 Ohm. In Figure 3d, with the resonant area increasing, the Smith circles move gradually towards the left and turn smaller, corresponding with a gradually decreased impedance. It can be seen that when the area is 20 × 20 μm2, there are obvious disturbances on the Smith circle. With the increase in the area, the disturbances gradually weaken. These disturbances are caused by transverse resonance at the edge of the resonator. Although the pentagonal resonance shape is adopted, when the pentagon area is too small, the edge of the pentagon is too close, which weakens the suppression of transverse resonance. With the increase in the area, the effect of pentagons on transverse resonance suppression is more obvious.
The quality factors of resonators are characterized by the maximum Bode Q in reference [18] and plotted in Figure 3b. Figure 4 shows several Bode Q frequency response curves. As the area increases, the quality factor decreases rapidly at first. The quality factor decreases from 398 to 166 as the area increases from 20 × 20 μm2 to 60 × 60 μm2. When the area is 60 × 60 μm2 or larger, the quality factors are basically stable around 200, indicating that the quality factor is almost independent of the area in this interval.
The figure of merit (FOM) is used to evaluate the performance of resonators due to the competition between the coupling coefficient and Q. The FOM demonstrated in Figure 3c reflects that the influence of the area on FOM is different in different intervals. In the range of 20 × 20 μm2 to 60 × 60 μm2, the FOM decreases rapidly from 47.6 to 23.6 with the increasing area. When the area is larger than 60 × 60 μm2, the FOM shows an opposite trend with small areas. The FOM begins to grow rapidly with the area. An FOM of 96.6 is achieved with a resonance area of 160 × 160 μm2.
There are many approaches to describing the responses of the resonators, such as the MBVD model [13,19,20], Mason model [21,22] and FEM simulation [14,15,23]. However, each approach has its own pros and cons due to their different emphases. The equivalent circuit of the MBVD model describes the local response better near resonant and anti-resonant frequencies and can be used to explain the characteristics of various resonators such as BAW and SAW from the circuit. The Mason model is more suitable for describing the response of SMR-type BAW resonators with multilayer films. The FEM simulation can analyze the acoustic response of resonators with various structures, but it consumes a lot of computing resources. In addition, the characteristic analysis of the electrode layout is mostly carried out by EM simulation [24].
As the Keff2 may be affected by both the intrinsic behavior of the acoustic resonator itself and the extrinsic electromagnetic behavior of the layout, FEM and EM simulations were carried for the acoustic resonator part and electrode part, respectively. During the FEM simulation, two-dimensional models of resonators with four different electrode widths were established. The electrode widths were 20 μm, 60 μm, 110 μm and 160 μm, respectively, and the in-plane thickness was set to be equal to the electrode width to simulation the different area. Figure 5 shows the simulated mode shapes at the resonant frequency and the impedance curves of different sizes. The displaced longitudinal size of Figure 5a–d is three times the actual size. It can be seen that the modes in a–d are basically the same thickness extension mode, except for the slightly enhanced transverse spurious in Figure 5a. The slight derivation in anti-resonant frequencies in Figure 5b with the measured results is mainly due to the difference between the material parameters of the LN in the actual device and those used in the FEM simulation. The resonant frequency and anti-resonant frequency in Figure 5e almost do not change with the area, and the calculated Keff2 is basically between 19.28% and 19.47%, which indicates that the acoustical influence of the area on Keff2 is small in the presented resonator structure. The area dependence observed in the measured results is mainly caused by extrinsic reasons.
Then, the EM simulation of the electrode was carried out to characterize the layout behavior under different resonant areas. In order to exclude the effect of static capacitance generated by the resonator structure, the resonant structure was short-circuited in the simulation, so only the parasitic contribution of the electrode layout was simulated. Specifically, the pentagonal region of LN was set as the perfect electrical conductor to exclude the influence of the acoustic resonator. The simulated S11 of the electrode is plotted in Figure 6a. The curves are located in the inductive region of the Smith circle, and the deviation between the curves is small, which indicated that the electrical behavior of the electrode can be regarded as an inductor and is not sensitive to the resonant area. The inductances calculated from the imaginary part of the impedance are plotted in Figure 6b. With the frequency range of 3–4 GHz, the inductance is mainly located between 0.176 nH and 0.195 nH, and the bigger area corresponds with the smaller inductance. The inductances of the same resonator in Figure 6b change very little at different frequencies in 3–4 GHz.
Since the capacitance from the ground pad and bottom electrode may affect the accuracy of the calculated inductance, the RLC series circuit is used to extract the corresponding circuit parameters of the simulated electrode layout again. It is assumed that none of the resistance, inductance and capacitance varies with frequency during the extracting. The extracted results are listed in Table 1. The inductances with different resonant areas are between 0.174 nH and 0.189 nH, which also do not change much with different resonant areas. The capacitances are larger than 1512 pF, which is more than 100 times the static capacitance of the largest acoustic resonator (1.487 pF). Generally, the influence on fs of the series capacitance caused by the ground pad can be neglected when this series capacitance is more than 50 times the static capacitance of the resonator. Therefore, the electrical response generated by the electrode layout can be simplified to an inductance and a resistance. This area dependence of Keff2 may be caused by the introduced inductance by the electrode layout.
In Figure 2c, a distinct second impedance zero appears on the right of fp, which gradually approaches fp with the increase in area. Since the response curves over a wider frequency range are very similar to the corresponding curves when a resonator is connected in series with an inductor, the inductance is used for the equivalent pad response, followed by the equivalent circuit analysis of the entire structure including the acoustic resonator and the pad electrode.
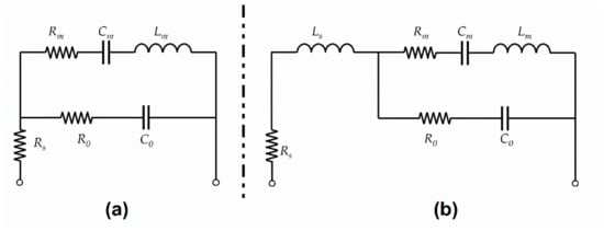
The MBVD model [19] is often used to describe the electrical response of a single acoustic resonator. In order to explain the dependence between the resonant area and resonant frequency, the MBVD model is also used to describe the fabricated acoustic resonator. Figure 7a is the circuit of the MBVD model, where R0, Rm and Rs represent the losses in the resonator. C0 is the static capacitance, and Cm and Lm are the motional capacitance and motional inductance. When the losses are neglected, the impedance of the resonator can be written as Equation (1).
By solving the impedance zero and impedance pole of Equation (1), the corresponding resonant frequency and anti-resonant frequency can be obtained. The ωs and ωp are the angular frequencies of the impedance zero and impedance pole, respectively. For these BAW resonators whose film thickness is determined, the ωs and ωp will also be determined. Therefore, the Lm, Cm and C0 obtained by solving the MBVD model can be represented by ωs and ωp in Equations (2) and (3).
Z ( ω ) = j ω L m / C 0 [ 1 1 / ( ω 2 L m C m ) ] ( 1 + C m / C 0 ) ω 2 L m C m
L m C m = 1 / ω s 2
C m / C 0 = ω p 2 / ω s 2 1
when an inductor Ls is placed in series with the acoustic resonator, the equivalent circuit to describe the total response of the resonator and the series inductor can be shown as they are in Figure 7b. The impedance of this circuit neglecting the loss has the form of Equation (4).
Z ( ω ) = j ω L s + j ω L m / C 0 [ 1 1 / ( ω 2 L m C m ) ] ( 1 + C m / C 0 ) ω 2 L m C m
The denominator in Equation (4) does not change when compared with Equation (1), so the ωp corresponding to the impedance pole remains unchanged. The angular frequency of the new impedance zero can be obtained by solving for Z′ = 0. When the Lm and Cm are replaced with ωs and ωp in the solution according to Equations (2) and (3), the zero angular frequency has the form of Equation (5).
ω z e r o 2 = 1 2 ω p 2 + 1 L s C 0 ± ω p 2 + 1 L s C 0 2 4 ω s 2 L s C 0
According to Equation (5), there will be two zero points. ωzero,1 and ωzero,2 are used to represent the lower and higher angular frequencies of (5), respectively. ωs and ωp are independent of the area when the resonator structure is determined, so ωzero can be affected by Ls and C0. Since Ls and C0 appear in the same denominator in Equation (5), C0 and Ls can have the same effect on ωzero. When an acoustic resonator is in series with an inductor, the Keff2 will be dependent on C0. Since the C0 is calculated by the parallel plate capacitance formula, Keff2 will eventually be related to the area.
In order to show the existence of this dependency relationship more intuitively, the BAW resonator is further simulated by the Mason model [21]. In the Mason model, all layers of the resonator are included and connected sequentially according to the SMR structure, as shown in Figure 8a. The thickness of each layer is set to be the fixed value, as mentioned in the fabrication part. After setting the area of the resonator as an independent variable, the Mason model that is established is encapsulated into a module, as shown in Figure 8b. The module is then connected in series with an inductor, as shown in Figure 8c, to simulate the overall response of the circuit under different areas. It should be emphasized that the capacitance between the resonator ground pad and the bottom electrode is very large, nearly 100 times the static capacitance of the biggest resonator, so the influence of this capacitance on the resonator can be almost ignored and can be regarded as a virtual short circuit at the operating frequency. By the way, the electrode resistance will not affect the zero position in this circuit. In order to show the zero point more clearly, the influence of the electrode resistance is temporarily ignored in the simulation. The impedance curves obtained by the simulation with the inductance value from 0 nH to 0.2 nH are shown in Figure 9a–e, and each single plot of a–e corresponds to an inductance.
Figure 9a shows that when the inductance is 0 nH, the resonant frequency and anti-resonant frequency of the resonator with different resonance areas remain unchanged, and the overall shape of the impedance curves is not affected by the change in the areas. In Figure 9b–e, it is obviously different from Figure 9a, that is, the resonant frequency decreases with the increase in the resonance area, and this decrease is more obvious under a larger inductance. At the same time, the second impedance zero also appears in Figure 9b–e, resulting in an obvious pit at the high-frequency side of the impedance curve. The simulation results are consistent with the inference drawn from Equation (5).
The Keff2 values obtained by the simulation and measurement are compared in Figure 9f. Each double dot dash line corresponds to the curve of the resonant area versus Keff2 for a value of inductance, and the pentagon points correspond to the measured results. The simulated line shows that Keff2 increases with the resonance area when different inductors are connected, and the larger inductance corresponds to the faster growth rate. The measured Keff2 has a similar trend to the simulated result and is located between the simulated curves of 0.15 nH and 0.2 nH, close to the curve of 0.173 nH. This is quite close to the inductance obtained by the EM simulation. The consistency of the experiment results, the theoretical analysis of the circuit and the simulation results proves that the dependence relationship is induced by the inductance from the pad electrode.
In addition, more accurate simulations are carried out by the Mason model considering the loss of the electrode. Here, the Rs is set to 1.09 Ohm, because the values extracted from the measured results are more accurate. The measured results of the four different areas are fitted with the Mason model, respectively, by adjusting the inductance in series. Figure 10 shows the comparison impedance curves with the measured results. The Ls with different areas is about 0.173~0.174 nH, except for the resonator of 110 × 110 μm2, whose Ls is 0.185 nH. The strength and position of the main and parasitic modes obtained by fitting are in good agreement with the test results, indicating that the simplified circuit and fitting parameters are relatively accurate.
For a long time, the BAW devices have a difficult time making large frequency adjustments through a simple layout design, as SAW does. This drawback of BAW devices leads to the need for a more complex preparation process to meet the desired design of a BAW filter. The above discussion reveals that it is possible to adjust the resonant frequency and increase the Keff2 within a wide range by simply changing the resonance area of the BAW resonator. By artificially introducing an inductance to the resonator, the connection between the resonant area and the series resonant frequency is established. Although it is not clear where the inductance is generated from the pad, it is certain that there is an on-chip inductance of about 0.173 nH in this pad structure, and this inductance does induce the area dependency of the Keff2 in the BAW resonator.
The combination of the on-chip inductance and LN film results in a resonator with a Keff2 of up to 43.28%, which is bigger than the reported LN-based resonators listed in Table 2 that have been fabricated. More importantly, the Keff2 of this work can be adjusted on a large scale. It can be predicted that the significant dependence relationship of Keff2 and the area can be used to expand the filter bandwidth, and the resonant frequency adjustable characteristic can also be used to improve the passband impedance matching of broadband BAW filters. Further studies should focus on the design and realization of a wideband filter.

4. Conclusions

The electrode layout can greatly affect the performance of the LN-based BAW resonators. The on-chip inductance can be introduced through the pad electrode such that the inductor also participates in the resonant response of the acoustic resonator. When the inductor and the acoustic resonator form a series loop, the static capacitance of the resonator will be correlated with the resonant frequency, and the dependence between the resonant area and the Keff2 will be induced. Under this relation, the electromechanical coupling coefficient can be greatly increased by increasing the resonator area in these LN-based BAW resonators, which means that the possibility of Keff2 can be greatly improved by a proper layout design, and it also provides a new route for further increasing the Keff2 of those resonators with large coupling coefficients.

Author Contributions

L.L. contributed the idea, analysis, measurements, simulation and paper writing; Y.S. contributed the analysis and idea; S.H., D.Z. and Y.W. assisted in the fabrication; W.L., X.P., C.W. and W.Z. contributed the idea and assisted in the work development. All authors have read and agreed to the published version of the manuscript.

Funding

This research was funded by the National Key Research and Development Program of China, grant number 2017YFB0406402. This research was funded by the National Natural Science Foundation of China, grant number 51772044.

Institutional Review Board Statement

Not applicable.

Informed Consent Statement

Not applicable.

Data Availability Statement

The data and code are available from the corresponding authors upon reasonable request.

Conflicts of Interest

The authors declare no conflict of interest.

References

  1. Chauhan, V.; Huck, C.; Frank, A.; Akstaller, W.; Weigel, R.; Hagelauer, A. Enhancing RF Bulk Acoustic Wave Devices: Multiphysical Modeling and Performance. IEEE Microw. 2019, 20, 56–70. [Google Scholar] [CrossRef]
  2. Abd Allah, M.; Thalhammer, R.; Kaitila, J.; Herzog, T.; Weber, W.; Schmitt-Landsiedel, D. Solidly Mounted BAW Resonators with Layer-Transferred AlN Using Sacrificial Si Surfaces. Solid State Electron. 2010, 54, 1041–1046. [Google Scholar] [CrossRef]
  3. Bogner, A.; Timme, H.-J.; Bauder, R.; Mutzbauer, A.; Pichler, D.; Krenzer, M.; Reccius, C.; Weigel, R.; Hagelauer, A. Impact of High Sc Content On Crystal Morphology And RF Performance of Sputtered Al1-XScxN SMR BAW. In Proceedings of the 2019 IEEE International Ultrasonics Symposium (IUS), Glasgow, UK, 6–9 October 2019; pp. 706–709. [Google Scholar]
  4. Bai, X.; Shuai, Y.; Lv, L.; Xing, Y.; Zhao, J.; Luo, W.; Wu, C.; Yang, T.; Zhang, W. The Thin Film Bulk Acoustic Wave Resonator Based on Single-Crystalline 43○Y-Cut Lithium Niobate Thin Films. AIP Adv. 2020, 10, 075002. [Google Scholar] [CrossRef]
  5. Gorisse, M.; Bauder, R.; Timme, H.-J.; Friedrich, H.-P.; Dours, L.; Perreau, P.; Ravix, A.; Lefebvre, R.; Castellan, G.; Maeder-Pachurka, C.; et al. High Frequency LiNbO3 Bulk Wave Resonator. In Proceedings of the 2019 Joint Conference of the IEEE International Frequency Control Symposium and European Frequency and Time Forum (EFTF/IFC), Orlando, FL, USA, 14–18 April 2019; pp. 1–2. [Google Scholar]
  6. Crupi, G.; Gugliandolo, G.; Campobello, G.; Donato, N. Measurement-Based Extraction and Analysis of a Temperature-Dependent Equivalent-Circuit Model for a SAW Resonator: From Room Down to Cryogenic Temperatures. IEEE Sens. J. 2021, 21, 12202–12211. [Google Scholar] [CrossRef]
  7. Ruby, R. 11E-2 Review and Comparison of Bulk Acoustic Wave FBAR, SMR Technology. In Proceedings of the 2007 IEEE Ultrasonics Symposium Proceedings, New York, NY, USA, 28–31 October 2007; pp. 1029–1040. [Google Scholar]
  8. Zhang, S.; Lu, R.; Zhou, H.; Link, S.; Yang, Y.; Li, Z.; Huang, K.; Ou, X.; Gong, S. Surface Acoustic Wave Devices Using Lithium Niobate on Silicon Carbide. IEEE Trans. Microw. Theory Tech. 2020, 68, 3653–3666. [Google Scholar] [CrossRef]
  9. Kimura, T.; Daimon, K.; Ogami, T.; Kadota, M. S0 Mode Lamb Wave Resonators Using LiNbO3 Thin Plate on Acoustic Multilayer Reflector. Jpn. J. Appl. Phys. 2013, 52, 07HD03. [Google Scholar] [CrossRef]
  10. Yandrapalli, S.; Eroglu, S.E.K.; Plessky, V.; Atakan, H.B.; Villanueva, L.G. Study of Thin Film LiNbO₃ Laterally Excited Bulk Acoustic Resonators. J. Microelectromech. Syst. 2022, 31, 217–225. [Google Scholar] [CrossRef]
  11. Warder, P.; Link, A. Golden Age for Filter Design: Innovative and Proven Approaches for Acoustic Filter, Duplexer, and Multiplexer Design. IEEE Microw. 2015, 16, 60–72. [Google Scholar] [CrossRef]
  12. Pensala, T.; Ylilammi, M.; Meltaus, J.; Kokkonen, K. P2G-5 Area and Dispersion Dependence of Vibration Shape and Coupling Coefficient in Thin Film BAW Resonators. In Proceedings of the 2007 IEEE Ultrasonics Symposium Proceedings, New York, NY, USA, 28–31 October 2007; pp. 1661–1664. [Google Scholar]
  13. Muller, C.; Dubois, M.-A. Effect of Size and Shape on the Performances of BAW Resonators: A Model and Its Applications. In Proceedings of the 2008 IEEE Ultrasonics Symposium, Beijing, China, 2–5 November 2008; pp. 1552–1556. [Google Scholar]
  14. Nguyen, N.; Johannessen, A.; Rooth, S.; Hanke, U. The Impact of Area on BAW Resonator Performance and an Approach to Device Miniaturization. Ultrasonics 2019, 94, 92–101. [Google Scholar] [CrossRef] [PubMed]
  15. Hagelauer, A.; Weigel, R.; Link, A.; Bader, B.; Marksteiner, S.; Wagner, K. Improved Modeling of Bulk Acoustic Wave Resonators and Filters. In Proceedings of the 2010 IEEE International Ultrasonics Symposium, San Diego, CA, USA, 11–14 October 2010; Volume 4. [Google Scholar]
  16. Levy, M.; Osgood, R.M.; Liu, R.; Cross, L.E.; Cargill, G.S.; Kumar, A.; Bakhru, H. Fabrication of Single-Crystal Lithium Niobate Films by Crystal Ion Slicing. Appl. Phys. Lett. 1998, 73, 2293–2295. [Google Scholar] [CrossRef]
  17. Shuai, Y.; Gong, C.; Bai, X.; Wu, C.; Luo, W.; Böttger, R.; Zhou, S.; Tian, B.; Zhang, W. Fabrication of Y128- and Y36-Cut Lithium Niobate Single-Crystalline Thin Films by Crystal-Ion-Slicing Technique. Jpn. J. Appl. Phys. 2018, 57, 04FK05. [Google Scholar] [CrossRef]
  18. Feld, D.A.; Parker, R.; Ruby, R.; Bradley, P.; Dong, S. After 60 Years: A New Formula for Computing Quality Factor Is Warranted. In Proceedings of the 2008 IEEE Ultrasonics Symposium, Beijing, China, 2–5 November 2008; pp. 431–436. [Google Scholar]
  19. Neculoiu, D.; Bunea, A.-C.; Dinescu, A.M.; Farhat, L.A. Band Pass Filters Based on GaN/Si Lumped-Element SAW Resonators Operating at Frequencies Above 5 GHz. IEEE Access 2018, 6, 47587–47599. [Google Scholar] [CrossRef]
  20. Larson, J.D.; Bradley, P.D.; Wartenberg, S.; Ruby, R.C. Modified Butterworth-Van Dyke Circuit for FBAR Resonators and Automated Measurement System. In Proceedings of the 2000 IEEE Ultrasonics Symposium. Proceedings. An International Symposium (Cat. No.00CH37121), San Juan, PR, USA, 22–25 October 2000; Volume 1, pp. 863–868. [Google Scholar]
  21. Gevorgian, S.; Tagantsev, A.K.; Vorobiev, A.K. Tuneable Film Bulk Acoustic Wave Resonators; Engineering Materials and Processes; Springer: London, UK; New York, NY, USA, 2013; ISBN 978-1-4471-4943-9. [Google Scholar]
  22. Jamneala, T.; Bradley, P.; Koelle, U.B.; Chien, A. Modified Mason Model for Bulk Acoustic Wave Resonators. IEEE Trans. Ultrason. Ferroelectr. Freq. Control 2008, 55, 2025–2029. [Google Scholar] [CrossRef] [PubMed]
  23. Thalhammer, R.K.; Larson, J.D. Finite-Element Analysis of Bulk-Acoustic-Wave Devices: A Review of Model Setup and Applications. IEEE Trans. Ultrason. Ferroelect. Freq. Control 2016, 63, 1624–1635. [Google Scholar] [CrossRef] [PubMed]
  24. Tag, A.; Chauhan, V.; Huck, C.; Bader, B.; Karolewski, D.; Pitschi, F.M.; Weigel, R.; Hagelauer, A. A Method for Accurate Modeling of BAW Filters at High Power Levels. IEEE Trans. Ultrason. Ferroelectr. Freq. Control 2016, 63, 2207–2214. [Google Scholar] [CrossRef] [PubMed]
  25. Lv, L.; Shuai, Y.; Bai, X.; Huang, S.; Zhu, D.; Wang, Y.; Zhao, J.; Luo, W.; Wu, C.; Zhang, W. Wide Band BAW Filter Based on Single-Crystalline LiNbO₃ Thin Film With Insulating Bragg Reflector. IEEE Trans. Ultrason. Ferroelectr. Freq. Control 2022, 69, 1535–1541. [Google Scholar] [CrossRef] [PubMed]
Figure 1. Schematic diagram of the resonator. (a) Cross section view; (b) Top view of the layout including the electrode and the pad.
Figure 1. Schematic diagram of the resonator. (a) Cross section view; (b) Top view of the layout including the electrode and the pad.
Electronics 11 04032 g001
Figure 2. (a) Cross-section morphology of the resonator by a transmission electron microscope; (b) Electrode morphology of resonators; (c) Measured impedance curves with a resonant area from 20 × 20 μm2 to 160 × 160 μm2.
Figure 2. (a) Cross-section morphology of the resonator by a transmission electron microscope; (b) Electrode morphology of resonators; (c) Measured impedance curves with a resonant area from 20 × 20 μm2 to 160 × 160 μm2.
Electronics 11 04032 g002
Figure 3. Measured performance of resonators with resonant areas from 20 × 20 μm2 to 160 × 160 μm2. (a) Effective electromechanical coupling coefficients; (b) Quality factors; (c) Figure of merit; (d) Smith circles of S11.
Figure 3. Measured performance of resonators with resonant areas from 20 × 20 μm2 to 160 × 160 μm2. (a) Effective electromechanical coupling coefficients; (b) Quality factors; (c) Figure of merit; (d) Smith circles of S11.
Electronics 11 04032 g003
Figure 4. Bode Q frequency response curves with different areas.
Figure 4. Bode Q frequency response curves with different areas.
Electronics 11 04032 g004
Figure 5. Mode shapes at resonant frequencies with different sizes: (a) 20 × 20 μm2; (b) 60 × 60 μm2; (c) 110 × 110 μm2; (d) 160 × 160 μm2. (e) Simulated impedance curves of different sizes.
Figure 5. Mode shapes at resonant frequencies with different sizes: (a) 20 × 20 μm2; (b) 60 × 60 μm2; (c) 110 × 110 μm2; (d) 160 × 160 μm2. (e) Simulated impedance curves of different sizes.
Electronics 11 04032 g005
Figure 6. Simulation results of the EM model. (a) Smith charts of the simulated S11 of electrodes with different sizes. (b) Extracted inductances using the imaginary part of the simulated admittance with different sizes, and the embedded graphs are the simulated electric field plots of resonators with areas of 20 × 20 μm2, 60 × 60 μm2 and 160 × 160 μm2.
Figure 6. Simulation results of the EM model. (a) Smith charts of the simulated S11 of electrodes with different sizes. (b) Extracted inductances using the imaginary part of the simulated admittance with different sizes, and the embedded graphs are the simulated electric field plots of resonators with areas of 20 × 20 μm2, 60 × 60 μm2 and 160 × 160 μm2.
Electronics 11 04032 g006
Figure 7. (a) Equivalent circuit of the single acoustic resonator by the MBVD model; (b) Equivalent circuit of the acoustic resonator connected in series with the inductor Ls.
Figure 7. (a) Equivalent circuit of the single acoustic resonator by the MBVD model; (b) Equivalent circuit of the acoustic resonator connected in series with the inductor Ls.
Electronics 11 04032 g007
Figure 8. (a) Sub circuit of SMR by the Mason model; (b) Encapsulated module of SMR with the sub circuit of (a), in which the resonant area is an independent variable; (c) Equivalent circuit of SMR connected in series with inductor Ls by the encapsulated module of the Mason model.
Figure 8. (a) Sub circuit of SMR by the Mason model; (b) Encapsulated module of SMR with the sub circuit of (a), in which the resonant area is an independent variable; (c) Equivalent circuit of SMR connected in series with inductor Ls by the encapsulated module of the Mason model.
Electronics 11 04032 g008
Figure 9. The square of the area is used to characterize the resonant area of resonators. (ae) Simulated impedance curves of resonators with inductance in series by the Mason model. (a) LS = 0 nH; (b) LS = 0.05 nH; (c) LS = 0.1 nH; (d) LS = 0.15 nH; (e) LS = 0.2 nH; (f) Simulated and measured Keff2 with different resonant areas, in which the double dash dot lines are the simulated results.
Figure 9. The square of the area is used to characterize the resonant area of resonators. (ae) Simulated impedance curves of resonators with inductance in series by the Mason model. (a) LS = 0 nH; (b) LS = 0.05 nH; (c) LS = 0.1 nH; (d) LS = 0.15 nH; (e) LS = 0.2 nH; (f) Simulated and measured Keff2 with different resonant areas, in which the double dash dot lines are the simulated results.
Electronics 11 04032 g009
Figure 10. Measured impedances and fitted impedance curves by the Mason model with Rs = 1.09 Ohm. (a) Ls = 0.174 nH with a resonant area of 20 × 20 μm2; (b) Ls = 0.173 nH with a resonant area of 60 × 60 μm2; (c) Ls = 0.185 nH when the resonant area is 110 × 110 μm2; (d) Ls = 0.174 nH when the resonant area is 160 × 160 μm2.
Figure 10. Measured impedances and fitted impedance curves by the Mason model with Rs = 1.09 Ohm. (a) Ls = 0.174 nH with a resonant area of 20 × 20 μm2; (b) Ls = 0.173 nH with a resonant area of 60 × 60 μm2; (c) Ls = 0.185 nH when the resonant area is 110 × 110 μm2; (d) Ls = 0.174 nH when the resonant area is 160 × 160 μm2.
Electronics 11 04032 g010
Table 1. Extracted circuit parameters of the pad and electrode layout from the EM simulation.
Table 1. Extracted circuit parameters of the pad and electrode layout from the EM simulation.
Sqrt of Area
(μm)
Inductance
(nH)
Capacitance
(pF)
Resistance
(Ohm)
200.18921370.681
300.18727590.66
400.18522230.644
500.18426550.632
600.18228480.618
700.18124080.608
800.18120820.592
900.17923250.597
1000.17822160.59
1100.17724320.577
1200.17625660.571
1300.17627120.57
1400.17522470.565
1500.17422540.561
1600.17415120.554
Table 2. LN-based acoustic resonators with different technologies.
Table 2. LN-based acoustic resonators with different technologies.
ReferenceTechnologyOperating Frequency (GHz)Keff2 (%)FOM
[4]SMR3.3212018.4
[25]SMR3.38414.6432.94
[5]FBAR2.98639.298
[8]SAW2.2926.9330
[9]SAW2.4115.7-
[10]XBAR52585
This workSMR3.69411.97~43.2896.6
Publisher’s Note: MDPI stays neutral with regard to jurisdictional claims in published maps and institutional affiliations.

Share and Cite

MDPI and ACS Style

Lv, L.; Shuai, Y.; Huang, S.; Zhu, D.; Wang, Y.; Luo, W.; Pan, X.; Wu, C.; Zhang, W. Area Dependence of Effective Electromechanical Coupling Coefficient Induced by On-Chip Inductance in LiNbO3-Based BAW Resonators. Electronics 2022, 11, 4032. https://doi.org/10.3390/electronics11234032

AMA Style

Lv L, Shuai Y, Huang S, Zhu D, Wang Y, Luo W, Pan X, Wu C, Zhang W. Area Dependence of Effective Electromechanical Coupling Coefficient Induced by On-Chip Inductance in LiNbO3-Based BAW Resonators. Electronics. 2022; 11(23):4032. https://doi.org/10.3390/electronics11234032

Chicago/Turabian Style

Lv, Lu, Yao Shuai, Shitian Huang, Dailei Zhu, Yuedong Wang, Wenbo Luo, Xinqiang Pan, Chuangui Wu, and Wanli Zhang. 2022. "Area Dependence of Effective Electromechanical Coupling Coefficient Induced by On-Chip Inductance in LiNbO3-Based BAW Resonators" Electronics 11, no. 23: 4032. https://doi.org/10.3390/electronics11234032

APA Style

Lv, L., Shuai, Y., Huang, S., Zhu, D., Wang, Y., Luo, W., Pan, X., Wu, C., & Zhang, W. (2022). Area Dependence of Effective Electromechanical Coupling Coefficient Induced by On-Chip Inductance in LiNbO3-Based BAW Resonators. Electronics, 11(23), 4032. https://doi.org/10.3390/electronics11234032

Note that from the first issue of 2016, this journal uses article numbers instead of page numbers. See further details here.

Article Metrics

Back to TopTop