Research on Lightning Overvoltage Characteristics of High-Voltage Diode Rectifier
Abstract
1. Introduction
2. Modeling of the Lightning Strike Overvoltage of High-Voltage Diode Rectifier
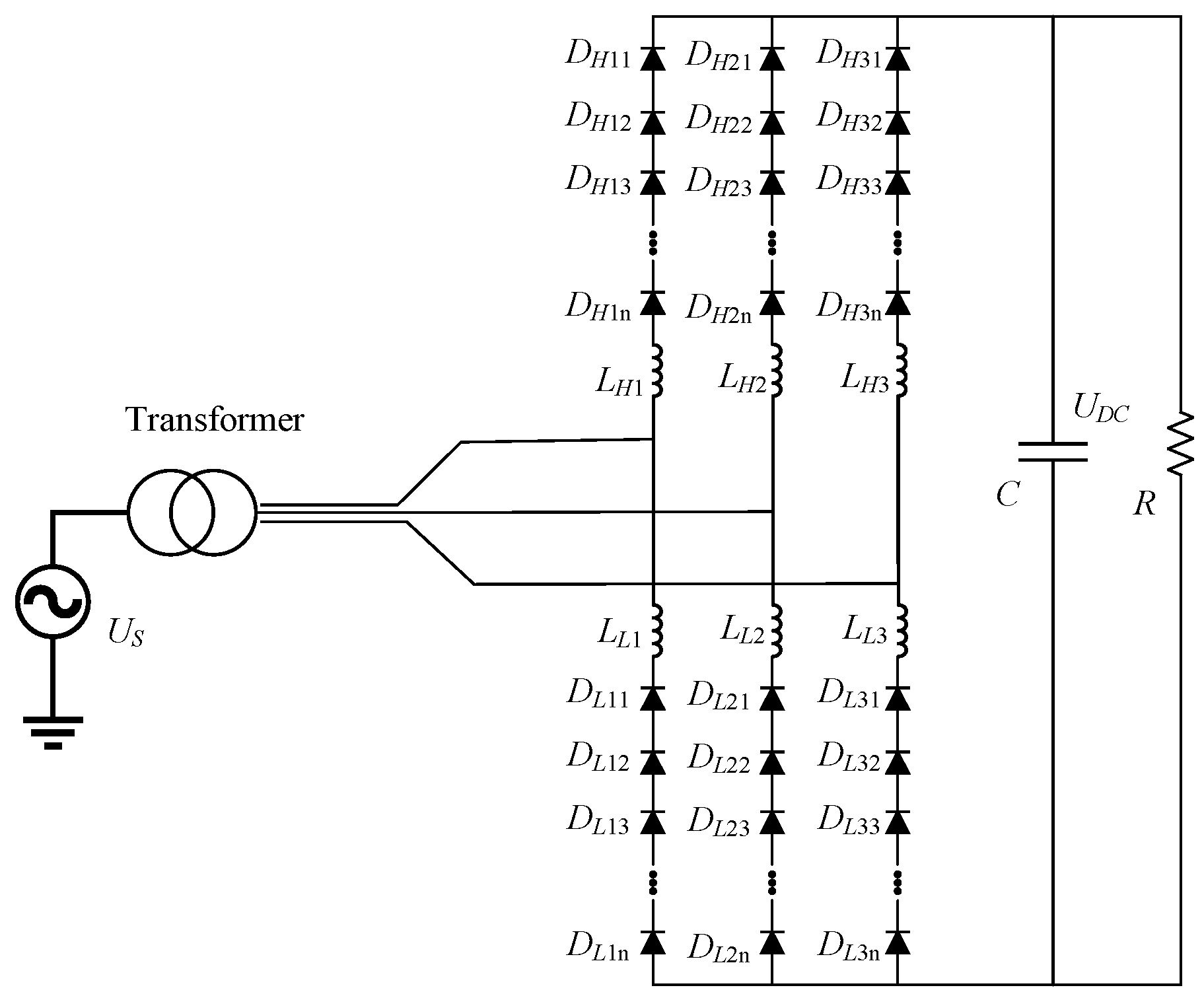
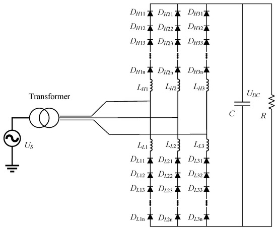
2.1. Structure of High-Voltage Diode Rectifier
2.2. Transient Modeling of Lightning Overvoltage for Core Components of High-Voltage Diode Rectifier
2.2.1. Transient Modeling of Diode Lightning Overvoltage
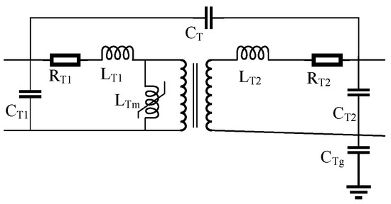
2.2.2. Transient Modeling of the Transformer Lightning Overvoltage
2.2.3. Transient Modeling of the Reactor Lightning Overvoltage
2.2.4. Transient Modeling of the Overhead Line Lightning Overvoltage
2.3. Transient Modeling of Lightning Overvoltage in High-Voltage Diode Rectifier
3. Transient Analysis of the Lightning Overvoltage of the High-Voltage Diode Rectifier
3.1. Setting of Lightning Overvoltage Scene of the High-Voltage Diode Rectifier
- The impact of lightning will seriously affect the normal operation of the high-voltage diode rectifier system, increasing the risk of breakdown of some devices in the high-voltage diode rectifier;
- Inconsistent parameters and characteristics of series diodes when being invaded by lightning will lead to uneven voltage distribution on a single diode, resulting in series diodes being broken down one by one.
| Parameter | Case 1 | Case 2 | Case 3 |
|---|---|---|---|
| Qrr1\Qrr2\Qrr3 | - | 4500 ΜC\4000 μC\5000 μC | 4500 μC\4000 μC\5000 μC |
| IRM1\IRM2\IRM3 | - | 90 A | 90 A |
| Junction capacitance C1\C2\C3 | 6 μF\4 μF\5 μF | 6 μF | 6 μF\4 μF\5 μF |
| Reverse resistance R1\R2\R3 | 40 kΩ | 40 kΩ | 40 kΩ |
| RM01\RM02\RM03 | 0.163 mΩ | 0.163 mΩ | 0.163 mΩ |
| Threshold voltage | 0.96 V | 0.96 V | 0.96 V |
| Peak forward voltage | 1.45 V | 1.45 V | 1.45 V |
| Forward root mean square current | 4740 A | 4740 A | 4740 A |

3.2. Transient Simulation Analysis of Lightning Overvoltage in Core Components of the High-Voltage Diode Rectifier
3.2.1. Transient Simulation Analysis of Transformer Lightning Overvoltage
3.2.2. Transient Simulation Analysis of Lightning Overvoltage in Reactors and Diodes
3.3. Transient Simulation Analysis of Lightning Overvoltage in High-Voltage Diode Rectifier
4. Conclusions
- After lightning strikes, the core components of the high-voltage diode rectifier, including the transformer, reactor, series diode group, etc., are easily seriously affected and even lead to device damage, which seriously threatens the safe and stable operation of the high-voltage diode rectifier. A suitable fast-melting electronic fuse can be installed in front of each core component to block the lightning strike, and the device can be filled with inert gas, to prevent the lightning overvoltage from breaking the air and forming a current loop in the device, thus ensuring that the core device is not damaged;
- The voltage distribution of the series diode group is mainly influenced by junction capacitance and reverse recovery charge. Under the action of the lightning strike, the diode with a small reverse recovery charge and the diode with a short reverse recovery time will bear several times the rated voltage, which will easily cause diode breakdown, and then lead to a cascading breakdown, which will seriously affect the safe and stable operation of the high-voltage diode rectifier. Therefore, diodes with the same specifications and characteristics should be selected for the series diode group, and the consistency test should be conducted before installation.
Author Contributions
Funding
Conflicts of Interest
References
- Tian, J.; Chunyan, M.; Duan, Q.; Zhang, Z.; Wang, F.; Zhuo, F.; Yi, H. Influence of over-voltage Condition Brought by HEMP, Lightning over-voltage and Operating over-voltage during Commutation Period on Reliability of HVDC Converter Valve. In Proceedings of the 2019 22nd International Conference on Electrical Machines and Systems (ICEMS), Harbin, China, 11–14 August 2019; pp. 1–4. [Google Scholar]
- Yu, W.; Guo, Z.; Zhang, M.; Li, R.; Li, Q.; Liu, L.; Siew, W.H. A Quantitative Evaluation Method for Failure Risk of the Lightning Attachment System on Wind Turbine. In Proceedings of the 2019 11th Asia-Pacific International Conference on Lightning (APL), Hong Kong, China, 12–14 June 2019; pp. 1–4. [Google Scholar] [CrossRef]
- Yang, T.; Yang, X. Lightning protection of wind turbines. In Proceedings of the 2010 The 2nd International Conference on Industrial Mechatronics and Automation, Wuhan, China, 30–31 May 2010; pp. 60–63. [Google Scholar] [CrossRef]
- Davari, M.; Mousavi, O.A.; Salabeigi, I. Analysis and comparison of the lightning overvoltage in the AC connected and VSC based HVDC connected wind farms. In Proceedings of the TENCON 2009–2009 IEEE Region 10 Conference, Singapore, 23–26 January 2009; pp. 1–6. [Google Scholar]
- Sekioka, S.; Otoguro, H.; Funabashi, T. A Study on Overvoltages in Windfarm Caused by Direct Lightning Stroke. IEEE Trans. Power Deliv. 2019, 34, 671–679. [Google Scholar] [CrossRef]
- Han, Y.; Tang, L.; Li, L.; He, Q.; Hao, Y.; Yao, S. Influence of lightning flashover criterion on the calculated lightning withstand level of ±800 kV UHVDC transmission lines at high altitude. IEEE Trans. Dielectr. Electr. Insul. 2015, 22, 185–191. [Google Scholar] [CrossRef]
- Han, Y.; Chen, H.; Lu, Y.; Li, L. Research on DC Transient Overvoltage and Insulation Coordination of ±800 kV Converter Station. In Proceedings of the 2011 Asia-Pacific Power and Energy Engineering Conference, Wuhan, China, 25–28 March 2011; pp. 1–4. [Google Scholar]
- Rachidi, F.; Rubinstein, M.; Montanya, J.; Bermúdez, J.L.; Sola, R.R.; Solà, G.; Korovkin, N. A Review of Current Issues in Lightning Protection of New-Generation Wind-Turbine Blades. IEEE Trans. Ind. Electron. 2008, 55, 2489–2496. [Google Scholar] [CrossRef]
- Wang, Y.; Hu, W. Investigation of the Effects of Receptors on the Lightning Strike Protection of Wind Turbine Blades. IEEE Trans. Electromagn. Compat. 2017, 59, 1180–1187. [Google Scholar] [CrossRef]
- Garolera, A.C.; Cummins, K.L.; Madsen, S.F.; Holboell, J.; Myers, J.D. Multiple Lightning Discharges in Wind Turbines Associated with Nearby Cloud-to-Ground Lightning. IEEE Trans. Sustain. Energy 2015, 6, 526–533. [Google Scholar] [CrossRef]
- Goud, R.D.; Auditore, T.; Rayudu, R.; Moore, C.P. Frequency Domain Analysis of a Wind Turbine Generator Earthing System for Lightning Discharge Currents. IEEE Access 2019, 7, 60501–60512. [Google Scholar] [CrossRef]
- Glushakow, B. Effective Lightning Protection for Wind Turbine Generators. IEEE Trans. Energy Convers. 2007, 22, 214–222. [Google Scholar] [CrossRef]
- Yasuda, Y.; Uno, N.; Kobayashi, H.; Funabashi, T. Surge Analysis on Wind Farm When Winter Lightning Strikes. IEEE Trans. Energy Convers. 2008, 23, 257–262. [Google Scholar] [CrossRef]
- Tao, S.; Zhang, X.; Wang, Y.; Yang, J. Transient Behavior Analysis of Offshore Wind Turbines during Lightning Strike to Multi-Blade. IEEE Access 2018, 6, 22070–22083. [Google Scholar] [CrossRef]
- Han, Y.; Li, L.; Chen, H.; Lu, Y. Influence of Modeling Methods on the Calculated Lightning Surge Overvoltages at a UHVDC Converter Station Due to Backflashover. IEEE Trans. Power Deliv. 2012, 27, 1090–1095. [Google Scholar] [CrossRef]
- Liu, C.L.; Shuai, Q.; Qi, L.; Cui, X.; Fang, C.; Wei, X. Quantitative analysis of voltage distribution within ±1100 kv HVDC converter valve tower under various triasient over-voltage conditions. In Proceedings of the 2014 International Conference on Lightning Protection (ICLP), Shanghai, China, 11–18 October 2014; pp. 1558–1564. [Google Scholar]
- Liu, C.; Gou, Y.; Yang, Z.; Yan, H.; Zhuo, F.; Wang, F. Research on Overvoltage Distribution of HVDC Converter Valve and Influence of Parasitic Capacitance in special environment. In Proceedings of the 2019 IEEE 10th International Symposium on Power Electronics for Distributed Generation Systems (PEDG), Xi’an, China, 3–6 June 2019; pp. 178–182. [Google Scholar]
- Zhang, C.; Li, C.; Lv, D.; Zhu, H.; Xing, H. An Experimental Study on the Effect of Multiple Lightning Waveform Parameters on the Aging Characteristics of ZnO Varistors. Electronics 2020, 9, 930. [Google Scholar] [CrossRef]
- Heckler, H.; Wosgien, J.; Wetter, M. New lightning current arrester design for onshore and offshore wind turbines. In Proceedings of the 2011 International Symposium on Lightning Protection, Fortaleza, Brazil, 3–7 October 2011; pp. 241–246. [Google Scholar] [CrossRef]













| Modules | Parameters | Value |
|---|---|---|
| Transformer | turn ratio | 1:24 |
| LTm | 0.7958 H | |
| LT1 | 127.3 μH | |
| RT1 | 0.001 Ω | |
| LT2 | 0.0733 H | |
| RT2 | 0.576 Ω | |
| CT1 | 300 pF | |
| CT2 | 190 pF | |
| CTg | 300 pF | |
| CT | 900 pF | |
| Overhead lines | CL | 0.3 μF/km |
| L1 | 0.6 mH/km | |
| R1 | 0.02 Ω/km | |
| l1 | 20 km | |
| l2 | 10 km | |
| CL | 0.3 μF/km | |
| Reactor | Lsat | 20 μH |
| L | 300 μH |
Publisher’s Note: MDPI stays neutral with regard to jurisdictional claims in published maps and institutional affiliations. |
© 2022 by the authors. Licensee MDPI, Basel, Switzerland. This article is an open access article distributed under the terms and conditions of the Creative Commons Attribution (CC BY) license (https://creativecommons.org/licenses/by/4.0/).
Share and Cite
Peng, G.; Fu, C.; Yang, P.; Shi, B.; Wang, H.; Zeng, J.; Liu, Y. Research on Lightning Overvoltage Characteristics of High-Voltage Diode Rectifier. Electronics 2022, 11, 3840. https://doi.org/10.3390/electronics11233840
Peng G, Fu C, Yang P, Shi B, Wang H, Zeng J, Liu Y. Research on Lightning Overvoltage Characteristics of High-Voltage Diode Rectifier. Electronics. 2022; 11(23):3840. https://doi.org/10.3390/electronics11233840
Chicago/Turabian StylePeng, Guoping, Chuanming Fu, Ping Yang, Ben Shi, Hongzhan Wang, Jun Zeng, and Yangbo Liu. 2022. "Research on Lightning Overvoltage Characteristics of High-Voltage Diode Rectifier" Electronics 11, no. 23: 3840. https://doi.org/10.3390/electronics11233840
APA StylePeng, G., Fu, C., Yang, P., Shi, B., Wang, H., Zeng, J., & Liu, Y. (2022). Research on Lightning Overvoltage Characteristics of High-Voltage Diode Rectifier. Electronics, 11(23), 3840. https://doi.org/10.3390/electronics11233840
