Research on the Primary Frequency Regulation Control Strategy of a Wind Storage Hydrogen-Generating Power Station
Abstract
1. Introduction
- (1)
- Under normal conditions, as an important means to solve the problem of wind curtailment, the P2H device consumes the electric energy outside the grid-connection of the DFIG, and the hydrogen produced can be supplied to the hydrogen downstream industry, thus, improving the operation economy of the SCESS-DFIG-P2H generating station.
- (2)
- Based on the primary frequency regulation mechanism of the synchronous unit, the corresponding compensation power value of the system frequency drop value is analyzed. In the SCESS-DFIG-P2H generating station, the P2H device and the energy storage device cooperate for the power compensation, so that the SCESS-DFIG-P2H generating station has the same frequency regulation effect as the synchronous unit.
- (3)
- The selection and dynamic characteristics analysis of the P2H device and SCESS device are completed, combining the advantages of a power output of both, and a cooperative frequency regulation control strategy based on the P2H device and SCESS device is proposed. The simulation model of the SCESS-DFIG-P2H generating station is completed, and the effectiveness of the proposed control strategy in primary frequency regulation is verified through a simulation.
2. Research on Primary Frequency Regulation Technology Based on a SCESS-DFIG-P2H Generating Station
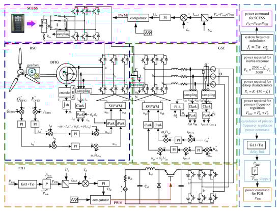
2.1. System Architecture of the SCESS-DFIG-P2H Generating Station
2.2. Research on the Primary Frequency Regulation Characteristics of a SCESS-DFIG-P2H Generating Station Based on a Traditional Synchronous Generator Set
3. Analysis of the Operating Mechanism of the SCESS-DFIG-P2H Generating Station System Based on Primary Frequency Regulation
3.1. The Capacity Matching Design of the Wind Storage Hydrogen Production Power Station Participating in the Primary Frequency Regulation of the System
3.2. Mathematical Model and Dynamic Characteristics of a P2H Device
3.3. Comparative Analysis of the Electrical Characteristics of Different Energy Storage Devices Combined with a P2H Device
4. Primary Frequency Regulation Control Based on SCESS-DFIG-P2H Generating Station
4.1. Research on the Control Strategy of the P2H Device
4.2. Research on the Control Strategy of a Supercapacitor Energy Storage Device
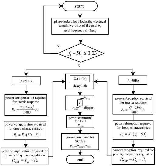
4.3. Primary Frequency Regulation Control Strategy of a SCESS-DFIG-P2H Generating Station
5. Verification of the Simulation
5.1. Simulation Analysis at a Low Wind Speed
5.2. Simulation Analysis at a Medium Wind Speed
5.3. Simulation Analysis at a High Wind Speed
5.4. Simulation Analysis Considering the Aggregation Effect of a SCESS-DFIG-P2H Generating Station
6. Conclusions
- (1)
- Using the proposed control strategy, at a low wind speed, the system frequency drop values were 0.22, 0.32, and 0.43 Hz when the system suddenly increased the load of 10, 15, and 20 MW, respectively; at a medium wind speed, the system frequency drop values were 0.21, 0.32, and 0.42 Hz when the system suddenly increased the load of 10, 15, and 20 MW, respectively; at a high wind speed, the system frequency drop values were 0.21, 0.32, and 0.41 Hz when the system suddenly increased the load of 10, 15, and 20 MW, respectively. It can be seen that under different wind speeds, the multi-energy coordinated control strategy proposed in this paper should be adopted, and the system frequency deviation would not exceed 0.5 Hz by compensating for the power, so as to maintain the stable operation of a system.
- (2)
- Considering the aggregation effect of the wind storage hydrogen-generating power station, the surge load was added at 2 s, the value was 15 MW, the proposed control strategy was used to participate in the system frequency regulation, and the system frequency deviation was 0.31 Hz; when the electric hydrogen production device was independently frequency regulated, the system frequency deviation was 0.34 Hz; when the super capacitor energy storage device was independently frequency regulated, the system frequency deviation was 0.33 Hz, the super capacitor energy storage device ran out of energy in 2.52 s and it could not participate in the next frequency regulation task. It can be seen that compared with the single energy control strategy, the multi-energy collaborative control strategy reasonably allocated power commands and effectively reduced the degree of the system frequency drop.
Author Contributions
Funding
Conflicts of Interest
Nomenclature
| R | the radius of the wind turbine blade; |
| ρ | the air density; |
| v | the wind speed; |
| Cp | the wind energy utilization coefficient of the wind turbine; |
| λ | the tip speed ratio; |
| β | the blade angle; |
| Ω | the mechanical angular velocity of the DFIG blade; |
| usd, usq, urd, urq | the stator voltage and rotor voltage components under rotation in the d and q coordinate systems; |
| isd, isq, ird, irq | the stator current and rotor current components under rotation in the d and q coordinate systems; |
| ψsd, ψsq, ψrd, ψrq | the stator and rotor magnetic chain components under the rotation of d and q coordinate systems; |
| ωs | the electric angular velocity of the d and q coordinate system rotation; |
| ωm | the electric angular velocity of the generator input; |
| Lσ | the leakage inductance between the stator and rotor under the d and q coordinate system rotation; |
| Lm | the mutual inductance between the stator and rotor under the d and q coordinate system rotation; |
| LR | the sum of the leakage and mutual inductance between the stator and rotor under the d and q coordinate system rotation; |
| Eks | the rotor kinetic energy of the generator at the rated speed; |
| J | the moment of inertia of the generator; |
| the rated speed of the generator; | |
| SN | the rated capacity of the generator; |
| = 0 | the sum of the blade kinetic energy of n wind turbines in the SCESS-DFIG-P2H generating station system; |
| ES | the energy that can be handled by the energy storage device; |
| EP | the energy provided by the electric hydrogen production device as a controllable load; |
| SNW | the wind farm rated capacity; |
| the per-unit value of generator electromagnetic change power; | |
| the per-unit value of rotor speed; | |
| the per-unit value of generator electromagnetic torque change; | |
| the system frequency per-unit value; | |
| the per-unit value of the frequency of the system at time t; | |
| the per-unit value of the frequency at time ; | |
| the per-unit value of the energy that can be released by the energy storage device and P2H system in time; | |
| PN | the rated power of the generator; |
| K | the droop coefficient of the generator; |
| Ucell | the single cell voltage of the electrolytic cell; |
| Iel | the current flowing through the electrolytic cell; |
| Urev | the reversible cell voltage; |
| r1, r2 | the ohmic parameters of the electrolyte; |
| s1, s2, s3, t1, t2, t3 | the electrodes overvoltage parameter; |
| Ael | the electrode area; |
| Tel | the electrolyte temperature; |
| Nel | the number of batteries connected in series in the electrolytic cell; |
| Uel | the voltage of the electrolytic cell; |
| the faradaic efficiency; | |
| the hydrogen production rate of the electrolysis cells; | |
| Pel,t | the power command that the electrolytic cell needs to undertake at time t; |
| the power change threshold per unit time; | |
| Del | the control signal of the P2H device; |
| Kp1 and Kp2 | the proportional adjustment gain and integral adjustment gain of the current loop, respectively; |
| Ielref and Iel | the reference value and feedback value of the electrolysis cell current; |
| Uelc | the voltage value of the DC bus of the P2H system; |
| τ | the time constant; |
| D | the step amplitude; |
| c(0) and r(0) | represent the initial value of the state in the system and the initial value of the input; |
| Dscbuck | the control signal of the bidirectional DC–DC converter of the SCESS in Buck mode; |
| Ks1 and Ks2 | the proportional adjustment gain and integral adjustment gain of the current loop, respectively; |
| Iscref and Isc | the reference and feedback values of the current flowing through the SCESS; |
| Usc | the voltage value across the SCESS; |
| Udc | the DC bus voltage value of the DFIG; |
| Dscboost | the control signal when the bidirectional DC–DC converter of the SCESS is in Boost mode. |
Appendix A

Appendix B
| Project | Value | |
|---|---|---|
| Wind turbines | Number of blades | 3 |
| Blade diameter | 90 m | |
| Working wind speed | 3~25 m/s | |
| Blade quality | 55,000 kg | |
| Moment of inertia | 55,687,500 kg·m2 | |
| Gear ratio | 1:77.44 | |
| Gearbox mass | 18,500 kg | |
| RSC rated power | 0.25 pu | |
| GSC rated power | 0.25 pu | |
| DC converter rated power | 0.25 pu | |
| Number of pole pairs | 3 | |
| Rated speed | 1000 r/min | |
| Synchronous generator | Generator power | 0.3 pu |
| Differential regulation coefficient of generator | 11 | |
| Generator power frequency static characteristic coefficient | 20 | |
| Generator inertia time constant | 5 | |
| Generator rated power | 100 MW |
References
- The Government Work Report. Available online: https://www.gov.cn/guowuyuan/zfgzbg.htm (accessed on 8 April 2022).
- Continuing the Past and Forging Ahead, Starting a New Journey of Global Response to Climate Change. Available online: https://www.gov.cn/gongbao/content/2020/content_5570055.htm (accessed on 26 October 2021).
- Zhang, C.M.; Liu, L.; Cheng, H.Z. Review and prospects of planning and operation optimization for electrical power systems considering frequency security. Power Syst. Technol. 2022, 46, 250–265. [Google Scholar]
- Bian, X.Y.; Yin, L.Y.; Ding, Y. Micro-grid frequency modulation optimization based on DFIG virtual inertia and droop control. Acta Energ. Sol. Sin. 2021, 42, 452–460. [Google Scholar]
- Kang, M.; Yoon, G.; Hong, S. Coordinated frequency stabilization of wind turbine generators and energy storage in microgrids with high wind power penetration. Electronics 2019, 8, 1390. [Google Scholar] [CrossRef]
- Botian, L.; Xin, Z.; Xue, W.; Chao, Z. Research on the influence of wind turbines’ participation in frequency modulation on grid frequency characteristics. In Proceedings of the 2021 4th International Conference on Energy, Electrical and Power Engineering (CEEPE), Chongqing, China, 23–25 April 2021; pp. 494–499. [Google Scholar]
- GB/T 19963-2011; Technical Rule for Connecting Wind Farm to Power System. China Standards Press: Beijing, China, 2011.
- Liu, H.B.; Peng, X.Y.; Zhang, C.; Zhang, S.Y. Overview of wind power participating in frequency regulation control strategy for power system. Electr. Power Autom. Equip. 2021, 41, 81–92. [Google Scholar]
- Yang, P.H.; Dong, X.L.; Li, Y.; Kuang, L.; Zhang, J.H.; He, B.; Wang, Y. Research on primary frequency regulation control strategy of wind-thermal power coordination. IEEE Access 2019, 7, 144766–144776. [Google Scholar] [CrossRef]
- Liu, J.; Yang, Z.; Yu, J. Coordinated control parameter setting of DFIG wind farms with virtual inertia control. Int. J. Electr. Power Energy Syst. 2020, 122, 106167. [Google Scholar] [CrossRef]
- Li, H.Y.; Han, Y.; Li, Q. Economic droop control strategy of a hybrid electric-hydrogen DC microgrid considering efficiency characteristics. Power Syst. Prot. Control 2022, 50, 69–80. [Google Scholar]
- Tang, W.Q.Y.; Zhang, R.; Hu, J.B. Modelling of DFIG-based WT for Power System Transient Responses Analysis in Rotor Speed Control Timescale. Proc. CSEE 2021, 41, 3037–3046. [Google Scholar]
- Zhang, S.H.; Dang, J.; Dai, J.F.; Yu, Z.P.; Tang, Y. Optimal Control Strategy for Wind Power Curtailment Considering Optimal Speed and Pitch Angle Control. Power Syst. Technol. 2021, 45, 1844–1851. [Google Scholar]
- Ghosh, S.; Isbeih, Y.J.; Bhattarai, R. A dynamic coordination control architecture for reactive power capability enhancement of the DFIG-based wind power generation. IEEE Trans. Power Syst. 2020, 35, 3051–3064. [Google Scholar] [CrossRef]
- Zhao, J.X.; Gao, W.; Shangguan, M.X.; Zha, X.B.; Yue, S.A.; Liu, Y.H. Review on frequency regulation technology of power grid by wind farm. Power Syst. Prot. Control 2017, 45, 157–169. [Google Scholar]
- Li, D.S.; Zouma, A.; Liao, J.T.; Yang, H.T. An energy management strategy with renewable energy and energy storage system for a large electric vehicle charging station. Etransportation 2020, 6, 100076. [Google Scholar] [CrossRef]
- Sun, D.Y.; Long, H.T.; Zhou, K.; Lv, Y.L.; Zheng, J.; Chen, Q.G. Research on SCESS-DFIG DC bus voltage fluctuation suppression strategy for frequency inertia regulation of power grid. IEEE Access 2020, 8, 173933–173948. [Google Scholar] [CrossRef]
- Zhao, J.J.; Li, M.; He, X.Q.; Zhu, R.J. Coordinated Control Strategy of Wind Power and Energy Storage in Frequency Regulation Based on Torque Limit Control. Trans. China Electrotech. Soc. 2019, 34, 4982–4990. [Google Scholar]
- Miao, L.; Wen, J.; Xie, H. Coordinated Control Strategy of Wind Turbine Generator and Energy Storage Equipment for Frequency Support. IEEE Trans. Ind. Appl. 2015, 51, 2732–2742. [Google Scholar] [CrossRef]
- Sun, D.Y.; Sun, L.Z.; Wu, F.J. Research on frequency inertia response control strategy of SCESS-DFIG system considering variable wind speed. J. Eng. 2019, 16, 2995–3001. [Google Scholar] [CrossRef]
- Tang, X.S.; Miao, F.S.; Qi, Z.P.; He, H.M.; Wu, T.; Li, S.Y. Survey on Frequency Control of Wind Power. Proc. CSEE 2014, 34, 4304–4314. [Google Scholar]
- Greene, D.L.; Ogden, J.M.; Lin, Z.H. Challenges in the designing, planning and deployment of hydrogen refueling infrastructure for fuel cell electric vehicles. ETransportation 2020, 6, 100086. [Google Scholar] [CrossRef]
- Liu, J.P.; Hou, T. Review and prospect of hydrogen energy storage technology and its application in power industry. Power Energy 2020, 41, 230–233. [Google Scholar]
- Yan, X.W.; Song, Z.J.; Cui, S.; Sun, Y.; Li, T.C. Primary Frequency Regulation Strategy of Doubly-Fed Wind Turbine Based on Variable Power Point Tracking and Supercapacitor Energy Storage. Trans. China Electrotech. Soc. 2020, 35, 530–541. [Google Scholar]
- Cai, G.W.; Chen, C.C.; Kong, L.G.; Peng, L. Control of Hybrid System of Wind/Hydrogen/Fuel Cell/Supercapacitor. Trans. China Electrotech. Soc. 2017, 32, 84–94. [Google Scholar]
- Liu, J.; Yao, W.; Wen, J.Y.; Ai, X.M.; Luo, W.H.; Huang, Y. A Wind Farm Virtual Inertia Compensation Strategy Based on Energy Storage System. Proc. CSEE 2015, 35, 1596–1605. [Google Scholar]
- Sun, D.Y.; Sun, L.Z.; Wu, F.J. Smoothing control method of wide time scale power fluctuation for SCESS-DFIG power generation system. Electr. Power Autom. Equip. 2018, 38, 107–113. [Google Scholar]
- Qadrdan, M.; Abeysekera, M.; Chaudry, M. Role of power-to-gas in an integrated gas and electricity system in Great Britain. Int. J. Hydrogen Energy 2015, 40, 5763–5775. [Google Scholar] [CrossRef]
- Ma, Y.G.; Zhang, F.; Ding, L. Optimal capacity configuration of power-to-gas, gas tank and natural gas generation unit with participation of curtailed wind power in frequency regulation of power grid. Autom. Electr. Power Syst. 2020, 44, 79–86. [Google Scholar]
- Deng, H.; Chen, J.; Jiao, D.D.; Li, Y.L. Control Strategy for Energy Management of Hybrid Grid-connected System of Wind and Hydrogen. High Volt. Eng. 2020, 46, 99–106. [Google Scholar]
- Barik, A.K.; Das, D.C. Integrated resource planning in sustainable energy-based distributed microgrids. Sustain. Energy Technol. Assess. 2021, 48, 101622. [Google Scholar] [CrossRef]
- Wang, Y.J.; Wang, L.; Li, M.; Chen, Z.H. A review of key issues for control and management in battery and ultra-capacitor hybrid energy storage systems. ETransportation 2020, 4, 100064. [Google Scholar] [CrossRef]
- Shen, X.J.; Nie, C.Y.; Lv, H. Coordination Control Strategy of Wind Power-Hydrogen Alkaline Electrolyzer Bank Considering Electrothermal Characteristics. Trans. China Electrotech. Soc. 2021, 36, 463–472. [Google Scholar]
- Li, J.R.; Lin, J.; Xing, X.T. Technology Portfolio Selection and Optimal Planning of Power-to-Hydrogen (P2H) Modules in Active Distribution Network. Proc. CSEE 2021, 41, 4021–4033. [Google Scholar]
- Lie, C.; Zhuo, J.K.; Zhao, D.M.; Li, S.Q. A Review on the Utilization of Energy Storage System for the Flexible and Safe Operation of Renewable Energy Microgrids. Proc. CSEE 2020, 40, 1–18. [Google Scholar]





























| Main Technical Indicators | Indicators Value | |
|---|---|---|
| Start-stop | Start-stop delay α/h | 0 |
| Start-stop capability / | 1/1 | |
| Power | Work scope [, ] | [25%, 100%] |
| Gradeability | <(1/7200)/s | |
| Wind Speed/m/s | DFIG Output Power/pu | Exploding Load/MW | min(Δf)/Hz |
|---|---|---|---|
| 8 | 0.312 | 10 | −0.22 |
| 15 | −0.32 | ||
| 20 | −0.43 | ||
| 10 | 0.62 | 10 | −0.21 |
| 15 | −0.32 | ||
| 20 | −0.42 | ||
| 12 | 1 | 10 | −0.21 |
| 15 | −0.32 | ||
| 20 | −0.41 |
Publisher’s Note: MDPI stays neutral with regard to jurisdictional claims in published maps and institutional affiliations. |
© 2022 by the authors. Licensee MDPI, Basel, Switzerland. This article is an open access article distributed under the terms and conditions of the Creative Commons Attribution (CC BY) license (https://creativecommons.org/licenses/by/4.0/).
Share and Cite
Sun, D.; Zheng, W.; Yu, J.; Li, J. Research on the Primary Frequency Regulation Control Strategy of a Wind Storage Hydrogen-Generating Power Station. Electronics 2022, 11, 3669. https://doi.org/10.3390/electronics11223669
Sun D, Zheng W, Yu J, Li J. Research on the Primary Frequency Regulation Control Strategy of a Wind Storage Hydrogen-Generating Power Station. Electronics. 2022; 11(22):3669. https://doi.org/10.3390/electronics11223669
Chicago/Turabian StyleSun, Dongyang, Wenyuan Zheng, Jixuan Yu, and Ji Li. 2022. "Research on the Primary Frequency Regulation Control Strategy of a Wind Storage Hydrogen-Generating Power Station" Electronics 11, no. 22: 3669. https://doi.org/10.3390/electronics11223669
APA StyleSun, D., Zheng, W., Yu, J., & Li, J. (2022). Research on the Primary Frequency Regulation Control Strategy of a Wind Storage Hydrogen-Generating Power Station. Electronics, 11(22), 3669. https://doi.org/10.3390/electronics11223669
