IM Fed by Three-Level Inverter under DTC Strategy Combined with Sliding Mode Theory
Abstract
1. Introduction
2. DTC of IM Associated with Three-Level NPC Inverter
2.1. IM Modeling
2.2. DTC Principle
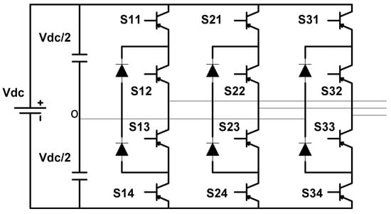
2.3. Three-Level NPC Inverter
3. Proposed DTC Based on Sliding Mode Approach
3.1. Speed Integral Sliding Mode Controller
3.2. Sliding Mode PI Controller of Flux and Torque
3.3. Simulation Results
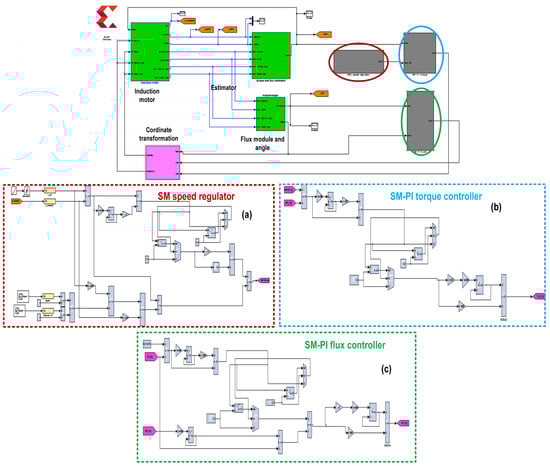
4. HIL Simulation of DTC-SM Strategy
4.1. XSG Design of DTC Based on Sliding Mode Approach of IM Supplied by Three-Level Inverter
4.2. Software in-the-Loop Simulation Results
5. Conclusions
Author Contributions
Funding
Conflicts of Interest
Appendix A
| Rated power | 1.5 kW |
| Rated speed | 1435 tr/min |
| Rated frequency | 50 Hz |
| Rated current | 5.5/3.2 A |
| Number of pole pairs | 2 |
| Stator resistance | 5.72 Ω |
| Rotor resistance | 4.28 Ω |
| Stator inductance | 0.464 H |
| Rotor inductance | 0.464 H |
| Mutual inductance | 0.44 H |
| Moment of inertia | 0.0049 kg·m² |
| Viscous friction coefficient | 0.002 |
References
- Bocker, J.; Mathapati, S. State of the art of induction motor control. In Proceedings of the International Electric Machines & Drives Conference, Antalya, Turkey, 3–5 May 2007. [Google Scholar]
- Takahashi, I.; Noguchi, T. A new quick-response and high-efficiency control strategy of an induction motor. IEEE Trans. Ind. Appl. 1986, 5, 820–827. [Google Scholar] [CrossRef]
- Krim, S.; Gdaim, S.; Mtibaa, A.; Mimouni, M.F. Contribution of the FPGAs for complex control algorithms: Sensorless DTFC with an EKF of an induction motor. Int. J. Autom. Comput. 2019, 16, 226–237. [Google Scholar] [CrossRef]
- Costa, B.L.G.; Graciola, C.L.; Angélico, B.A.; Goedtel, A.; Castoldi, M.F.; de Andrade Pereira, W.C. A practical framework for tuning DTC-SVM drive of three-phase induction motors. Control Eng. Pract. 2019, 88, 119–127. [Google Scholar] [CrossRef]
- El Ouanjli, N.; Derouich, A.; El Ghzizal, A.; Motahhir, S.; Chebabhi, A.; El Mourabit, Y.; Taoussi, M. Modern improvement techniques of direct torque control for induction motor drives-a review. Prot. Control Mod. Power Syst. 2019, 4, 1–12. [Google Scholar] [CrossRef]
- Vaezi, S.A.; Iman-Eini, H.; Razi, R. A new space vector modulation technique for reducing switching losses in induction motor DTC-SVM scheme. In Proceedings of the 10th International Power Electronics, Drive Systems and Technologies Conference (PEDSTC), Shiraz, Iran, 12–14 February 2019. [Google Scholar]
- Sedaghati, F.; Latifi, S.H. Application of a three-phase multilevel inverter for DTC based induction motor drive. In Proceedings of the 9th Annual Power Electronics, Drives Systems and Technologies Conference (PEDSTC), Tehran, Iran, 13–15 February 2018. [Google Scholar]
- Li, Y.H.; Wu, T.X.; Zhai, D.W.; Zhao, C.H.; Zhou, Y.F.; Qin, Y.G.; Su, J.S.; Qin, H. Hybrid Decision Based on DNN and DTC for Model Predictive Torque Control of PMSM. Symmetry 2022, 14, 693. [Google Scholar] [CrossRef]
- Dendouga, A. A comparative study between the PI and SM controllers used by nonlinear control of induction motor fed by SVM matrix converter. IETE J. Res. 2022, 68, 3019–3029. [Google Scholar] [CrossRef]
- El Haissouf, M.; El Haroussi, M.; Ba-Razzouk, A. DSP In the Loop implementation of an enhanced Direct Torque Control for Induction Motor drive. In Proceedings of the 2nd International Conference on Innovative Research in Applied Science, Engineering and Technology (IRASET), Meknes, Morocco, 3–4 March 2022; IEEE: New York, NY, USA, 2022. [Google Scholar]
- Soliman, A.I.; Vedadi, M.; Kahia, B.; Abdelrahem, M.; Kennel, R. Flexible Test Bench Arrangement and Particular Implementation of Three Level IGBT Based VSI for Self-Sensing Model Predictive Control of Induction Motor. In Proceedings of the 21st Workshop on Control and Modeling for Power Electronics (COMPEL), Aalborg, Denmark, 09–12 November 2020; IEEE: New York, NY, USA, 2020. [Google Scholar]
- Lakka, M.; Koutroulis, E.; Dollas, A. Development of an FPGA-based SPWM generator for high switching frequency DC/AC inverters. IEEE Trans. Power Electron. 2013, 29, 356–365. [Google Scholar] [CrossRef]
- Alouane, A.; Rhouma, A.B.; Khedher, A. FPGA implementation of a new DTC strategy dedicated to delta inverter-fed BLDC motor drives. Electr. Power Compon. Syst. 2018, 46, 688–700. [Google Scholar] [CrossRef]
- Moussa, I.; Khedher, A. Software in-the-Loop Simulation of an Advanced SVM Technique for 2ϕ-Inverter Control Fed a TPIM as Wind Turbine Emulator. Electronics 2022, 11, 187. [Google Scholar] [CrossRef]
- Tatte, Y.; Aware, M.; Khadse, C. Torque ripple reduction in three-level five-phase inverter-fed five-phase induction motor. Electr. Eng. 2022, 1–13. [Google Scholar] [CrossRef]
- Krim, S.; Gdaim, S.; Mtibaa, A.; Mimouni, M.F. Control with high performances based DTC strategy: FPGA implementation and experimental validation. EPE J. 2019, 29, 82–98. [Google Scholar] [CrossRef]
- Sun, X.; Wu, J.; Lei, G.; Guo, Y.; Zhu, J. Torque ripple reduction of SRM drive using improved direct torque control with sliding mode controller and observer. IEEE Trans. Ind. Electron. 2020, 68, 9334–9345. [Google Scholar] [CrossRef]
- Lascu, C.; Argeseanu, A.; Blaabjerg, F. Supertwisting sliding-mode direct torque and flux control of induction machine drives. IEEE Trans. Power Electron. 2019, 35, 5057–5065. [Google Scholar] [CrossRef]
- Maes, J.; Melkebeek, J.A. Speed-sensorless direct torque control of induction motors using an adaptive flux observer. IEEE Trans. Ind. Appl. 2000, 36, 778–785. [Google Scholar] [CrossRef]
- Martins, C.A.; Roboam, X.; Meynard, T.A.; Carvalho, A.S. Switching frequency imposition and ripple reduction in DTC drives by using a multilevel converter. IEEE Trans. Power Electron. 2002, 17, 286–297. [Google Scholar] [CrossRef]
- Jnayah, S.; Khedher, A. DTC of Induction Motor Drives Fed by Two and Three-Level Inverter: Modeling and Simulation. In Proceedings of the 19th International Conference on Sciences and Techniques of Automatic Control and Computer Engineering (STA), Sousse, Tunisia, 24–26 March 2019; IEEE: New York, NY, USA, 2019. [Google Scholar]
- Jnayah, S.; Khedher, A. Fuzzy-Self-Tuning PI Speed Regulator for DTC of Three-Level Inverter fed IM. In Proceedings of the 17th International Multi-Conference on Systems, Signals & Devices (SSD), Monastir, Tunisia, 20–23 July 2020; IEEE: New York, NY, USA, 2021. [Google Scholar]
- Jnayah, S.; Khedher, A. Improvement of DTC Performance of Three Level Inverter Fed IM Drive with High Gain Flux Observer. In Proceedings of the International Conference on Digital Technologies and Applications (ICDTA), Fez, Morocco, 28–30 January; Springer: Cham, Switzerland, 2022. [Google Scholar]
- Tatte, Y.N.; Aware, M.V. Torque ripple and harmonic current reduction in a three-level inverter-fed direct-torque-controlled five-phase induction motor. IEEE Trans. Ind. Electron. 2017, 64, 5265–5275. [Google Scholar] [CrossRef]
- Tatte, Y. Torque ripple minimization with modified comparator in DTC based three-level five-phase inverter fed five-phase induction motor. IET Power Electron. 2021, 14, 1713–1723. [Google Scholar] [CrossRef]
- Ammar, A.; Bourek, A.; Benakcha, A. Robust SVM-direct torque control of induction motor based on sliding mode controller and sliding mode observer. Front. Energy 2020, 14, 836–849. [Google Scholar] [CrossRef]
- Zerzeri, M.; Jallali, F.; Khedher, A. A Robust Nonlinear Control Based on SMC Approach for Doubly-Fed Induction Motor Drives Used in Electric Vehicles. In Proceedings of the of the International Conference on Signal, Control and Communication (SCC), Hammamet, Tunisia, 16–18 December 2019; IEEE: New York, NY, USA, 2020. [Google Scholar]
- Ferhat, N.; Aounallah, T.; Essounbouli, N.; Hamzaoui, A.; Bouchafaa, F. Fractional Adaptive Fuzzy Sliding Mode Control Algorithm for Permanent Magnet Synchronous Generators. In Proceedings of the International Conference on Control, Automation and Diagnosis (ICCAD), Grenoble, France, 3–5 November 2021; IEEE: New York, NY, USA, 2021. [Google Scholar]
- Ullah, M.I.; Ajwad, S.A.; Irfan, M.; Iqbal, J. Non-linear control law for articulated serial manipulators: Simulation augmented with hardware implementation. Elektron. Ir. Elektrotechnika 2016, 22, 3–7. [Google Scholar] [CrossRef]
- Iqbal, J.; Ullah, M.I.; Khan, A.A.; Irfan, M. Towards sophisticated control of robotic manipulators: An experimental study on a pseudo-industrial arm. Strojniški vestnik. J. Mech. Eng. 2015, 61, 465–470. [Google Scholar] [CrossRef]
- Benkahla, M.; Taleb, R.; Boudjema, Z. A new robust control using adaptive fuzzy sliding mode control for a DFIG supplied by a 19-level inverter with less number of switches. Электрoтехника И Электрoмеханика 2018, 4, 11–19. [Google Scholar] [CrossRef]
















| Ref. | Proposed Method | Motor Type | Converter Type | Current THD | Support | Programming Language |
|---|---|---|---|---|---|---|
| [10] | DTC based on twelve sectors and modified hysteresis controllers | Three-phase IM | Two-level inverter | 19.92% | DSP TMS320F28069M | C |
| [15] | DTC based on a specific selection of the inverter switching states | Five-phase IM | Three-level five-phase inverter | 11.59% | DSP TMS320F28377S | C |
| [16] | DTC based on intelligent technique | Three-phase IM | Two-level inverter | 5.882% | FPGA Virtex 5 | XSG |
| [17] | DTC with sliding mode controller and observer | Four-phase switched reluctance motor | Asymmetrical half-bridge | - | dsPACE 1401 | C |
| [18] | Supertwisting sliding mode DTC | Three-phase IM | Two-level inverter | - | TMS320F28335 eZdsp platform | C++ |
| This work | DTC based on sliding mode theory | Three-phase IM | Three-level NPC inverter | 4.19% | FPGA Virtex 5 | XSG |
| At t = 0.4 s | At t = 1 s | At t = 1.5 s | |
|---|---|---|---|
| Speed drop with DTC strategy under load variation | 29.7 rad/s | 13.8 rad/s | 4.8 rad/s |
| Speed drop with DTC-SM strategy under load variation | 0.4 rad/s | 0.4 rad/s | 0.07 rad/s |
| Speed | Torque | Flux | Current | |
|---|---|---|---|---|
| Errors between Simulink and XSG | 0.066% | 1% | 0.022% | 0.69% |
Publisher’s Note: MDPI stays neutral with regard to jurisdictional claims in published maps and institutional affiliations. |
© 2022 by the authors. Licensee MDPI, Basel, Switzerland. This article is an open access article distributed under the terms and conditions of the Creative Commons Attribution (CC BY) license (https://creativecommons.org/licenses/by/4.0/).
Share and Cite
Jnayah, S.; Moussa, I.; Khedher, A. IM Fed by Three-Level Inverter under DTC Strategy Combined with Sliding Mode Theory. Electronics 2022, 11, 3656. https://doi.org/10.3390/electronics11223656
Jnayah S, Moussa I, Khedher A. IM Fed by Three-Level Inverter under DTC Strategy Combined with Sliding Mode Theory. Electronics. 2022; 11(22):3656. https://doi.org/10.3390/electronics11223656
Chicago/Turabian StyleJnayah, Salma, Intissar Moussa, and Adel Khedher. 2022. "IM Fed by Three-Level Inverter under DTC Strategy Combined with Sliding Mode Theory" Electronics 11, no. 22: 3656. https://doi.org/10.3390/electronics11223656
APA StyleJnayah, S., Moussa, I., & Khedher, A. (2022). IM Fed by Three-Level Inverter under DTC Strategy Combined with Sliding Mode Theory. Electronics, 11(22), 3656. https://doi.org/10.3390/electronics11223656

