A Multimodal Modulation Scheme for Electric Vehicles’ Wireless Power Transfer Systems, Based on Secondary Impedance
Abstract
1. Introduction
2. Circuit Analysis
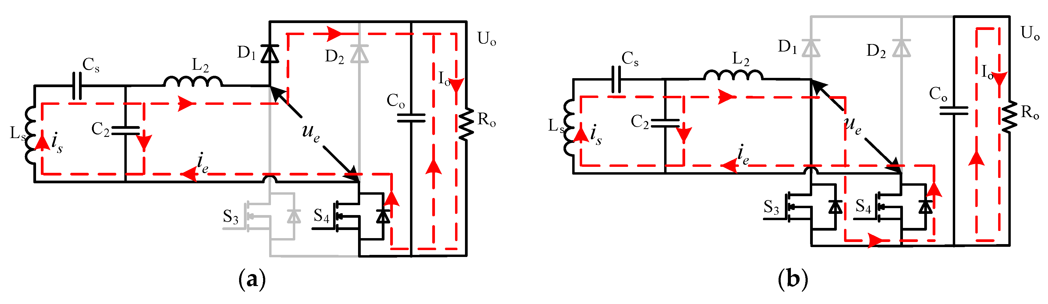
2.1. Circuit Working Principle
2.2. Control Principle and Analysis of the Rectifier Circuit
2.3. System Performance and Parameters Analysis
3. Proposed Control Strategy
3.1. Range Constraints of System Parameter Values
3.2. Proposed Control Method Based on Impedance Working Modes
4. Experimental Validation
5. Conclusions
Author Contributions
Funding
Conflicts of Interest
References
- Ruddell, S.; Madawala, U.K.; Thrimawithana, D.J. A Wireless EV Charging Topology with Integrated Energy Storage. IEEE Trans. Power Electron. 2020, 35, 8965–8972. [Google Scholar] [CrossRef]
- Liu, Y.; Madawala, U.K.; Mai, R.; He, Z. Zero-Phase-Angle Controlled Bidirectional Wireless EV Charging Systems for Large Coil Misalignments. IEEE Trans. Power Electron. 2020, 35, 5343–5353. [Google Scholar] [CrossRef]
- Luo, Z.; Wei, X.; Pearce, M.G.S.; Covic, G.A. Multiobjective Optimization of Inductive Power Transfer Double-D Pads for Electric Vehicles. IEEE Trans. Power Electron. 2020, 36, 5135–5146. [Google Scholar] [CrossRef]
- Mi, C.C.; Buja, G.; Choi, S.Y.; Rim, C.T. Modern Advances in Wireless Power Transfer Systems for Roadway Powered Electric Vehicles. IEEE Trans. Ind. Electron. 2016, 63, 6533–6545. [Google Scholar] [CrossRef]
- El-Shahat, A.; Ayisire, E. Novel Electrical Modeling, Design and Comparative Control Techniques for Wireless Electric Vehicle Battery Charging. Electronics 2021, 10, 2842. [Google Scholar] [CrossRef]
- IEC 61980-1:2020; Electric Vehicle Wireless Power Transfer (WPT) Systems—Part 1: General Requirements. IEC: Geneva, Switzerland, 2020. Available online: https://webstore.iec.ch/publication/31657 (accessed on 1 February 2022).
- ISO 19363:2020; Electrically Propelled Road Vehicles—Magnetic Field Wireless Power Transfer—Safety and Interoperability Requirements. ISO: Geneva, Switzerland, 2020. Available online: https://www.iso.org/standard/73547.html (accessed on 1 February 2022).
- Wireless Power Transfer for Light-Duty Plug-in/Electric Vehicles and Alignment Methodology J2954_202010. Available online: https://www.sae.org/standards/content/j2954_202010/ (accessed on 1 February 2022).
- Electric Vehicle Wireless Power Transfer—Part 1: General Requirements. Available online: http://std.samr.gov.cn/gb/search/gbDetailed?id=A47A713B75C414ABE05397BE0A0ABB25 (accessed on 1 February 2022).
- Li, W.; Zhao, H.; Deng, L.; Li, S.; Mi, C.C. Comparison Study on SS and Double-Sided LCC Compensation Topologies for EV/PHEV Wireless Chargers. IEEE Trans. Veh. Technol. 2016, 65, 4429–4439. [Google Scholar] [CrossRef]
- Kan, T.; Lu, F.; Nguyen, T.; Mercier, P.P.; Mi, C.C. Integrated Coil Design for EV Wireless Charging Systems Using LCC Compensation Topology. IEEE Trans. Power Electron. 2018, 33, 9231–9241. [Google Scholar] [CrossRef]
- Ali, N.; Liu, Z.; Hou, Y.; Armghan, H.; Wei, X.; Armghan, A. LCC-S Based Discrete Fast Terminal Sliding Mode Controller for Efficient Charging through Wireless Power Transfer. Energies 2020, 13, 1370. [Google Scholar] [CrossRef]
- Zakerian, A.; Vaez-Zadeh, S.; Babaki, A. A Dynamic WPT System with High Efficiency and High Power Factor for Electric Vehicles. IEEE Trans. Power Electron. 2020, 35, 6732–6740. [Google Scholar] [CrossRef]
- Kim, N.Y.; Kim, K.Y.; Choi, J.; Kim, C.W. Adaptive frequency with power-level tracking system for efficient magnetic resonance wireless power transfer. Electron. Lett. 2012, 48, 452–453. [Google Scholar] [CrossRef]
- Miller, J.M.; Onar, O.C.; Chinthavali, M. Primary-Side Power Flow Control of Wireless Power Transfer for Electric Vehicle Charging. IEEE J. Emerg. Sel. Top. Power Electron. 2015, 3, 147–162. [Google Scholar] [CrossRef]
- Tian, Y.; Zhu, Z.; Xiang, L.; Tian, J. Vision-Based Rapid Power Control for a Dynamic Wireless Power Transfer System of Electric Vehicles. IEEE Access 2020, 8, 78764–78778. [Google Scholar] [CrossRef]
- Gong, L.; Xiao, C.; Cao, B.; Zhou, Y. Adaptive Smart Control Method for Electric Vehicle Wireless Charging System. Energies 2018, 11, 2685. [Google Scholar] [CrossRef]
- Li, S.; Li, W.; Deng, J.; Nguyen, T.D.; Mi, C.C. A Double-Sided LCC Compensation Network and Its Tuning Method for Wireless Power Transfer. IEEE Trans. Veh. Technol. 2015, 64, 2261–2273. [Google Scholar] [CrossRef]
- Jiang, Y.; Wang, L.; Fang, J.; Li, R.; Han, R.; Wang, Y. A High-Efficiency ZVS Wireless Power Transfer System for Electric Vehicle Charging with Variable Angle Phase Shift Control. IEEE J. Emerg. Sel. Top. Power Electron. 2020, 9, 2356–2372. [Google Scholar] [CrossRef]
- Wu, J.; Bie, L.; Kong, W.; Gao, P.; Wang, Y. Multi-Frequency Multi-Amplitude Superposition Modulation Method With Phase Shift Optimization for Single Inverter of Wireless Power Transfer System. IEEE Trans. Circuits Syst. I Regul. Pap. 2021, 68, 2271–2279. [Google Scholar] [CrossRef]
- Xia, C.; Jia, R.; Shi, Y.; Hu, A.P.; Zhou, Y. Simultaneous Wireless Power and Information Transfer Based on Phase-Shift Modulation in ICPT System. IEEE Trans. Energy Convers. 2020, 36, 629–639. [Google Scholar] [CrossRef]
- Yao, Y.; Gao, S.; Wang, Y.; Liu, X.; Zhang, X.; Xu, D. Design and Optimization of an Electric Vehicle Wireless Charging System Using Interleaved Boost Converter and Flat Solenoid Coupler. IEEE Trans. Power Electron. 2020, 36, 3894–3908. [Google Scholar] [CrossRef]
- Kim, M.J.; Woo, J.W.; Kim, E.S. Single stage AC-DC converter for wireless power transfer operating within wide voltage control range. J. Power Electron. 2021, 21, 768–781. [Google Scholar] [CrossRef]


















| Requirements | Classifications | Values |
|---|---|---|
| Gap | Z1 | 100–150 (mm) |
| Gap | Z2 | 140–210 (mm) |
| Gap | Z3 | 170–250 (mm) |
| Input power level | WPT1 | 3.7 (kW) |
| Input power level | WPT2 | 7.7 (kW) |
| Input power level | WPT3 | 11.1 (kW) |
| Tolerance | X-axis (EV moving direction) | ±75 (mm) |
| Tolerance | Y-axis (vertical direction of X-axis) | ±100 (mm) |
| System efficiency | Aligned | ≥85% |
| System efficiency | Misalignment | ≥80% |
| Parameters | Values | Parameters | Values | Parameters | Values | Parameters | Values |
|---|---|---|---|---|---|---|---|
| L1 (μH) | 22 | Cs (nH) | 60.349 | Ls-kmin (μH) | 65.517 | kmin | 0.093 |
| L2 (μH) | 8.1 | Uout (V) | 300–450 | Mmax (μH) | 14.53 | Iin-max (A) | 45 |
| C1 (nH) | 157.5 | Lp-kmax (μH) | 46.795 | Mmin (μH) | 5.163 | Ie-max (A) | 45 |
| C2 (nH) | 427.783 | Lp-kmin (μH) | 45.018 | Udc (V) | 100 | F (kHz) | 85.5 |
| Cp (nH) | 136 | Ls-kmax (μH) | 67.79 | kmax | 0.263 | R0 (Ω) | 10.0 |
| Parameters | Maximum Values | k Set | D Value Range |
|---|---|---|---|
| Uin (V) | 1200 | kmin | 0–0.21 |
| Uin (V) | 1200 | kmax | 0–0.338 |
| Iin (A) | 45 | kmin | 0–0.4 |
| Iin (A) | 45 | kmax | 0.254–0.4 |
| Ip (A) | 70 | kmin | 0–0.132 |
| Ip (A) | 70 | kmax | 0–0.298 |
| Is (A) | 100 | arbitrary values | 0–0.4 |
| Is (A) | 1200 | arbitrary values | 0–0.235 |
| Parameters | Constraint Values | ||||
|---|---|---|---|---|---|
| Ip | 10 | 20 | 30 | 40 | 42.6 |
| β | NaN | 0 | ≤46.5 | ≤58 | ≤90 |
Publisher’s Note: MDPI stays neutral with regard to jurisdictional claims in published maps and institutional affiliations. |
© 2022 by the authors. Licensee MDPI, Basel, Switzerland. This article is an open access article distributed under the terms and conditions of the Creative Commons Attribution (CC BY) license (https://creativecommons.org/licenses/by/4.0/).
Share and Cite
Liu, W.; Hu, C.; Xiang, L. A Multimodal Modulation Scheme for Electric Vehicles’ Wireless Power Transfer Systems, Based on Secondary Impedance. Electronics 2022, 11, 3055. https://doi.org/10.3390/electronics11193055
Liu W, Hu C, Xiang L. A Multimodal Modulation Scheme for Electric Vehicles’ Wireless Power Transfer Systems, Based on Secondary Impedance. Electronics. 2022; 11(19):3055. https://doi.org/10.3390/electronics11193055
Chicago/Turabian StyleLiu, Wei, Chao Hu, and Lijuan Xiang. 2022. "A Multimodal Modulation Scheme for Electric Vehicles’ Wireless Power Transfer Systems, Based on Secondary Impedance" Electronics 11, no. 19: 3055. https://doi.org/10.3390/electronics11193055
APA StyleLiu, W., Hu, C., & Xiang, L. (2022). A Multimodal Modulation Scheme for Electric Vehicles’ Wireless Power Transfer Systems, Based on Secondary Impedance. Electronics, 11(19), 3055. https://doi.org/10.3390/electronics11193055

