Next Article in Journal
Development of an Android Mobile Application for Reducing Sitting Time and Increasing Walking Time in People with Type 2 Diabetes
Next Article in Special Issue
A 16-Bit 120 MS/s Pipelined ADC Using a Multi-Level Dither Technique
Previous Article in Journal
Traffic Flow Prediction Based on Multi-Mode Spatial-Temporal Convolution of Mixed Hop Diffuse ODE
 
 
Font Type:
Arial Georgia Verdana
Font Size:
Aa Aa Aa
Line Spacing:
Column Width:
Background:
Article

A Capacitorless Flipped Voltage Follower LDO with Fast Transient Using Dynamic Bias

1
Institute of Microelectronics of the Chinese Academy of Sciences, Beijing 100029, China
2
University of Chinese Academy of Sciences, Beijing 100049, China
3
Zunyi Normal College, Zunyi 563006, China
*
Author to whom correspondence should be addressed.
Electronics 2022, 11(19), 3009; https://doi.org/10.3390/electronics11193009
Submission received: 15 August 2022 / Revised: 9 September 2022 / Accepted: 19 September 2022 / Published: 22 September 2022

Abstract

:
The output capacitorless low-dropout regulator (OCL-LDO) has developed rapidly in recent years. This paper presents a flipped voltage follower (FVF) OCL-LDO with fast transient response. By adding a dynamic bias circuit to the FVF circuit, the proposed LDO has the ability to quickly adjust the gate voltage of the power transistor, without extra power consumption. The proposed LDO was designed in 0.18 μm CMOS process. The simulation results show that the recovery time is 52 ns when the load changes from 0.1 mA to 20 mA with a slew rate of 20 mA/ps, while the quiescent current is 92 μA with 1 V regulated output. The undershoot and overshoot voltage are 242 mV and 250 mV, respectively.

1. Introduction

Power management integrated circuits (PMICs) are playing an increasingly important role in system-on-a-chip (SOC). The function of electronic products is related to PMICs. High-performance PMICs with high stability, fast dynamic response and high efficiency have become more important. With the advantages of simple structure, low quiescent current, wide bandwidth and noise suppression ability [1,2,3,4,5], LDOs are widely used in wearable intelligence devices, memory, etc. [6,7,8,9,10].
Due to the existence of a large off-chip capacitor in traditional LDOs [11,12,13,14,15,16,17,18], the stability of the traditional LDO is not guaranteed. The dominant pole of the traditional LDO is at the output node, so the dominant pole of the traditional LDO will change under different load conditions. With an increase in load, the dominant pole moves to a low frequency, which causes instability of the LDO system. The traditional LDO regulator with a large output capacitor has the disadvantages of high design complexity, large chip area and high cost [1,19], and this will limit the fully integrated ability of modern SOCs. However, in fully integrated LDOs, the transient and stability will degrade significantly due to the absence of the off-chip capacitor, thus becoming major design challenges.
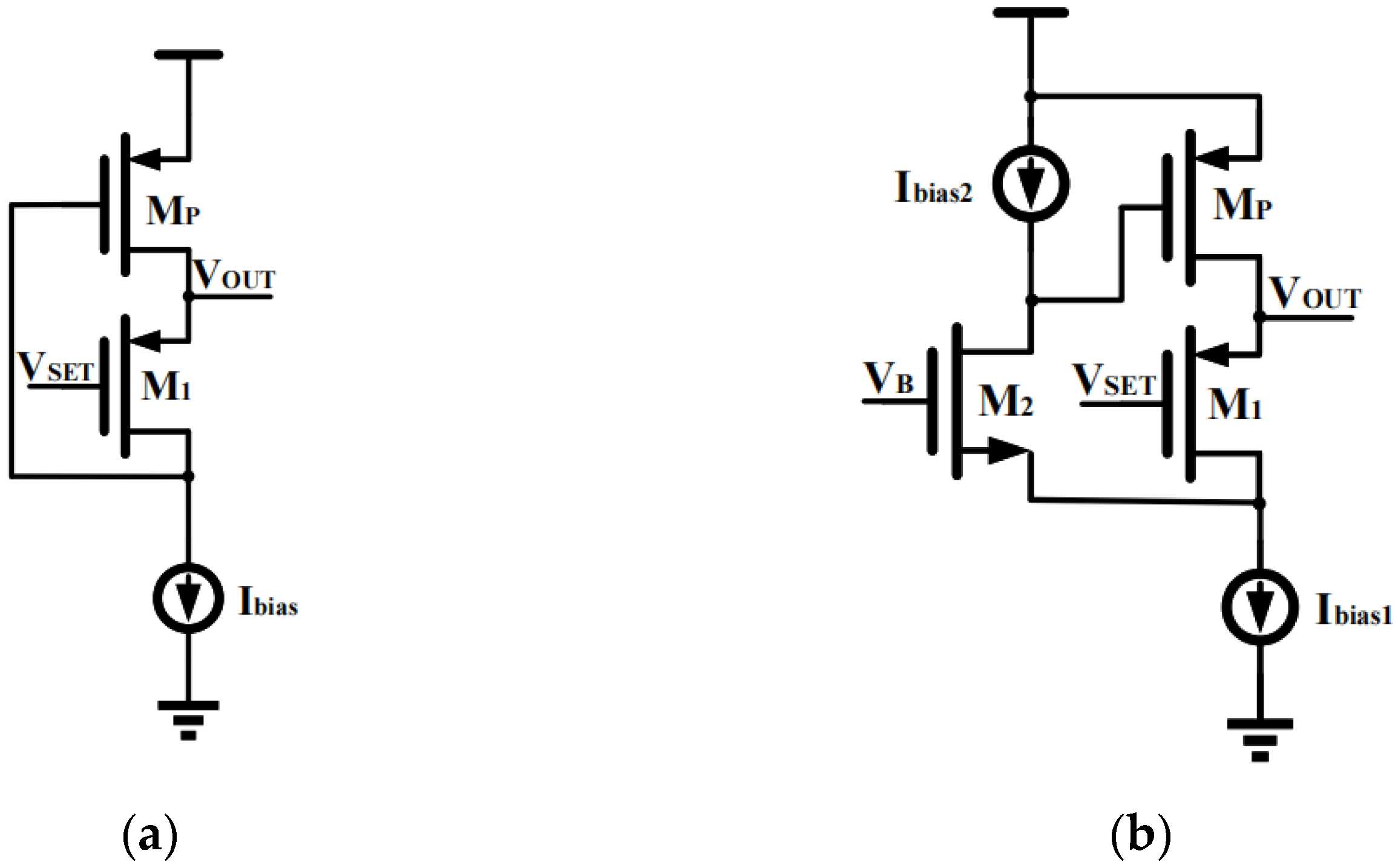
Many methods have emerged to tackle these issues. For example, in [12,18], a slew-rate enhancement circuit and dynamic transient control circuit were used to improve the transient response, but the impedance of the output still changed with the load, so a large Miller capacitor was used to ensure stability at low load. The FVF structure [20,21,22,23] gives another way of compensation, and it can make the output pole independent of the loading. Figure 1a shows the FVF circuit. MP is the power transistor, and VSET is the input voltage. Because of the small impedance of the FVF structure [24], the output pole is independent of the load and moves to a high frequency. The output impedance can be expressed as
R O U T = 1 g m 1 | | R l o a d
In Equation (1), gm1 is the transconductance of M1. Equation (1) indicates that ROUT is related to gm1 and much smaller than the load resistance; therefore, the output pole does not vary with the load, and the stability problem is solved.
In Figure 1a, the FVF structure decreases the output resistance [25,26] and moves the non-dominant pole, which is constituted by output resistance and output capacitance, into a high frequency, but the stability issues still need to be considered if the two poles are close enough. However, the low loop gain of the FVF structure affects the response time, line regulation and load regulation in the stable output state [8,27,28]. The FVF structure can be replaced by a folded FVF structure [25,29,30,31,32], as illustrated in Figure 1b. With the addition of cascade transistor M2 in the feedback loop, the loop gain of the folded FVF is improved.
However, fast transient response is an important requirement in the OCL-LDO because there is no external output capacitor to decrease the output variations when the transient occurs. In Figure 1b, Ibias1 and Ibias2 determine the transient response, and a large bias current will consume more power. The authors of [29] presented a voltage spike detection circuit based on capacitive coupling. This circuit realized bias current change in load changes, but the capacitor consumed a greater area. The authors of [33] proposed a novel positive transient detection circuit to improve the transient response, but the better effect was achieved only with heavy to light load changes. This paper proposes a dynamic bias generation circuit for fast charging/discharging of the large gate-source parasitic capacitance of the power transistor MP by using an MOS to detect changes in the output. Fast transient response is achieved by dynamically adjusting the bias currents Ibias1 and Ibias2 when the load changes.
This article is organized as follows. Section 2 elaborates on the structure and principle of the proposed dynamic bias circuit. In Section 3, the implementation of the LDO circuit is described. Simulation results are presented in Section 4. Finally, Section 5 concludes the paper.

2. Proposed Dynamic Bias Circuit

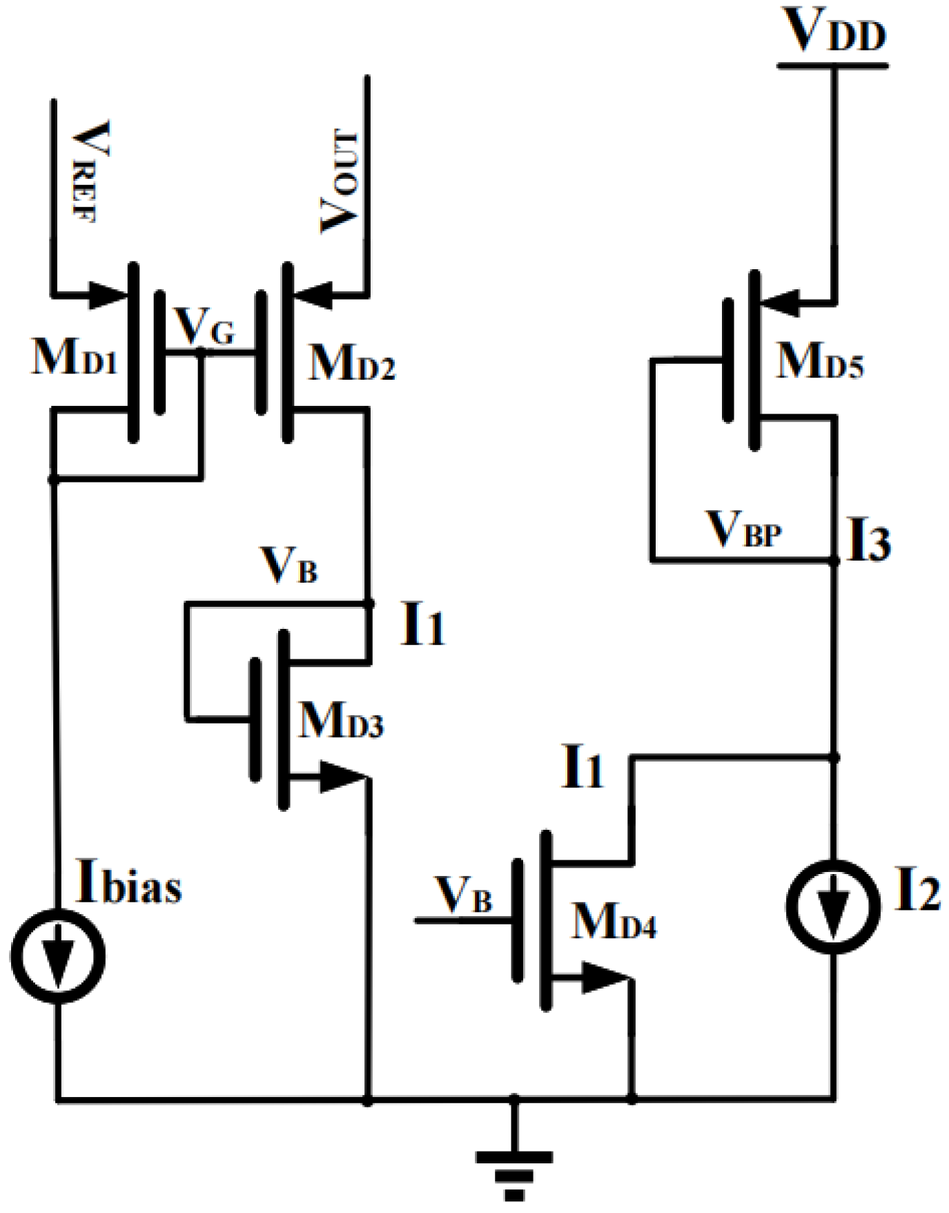
The concept of the proposed dynamic bias circuit is illustrated in Figure 2. The circuit consists of five MOS transistors, MD1-5, and two constant bias currents, Ibias and I2. VREF is a constant voltage. The function of MD2 is to detect the change in voltage VOUT directly. I1 is influenced by the change in VOUT and then affects I3 because I3 = I2 + I1. In the steady state, VOUT remains constant, and VGS1 is constant to give a fixed current I1. The current I1 can be expressed as
I 1 = 1 2 μ n C o x ( W L ) M D 2 ( V G S 2 V T H ) 2
In Equation (2), VGS2 is the gate-source voltage of MD2 in the steady state. The gate and source voltages of MD2 remain unchanged; consequently, I3 is a stationary current in steady state.
In the steady state, VOUT equals VREF. However, when VOUT increases instantaneously, the variation is ΔV. The source of MD2 detects the change, then |VGS2| increases momentarily to increase I1. I1 can be found from
I 1 + Δ I 1 = 1 2 μ n C o x ( W L ) M D 2 ( V G , M D 2 V O U T V T H ) 2 = 1 2 μ n C o x ( W L ) M D 2 ( | V G S 2 | + Δ V V T H ) 2
The extract current ΔI1 is given by
Δ I 1 = 1 2 μ n C o x ( W L ) M D 2 [ ( | V G S 2 | + Δ V V T H ) 2 ( | V G S 2 | V T H ) 2 ] = μ n C o x ( W L ) M D 2 ( | V G S 2 | + Δ V 2 V T H ) Δ V
Equation (4) shows that large W/L and ΔV are conducive to increasing I1; thus, MD2 injects more transient current into I3. When VOUT returns to a constant voltage level, VGS2 is in a steady state once again, then I1 returns to the stable value.
Similarly, when VOUT decreases, |VGS2| decreases, then I1 is reduced, and I3 is also affected. Figure 3 illustrates the variation in I1 and I2 when VOUT changes. I1 changes with the variation in VOUT, and I3 changes as well.

3. Circuit Design

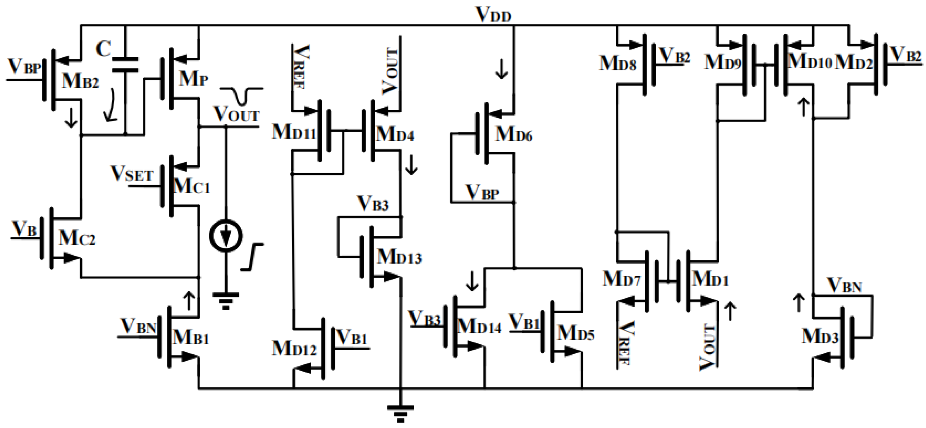
The proposed LDO circuit structure implementation presented in this paper is shown in Figure 4.
The proposed LDO is formed by a folded FVF circuit, the proposed dynamic bias circuit, an amplifier, and a power transistor, MP. To ensure the performance of the circuit, the folded FVF was adopted to improve the circuit gain. MC1–MC2 and two bias currents I1–I2 make up the folded FVF circuit. VSET as the input of the folded FVF is generated by the amplifier. VB is a constant voltage.
Figure 5 shows the dynamic bias circuit. MOS transistors MD1–MD14 comprise the dynamic bias circuit. VB1 and VB2 are constant voltages. The sources of MD1 and MD4 are connected to VOUT to achieve direct detection of the voltage spike created at the transient instant. MD3 and MD6 were developed to generate new dynamic bias voltages VBN and VBP; they are dynamic bias currents I1 and I2 in the folded FVF circuit.
In the dynamic bias circuit, the drop (or increase) in VOUT is detected by the source of MD1 and subsequently decreases (or increases) the gate voltage of MP through the signal path formed by MD3 and I1. Similarly, MD4 also senses the drop (or increase) in VOUT to increase (or decrease) the gate voltage of MD6 and finally decrease (or increase) the gate voltage of MP via the signal path formed by I2 and MC2.
The constant current sources generated by MD2 and MD5 are added to the circuit. This avoids excessively high or low VOUT resulting in extremely low currents generated by MD1 and MD4.
When ILOAD suddenly increases, VOUT drops rapidly. The signal response is shown in Figure 6. In Figure 6, the capacitor C is the parasitic capacitor of the gate and source of MP. The direction of the arrow in the capacitor represents discharge or charge current.
The change is sensed by the source of MD1 and MD4. Due to the drop in VOUT, |VGS| of MD1 increases; thus, the current of MD3 rises. At the same time, the alteration of the voltage leads to a sharp and momentary decrease in |VGS| of MD4, which reduces the current of MD4. Because of the drop in VOUT, |VGS| of MC1 decreases, and then the current of MC1 is diminished. The current flowing through MC2 is
I M C 2 = I M B 1 I M C 1 = I M D 1 + Δ I M D 1 + I M D 2 ( I M C 1 Δ I M C 1 )
In Equation (5), IMC1 and IMD1 are the steady-state currents of MC1 and MD1. ΔIMC1 and ΔIMD1 are the variations. We know from Equation (5) that IMC2 increases. The capacitor C then discharges. The discharge current of C is
I d i s c h arg e = I M C 2 I M B 2 = I M C 2 ( I M D 4 Δ I M D 4 + I M D 5 )
IMD4 is the current of MD4 in the steady state, and ΔIMD4 is the variation. Accelerated discharge of C, decreased gate voltage of MP, and increased output current are achieved due to MC1, MB1− and MB2. When VOUT is regulated back to the nominal value, the bias condition of the circuit returns to normal.
Similarly, when ILOAD decreases suddenly, VOUT increases. The signal response is shown in Figure 7.
The change in VOUT is detected by MD1 and MD4 again to reduce the |VGS| of MD1 and increase the |VGS| of MD4 simultaneously. Due to the sharp increase in VOUT, |VGS| of MC1 goes up, and the current of MC1 rises. The current flowing through MC2 is
I M C 2 = I M B 1 I M C 1 = I M D 1 Δ I M D 1 + I M D 2 ( I M C 1 + Δ I M C 1 )
We know from Equation (7) that IMC2 decreases. The capacitor C is then charged. The charging current of C is
I c h arg e = I M B 2 I M C 2 = ( I M D 4 + Δ I M D 4 + I M D 5 ) I M C 2
C is charged up to reduce the current provided by MP to the load. The operation is automatically shut down again when VOUT returns to the steady state.
The small-signal model of the proposed folded FVF LDO is shown in Figure 8.
RB and CB are the equivalent resistance and capacitance at node B. The resistance and capacitance are
R B = r o M B 2   | |   g m c 2 r o M C 2 r o M B 1
C B = C G S P + ( 1 + g m p R o u t ) C 1
In Equations (9) and (10), gMC2 and gmp are the transconductances of MC2 and MP; roMB1, roMB2 and roMC2 are the drain output resistances of MB1, MB2 and MC2; and CGSP is the gate source capacitance of MP.
The resistance and capacitance of the output node are
R O U T = 1 g m c 1 | | 1 g m D 1 | | 1 g m D 4 | | r o p | | R l o a d
C O U T = C 1 + C G S M C 1 + C G S M D 1 + C G S M D 4 + C p a r a
In Equations (11) and (12), gMC1, gmD1 and gmD4 are the transconductances of MC1, MD1 and MD4; rop is the drain output resistor of MP; CGSMC1, CGSMD1 and CGSMD4 are the gate source capacitance of MC1, MD1 and MD4; and Cpara is the parasitic capacitance in output node. The large RB and CB determine the position of the dominant pole.
Generally, Rload is larger than 1/gm; then, the output resistance is related to 1/gm, and this means that the ROUT has little correlation with Rload. The dominant pole is at node B, and the non-dominant pole at the output node is almost unchanged when the load changes, so the circuit is stable.

4. Simulation Results

The proposed LDO circuit was designed using 0.18 μm standard CMOS technology. The supply voltage was 1.8 V. The simulation results are presented here.
Figure 9 shows the frequency response of the proposed LDO at different ILOAD values (ILOAD = 0.1 mA and ILOAD = 20 mA). It can be seen that the phase margins are more than 85 in all conditions. This circuit is stable.
Figure 10 displays the quiescent current for different temperatures (−40 °C, 27 °C and 85 °C) and process corners. The quiescent current of the LDO circuit is 92 μA in the TT corner and at 27 °C. During load transition, the change in dynamic bias current causes the quiescent current to change; however, in the steady state, the quiescent current is constant. Therefore, the quiescent of LDO is stable at zero load and full load.
In Figure 11, the transient response simulation results of the LDO without and with the proposed dynamic bias circuit are shown. The load current changes from 0.1 mA to 20 mA with a rise/fall time of 1 ps.
Tsettle is the recovery time when VOUT settles back to 1% accuracy [33]. As shown in Figure 11, the undershoot, overshoot and recovery time of the LDO without the proposed dynamic bias circuit were about 248 mV, 260 mV and 177 ns, respectively, while those of the LDO with the proposed circuit were about 242 mV, 250 mV and 52 ns only, respectively. The transient benefitted from the dynamic bias current and large bias current.
Figure 12 shows the simulated recovery time versus process corners and temperature variations. As can be seen, across all process corners at −40 °C, 27 °C and 85 °C, the max recovery time was 59 ns at 85 °C in the SS corner, while the min recovery time was 45 ns at −40 °C in the FF corner.
Figure 13 and Figure 14 present the simulated overshoot and undershoot against process corners and temperature variations (−40 °C, 27 °C and 85 °C). The max overshoot was 283 mV at 85 °C in the SS corner, while the min overshoot was 217 mV at −40 °C in the FS corner. The max undershoot was 280 mV at 85 °C in the SS corner, and the min undershoot was 206 mV at −40 °C in the SS corner.
For the layout of the design, we used a 0.18 μm standard CMOS process. Figure 15 shows the layout of this design, with an active area of approximately 0.0235 mm2 (156.8 µm × 149.8 µm).
Table 1 summarizes the performance of the proposed LDO circuit and compares it with the prior state of the art in terms of quiescent current, on-chip capacitor, recovery time spike voltage, load regulation (LDR), line regulation (LNR) and power-supply rejection ratio (PSRR). Compared with the prior designs in Table 1, this paper achieves the shortest response time.
In Table 1, FOM1 is defined as in [26,34]; it can be expressed as
F O M 1 = K ( Δ V O U T I Q Δ I O U T )
In Equation (13), K is the edge-time ratio, which is defined by
K = Δ t   used   in   the   measurement the   smallest   Δ t   among   the   designs   for   comparison
In Equation (14), Δt is the edge time taken for the change in the output current.
FOM2 [35] can be expressed as
F O M 2 = T s e t t l e I Q I L o a d , max

5. Conclusions

This paper proposed a new dynamic bias technique applied in FVF OCL-LDO circuits. The output current of the power MOS is changed quickly due to the discharge/charge current of the gate of the power MOS increasing during the load current transition; thus, the output voltage returns to the steady state quickly. It achieves a fast transient response by only changing the bias currents during load transition, without increasing the quiescent current.
The proposed LDO was realized by a 0.18 µm CMOS process. The result shows that VOUT recovered to 1% in 52 ns when the load current changed from 0.1 mA to 20 mA, or back, with an edge time of 1 ps. The quiescent current was 92 μA under light and heavy load. The total on-chip capacitance was 2.8 pF, and the undershoot and overshoot were 242 mV and 250 mV, respectively. The proposed LDO is satisfactory for digital circuits and fully integrated body sensor chips.

Author Contributions

Conceptualization, Y.L. and M.C.; methodology, Y.L. and K.W.; software, Y.L. and Y.Y.; writing—original draft preparation, Y.L. and H.W.; writing—review and editing, Y.L. and H.W. All authors have read and agreed to the published version of the manuscript.

Funding

This work was supported by the National Key R&D Program of China (2019YFB2204200) and the External Cooperation Program of the Chinese Academy of Sciences (172511KYSB20180080), Qianjiaohe KY Zi [2018] 317, Zunyi Keheji [2018] No. 01.

Data Availability Statement

No new data were created or analyzed in this study. Data sharing is not applicable to this paper.

Conflicts of Interest

The authors declare no conflict of interest.

References

  1. Cai, G.; Lu, Y.; Zhan, C.; Martins, R.P. A Fully Integrated FVF LDO with Enhanced Full-Spectrum Power Supply Rejection. IEEE Trans. Power Electron. 2021, 36, 4326–4337. [Google Scholar] [CrossRef]
  2. Chong, S.S.; Chan, P.K. A Flipped Voltage Follower based low-dropout regulator with composite power transistor. In Proceedings of the 2011 International Symposium on Integrated Circuits, Singapore, 12–14 December 2011; pp. 472–475. [Google Scholar]
  3. Wang, B.; Zang, G.; Yang, M.; Tong, M.S. A Novel Output-capacitorless Low-Dropout Regulator for Power Management. In Proceedings of the 2019 Photonics & Electromagnetics Research Symposium—Fall, Xiamen, China, 17–20 December 2019; pp. 1247–1251. [Google Scholar]
  4. Ameziane, H.; Hassan, Q.; Kamal, Z.; Mohcine, Z. An enhancement transient response of capless LDO with improved dynamic biasing control for SoC applications. In Proceedings of the 2015 27th International Conference on Microelectronics, Casablanca, Morocco, 20–23 December 2015; pp. 122–125. [Google Scholar]
  5. Dong, L.; Zhang, Q.; Zhao, X.; Li, S.; Yu, L. Multiple Adaptive Current Feedback Technique for Small-Gain Stages in Adaptively Biased Low-Dropout Regulator. IEEE Trans. Power Electron. 2022, 37, 4039–4049. [Google Scholar] [CrossRef]
  6. Santra, A.; Khan, Q.A. A Power Efficient Output Capacitor-Less LDO Regulator with Auto-Low Power Mode and Using Feed-Forward Compensation. In Proceedings of the 2019 32nd International Conference on VLSI Design and 2019 18th International Conference on Embedded Systems, Delhi, India, 5–9 January 2019; pp. 36–40. [Google Scholar]
  7. Pereira-Rial, Ó.; López, P.; Carrillo, J.M.; Brea, V.M.; Cabello, D. An 11 mA Capacitor-Less LDO With 3.08 nA Quiescent Current and SSF-Based Adaptive Biasing. IEEE Trans. Circuits Syst. II Express Briefs 2022, 69, 844–848. [Google Scholar] [CrossRef]
  8. Panigrahi, A.; Mathew, A. A 1.2V On-chip Output-capacitor-less Low Dropout Regulator based on Flipped Voltage Follower in 45nm CMOS Technology. In Proceedings of the 2021 16th International Conference on Design & Technology of Integrated Systems in Nanoscale Era, Virtual, 28–30 June 2021; pp. 1–6. [Google Scholar]
  9. Valapala, H.; Furth, P.M. Analysis and design of fully integrated very low quiescent current LDOs. In Proceedings of the 2012 IEEE 55th International Midwest Symposium on Circuits and Systems, Boise, ID, USA, 5–8 August 2012; pp. 230–233. [Google Scholar]
  10. Yao, Y.; Zhao, M.; Wu, X. A Fully Integrated 5pF Output Capacitor, MOS-only Reference, 55-nm LDO with Optimized Area and Power for SoC Applications. IEICE Electron. Express 2022, 19, 20220051. [Google Scholar] [CrossRef]
  11. Blakiewicz, G. CMOS low-dropout regulator with improved time response. In Proceedings of the 18th International Conference Mixed Design of Integrated Circuits and Systems, Gliwice, Poland, 16–18 June 2011; pp. 279–282. [Google Scholar]
  12. Tang, J.; Lee, J.; Roh, J. Low-Power Fast-Transient Capacitor-Less LDO Regulator with High Slew-Rate Class-AB Amplifier. IEEE Trans. Circuits Syst. II Express Briefs 2019, 66, 462–466. [Google Scholar] [CrossRef]
  13. Tan, X.L.; Koay, K.C.; Chong, S.S.; Chan, P.K. A FVF LDO Regulator with Dual-Summed Miller Frequency Compensation for Wide Load Capacitance Range Applications. IEEE Trans. Circuits Syst. I Regul. Pap. 2014, 61, 1304–1312. [Google Scholar] [CrossRef]
  14. Li, Q.; Wang, K.; Zhao, J. A Capacitor-less LDO with Fast transient response using Push-Pull Buffer. In Proceedings of the 2019 IEEE International Conference on Electron Devices and Solid-State Circuits, Xi’an, China, 12–14 June 2019; pp. 1–3. [Google Scholar]
  15. Elkhatib, M.M. A capacitor-less LDO with improved transient response using neuromorphic spiking technique. In Proceedings of the 2016 28th International Conference on Microelectronics, Giza, Egypt, 17–20 December 2016; pp. 133–136. [Google Scholar]
  16. Peng, Y.; Huang, S.; Duan, Q. A Fast Transient Response LDO without on-chip Compensated Capacitor. In Proceedings of the 2021 4th International Conference on Electron Device and Mechanical Engineering, Guangzhou, China, 19–21 March 2021; pp. 163–166. [Google Scholar]
  17. Parikh, C.D.; Agarwal, G. New technique to improve transient response of LDO regulators without an off-chip capacitor. In Proceedings of the 2016 20th International Symposium on VLSI Design and Test, Guwahati, India, 24–27 May 2016; pp. 1–5. [Google Scholar]
  18. Pérez-Bailón, J.; Márquez, A.; Calvo, B.; Medrano, N. Transient-enhanced output-capacitorless CMOS LDO regulator for battery-operated systems. In Proceedings of the 2017 IEEE International Symposium on Circuits and Systems, Baltimore, MD, USA, 28–31 May 2017; pp. 1–4. [Google Scholar]
  19. Choe, Y.-J.; Nam, H.; Park, J.-D. A Low-Dropout Regulator with PSRR Enhancement through Feed-Forward Ripple Cancellation Technique in 65 nm CMOS Process. Electronics 2020, 9, 146. [Google Scholar] [CrossRef]
  20. Man, T.Y.; Leung, K.N.; Leung, C.Y.; Mok, P.K.T.; Chan, M. Development of Single-Transistor-Control LDO Based on Flipped Voltage Follower for SoC. IEEE Trans. Circuits Syst. I Regul. Pap. 2008, 55, 1392–1401. [Google Scholar] [CrossRef]
  21. Man, T.Y.; Mok, P.K.T.; Chan, M. A High Slew-Rate Push–Pull Output Amplifier for Low-Quiescent Current Low-Dropout Regulators with Transient-Response Improvement. IEEE Trans. Circuits Syst. II Express Briefs 2007, 54, 755–759. [Google Scholar] [CrossRef]
  22. Wang, L.; Mao, W.; Wu, C.; Chang, A.; Lian, Y. A fast transient LDO based on dual loop FVF with high PSRR. In Proceedings of the 2016 IEEE Asia Pacific Conference on Circuits and Systems, Jeju, Korea, 25–28 October 2016; Volume 99. [Google Scholar]
  23. Li, R.; Zeng, Y.; Lin, Y.; Yang, J.; Tan, H.-Z. High-PSR and fast-transient LDO regulator with nested adaptive FVF structure. In Proceedings of the 2020 IEEE International Conference on Integrated Circuits, Technologies and Applications, Nanjing, China, 23–25 November 2020; pp. 51–52. [Google Scholar]
  24. Carvajal, R.G.; Ramirez-Angulo, J.; Lopez-Martin, A.J.; Torralba, A.; Galan, J.A.G.; Carlosena, A.; Chavero, F.M. The flipped voltage follower: A useful cell for low-voltage low-power circuit design. IEEE Trans. Circuits Syst. I Regul. Pap. 2005, 52, 1276–1291. [Google Scholar] [CrossRef]
  25. Chien, T.; Chen, C.; Li, S.; Tsai, C. A Fast Transient Flip Voltage Follower Based Low Dropout Regulator with AC-Coupled Pseudo Tri-Loop Technique Without Using Any Output Capacitor. In Proceedings of the 2019 IEEE Applied Power Electronics Conference and Exposition, Anaheim, CA, USA, 17–21 March 2019; pp. 1326–1330. [Google Scholar]
  26. Guo, J.; Leung, K.N. A 6-uW Chip-Area-Efficient Output-Capacitorless LDO in 90-nm CMOS Technology. IEEE J. Solid-State Circuits 2010, 45, 1896–1905. [Google Scholar] [CrossRef]
  27. Koay, K.C.; Chong, S.S.; Chan, P.K. A FVF based output capacitorless LDO regulator with wide load capacitance range. In Proceedings of the 2013 IEEE International Symposium on Circuits and Systems, Beijing, China, 19–23 May 2013; pp. 1488–1491. [Google Scholar]
  28. Yu, G.; Deng, Y.; Zou, X.; Zheng, Z. A FVF LDO regulator with damping-factor-control frequency compensation for SOC application. In Proceedings of the 2014 12th IEEE International Conference on Solid-State and Integrated Circuit Technology, Guilin, China, 28–31 October 2014; pp. 1–3. [Google Scholar]
  29. Or, P.Y.; Leung, K.N. An Output-Capacitorless Low-Dropout Regulator with Direct Voltage-Spike Detection. IEEE J. Solid-State Circuits 2010, 45, 458–466. [Google Scholar] [CrossRef]
  30. Surkanti, P.R.; Punith, R.; Garimella, A.; Furth, P.M. Flipped Voltage Follower Based Low Dropout (LDO) Voltage Regulators: A Tutorial Overview. In Proceedings of the 2018 31st International Conference on VLSI Design and 2018 17th International Conference on Embedded Systems, Pune, India, 8–10 January 2018; pp. 232–237. [Google Scholar]
  31. Chen, H.; Leung, K.N. A fast-transient LDO based on buffered flipped voltage follower. In Proceedings of the 2010 IEEE International Conference of Electron Devices and Solid-State Circuits, Hong Kong, China, 15–17 December 2010; pp. 1–4. [Google Scholar]
  32. Zeng, Y.; Tan, H. A FVF based LDO with dynamic bias current for low power RFID chips. In Proceedings of the 2016 IEEE International Conference on RFID Technology and Applications, Shunde, China, 21–23 September 2016; pp. 61–64. [Google Scholar]
  33. Liu, N.; Johnson, B.; Nadig, V.; Chen, D. A Transient-Enhanced Fully-Integrated LDO Regulator for SoC Application. In Proceedings of the 2018 IEEE International Symposium on Circuits and Systems, Florence, Italy, 27–30 May 2018; p. 1. [Google Scholar]
  34. Huang, M.; Feng, H.; Lu, Y. A Fully Integrated FVF-Based Low-Dropout Regulator with Wide Load Capacitance and Current Ranges. IEEE Trans. Power Electron. 2019, 34, 11880–11888. [Google Scholar] [CrossRef]
  35. Pérez-Bailón, J.; Calvo, B.; Medrano, N. A Fully-Integrated 180 nm CMOS 1.2 V Low-Dropout Regulator for Low-Power Portable Applications. Electronics 2021, 10, 2108. [Google Scholar] [CrossRef]
Figure 1. (a) Structure of an FVF; (b) Structure of a folded FVF.
Figure 1. (a) Structure of an FVF; (b) Structure of a folded FVF.
Electronics 11 03009 g001
Figure 2. Structure of the proposed dynamic bias circuits.
Figure 2. Structure of the proposed dynamic bias circuits.
Electronics 11 03009 g002
Figure 3. (a) Change in VOUT; (b) Variation in I1 and I2.
Figure 3. (a) Change in VOUT; (b) Variation in I1 and I2.
Electronics 11 03009 g003
Figure 4. Proposed LDO circuit structure.
Figure 4. Proposed LDO circuit structure.
Electronics 11 03009 g004
Figure 5. Dynamic bias circuit.
Figure 5. Dynamic bias circuit.
Electronics 11 03009 g005
Figure 6. Signal response when IOUT increases.
Figure 6. Signal response when IOUT increases.
Electronics 11 03009 g006
Figure 7. Signal response when IOUT decreases.
Figure 7. Signal response when IOUT decreases.
Electronics 11 03009 g007
Figure 8. Small-signal model.
Figure 8. Small-signal model.
Electronics 11 03009 g008
Figure 9. Frequency response at different IOUT values.
Figure 9. Frequency response at different IOUT values.
Electronics 11 03009 g009aElectronics 11 03009 g009b
Figure 10. Quiescent current for different temperatures and process corners.
Figure 10. Quiescent current for different temperatures and process corners.
Electronics 11 03009 g010
Figure 11. Transient response: (a) Without dynamic bias circuit; (b) With dynamic bias circuit.
Figure 11. Transient response: (a) Without dynamic bias circuit; (b) With dynamic bias circuit.
Electronics 11 03009 g011
Figure 12. Recovery time versus process corners and temperature variations.
Figure 12. Recovery time versus process corners and temperature variations.
Electronics 11 03009 g012
Figure 13. Overshoot against process corners and temperature variations.
Figure 13. Overshoot against process corners and temperature variations.
Electronics 11 03009 g013
Figure 14. Undershoot against process corners and temperature variations.
Figure 14. Undershoot against process corners and temperature variations.
Electronics 11 03009 g014
Figure 15. Layout of the proposed LDO.
Figure 15. Layout of the proposed LDO.
Electronics 11 03009 g015
Table 1. Performance summary and comparison with the prior state of the art.
Table 1. Performance summary and comparison with the prior state of the art.
Parameter[13][19][25][27][33]This Work
Process (nm)656518065130180
VOUT 10.981.211.21
IQ (μA)23.738534.513.210092
Imax (mA)502020502020
Con-chip (pF)995101.42.8
TEdg (ns)100N/A0.1500100.001
K100,000N/A10500,00010,0001
ΔVOUT (mV)40N/A270341.6395250
Tsettle (ns)1650N/AN/A92515052
PSRR (dB) at 1 kHz−52−92.65N/AN/A−60−60.85
LDR (mV/mA)0.0342.3N/A0.133N/A0.088
LNR (mV/V)8.8950N/A0.217N/A0.948
FOM145,095N/A4.65189647731.16
FOM2782N/AN/A244750239
Publisher’s Note: MDPI stays neutral with regard to jurisdictional claims in published maps and institutional affiliations.

Share and Cite

MDPI and ACS Style

Lu, Y.; Chen, M.; Wang, K.; Yang, Y.; Wang, H. A Capacitorless Flipped Voltage Follower LDO with Fast Transient Using Dynamic Bias. Electronics 2022, 11, 3009. https://doi.org/10.3390/electronics11193009

AMA Style

Lu Y, Chen M, Wang K, Yang Y, Wang H. A Capacitorless Flipped Voltage Follower LDO with Fast Transient Using Dynamic Bias. Electronics. 2022; 11(19):3009. https://doi.org/10.3390/electronics11193009

Chicago/Turabian Style

Lu, Yange, Ming Chen, Kunyu Wang, Yanjun Yang, and Haiyong Wang. 2022. "A Capacitorless Flipped Voltage Follower LDO with Fast Transient Using Dynamic Bias" Electronics 11, no. 19: 3009. https://doi.org/10.3390/electronics11193009

APA Style

Lu, Y., Chen, M., Wang, K., Yang, Y., & Wang, H. (2022). A Capacitorless Flipped Voltage Follower LDO with Fast Transient Using Dynamic Bias. Electronics, 11(19), 3009. https://doi.org/10.3390/electronics11193009

Note that from the first issue of 2016, this journal uses article numbers instead of page numbers. See further details here.

Article Metrics

Back to TopTop