Application of Improved YOLOv5 in Aerial Photographing Infrared Vehicle Detection
Abstract
:1. Introduction
2. Infrared Vehicle Image Data and Characteristic Analysis
2.1. Dataset Introduction
2.2. Image Characteristic Analysis
3. Improved Algorithm for YOLOv5
3.1. Model Improvement Ideas
3.2. Dense Convolutional Network (DenseNet)
3.3. End-Side Neural Networks (GhostNet)
3.4. Squeeze-and-Excitation Networks (SENet)
3.5. EIOU Loss
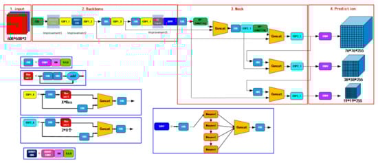
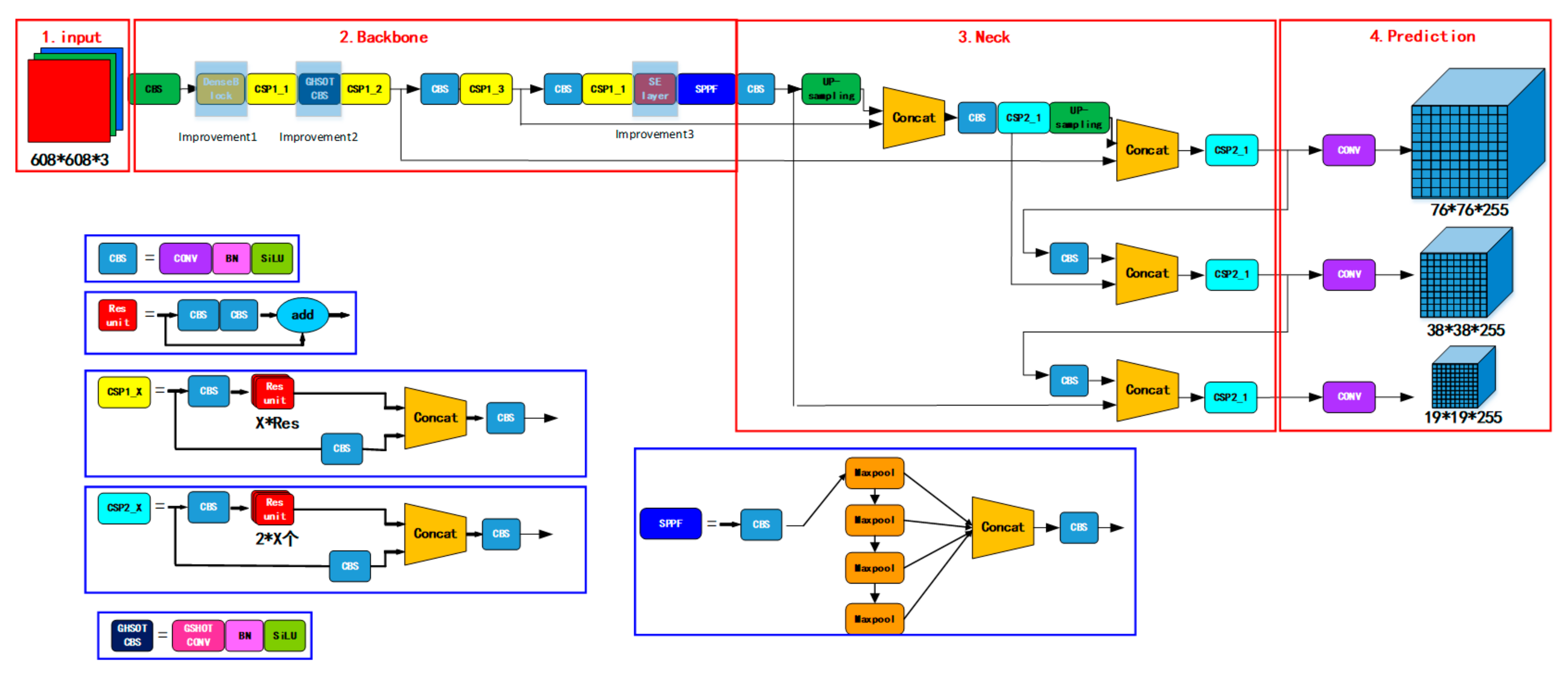
3.6. Improved YOLOv5 Network
- For the image input network layer, the DenseBlock module is used to strengthen the extraction of strong correlation features for shallow images, and reduce the image correlation features lost in the initial stage of the network through multi-layer dense networks.
- For the backbone network, the Ghost convolution layer is used to replace the first two general convolution layers, which increases the feature redundancy, reduces the computation amount of the overall network, and increases the detection speed.
- For the feature extraction network, the channel attention mechanism is introduced by using the SE network layer, which strengthens the network detection capability on the basis of the integration of image channel features.
- For the loss function, the latest EIOU is used to replace the original CIOU of YOLOv5, which improves the accuracy of the description relationship between the prediction box and the GT box, and improves the network binding ability.
4. Experiments on Improved Algorithms for Each Module
4.1. Training Environment Configuration
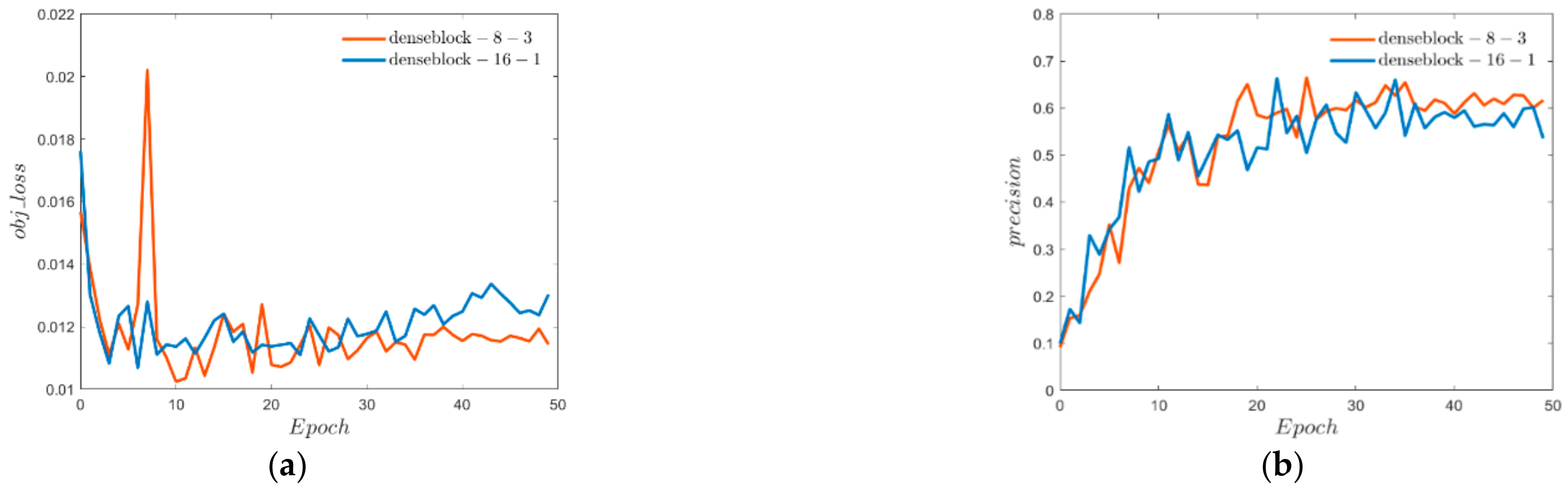
4.2. Experiments with Dense Convolutional Networks (DenseBlock)
4.2.1. Experimental Parameters
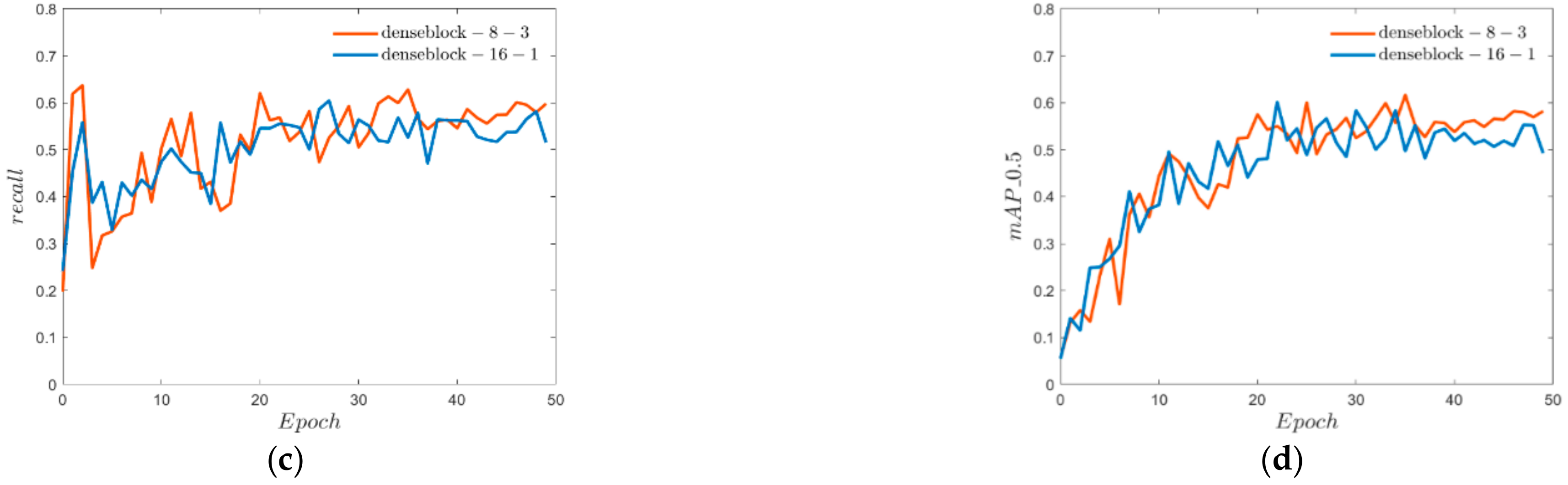
4.2.2. Training Results
4.2.3. Testing Results
4.3. Experiments with End-Side Neural Networks (GhostNet)
4.3.1. Experimental Parameters
4.3.2. Training Results
4.3.3. Testing Results
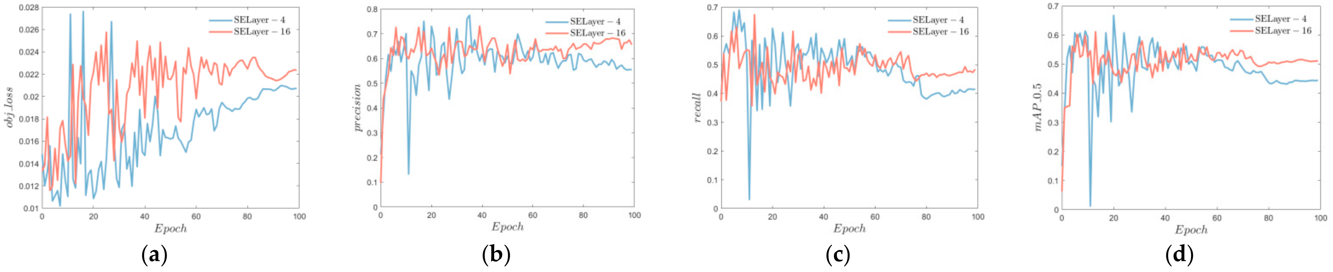
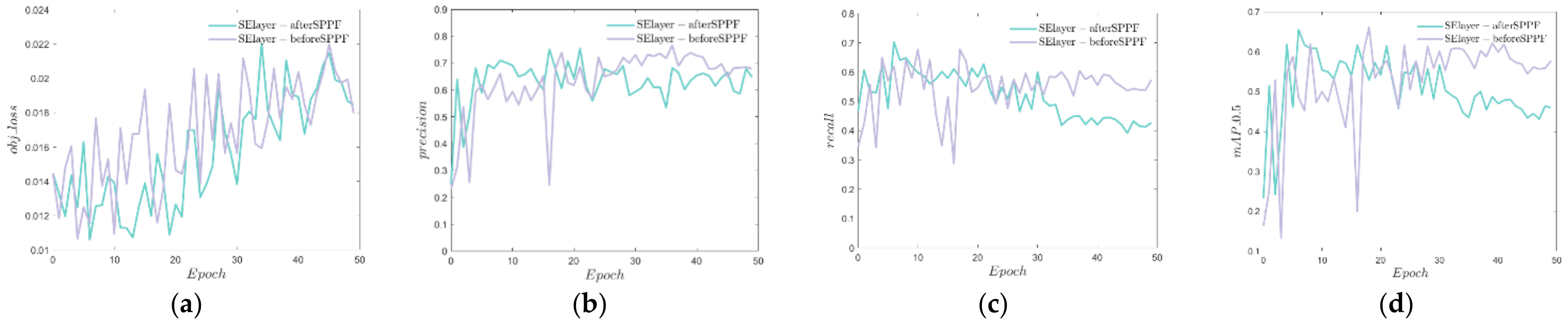
4.4. Experiments with the Squeeze-and-Excitation Layer (SE Layer)
4.4.1. Training Results
4.4.2. Testing Results
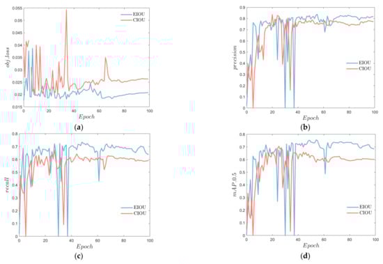
4.5. Experiments with EIOU
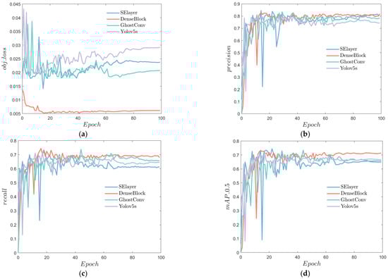
5. Modular Combination Improved Algorithm Experiment
5.1. Improved YOLOv5 Network Experiment
5.1.1. Training Results
5.1.2. Testing Results
6. Conclusions
- When the module is used alone, the accuracy of DenseBlock and EIOU modules are significantly improved, and the Ghost convolution and SE modules are not significantly improved, which is almost the same as the original network, or even lower.
- When the module is used in combination, in addition to the combination of DenseBlock module and SE module, the other combinations have obvious improvement effects. When using three modules at the same time, the target loss value is the lowest, the accuracy rate is the highest, and the mAP value is the most stable.
- For a small target with occlusion, whether it is the original YOLOv5 or the two–two combination module, it has not been detected, and the phenomenon of missed detection has occurred. When using three modules at the same time, the occlusion targets can be effectively detected, and the rate of missed detection can be reduced.
- When using the improved algorithm in this paper, the insertion-extraction module can be adjusted according to different task requirements. For example, the DenseBlock module can be added to the detection target requiring higher stability. If a higher detection probability is required, the SE module can be added to the neck layer of the improved network. If higher detection speed is required, DenseBlock or SE module can be removed.
- Although the missed target is detected, the confidence is not high, and the network needs to be further optimized.
- In the actual scene, the infrared vehicle target is not only interfered by the background of vegetation, buildings, etc., but also by smoke and electromagnetic interference, resulting in the degradation of the image quality. How to extract the vehicle target in the complex interference environment is a challenge for future work.
Author Contributions
Funding
Data Availability Statement
Conflicts of Interest
References
- Kim, J.; Hong, S.; Baek, J.; Lee, H. Autonomous vehicle detection system using visible and infrared camera. In Proceedings of the 2012 12th International Conference on Control, Automation and Systems, Jeju, Korea, 17–21 October 2012; pp. 630–634. [Google Scholar]
- Chen, D.; Jin, G.; Lu, L.; Tan, L.; Wei, W. Infrared Image Vehicle Detection Based on Haar-like Feature. In Proceedings of the 2018 IEEE 3rd Advanced Information Technology, Electronic and Automation Control Conference (IAEAC), Chongqing, China, 12–14 October 2018; pp. 662–667. [Google Scholar]
- Liu, Y.; Su, H.; Zeng, C.; Li, X. A Robust Thermal Infrared Vehicle and Pedestrian Detection Method in Complex Scenes. Sensors 2021, 21, 1240. [Google Scholar] [CrossRef] [PubMed]
- Iwasaki, Y.; Kawata, S.; Nakamiya, T. Vehicle detection even in poor visibility conditions using infrared thermal images and its application to road traffic flow monitoring. In Emerging Trends in Computing, Informatics, Systems Sciences, and Engineering; Springer: New York, NY, USA, 2013; pp. 997–1009. [Google Scholar]
- Tang, T.; Zhou, S.; Deng, Z.; Zou, H.; Lei, L. Vehicle detection in aerial images based on region convolutional neural networks and hard negative example mining. Sensors 2017, 17, 336. [Google Scholar] [CrossRef] [PubMed] [Green Version]
- Liu, X.; Yang, T.; Li, J. Real-time ground vehicle detection in aerial infrared imagery based on convolutional neural network. Electronics 2018, 7, 78. [Google Scholar] [CrossRef] [Green Version]
- Ouyang, L.; Wang, H. Vehicle target detection in complex scenes based on YOLOv3 algorithm. IOP Conf. Ser. Mater. Sci. Eng. 2019, 569, 052018. [Google Scholar] [CrossRef]
- Li, L.; Yuan, J.; Liu, H.; Cao, L.; Chen, J.; Zhang, Z. Incremental Learning of Infrared Vehicle Detection Method Based on SSD. In Proceedings of the 2020 IEEE 20th International Conference on Communication Technology (ICCT), Nanning, China, 28–31 October 2020; pp. 1423–1426. [Google Scholar]
- Mahmood, M.T.; Ahmed, S.R.A.; Ahmed, M.R.A. Detection of vehicle with Infrared images in Road Traffic using YOLO computational mechanism. IOP Conf. Ser. Mater. Sci. Eng. 2020, 928, 022027. [Google Scholar] [CrossRef]
- Zhu, Z.; Liu, Q.; Chen, H.; Zhang, G.; Wang, F.; Huo, J. Infrared Small Vehicle Detection Based on Parallel Fusion Network. Acta Photonica Sin. 2022, 51, 0210001. [Google Scholar]
- Redmon, J.; Divvala, S.; Girshick, R.; Farhadi, A. You Only Look Once: Unified, Real-Time Object Detection. In Proceedings of the 2016 IEEE Conference on Computer Vision and Pattern Recognition (CVPR), Las Vegas, NV, USA, 27–30 June 2016; pp. 779–788. [Google Scholar] [CrossRef] [Green Version]
- Zhang, X.; Zhu, X. Vehicle Detection in the aerial infrared images via an improved YOLOv3 network. In Proceedings of the 2019 IEEE 4th International Conference on Signal and Image Processing (ICSIP), Wuxi, China, 19–21 July 2019; pp. 372–376. [Google Scholar]
- Li, Z.; Zhou, F. FSSD: Feature fusion single shot multibox detector. arXiv 2017, arXiv:1712.00960. [Google Scholar]
- Redmon, J.; Farhadi, A. Yolov3: An incremental improvement. arXiv 2018, arXiv:1804.02767. [Google Scholar]
- Han, J.; Liao, Y.; Zhang, J.; Wang, S.; Li, S. Target Fusion Detection of LiDAR and Camera Based on the Improved YOLO Algorithm. Mathematics 2018, 6, 213. [Google Scholar] [CrossRef] [Green Version]
- Deng, Z.; Yang, R.; Lan, R.; Liu, Z.; Luo, X. SE-IYOLOV3: An Accurate Small Scale Face Detector for Outdoor Security. Mathematics 2020, 8, 93. [Google Scholar] [CrossRef] [Green Version]
- Zhang, X.; Zhu, X. Moving vehicle detection in aerial infrared image sequences via fast image registration and improved YOLOv3 network. Int. J. Remote Sens. 2020, 41, 4312–4335. [Google Scholar] [CrossRef]
- Wang, Z.; Wu, L.; Li, T.; Shi, P. A Smoke Detection Model Based on Improved YOLOv5. Mathematics 2022, 10, 1190. [Google Scholar] [CrossRef]
- Kasper-Eulaers, M.; Hahn, N.; Berger, S.; Sebulonsen, T.; Myrland, Ø.; Kummervold, P. Short Communication: Detecting Heavy Goods Vehicles in Rest Areas in Winter Conditions Using YOLOv5. Algorithms 2021, 14, 114. [Google Scholar] [CrossRef]
- Wu, W.; Liu, H.; Li, L.; Long, Y.; Wang, X.; Wang, Z. Application of local fully Convolutional Neural Network combined with YOLO v5 algorithm in small target detection of remote sensing image. PLoS ONE 2021, 16, e0259283. [Google Scholar] [CrossRef] [PubMed]
- The Third “Aerospace Cup” National Innovation and Creativity Competition Preliminary Round, Proposition 2, Track 2, Optical Target Recognition, Preliminary Data Set. Available online: https://www.atrdata.cn/#/customer/match/2cdfe76d-de6c-48f1-abf9-6e8b7ace1ab8/bd3aac0b-4742-438d-abca-b9a84ca76cb3?questionType=model (accessed on 15 March 2022).
- Jiang, B.; Ma, X.; Lu, Y.; Li, Y.; Feng, L.; Shi, Z. Ship detection in spaceborne infrared images based on Convolutional Neural Networks and synthetic targets. Infrared Phys. Technol. 2019, 97, 229–234. [Google Scholar] [CrossRef]
- Shi, M.; Wang, H. Infrared Dim and Small Target Detection Based on Denoising Autoencoder Network. Mob. Netw. Appl. 2020, 25, 1469–1483. [Google Scholar] [CrossRef]
- Alrasheedi, A.F.; Alnowibet, K.A.; Saxena, A.; Sallam, K.M.; Mohamed, A.W. Chaos Embed Marine Predator (CMPA) Algorithm for Feature Selection. Mathematics 2022, 10, 1411. [Google Scholar] [CrossRef]
- Sharma, A.K.; Saxena, A. A demand side management control strategy using Whale optimization algorithm. SN Appl. Sci. 2019, 1, 870. [Google Scholar] [CrossRef] [Green Version]



























| Parameter | Disposition |
|---|---|
| Operating system | Linux |
| Redaction language | Python 3.8 |
| CUDA version | 10.2 |
| Pytorch | 1.8.1 |
| YOLOv5 | 6.0 |
| GPU | TITAN RTX |
| CPU | Intel i9-10900K |
| Internal storage | 125.8GB |
| Parameter Settings | 8-3 | 16-1 |
|---|---|---|
| Training times | 100 | 100 |
| Recognition rate(mAP) | 0.616 | 0.602 |
| Model size(mb) | 14.43 | 14.43 |
| Inference time(ms) | 4.8 | 4.5 |
| Ghost Convolutional Replacement Quantity | 1 | 2 | 3 | 4 |
|---|---|---|---|---|
| Training times | 100 | 100 | 100 | 100 |
| Recognition rate(mAP) Model size(mb) | 0.64 | 0.655 | 0.613 | 0.599 |
| 14.05 | 13.99 | 13.71 | 12.57 | |
| Inference time(ms) | 4.2 | 4.3 | 4.4 | 4.4 |
| Module Position and Parameters | Before SPPF | After SPPF | Reduction = 16 | Reduction = 4 |
|---|---|---|---|---|
| Training times | 50 | 50 | 50 | 50 |
| Recognition rate (mAP) Model size (mb) | 0.661 | 0.655 | 0.612 | 0.667 |
| 14.67 | 14.67 | 14.67 | 14.47 | |
| Extrapolation time (ms) | 4.5 | 4.4 | 4.4 | 4.4 |
| Improved Modules | YOLOv5s | Ghost Convolution | DenseBlock | SE Module |
|---|---|---|---|---|
| Number of trainings | 100 | 100 | 100 | 100 |
| Recognition rate(mAP) | 0.685 | 0.650 | 0.713 | 0.660 |
| Model size(mb) | 14.07 | 13.99 | 14.43 | 14.67 |
| Extrapolation time(ms) | 4.2 | 4.3 | 4.8 | 4.4 |
| Network Structure | YOLOv5s | Dense + Ghost + SE | Dense + Ghost | Ghost + SE | Dense + SE |
|---|---|---|---|---|---|
| Number of trainings | 100 | 100 | 100 | 100 | 100 |
| Recognition rate(mAP) | 0.685 | 0.731 | 0.73 | 0.753 | 0.685 |
| Model size(mb) | 14.07 | 14.80 | 14.36 | 14.59 | 15.15 |
| Extrapolation time(ms) | 4.2 | 8.5 | 5.0 | 4.5 | 8.6 |
Publisher’s Note: MDPI stays neutral with regard to jurisdictional claims in published maps and institutional affiliations. |
© 2022 by the authors. Licensee MDPI, Basel, Switzerland. This article is an open access article distributed under the terms and conditions of the Creative Commons Attribution (CC BY) license (https://creativecommons.org/licenses/by/4.0/).
Share and Cite
Fan, Y.; Qiu, Q.; Hou, S.; Li, Y.; Xie, J.; Qin, M.; Chu, F. Application of Improved YOLOv5 in Aerial Photographing Infrared Vehicle Detection. Electronics 2022, 11, 2344. https://doi.org/10.3390/electronics11152344
Fan Y, Qiu Q, Hou S, Li Y, Xie J, Qin M, Chu F. Application of Improved YOLOv5 in Aerial Photographing Infrared Vehicle Detection. Electronics. 2022; 11(15):2344. https://doi.org/10.3390/electronics11152344
Chicago/Turabian StyleFan, Youchen, Qianlong Qiu, Shunhu Hou, Yuhai Li, Jiaxuan Xie, Mingyu Qin, and Feihuang Chu. 2022. "Application of Improved YOLOv5 in Aerial Photographing Infrared Vehicle Detection" Electronics 11, no. 15: 2344. https://doi.org/10.3390/electronics11152344
APA StyleFan, Y., Qiu, Q., Hou, S., Li, Y., Xie, J., Qin, M., & Chu, F. (2022). Application of Improved YOLOv5 in Aerial Photographing Infrared Vehicle Detection. Electronics, 11(15), 2344. https://doi.org/10.3390/electronics11152344

