A Low-Power ADPLL with Calibration-Free RO-Based Injection-Locking TDC for BLE Applications
Abstract
:1. Introduction
2. Analysis and Design
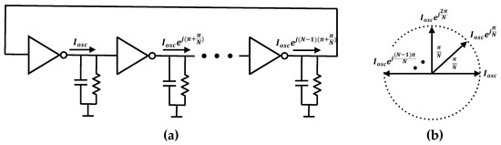
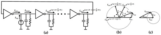
2.1. Analysis of Injection-Locked RO
2.2. Calibration-Free RO-Based TDC
2.3. Proposed ADPLL with Calibration-Free RO-Based Injection Locking TDC
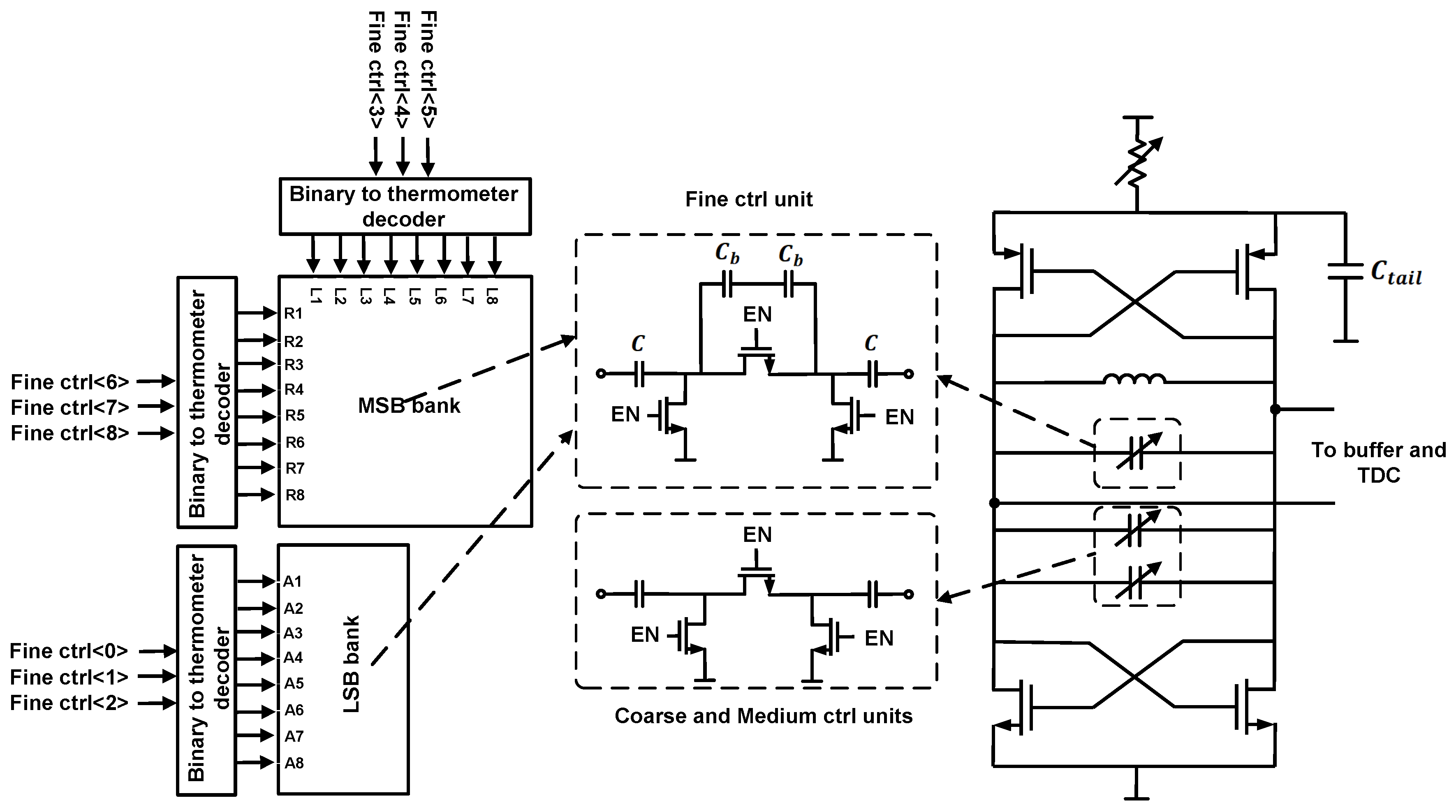
3. Circuit Implementation
3.1. Ring Oscillator
3.2. LC-Based DCO
4. Simulation and Measurement Results
5. Conclusions
Author Contributions
Funding
Conflicts of Interest
References
- Ryu, D.S.; Yeon, Y.M.; Kim, S.H. Multilink Internet-of-Things Sensor Communication Based on Bluetooth Low Energy Considering Scalability. Electronics 2021, 10, 2335. [Google Scholar] [CrossRef]
- Ruiz, L.J.L.; Ridder, M.; Fan, D.; Gong, J.; Li, B.M.; Mills, A.C.; Cobarrubias, E.; Strohmaier, J.; Jur, J.S.; Lach, J. Self-Powered Cardiac Monitoring: Maintaining Vigilance with Multi-Modal Harvesting and E-Textiles. IEEE Sens. J. 2021, 21, 2263–2276. [Google Scholar] [CrossRef]
- Li, S.; Breiholz, J.; Kamineni, S.; Im, J.; Wentzloff, D.D.; Calhoun, B.H. An 85 nW IoT Node-Controlling SoC for MELs Power-Mode Management and Phantom Energy Reduction. In Proceedings of the 2020 IEEE International Symposium on Circuits and Systems (ISCAS), Sevilla, Spain, 10–21 October 2020; pp. 1–5. [Google Scholar] [CrossRef]
- García-Ortiz, J.C.; Silvestre-Blanes, J.; Sempere-Payá, V. Experimental Application of Bluetooth Low Energy Connectionless in Smart Cities. Electronics 2021, 10, 2735. [Google Scholar] [CrossRef]
- Bechthum, E.; Dijkhuis, J.; Ding, M.; He, Y.; Van Den Heuvel, J.; Mateman, P.; Van Schaik, G.J.; Shibata, K.; Song, M.; Tiurin, E.; et al. 30.6 A Low-Power BLE Transceiver with Support for Phase-Based Ranging, Featuring 5 µs PLL Locking Time and 5.3 ms Ranging Time, Enabled by Staircase-Chirp PLL with Sticky-Lock Channel-Switching. In Proceedings of the 2020 IEEE International Solid-State Circuits Conference, San Francisco, CA, USA, 16–20 February 2020; pp. 470–472. [Google Scholar] [CrossRef]
- Yahya, F.; Lukas, C.J.; Breiholz, J.; Roy, A.; Patel, H.N.; Liu, N.; Chen, X.; Kosari, A.; Li, S.; Akella, D.; et al. A battery-less 507 nW SoC with integrated platform power manager and SiP interfaces. In Proceedings of the 2017 Symposium on VLSI Circuits, Kyoto, Japan, 5–8 June 2017; pp. C338–C339. [Google Scholar] [CrossRef]
- Staszewski, R.; Wallberg, J.; Rezeq, S.; Hung, C.M.; Eliezer, O.; Vemulapalli, S.; Fernando, C.; Maggio, K.; Staszewski, R.; Barton, N.; et al. All-digital PLL and transmitter for mobile phones. IEEE J. Solid-State Circuits 2005, 40, 2469–2482. [Google Scholar] [CrossRef]
- Staszewski, R.; Muhammad, K.; Leipold, D.; Hung, C.M.; Ho, Y.C.; Wallberg, J.; Fernando, C.; Maggio, K.; Staszewski, R.; Jung, T.; et al. All-digital TX frequency synthesizer and discrete-time receiver for Bluetooth radio in 130-nm CMOS. IEEE J. Solid-State Circuits 2004, 39, 2278–2291. [Google Scholar] [CrossRef]
- Lin, J.M.; Yang, C.Y. A Fast-Locking All-Digital Phase-Locked Loop with Dynamic Loop Bandwidth Adjustment. IEEE Trans. Circuits Syst. I Regul. Pap. 2015, 62, 2411–2422. [Google Scholar] [CrossRef]
- Hsu, C.M.; Straayer, M.Z.; Perrott, M.H. A Low-Noise Wide-BW 3.6-GHz Digital ΔΣ Fractional-N Frequency Synthesizer with a Noise-Shaping Time-to-Digital Converter and Quantization Noise Cancellation. IEEE J. Solid-State Circuits 2008, 43, 2776–2786. [Google Scholar] [CrossRef]
- Elkholy, A.; Anand, T.; Choi, W.S.; Elshazly, A.; Hanumolu, P.K. A 3.7 mW Low-Noise Wide-Bandwidth 4.5 GHz Digital Fractional-N PLL Using Time Amplifier-Based TDC. IEEE J. Solid-State Circuits 2015, 50, 867–881. [Google Scholar] [CrossRef]
- Tamura, M.; Takano, H.; Nakahara, H.; Fujita, H.; Arisaka, N.; Shinke, S.; Suzuki, N.; Nakada, Y.; Shinohe, Y.; Etou, S.; et al. A 0.5-V BLE Transceiver with a 1.9-mW RX Achieving -96.4-dBm Sensitivity and -27-dBm Tolerance for Intermodulation From Interferers at 6- and 12- MHz Offsets. IEEE J. Solid-State Circuits 2020, 55, 3376–3386. [Google Scholar] [CrossRef]
- Ho, C.R.; Chen, M.S.W. A Fractional-N DPLL with Calibration-Free Multi-Phase Injection-Locked TDC and Adaptive Single-Tone Spur Cancellation Scheme. IEEE Trans. Circuits Syst. I Regul. Pap. 2016, 63, 1111–1122. [Google Scholar] [CrossRef]
- Chillara, V.K.; Liu, Y.H.; Wang, B.; Ba, A.; Vidojkovic, M.; Philips, K.; de Groot, H.; Staszewski, R.B. 9.8 An 860 μW 2.1-to-2.7 GHz all-digital PLL-based frequency modulator with a DTC-assisted snapshot TDC for WPAN (Bluetooth Smart and ZigBee) applications. In Proceedings of the 2014 IEEE International Solid-State Circuits Conference Digest of Technical Papers (ISSCC), San Francisco, CA, USA, 9–13 February 2014; pp. 172–173. [Google Scholar] [CrossRef]
- Chen, X.; Breiholz, J.; Yahya, F.B.; Lukas, C.J.; Kim, H.S.; Calhoun, B.H.; Wentzloff, D.D. Analysis and Design of an Ultra-Low-Power Bluetooth Low-Energy Transmitter with Ring Oscillator-Based ADPLL and 4 × Frequency Edge Combiner. IEEE J. Solid-State Circuits 2019, 54, 1339–1350. [Google Scholar] [CrossRef]
- Kuo, F.W.; Binsfeld Ferreira, S.; Chen, H.N.R.; Cho, L.C.; Jou, C.P.; Hsueh, F.L.; Madadi, I.; Tohidian, M.; Shahmohammadi, M.; Babaie, M.; et al. A Bluetooth Low-Energy Transceiver with 3.7-mW All-Digital Transmitter, 2.75-mW High-IF Discrete-Time Receiver, and TX/RX Switchable On-Chip Matching Network. IEEE J. Solid-State Circuits 2017, 52, 1144–1162. [Google Scholar] [CrossRef] [Green Version]
- Chen, M.S.W.; Su, D.; Mehta, S. A Calibration-Free 800 MHz Fractional-N Digital PLL with Embedded TDC. IEEE J. Solid-State Circuits 2010, 45, 2819–2827. [Google Scholar] [CrossRef]
- Yoo, S.; Choi, S.; Lee, Y.; Seong, T.; Lim, Y.; Choi, J. A Low-Jitter and Low-Reference-Spur Ring-VCO- Based Injection-Locked Clock Multiplier Using a Triple-Point Background Calibrator. IEEE J. Solid-State Circuits 2021, 56, 298–309. [Google Scholar] [CrossRef]
- Razavi, B. A study of injection locking and pulling in oscillators. IEEE J. Solid-State Circuits 2004, 39, 1415–1424. [Google Scholar] [CrossRef]
- Pandey, J.; Otis, B.P. A Sub-100 μW MICS/ISM Band Transmitter Based on Injection-Locking and Frequency Multiplication. IEEE J. Solid-State Circuits 2011, 46, 1049–1058. [Google Scholar] [CrossRef]
- Lin, C.C.; Hu, H.; Gupta, S. Spur Minimization Techniques for Ultra-Low-Power Injection-Locked Transmitters. IEEE Trans. Circuits Syst. I Regul. Pap. 2020, 67, 3643–3655. [Google Scholar] [CrossRef]
- Adler, R. A Study of Locking Phenomena in Oscillators. Proc. IRE 1946, 34, 351–357. [Google Scholar] [CrossRef]
- Hegazi, E.; Sjoland, H.; Abidi, A. A filtering technique to lower LC oscillator phase noise. IEEE J. Solid-State Circuits 2001, 36, 1921–1930. [Google Scholar] [CrossRef] [Green Version]
- Liu, Y.H.; Van Den Heuvel, J.; Kuramochi, T.; Busze, B.; Mateman, P.; Chillara, V.K.; Wang, B.; Staszewski, R.B.; Philips, K. An Ultra-Low Power 1.7–2.7 GHz Fractional-N Sub-Sampling Digital Frequency Synthesizer and Modulator for IoT Applications in 40 nm CMOS. IEEE Trans. Circuits Syst. I Regul. Pap. 2017, 64, 1094–1105. [Google Scholar] [CrossRef]






















| TCAS-I 2016 [13] | JSSC 2019 [15] | TCAS-I 2017 [24] | JSSC 2020 [12] | This Work | |
|---|---|---|---|---|---|
| Technology | 65 nm CMOS | 40 nm CMOS | 40 nm CMOS | 22 nm FD-SOI | 40 nm CMOS |
| Frequency Range | 2.7–4.8 G | 2.4–2.48 G | 1.7–2.7 G | 2.4–2.48 G | 2.4–2.48 G |
| PLL Architecture | LCDCO + Injection- locked RO | RO-based | LCDCO + Snapshot DTC-based TDC | LCDCO + SAR- ADC-based TDC | LCDCO + Injection- locked RO |
| Phase Noise | −90 dBc/Hz @40 kHz −128 dBc/Hz @3 MHz | −85 dBc/Hz @1 MHz | −109 dBc/Hz @1 MHz | −85 dBc/Hz @10 kHz −110 dBc/Hz @1 MHz | −114 dBc/Hz @1 MHz |
| Power Consumption | 21.2 mW | 379 W | 1.19 mW | 1.25 mW | 1.4 mW |
| PLL FoM 1 | N/A | −208.5 | −234.6 | N/A | −212.1 |
Publisher’s Note: MDPI stays neutral with regard to jurisdictional claims in published maps and institutional affiliations. |
© 2022 by the authors. Licensee MDPI, Basel, Switzerland. This article is an open access article distributed under the terms and conditions of the Creative Commons Attribution (CC BY) license (https://creativecommons.org/licenses/by/4.0/).
Share and Cite
Chen, Q.; Shan, Q.; Wei, Z.; Wang, X.; Huang, S.; Liu, Y. A Low-Power ADPLL with Calibration-Free RO-Based Injection-Locking TDC for BLE Applications. Electronics 2022, 11, 1953. https://doi.org/10.3390/electronics11131953
Chen Q, Shan Q, Wei Z, Wang X, Huang S, Liu Y. A Low-Power ADPLL with Calibration-Free RO-Based Injection-Locking TDC for BLE Applications. Electronics. 2022; 11(13):1953. https://doi.org/10.3390/electronics11131953
Chicago/Turabian StyleChen, Qinan, Qiang Shan, Zihui Wei, Xiaosong Wang, Shuilong Huang, and Yu Liu. 2022. "A Low-Power ADPLL with Calibration-Free RO-Based Injection-Locking TDC for BLE Applications" Electronics 11, no. 13: 1953. https://doi.org/10.3390/electronics11131953
APA StyleChen, Q., Shan, Q., Wei, Z., Wang, X., Huang, S., & Liu, Y. (2022). A Low-Power ADPLL with Calibration-Free RO-Based Injection-Locking TDC for BLE Applications. Electronics, 11(13), 1953. https://doi.org/10.3390/electronics11131953

