Model for Vehicle to Home System with Additional Energy Storage for Households
Abstract
1. Introduction
2. System Model
- Bidirectional AC/DC converter—the block between the ac side and both dc storage sources.
- An electric vehicle and the involved power converter charging the battery. This vehicle is assumed to be able to charge itself from a dc bus.
- A stationary battery bank.
- A model for the power consumption of the typical household.
- Control systems for each of the power converters.
2.1. Bidirectional AC/DC Converter Model
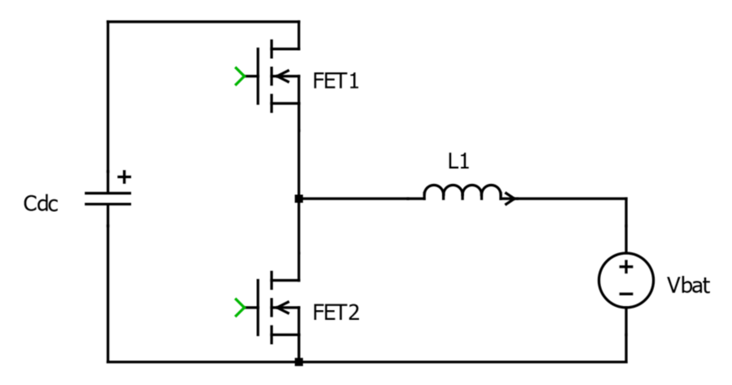
2.2. Bidirectional DC/DC Converter Model
2.3. Household Model
2.4. Control Algorithms
- When the input power is larger than the one needed from the household, the EV is charged first with constant power. Any excess above this is transferred to the battery stack. If there is excess input power, but not enough to charge the EV, then the battery bank is discharged to add the needed power.
- When the input power is lower than the one needed for the household, first the battery stack supplies it. The constraints are maximum dept of discharge of its battery and maximum power supplied. When any of these is violated either the EV’s battery can supply some additional power (SOC is above 80%, and there is a limit to the maximum power than can be supplied) or the battery bank works with limited discharge power.
2.5. Battery Stack Converter Control
2.6. Vehicle Converter Control
2.7. AC/DC Converter
3. Results
- The power consumption of the household, along with a targeted power consumption from the ac grid
- Battery bank size
- Electric Vehicle battery charger nominal power
4. Discussion
5. Conclusions
Author Contributions
Funding
Acknowledgments
Conflicts of Interest
References
- “European Commission Communication Sustainable Europe Investment Plan―European Green Deal Investment Plan”, COM. January 2020. Available online: https://eur-lex.europa.eu/legal-content/EN/TXT/?uri=CELEX%3A52020DC0021 (accessed on 3 May 2021).
- Liu, C.; Chau, K.T.; Wu, D.; Gao, S. Opportunities and Challenges of Vehicle-to-Home, Vehicle-to-Vehicle, and Vehicle-to-Grid Technologies. Proc. IEEE 2013, 101, 2409–2427. [Google Scholar] [CrossRef]
- Neofytou, N.; Blazakis, K.; Katsigiannis, Y.; Stavrakakis, G. Modeling Vehicles to Grid as a Source of Distributed Frequency Regulation in Isolated Grids with Significant RES Penetration. Energies 2019, 12, 720. [Google Scholar] [CrossRef]
- Saldaña, G.; San Martin, J.I.; Zamora, I.; Asensio, F.J.; Oñederra, O. Electric Vehicle into the Grid: Charging Methodologies Aimed at Providing Ancillary Services Considering Battery Degradation. Energies 2019, 12, 2443. [Google Scholar] [CrossRef]
- Ancillotti, E.; Bruno, R.; Crisostomi, E.; Tucci, M. Using electric vehicles to improve building energy sustainability. In Proceedings of the 2014 IEEE International Electric Vehicle Conference (IEVC), Florence, Italy, 17–19 December 2014. [Google Scholar]
- Tuttle, D.P.; Fares, L.; Baldick, R.; Webber, M.E. Plug-In Vehicle to Home (V2H) duration and power output capability. In Proceedings of the 2013 IEEE Transportation Electrification Conference and Expo (ITEC), Detroit, MI, USA, 16–19 June 2013. [Google Scholar]
- Akshya, S.; Ravindran, A.; Srinidhi, A.S.; Panda, S.; Kumar, A.G. Grid integration for electric vehicle and photovoltaic panel for a smart home. In Proceedings of the 2017 International Conference on Circuit, Power and Computing Technologies (ICCPCT), Kollam, India, 20–21 April 2017. [Google Scholar]
- Shemami, M.S.; Alam, M.S.; Asghar, M.S.J. Load shedding mitigation through plug-in electric Vehicle-to-Home (V2H) system. In Proceedings of the 2017 IEEE Transportation Electrification Conference and Expo (ITEC), Chicago, IL, USA, 22–24 June 2017; pp. 799–804. [Google Scholar] [CrossRef]
- Naghibi, B.; Masoum, M.A.S.; Deilami, S. Effects of V2H Integration on Optimal Sizing of Renewable Resources in Smart Home Based on Monte Carlo Simulation. IEEE Power Energy Technol. Syst. J. 2018, 5, 73–84. [Google Scholar] [CrossRef]
- Abessi, A.; Shirazi, E.; Jadid, S.; Shafie-khah, M. Sustainable and Resilient Smart House Using the Internal Combustion Engine of Plug-in Hybrid Electric Vehicle. Sustainability 2020, 12, 6046. [Google Scholar] [CrossRef]
- Han, J.; Zhou, X.; Lu, S.; Zhao, P. A Three-Phase Bidirectional Grid-Connected AC/DC Converter for V2G Applications. J. Control Sci. Eng. 2020, 2020, 8844073. [Google Scholar] [CrossRef]
- Uddin, K.; Jackson, T.; Widanage, W.D.; Chouchelamane, G.; Jennings, P.A.; Marco, J. On the possibility of extending the lifetime of lithium-ion batteries through optimal V2G facilitated by an integrated vehicle and smart-grid system. Energy 2017, 133, 710–722. [Google Scholar] [CrossRef]
- Fuchs, G.; Lunz, B.; Leuthold, M.; Sauer, D.U. Technology Overview on Electricity Storage-Overview on the Potential and on the Deployment Perspectives of Electric Storage Technologies; Technical Report by ISEA; RWTH Aachen University: Aachen, Germany, 2012. [Google Scholar]
- Gopalakrishnan, R.; Goutam, S.; Miguel Oliveira, L.; Timmermans, J.M.; Omar, N.; Messagie, M.; Van den Bossche, P.; Van Mierlo, J. A comprehensive study on rechargeable energy storage technologie. J. Electrochem. Energy Conver Storage 2016, 13, 040801. [Google Scholar] [CrossRef]
- Berecibar, M. Machine-learning techniques used to accurately predict battery life. Nature 2019, 568, 325–326. [Google Scholar] [CrossRef]
- Beaudin, M.; Zareipour, H. Home energy management systems: A review of modelling and complexity. Renew. Sustain. Energy Rev. 2015, 45, 318–335. [Google Scholar] [CrossRef]
- Bracco, S.; Delfino, F.; Piazza, G.; Foiadelli, F.; Longo, M. Nanogrids with Renewable Sources, Electrical Storage and Vehicle-to-Home Systems in the Household Sector: Analysis for a Single-Family Dwelling. In Proceedings of the 2019 IEEE Milan PowerTech, Milan, Italy, 23–27 June 2019; pp. 1–6. [Google Scholar] [CrossRef]
- Wu, X.; Hu, X.; Moura, S.; Yin, X.; Pickert, V. Stochastic control of smart home energy management with plug-in electric vehicle battery energy storage and photovoltaic array. J. Power Sources 2016, 333, 203. [Google Scholar] [CrossRef]
- Noel, L.; de Rubens, G.Z.; Kester, J.; Sovacool, B.K. Beyond emissions and economics: Rethinking the co-benefits of electric vehicles (EVs) and vehicle-to-grid (V2G). Transp. Policy 2018, 71, 130–137. [Google Scholar] [CrossRef]
- Paterakis, N.G.; Erdinç, O.; Pappi, I.N.; Bakirtzis, A.G.; Catalão, J.P.S. Coordinated operation of a neighborhood of smart households comprising electric vehicles energy storage and distributed generation. IEEE Trans. Smart Grid 2016, 7, 2736–2747. [Google Scholar] [CrossRef]
- Tan, K.M.; Ramachandaramurthy, V.K.; Yong, J.Y. Integration of electric vehicles in smart grid: A review on vehicle to grid technologies and optimization techniques. Renew. Sustain. Energy Rev. 2016, 53, 720–732. [Google Scholar] [CrossRef]
- Doroudchi, E.; Alanne, K.; Okur, Ö.; Kyyrä, J.; Lehtonen, M. Approaching net zero energy housing through integrated EV. Sustain. Cities Soc. 2018, 38, 534–542. [Google Scholar] [CrossRef]
- Eid, C.; Codani, P.; Perez, Y.; Reneses, J.; Hakvoort, R. Managing electric flexibility from Distributed Energy Resources. Renew. Sustain. Energy Rev. 2016, 64, 237–247. [Google Scholar] [CrossRef]
- Huda, M.; Koji, T.; Aziz, M. Techno Economic Analysis of Vehicle to Grid (V2G) Integration as Distributed Energy Resources in Indonesia Power System. Energies 2020, 13, 1162. [Google Scholar] [CrossRef]
- Berckmans, G.; Messagie, M.; Smekens, J.; Omar, N.; Vanhaverbeke, L.; van Mierlo, J. Cost projection of state of the art lithium-ion batteries for electric vehicles up to 2030. Energies 2017, 10, 1314. [Google Scholar] [CrossRef]
- Islam, E.S.; Moawad, A.; Kim, N.; Rousseau, A. Vehicle electrification impacts on energy consumption for different connected autonomous vehicle scenario runs. World Elect. Veh. J. 2020, 11, 9. [Google Scholar] [CrossRef]
- Hannan, M.A.; Hoque, M.M.; Hussain, A.; Yusof, Y.; Ker, P.J. State-of-the-Art and Energy Management System of Lithium-Ion Batteries in Electric Vehicle Applications: Issues and Recommendations. IEEE Access 2018, 6, 19362–19378. [Google Scholar] [CrossRef]
- Lu, L.; Han, X.; Li, J.; Hua, J.; Ouyang, M. A review on the key issues for lithium-ion battery management in electric vehicles. J. Power Sources 2013, 226, 272–288. [Google Scholar] [CrossRef]



















| Parameter | Value |
|---|---|
| BBank Ah | 280 (Ah) ≅ 450 V |
| Vehicle Battery Ah | 112 (Ah) ≅ 500 V |
| BBank peak power | 2 (kW) |
| Vehicle Charge power | 3.5 (kW) |
Publisher’s Note: MDPI stays neutral with regard to jurisdictional claims in published maps and institutional affiliations. |
© 2021 by the authors. Licensee MDPI, Basel, Switzerland. This article is an open access article distributed under the terms and conditions of the Creative Commons Attribution (CC BY) license (https://creativecommons.org/licenses/by/4.0/).
Share and Cite
Hinov, N.; Dimitrov, V.; Vacheva, G. Model for Vehicle to Home System with Additional Energy Storage for Households. Electronics 2021, 10, 1085. https://doi.org/10.3390/electronics10091085
Hinov N, Dimitrov V, Vacheva G. Model for Vehicle to Home System with Additional Energy Storage for Households. Electronics. 2021; 10(9):1085. https://doi.org/10.3390/electronics10091085
Chicago/Turabian StyleHinov, Nikolay, Vladimir Dimitrov, and Gergana Vacheva. 2021. "Model for Vehicle to Home System with Additional Energy Storage for Households" Electronics 10, no. 9: 1085. https://doi.org/10.3390/electronics10091085
APA StyleHinov, N., Dimitrov, V., & Vacheva, G. (2021). Model for Vehicle to Home System with Additional Energy Storage for Households. Electronics, 10(9), 1085. https://doi.org/10.3390/electronics10091085

