Due to scheduled maintenance work on our servers, there may be short service disruptions on this website between 11:00 and 12:00 CEST on March 28th.
Sign in to use this feature.

Years

Between: -

Subjects

remove_circle_outline
remove_circle_outline
remove_circle_outline
remove_circle_outline
remove_circle_outline
remove_circle_outline
remove_circle_outline
remove_circle_outline
remove_circle_outline

Journals

remove_circle_outline
remove_circle_outline
remove_circle_outline
remove_circle_outline
remove_circle_outline
remove_circle_outline
remove_circle_outline
remove_circle_outline
remove_circle_outline
remove_circle_outline
remove_circle_outline
remove_circle_outline
remove_circle_outline
remove_circle_outline
remove_circle_outline
remove_circle_outline
remove_circle_outline
remove_circle_outline
remove_circle_outline
remove_circle_outline
remove_circle_outline
remove_circle_outline
remove_circle_outline
remove_circle_outline
remove_circle_outline
remove_circle_outline
remove_circle_outline
remove_circle_outline
remove_circle_outline

Article Types

Countries / Regions

remove_circle_outline
remove_circle_outline
remove_circle_outline
remove_circle_outline
remove_circle_outline
remove_circle_outline
remove_circle_outline

Search Results (6,566)

Search Parameters:
Keywords = power conversion

Order results
Result details
Results per page
Select all
Export citation of selected articles as:
37 pages, 3141 KB  
Article
Multi-Stage Power Conversion and Coordinated Voltage Control for Battery-Based Power Barges Supplying LV and HV AC Loads
by Allahyar Akhbari, Kasper Jessen and Amin Hajizadeh
Electronics 2026, 15(7), 1386; https://doi.org/10.3390/electronics15071386 - 26 Mar 2026
Abstract
The growing electrification of ports and maritime transport requires flexible power systems capable of supplying multiple voltage levels with high efficiency and power quality. Battery-based power barges offer a promising solution, but their power conversion systems must handle wide voltage and power ranges [...] Read more.
The growing electrification of ports and maritime transport requires flexible power systems capable of supplying multiple voltage levels with high efficiency and power quality. Battery-based power barges offer a promising solution, but their power conversion systems must handle wide voltage and power ranges while remaining stable under dynamic operating conditions. This paper presents a scalable multi-stage power conversion architecture for battery-based power barges that can supply both low-voltage and high-voltage AC loads from a common DC source. The system combines isolated Dual Active Bridge (DAB) DC–DC converters with a three-level Neutral-Point-Clamped (NPC) inverter. An input-parallel output-series DAB configuration is used for high-voltage operation, enabling modularity and scalability within semiconductor limits. A coordinated control strategy ensures stable DC-link regulation, balanced module operation, and high-quality AC voltage generation. Simulation results confirm stable operation, fast dynamic response, a voltage THD below 4%, and overall efficiency above 95%, demonstrating the suitability of the proposed architecture for future power barge and port electrification applications. Full article
(This article belongs to the Section Industrial Electronics)
24 pages, 4367 KB  
Article
A Physics-Constrained Hybrid Deep Learning Model for State Prediction in Shipboard Power Systems
by Jiahao Wang, Xiaoqiang Dai, Mingyu Zhang, Kaikai You and Jinxing Liu
Modelling 2026, 7(2), 65; https://doi.org/10.3390/modelling7020065 - 26 Mar 2026
Abstract
Accurate and physically consistent state prediction is essential for shipboard power systems (SPS) operating under dynamic conditions. However, purely data-driven models often exhibit degraded robustness and physically inconsistent outputs when exposed to transient disturbances or limited data coverage. To address these limitations, this [...] Read more.
Accurate and physically consistent state prediction is essential for shipboard power systems (SPS) operating under dynamic conditions. However, purely data-driven models often exhibit degraded robustness and physically inconsistent outputs when exposed to transient disturbances or limited data coverage. To address these limitations, this paper proposes a physics-constrained hybrid prediction model that integrates a convolutional neural network–bidirectional long short-term memory (CNN–BiLSTM) architecture with wide residual connections (WRC) and a physics-constrained loss (PCL). The proposed modeling approach combines real operational measurement data with high-resolution simulation data to enhance data diversity and improve generalization capability. The CNN–BiLSTM structure captures nonlinear temporal dependencies, while the WRC preserves critical low-level transient electrical features during deep temporal modeling. In addition, multiple physical constraints, including power balance, voltage conversion relationships, and battery state-of-charge (SOC) dynamics, are incorporated into the training process to enforce physically consistent predictions. The model is validated using charging and discharging experiments on a laboratory-scale SPS under both steady-state and transient conditions. Comparative results demonstrate that the proposed approach achieves higher prediction accuracy, improved dynamic stability, and faster recovery following disturbances compared with conventional data-driven models. These results indicate that physics-constrained deep learning provides an effective and interpretable modeling framework for SPS state prediction, supporting digital twin-oriented monitoring and real-time prediction applications. Full article
Show Figures

Figure 1

29 pages, 5682 KB  
Article
Vortex-Induced Vibration Energy Harvesting for Road Vehicle Suspensions: Modeling, Prototyping, and Experimental Validation
by Fei Wang, Jiang Liu, Haoyu Sun, Mingxing Li, Hao Yin, Xilong Zhang and Bilong Liu
Energies 2026, 19(7), 1636; https://doi.org/10.3390/en19071636 - 26 Mar 2026
Abstract
To address the demand for a micro-power supply for vehicle suspension control, a novel harvester is proposed to recover vortex-induced vibration energy in the wake of a shock absorber. A suspension dynamic model was established to simulate the spring compression process and identify [...] Read more.
To address the demand for a micro-power supply for vehicle suspension control, a novel harvester is proposed to recover vortex-induced vibration energy in the wake of a shock absorber. A suspension dynamic model was established to simulate the spring compression process and identify the wind-shielding condition. The spring-shock absorber assembly was then simplified as a stepped cylinder with two cross-sections. Flow-field analysis showed that the size, shape, and rising angle of the wake vortices were affected by the bluff-body geometry, Reynolds number, and boundary conditions. The downwash motion was found to directly influence vortex development, and two new vortex-connection modes were identified. These results provided guidance for harvester optimization. A two-way fluid–structure interaction model was developed to describe the electromechanical conversion behavior of the proposed harvester under flow excitation. Numerical results showed that the output voltage increased with vehicle speed. An average peak voltage of 1.82 V was obtained when the piezoelectric patches were installed two larger-cylinder diameters downstream. The optimal patch length was 120 mm, and further increasing the length did not significantly improve the harvesting performance. Finally, a full-scale prototype was tested, and the measured voltage agreed well with the simulation results. The proposed harvester can therefore serve as a potential micro-power source for low-power suspension electronics. Full article
(This article belongs to the Special Issue Innovations and Applications in Piezoelectric Energy Harvesting)
Show Figures

Figure 1

23 pages, 2024 KB  
Article
Limitation of Power-to-Methanol: Identifying the Barriers of Bridging Energy and Bio-Carbon to Produce Decentralized Renewable Methanol via Integrated Economical and Environmental Evaluation
by Hans Gelten, Kim Hemmer, Benno Aalderink, Richard van Leeuwen and Zohre Kurt
Energies 2026, 19(7), 1626; https://doi.org/10.3390/en19071626 - 25 Mar 2026
Abstract
Power-to-X technologies play a crucial role in accelerating the energy and material transition. A key opportunity lies in integrating these systems with existing bio-based infrastructures such as anaerobic digesters, providing a reliable source of biogenic carbon. Developing effective Power-to-Methanol (PtM) pathways requires a [...] Read more.
Power-to-X technologies play a crucial role in accelerating the energy and material transition. A key opportunity lies in integrating these systems with existing bio-based infrastructures such as anaerobic digesters, providing a reliable source of biogenic carbon. Developing effective Power-to-Methanol (PtM) pathways requires a comprehensive understanding of process behavior through detailed simulation, including technical performance, economic feasibility, and environmental consequences. Despite growing interest, substantial variation remains in published levelized methanol costs, and many assessments insufficiently account for the full environmental footprint of production routes. This study evaluates the potential of PtM deployment in the Netherlands by comparing two pathways that utilize biogenic carbon sources: (i) hydrogenation of captured CO2 using green hydrogen and (ii) dry methane reforming (DMR) of biogas, followed by catalytic syngas conversion to methanol. Results indicate that operational expenses—mainly driven by renewable electricity consumption—far outweigh capital investment. Both routes yield an LCoMeOH of approximately €2630 per tonne, about five times the cost of fossil-based methanol. Life cycle analysis shows that DMR performs more favorably overall, although elevated freshwater ecotoxicity and eutrophication result from digestate application as fertilizer. Continued improvements in renewable energy integration and nutrient recovery technologies are essential for enhancing future economic and environmental performance. Full article
(This article belongs to the Special Issue 11th International Conference on Smart Energy Systems (SESAAU2025))
Show Figures

Graphical abstract

13 pages, 495 KB  
Article
Hematological Inflammatory Indices and the HALP Score for Pathogen Differentiation in Culture-Proven Late-Onset Neonatal Sepsis
by Aydin Bozkaya, Asli Okbay Gunes and Hatice Busra Kutukcu Gul
Children 2026, 13(4), 449; https://doi.org/10.3390/children13040449 - 25 Mar 2026
Abstract
Objective: To evaluate the diagnostic and prognostic utility of the hemoglobin–albumin–lymphocyte–platelet (HALP) score and several systemic inflammatory indices derived from routine blood parameters—including the systemic immune-inflammation index (SII), platelet-to-lymphocyte ratio (PLR), pan-immune inflammation value (PIV), and systemic inflammatory response index (SIRI)—for pathogen differentiation [...] Read more.
Objective: To evaluate the diagnostic and prognostic utility of the hemoglobin–albumin–lymphocyte–platelet (HALP) score and several systemic inflammatory indices derived from routine blood parameters—including the systemic immune-inflammation index (SII), platelet-to-lymphocyte ratio (PLR), pan-immune inflammation value (PIV), and systemic inflammatory response index (SIRI)—for pathogen differentiation and clinical assessment in culture-proven late-onset neonatal sepsis (LOS). Methods: A retrospective analysis was conducted on a cohort of 150 neonates with culture-proven LOS. Systemic inflammatory indices were calculated at baseline (first week of life) and at the time of septic insult. The discriminative power of these indices was assessed via ROC curve analysis, with optimal cut-off points determined by the Youden Index. Risk stratification was performed using Odds Ratio (OR) modeling with 95% Confidence Intervals (CIs) to evaluate the predictive strength of each marker according to its respective threshold. Results: Diagnosis-phase assessments identified SII as the premier discriminator for microbiological etiology (AUC = 0.869; OR = 44.57), outperforming PLR and PIV. Although HALP demonstrated moderate efficacy in distinguishing pathogens, it lacked prognostic value regarding mortality. Conversely, SIRI displayed limited clinical utility, yielding the lowest predictive performance in our cohort. Conclusions: In neonatal sepsis, the HALP score provided additional clinical information when compared with several hematological inflammatory indices. Although HALP was not associated with mortality, prospective multicenter studies are needed to clarify the role of these cost-effective markers in pathogen differentiation and clinical assessment of LOS. Full article
(This article belongs to the Section Pediatric Neonatology)
Show Figures

Figure 1

19 pages, 6909 KB  
Article
Dynamic Modeling and Simulation of Shipboard Microgrid Systems for Electromagnetic Transient Analysis
by Seok-Il Go and Jung-Hyung Park
Electronics 2026, 15(7), 1367; https://doi.org/10.3390/electronics15071367 - 25 Mar 2026
Abstract
In this paper, the dynamic modeling and integrated simulation of a ship microgrid system designed to enhance power quality and energy efficiency in electric propulsion vessels are proposed. The proposed system consists of a photovoltaic (PV) array, a battery energy storage system (BESS), [...] Read more.
In this paper, the dynamic modeling and integrated simulation of a ship microgrid system designed to enhance power quality and energy efficiency in electric propulsion vessels are proposed. The proposed system consists of a photovoltaic (PV) array, a battery energy storage system (BESS), a diesel generator, and a propulsion system, all of which are organically integrated through power conversion devices. To compensate for the intermittent nature of solar power, a control strategy featuring Maximum Power Point Tracking (MPPT) for the PV system and bidirectional DC/DC converter control for the battery was implemented. Specifically, a control logic to stabilize the system output in response to the fluctuating loads of the electric propulsion system was developed using PSCAD (v50) software. The simulation results demonstrate that the proposed control strategy maintains DC-link voltage deviation within ±1.8% and achieves a settling time of less than 0.8 s while optimizing propulsion efficiency (peak-shaving ratio 25–30%) under both constant and variable speed operating conditions. Battery SOC variation is limited to 18–88%, preventing overcharge or discharge. This research provides a foundational framework for the design of energy management systems (EMSs) and grid stability assessments for future eco-friendly electric propulsion ships. Full article
Show Figures

Figure 1

18 pages, 7315 KB  
Article
Parameter Optimization of Tunnel Oxide Passivated Back Contact (TBC) Solar Cells
by Yang Chen, Yongqiang Chen, Bin Ai and Yecheng Zhou
Energies 2026, 19(7), 1612; https://doi.org/10.3390/en19071612 - 25 Mar 2026
Abstract
Traditional simulation work often starts from the study of the impact of a single factor on device performance to obtain the optimal value of that factor and then regards the combination of the optimal values of each factor as the optimization condition. Obviously, [...] Read more.
Traditional simulation work often starts from the study of the impact of a single factor on device performance to obtain the optimal value of that factor and then regards the combination of the optimal values of each factor as the optimization condition. Obviously, this approach ignores the impacts of the interactions among factors on device performance. To address this issue, this paper uses Quokka3 v2.6.0 and JMP Pro 17.0.0 to perform device simulation and parameter optimization research on tunnel oxide passivated back contact (TBC) solar cells. First, Quokka3 was employed to investigate the effects of silicon wafer properties, rear-side passivation and contact characteristics, and rear-side geometry on the performance of TBC solar cells. Subsequently, a total of 625 simulations were performed by using Quokka3 with four factors (wafer thickness, wafer resistivity, P/N ratio, and pitch) at five levels. Finally, JMP Pro was used to analyze the simulation results statistically. It was found that the pitch, P/N ratio, quadratic power terms, quadratic interaction terms except the interaction between wafer thickness and resistivity, cubic power terms, and some cubic interaction terms all have significant impact on power conversion efficiency (PCE). JMP Pro predicted that the TBC solar cell could achieve the maximum PCE of 26.784% under the conditions of wafer thickness = 143.25 μm, wafer resistivity = 1.09 Ω·cm, P/N ratio = 1.94, and pitch = 380 μm. Full article
(This article belongs to the Special Issue Solar Cells: Materials Design and Performance Optimization)
Show Figures

Figure 1

24 pages, 8999 KB  
Article
An Integrated Methodology for Assessing Wind Power Curtailment Using Anemometric Measurements and Operational Data in the Brazilian Context
by Paulo Nascimento, William Cossich, Lais Araujo, Isabela Santos, Kevin Almeida and André Marcato
Atmosphere 2026, 17(4), 333; https://doi.org/10.3390/atmos17040333 - 25 Mar 2026
Abstract
The increasing share of wind power generation has intensified the occurrence of curtailment events in power systems worldwide, mainly driven by transmission constraints, operational limitations, and imbalances between generation and demand. In the Brazilian context, this phenomenon has become more pronounced since 2023, [...] Read more.
The increasing share of wind power generation has intensified the occurrence of curtailment events in power systems worldwide, mainly driven by transmission constraints, operational limitations, and imbalances between generation and demand. In the Brazilian context, this phenomenon has become more pronounced since 2023, highlighting structural challenges of the Brazilian Interconnected Power System and the need for reliable methodologies to estimate curtailed wind generation. This study presents a methodology to estimate wind power potential during curtailment events, aiming to support forecasting models and the economic compensation of affected generating agents. The proposed approach integrates measured power generation data, technical information of wind farms, and anemometric measurements from SCADA systems, combining data filtering and consistency procedures, gap-filling based on spatial correlation among wind farms, and regression models supported by statistical and computational techniques for wind-to-power conversion. The methodology was applied to more than 1000 wind farms connected to the Brazilian transmission grid and achieved accuracy levels above 95% on a semi-hourly basis and exceeding 99% for annual aggregations. Full article
Show Figures

Figure 1

18 pages, 4313 KB  
Article
Analysis of a Novel Three-Port Single-Stage Bidirectional DC–AC Converter for PV-ESS-V2G System
by Chunhui Liu, Yinfu Bao, Celiang Deng, Fan Zhang, Da Wang, Haoran Chen, Wentao Ma, Feng Jiang and Min Chen
Electronics 2026, 15(7), 1360; https://doi.org/10.3390/electronics15071360 - 25 Mar 2026
Abstract
Multiport DC–AC converters are widely used in photovoltaic-energy storage–charging systems, but traditional two-stage schemes face challenges in circuit cost and efficiency improvements. To address this issue, a novel three-port single-stage DC–AC converter is proposed for grid-connected applications. The proposed converter integrates two DC [...] Read more.
Multiport DC–AC converters are widely used in photovoltaic-energy storage–charging systems, but traditional two-stage schemes face challenges in circuit cost and efficiency improvements. To address this issue, a novel three-port single-stage DC–AC converter is proposed for grid-connected applications. The proposed converter integrates two DC ports and one AC port through circuit multiplexing, eliminating the high-voltage DC bus and reducing system complexity. An unfolding bridge is employed at the AC port, and full bridge circuits are used at DC ports, reducing the number of high-frequency switches. The proposed single-stage topology inherently achieves galvanic isolation and bidirectional power conversion. To achieve accurate grid current regulation and wide-range zero-voltage-switching, a multiple-phase-shift modulation method is developed to ensure a sinusoidal current waveform. The effectiveness of the proposed converter and modulation method is verified through simulation results, demonstrating a peak efficiency of 97% and a total harmonic distortion of 2.91%. Full article
Show Figures

Figure 1

27 pages, 3955 KB  
Article
Design, Synthesis, and Investigation of the Photoelectric Properties of Glaucine Derivatives in Sensitized Solar Cells
by Anatolii S. Burlov, Anastasia A. Shiryaeva, Valery G. Vlasenko, Yurii V. Koshchienko, Alexander A. Zubenko, Oleg P. Demidov, Bogdan V. Chaltsev, Alexandra A. Polyanskaya, Alexey N. Gusev, Elena V. Braga and Wolfgang Linert
Inorganics 2026, 14(4), 91; https://doi.org/10.3390/inorganics14040091 - 25 Mar 2026
Abstract
Two Zn(II) coordination compounds based on glaucine-derived Schiff bases were synthesized and investigated as potential materials for dye-sensitized solar cells (DSSCs). The structures of all compounds were established by X-ray diffraction analysis and quantum chemical modeling (DFT/TD-DFT). Their photophysical properties (absorption and luminescence [...] Read more.
Two Zn(II) coordination compounds based on glaucine-derived Schiff bases were synthesized and investigated as potential materials for dye-sensitized solar cells (DSSCs). The structures of all compounds were established by X-ray diffraction analysis and quantum chemical modeling (DFT/TD-DFT). Their photophysical properties (absorption and luminescence spectra in solution and the solid state), electrochemical characteristics, and photovoltaic parameters in DSSC devices were studied. The highest power conversion efficiency (PCE ~5.18%) was demonstrated by the free ligands, which is attributed to their favorable absorption spectrum and optimal alignment of energy levels relative to the conduction band of TiO2 and the redox couple of the electrolyte. The Zn(II) coordination compounds exhibited significantly lower efficiency (~2.1%). Impedance spectroscopy results indicated more efficient charge transfer at the TiO2/dye/electrolyte interface for the organic derivatives. Full article
(This article belongs to the Section Coordination Chemistry)
Show Figures

Figure 1

23 pages, 1063 KB  
Article
Data-Driven Control of a DC-DC Pseudo-Partial Power Converter Using Deep Reinforcement Learning for EV Fast Charging
by Daniel Pesantez, Oswaldo Menéndez-Granizo, Moslem Dehghani and José Rodríguez
Electronics 2026, 15(7), 1356; https://doi.org/10.3390/electronics15071356 - 25 Mar 2026
Abstract
In recent years, DC-DC partial power converters (PPCs) have become increasingly important in fast-charging architectures for electric vehicles (EVs). Their key feature is that only a fraction of the energy delivered to the battery is processed by the PPC, while the rest is [...] Read more.
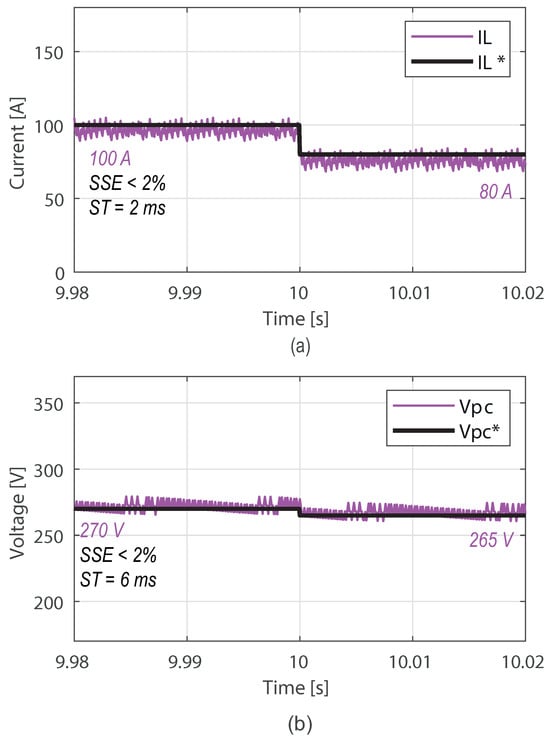
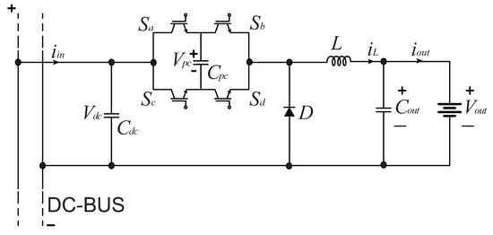
In recent years, DC-DC partial power converters (PPCs) have become increasingly important in fast-charging architectures for electric vehicles (EVs). Their key feature is that only a fraction of the energy delivered to the battery is processed by the PPC, while the rest is transferred directly, bypassing the conversion stage. This reduces DC-DC conversion losses and improves overall charging efficiency. However, the nonlinear dynamics of these converters can limit performance, especially with model-based controllers such as proportional–integral (PI) controllers. This paper proposes a data-driven control framework for EV fast-charging stations using a DC-DC PPC that is controlled by deep reinforcement learning (DRL). A value-based deep Q-network (DQN) directly selects switching actions and jointly regulates the partial-voltage and output current. The control problem is formulated as a discrete-time Markov decision process, and a two-stage transfer learning scheme ensures safe, efficient deployment. Firstly, the DQN agent is trained in a high-fidelity simulation and then fine-tuned with a small set of experimental data to capture parasitic and modeling errors. The controller is integrated into a constant-current–constant-voltage (CC-CV) charging algorithm and validated over a full charging cycle of a 60 kWh EV battery. The proposed control scheme exhibits a settling time of approximately 2 ms in response to current reference variations while maintaining steady-state errors below 2% in current regulation and below 1% in partial voltage regulation. Simulation results show that the proposed DRL controller has a small steady-state tracking error and improved robustness to reference changes compared with conventional PI and sliding mode controllers. The low computational cost of the trained DQN policy also enables real-time execution on embedded platforms for EV charging. Full article
(This article belongs to the Section Power Electronics)
Show Figures

Figure 1

10 pages, 1690 KB  
Communication
Enhancing the Performance of Dye-Sensitized Solar Cells with a Three-Layer Photoanode
by Zhou Li, Lihua Bai, Yuan Zhang, Zhangyang Zhou and Teng Zhang
Materials 2026, 19(7), 1286; https://doi.org/10.3390/ma19071286 - 24 Mar 2026
Abstract
Dye-sensitized solar cells (DSCs) have garnered significant attention due to their high power conversion efficiency and low production cost-effectiveness. In this study, we developed a hierarchically structured three-layer TiO2 photoanode via hydrothermal synthesis to significantly enhance DSC performance. The optimized device achieved [...] Read more.
Dye-sensitized solar cells (DSCs) have garnered significant attention due to their high power conversion efficiency and low production cost-effectiveness. In this study, we developed a hierarchically structured three-layer TiO2 photoanode via hydrothermal synthesis to significantly enhance DSC performance. The optimized device achieved a short-circuit current density of 16.92 mA/cm2 and a photoelectric conversion efficiency of 8.34%, representing improvements of 15.67% and 20.5%, respectively, compared to traditional DSCs with a single-layer TiO2 photoanode in our study. The significance lies in the rational design principle rather than absolute efficiency. This performance enhancement stems from the complementary functions of each architectural layer: (1) a bottom layer of TiO2 nanocrystals providing high surface area for dye adsorption, (2) an intermediate layer of vertically aligned TiO2 nanorods enabling efficient electron transport, and (3) a top layer of TiO2 microspheres simultaneously boosting dye loading and light harvesting through enhanced light scattering. Our findings demonstrate that rational design of multi-layered photoanode architectures can effectively address the competing demands of surface area, charge transport, and light management in high-performance DSCs. Full article
(This article belongs to the Section Energy Materials)
Show Figures

Figure 1

31 pages, 2440 KB  
Article
Macro-Level Decision-Support Planning of Photovoltaic Capacity Development in the EU Energy System: Clustering, Diffusion-Based Logistic Maturity, and Resource Allocation
by Cristiana Tudor, Ramona Iulia Dieaconescu, Maria Gheorghe and Andrei Ioan Bulgaru
Systems 2026, 14(4), 341; https://doi.org/10.3390/systems14040341 - 24 Mar 2026
Viewed by 41
Abstract
The European Union aims to cut greenhouse gas emissions by 55% by 2030 and reach climate neutrality by 2050, targets that depend on expanding renewable generation in the European energy system. While photovoltaic (PV) capacity has grown quickly in several member states, others [...] Read more.
The European Union aims to cut greenhouse gas emissions by 55% by 2030 and reach climate neutrality by 2050, targets that depend on expanding renewable generation in the European energy system. While photovoltaic (PV) capacity has grown quickly in several member states, others remain far behind. This paper frames that divergence as a systems planning problem: installed MW expands through diffusion-like dynamics, but the conversion of investment into energizable capacity is filtered by grid-integration constraints and institutional throughput. The study develops a macro-level framework for systems-level assessment and decision support to guide PV capacity planning and budget allocation using official 2012–2022 data for 22 EU countries. We combine (i) unsupervised clustering of standardized national deployment trajectories, (ii) bounded logistic fits interpreted as an operational diffusion-with-saturation representation that yield comparable growth parameters and maturity years (80–90% of the estimated ceiling), and (iii) a proportional reallocation scenario for countries below 5 GW in 2022. Three clusters emerge—steady growth, early plateau, and atypical paths—and an analytically tractable maturity indicator integrates capacity, rate, and timing in a single measure. In a 10 GW reallocation scenario, average progress toward the 5 GW benchmark rises from 9.8% to 23.1%, closing about 14.8% of the aggregate shortfall. The allocation experiment reveals a clear asymmetry: systems with an existing installed base convert additional MW into benchmark progress more efficiently than very low-baseline systems, where binding constraints are more likely to sit in permitting, interconnection queues, and hosting capacity rather than in finance alone. Turning these allocations into usable capacity depends on timely interconnection and power-electronics integration and on grid-enablement constraints such as interconnection readiness, inverter compliance, and local hosting capacity in high-penetration areas. The contribution is a transparent, updateable decision-support pipeline that links observed trajectory regimes to a maturity “clock” and an auditable allocation baseline, making the trade-off between closing capacity gaps and respecting feasibility filters explicit in an EU system with heterogeneous national subsystems. The proposed approach links macro-level maturity clusters to operational feasibility signals in the grid integration layer, showing that modeling-based allocation can improve system progress but cannot substitute grid-enablement measures, highlighting the importance of regional coordination in the EU energy system under heterogeneous national trajectories. Full article
Show Figures

Figure 1

20 pages, 7936 KB  
Article
Energy Harvesting from Clustered Piezoelectric Beams for Aircraft Health Monitoring Systems
by Sadia Bakhtiar, Sayed N. Masabi, Tianhui Li, Jan Papuga, Andrew West, Jingjing Jiang and Stephanos Theodossiades
Appl. Sci. 2026, 16(7), 3115; https://doi.org/10.3390/app16073115 - 24 Mar 2026
Viewed by 68
Abstract
Energy harvesting has emerged as a promising solution for powering aircraft structural health monitoring (SHM) systems by exploiting ambient vibration energy. This work presents a novel clustered piezoelectric energy harvester (CPEH) designed to enable autonomous sensing and wireless data transmission in aircraft structures. [...] Read more.
Energy harvesting has emerged as a promising solution for powering aircraft structural health monitoring (SHM) systems by exploiting ambient vibration energy. This work presents a novel clustered piezoelectric energy harvester (CPEH) designed to enable autonomous sensing and wireless data transmission in aircraft structures. Aircraft sections experience complex, multiple vibration modes during flight; however, the proposed harvester is specifically designed to exploit the oscillatory motion of the vertical tail unit (VTU) of a VUT-100 Cobra aircraft during the cruise phase. The energy harvester employs a clustered piezoelectric cantilever configuration incorporating magnetic stiffness nonlinearity, which enhances vibration-induced strain and enables effective frequency tuning. The nonlinear magnetic interaction broadens the operational bandwidth and improves energy conversion performance under low excitation amplitudes. The system is tuned to operate over a broadband frequency range of 110–130 Hz, with optimal performance achieved at acceleration amplitudes of less than 0.5 g, corresponding to the measured VTU vibration levels during the cruise phase of the flight. An experimental prototype was tested in the laboratory under aircraft cruise-phase vibration conditions, successfully achieving maximum power of 0.041 mW at optimum resistance of 390 KΩ and 5.45 mJ of stored energy in a 1000 µF capacitor within 10 min, confirming the feasibility of the proposed harvester for aircraft SHM applications. Full article
Show Figures

Figure 1

14 pages, 415 KB  
Article
A Dialogue Between Japanese Buddhism and Chinese Buddhism—When D. T. Suzuki Met Yinguang
by Wenliang Zhang and Weipeng Ya
Religions 2026, 17(4), 405; https://doi.org/10.3390/rel17040405 - 24 Mar 2026
Viewed by 87
Abstract
In 1934, D. T. Suzuki visited China and met the renowned Pure Land Buddhist Master Yinguang, who was then retreating at Baoguo Temple in Suzhou. They conversed in-depth on the practices of the Pure Land and Chan/Zen traditions in China and Japan. This [...] Read more.
In 1934, D. T. Suzuki visited China and met the renowned Pure Land Buddhist Master Yinguang, who was then retreating at Baoguo Temple in Suzhou. They conversed in-depth on the practices of the Pure Land and Chan/Zen traditions in China and Japan. This conversation deepened their respective understandings on the diverse developments of Pure Land and Chan in both countries. In this article, we introduces the historical context of Suzuki’s visit to China and his encounter with Yinguang, and then describes Suzuki’s impressions of Chinese Chan Buddhism during his visit. what is more, we compares and contrasts Yinguang’s and Suzuki’s views on Chan and Pure Land in China as well as their views on Pure Land and True Pure Land in Japan. Finally, we critically examines Suzuki’s view on the “Other-Power” (他力, 彼の力) and speculates on the significance of this dialogue in the history of the exchange of Buddhism between China and Japan. Full article
(This article belongs to the Special Issue The Evolution of Chinese Buddhist Knowledge Systems)
Back to TopTop