A Novel Solution Methodology Based on a Modified Gradient-Based Optimizer for Parameter Estimation of Photovoltaic Models
Abstract
1. Introduction
- ▪
- Proposing a modified version of gradient-based optimizer with the aim of improving its performance and avoiding the local optima.
- ▪
- Applying the original GBO and MGBO for parameter extraction of different PV models, single-diode, double-diode, and PV module.
- ▪
- A comparison study on the performance of the MGBO with the original GBO and other well-known optimization techniques.
- ▪
- The results prove that the MGBO has the capability to improve the performance of the original GBO with better solutions and a fast convergence rate.
2. Mathematical Formulation
2.1. Equivalent Circuit Model of PV Cell/Module
2.1.1. Single Diode Model of Solar Cell
2.1.2. Double Diode Model of Solar Cell
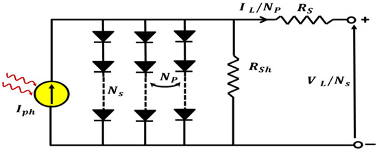
2.1.3. PV Module Model
2.2. Objective Function Formulation
3. Overview of GBO
3.1. GBO Initialization
3.2. Gradient Search Rule (GSR)
3.3. Local Escaping Operator (LEO)
| Else |
| End |
| End |
3.4. Modified GBO
4. Results and Evaluation
4.1. Scenario #1: Single Diode Model
4.2. Scenario #2: Double Diode Model
4.3. Scenario #3: PV Module Model
5. Conclusions
Author Contributions
Funding
Acknowledgments
Conflicts of Interest
Nomenclature
| Cell/module Open circuit voltage (V) | set of measurements | ||
| Cell/module Maximum output voltage (V) | thermal voltage | ||
| Cell/module short circuit current (A) | Maximum output current (A) | ||
| Cell/module maximum output power (W) | Cell/module output voltage(V) | ||
| photo-generated current (A) | RMSE | Root mean square error | |
| reverse saturation current (A) | IAE | Integral absolute error | |
| , | Shunt and series resistances. | RE | Relative error |
| ideality factor | |||
| Cell/module output current |
References
- IRENA. Global Renewables Outlook: Energy transformation 2050; IRENA: Masdar, United Arab Emirates, 2020. [Google Scholar]
- Nunes, H.; Pombo, J.; Bento, P.; Mariano, S.; Calado, M. Collaborative swarm intelligence to estimate PV parameters. Energy Convers. Manag. 2019, 185, 866–890. [Google Scholar] [CrossRef]
- Ayodele, T.; Ogunjuyigbe, A.; Ekoh, E. Evaluation of numerical algorithms used in extracting the parameters of a single-diode photovoltaic model. Sustain. Energy Technol. Assess. 2016, 13, 51–59. [Google Scholar] [CrossRef]
- Qais, M.H.; Hasanien, H.M.; Alghuwainem, S. Identification of electrical parameters for three-diode photovoltaic model using analytical and sunflower optimization algorithm. Appl. Energy 2019, 250, 109–117. [Google Scholar] [CrossRef]
- Ishaque, K.; Salam, Z.; Taheri, H. Accurate MATLAB Simulink PV System Simulator Based on a Two-Diode Model. J. Power Electron. 2011, 11, 179–187. [Google Scholar] [CrossRef]
- Silva, E.A.; Bradaschia, F.; Cavalcanti, M.C.; Nascimento, A.J. Parameter Estimation Method to Improve the Accuracy of Photovoltaic Electrical Model. IEEE J. Photovolt. 2015, 6, 1–8. [Google Scholar] [CrossRef]
- Toledo, F.J.; Blanes, J.M.; Galiano, V. Two-Step Linear Least-Squares Method For Photovoltaic Single-Diode Model Parameters Extraction. IEEE Trans. Ind. Electron. 2018, 65, 6301–6308. [Google Scholar] [CrossRef]
- El Achouby, H.; Zaimi, M.; Ibral, A.; Assaid, E. New analytical approach for modelling effects of temperature and irradiance on physical parameters of photovoltaic solar module. Energy Convers. Manag. 2018, 177, 258–271. [Google Scholar] [CrossRef]
- Elkholy, A.; El-Ela, A.A. Optimal parameters estimation and modelling of photovoltaic modules using analytical method. Heliyon 2019, 5, e02137. [Google Scholar] [CrossRef]
- Louzazni, M.; Khouya, A.; Amechnoue, K.; Mussetta, M.; Crăciunescu, A. Comparison and evaluation of statistical criteria in the solar cell and photovoltaic module parameters’ extraction. Int. J. Ambient. Energy 2018, 0750, 1–13. [Google Scholar] [CrossRef]
- Dkhichi, F.; Oukarfi, B.; Fakkar, A.; Belbounaguia, N. Parameter identification of solar cell model using Levenberg–Marquardt algorithm combined with simulated annealing. Sol. Energy 2014, 110, 781–788. [Google Scholar] [CrossRef]
- Bana, S.; Saini, R. Identification of unknown parameters of a single diode photovoltaic model using particle swarm optimization with binary constraints. Renew. Energy 2017, 101, 1299–1310. [Google Scholar] [CrossRef]
- Oliva, D.; Cuevas, E.; Pajares, G. Parameter identification of solar cells using artificial bee colony optimization. Energy 2014, 72, 93–102. [Google Scholar] [CrossRef]
- Zagrouba, M.; Sellami, A.; Bouaïcha, M.; Ksouri, M. Identification of PV solar cells and modules parameters using the genetic algorithms: Application to maximum power extraction. Sol. Energy 2010, 84, 860–866. [Google Scholar] [CrossRef]
- Ma, J.; Ting, T.O.; Man, K.L.; Zhang, N.; Guan, S.-U.; Wong, P.W.H. Parameter Estimation of Photovoltaic Models via Cuckoo Search. J. Appl. Math. 2013, 2013, 1–8. [Google Scholar] [CrossRef]
- Chen, X.; Yu, K. Hybridizing cuckoo search algorithm with biogeography-based optimization for estimating photovoltaic model parameters. Sol. Energy 2019, 180, 192–206. [Google Scholar] [CrossRef]
- Augusto, R.; Franco, P.; Filho, G.L.; Henrique, F.; Vieira, T. Firefly Algorithm Applied to the Estimation of the Parameters of a Photovoltaic Panel Model; Springer International Publishing: Cham, Switzerlan, 2019. [Google Scholar]
- Allam, D.; Yousri, D.; Eteiba, M. Parameters extraction of the three diode model for the multi-crystalline solar cell/module using Moth-Flame Optimization Algorithm. Energy Convers. Manag. 2016, 123, 535–548. [Google Scholar] [CrossRef]
- Ram, J.P.; Babu, T.S.; Dragicevic, T.; Rajasekar, N. A new hybrid bee pollinator flower pollination algorithm for solar PV parameter estimation. Energy Convers. Manag. 2017, 135, 463–476. [Google Scholar] [CrossRef]
- Beigi, A.M.; Maroosi, A. Parameter identification for solar cells and module using a Hybrid Firefly and Pattern Search Algorithms. Sol. Energy 2018, 171, 435–446. [Google Scholar] [CrossRef]
- Askarzadeh, A.; Rezazadeh, A. Parameter identification for solar cell models using harmony search-based algorithms. Sol. Energy 2012, 86, 3241–3249. [Google Scholar] [CrossRef]
- Han, W.; Wang, H.-H.; Chen, L. Parameters Identification for Photovoltaic Module Based on an Improved Artificial Fish Swarm Algorithm. Sci. World J. 2014, 2014, 1–12. [Google Scholar] [CrossRef]
- Kanimozhi, G.; Kumar, H. Modeling of solar cell under different conditions by Ant Lion Optimizer with LambertW function. Appl. Soft Comput. 2018, 71, 141–151. [Google Scholar] [CrossRef]
- Kler, D.; Sharma, P.; Banerjee, A.; Rana, K.; Kumar, V. PV cell and module efficient parameters estimation using Evaporation Rate based Water Cycle Algorithm. Swarm Evol. Comput. 2017, 35, 93–110. [Google Scholar] [CrossRef]
- Yu, K.; Qu, B.; Yue, C.; Ge, S.; Chen, X.; Liang, J. A performance-guided JAYA algorithm for parameters identification of photovoltaic cell and module. Appl. Energy 2019, 237, 241–257. [Google Scholar] [CrossRef]
- Kler, D.; Goswami, Y.; Rana, K.; Kumar, V. A novel approach to parameter estimation of photovoltaic systems using hybridized optimizer. Energy Convers. Manag. 2019, 187, 486–511. [Google Scholar] [CrossRef]
- Jacob, B.; Balasubramanian, K.; Thanikanti, S.B.; Azharuddin, S.M.; Rajasekar, N. Solar PV Modelling and Parameter Extraction Using Artificial Immune System. Energy Procedia 2015, 75, 331–336. [Google Scholar] [CrossRef]
- Abbassi, R.; Abbassi, A.; Heidari, A.A.; Mirjalili, S. An efficient salp swarm-inspired algorithm for parameters identification of photovoltaic cell models. Energy Convers. Manag. 2019, 179, 362–372. [Google Scholar] [CrossRef]
- Niu, Q.; Zhang, L.; Li, K. A biogeography-based optimization algorithm with mutation strategies for model parameter estimation of solar and fuel cells. Energy Convers. Manag. 2014, 86, 1173–1185. [Google Scholar] [CrossRef]
- Zaky, A.A.; El Sehiemy, R.A.; Rashwan, Y.I.; Elhossieni, M.A.; Gkini, K.; Kladas, A.; Falaras, P. Optimal Performance Emulation of PSCs using the Elephant Herd Algorithm Associated with Experimental Validation. ECS J. Solid State Sci. Technol. 2019, 8, Q249–Q255. [Google Scholar] [CrossRef]
- Hachana, O.; Hemsas, K.E.; Tina, G.M.; Ventura, C. Comparison of different metaheuristic algorithms for parameter identification of photovoltaic cell/module. J. Renew. Sustain. Energy 2013, 5, 053122. [Google Scholar] [CrossRef]
- Chen, Z.; Wu, L.; Lin, P.; Wu, Y.; Cheng, S. Parameters identification of photovoltaic models using hybrid adaptive Nelder-Mead simplex algorithm based on eagle strategy. Appl. Energy 2016, 182, 47–57. [Google Scholar] [CrossRef]
- Jiang, L.L.; Maskell, D.L.; Patra, J.C. Parameter estimation of solar cells and modules using an improved adaptive differential evolution algorithm. Appl. Energy 2013, 112, 185–193. [Google Scholar] [CrossRef]
- Yuan, X.; He, Y.; Liu, L. Parameter extraction of solar cell models using chaotic asexual reproduction optimization. Neural Comput. Appl. 2014, 26, 1227–1239. [Google Scholar] [CrossRef]
- Gao, X.; Cui, Y.; Hu, J.; Xu, G.; Wang, Z.; Qu, J.; Wang, H. Parameter extraction of solar cell models using improved shuffled complex evolution algorithm. Energy Convers. Manag. 2018, 157, 460–479. [Google Scholar] [CrossRef]
- Yousri, D.; Allam, D.; Eteiba, M.; Suganthan, P.N. Static and dynamic photovoltaic models’ parameters identification using Chaotic Heterogeneous Comprehensive Learning Particle Swarm Optimizer variants. Energy Convers. Manag. 2019, 182, 546–563. [Google Scholar] [CrossRef]
- Yuan, X.; Xiang, Y.; He, Y. Parameter extraction of solar cell models using mutative-scale parallel chaos optimization algorithm. Sol. Energy 2014, 108, 238–251. [Google Scholar] [CrossRef]
- Zhao, W.; Wang, L.; Zhang, Z. Artificial ecosystem-based optimization: A novel nature-inspired meta-heuristic algo-rithm. Neural. Comput. Appl. 2020, 32, 9383–9425. [Google Scholar] [CrossRef]
- Soliman, M.A.; Hasanien, H.M.; Alkuhayli, A. Marine Predators Algorithm for Parameters Identification of Triple-Diode Photovoltaic Models. IEEE Access 2020, 8, 155832–155842. [Google Scholar] [CrossRef]
- Ramadan, A.; Kamel, S.; Korashy, A.; Yu, J. Photovoltaic Cells Parameter Estimation Using an Enhanced Teaching–Learning-Based Optimization Algorithm. Iran. J. Sci. Technol. Trans. Electr. Eng. 2019, 44, 767–779. [Google Scholar] [CrossRef]
- Qais, M.H.; Hasanien, H.M.; Alghuwainem, S.; Nouh, A.S. Coyote optimization algorithm for parameters extraction of three-diode photovoltaic models of photovoltaic modules. Energy 2019, 187, 116001. [Google Scholar] [CrossRef]
- Qais, M.H.; Hasanien, H.M.; Alghuwainem, S. Parameters extraction of three-diode photovoltaic model using computation and Harris Hawks optimization. Energy 2020, 195, 117040. [Google Scholar] [CrossRef]
- ElAzab, O.S.; Hasanien, H.M.; Alsaidan, I.; Abdelaziz, A.Y.; Muyeen, S.M. Parameter Estimation of Three Diode Photovoltaic Model Using Grasshopper Optimization Algorithm. Energies 2020, 13, 497. [Google Scholar] [CrossRef]
- Jordehi, A.R. Gravitational search algorithm with linearly decreasing gravitational constant for parameter estimation of photovoltaic cells. In Proceedings of the 2017 IEEE Congress on Evolutionary Computation (CEC), San Sebastian, Spain, 5–8 June 2017; pp. 37–42. [Google Scholar] [CrossRef]
- Sheng, H.; Li, C.; Wang, H.; Yan, Z.; Xiong, Y.; Cao, Z.; Kuang, Q. Parameters Extraction of Photovoltaic Models Using an Improved Moth-Flame Optimization. Energies 2019, 12, 3527. [Google Scholar] [CrossRef]
- Lockett, A.J. No Free Lunch Theorems. Lect. Notes Comput. Sci. 2020, 1, 287–322. [Google Scholar] [CrossRef]
- Diab, A.A.Z.; Sultan, H.M.; Aljendy, R.; Al-Sumaiti, A.S.; Shoyama, M.; Ali, Z.M. Tree Growth Based Optimization Algorithm for Parameter Extraction of Different Models of Photovoltaic Cells and Modules. IEEE Access 2020, 8, 119668–119687. [Google Scholar] [CrossRef]
- Merenda, M.; Iero, D.; Carotenuto, R.; Della Corte, F.G. Simple and Low-Cost Photovoltaic Module Emulator. Electronics 2019, 8, 1445. [Google Scholar] [CrossRef]
- Zafar, M.H.; Al-Shahrani, T.; Khan, N.M.; Mirza, A.F.; Mansoor, M.; Qadir, M.U.; Khan, M.I.; Naqvi, R.A. Group Teaching Optimization Algorithm Based MPPT Control of PV Systems under Partial Shading and Complex Partial Shading. Electronics 2020, 9, 1962. [Google Scholar] [CrossRef]
- Chin, V.J.; Salam, Z. A New Three-point-based Approach for the Parameter Extraction of Photovoltaic Cells. Appl. Energy 2019, 237, 519–533. [Google Scholar] [CrossRef]
- Ahmadianfar, I.; Bozorg-Haddad, O.; Chu, X. Gradient-based optimizer: A new metaheuristic optimization algorithm. Inf. Sci. 2020, 540, 131–159. [Google Scholar] [CrossRef]
- Oliva, D.; Rodriguez-Esparza, E.; Martins, M.S.R.; Elaziz, M.A.; Hinojosa, S.; Ewees, A.A.; Lu, S. Balancing the Influence of Evolutionary Operators for Global optimization. In Proceedings of the 2020 IEEE Congress on Evolutionary Computation (CEC), Glasgow, UK, 19–24 July 2020; pp. 1–8. [Google Scholar]
- Korashy, A.; Kamel, S.; Youssef, A.-R.; Jurado, F. Modified water cycle algorithm for optimal direction overcurrent relays coordination. Appl. Soft Comput. 2019, 74, 10–25. [Google Scholar] [CrossRef]
















| Parameter | Single Diode/Double Diode | PV Module | ||
|---|---|---|---|---|
| Lower Bound | Upper Bound | Lower Bound | Upper Bound | |
| Iph (A) | 0 | 1 | 0 | 2 |
| Isd, Isd1, Isd2 (μA) | 0 | 1 | 0 | 5 |
| RS (Ω) | 0 | 0.5 | 0 | 2 |
| Rsh (Ω) | 0 | 100 | 0 | 2000 |
| n, n1, n2 | 1 | 2 | 1 | 50 |
| Algorithm | RMSE | ||||
|---|---|---|---|---|---|
| Min | Mean | Median | Max | SD | |
| MGBO | 9.8602 × 10−4 | 9.8603 × 10−4 | 9.86 × 10−4 | 9.86 × 10−4 | 2.25 × 10−8 |
| GBO | 9.8602 × 10−4 | 9.8611 × 10−4 | 9.86 × 10−4 | 9.870 × 10−4 | 2.74 × 10−7 |
| BO | 9.8602 × 10−4 | 1.0232 × 10−3 | 9.86 × 10−4 | 1.218 × 10−3 | 7.92 × 10−5 |
| MRFO | 9.8604 × 10−4 | 1.0177 × 10−3 | 9.92 × 10−4 | 1.232 × 10−3 | 6.10 × 10−5 |
| TLBO | 9.8616 × 10−4 | 9.9315 × 10−4 | 9.90 × 10−4 | 1.013 × 10−3 | 8.16 × 10−6 |
| AEO | 9.8602 × 10−4 | 1.0036 × 10−3 | 9.86 × 10−4 | 1.179 × 10−3 | 4.76 × 10−5 |
| Algorithm | Iph (A) | Isd (μA) | Rs (Ω) | Rsh (Ω) | n | RMSE |
|---|---|---|---|---|---|---|
| MGBO | 0.760776 | 0.323021 | 0.036377 | 53.71852 | 1.481184 | 9.8602 × 10−4 |
| GBO | 0.760776 | 0.323021 | 0.036377 | 53.71853 | 1.481184 | 9.8602 × 10−4 |
| BO | 0.760776 | 0.323021 | 0.036377 | 53.71853 | 1.481184 | 9.8602 × 10−4 |
| MRFO | 0.760778 | 0.323956 | 0.036365 | 53.76327 | 1.481476 | 9.8604 × 10−4 |
| TLBO | 0.760773 | 0.324008 | 0.036373 | 53.99459 | 1.481486 | 9.8616 × 10−4 |
| AEO | 0.760775 | 0.323339 | 0.036373 | 53.74679 | 1.481283 | 9.8602 × 10−4 |
| Item | Measured Data | Simulated Current Data | Simulated Power Data | ||||
|---|---|---|---|---|---|---|---|
| V (V) | I (A) | P (w) | Isim (A) | IAEI (A) | Psim (W) | IAEP (W) | |
| 1 | −0.2057 | 0.7640 | −0.157155 | 0.7640877 | 0.000087704 | −0.1571728 | 0.000018041 |
| 2 | −0.1291 | 0.7620 | −0.098374 | 0.7626631 | 0.000663086 | −0.0984598 | 0.000085604 |
| 3 | −0.0588 | 0.7605 | −0.044717 | 0.7613553 | 0.000855307 | −0.0447677 | 0.000050292 |
| 4 | 0.0057 | 0.7605 | 0.004335 | 0.760154 | 0.000346009 | 0.00433288 | 0.000001972 |
| 5 | 0.0646 | 0.7600 | 0.049096 | 0.7590552 | 0.000944791 | 0.04903497 | 0.000061034 |
| 6 | 0.1185 | 0.7590 | 0.089942 | 0.7580423 | 0.000957655 | 0.08982802 | 0.000113482 |
| 7 | 0.1678 | 0.7570 | 0.127025 | 0.7570917 | 0.0000916534 | 0.12703998 | 0.000015379 |
| 8 | 0.2132 | 0.7570 | 0.161392 | 0.7561414 | 0.000858636 | 0.16120934 | 0.000183061 |
| 9 | 0.2545 | 0.7555 | 0.192275 | 0.7550869 | 0.000413128 | 0.19216961 | 0.000105141 |
| 10 | 0.2924 | 0.7540 | 0.22047 | 0.7536639 | 0.000336123 | 0.22037132 | 0.000098282 |
| 11 | 0.3269 | 0.7505 | 0.245338 | 0.751391 | 0.000890966 | 0.24562971 | 0.000291257 |
| 12 | 0.3585 | 0.7465 | 0.26762 | 0.7473539 | 0.000853851 | 0.26792636 | 0.000306105 |
| 13 | 0.3873 | 0.7385 | 0.286021 | 0.7401172 | 0.001617221 | 0.2866474 | 0.000626350 |
| 14 | 0.4137 | 0.7280 | 0.301174 | 0.7273822 | 0.000617776 | 0.30091803 | 0.000255574 |
| 15 | 0.4373 | 0.7065 | 0.308952 | 0.7069727 | 0.000472651 | 0.30915914 | 0.000206690 |
| 16 | 0.4590 | 0.6755 | 0.310055 | 0.6752802 | 0.000219849 | 0.30995359 | 0.000100911 |
| 17 | 0.4784 | 0.6320 | 0.302349 | 0.6307583 | 0.001241728 | 0.30175476 | 0.000594043 |
| 18 | 0.4960 | 0.5730 | 0.284208 | 0.5719284 | 0.001071642 | 0.28367647 | 0.000531534 |
| 19 | 0.5119 | 0.4990 | 0.255438 | 0.499607 | 0.000607019 | 0.25574883 | 0.000310733 |
| 20 | 0.5265 | 0.4130 | 0.217445 | 0.4136488 | 0.000648792 | 0.21778609 | 0.000341589 |
| 21 | 0.5398 | 0.3165 | 0.170847 | 0.3175101 | 0.00101011 | 0.17139196 | 0.000545257 |
| 22 | 0.5521 | 0.2120 | 0.117045 | 0.2121549 | 0.000154939 | 0.11713074 | 0.000085542 |
| 23 | 0.5633 | 0.1035 | 0.058302 | 0.1022513 | 0.001248688 | 0.05759816 | 0.000703386 |
| 24 | 0.5736 | −0.0100 | −0.005736 | −0.008718 | 0.001282458 | −0.0050004 | 0.000735618 |
| 25 | 0.5833 | −0.1230 | −0.071746 | −0.125507 | 0.002507413 | −0.0732085 | 0.001462574 |
| 26 | 0.5900 | −0.2100 | −0.1239 | −0.208472 | 0.001527673 | −0.1229987 | 0.000901327 |
| Sum of IAE | 0.021526869 | 0.008730779 | |||||
| Algorithm | Iph (A) | Isd1 (μA) | Rs (Ω) | Rsh (Ω) | n1 | Isd2 (μA) | n2 | RMSE |
|---|---|---|---|---|---|---|---|---|
| MGBO | 0.760778 | 0.226221 | 0.036733 | 55.53231 | 1.451161 | 0.739538 | 1.996218 | 9.8253 × 10−4 |
| GBO | 0.760783 | 0.20525 | 0.036839 | 55.99065 | 1.443028 | 0.933745 | 2.000000 | 9.8274 × 10−4 |
| BO | 0.760784 | 0.593546 | 0.036662 | 55.03379 | 2.000000 | 0.244292 | 1.457524 | 9.8266 × 10−4 |
| MRFO | 0.760837 | 0.097161 | 0.036414 | 53.2903 | 1.697971 | 0.27743 | 1.470683 | 9.8677 × 10−4 |
| TLBO | 0.760755 | 0.569821 | 0.036664 | 55.27114 | 1.962822 | 0.237306 | 1.455441 | 9.8314 × 10−4 |
| AEO | 0.760773 | 0.306351 | 0.036413 | 54.1903 | 1.476753 | 0.131635 | 2.000000 | 9.8502 × 10−4 |
| Algorithm | RMSE | ||||
|---|---|---|---|---|---|
| Min | Mean | Median | Max | SD | |
| MGBO | 9.8253 × 10−4 | 9.8444 × 10−4 | 9.8440 × 10−4 | 9.8602 × 10−4 | 1.29 × 10−6 |
| GBO | 9.8274 × 10−4 | 1.0160 × 10−3 | 9.8640 × 10−4 | 1.3800 × 10−3 | 8.91 × 10−5 |
| BO | 9.8266 × 10−4 | 1.0546 × 10−3 | 9.8601 × 10−4 | 2.3223 × 10−3 | 2.99 × 10−4 |
| MRFO | 9.8677 × 10−4 | 1.1852 × 10−3 | 1.1249 × 10−3 | 1.4701 × 10−3 | 1.64 × 10−4 |
| TLBO | 9.8314 × 10−4 | 1.0037 × 10−3 | 9.9925 × 10−4 | 1.0820 × 10−3 | 2.15 × 10−5 |
| AEO | 9.8502 × 10−4 | 1.0021 × 10−3 | 9.9572 × 10−4 | 1.0696 × 10−3 | 2.12 × 10−5 |
| Item | Measured Data | Simulated Current Data | Simulated Power Data | ||||
|---|---|---|---|---|---|---|---|
| V (V) | I (A) | P (w) | Isim (A) | IAEI (A) | Psim (W) | IAEP (W) | |
| 1 | −0.2057 | 0.7640 | −0.157155 | 0.763977787 | 0.000022213 | −0.1571502 | 0.000004569 |
| 2 | −0.1291 | 0.7620 | −0.098374 | 0.762599636 | 0.000599636 | −0.0984516 | 0.000077413 |
| 3 | −0.0588 | 0.7605 | −0.044717 | 0.761334311 | 0.000834311 | −0.0447664 | 0.000049057 |
| 4 | 0.0057 | 0.7605 | 0.004335 | 0.760171392 | 0.000328608 | 0.00433298 | 0.000001873 |
| 5 | 0.0646 | 0.7600 | 0.049096 | 0.759106204 | 0.000893796 | 0.04903826 | 0.000057739 |
| 6 | 0.1185 | 0.7590 | 0.089942 | 0.758120812 | 0.000879188 | 0.08983732 | 0.000104184 |
| 7 | 0.1678 | 0.7570 | 0.127025 | 0.757188839 | 0.000188839 | 0.12705629 | 0.000031687 |
| 8 | 0.2132 | 0.7570 | 0.161392 | 0.756244644 | 0.000755356 | 0.16123136 | 0.000161042 |
| 9 | 0.2545 | 0.7555 | 0.192275 | 0.755179094 | 0.000320906 | 0.19219308 | 0.000081671 |
| 10 | 0.2924 | 0.7540 | 0.22047 | 0.753724777 | 0.000275223 | 0.22038912 | 0.000080475 |
| 11 | 0.3269 | 0.7505 | 0.245338 | 0.751401912 | 0.000901912 | 0.24563329 | 0.000294835 |
| 12 | 0.3585 | 0.7465 | 0.26762 | 0.747304101 | 0.000804101 | 0.26790852 | 0.000288270 |
| 13 | 0.3873 | 0.7385 | 0.286021 | 0.740012525 | 0.001512525 | 0.28660685 | 0.000585801 |
| 14 | 0.4137 | 0.7280 | 0.301174 | 0.727247276 | 0.000752724 | 0.3008622 | 0.000311402 |
| 15 | 0.4373 | 0.7065 | 0.308952 | 0.706848564 | 0.000348564 | 0.30910488 | 0.000152427 |
| 16 | 0.4590 | 0.6755 | 0.310055 | 0.675206706 | 0.000293294 | 0.30991988 | 0.000134622 |
| 17 | 0.4784 | 0.6320 | 0.302349 | 0.630755525 | 0.001244475 | 0.30175344 | 0.000595357 |
| 18 | 0.4960 | 0.5730 | 0.284208 | 0.571989313 | 0.001010687 | 0.2837067 | 0.000501301 |
| 19 | 0.5119 | 0.4990 | 0.255438 | 0.499701818 | 0.000701818 | 0.25579736 | 0.000359261 |
| 20 | 0.5265 | 0.4130 | 0.217445 | 0.413731565 | 0.000731565 | 0.21782967 | 0.000385169 |
| 21 | 0.5398 | 0.3165 | 0.170847 | 0.317546550 | 0.001046550 | 0.17141163 | 0.000564928 |
| 22 | 0.5521 | 0.2120 | 0.117045 | 0.212125269 | 0.000125269 | 0.11711436 | 0.000069161 |
| 23 | 0.5633 | 0.1035 | 0.058302 | 0.102165984 | 0.001334016 | 0.0575501 | 0.000751451 |
| 24 | 0.5736 | −0.0100 | −0.005736 | −0.00879142 | 0.001208580 | −0.0050427 | 0.000693241 |
| 25 | 0.5833 | −0.1230 | −0.071746 | −0.12554747 | 0.002547470 | −0.0732318 | 0.001485939 |
| 26 | 0.5900 | −0.2100 | −0.1239 | −0.20838191 | 0.001618088 | −0.1229453 | 0.000954672 |
| Sum of IAE | 0.021279712 | 0.008777547 | |||||
| Algorithm | Iph (A) | Isd (μA) | Rs (Ω) | Rsh (Ω) | n | RMSE |
|---|---|---|---|---|---|---|
| MGBO | 1.030514 | 3.482263 | 1.201271 | 981.9822 | 48.64283 | 2.4251 × 10−3 |
| GBO | 1.030514 | 3.482265 | 1.201271 | 981.9827 | 48.64284 | 2.4251 × 10−3 |
| BO | 1.030514 | 3.482263 | 1.201271 | 981.9824 | 48.64283 | 2.4251 × 10−3 |
| MRFO | 1.03052 | 3.477694 | 1.201452 | 981.0917 | 48.63778 | 2.4251 × 10−3 |
| TLBO | 1.030574 | 3.514497 | 1.20055 | 982.9439 | 48.67867 | 2.4264 × 10−3 |
| AEO | 1.0305 | 3.48619 | 1.201173 | 984.1829 | 48.64711 | 2.4251 × 10−3 |
| Algorithm | RMSE | ||||
|---|---|---|---|---|---|
| Min | Mean | Median | Max | SD | |
| MGBO | 2.4251 × 10−3 | 2.4251 × 10−3 | 2.4251 × 10−3 | 2.4251 × 10−3 | 4.73 × 10−9 |
| GBO | 2.4251 × 10−3 | 2.4289 × 10−3 | 2.4251 × 10−3 | 2.4930 × 10−3 | 1.52 × 10−5 |
| BO | 2.4251 × 10−3 | 2.4897 × 10−3 | 2.4251 × 10−3 | 2.6189 × 10−3 | 9.03 × 10−5 |
| MRFO | 2.4251 × 10−3 | 2.4340 × 10−3 | 2.4266 × 10−3 | 2.4809 × 10−3 | 1.58 × 10−5 |
| TLBO | 2.4264 × 10−3 | 2.4335 × 10−3 | 2.4326 × 10−3 | 2.4509 × 10−3 | 5.95 × 10−6 |
| AEO | 2.4251 × 10−3 | 2.4383 × 10−3 | 2.4277 × 10−3 | 2.5584 × 10−3 | 3.02 × 10−5 |
| Item | Measured Data | Simulated Current Data | Simulated Power Data | ||||
|---|---|---|---|---|---|---|---|
| V (V) | I (A) | P (w) | Isim (A) | IAEI (A) | Psim (W) | IAEP (W) | |
| 1 | 0.1248 | 1.0315 | 0.1287312 | 1.029119162 | 0.002380838 | 0.12843407 | 0.000297129 |
| 2 | 1.8093 | 1.0300 | 1.863579 | 1.027381074 | 0.002618926 | 1.85884058 | 0.004738423 |
| 3 | 3.3511 | 1.0260 | 3.4382286 | 1.025741797 | 0.000258203 | 3.43736334 | 0.000865263 |
| 4 | 4.7622 | 1.0220 | 4.8669684 | 1.024107155 | 0.002107155 | 4.87700309 | 0.010034694 |
| 5 | 6.0538 | 1.0180 | 6.1627684 | 1.022291805 | 0.004291805 | 6.18875013 | 0.025981728 |
| 6 | 7.2364 | 1.0155 | 7.3485642 | 1.019930681 | 0.004430681 | 7.38062638 | 0.032062181 |
| 7 | 8.3189 | 1.0140 | 8.4353646 | 1.016363106 | 0.002363106 | 8.45502304 | 0.019658441 |
| 8 | 9.3097 | 1.0100 | 9.402797 | 1.010496151 | 0.000496151 | 9.40741602 | 0.004619021 |
| 9 | 10.2163 | 1.0035 | 10.2520571 | 1.000628970 | 0.00287103 | 10.2227257 | 0.029331306 |
| 10 | 11.0449 | 0.9880 | 10.9123612 | 0.984548379 | 0.003451621 | 10.8742384 | 0.038122814 |
| 11 | 11.8018 | 0.9630 | 11.3651334 | 0.959521676 | 0.003478324 | 11.3240829 | 0.041050482 |
| 12 | 12.4929 | 0.9255 | 11.562179 | 0.922838818 | 0.002661182 | 11.5289331 | 0.033245880 |
| 13 | 13.1231 | 0.8725 | 11.4499048 | 0.872599663 | 0.0000996628 | 11.4512126 | 0.001307885 |
| 14 | 13.6983 | 0.8075 | 11.0613773 | 0.807274264 | 0.000225736 | 11.058285 | 0.003092204 |
| 15 | 14.2221 | 0.7265 | 10.3323557 | 0.728336478 | 0.001836478 | 10.3584742 | 0.026118573 |
| 16 | 14.6995 | 0.6345 | 9.32683275 | 0.637138000 | 0.002638 | 9.36561003 | 0.038777281 |
| 17 | 15.1346 | 0.5345 | 8.0894437 | 0.536213063 | 0.001713063 | 8.11537023 | 0.025926525 |
| 18 | 15.5311 | 0.4275 | 6.63954525 | 0.429511325 | 0.002011325 | 6.67078334 | 0.031238088 |
| 19 | 15.8929 | 0.3185 | 5.06188865 | 0.318774483 | 0.000274483 | 5.06625098 | 0.004362327 |
| 20 | 16.2229 | 0.2085 | 3.38247465 | 0.207389507 | 0.001110493 | 3.36445923 | 0.018015422 |
| 21 | 16.5241 | 0.1010 | 1.6689341 | 0.096167172 | 0.004832828 | 1.58907596 | 0.079858136 |
| 22 | 16.7987 | −0.0080 | −0.1343896 | −0.00832539 | 0.000325386 | −0.1398557 | 0.005466062 |
| 23 | 17.0499 | −0.1110 | −1.8925389 | −0.11093648 | 6.35175E−05 | −1.8914559 | 0.001082966 |
| 24 | 17.2793 | −0.2090 | −3.6113737 | −0.20924727 | 0.000247266 | −3.6156463 | 0.004272577 |
| 25 | 17.4885 | −0.3030 | −5.2990155 | −0.30086359 | 0.002136413 | −5.2616528 | 0.037362667 |
| Sum of IAE | - | - | - | - | 0.048923675 | - | 0.516888077 |
Publisher’s Note: MDPI stays neutral with regard to jurisdictional claims in published maps and institutional affiliations. |
© 2021 by the authors. Licensee MDPI, Basel, Switzerland. This article is an open access article distributed under the terms and conditions of the Creative Commons Attribution (CC BY) license (http://creativecommons.org/licenses/by/4.0/).
Share and Cite
Hassan, M.H.; Kamel, S.; El-Dabah, M.A.; Rezk, H. A Novel Solution Methodology Based on a Modified Gradient-Based Optimizer for Parameter Estimation of Photovoltaic Models. Electronics 2021, 10, 472. https://doi.org/10.3390/electronics10040472
Hassan MH, Kamel S, El-Dabah MA, Rezk H. A Novel Solution Methodology Based on a Modified Gradient-Based Optimizer for Parameter Estimation of Photovoltaic Models. Electronics. 2021; 10(4):472. https://doi.org/10.3390/electronics10040472
Chicago/Turabian StyleHassan, Mohamed H., Salah Kamel, M. A. El-Dabah, and Hegazy Rezk. 2021. "A Novel Solution Methodology Based on a Modified Gradient-Based Optimizer for Parameter Estimation of Photovoltaic Models" Electronics 10, no. 4: 472. https://doi.org/10.3390/electronics10040472
APA StyleHassan, M. H., Kamel, S., El-Dabah, M. A., & Rezk, H. (2021). A Novel Solution Methodology Based on a Modified Gradient-Based Optimizer for Parameter Estimation of Photovoltaic Models. Electronics, 10(4), 472. https://doi.org/10.3390/electronics10040472
